ИС МЕГАНОРМ: примечание. Изменения, выделенные в официальном тексте документа вертикальной линией, расположенной на полях, в электронной версии документа выделены вертикальной линией справа от текста. |
mit kleinem Flansch", MOD) путем замены ссылок на международные стандарты ссылками на национальные и межгосударственные стандарты; исключения ссылок: ДИН 962, ДИН 4000-160, ДИН ЕН ИСО 225 (вместе с абзацем подраздела 3.1) в связи с тем, что применение данных стандартов не соответствует особенностям национальной стандартизации; изменения раздела 5, который выделен вертикальной линией, расположенной на полях этого текста.



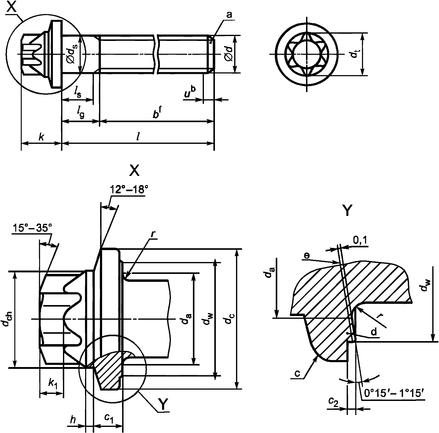
Резьба d | M4 | M5 | M6 | M8, M8x1 | M10, M10x1, M10x1,25 | M12, M12x1,25, M12x1,5 | M14, M14x1,5 | M16, M16x1,5 | M18, M18x1,5, M18x2 | M20, M20x1,5, M20x2 | ||||||||||||
p <a> | 0,7 | 0,8 | 1 | 1,25 | 1,5 | 1,75 | 2 | 2 | 2,5 | 2,5 | ||||||||||||
b | (размер для справок) | 35 | 40 | 50 | 65 | 80 | 80 | 80 | 80 | 80 | 80 | |||||||||||
c1 | не менее | 1,05 | 1,45 | 1,55 | 2,25 | 2,95 | 3,60 | 3,90 | 4,80 | 4,90 | 6,20 | |||||||||||
не более | 1,30 | 1,70 | 1,80 | 2,50 | 3,20 | 3,90 | 4,20 | 5,10 | 5,20 | 6,50 | ||||||||||||
c2, | не более | 0,4 | 0,5 | 0,5 | 0,6 | 0,6 | 0,6 | 0,6 | 0,8 | 0,8 | 0,8 | |||||||||||
da, | не более | 4,7 | 5,7 | 6,8 | 9,2 | 11,2 | 13,7 | 15,7 | 17,7 | 20,2 | 22,4 | |||||||||||
dc ном, | не более | 7,88 | 8,88 | 10,88 | 13,73 | 16,83 | 18,83 | 21,93 | 25,09 | 28,04 | 31,09 | |||||||||||
dr | ~= приблизительно равен среднему диаметру резьбы | |||||||||||||||||||||
ds | не более | 4 | 5 | 6 | 8 | 10 | 12 | 14 | 16 | 18 | 20 | |||||||||||
не менее | 3,82 | 4,82 | 5,82 | 7,78 | 9,78 | 11,73 | 13,73 | 15,73 | 17,73 | 19,67 | ||||||||||||
dt, | номинальный размер | 4,6 | 5,55 | 7,3 | 9,2 | 10,95 | 12,65 | 16,4 | 18,15 | 21,85 | 21,85 | |||||||||||
dch | не более (размер для справок) | 5,00 | 6,00 | 7,80 | 9,75 | 11,55 | 13,30 | 17,10 | 18,90 | 22,70 | 22,70 | |||||||||||
не менее (размер для справок) | 4,75 | 5,75 | 7,50 | 9,40 | 11,15 | 12,90 | 16,70 | 18,45 | 22,15 | 22,15 | ||||||||||||
dw, | не менее | 5,88 | 6,88 | 8,88 | 11,63 | 14,63 | 16,63 | 19,63 | 22,49 | 25,34 | 28,19 | |||||||||||
h, | не более | 0,8 | 0,8 | 0,9 | 0,9 | 0,9 | 1,3 | 1,3 | 1,3 | 1,3 | 1,3 | |||||||||||
kном | не более | 4,50 | 5,50 | 6,50 | 8,20 | 10,00 | 12,00 | 14,00 | 16,00 | 18,00 | 20,00 | |||||||||||
не менее | 4,25 | 5,25 | 6,25 | 7,95 | 9,75 | 11,75 | 13,75 | 15,75 | 17,75 | 19,75 | ||||||||||||
k1, | не менее | 1,19 | 1,25 | 1,7 | 2,08 | 2,54 | 3,28 | 3,99 | 4,34 | 5,89 | 5,89 | |||||||||||
r, | не менее | 0,2 | 0,2 | 0,25 | 0,4 | 0,4 | 0,6 | 0,6 | 0,6 | 0,6 | 0,8 | |||||||||||
Условное обозначение звездообразной головки <b> | E 5 | E 6 | E 8 | E 10 | E 12 | E 14 | E 18 | E 20 | E 24 | E 24 | ||||||||||||
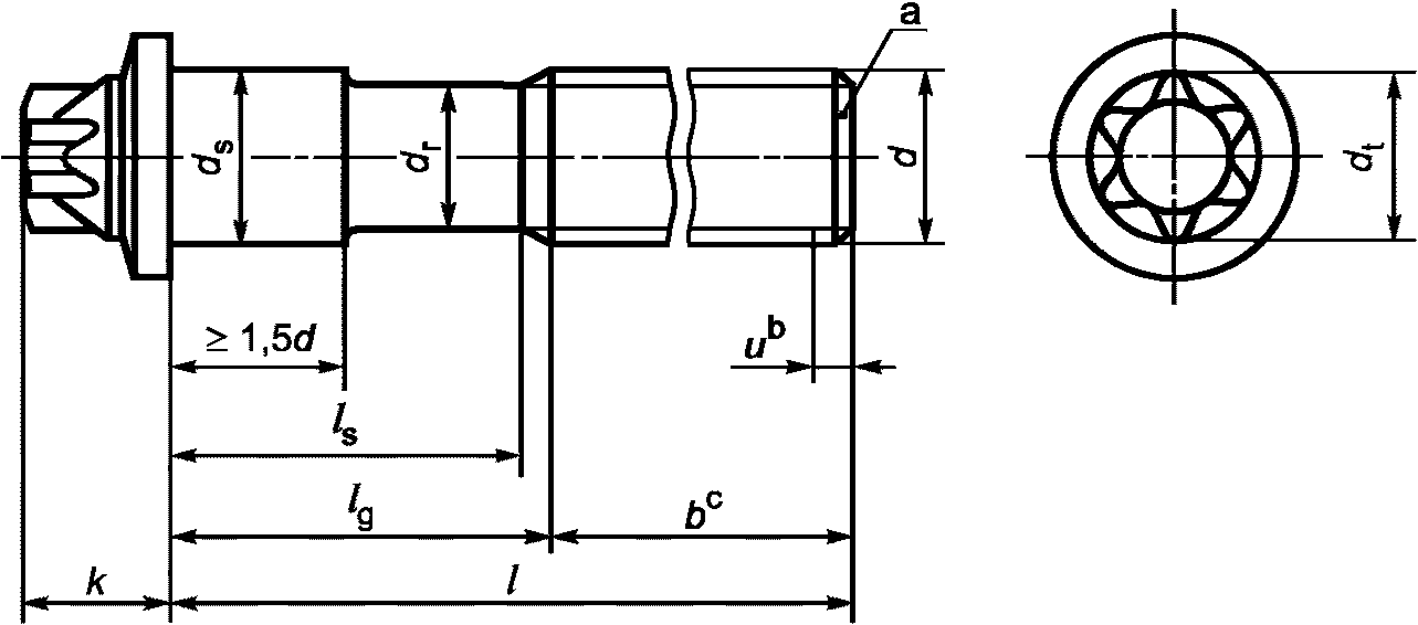
l <c> | Длина гладкой части стержня ls и расстояние от опорной поверхности до первого витка резьбы полного профиля lg | |||||||||||||||||||||
Номинальный | не менее | не более | ls, не менее | lg, не более | ls, не менее | lg, не более | ls, не менее | lg, не более | ls, не менее | lg, не более | ls, не менее | lg, не более | ls, не менее | lg, не более | ls, не менее | lg, не более | ls, не менее | lg, не более | ls, не менее | lg, не более | ls, не менее | lg, не более |
10 | 9,71 | 10,29 | ||||||||||||||||||||
12 | 11,65 | 12,35 | ||||||||||||||||||||
16 | 15,65 | 16,35 | ||||||||||||||||||||
20 | 19,58 | 20,42 | ||||||||||||||||||||
25 | 24,58 | 25,42 | ||||||||||||||||||||
30 | 29,58 | 30,42 | ||||||||||||||||||||
35 | 34,5 | 35,5 | Резьба приблизительно до головки только для болтов с уменьшенным диаметром гладкой части стержня (форма B) | |||||||||||||||||||
40 | 39,5 | 40,5 | 1,5 | 5 | ||||||||||||||||||
45 | 44,5 | 45,5 | 6,5 | 10 | 1 | 5 | ||||||||||||||||
50 | 49,5 | 50,5 | 6 | 10 | ||||||||||||||||||
55 | 54,4 | 55,6 | - | 5 | ||||||||||||||||||
60 | 59,4 | 60,6 | 10 | 15 | ||||||||||||||||||
65 | 64,4 | 65,6 | ||||||||||||||||||||
70 | 69,4 | 70,6 | - | 5 | ||||||||||||||||||
80 | 79,4 | 80,6 | 8,75 | 15 | ||||||||||||||||||
90 | 89,3 | 90,7 | - | 10 | - | 10 | - | 10 | - | 10 | - | 10 | - | 10 | ||||||||
100 | 99,3 | 100,7 | 12,5 | 20 | 11,25 | 20 | 10 | 20 | 10 | 20 | - | 20 | - | 20 | ||||||||
110 | 109,3 | 110,7 | 21,25 | 30 | 20 | 30 | 20 | 30 | 17,5 | 30 | 17,5 | 30 | ||||||||||
120 | 119,3 | 120,7 | 31,25 | 40 | 30 | 40 | 30 | 40 | 27,5 | 40 | 27,5 | 40 | ||||||||||
130 | 129,2 | 130,8 | 40 | 50 | 40 | 50 | 37,5 | 50 | 37,5 | 50 | ||||||||||||
140 | 139,2 | 140,8 | 50 | 60 | 50 | 60 | 47,5 | 60 | 47,5 | 60 | ||||||||||||
150 | 149,2 | 150,8 | 60 | 70 | 57,5 | 70 | 57,5 | 70 | ||||||||||||||
160 | 159,2 | 160,8 | 70 | 80 | 67,5 | 80 | 67,5 | 80 | ||||||||||||||
180 | 179,2 | 180,8 | 87,5 | 100 | 87,5 | 100 | ||||||||||||||||
200 | 199,075 | 200,925 | 107,5 | 120 | 107,5 | 120 | ||||||||||||||||
Материал | Сталь | Нержавеющая сталь | |
Общие требования | Обозначение стандарта | ||
Резьба | Поле допуска | 6g <a> | |
Обозначение стандарта | |||
Механические свойства | Классы прочности | 8.8, 10.9 | A2-70, A4-70 |
Обозначение стандарта | |||
Предельные размеры, допуски формы и расположения | Классы точности | Для l <= 10d или 150 мм <b>: A Для l > 10d или 150 мм <b>: B | |
Обозначение стандарта | |||
Отделка - покрытие | Черный оксид (термический или химический) | Без покрытия | |
Требования к гальваническим покрытиям по ГОСТ ISO 4042 Требования к неэлектролитическим цинкламельным покрытиям по ГОСТ Р ИСО 10683 | Пассивация по ГОСТ ISO 16048 | ||
Дефекты поверхности | Допустимые дефекты поверхности по ГОСТ ISO 6157-3 | ||
Приемочный контроль | |||
<a> В зависимости от выбранной системы покрытия могут потребоваться также другие поля допусков перед нанесением покрытия (см., например, ГОСТ ISO 4042 и ГОСТ Р ИСО 10683). | |||
Примеры условных обозначений: Болт со звездообразной головкой, с малым фланцем, с нормальным стержнем (форма C) по ГОСТ Р 52854, с резьбой M10, номинальной длиной l = 110 мм, класса прочности 8.8: Болт со звездообразной головкой ГОСТ Р 52854 - C M10 x 110 - 8.8 То же, с уменьшенным стержнем (форма B) по ГОСТ Р 52854, с резьбой M10, номинальной длиной l = 110 мм, класса прочности 8.8: Болт со звездообразной головкой ГОСТ Р 52854 - B M10 x 110 - 8.8 Обозначение формы и исполнения болта и винта с дополнительными требованиями при заказе - по ГОСТ Р ИСО 8991. |





Условное обозначение звездообразной головки | A | AA | B | K | T | R | S | X | J | E | H |
+0,008 -0,003 | +0,008 -0,003 | +0,008 -0,008 | +0,127 -0 | +0 -0,025 | +0 -0,005 | +0,38 -0,38 | +0,127 -0,127 | +0,25 -0,25 | +0,25 -0 | +0,38 -0,38 | |
E 5 | 4,648 | 4,242 | 3,353 | 0,940 | 1,168 | 0,902 | 1,75 | 11,65 | 6,91 | 2,77 | 3,18 |
E 6 | 5,613 | 5,283 | 3,988 | 0,991 | 1,372 | 1,257 | 2,59 | 12,17 | 9,30 | 3,96 | 3,18 |
E 8 | 7,366 | 6,883 | 5,258 | 1,448 | 1,600 | 1,613 | 3,02 | 16,14 | 11,61 | 4,75 | 6,35 |
E 10 | 9,271 | 8,839 | 6,756 | 1,829 | 2,007 | 2,324 | 3,91 | 17,12 | 15,72 | 6,35 | 6,35 |
E 12 | 11,024 | 10,312 | 7,874 | 2,286 | 2,540 | 2,400 | 4,62 | 20,44 | 17,27 | 7,14 | 6,35 |
E 14 | 12,751 | 11,862 | 9,169 | 3,023 | 2,692 | 2,629 | 5,18 | 24,98 | 19,30 | 7,92 | 9,53 |
E 18 | 16,485 | 15,291 | 11,836 | 3,734 | 3,658 | 3,366 | 6,05 | 33,05 | 24,05 | 9,53 | 9,53 |
E 20 | 18,263 | 16,891 | 13,157 | 4,089 | 4,115 | 3,632 | 7,37 | 35,43 | 27,00 | 11,10 | 9,53 |
E 24 | 21,946 | 20,396 | 15,697 | 5,639 | 5,359 | 4,724 | 9,50 | 38,77 | 33,99 | 14,27 | 9,53 |
Обозначение ссылочного национального, межгосударственного стандарта | Степень соответствия | Обозначение и наименование ссылочного международного стандарта |
IDT | ISO 898-1:2013 "Механические свойства крепежных изделий из углеродистых и легированных сталей. Часть 1. Болты, винты и шпильки установленных классов прочности. Резьбы с крупным и мелким шагом" | |
MOD | ISO 3269:2000 "Изделия крепежные. Приемочный контроль" | |
IDT | ISO 3506-1:2009 "Механические свойства крепежных изделий из коррозионно-стойкой нержавеющей стали. Часть 1. Болты, винты и шпильки" | |
MOD | ISO 4042:2000 "Изделия крепежные. Электролитические покрытия" | |
IDT | ISO 4759-1:2000 "Изделия крепежные. Допуски. Часть 1. Болты, винты, шпильки и гайки. Классы изделий A, B и C" | |
IDT | ISO 6157-3:1988 "Изделия крепежные. Несплошности поверхности. Часть 3. Болты, винты и шпильки специальные" | |
IDT | ISO 8992:2005 "Изделия крепежные. Общие требования для болтов, винтов, шпилек, гаек" | |
IDT | ISO 16048:2003 "Изделия крепежные. Пассивация крепежных изделий из коррозионно-стойкой нержавеющей стали" | |
(ИСО 965-1:1998, ИСО 965-3:1998) | MOD | ISO 965-1:1998 "Резьбы метрические ISO общего назначения. Допуски. Часть 1. Принципы и основные данные" ISO 965-3:1998 "Резьбы метрические ISO общего назначения. Допуски. Часть 3. Отклонения для конструкционных резьб" |
IDT | ISO 4753:2011 "Изделия крепежные. Концы крепежных деталей с наружной метрической резьбой ISO" | |
IDT | ISO 8991:1986 "Изделия крепежные. Система обозначения крепежа" | |
IDT | ISO 10683:2000 "Изделия крепежные. Неэлектролитические цинк-ламельные покрытия" | |
Примечание - В настоящей таблице использованы следующие условные обозначения системы соответствия стандартов: - IDT - идентичные стандарты; - MOD - модифицированные стандарты. | ||
УДК 621.882.6:006.354 | ОКС 43.020 | ОКП 16 1000 |
Ключевые слова: автомобильные транспортные средства, болт, звездообразная головка, малый фланец | ||