Главная // Актуальные документы // ГОСТ Р (Государственный стандарт)СПРАВКА
Источник публикации
М.: ФГБУ "РСТ", 2021
Примечание к документу
Документ
введен в действие с 01.03.2022.
Название документа
"ГОСТ Р 59606-2021. Национальный стандарт Российской Федерации. Оптика и фотоника. Устройства фотоприемные второго и последующих поколений. Методы измерений фотоэлектрических параметров и определения характеристик"
(утв. и введен в действие Приказом Росстандарта от 12.10.2021 N 1132-ст)
"ГОСТ Р 59606-2021. Национальный стандарт Российской Федерации. Оптика и фотоника. Устройства фотоприемные второго и последующих поколений. Методы измерений фотоэлектрических параметров и определения характеристик"
(утв. и введен в действие Приказом Росстандарта от 12.10.2021 N 1132-ст)
| | ИС МЕГАНОРМ: примечание. В официальном тексте документа, видимо, допущена опечатка: ГОСТ Р 59606-2021 утвержден и введен в действие Приказом Росстандарта от 12.10.2021 N 1132-ст, а не N 132-ст. | |
Утвержден и введен в действие
по техническому регулированию
и метрологии
от 12 октября 2021 г. N 132-ст
НАЦИОНАЛЬНЫЙ СТАНДАРТ РОССИЙСКОЙ ФЕДЕРАЦИИ
ОПТИКА И ФОТОНИКА
УСТРОЙСТВА ФОТОПРИЕМНЫЕ ВТОРОГО И ПОСЛЕДУЮЩИХ ПОКОЛЕНИЙ
МЕТОДЫ ИЗМЕРЕНИЙ ФОТОЭЛЕКТРИЧЕСКИХ ПАРАМЕТРОВ
И ОПРЕДЕЛЕНИЯ ХАРАКТЕРИСТИК
Optics and photonics. Photodetector devices of second
and next-generations. Methods for photoelectric parameters
measuring and determination of characteristics
ГОСТ Р 59606-2021
Дата введения
1 марта 2022 года
1 РАЗРАБОТАН Федеральным государственным унитарным предприятием "Научно-исследовательский институт физической оптики, оптики лазеров и информационных оптических систем Всероссийского научного центра "Государственный оптический институт им. С.И. Вавилова" (ФГУП "НИИФООЛИОС ВНЦ "ГОИ им. С.И. Вавилова") и Акционерным обществом "Научно-производственное объединение "Орион" (АО "НПО "Орион")
2 ВНЕСЕН Техническим комитетом по стандартизации ТК 296 "Оптика и фотоника"
| | ИС МЕГАНОРМ: примечание. В официальном тексте документа, видимо, допущена опечатка: ГОСТ Р 59606-2021 утвержден и введен в действие Приказом Росстандарта от 12.10.2021 N 1132-ст, а не N 132-ст. | |
3 УТВЕРЖДЕН И ВВЕДЕН В ДЕЙСТВИЕ
Приказом Федерального агентства по техническому регулированию и метрологии от 12 октября 2021 г. N 132-ст
4 ВВЕДЕН ВПЕРВЫЕ
Правила применения настоящего стандарта установлены в статье 26 Федерального закона от 29 июня 2015 г. N 162-ФЗ "О стандартизации в Российской Федерации". Информация об изменениях к настоящему стандарту публикуется в ежегодном (по состоянию на 1 января текущего года) информационном указателе "Национальные стандарты", а официальный текст изменений и поправок - в ежемесячном информационном указателе "Национальные стандарты". В случае пересмотра (замены) или отмены настоящего стандарта соответствующее уведомление будет опубликовано в ближайшем выпуске ежемесячного информационного указателя "Национальные стандарты". Соответствующая информация, уведомления и тексты размещаются также в информационной системе общего пользования - на официальном сайте Федерального агентства по техническому регулированию и метрологии в сети Интернет (www.rst.gov.ru)
Настоящий стандарт распространяется на фотоприемные устройства (ФПУ) второго и последующих поколений, чувствительные к излучению в ультрафиолетовом и в инфракрасном диапазоне спектра. Допускается проводить измерения ФПУ, чувствительных к излучению в видимом диапазоне спектра.
Настоящий стандарт не распространяется на ФПУ, представляющие собой средства измерений, подлежащие испытаниям в целях утверждения типа средств измерений.
Настоящий стандарт допускается применять к ФПУ первого поколения.
В настоящем стандарте использованы нормативные ссылки на следующие стандарты:
ГОСТ 12.0.004 Система стандартов безопасности труда. Организация обучения безопасности труда. Общие положения
ГОСТ 12.1.019 Система стандартов безопасности труда. Электробезопасность. Общие требования и номенклатура видов защиты
ГОСТ 12.1.030 Система стандартов безопасности труда. Электробезопасность. Защитное заземление, зануление
ГОСТ 12.1.038 Система стандартов безопасности труда. Электробезопасность. Предельно допустимые значения напряжений прикосновения и токов
ГОСТ 12.2.007.0 Система стандартов безопасности труда. Изделия электротехнические. Общие требования безопасности
ГОСТ 12.2.007.14 Система стандартов безопасности труда. Кабели и кабельная арматура. Требования безопасности
ГОСТ 12.2.032 Система стандартов безопасности труда. Рабочее место при выполнении работ сидя. Общие эргономические требования
ГОСТ 12.2.033 Система стандартов безопасности труда. Рабочее место при выполнении работ стоя. Общие эргономические требования
ГОСТ 12.3.002 Система стандартов безопасности труда. Процессы производственные. Общие требования безопасности
ГОСТ 12.4.308 Система стандартов безопасности труда. Средства индивидуальной защиты глаз. Очки для защиты от лазерного излучения. Общие технические требования и методы испытаний
ГОСТ 31581 Лазерная безопасность. Общие требования безопасности при разработке и эксплуатации лазерных изделий
ГОСТ EN 208 Система стандартов безопасности труда. Средства защиты глаз при работе по настройке лазеров и лазерных систем. Общие технические требования, методы испытаний, маркировка
ГОСТ Р 8.568 Государственная система обеспечения единства измерений. Аттестация испытательного оборудования. Основные положения
ГОСТ Р 8.654 Государственная система обеспечения единства измерений. Требования к программному обеспечению средств измерений. Основные положения
ГОСТ Р 8.736 Государственная система обеспечения единства измерений. Измерения прямые многократные. Методы обработки результатов измерений. Основные положения
ГОСТ Р 12.1.031 Система стандартов безопасности труда. Лазеры. Методы дозиметрического контроля лазерного излучения
ГОСТ Р 55702 Источники света электрические. Методы измерений электрических и световых параметров
ГОСТ Р 58566-2019 Оптика и фотоника. Объективы для оптико-электронных систем. Методы испытаний
ГОСТ Р 59605-2021 Оптика и фотоника. Приемники излучения полупроводниковые фотоэлектрические и фотоприемные устройства. Термины и определения
ГОСТ Р 59607-2021 Приемники излучения полупроводниковые. Фотоэлектрические и фотоприемные устройства. Методы измерений фотоэлектрических параметров и определения характеристик
Примечание - При пользовании настоящим стандартом целесообразно проверить действие ссылочных стандартов в информационной системе общего пользования - на официальном сайте Федерального агентства по техническому регулированию и метрологии в сети Интернет или по ежегодному информационному указателю "Национальные стандарты", который опубликован по состоянию на 1 января текущего года, и по выпускам ежемесячного информационного указателя "Национальные стандарты" за текущий год. Если заменен ссылочный стандарт, на который дана недатированная ссылка, то рекомендуется использовать действующую версию этого стандарта с учетом всех внесенных в данную версию изменений. Если заменен ссылочный стандарт, на который дана датированная ссылка, то рекомендуется использовать версию этого стандарта с указанным выше годом утверждения (принятия). Если после утверждения настоящего стандарта в ссылочный стандарт, на который дана датированная ссылка, внесено изменение, затрагивающее положение, на которое дана ссылка, то это положение рекомендуется применять без учета данного изменения. Если ссылочный стандарт отменен без замены, то положение, в котором дана ссылка на него, рекомендуется применять в части, не затрагивающей эту ссылку.
3 Термины, определения и сокращения
3.1 Термины и определения
В настоящем стандарте применены термины по
ГОСТ Р 59605-2021, а также следующий термин с соответствующим определением:
3.1.1
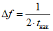
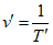
частота строк (кадров, полей): Величина, обратная периоду строчной (кадровой, полевой) развертки. [ГОСТ 21879-88, приложение 1, статья 24] |
В настоящем стандарте применены следующие сокращения:
АЦП - аналого-цифровой преобразователь;
АЧТ - абсолютно черное тело;
БИС - большая интегральная схема;
БЭО - блок электронной обработки;
ВЗН - временная задержка накопления;
ИК - инфракрасный;
МКС - микрокриогенная система;
НД - нормативный документ;
ОСХЧ - относительная спектральная характеристика чувствительности;
ОСШ - отношение сигнал/шум;
ОШШ - отношение шума фотоприемного устройства к шуму блока электронной обработки;
ПК - персональный компьютер;
ПО - программное обеспечение;
СИ - средство измерения;
СКО - среднеквадратическое отклонение;
ТСУИФ - технические устройства (системы) с измерительными функциями;
ТУ - технические условия;
УФ - ультрафиолетовый;
ФРТ - функция рассеяния точки;
ФЧЭ - фоточувствительный элемент;
ФЭПП - фотоэлектрический полупроводниковый приемник излучения;
ФЭС - фотоэлектрическая связь;
ЧКХ - частотно-контрастная характеристика;
ЭШРТ - эквивалентная шуму разность температур.
4 Методы измерений и определения характеристик
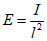
4.1.1 Сущность метода
4.1.1.1 Метод применяют для измерения шума каждого ФЧЭ, среднего значения шума ФПУ или выбранной области (далее в настоящем разделе - не приводится, но подразумевается возможность измерения параметров в выбранной области) и разброса значений шумов ФЧЭ по всей фоточувствительной области ФПУ или выбранной области.
4.1.1.2 За шум ФЧЭ (канала ВЗН) ФПУ принимают СКО фотоотклика с данного элемента.
4.1.1.3 За среднее значение шума ФПУ принимают среднее значение ФЧЭ ФПУ по недефектным элементам.
4.1.1.4 За разброс значений шумов ФЧЭ ФПУ принимают СКО шумов ФЧЭ ФПУ по недефектным элементам.
4.1.2 Средства измерений и вспомогательное оборудование
4.1.2.1 СИ должны быть поверены и откалиброваны в соответствии с нормативными документами, устанавливающими порядок и методы поверки и калибровки конкретных средств измерений. Вспомогательное оборудование должно быть аттестовано в соответствии с
ГОСТ Р 8.568. Допускается использовать для измерений калиброванные СИ, а также вспомогательное оборудование с нормированными метрологическими характеристиками в соответствии с требованиями настоящего стандарта.
Автономное ПО самостоятельной поставки, применяемое для измерений, должно быть аттестовано в установленном порядке в соответствии с
ГОСТ Р 8.654. Аттестация ПО не требуется, если ПО входит в состав функционально законченных СИ или ТСУИФ или его применяют только для функции дублирования отображения/записи информации.
Перечень СИ и вспомогательного оборудования, применяемых для измерения параметров ФПУ, должен быть указан в ТУ на их конкретные типы.
4.1.2.2 Конструкция контактных устройств (контактодержателей) для подключения ФПУ к измерительной цепи должна обеспечивать надежность электрического контакта без механических повреждений выводов ФПУ и исключать влияние их на результаты измерений.
4.1.2.3 Конструкция измерительной установки должна исключать влияние рассеянного света и посторонних источников излучения на результаты измерений.
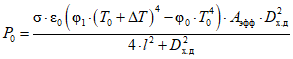
4.1.2.4 При измерениях рекомендуется применять следующие источники излучения в зависимости от области спектральной чувствительности и режима работы ФПУ:
- лампу накаливания с цветовой температурой TC = (2856 +/- 100) К;
- излучатель в виде модели АЧТ с плоской излучающей поверхностью большого размера (протяженное АЧТ) с температурами T = 300 К, T = 301 К, T = 303 К, T = 310 К;
- излучатель в виде модели АЧТ (высокотемпературное АЧТ) с излучающей полостью температуры T = (500 +/- 2) К, T = (800 +/- 2) К, T = (1000 +/- 12) К;
- светодиоды с известным распределением спектральной яркости или лазерные диоды.
Рекомендации по использованию источников излучения для измерения параметров ФПУ различных областей спектральной чувствительности приведены в
перечислениях а) -
г) ниже.
Для АЧТ с излучающей полостью в виде конуса, цилиндра или шара допускается применение методики измерения температуры излучателя (АЧТ) и ее стабильности в соответствии с ГОСТ Р 59607-2021
(приложение А).
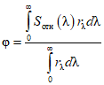
В состав источников излучения (ламп, светодиодов) для ослабления потока излучения или для увеличения плотности мощности могут входить ослабители (аттенюаторы), зеркала, линзы, объективы и другие оптические элементы. Влияние оптических элементов не учитывают в случае измерения относительной спектральной характеристики чувствительности или других параметров, если они изменяют коэффициент использования излучения за счет изменения его спектрального состава не более чем на 2%. Коэффициент использования излучения

вычисляют по формуле

, (1)
где

- относительная спектральная характеристика чувствительности ФПУ, отн. ед.;

- спектральная плотность потока излучения, Вт·см
-2·мкм
-1.
Поток излучения, падающий на ФПУ, следует выбирать из условия работы ФПУ на линейном участке его энергетической характеристики или в пределах значения сигнала, соответствующего значению заполнения ячейки накопления от 0,1 до 0,9 от максимального (если иное не указано в ТУ или НД на ФПУ конкретного типа).
При проведении измерений параметров и определения характеристик ФПУ рекомендуется использовать значение, обратное по отношению к значению, вычисленному по
формуле (1).
Нестабильность потока излучения не должна выходить за пределы интервала +/- 2% в течение часа. При использовании в качестве источника излучения лампы накаливания ее блок питания должен удовлетворять требованиям
ГОСТ Р 55702.
Остаточные пульсации потока излучения не должны оказывать существенного влияния на результат измерения параметров ФПУ.
Источник излучения для измерения параметров ФПУ различных областей спектральной чувствительности следует выбирать исходя из следующих рекомендаций:
а) для ФПУ, область спектральной чувствительности которых лежит в УФ-диапазоне спектра, в качестве источника излучения рекомендуется использовать УФ-светодиоды с известным распределением спектральной яркости. Допускается использовать лампы накаливания, если коротковолновая граница чувствительности более 325 нм;
б) для ФПУ, область спектральной чувствительности которых лежит в коротковолновом ИК диапазоне спектра, рекомендуется использовать высокотемпературные АЧТ. Допускается использовать лампы накаливания, если длинноволновая граница чувствительности менее 2100 нм;
в) для ФПУ без холодной диафрагмы, у которых область спектральной чувствительности лежит в средневолновом или длинноволновом ИК диапазоне спектра, рекомендуется использовать высокотемпературные АЧТ;
г) для ФПУ с холодной диафрагмой, у которых область спектральной чувствительности лежит в средневолновом или длинноволновом ИК диапазоне спектра, рекомендуется использовать протяженные АЧТ. При этом протяженное АЧТ должно быть установлено таким образом, чтобы его поверхность полностью перекрывала апертурные углы всех ФЧЭ ФПУ.
При использовании источников излучения, приведенных в
перечислениях а) -
г), если иные требования не установлены в стандартах или ТУ на ФПУ конкретного типа, необходимо обеспечить неравномерность освещенности в плоскости ФЧЭ ФПУ не хуже 0,5% (в пределах размера всей фоточувствительной матрицы элементов) для ФПУ без холодной диафрагмы. Для ФПУ с холодной диафрагмой отступление от освещенности в плоскости ФЧЭ не должно превышать 2%.
Тип источника излучения следует выбирать с учетом параметров испытуемого образца, установленных в стандартах или ТУ на ФПУ конкретного типа.
4.1.2.5 Рекомендуется, чтобы шум электронного тракта был меньше, чем шум испытуемого образца не менее чем в четыре раза.
4.1.3 Подготовка к измерениям
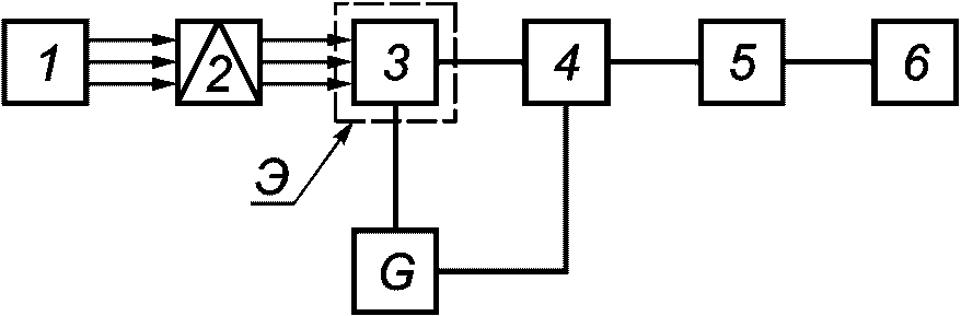
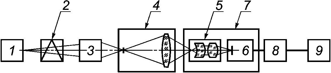
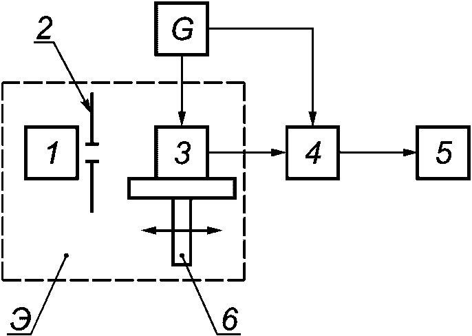
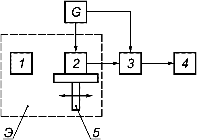
4.1.3.1 Измерение следует проводить на измерительной установке, функциональная схема которой приведена на
рисунке 1.
1 - источник излучения; 2 - модулятор (при необходимости);
3 - испытуемый образец; 4 - БЭО; 5 - ПК;
6 - специализированное ПО; G - источник питания;
Э - светозащитный экран (при необходимости)
4.1.3.2 При проведении измерений допускается использование модуляторов, если это указано в ТУ на ФПУ конкретного типа. Требования к модуляторам должны быть установлены в ТУ на ФПУ, при их отсутствии следует применять электромеханические модуляторы с вращающимися дисками и 100%-ной глубиной модуляции, если иное не указано в технической документации на установку, измеряемое изделие или в другом документе, регламентирующем процесс измерений. Способ модуляции, частоту, форму и глубину модуляции потока излучения следует выбирать в соответствии с требованиями ТУ на ФПУ конкретного типа. Рекомендуемая частота модуляции должна быть
fмод = (800 +/- 12) Гц. Конструкция модулятора должна быть такой, чтобы закон изменения потока излучения приближался к синусоидальному. Нестабильность частоты модуляции не должна выходить за пределы интервала +/- 1,5%.
4.1.3.3 Измерительную установку следует подготовить к работе в соответствии с требованиями эксплуатационной документации на установку.
4.1.4 Проведение измерений
4.1.4.1 Климатические условия окружающей среды, в которых проводят измерение, должны соответствовать следующим требованиям (если иные не установлены в ТУ на ФПУ или в другом документе, регламентирующем порядок проведения измерений):
- температура окружающей среды | - (23 +/- 4) °C; |
- относительная влажность | - (65 +/- 15)%; |
- атмосферное давление | - (100 +/- 4) кПа (750 +/- 30) мм рт. ст. |
Примечание - В ряде измерений температура должна быть точно зафиксирована для проведения последующей обработки результатов.
4.1.4.2 Испытуемый образец помещают в посадочное место измерительной установки, подключают его к измерительной цепи, закрывают светозащитным экраном (при необходимости) и устанавливают режим измерения в соответствии с требованиями ТУ на ФПУ конкретного типа или с учетом рекомендаций в
перечислениях а) -
г) 4.1.2.4.
Качество работы светозащитного экрана при измерении ФПУ УФ и коротковолнового ИК диапазонов спектра определяют по изменениям среднего значения шума при введении в конструкцию дополнительно защитного экрана от паразитного потока. Для этого проводят измерения шума при выключенном источнике излучения для двух случаев:
- с установленным экраном;
- с дополнительными элементами конструкции светозащитного экрана, уменьшающими паразитный поток, попадающий на ФПУ через экран.
Светозащитный экран выполняет свою функцию, если разность средних значений шума ФПУ для обоих случаев не превышает случайной составляющей погрешности измерений, зависящей от длины выборки кадров, размера фоточувствительной области в пикселях и шума ФЧЭ для доверительной вероятности P = 0,95.
4.1.4.3 Устанавливают требуемый режим работы испытуемого образца: напряжения питания и смещения (при необходимости) и температуру ФЧЭ. Если в составе ФПУ отсутствуют устройства стабилизации питания и смещения ФЧЭ и БИС считывания, то при измерении пульсации они не должны оказывать влияние на результаты измерений. Значения пульсации (среднеквадратическое отклонение), если иные требования не установлены в ТУ на ФПУ конкретного типа, должны в диапазоне частот от частоты кадров до частоты тактирования БИС составлять:
- не более 500 мкВ - по цепям напряжений питания аналоговых цепей ФПУ;
- не более 1000 мкВ - по цепям напряжений питания цифровых цепей ФПУ;
- не более 200 мкВ - по цепям напряжений смещения ФЧЭ.
При отсутствии в составе ФПУ устройства стабилизации питания и смещения ФЧЭ и БИС считывания рекомендуется фиксировать значения напряжений питания и смещения с погрешностью не более 100 мкВ.
4.1.4.4 Устанавливают требуемое время накопления или значение заполнения ячейки накопления. Погрешность установки времени накопления не должна превышать +/- 0,1% от установленного значения, если иные требования не указаны в ТУ на ФПУ конкретного типа. В случае, если указанная погрешность измерения времени накопления недостижима, то допускается прямое измерение времени накопления с погрешностью не более +/- 1%. Погрешность заполнения ячейки накопления не должна превышать +/- 5%, если иные требования не установлены в ТУ на ФПУ конкретного типа.
4.1.4.5 Источник излучения настраивают на заданный режим. При измерении шума ФПУ УФ и коротковолнового ИК диапазонов спектра измерения шума выполняют при выключенном источнике излучения, а для испытуемого образца с холодной диафрагмой устанавливают температуру поверхности АЧТ, равную 300 К, если иное не указано в ТУ на ФПУ конкретного типа или в ином документе, регламентирующем порядок проведения измерений.
4.1.4.6 Проводят запись не менее 512 кадров со всех пикселей испытуемого образца, если иное не указано в ТУ на ФПУ конкретного типа.
4.1.5 Обработка результатов
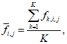
4.1.5.1 Значение шума i, j ФЧЭ NФЧЭ i,j по результатам измерений фотоотклика с i,j ФЧЭ ФПУ (в единицах счета АЦП) вычисляют по формуле

(2)
где fk,i,j - фотоотклик в k-м кадре с ФЧЭ с номером i, j;

- среднее значение фотоотклика с ФЧЭ с номером
i,
j, вычисляемое по формуле

(3)
где K - длина последовательности кадров.
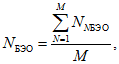
4.1.5.2 Среднее значение шума ФПУ NФПУ (в единицах счета АЦП) вычисляют по недефектным элементам по формуле

(4)
где
Nm - среднее значение шума
NФЧЭ в
m-м недефектном ФЧЭ, вычисленное по
формуле (2);
M - число недефектных элементов (или каналов ВЗН) ФПУ.
Примечание - Здесь и далее в разделе подразумевается, что если параметры, по которым элемент признают дефектным, связаны со средними значениями или разбросами параметров ФПУ, то расчет числа дефектных элементов проводят методом итераций с числом итераций, не превышающим трех.
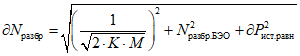
4.1.5.3 Разброс средних значений шумов ФЧЭ ФПУ Nразбр (в единицах счета АЦП) вычисляют по формуле

(5)
4.1.5.4 При необходимости представления полученных результатов в вольтах (значения шума ФЧЭ ФПУ, среднего значения шума ФПУ и разброса значений шумов ФЧЭ ФПУ) необходимо умножить значения, вычисленные по
формулам (2),
(4),
(5) соответственно, на коэффициент преобразования БЭО
KБЭО. Метод определения
KБЭО приведен в
приложении А.
4.1.5.5 Допускается вычитать из шума ФЧЭ NФЧЭ шум БЭО NБЭО. В этом случае шум ФЧЭ N'ФЧЭ вычисляют по формуле

. (6)
Примечание - Для ФПУ с цифровым выходом сигнал и шум вычисляют в единицах счета АЦП. Для ФПУ с аналоговым(и) выходом(ами) допускается вычислять значения сигнала и шума в единицах счета АЦП, если в размерности измеряемого параметра отсутствует напряжение.
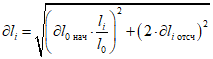
4.1.5.6 Расчет относительной неопределенности измерения шума ФЧЭ ФПУ
Основными источниками неопределенности измерения шума ФЧЭ ФПУ являются: длительность последовательности кадров, шум БЭО, коэффициент преобразования БЭО, нестабильность источника излучения.
Относительное значение неопределенности измерения шума единичного ФЧЭ ФПУ

вычисляют по формуле

, (7)
где

- относительное значение неопределенности, вызванной конечной длиной выборки кадров, вычисленное по
формуле (8);

- относительное значение неопределенности, вносимой шумами БЭО, вычисленное по
формуле (9); при измерении ФПУ с цифровыми выходами

принимают равным нулю;

- относительное значение неопределенности, вызванной погрешностью измерения коэффициента преобразования БЭО
KБЭО; метод расчета неопределенности
KБЭО приведен в
приложении А; неопределенность
KБЭО принимают равным нулю при измерении ФПУ с цифровыми выходами или при вычитании шумов БЭО;

- относительное значение неопределенности, вызванной нестабильностью источника излучения, определяемое по
формуле (10); при отсутствии потока излучения на входе

принимают равным нулю.
Относительное значение неопределенности

, вызванной конечной длиной выборки кадров, вычисляют по формуле

, (8)
где K - число кадров.
Относительное значение неопределенности

, вносимой шумами БЭО, вычисляют по формуле

, (9)
где ОШШ - отношение шума ФПУ к шуму БЭО.
Относительное значение неопределенности

, вызванной нестабильностью источника излучения, вычисляют по формуле

, (10)
где
k - отношение значения нестабильности источника излучения по
4.1.2.4 (деленной на 100%) ко времени, за которое ее наблюдают.
4.1.5.7 Расчет относительного значения неопределенности среднего значения шума ФПУ
Основными источниками неопределенности измерения шума ФПУ являются: длительность последовательности кадров, шум БЭО, коэффициент преобразования БЭО, нестабильность источника излучения, число недефектных ФЧЭ (или каналов ВЗН) ФПУ и равномерность освещенности фоточувствительной области, создаваемая от источника излучения.
Относительное значение неопределенности измерения среднего значения шума ФПУ

вычисляют по формуле

, (11)
где

- относительное значение неопределенности измерения шума ФЧЭ ФПУ, определяемое по
формуле (7);
M - число недефектных элементов (или каналов ВЗН) ФПУ;

- относительное значение неопределенности, вызванное неравномерностью распределения освещенности фоточувствительной области от источника излучения, определяемое по
формуле (12); при отсутствии потока излучения на входе значение

принимают равным нулю.
Относительное значение неопределенности

, вызванной неравномерностью освещенности фоточувствительной области от источника излучения, вычисляют по формуле

. (12)
4.1.5.8 Расчет относительного значения неопределенности разброса средних значений шумов ФЧЭ
Основными источниками неопределенности измерения шума ФПУ являются: длительность последовательности кадров и число недефектных ФЧЭ (или каналов ВЗН) ФПУ.
Относительное значение неопределенности разброса средних значений шумов ФЧЭ

вычисляют по формуле

, (13)
где
Nразбр.БЭО - разброс значений шумов по каналам БЭО (см.
приложение А).
4.1.5.9 Погрешность определения с заданной вероятностью P = 0,95 не должна выходить за пределы интервала:
- не более +/- 16% - для значений шума ФЧЭ ФПУ;
- не более +/- 12% - средних значений шума ФПУ;
- не более +/- 4% - неопределенности разброса средних значений шумов ФЧЭ по ФПУ.
4.2 Метод измерения сигнала
4.2.1 Сущность метода
4.2.1.1 Метод применяют для измерения сигнала ФЧЭ ФПУ, среднего значения сигнала ФПУ и определения разброса значений сигналов ФЧЭ по всей фоточувствительной области ФПУ.
4.2.1.2 За значение сигнала с ФЧЭ ФПУ или канала ФПУ (для приемников с ВЗН) принимают разность математических ожиданий (средних арифметических значений) значений фотооткликов с ФЧЭ или канала, рассчитанных по последовательности кадров, при двух различных известных потоках излучения или температурах АЧТ.
4.2.1.3 За среднее значение сигнала ФПУ принимают среднее арифметическое значение сигналов с ФЧЭ ФПУ по недефектным элементам.
4.2.1.4 За значение разброса сигналов с ФЧЭ ФПУ принимают СКО значение сигналов с ФЧЭ ФПУ по недефектным элементам. В случае выбранной области за разброс сигналов с ФЧЭ выбранной области принимают СКО сигналов с недефектных ФЧЭ выбранной области.
4.2.2 Средства измерений и вспомогательное оборудование
Требования к СИ и вспомогательному оборудованию - по
4.1.2.
4.2.3 Подготовка к измерениям
Подготовка к измерениям - по
4.1.3.
4.2.4 Проведение измерений
4.2.4.1 Климатические требования - по
4.1.4.1.
4.2.4.3 Источник излучения настраивают на заданный режим. При измерении сигнала ФПУ УФ и коротковолнового ИК диапазонов спектра источник излучения выключают или закрывают, а для ФПУ с холодной диафрагмой устанавливают температуру поверхности АЧТ, равную 300 К, если иное не указано в ТУ на ФПУ конкретного типа или в ином документе, регламентирующем порядок проведения измерений.
4.2.4.4 Записывают не менее 64 кадров. Допускается использовать последовательность кадров или ее часть, полученную при измерении значения шума по
4.1.4.6.
4.2.4.5 Источник излучения настраивают на заданный режим. При измерении сигнала с ФПУ УФ и коротковолнового ИК диапазонов спектра источник излучения включают или открывают, а для ФПУ с холодной диафрагмой устанавливают температуру поверхности АЧТ, равную 303 К, если иное не указано в ТУ на ФПУ конкретного типа или в ином документе, регламентирующем порядок проведения измерений.
4.2.4.6 Записывают кадры (число кадров такое же, как в
4.2.4.4).
4.2.5 Обработка результатов
4.2.5.1 Значение сигнала с ФЧЭ или канала ВЗН ФПУ SФЧЭ (в единицах счета АЦП) вычисляют по формуле

, (14)
где

- среднее значение фотоотклика ФЧЭ по "холодным кадрам", полученное по последовательности кадров в
4.2.4.3,
4.2.4.4;

- среднее значение фотоотклика ФЧЭ по "горячим кадрам", полученное по последовательности кадров в
4.2.4.5,
4.2.4.6.
4.2.5.2 Среднее значение сигнала с ФПУ SФПУ (в единицах счета АЦП) вычисляют по формуле

(15)
где
Sm - значение сигнала с ФЧЭ
SФЧЭ в
m-м недефектном ФЧЭ, вычисленное по
формуле (14);
M - число недефектных элементов (или каналов ВЗН) ФПУ.
4.2.5.3 Значение разброса сигналов с ФЧЭ Sразбр (в единицах счета АЦП) вычисляют по формуле

(16)
4.2.5.4 При необходимости представления полученных результатов в вольтах (значения сигнала с ФЧЭ ФПУ, среднего значения сигнала с ФПУ и разброса значений сигналов с ФЧЭ ФПУ) необходимо умножить значения, вычисленные по
формулам (14),
(15),
(16) соответственно, на коэффициент преобразования БЭО
KБЭО. Метод определения
KБЭО приведен в
приложении А.
4.2.5.5 Расчет неопределенности измерения сигнала с ФЧЭ ФПУ
Основными источниками неопределенности измерения сигнала с ФЧЭ ФПУ являются: шум ФЧЭ ФПУ, точность измерения, которая зависит от числа кадров, шума БЭО, коэффициента преобразования БЭО, нестабильности источника излучения.
Относительная погрешность измерения сигнала с ФЧЭ или канала ВЗН ФПУ

с учетом погрешностей измерения сигналов "горячего" и "холодного" кадров вычисляют по формуле

, (17)
где

- относительная погрешность измерения шума ФЧЭ без засветки ("холодный кадр");

- относительная погрешность измерения шума ФЧЭ с засветкой ("горячий кадр");

- относительная погрешность измерения среднего значения шума ФПУ, вычисленная по
формуле (11).
При этом погрешность единичного измерения сигнала с ФЧЭ ФПУ

вычисляют по формуле

, (18)
где
NФЧЭ - значение шума ФЧЭ, вычисленное по
формуле (2).
4.2.5.6 Расчет неопределенности измерения среднего значения сигнала ФПУ
Основным источником неопределенности измерения сигнала ФПУ является погрешность измерения средних значений сигнала отдельных ФЧЭ ФПУ.
Относительную погрешность измерения сигнала ФПУ

вычисляют по формуле

, (19)
где

- относительная погрешность измерения среднего значения шума ФПУ, вычисленная по
формуле (11).
4.2.5.7 Расчет неопределенности разброса значений сигналов ФЧЭ
Относительную погрешность измерения разброса

вычисляют по формуле

, (20)
где

- относительное значение неопределенности разброса шума ФПУ, вычисленное по
формуле (13);

- относительная погрешность измерения сигнала ФЧЭ, вычисленная по
формуле (17).
4.2.5.8 Погрешность определения с заданной вероятностью P = 0,95 не должна выходить за пределы интервала:
- не более +/- 6% - для сигнала ФЧЭ ФПУ;
- не более +/- 2% - среднего значения сигнала ФПУ;
- не более +/- 4% - неопределенности разброса средних значений сигналов ФЧЭ по ФПУ.
4.3 Метод определения среднего значения отношения сигнал/шум
4.3.1 Сущность метода
4.3.1.1 Данный метод применяют для определения среднего значения ОСШ ФЧЭ ФПУ и среднего значения ОСШ ФПУ.
4.3.1.2 За значение ОСШ ФЧЭ ФПУ или канала ФПУ (для приемников с ВЗН) принимают отношение значения сигнала с ФЧЭ к значению шума ФЧЭ, полученное по последовательности кадров.
4.3.1.3 За среднее значение ОСШ ФПУ принимают среднее арифметическое значение ОСШ недефектных ФЧЭ (или каналов ВЗН) ФПУ.
4.3.2 Средства измерений и вспомогательное оборудование
Требования к СИ и вспомогательному оборудованию - по
4.1.2.
4.3.3 Подготовка к измерениям
Подготовка к измерениям - по
4.1.3.
4.3.4 Проведение измерений
Проведение измерений - по
4.2.4.
4.3.5 Обработка результатов
4.3.5.1 Вычисление среднего значения сигнала с ФЧЭ и среднего значения сигнала ФПУ осуществляют по
4.2.
4.3.5.2 Вычисление среднего значения шума ФЧЭ и среднего значения шума ФПУ осуществляют по
4.1.
4.3.5.3 ОСШ ФЧЭ OSNФЧЭ (в единицах счета АЦП) вычисляют по формуле

, (21)
где
SФЧЭ - значение сигнала ФЧЭ, вычисленное по
формуле (14);
4.3.5.4 Среднее значение ОСШ ФПУ OSNФПУ (в единицах счета АЦП) вычисляют по формуле

(22)
M - число недефектных элементов (или каналов ВЗН) ФПУ.
4.3.5.5 Расчет неопределенности ОСШ ФЧЭ
Источниками неопределенности ОСШ ФЧЭ являются: погрешность измерения сигнала ФЧЭ и шума ФЧЭ.
Относительную погрешность ОСШ ФЧЭ или канала ВЗН ФПУ

вычисляют по формуле

, (23)
где

- относительная погрешность измерения сигнала с ФЧЭ, вычисленная по
формуле (17);

- относительная погрешность измерения шума ФЧЭ, вычисленная по
формуле (7).
4.3.5.6 Расчет неопределенности измерения среднего значения ОСШ ФПУ
Неопределенность среднего значения ОСШ ФПУ определяют по погрешности измерения среднего значения сигнала ФПУ и среднего значения шума ФПУ.
Относительную погрешность измерения среднего значения ОСШ ФПУ

вычисляют по формуле

, (24)
где

- относительная погрешность измерения среднего значения сигнала с ФПУ, вычисленная по
формуле (19);

- относительная погрешность измерения среднего значения шума ФПУ, вычисленная по
формуле (11).
4.3.5.7 Погрешность определения с заданной вероятностью P = 0,95 не должна выходить за пределы интервала:
- не более +/- 12% - для ОСШ ФЧЭ (или канала ВЗН) ФПУ;
- не более +/- 16% - среднего значения ОСШ ФПУ.
4.4 Метод измерения максимального (минимального) значения и диапазона выходного сигнала аналоговых каналов
4.4.1 Сущность метода
4.4.1.1 Метод применяют для измерения максимального (минимального) значения и диапазона выходного сигнала аналоговых каналов ФПУ, среднего диапазона выходного сигнала аналоговых каналов ФПУ и определения разброса значений диапазона выходного сигнала аналоговых каналов ФПУ.
4.4.1.2 За максимальное (минимальное) значение выходного сигнала аналогового канала ФПУ принимают фотоотклик канала, соответствующий полностью заполненной (незаполненной) ячейке накопления.
4.4.1.3 За диапазон выходного сигнала аналогового канала ФПУ принимают разность максимального и минимального значений выходных сигналов аналогового канала ФПУ.
4.4.1.4 За максимальное (минимальное) значение аналоговых каналов ФПУ принимают среднее арифметическое значение максимального (минимального) значения выходного сигнала по аналоговым каналам ФПУ.
4.4.1.5 За среднее значение диапазона выходного сигнала аналогового канала ФПУ принимают среднее арифметическое значение диапазонов выходного сигнала канала.
4.4.1.6 За разброс максимального (минимального) значений аналоговых каналов ФПУ принимают значение максимального (минимального) СКО по каналам.
4.4.1.7 За разброс диапазона выходного сигнала ФПУ принимают значение СКО диапазона выходного сигнала по каналам.
4.4.2 Средства измерений и вспомогательное оборудование
Требования к СИ и вспомогательному оборудованию - по
4.1.2.
4.4.3 Подготовка к измерениям
Подготовка к измерениям - по
4.1.3.
4.4.4 Проведение измерений
4.4.4.1 Климатические требования - по
4.1.4.1.
4.4.4.3 Источник излучения настраивают на заданный режим. При измерении сигнала с ФПУ УФ и коротковолнового ИК диапазонов спектра источник излучения выключают или закрывают, а для ФПУ с холодной диафрагмой устанавливают температуру поверхности АЧТ, равную 300 К, если иное не указано в ТУ на ФПУ конкретного типа или в ином документе, регламентирующем порядок проведения измерений. Допускается проводить измерение без АЧТ или другого источника излучения.
4.4.4.4 Подключают осциллограф к выходным разъемам канала N 1 ФПУ согласно схеме, приведенной в ТУ или в другом документе на ФПУ конкретного типа, или в документе, регламентирующем порядок проведения измерений.
4.4.4.5 Устанавливают синхронизацию по импульсу начала кадра или другому импульсу, стабильному относительно начала кадра.
4.4.4.6 Обеспечивают минимальное заполнение ячейки накопления за счет установки минимально возможного времени накопления и/или установки напряжения смещения на ФЧЭ и/или другим методом, указанном в ТУ или в другом документе на ФПУ конкретного типа, или в ином документе, регламентирующем порядок проведения измерений.
4.4.4.7 Измеряют минимальное значение выходного сигнала аналогового канала N 1 ФПУ по осциллографу. Сигналы высокого/низкого уровня, вызванные переключением БИС считывания или наличием служебных тактов, не учитывают.
4.4.4.8 Обеспечивают максимальное заполнение ячейки накопления за счет установки максимально возможного времени накопления и/или установки напряжения смещения на ФЧЭ и/или другим методом, указанным в ТУ или в другом документе на ФПУ конкретного типа, или в ином документе, регламентирующем порядок проведения измерений.
4.4.4.9 Измеряют максимальное значение выходного сигнала аналогового канала N 1 ФПУ по осциллографу. Сигналы высокого/низкого уровня, вызванные переключением БИС считывания или наличием служебных тактов, не учитывают.
4.4.4.10 Допускается измерять максимальное и минимальное значения выходного сигнала аналоговых каналов ФПУ без изменения заполнения ячейки, если известно, что в выходном сигнале в служебных тактах присутствуют сигналы, соответствующие незаполненной ячейке накопления и полностью заполненной ячейке накопления.
4.4.4.11 Допускается измерять максимальное и минимальное значения выходного сигнала аналоговых каналов ФПУ без изменения заполнения ячейки, если известно, что в выходном сигнале в служебных тактах присутствуют сигналы, соответствующие незаполненной ячейке накопления и сигналам полностью заполненной ячейке накопления, которые можно получить путем включения источника излучения или другим методом.
4.4.4.12 Повторяют действия по
4.4.4.6 -
4.4.4.11 для оставшихся каналов ФПУ.
4.4.5 Обработка результатов
4.4.5.1 Диапазон выходного сигнала аналогового канала ФПУ для канала N
n 
вычисляют по формуле

, (25)
где Un max - максимальное значение сигнала (напряжения) аналогового канала ФПУ N n;
Un min - минимальное значение сигнала (напряжения) аналогового канала ФПУ N n.
4.4.5.2 Максимальное значение сигнала аналоговых каналов ФПУ

вычисляют по формуле

(26)
где N - число измеряемых каналов.
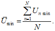
4.4.5.3 Минимальное значение сигнала аналоговых каналов ФПУ

вычисляют по формуле

(27)
4.4.5.4 Диапазон выходного сигнала аналоговых каналов ФПУ

вычисляют по формуле

(28)
4.4.5.5 Разброс максимального и минимального значений аналоговых каналов ФПУ и разброс диапазона выходного сигнала аналоговых каналов ФПУ вычисляют по формуле

(29)

- среднее значение вычисленного значения (

,

или

).
4.4.5.6 Расчет неопределенности измерения максимального (минимального) значения и диапазона выходного сигнала аналоговых(ого) каналов(а) ФПУ
Основным источником неопределенности максимального (минимального) значения и диапазона выходного сигнала аналоговых(ого) каналов(а) ФПУ является погрешность измерения осциллографа.
4.4.5.7 За абсолютную погрешность максимального (минимального) значения аналогового канала ФПУ принимают абсолютную погрешность измерения сигнала осциллографа.
4.4.5.8 За абсолютную погрешность измерения диапазона выходного сигнала аналогового канала ФПУ принимают удвоенную абсолютную погрешность измерения сигнала осциллографа.
4.4.5.9 Относительную погрешность среднего значения максимального и минимального значений аналогового канала ФПУ и диапазона выходного сигнала аналогового канала ФПУ

вычисляют по формуле

, (30)
где

- абсолютная погрешность измерения;
U - измеренное значение;
N - число измеряемых каналов.
4.4.5.10 Относительную погрешность разброса максимального и минимального значений аналогового канала ФПУ и диапазона выходного сигнала аналогового канала ФПУ

вычисляют по формуле

, (31)
где Uразбр - разброс соответствующего значения;
N - число измеряемых каналов.
4.4.5.11 Погрешность определения максимального (минимального) значения и диапазона выходного сигнала аналоговых каналов ФПУ, среднего диапазона выходного сигнала аналоговых каналов ФПУ и разброса значений диапазона выходного сигнала аналоговых каналов ФПУ не должна выходить за пределы интервала +/- 3% с заданной вероятностью P = 0,95.
4.5 Метод измерения максимального (минимального) значения фотоотклика и диапазона выходного сигнала
4.5.1 Сущность метода
4.5.1.1 Метод применяют для измерения максимального и минимального значений фотоотклика и диапазона выходного сигнала ФЧЭ ФПУ или канала ВЗН ФПУ, среднего значения максимального, минимального значений фотоотклика и диапазона выходного сигнала ФПУ, определения разброса максимального, минимального значений фотоотклика и диапазона выходных сигналов ФПУ.
4.5.1.2 За максимальное (минимальное) значение фотоотклика ФЧЭ или канала ВЗН ФПУ принимают фотоотклик канала, соответствующий полностью заполненной (незаполненной) ячейке накопления.
4.5.1.3 За диапазон выходного сигнала ФЧЭ или канала ВЗН ФПУ принимают разность максимального и минимального значений фотоотклика данного ФЧЭ или канала ВЗН ФПУ.
4.5.1.4 За средние значения максимального, минимального фотоотклика и диапазона выходного сигнала ФПУ или канала ВЗН ФПУ принимают их среднее значение по недефектным элементам.
4.5.1.5 За разброс максимального (минимального) значения фотоотклика и диапазона выходного сигнала ФПУ или канала ВЗН ФПУ принимают их СКО по недефектным элементам.
4.5.2 Средства измерений и вспомогательное оборудование
Требования к СИ и вспомогательному оборудованию - по
4.1.2.
4.5.3 Подготовка к измерениям
Подготовка к измерениям - по
4.1.3.
4.5.4 Проведение измерений
4.5.4.1 Климатические требования - по
4.1.4.1.
4.5.4.3 Источник излучения настраивают на заданный режим. При измерении сигнала ФПУ УФ и коротковолнового ИК диапазонов спектра источник излучения выключают или закрывают, а для ФПУ с холодной диафрагмой устанавливают температуру поверхности АЧТ, равную 300 К, если иное не указано в ТУ на ФПУ конкретного типа или в ином документе, регламентирующем порядок проведения измерений. Допускается проводить измерение без АЧТ и источника излучения.
4.5.4.4 Обеспечивают минимальное заполнение ячейки накопления за счет установки минимально возможного времени накопления и/или установки соответствующего напряжения смещения на ФЧЭ и/или другим методом, указанном в ТУ или в другом документе на ФПУ конкретного типа, или в ином документе, регламентирующем порядок проведения измерений.
4.5.4.5 Записывают не менее 64 кадров.
4.5.4.6 Обеспечивают максимальное заполнение ячейки накопления за счет установки максимально возможного времени накопления и/или установки соответствующего напряжения смещения на ФЧЭ и/или другим методом, указанном в ТУ или в другом документе на ФПУ конкретного типа, или в ином документе, регламентирующем порядок проведения измерений.
4.5.4.7 Записывают число кадров, такое же, как в
4.5.4.5.
4.5.5 Обработка результатов
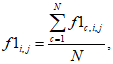
4.5.5.1 Минимальное значение фотоотклика ФЧЭ с номером i,j или канала ВЗН ФПУ f1i,j в единицах счета АЦП вычисляют по формуле

(32)
где
f1
c,i,j - фотоотклик ФЧЭ с номером
i,
j в кадре
c из последовательности по
4.5.4.5;
c - индекс номера кадра в последовательности по
4.5.4.5;
N - число кадров в последовательности по
4.5.4.5.
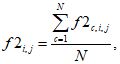
4.5.5.2 Максимальное значение фотоотклика ФЧЭ с номером i,j или канала ВЗН ФПУ f2i,j в единицах счета АЦП вычисляют по формуле

(33)
где
f2
c,i,j - фотоотклик ФЧЭ с номером
i,
j в кадре из последовательности по
4.5.4.7;
c - индекс номера кадра в последовательности по
4.5.4.7;
N - число кадров в последовательности по
4.5.4.7.
4.5.5.3 Диапазон выходного сигнала ФЧЭ или канала ВЗН ФПУ в единицах счета АЦП

вычисляют по формуле

. (34)
4.5.5.4 Среднее значение минимального фотоотклика ФПУ f1ФПУ вычисляют по формуле

(35)
где M - число недефектных элементов (или каналов ВЗН) ФПУ.
4.5.5.5 Среднее значение максимального фотоотклика ФПУ f2ФПУ вычисляют по формуле

(36)
4.5.5.6 Среднее значение диапазона сигнала ФПУ (в единицах счета АЦП)

вычисляют по формуле

(37)
4.5.5.7 Разброс минимальных значений фотоотклика ФПУ (в единицах счета АЦП) f1разбр.ФПУ вычисляют по формуле

(38)
4.5.5.8 Разброс максимальных значений фотоотклика ФПУ (в единицах счета АЦП) f2разбр.ФПУ вычисляют по формуле

(39)
4.5.5.9 Разброс значений диапазона сигнала ФПУ (в единицах счета АЦП)

вычисляют по формуле

(40)
4.5.5.10 При необходимости представления полученных результатов в вольтах необходимо полученные значения умножить на коэффициент преобразования БЭО
KБЭО. Метод определения
KБЭО приведен в
приложении А.
4.5.5.11 Расчет неопределенности измерения максимального (минимального) значения фотоотклика и диапазона выходного сигнала ФЧЭ (или канала ВЗН) ФПУ
Основными источниками неопределенности максимального (минимального) значения и диапазона выходного сигнала аналоговых(ого) каналов(а) ФПУ являются шум ФЧЭ и погрешность измерения сигнала.
Относительную погрешность измерения минимального

и максимального

значений фотоотклика ФЧЭ (или канала ВЗН) ФПУ вычисляют по формулам:

, (41)

, (42)
где

- относительная погрешность измерения среднего значения шума ФПУ, вычисленная по
формуле (11);

- относительное значение неопределенности, вызванное погрешностью измерения коэффициента преобразования БЭО
KБЭО. Метод расчета значения неопределенности
KБЭО приведен в
приложении А. Значение неопределенности
KБЭО принимают равным нулю при измерении ФПУ с цифровыми выходами или при измерении параметров в единицах счета АЦП.
Относительную погрешность измерения диапазона сигнала ФЧЭ (или канала ВЗН) ФПУ

вычисляют по формуле

. (43)
4.5.5.12 Расчет неопределенности измерения среднего минимального (максимального) значения фотоотклика и диапазона выходного сигнала ФПУ (или канала ВЗН) ФПУ
Основным источником неопределенности данного измерения является погрешность измерения средних значений сигнала отдельных ФЧЭ ФПУ.
Относительную неопределенность измерений среднего значения минимального фотоотклика вычисляют по формуле

, (44)
где

- относительная погрешность измерения среднего значения шума ФПУ, вычисленная по
формуле (11).
Относительную неопределенность измерений среднего значения максимального фотоотклика вычисляют по формуле

. (45)
Относительную неопределенность измерений среднего значения диапазона выходного сигнала

вычисляют по формуле

. (46)
4.5.5.13 Расчет неопределенности разброса средних значений минимального, максимального фотоотклика и диапазона выходного сигналов ФПУ (или канала ВЗН) ФПУ
Относительную погрешность измерения разброса значений минимального фотоотклика ФПУ

вычисляют по формуле

, (47)
где
NФПУ - среднее значение шума ФПУ, вычисленное по
формуле (4);
K - число кадров при проведении измерений по
4.5.4.5.
Относительную погрешность измерения разброса значений максимального фотоотклика ФПУ

вычисляют по формуле

. (48)
Относительную погрешность измерения разброса значений диапазона выходных сигналов ФПУ

вычисляют по формуле

. (49)
4.5.5.14 Погрешность определения с заданной вероятностью P = 0,95 не должна выходить за пределы интервала:
- не более +/- 6% - для максимального и минимального значений фотоотклика и диапазона выходного сигнала ФЧЭ ФПУ или канала ВЗН ФПУ;
- не более +/- 4% - для среднего значения максимального, минимального значений фотоотклика и диапазона выходного сигнала ФПУ;
- не более +/- 4% - для разброса максимального, минимального значений фотоотклика и диапазона выходного сигнала ФПУ.
4.6 Метод определения энергетической характеристики сигнала
4.6.1 Сущность метода
4.6.1.1 Метод применяют для определения энергетических характеристик сигнала ФЧЭ ФПУ (или каналов ВЗН) и сигнала ФПУ или зоны.
4.6.1.2 За энергетическую характеристику чувствительности ФЧЭ ФПУ принимают зависимость сигнала (или каналов ВЗН) ФЧЭ ФПУ от падающего потока или плотности потока на ФПУ в относительных единицах.
4.6.1.3 За энергетическую характеристику сигнала ФПУ принимают зависимость среднего значения сигнала ФПУ или зоны ФПУ (по недефектным ФЧЭ) от падающего потока или плотности потока в относительных единицах.
4.6.1.4 При измерении энергетической характеристики сигнала ФПУ или зоны ФПУ необходимо формировать зону равномерной освещенности (неравномерность освещенности менее 1%) максимального размера.
4.6.1.5 Для ФПУ с холодной диафрагмой измерение энергетической характеристики сигнала ФЧЭ ФПУ и энергетической характеристики ФПУ рекомендуется проводить только в центральной зоне ФЧЭ ФПУ, которая должна составлять не более 1/3 от диаметра холодной диафрагмы.
4.6.2 Средства измерений и вспомогательное оборудование
4.6.2.1 Требования к СИ и вспомогательному оборудованию - по
4.1.2.
4.6.2.2 Система перемещения, применяемая в установках, структурные схемы которых приведены на
рисунках 2 и
3, должна быть оснащена датчиком перемещения (или индикатором положения) для фиксирования перемещений с погрешностью не менее 1% от минимального шага перемещения или начального положения. Номинальное положение нуля системы отсчета должно быть связано с плоскостью ФЧЭ. Положение плоскости ФЧЭ относительно нуля системы отсчета не должно превышать +/- 2% минимального расстояния от плоскости ФЧЭ до источника излучения. Допускается использовать системы перемещения, калиброванные в установленном порядке.
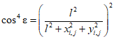
4.6.2.3 Диаметры диафрагм из набора диафрагм в установке, функциональная схема которой приведена на
рисунке 3, измеряют с относительной погрешностью не более 0,5%. При смене диафрагм должно быть выполнено следующее условие:

, (50)
где

- максимальное значение отклонения центров диафрагм между собой при их смене (переключении);
l - расстояние от диафрагмы источника излучения до плоскости ФЧЭ ФПУ.
4.6.3 Подготовка к измерениям
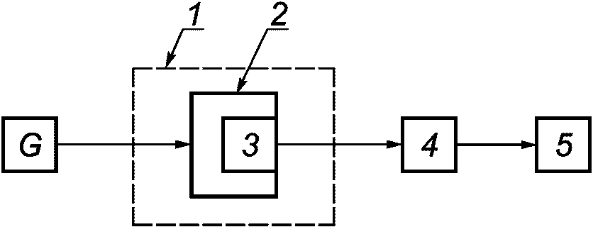
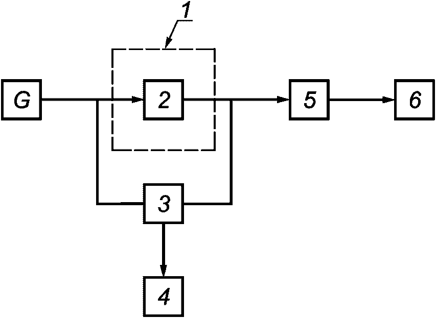
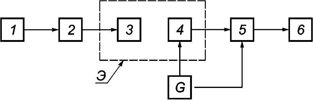
4.6.3.1 Для ФПУ, область спектральной чувствительности которых лежит в УФ диапазоне спектра, определение энергетической характеристики сигнала следует проводить на измерительной установке, структурная схема которой приведена на
рисунке 2.
1 - источник излучения; 2 - испытуемый образец; 3 - БЭО;
4 - ПК; 5 - система перемещения; G - источник питания;
Э - светозащитный экран
Для ФПУ, у которых область спектральной чувствительности лежит в УФ диапазоне спектра, рекомендуется использовать источник излучения из
4.1.2.4, перечисление а), требования по распределению спектральной яркости не предъявляются. Рекомендуется источник излучения устанавливать на расстоянии не менее 100 мм до плоскости ФЧЭ ФПУ.
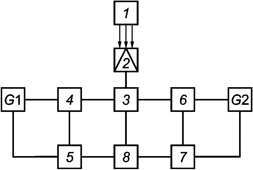
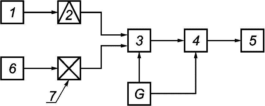
4.6.3.2 Для ФПУ без холодной диафрагмы, у которых область спектральной чувствительности лежит в коротковолновом, средневолновом или длинноволновом ИК диапазоне спектра, и для ФПУ с холодной диафрагмой, у которых область спектральной чувствительности лежит в средневолновом или длинноволновом ИК диапазоне спектра, определение энергетической характеристики сигнала следует проводить на измерительной установке, структурная схема которой приведена на
рисунке 3.
1 - источник излучения; 2 - набор сменных диафрагм;
3 - испытуемый образец; 4 - БЭО; 5 - ПК; 6 - система
перемещения; G - источник питания; Э - светозащитный экран
Допускается использовать как оба, так и один из двух реализованных в установке методов изменения падающего потока (или плотности потока): изменять поток за счет набора сменных диафрагм и/или за счет измерения расстояния до источника с помощью системы перемещения. В случае использования только набора сменных диафрагм требования к системе перемещения установки по
4.6.2.2 не предъявляются.
Применение набора диафрагм обеспечивает более низкую погрешность регулировки потока, чем использование системы перемещения, и является рекомендуемым.
Для ФПУ с холодной диафрагмой средневолнового ИК диапазона спектра рекомендуется использовать АЧТ с температурой 800 - 1200 К.
Для ФПУ с холодной диафрагмой длинноволнового ИК диапазона спектра рекомендуется использовать АЧТ с температурой 800 - 1200 К, лампы накаливания с колбой (входным окном), прозрачной(ым) в ИК диапазоне, ИК светодиоды или лазеры.
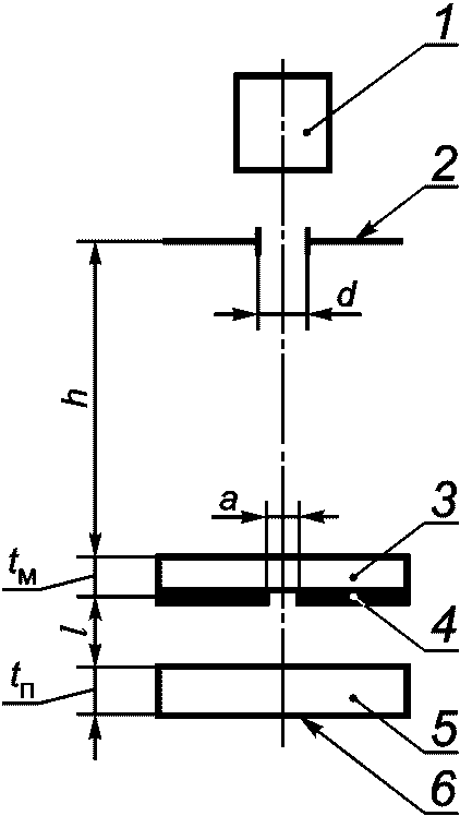
При проведении измерений ФПУ с холодной диафрагмой расстояние
l от АЧТ до испытуемого образца следует выбирать таким образом, чтобы диафрагма максимального размера не перекрывала излучение от АЧТ в измеряемой центральной зоне ФЧЭ (см.
рисунок 4).
1 - диафрагма АЧТ диаметром D; 2 - входное окно испытуемого
образца; 3 - холодная диафрагма испытуемого образца
диаметром Dх.д; 4 - центральная зона ФЧЭ ФПУ
Рисунок 4 - Схема измерений ФПУ с холодной диафрагмой
При определении расстояния
l следует использовать габаритный чертеж ФПУ. Фактическое расстояние от диафрагмы до источника излучения рекомендуется увеличить не менее чем на 10% расчетного расстояния и не менее, чем утроенная погрешность измерения расстояния. Центральная зона ФЧЭ должна быть ограничена углом

не более 6°.
Допускается определять расстояния экспериментальным методом, при этом необходимо обеспечить неполное заполнение ячейки (например, установив температуру АЧТ на 100 - 200 К ниже, чем при проведении измерений) и измерять сигнал (согласно
4.2) для крайних элементов центральной зоны ФПУ при перемещении ФПУ (или источника излучения) вдоль оптической оси. При правильно выбранном расстоянии должна наблюдаться зависимость сигнала от перемещения ФПУ (или источника излучения) вдоль оптической оси как при их сближении (наблюдается увеличение сигнала), так и при их удалении друг от друга (уменьшение сигнала). Если при приближении источника не наблюдается увеличение сигнала, значит, происходит перекрытие АЧТ холодной диафрагмой, поэтому следует увеличить расстояние для проведения измерений так, чтобы при приближении сигнал имел тенденцию к увеличению.
4.6.3.3 Для ФПУ, область спектральной чувствительности которых лежит в коротковолновом ИК диапазоне, или ФПУ, для которых изготавливают источники излучения и регулируемые аттенюаторы излучения, определение энергетической характеристики сигнала следует проводить на измерительной установке, структурная схема которой приведена на
рисунке 5.
1 - светодиод; 2 - аттенюатор; 3 - конденсор
(при необходимости); 4 - испытуемый образец; 5 - БЭО;
6 - ПК; G - источник питания; Э - светозащитный экран
При использовании данной структурной схемы измерение энергетической характеристики сигнала ФЧЭ ФПУ и энергетической характеристики ФПУ рекомендуется проводить только в центральной зоне ФЧЭ ФПУ. При этом неравномерность потока излучения - не более 1%.
4.6.3.4 Определение неравномерности потока или плотности потока излучения допускается проводить путем измерения сигнала с одного из элементов ФПУ при перемещении ФПУ перпендикулярно к источнику излучения. При этом сигнал с ФЧЭ при заданном перемещении, измеренный по
4.2, не должен изменяться больше, чем на требуемое значение неравномерности потока или плотности потока излучения.
4.6.4 Проведение измерений
4.6.4.1 Климатические требования - по
4.1.4.1.
4.6.4.3 Выключают источник излучения.
4.6.4.4 Путем регулировки времени накопления обеспечивают уровень заполнения ячейки накопления ФЧЭ испытуемого образца (центральной зоны ФЧЭ ФПУ или ФПУ) менее 1%, если иное не указано в ТУ или в других документах на ФПУ конкретного типа, или в ином документе, регламентирующем порядок проведения измерений. Для ФПУ длинноволнового ИК диапазона спектра допускается уровень заполнения ячейки менее 4%.
Если иное не указано в ТУ или в других документах на ФПУ конкретного типа, или в ином документе, регламентирующем порядок проведения измерений, то уровень заполнения ячейки накопления ФЧЭ ФПУ Kнак i,j вычисляют по формуле

, (51)
где fтек i,j - фотоотклик ФЧЭ с номером i,j ФПУ;
f1i,j - среднее значение минимального фотоотклика ФПУ (или центральной зоны) ФПУ;
fi,j - среднее значение диапазона выходных сигналов ФПУ (или центральной зоны) ФПУ.
Уровень заполнения центральной зоны ФЧЭ ФПУ или ФПУ в целом (если иное не указано в ТУ или в других документах на ФПУ конкретного типа, или в ином документе, регламентирующем порядок проведения измерений) Kнак вычисляют по формуле

, (52)
где fтек - среднее значение фотоотклика центральной зоны ФЧЭ ФПУ или ФПУ;
f1ФПУ - среднее значение минимального фотоотклика ФЧЭ (или канала ВЗН) ФПУ или ФПУ в целом;
fФПУ - диапазон выходного сигнала ФЧЭ (или канала ВЗН) ФПУ или ФПУ в целом.
4.6.4.5 Включают источник излучения и настраивают его на заданный режим.
4.6.4.6 Обеспечивают полное заполнение ячейки накопления ФЧЭ испытуемого ФПУ (центральной зоны) ФЧЭ ФПУ или ФПУ путем:
- установки источника излучения на минимальном расстоянии от испытуемого образца для
4.6.3.1;
- установки источника излучения на минимальном расстоянии от ФПУ и/или диафрагмы максимального диаметра (см.
4.6.3.2);
- установки минимального значения коэффициента ослабления аттенюатора (см.
4.6.3.3).
4.6.4.7 Изменением расстояния от источника излучения до плоскости ФЧЭ ФПУ, изменением коэффициента ослабления аттенюатора или изменением времени накопления устанавливают поток излучения, соответствующий максимальному значению фотоотклика (среднего значения максимального фотоотклика ФПУ или зоны). При правильно настроенных параметрах установки дальнейшее незначительное уменьшение потока от источника излучения или времени накопления приведет к уменьшению фотоотклика.
4.6.4.8 Регистрируют значения:
- расстояние от источника излучения до плоскости ФЧЭ ФПУ
l0 при использовании установок по
4.6.3.1 и
4.6.3.2;
- диаметра диафрагмы
D0 при использовании измерительных установок по
4.6.3.2;
- коэффициента ослабления аттенюатора
k0 для измерительной установки по
4.6.3.3.
4.6.4.9 Определяют зависимость сигнала ФЧЭ (среднего значения сигнала ФПУ или зоны ФПУ) от потока излучения путем уменьшения потока излучения (или плотности потока) и измерения сигналов с ФЧЭ (среднего значения сигнала ФПУ или зоны ФПУ) с равномерным шагом.
Число точек для определения энергетической характеристики сигнала ФЧЭ ФПУ (или каналов ВЗН) и/или энергетической характеристики сигнала ФПУ или зоны - не менее 11. Рекомендуется, чтобы 10 из них были расположены равномерно между максимальным и минимальным уровнем заполнения ячейки (ячеек) накопления. Первая точка должна соответствовать полному заполнению ячейки (ячеек) накопления, а последняя трем-четырем уровням заполнения ячейки (ячеек) накопления (см.
4.6.4.3) при выключенном источнике излучения.
Уменьшение потока излучения (или плотность потока) проводят:
- увеличением расстояния от ФПУ до источника излучения (см.
4.6.3.1);
- увеличением расстояния от ФПУ до источника излучения и/или уменьшения диаметра диафрагм в наборе (см.
4.6.3.2);
- уменьшением коэффициента ослабления аттенюатора (см.
4.6.3.3).
4.6.4.10 Измерение сигнала с ФЧЭ и среднего значения сигнала по ФПУ (зоне ФПУ) проводят по
4.2. За уровень сигнала, измеряемого в
4.2.4.3 и
4.2.4.4, принимают сигналы при выключенном источнике излучения по
4.6.4.3 -
4.6.4.4.
4.6.5 Обработка результатов
4.6.5.1 По результатам измерений строят график (см.
рисунок 6) зависимости сигнала ФЧЭ (среднего значения сигнала ФЧЭ ФПУ или зоны ФПУ (по недефектным ФЧЭ) от потока излучения (или плотности потока) - энергетическую характеристику.
4.6.5.2 Порядок расчета относительного значения потока излучения (плотности потока излучения) зависит от типа используемой схемы измерения.
Для схемы, приведенной в
4.6.3.1, по оси относительного значения потока излучения (плотности потока излучения) по оси
P (см.
рисунок 6) откладывают значение, вычисленное по формуле

, (53)
где li - расстояние от источника излучения (или диафрагмы АЧТ) до плоскости ФЧЭ ФПУ.
Рисунок 6 - График зависимости сигнала с ФЧЭ (среднего
значения сигнала ФЧЭ ФПУ или зоны ФПУ по недефектным ФЧЭ)
от потока излучения (или плотности потока)
Для схемы, приведенной в
4.6.3.2, по оси
P относительного значения потока излучения (см.
рисунок 6) (плотности потока излучения) откладывают значение, вычисленное по формуле

, (54)
где Di - диаметр диафрагмы.
Для схемы, приведенной в
4.6.3.3, по оси относительного значения потока излучения (плотности потока излучения) (см.
рисунок 6) (ось
P) откладывают значение, вычисленное по формуле

. (55)
где Kаттен i - коэффициент ослабления, вычисленный по формуле (если иное не указано в документах на аттенюатор конкретного типа)

. (56)
4.6.5.3 Относительное значение потока, соответствующее шуму, Pотн min вычисляют по формуле

, (57)
где Pотн N-1 - относительное значение потока излучения (плотности потока излучения) в предпоследней точке (N - 1), определяемой энергетической характеристики;
ОСШN-1 - ОСШ в предпоследней точке определяемой энергетической характеристики для ФЧЭ (или канала ВЗН), ФПУ или зоны ФПУ.
4.6.5.4 Относительную погрешность измерения сигнала ФЧЭ (среднего значения сигнала ФПУ или зоны ФПУ по недефектным ФЧЭ) определяют по
4.2.
4.6.5.5 Относительную погрешность измерения относительного значения потока (плотности потока) вычисляют по формулам:
а) для схемы, приведенной в
4.6.3.1

, (58)
где

- относительная погрешность измерения расстояния
l0, вычисленное по
формуле (59);

- относительная погрешность измерения расстояния
li, вычисленное по
формуле (60).

, (59)
где

- относительная погрешность измерения плоскости ФЧЭ относительно нуля системы отсчета по
4.6.2.2.

- относительная погрешность измерения положения системой отсчета по
4.6.2.2.

, (60)
где

- относительная погрешность измерения положения системой отсчета по
4.6.2.2. Допускается использовать вместо значения

значение

, если известно, что

.
б) для схемы, приведенной в
4.6.3.2

, (61)
где

- относительная погрешность измерения диаметра диафрагмы
Di, вычисленная по
4.6.2.3;

- относительная погрешность измерения диаметра диафрагмы
D0, вычисленная по
4.6.2.3;

- угол (в радианах), соответствующий максимальному значению отклонения центров диафрагм между собой при их смене (переключении), по
4.6.2.3.
в) для схемы, приведенной в
4.6.3.3

, (62)
где

и

- абсолютная погрешность коэффициента ослабления аттенюатора.
4.6.5.6 Относительную погрешность измерения потока, соответствующего шуму, вычисляют по формуле

, (63)
где

- относительная погрешность измерения потока (плотности потока) в точке (
N - 1), вычисленное по
формулам (58),
(61) или
(62);

- относительная погрешность измерения для ФЧЭ (или канала ВЗН) ФПУ, ФПУ или зоны ФПУ, вычисленное по
формуле (21) или
(22).
4.6.5.7 Погрешность определения энергетической характеристики сигнала ФЧЭ ФПУ (или каналов ВЗН) и энергетической характеристики сигнала ФПУ или зоны не должна выходить за пределы интервала +/- 12% с заданной вероятностью P = 0,95.
4.7 Метод определения сигнальной характеристики
4.7.1 Сущность метода
4.7.1.1 Метод применяют для определения сигнальной характеристики ФЧЭ ФПУ (или каналов ВЗН) и сигнальной характеристики ФПУ или зоны ФПУ.
4.7.1.2 За сигнальную характеристику ФЧЭ ФПУ (или каналов ВЗН) принимают зависимость сигнала (или каналов ВЗН) ФЧЭ ФПУ от времени накопления.
4.7.1.3 За сигнальную характеристику ФПУ или зоны ФПУ принимают зависимость среднего значения сигнала ФПУ или зоны ФПУ (по недефектным ФЧЭ) от времени накопления.
4.7.1.4 При измерении сигнальной характеристики ФПУ или зоны ФПУ необходимо формировать зону равномерной освещенности (неравномерность освещенности менее 1%) максимального размера.
4.7.1.5 Для ФПУ с холодной диафрагмой измерение сигнальной характеристики ФЧЭ ФПУ и сигнальной характеристики ФПУ рекомендуется проводить только в центральной зоне ФЧЭ ФПУ, которая должна составлять не более 1/3 от диаметра холодной диафрагмы.
4.7.2 Средства измерений и вспомогательное оборудование
Требования к СИ и вспомогательному оборудованию - по
4.1.2.
4.7.3 Подготовка к измерениям
Подготовка к измерениям - по
4.1.3.
4.7.4 Проведение измерений
4.7.4.1 Климатические требования - по
4.1.4.1.
4.7.4.3 Для проведения измерений необходимо определить максимальное время накопления
tmax, при котором происходит полное заполнение ячейки (ячеек) накопления ФЧЭ (ФПУ или зоны ФПУ) (см.
рисунок 7), которое соответствует среднему максимальному значению выходного сигнала. Метод подбора времени накопления - по
4.6.4.6.
Рисунок 7 - График для определения максимального времени
накопления tmax
4.7.4.4 Шаг

, с которым следует проводить определение сигнальной характеристики, вычисляют по формуле

, (64)
где
tmax - время накопления, при котором происходит полное заполнение ячейки, соответствующее среднему максимальному значению выходного сигнала
Smax (см.
рисунок 7);
tmin - время накопления, соответствующее среднему минимальному значению выходного сигнала
Smin, ниже которого при уменьшении времени накопления сигнал не уменьшается (см.
рисунок 7);
a - число шагов измерений, для построения сигнальной характеристики; рекомендуется принимать a >= 10, если иное не указано в ТУ или в других документах на ФПУ конкретного типа, или в ином документе, регламентирующем порядок проведения измерений.
4.7.4.5 Измеряют среднее значение выходного сигнала по недефектным элементам в зависимости от времени накопления с шагом

. Измерение сигнала ФЧЭ и среднего значения сигнала по ФПУ (зоне ФПУ) проводят по
4.2. За уровень сигнала, измеряемого по
4.2.4.3 и
4.2.4.4, принимают сигналы при времени накопления
tmin.
4.7.5 Обработка результатов
4.7.5.1 В результате измерений получают последовательность сигналов с ФЧЭ или средних значений сигналов
Si ФПУ или зоны ФПУ (по недефектным элементам) в зависимости от времени накопления
ti с шагом

, где
l = 0...
a, при этом
t0 =
tmax и
ta =
tmin.
4.7.5.2 Строят график сигнальной характеристики ФЧЭ ФПУ и/или ФПУ или зоны ФПУ.
4.7.5.3 Относительную погрешность измерения сигнала ФЧЭ (среднего значения сигнала ФЧЭ ФПУ или зоны ФПУ по недефектным ФЧЭ) определяют по
4.2.
4.7.5.4 Относительную погрешность измерения времени накопления определяют по документации на стенд и/или ФПУ конкретного типа или путем верификации работы ПО стенда.
Для верификации подключают осциллограф к каналу, по которому подается тактовый импульс сигнала начала и окончания накопления на ФПУ согласно схеме, приведенной в ТУ или в другом документе на ФПУ конкретного типа, или в ином документе, регламентирующем порядок проведения измерений, и измеряют длительность сигнала, определяющего начало и окончание накопления. Проверяют соответствие времени накопления отображаемого в ПО стенда и показаний осциллографа.
Абсолютную погрешность измерения времени накопления, полученную путем верификации, вычисляют по формуле

, (65)
где

- абсолютная погрешность измерения временных промежутков с применением осциллографа;

- разница значений времени накопления, полученных с помощью ПО и осциллографа; принимают равной нулю при определении времени накопления с помощью осциллографа.
4.7.5.5 Погрешность определения сигнальной характеристики ФЧЭ ФПУ (или каналов ВЗН) и сигнальной характеристики ФПУ или зоны ФПУ не должна выходить за пределы интервала +/- 5% с заданной вероятностью P = 0,95.
4.8 Метод определения линейности энергетической характеристики сигнала
4.8.1 Сущность метода
4.8.1.1 Метод применяют для определения линейности энергетической характеристики ФПУ.
4.8.1.2 За линейность энергетической характеристики сигнала ФПУ принимают отклонение энергетической характеристики сигнала ФПУ от линейного закона, которую определяют с помощью:
- коэффициента корреляции между падающим потоком (плотностью потока) на ФПУ (зону ФПУ) и средним значением сигнала ФПУ (зоны ФПУ);
- отклонения энергетической характеристики сигнала от прямой.
4.8.1.3 Допускается применять вместо энергетической характеристики сигнала ФПУ сигнальную характеристику ФПУ или зоны ФПУ, в этом случае вместо относительного значения потока (плотности потока излучения) используют время накопления.
4.8.2 Средства измерений и вспомогательное оборудование
Требования к СИ и вспомогательному оборудованию - по
4.1.2.
4.8.3 Подготовка к измерениям
Подготовка к измерениям - по
4.1.3.
4.8.4 Проведение измерений
4.8.4.1 Для определения коэффициента корреляции между падающим потоком (плотностью потока) на ФПУ (зону ФПУ) и средним значением сигнала ФПУ (зоны ФПУ) измеряют энергетическую характеристику по
4.6.
4.8.4.2 Для определения отклонения энергетической характеристики сигнала от прямой измеряют энергетическую характеристику сигнала ФПУ (или зоны ФПУ) в трех точках: 2, N-2, N-1 по
4.6.
4.8.5 Обработка результатов
4.8.5.1 При определении линейности энергетической характеристики сигнала ФПУ по коэффициенту корреляции вычисляют коэффициент корреляции rS по формуле

, (66)
где

- среднее значение относительного потока излучения
Pотн i;

- среднее значение сигнала ФПУ или зоны ФПУ по недефектным ФЧЭ.
Энергетическую характеристику сигнала ФПУ считают линейной, если коэффициент корреляции не менее 0,95, если иное не указано в ТУ или в другом документе на ФПУ конкретного типа, или в ином документе, регламентирующем порядок проведения измерений.
4.8.5.2 Определение отклонения энергетической характеристики сигнала от прямой: энергетическую характеристику считают линейной, если точка P2 отклоняется от прямой, построенной по точкам PN-1 и PN-2, не более чем на +/- 20% с заданной вероятностью P = 0,95.
4.9 Метод измерения динамического диапазона входного сигнала
4.9.1 Сущность метода
4.9.1.1 Метод применяют для определения динамического диапазона входного сигнала ФПУ (или зоны ФПУ).
4.9.1.2 За среднее значение динамического диапазона входного сигнала ФПУ принимают десятичный логарифм отношения среднего относительного значения потока излучения к относительному значению потока, соответствующего шуму, умноженный на 20.
4.9.1.3 Допускается применять вместо энергетической характеристики сигнала ФПУ сигнальную характеристику ФПУ или зоны ФПУ, в этом случае вместо относительного значения потока (плотности потока излучения) используют время накопления.
4.9.2 Средства измерений и вспомогательное оборудование
Требования к СИ и вспомогательному оборудованию - по
4.1.2.
4.9.3 Подготовка к измерениям
Подготовка к измерениям - по
4.1.3.
4.9.4 Проведение измерений
Измеряют энергетическую характеристику сигнала ФПУ в соответствии с
4.6.
4.9.5 Обработка результатов
4.9.5.1 В случае, если требования линейности энергетической характеристики сигналов не заданы в ТУ или в другом документе на ФПУ конкретного типа, или в ином документе, регламентирующем порядок проведения измерений, то динамический диапазон входного оптического сигнала ФПУ вычисляют по формуле

, (67)
где Pотн 0 - относительное значение потока, соответствующее максимальному заполнению ячеек накопления ФЧЭ ФПУ или зоны ФПУ;
Pотн min - относительное значение потока, соответствующее шуму.
4.9.5.2 В случае если требования к линейности энергетической характеристики заданы, то проверяют линейность в соответствии с
4.8 или по энергетической характеристике определяют относительное значение критической мощности потока по заданному уровню отклонения от линейности в соответствии с ТУ или с другим документом на ФПУ конкретного типа, или с иным документом, регламентирующим порядок проведения измерений.
4.9.5.3 Абсолютную погрешность измерения входного оптического сигнала ФПУ вычисляют по формуле

, (68)
где

- относительная погрешность измерения относительного значения потока, соответствующего шуму, вычисленное по
формуле (63).
4.9.5.4 Погрешность определения динамического диапазона входного сигнала ФПУ (или зоны ФПУ) не должна выходить за пределы интервала +/- 8% с заданной вероятностью P = 0,95.
4.10 Метод измерения динамического диапазона выходного сигнала
4.10.1 Сущность метода
4.10.1.1 Метод применяют для определения динамического диапазона выходного сигнала ФЧЭ ФПУ (или каналов ВЗН), динамического диапазона выходного сигнала ФПУ (или зоны ФПУ) и разброса динамического диапазона ФПУ.
4.10.1.2 За динамический диапазон выходного сигнала ФЧЭ (или канала ВЗН) ФПУ принимают десятичный логарифм отношения диапазона выходного сигнала ФЧЭ (или канала ВЗН) ФПУ к шуму ФЧЭ (или канала ВЗН) ФПУ, умноженный на 20.
4.10.1.3 За среднее значение динамического диапазона выходного сигнала ФПУ принимают десятичный логарифм отношения среднего значения диапазона выходного сигнала ФПУ (по недефектным элементам) к среднему значению шума ФПУ (по недефектным элементам), умноженный на 20.
4.10.1.4 За разброс динамического диапазона выходного сигнала ФПУ принимают СКО динамического диапазона выходного сигнала ФЧЭ ФПУ по недефектным элементам.
4.10.1.5 Данный метод допускается применять вместо метода, приведенного в
4.9, в случае линейной энергетической характеристики сигнала, которую определяют по
4.8.
4.10.2 Средства измерений и вспомогательное оборудование
Требования к СИ и вспомогательному оборудованию - по
4.1.2.
4.10.3 Подготовка к измерениям
Подготовка к измерениям - по
4.1.3.
4.10.4 Проведение измерений
4.10.4.1 Измеряют диапазон выходного сигнала ФЧЭ (или канала ВЗН) ФПУ и/или среднее значение диапазона выходного сигнала ФЧЭ (или канала) ВЗН ФПУ по недефектным элементам по
4.5.
4.10.4.2 Измеряют шум ФЧЭ (или канала ВЗН) ФПУ и/или среднее значение шума ФПУ (по недефектным элементам) по
4.1. Для ФПУ УФ и коротковолнового ИК диапазона спектра шум измеряют при отсутствии потока излучения; для ФПУ средневолнового и длинноволнового ИК диапазона шум измеряют при заданном уровне заполнения ячейки накопления ФЧЭ или заданном времени накопления (если иное не установлено в ТУ или стандартах на ФПУ конкретного типа или в ином документе, регламентирующем порядок проведения измерений).
4.10.5 Обработка результатов
4.10.5.1 Динамический диапазон выходного сигнала с i,j ФЧЭ (или канала ВЗН) ФПУ DinSi,j вычисляют по формуле

, (69)
где
Si,j - сигнал с
i,
j ФЧЭ (или канала ВЗН) ФПУ, вычисленное по
формуле (14);
NФЧЭ i,j - шум
i,
j ФЧЭ (или канала ВЗН) ФПУ, вычисленное по
формуле (2).
4.10.5.2 Динамический диапазон выходного сигнала с ФПУ DinSФПУ вычисляют по формуле

, (70)
где
SФПУ - среднее значение сигнала с ФПУ, вычисленное по
формуле (15);
NФПУ - среднее значение шума ФПУ, вычисленное по
формуле (4).
4.10.5.3 Разброс динамического диапазона выходного сигнала ФПУ DinSразбр.ФПУ вычисляют по формуле

(71)
где M - число недефектных элементов (или каналов ВЗН) ФПУ.
4.10.5.4 Абсолютную погрешность измерения динамического диапазона выходного сигнала ФЧЭ (или канала ВЗН) ФПУ

вычисляют по формуле

, (72)
где

- относительная погрешность измерения ОСШ ФЧЭ (или канала ВЗН) ФПУ, вычисленная по
формуле (23), в которую в качестве относительной погрешности сигнала подставляют относительную погрешность диапазона выходного сигнала ФЧЭ (или канала ВЗН) ФПУ, вычисленную по
формуле (43).
4.10.5.5 Абсолютную погрешность измерения среднего значения динамического диапазона выходного сигнала ФПУ

вычисляют по формуле

, (73)
где

- относительная погрешность измерения среднего значения ОСШ ФПУ, вычисленная по
формуле (24), в которую в качестве относительной погрешности измерения среднего значения сигнала ФПУ подставляют относительную погрешность измерения среднего значения диапазона выходного сигнала ФПУ, вычисленную по
формуле (46).
4.10.5.6 Абсолютную погрешность измерения разброса динамического диапазона выходного сигнала ФПУ вычисляют по формуле

. (74)
4.10.5.7 Погрешность определения динамического диапазона выходного сигнала ФЧЭ ФПУ (или каналов ВЗН), динамического диапазона выходного сигнала ФПУ (или зоны ФПУ) и разброса динамического диапазона ФПУ не должна выходить за пределы интервала +/- 20% с заданной вероятностью P = 0,95.
4.11 Метод определения эквивалентной шуму разности температур
4.11.1 Сущность метода
4.11.1.1 Метод применяют для измерения эквивалентной шуму разности температур (ЭШРТ) ФЧЭ ФПУ (или каналов ВЗН), ЭШРТ ФПУ (или зоны ФПУ) и разброса ЭШРТ ФПУ для ФПУ средневолнового и длинноволнового ИК диапазона с холодной диафрагмой.
4.11.1.2 За ЭШРТ ФЧЭ (или канала ВЗН) ФПУ принимают отношение разницы двух температур АЧТ к ОСШ ФЧЭ. За сигнал принимают разницу фотооткликов ФЧЭ при двух температурах АЧТ. За шум - значение шума, соответствующее минимальной из устанавливаемых на АЧТ температур.
4.11.1.3 За ЭШРТ ФПУ принимают среднее значение ЭШРТ ФЧЭ ФПУ (по недефектным элементам).
4.11.1.4 За разброс ЭШРТ ФПУ принимают СКО ЭШРТ ФЧЭ ФПУ (по недефектным элементам).
4.11.2 Средства измерений и вспомогательное оборудование
Требования к СИ и вспомогательному оборудованию - по
4.1.2.
4.11.3 Подготовка к измерениям
Подготовка к измерениям - по
4.1.3.
4.11.4 Проведение измерений
4.11.4.1 Климатические требования - по
4.1.4.1.
4.11.4.3 При измерении ЭШРТ задают время накопления или значение заполнения ячеек накопления ФЧЭ ФПУ. При отсутствии требований в ТУ на ФПУ конкретного типа уровень заполнения ячеек должен быть 0,7. Установку уровня заполнения ячеек накопления ФПУ проводят в соответствии с
4.6.4.4. Требования к погрешности установки уровня заполнения - в соответствии с
4.1.4.4.
4.11.4.4 Устанавливают температуру АЧТ T1, равную 300 К (если иная температура не указана в ТУ или в других документах на ФПУ конкретного типа, или в ином документе, регламентирующем порядок проведения измерений), и измеряют шум ФЧЭ ФПУ.
4.11.4.5 Измеряют сигнал ФЧЭ ФПУ по
4.2 для температур АЧТ
T1 и

, где

равно 3 К (если иные температуры не указаны в ТУ или в другом документе на ФПУ конкретного типа, или в ином документе, регламентирующем порядок проведения измерений).
4.11.5 Обработка результатов
4.11.5.1 ЭШРТ ФЧЭ ФПУ ЭШРТi,j вычисляют по формуле

(75)
где
SФЧЭ i,j - сигнал с
i,
j ФЧЭ (или канала ВЗН) ФПУ, вычисленный по
формуле (14);
NФЧЭ i,j - шум
i,
j ФЧЭ (или канала ВЗН) ФПУ, вычисленный по
формуле (2).
4.11.5.2 ЭШРТ ФПУ ЭШРТФПУ вычисляют по формуле

(76)
где M - число недефектных элементов (или каналов ВЗН) ФПУ.
4.11.5.3 Разброс ЭШРТ ФПУ ЭШРТразбр.ФПУ вычисляют по формуле

(77)
4.11.5.4 Расчет неопределенности измерения ЭШРТ ФЧЭ (или канала ВЗН) ФПУ
На неопределенность измерения ЭШРТ ФЧЭ (или канала ВЗН) ФПУ влияют погрешность измерения ОСШ ФЧЭ, погрешность установки температуры
T1, погрешность установки

, погрешность коэффициента излучения АЧТ, погрешность установки уровня заполнения ячеек накопления ФЧЭ ФПУ.
Относительную погрешность измерения ЭШРТ ФЧЭ (или канала ВЗН) ФПУ

вычисляют по формуле

, (78)
где

- относительное значение погрешности измерения сигнала ФЧЭ с номером
i,
j ФПУ, вычисленное по
формуле (17);

- относительное значение погрешности измерения шума единичного ФЧЭ с номером
i,
j ФПУ, вычисленное по
формуле (7);

- абсолютная погрешность установки температуры

, °C;
kдиап - коэффициент, зависящий от диапазона работы ФПУ; для средневолновых ФПУ его принимают равным 0,025, для длинноволновых ФПУ - 0,07;

- абсолютная погрешность установки температуры
T1 на АЧТ, °C;

- абсолютная погрешность определения уровня заполнения ячеек накопления, %; при фиксации времени накопления принимают равной нулю;
kT АЧТ - коэффициент, зависящий от разницы температур между АЧТ и окружающей средой, интегрального коэффициента излучения АЧТ, спектрального диапазона измеряемого ФПУ и фиксируемого параметра при измерении ЭШРТ (времени накопления или значения заполнения ячеек накопления ФЧЭ ФПУ); значения коэффициента
kT АЧТ приведены в
приложении Б.
4.11.5.5 Расчет неопределенности измерения ЭШРТ ФПУ
На неопределенность измерения ЭШРТ ФПУ влияют погрешность измерения ЭШРТ ФЧЭ, число недефектных ФЧЭ, погрешность установки температуры
T1, погрешность установки

, погрешность коэффициента излучения АЧТ, погрешность установки уровня заполнения ячеек накопления ФЧЭ ФПУ.
Относительную погрешность измерения ЭШРТ ФПУ вычисляют по формуле

. (79)
При расчете ЭШРТ ФПУ допускается вводить коэффициент kT АЧТ как поправочный, в этом случае kT АЧТ при расчете погрешности измерения ЭШРТ ФПУ принимают равным нулю и исправленное значение ЭШРТ ФПУ ЭШРТиспр.ФПУ вычисляют по формуле

. (80)
4.11.5.6 Расчет относительного значения неопределенности измерения разброса ЭШРТ ФПУ

вычисляют по формуле

. (81)
4.11.5.7 Погрешность определения с заданной вероятностью P = 0,95 не должна выходить за пределы интервала:
- не более +/- 30% - для ЭШРТ ФЧЭ (или каналов ВЗН) ФПУ;
- не более +/- 24% - ЭШРТ ФПУ (или зоны ФПУ);
- не более +/- 10% - разброса ЭШРТ ФПУ.
4.12 Метод определения относительной спектральной характеристики чувствительности
4.12.1 Сущность метода
4.12.1.1 Метод применяют для определения относительной спектральной характеристики чувствительности ФПУ.
4.12.1.2 За относительную спектральную характеристику чувствительности (ОСХЧ) ФПУ принимают зависимость монохроматической чувствительности ФПУ, отнесенной к максимальной монохроматической чувствительности, от длины волны регистрируемого потока излучения. Измерение относительной спектральной характеристики ФПУ проводят по зоне ФПУ.
4.12.1.3 Относительную спектральную характеристику ФПУ применяют для определения границ чувствительности и коэффициента использования излучения при вычислении полезного потока, попадающего на ФПУ. Для корректного расчета погрешности указанных параметров необходима фиксация ОСШ контрольного ФЭПП и измеряемого ФПУ, данные о погрешности измерения ОСХЧ или абсолютной спектральной характеристики чувствительности контрольного ФЭПП.
4.12.1.4 Порядок получения дополнительной информации с помощью ОСХЧ для ФПУ второго поколения аналогичен ФПУ первого поколения и приведен в
ГОСТ Р 59605-2021 (подраздел 4.22).
4.12.2 Средства измерений и вспомогательное оборудование
4.12.2.2 Спектральный прибор (монохроматор, спектрометр, спектрофотометр и т.д.) должен быть согласован с ФПУ по спектральному диапазону измерений. Спектральная селективность прибора должна быть не менее 60. Спектральная погрешность прибора должна быть не более

, где

- длина волны настройки монохроматора.
Допускается применение откалиброванных спектральных приборов. Объем калибровки должен подтвердить выполнение требований данного пункта. При использовании новых спектральных приборов допускается не проводить калибровку в течение двух лет при наличии паспорта прибора с отметками ОТК или сертификата соответствия.
4.12.2.3 При измерении спектральной характеристики чувствительности рекомендуется использовать следующие источники:
- дейтериевая лампа или ксеноновая лампа для измерения ФПУ чувствительных в УФ диапазоне спектра;
- лампа накаливания или галогенная лампа для измерения ФПУ чувствительных в коротковолновом ИК диапазоне спектра;
- глобар или модель АЧТ измерения ФПУ чувствительных в средневолновом или длинноволновом ИК диапазоне спектра.
Допускается комбинирование этих источников или использование источников, входящих в состав спектральной аппаратуры. Нестабильность потока излучения не должна выходить за пределы интервала +/- 1% в течение часа.
Допускается применение источников излучения других типов при условии, что их спектральная характеристика не имеет разрывов, резких спадов и выбросов в области чувствительности измеряемого ФПУ.
4.12.2.4 При использовании спектрально-селективного контрольного ФЭПП требуется проведение калибровки его ОСХЧ в установленном порядке.
4.12.3 Подготовка к измерениям
4.12.3.1 Измерение следует проводить на установке, структурная схема которой приведена на
рисунке 8.
1 - источник излучения; 2 - заслонка или модулятор;
3 - спектральный прибор; 4 - контрольное ФПУ; 5 - БЭО
контрольного ФПУ; 6 - испытуемый образец; 7 - БЭО
испытуемого образца; 8 - ПК со специализированным ПО;
G1, G2 - источники питания
Допускается объединение позиций 3, 4, 5, 8, G2 (или части из них) в едином приборе.
4.12.3.2 При проведении измерений следует обеспечить максимальное равенство оптических путей потока(ов) излучения от выхода спектрального прибора до контрольного ФЭПП и измеряемого ФПУ для минимизации влияния поглощения излучения атмосферой. При использовании зеркал или других элементов для перенаправления потока с контрольного ФЭПП на измеряемый ФПУ необходимо учитывать их спектральный коэффициент отражения/пропускания, если его неравномерность в области спектральной чувствительности ФПУ превышает 2%.
4.12.4 Проведение измерений
4.12.4.1 Климатические условия проведения измерений - по
4.1.4.1.
4.12.4.2 Выполняют действия по
4.1.4.2 -
4.1.4.4 с учетом требований к источникам излучения, установленным в
4.12.2.3.
4.12.4.3 В зависимости от типа ФПУ ОСХЧ определяют при модулированном или немодулированном излучении.
Рекомендуемое ОСШ в максимуме спектральной характеристики чувствительности должно быть не менее 200 для контрольного ФЭПП и измеряемого ФПУ. Фиксируют достигнутое ОСШ. Для достижения указанного ОСШ допускается выполнять суммирование кадров и/или регулировать время накопления.
4.12.4.4 Фотоотклики с контрольного ФЭПП и измеряемого ФПУ должны находиться в линейной зоне энергетической характеристики сигнала. При измерении ФПУ с нелинейной энергетической характеристикой сигнала при проведении измерения ОСХЧ необходимо проводить линеаризацию сигнала.
4.12.4.5 Одновременно или последовательно подают излучение со спектрального прибора на измеряемое ФПУ и контрольный ФЭПП.
4.12.4.6 Закрывают заслонку и измеряют фотоотклик при закрытой заслонке.
4.12.4.7 Устанавливают длину волны, соответствующую началу спектрального диапазона измерений, и измеряют сигналы испытуемого образца и контрольного ФЭПП по
4.2 (при расчете по
4.2.4.4 в качестве последовательности кадров следует использовать фотоотклики, полученные по
4.12.4.6).
4.12.4.8 Последовательно изменяют длину волны с некоторым шагом до достижения края области спектральной чувствительности и повторяют измерение по
4.12.4.7. В результате должны быть получены зависимости сигналов испытуемого образца

и контрольного ФЭПП

.
Длину волны

рекомендуется устанавливать последовательно во всем спектральном диапазоне измерений через равные шаги спектрального сканирования. Рекомендованное число шагов должно быть не менее 20 и не более 50 во всем спектральном диапазоне.
При использовании в качестве спектрального прибора Фурье-спектрометров или других приборов, работающих со спектром на основе преобразования Фурье, при выполнении данного пункта следует использовать встроенное ПО спектрального прибора.
4.12.5 Обработка результатов
4.12.5.1 ОСХЧ ФПУ

вычисляют по формулам:

, (82)

, (83)
где

- спектральная характеристика испытуемого ФПУ до приведения к единице;

- спектральная характеристика чувствительности (относительная или абсолютная) контрольного ФЭПП (при использовании неселективного контрольного ФЭПП принимают равной единице);

- коэффициент, учитывающий наличие зеркал и других элементов;

- сигнал с испытуемого ФПУ;
S(P) - энергетическая или сигнальная характеристика испытуемого ФПУ (для ФПУ с линейной энергетической характеристикой принимают равной 1);

- сигнал с контрольного ФЭПП;

- максимальное значение спектральной характеристики испытуемого ФПУ.
Отрицательные значения ОСХЧ, получившиеся при расчете следует заменить на нуль. При использовании Фурье-спектрометра ОСХЧ на уровне шумов (находящиеся ниже уровня 0,05) следует заменить на нуль, если иное не указано в ТУ или в другом документе на ФПУ конкретного типа, или в ином документе, регламентирующем порядок проведения измерений.
4.12.5.2 Относительную погрешность изменения ОСХЧ в каждой точке вычисляют по формуле

. (84)
4.12.5.3 На абсолютную погрешность измерения длины волны влияют спектральная селективность прибора и спектральная погрешность прибора. Относительную погрешность изменения значения

в каждой точке вычисляют по формуле

, (85)
где

- длина волны на выходе спектрального прибора при
i-м измерении.
4.12.5.4 Погрешность определения относительной спектральной характеристики чувствительности ФПУ не должна выходить за пределы интервала +/- 12% с заданной вероятностью P = 0,95.
4.13 Метод определения распределения чувствительности по фоточувствительной площадке фоточувствительного элемента, расчета эффективной фоточувствительной площади фоточувствительного элемента и коэффициента фотоэлектрической связи
4.13.1 Сущность метода
4.13.1.1 Метод применяют для определения распределения чувствительности по фоточувствительной площадке ФЧЭ ФПУ при соизмеримом размере пятна рассеяния оптического зонда и фоточувствительной площадки, а также для определения эффективной фоточувствительной площади ФЧЭ ФПУ и коэффициента ФЭС. Данный метод применяют при известных значениях ФРТ оптического зонда.
4.13.1.2 Метод может быть использован для контроля ФП и ФПУ первого поколения.
4.13.1.3 За распределение чувствительности по фоточувствительной площадке ФЧЭ ФПУ принимается зависимость чувствительности (сигнала с ФЧЭ) от координаты на поверхности ФЧЭ. Распределение чувствительности по фоточувствительной площадке ФЧЭ ФПУ должно быть нормировано таким образом, чтобы максимальное значение было равно единице.
4.13.1.4 За среднее значение эффективной фоточувствительной площади ФЧЭ ФПУ допускается принимать значение эффективной фоточувствительной площади одиночного ФЧЭ, тестового элемента или среднее значение по нескольким элементам.
4.13.1.5 За коэффициент ФЭС принимается значение интеграла, вычисляемого по
формуле (96).
4.13.1.6 Пятно рассеяния оптического зонда (здесь и далее) - это изображение диафрагмы через оптическую систему оптического зонда, т.е. свертка функции рассеяния точки объектива и изображения диафрагмы.
4.13.1.7 Под максимальным значением ОСШ при проведении измерений понимается значение ОСШ, достигаемое при максимальном совпадении пятна рассеяния и фоточувствительной площадки, т.е. при максимальном значении сигнала или фотоотклика.
4.13.1.8 Под центральным срезом ФЧЭ понимается кривая, получаемая в результате сечения двумерного распределения чувствительности по ФЧЭ плоскостью, проходящей через координату с максимальным значением чувствительности (максимальным значением сигнала или фотоотклика).
4.13.2 Средства измерений и вспомогательное оборудование
4.13.2.1 Требования к СИ и вспомогательному оборудованию - по
4.1.2.1 -
4.1.2.3 и
4.1.2.5 с учетом дополнений, приведенных в данном пункте.
4.13.2.2 В качестве источников излучения рекомендуется использовать светодиоды и лазерные диоды, глобары, высокотемпературные АЧТ.
4.13.2.3 Рекомендуется измерения ФПУ с холодной диафрагмой средневолнового и длинноволнового ИК диапазонов проводить в криостатах, обеспечивающих максимально возможное значение плоского угла зрения измеряемого ФПУ. Недопустимо перекрытие апертуры оптического зонда элементами криостата.
4.13.2.4 Размер ФРТ оптического зонда с учетом входного окна криостата по уровню концентрации энергии 80% (допускается использовать расчетное значение) не должен превышать ожидаемого размера фотоэлектрической площадки или шага ФЧЭ ФПУ.
4.13.2.5 Распределение энергии в пятне рассеяния оптического зонда, используемого при проведении измерений, должно быть известно со следующими погрешностями:
- не более 2,5% - для концентрации энергии 0% - 80%;
- не более 10% - для концентрации энергии более 80%.
Примечание - В случае асимметрии пятна рассеяния при обработке результатов измерений необходимо корректно соотнести ориентацию и координаты пятна рассеяния с координатами измеряемого ФПУ в соответствии с расположением пятна при проведении измерений.
4.13.2.6 Входное окно ФПУ не должно оказывать влияние на пятно рассеяния оптического зонда. Значение местной ошибки оптического окна

не должно превышать 0,15 длин волн середины спектрального диапазона чувствительности ФПУ, а общая ошибка (
N) не превышать две длины волны, если иное не указано в ТУ, РЭ, ФО на измеряемое изделие или установку или в ином документе, регламентирующем порядок проведения измерений. Допускается проводить измерения распределения энергии в пятне рассеяния оптического зонда вместе со входным окном криостата, в этом случае требования по
N и

не предъявляются.
4.13.2.7 Коэффициент экранирования оптического зонда (рекомендованное) не должен превышать 0,4 при максимальном ОСШ от 250 до 1000 и не должен превышать 0,8 при ОСШ более 1000.
4.13.2.8 Размер изображения диафрагмы (расчетный) в плоскости ФЧЭ ФПУ должен удовлетворять следующему соотношению:

, (86)
где

- середина спектрального диапазона чувствительности ФПУ;

- числовая апертура оптического зонда в пространстве изображений;
kОСШ - коэффициент, зависящий от максимального ОСШ при проведении измерений. Коэффициент не должен превышать 1 при максимальном значении ОСШ, находящемся в диапазоне 250 - 2500, и не должен превышать 2, если максимальное значение ОСШ при измерении более 2500.
4.13.2.9 Конструкция координатного столика должна обеспечивать перемещение ФПУ относительно источника оптического излучения в двух взаимно перпендикулярных направлениях. Перемещение ФПУ должно осуществляться плавно, без рывков и вибраций.
Перемещение координатного столика относительно пятна оптического зонда должно измеряться при помощи индикаторных микрометров или специализированной измерительной системы, встроенной в координатный стол. При этом рекомендуемая погрешность измерений положения координатного стола не должна превышать 10% от

. Допускается применение координатных столов с системами измерения, откалиброванными метрологическими службами юридических лиц, аккредитованными на право проведения калибровочных работ в соответствии с действующим законодательством.
Допускается применять системы автоматической регистрации данных (ПК со специализированным ПО, самописцы и т.д.) и устройства автоматического перемещения координатного столика. При этом скорость перемещения следует выбирать таким образом, чтобы инерционность измерительной цепи не влияла на форму зависимости сигнала от перемещения.
4.13.3 Подготовка к измерениям
4.13.3.1 Измерение следует проводить на установке, структурная схема которой приведена на
рисунке 9.
1 - источник излучения; 2 - конденсор;
3 - заслонка/модулятор; 4 - диафрагма; 5 - оптический зонд;
6 - испытуемый образец; 7 - координатный столик; 8 - БЭО;
9 - ПК; 10 - специализированное ПО
Рекомендуется совмещение диафрагмы 4 и оптического зонда 5 в единой конструкции без возможности перемещения элементов между собой.
4.13.4 Проведение измерений
4.13.4.1 Климатические условия проведения измерений - по
4.1.4.1.
4.13.4.3 Источник излучения настраивают на заданный режим.
4.13.4.4 Проводят предварительную фокусировку пятна рассеяния и наведение пятна в центр измеряемого ФЧЭ. Контроль совмещения проводят по сигналу с ФЧЭ: при совмещении пятна рассеяния с ФЧЭ фотоотклик с ФЧЭ будет максимальным.
4.13.4.5 Проводят настройку параметров работы ФПУ для получения максимального значения ОСШ. Фотоотклик при работе ФПУ должен находиться на линейном участке энергетической характеристики, если иное не указано в ТУ, РЭ, ФО на измеряемое изделие или в другом документе, регламентирующем порядок проведения измерений.
4.13.4.6 Проводят последовательное сканирование пятном рассеяния поверхности ФЧЭ согласно схеме, приведенной на
рисунке 10. Шаг сканирования должен удовлетворять условию

. (87)
Зона сканирования должна быть расположена симметрично относительно максимального сигнала и ее размер должен удовлетворять соотношению
lскан <= 5·l0,1, (88)
где lскан - размер зоны сканирования;
l0,1 - размер центрального среза ФЧЭ, соответствующий уровню сигнала 0,1 +/- 0,05 от максимального сигнала.
Шаг сканирования в обоих направлениях должен быть одинаковым.
Рисунок 10 - Схема сканирования ФЧЭ ФПУ
4.13.4.7 В каждой точке сканирования проводят измерение сигнала согласно
4.2, при этом
4.2.4.3,
4.2.4.4 выполняют при закрытой заслонке, а
4.2.4.5,
4.2.4.6 - при открытой. В каждой точке сканирования сохраняют данные о ее фактических координатах, получаемых с индикаторных микрометров или встроенных в координатный стол системы измерений. В результате измерения должен получиться массив сигналов, в котором хранится информация о сигнале в каждой точке и ее фактическом местоположении.
4.13.4.8 Для определения плоскости, в которой центральный срез ФЧЭ имеет минимальный размер, следует провести измерения по
4.13.4.6,
4.13.4.7 для плоскостей 1 настраивают на 4
(рисунок 11) вблизи фокуса оптической системы, отстоящих друг от друга на расстоянии 5 - 20 мкм.
Рисунок 11 - Схема образования плоскостей фокусировки
4.13.5 Обработка результатов
4.13.5.1 Из получившихся массивов сигналов с ФЧЭ выбрать массив, в котором центральный срез ФЧЭ по уровню сигнала 0,1 от максимального сигнала имеет минимальный размер. Если выбранный массив соответствует крайней из плоскостей и имеется тенденция к уменьшению размера среза от плоскости к плоскости, то необходимо повторить измерения по
4.13.4.8 до получения минимального размера вне крайней плоскости.
4.13.5.2 В случае неравномерности шага сканирования, превышающем 5%, задают новую координатную сетку с равномерным шагом. Проводят пересчет сигнала на новую координатную сетку с помощью линейной или бикубической интерполяции и формируют массив
Convi,j. Выполняют над данными двумерное преобразование Фурье, в результате чего получают массив

, который приводят к единице (нормируют).
4.13.5.3 Аналогичную координатную сетку накладывают на распределение энергии в пятне рассеяния оптического зонда и формируют массив распределения энергии в точках координатной сетки
PSFi,j, метод интерполяции в случае несовпадения сеток - бикубическая интерполяция. Выполняют над данными двумерное преобразование Фурье, в результате чего получают массив

, который приводят к единице (нормируют).
4.13.5.4 При использовании алгоритмов быстрого преобразования Фурье проводят разворот четвертей массивов

и

для корректной работы последующих алгоритмов.
4.13.5.5 Для всех элементов i,j вычисляют массив

. (89)
4.13.5.6 В массиве

приравнивают к нулю все элементы, для которых выполняется хотя бы одно из следующих условий:

, (90)

, (91)
где ОСШmax - максимальное значение ОСШ, полученное при проведении измерений.
4.13.5.7 Выбросы и провалы в массиве

допускается заменить средним значением по четырем соседним элементам при сохранении фазовой составляющей. Под выбросом понимается значение элемента массива
i,
j, для которого выполняется условие

. (92)
Под провалом понимается элемент массива i,j, для которого выполняется условие

. (93)
4.13.5.8 Выполняют обратное преобразование Фурье над массивом

, в результате чего получить массив
SFi,j. Шаг координатной сетки массива принимают равным шагу координатной сетке по
4.13.4.6, при наличии в массиве комплексных чисел берут от них модуль и проводят нормирование массива к единице.
4.13.5.9 При использовании алгоритмов быстрого преобразования Фурье проводят разворот четвертей массива SFi,j для корректной работы последующих алгоритмов.
4.13.5.10 В массиве SFi,j приравнивают к нулю все элементы, для которых выполняется условие
SFi,j < 0,02. (94)
4.13.5.11 Методом бикубической интерполяции на основе массива строят функцию SF(x,y).
4.13.5.12 Вычисляют эффективную фотоэлектрическую площадь ФЧЭ ФПУ Aэфф по формуле

, (95)
где A - площадь области сканирования.
4.13.5.13 Вычисляют коэффициент ФЭС kФЭС по формуле

, (96)
где SF(x,y) - распределение чувствительности по фоточувствительной площадке ФЧЭ ФПУ;
a - шаг ФЧЭ ФПУ;
A - площадь интегрирования.
4.13.5.14 Погрешности расчета эффективной фоточувствительной площадки ФЧЭ ФПУ и коэффициента ФЭС в зависимости от условий проведения измерений приведены в
приложении Г.
4.13.5.15 Погрешность определения распределения чувствительности по фоточувствительной площадке ФЧЭ ФПУ, эффективной фоточувствительной площади ФЧЭ ФПУ и коэффициента ФЭС не должна выходить за пределы интервала +/- 20% с заданной вероятностью P = 0,95.
4.14 Метод измерения эффективной фоточувствительной площади фоточувствительного элемента
4.14.1 Сущность метода
4.14.1.1 Метод позволяет определить эффективную фоточувствительную площадь ФЧЭ ФПУ при соизмеримом размере пятна рассеяния оптического зонда и фоточувствительной площадки без определения распределения чувствительности по фоточувствительной площадке ФЧЭ ФПУ. Данный метод применяется, когда неизвестно ФРТ оптического зонда.
4.14.2 Средства измерений и вспомогательное оборудование
4.14.2.2 Размер пятна рассеяния оптического зонда с учетом входного окна криостата по уровню концентрации энергии 90% (допускается использовать расчетное значение) не должен превышать ожидаемого размера фоточувствительной площадки или шага ФЧЭ ФПУ. Изображение диафрагмы должно быть не более чем в 1,5 раза больше диаметра кружки Эйри, вычисленной по
формуле (86) (при расчете коэффициент
kОСШ принять равным единице).
Методика определения концентрации энергии в пятне рассеяния приведена в
приложении В либо в соответствии с ГОСТ Р 58566-2019
(подраздел 6.1) без измерения внеосевых пучков и при ОСШ не менее 200 (допускается введение в состав установки модуляторов с селективным усилителем для обеспечения заданного ОСШ).
При измерениях по ГОСТ Р 58566-2019
(подраздел 6.1) выбирают наименьшее пятно рассеяния, полученное при измерениях.
4.14.2.3 Максимальное ОСШ, соответствующее совпадению пятна рассеяния с ФЧЭ, при проведении измерений должно быть не менее 100.
4.14.3 Подготовка к измерениям
4.14.3.1 Измерение следует проводить на установке, структурная схема которой приведена на
рисунке 9.
4.14.4 Проведение измерений
4.14.4.1 Климатические условия проведения измерений - по
4.1.4.1.
4.14.4.3 Источник излучения настраивают на заданный режим.
4.14.4.4 Пятно оптического зонда устанавливают в зоне фоточувствительной площадки ФЧЭ ФПУ. Добиваются максимального значения ОСШ перемещением пятна оптического зонда относительно фоточувствительной площадки ФЧЭ ФПУ и фокусировки оптического зонда.
4.14.4.5 Измеряемое ФПУ следует перемещать вдоль одной из его осей симметрии до тех пор, пока значения сигнала не будут составлять 0,5 от значения сигнала, полученного в
4.14.4.4. При обеспечении заданного значения ОСШ допускается проводить измерение сигнала по текущему кадру.
4.14.4.6 Регистрируют показания (x1 и x2) индикаторного микрометра или системы измерения координатного стола при достижении уровня сигнала 0,5 от максимального.
4.14.4.7 Аналогичные измерения по
4.14.4.4,
4.14.4.5 проводят в перпендикулярном направлении, перемещая ФПУ и регистрируя соответствующие показания (

и

) по уровню сигнала 0,5 от максимального.
4.14.5 Обработка результатов
4.14.5.1 Эффективную фоточувствительную площадь ФЧЭ ФПУ вычисляют по формуле

, (97)
где
x1 и
x2,

и

- координаты перемещений столика в двух взаимно перпендикулярных направлениях.
4.14.5.2 Измерения считают достоверными, если разницы координат (
x2 -
x1) и (
x'2 -
x'1) меньше диаметра пятна рассеяния оптического зонда по
4.14.2.2.
4.14.5.3 На неопределенность результата измерения влияют следующие параметры: ОСШ, распределения чувствительности по фоточувствительной площадке ФЧЭ ФПУ, погрешность индикаторных микрометров или специализированной измерительной системы.
Относительную погрешность измерения эффективной фотоэлектрической площади ФЧЭ ФПУ определяют по формуле

, (98)
где ОСШ - отношение сигнал/шум в максимуме чувствительности;
Aсист - систематическая ошибка метода, которая не превышает 3,5% при размере изображения диафрагмы, равного 1,5 от диаметра кружка Эйри, и не превышает 2% при размере изображения диафрагмы, равной 0,5 от диаметра кружка Эйри, при выполнении остальных требований данного раздела;

- относительная погрешность измерения координаты индикаторных микрометров или специализированной измерительной системы.
4.14.5.4 Погрешность определения эффективной фотоэлектрической площади ФЧЭ ФПУ не должна выходить за пределы интервала +/- 8% с заданной вероятностью P = 0,95.
4.15 Метод определения коэффициента фотоэлектрической связи
4.15.1 Сущность метода
4.15.1.1 Метод позволяет определить коэффициент ФЭС ФПУ. Данный метод применяется, когда неизвестно ФРТ оптического зонда.
4.15.1.2 За коэффициент ФЭС ФЧЭ ФПУ принимается отношение напряжения сигнала с необлученного ФЧЭ ФПУ к сигналу с облученного ФЧЭ.
4.15.1.3 За коэффициент ФЭС ФПУ принимают среднее значение коэффициента ФЭС по нескольким элементам. Допускается принимать за коэффициент ФЭС ФПУ коэффициент ФЭС одиночного ФЧЭ.
4.15.2 Средства измерений и вспомогательное оборудование
4.15.2.2 Размер пятна рассеяния оптического зонда с учетом входного окна криостата по уровню концентрации энергии 90% не должен превышать шага ФЧЭ ФПУ.
4.15.2.3 Максимальное ОСШ при проведении измерений должно быть не менее 200. Под максимальным значением ОСШ при проведении измерений понимают значение ОСШ, достигаемое при максимальном совпадении пятна рассеяния и фоточувствительной площадки, т.е. при максимальном значении сигнала или фотоотклика.
4.15.2.4 Конструкция координатного столика должна обеспечивать перемещение ФПУ относительно источника оптического излучения в двух взаимно перпендикулярных направлениях. Перемещение ФПУ должно осуществляться плавно, без рывков и вибраций.
4.15.3 Подготовка к измерениям
Измерение следует проводить на установке, структурная схема которой приведена на
рисунке 9.
4.15.4 Проведение измерений
4.15.4.1 Климатические условия проведения измерений - по
4.1.4.1.
4.15.4.3 Источник излучения настраивают на заданный режим.
4.15.4.4 Пятно оптического зонда устанавливают в зоне фоточувствительной площадки ФЧЭ ФПУ. Добиваются максимального значения ОСШ перемещением пятна оптического зонда относительно фоточувствительной площадки ФЧЭ ФПУ и фокусировки оптического зонда.
4.15.4.5 Проводят измерение сигнала на засвеченном ФЧЭ и соседних согласно
4.2, при этом
4.2.4.3,
4.2.4.4 выполняют при закрытой заслонке, а
4.2.4.5,
4.2.4.6 - при открытой. Допускается проведение измерения сигнала со всех ФЧЭ ФПУ.
4.15.5 Обработка результатов
4.15.5.1 Вычисляют для каждого ФЧЭ коэффициент ФЭС
kФЭС по формуле

, (99)
где SФЧЭ.н - сигнал с необлученного ФЧЭ;
SФЧЭ.о - сигнал с облученного ФЧЭ.
4.15.5.2 Относительную погрешность измерения коэффициента ФЭС вычисляют по формуле

, (100)
где

- относительная погрешность измерения сигнала с необлученного ФЧЭ;

- относительная погрешность измерения сигнала с облученного ФЧЭ.
4.15.5.3 Погрешность определения коэффициента ФЭС ФПУ не должна выходить за пределы интервала +/- 12% с заданной вероятностью P = 0,95.
4.16 Метод определения коэффициента фотоэлектрической связи с использованием маски
4.16.1 Сущность метода
4.16.1.1 Метод позволяет определить коэффициент ФЭС ФПУ.
4.16.1.2 За коэффициент ФЭС ФЧЭ ФПУ принимают отношение напряжения сигнала с закрытого маской (необлученного) ФЧЭ ФПУ к сигналу с облученного ФЧЭ.
4.16.1.3 За коэффициент ФЭС ФПУ допускается принимать коэффициент ФЭС одиночного ФЧЭ или среднее значение коэффициента ФЭС по нескольким элементам.
4.16.2 Средства измерений и вспомогательное оборудование
4.16.2.2 Источник излучения - по
4.1.2.4, кроме излучателя в виде модели АЧТ с плоской излучающей поверхностью большого размера.
4.16.2.3 Влияние оптических элементов, входящих в состав источника излучения, можно не учитывать.
4.16.2.4 Маска должна представлять из себя тонкую плоскопараллельную пластину из материала, прозрачного в спектральном диапазоне работы ФПУ. На пластину должен быть нанесен рисунок из непрозрачного в спектральном диапазоне работы ФПУ материала. Рисунок должен включать в себя окна (места отсутствия непрозрачного материала), имеющие форму ФЧЭ, размер
a которых должен определяться, исходя из следующего условия (см.
рисунок 12):

, (101)
где p - размер ФЧЭ;

- погрешность измерения сигнала с облученного ФЧЭ, определяемая по формуле

, (102)
где d - размер диафрагмы источника излучения;
l - расстояние от маски до подложки ФПУ;
h - расстояние от диафрагмы источника излучения до маски;
tп - толщина подложки ФПУ;
nп - показатель преломления материала подложки ФПУ в спектральном диапазоне работы ФПУ;
tм - толщина пластины маски;
nм - показатель преломления материала пластины маски в спектральном диапазоне работы ФПУ.
Кроме того, должно быть выполнено следующее условие:

. (103)
1 - источник излучения; 2 - диафрагма; 3 - маска;
4 - непрозрачный рисунок; 5 - подложка; 6 - плоскость ФЧЭ
Допускается наносить более одного окна, при этом они должны быть расположены на расстоянии не менее трех шагов ФЧЭ друг от друга.
4.16.2.5 Максимальное ОСШ при проведении измерений должно быть не менее 200.
4.16.2.6 Расстояние от источника излучения (или его диафрагмы) до маски должно выбираться исходя из условий, приведенных в
4.16.2.4.
4.16.3 Подготовка к измерениям
4.16.3.1 Измерение следует проводить на установке, структурная схема которой приведена на
рисунке 13.
1 - микроскоп; 2 - источник излучения; 3 - заслонка;
4 - маска (устанавливается вплотную к плоскости ФЧЭ ФПУ);
5 - испытуемый образец; 6 - криостатируемый столик (может
отсутствовать); 7 - БЭО; 8 - ПК со специализированным ПО
4.16.4 Проведение измерений
4.16.4.1 Климатические условия проведения измерений - по
4.1.4.1.
4.16.4.3 Маску устанавливают непосредственно на плоскость ФЧЭ ФПУ и совмещают таким образом, чтобы центр окна совпадал с центром ФЧЭ. Контроль производят с помощью микроскопа.
4.16.4.4 Проводят измерение сигнала на засвеченном (находящимся под окном маски) ФЧЭ и соседних ФЧЭ согласно
4.2, при этом
4.2.4.3,
4.2.4.4 выполняют при закрытой заслонке, а
4.2.4.5,
4.2.4.6 - при открытой. Допускается проводить измерения сигнала со всех ФЧЭ ФПУ.
4.16.5 Обработка результатов
4.16.5.1 Вычисляют для каждого ФЧЭ коэффициент ФЭС по
4.15.5.1.
4.16.5.2 Относительную погрешность измерения коэффициента ФЭС вычисляют по
4.15.5.2.
4.16.5.3 Погрешность определения коэффициента ФЭС ФПУ не должна выходить за пределы интервала +/- 12% с заданной вероятностью P = 0,95.
4.17 Метод определения формата и шага элементов
4.17.1 Сущность метода
Метод применяют для определения формата и шага элементов ФПУ.
4.17.2 Определение значений и оценка результатов
4.17.2.1 Определение формата и шага элементов ФПУ проводят путем анализа документации на ФПУ или его составные части.
4.17.2.2 Значения формата и шага элементов ФПУ выбирают из документации на ФПУ. При необходимости проверяют характеристики используемых при изготовлении ФПУ фотошаблонов.
4.17.2.3 Погрешность определения формата и шага элементов ФПУ не должна выходить за пределы интервала +/- 2% с заданной вероятностью P = 0,95.
4.18 Метод измерения частоты кадров
4.18.1 Сущность метода
Метод применяют для измерения частоты кадров ФПУ.
4.18.2 Средства измерений и вспомогательное оборудование
4.18.3 Подготовка к измерениям
4.18.3.1 Подготовка к измерениям - по
4.1.3.
4.18.3.2 Допускается не использовать источник излучения и модулятор при проведении измерений.
4.18.4 Проведение измерений
4.18.4.1 Климатические требования - по
4.1.4.1.
4.18.4.3 Подключают осциллограф или частотомер к контактам ФПУ, по которым передается импульс тактовой синхронизации согласно схеме, приведенной в ТУ, РЭ, ФО на измеряемое изделие или в ином документе, регламентирующем порядок проведения измерений.
4.18.4.4 Измеряют временную задержку между импульсами tкадр.
4.18.5 Обработка результатов
4.18.5.1 Частоту кадров вычисляют по формуле

. (104)
4.18.5.2 Относительную погрешность частоты кадров ФПУ вычисляют по формуле

. (105)
4.18.5.3 Погрешность определения частоты кадров ФПУ не должна выходить за пределы интервала +/- 5% с заданной вероятностью P = 0,95.
4.19 Метод измерения частоты кадров фотоприемного устройства, фотоприемного устройства с интегрированными блоками электронной обработки, в том числе тепловизионных приборов и камер различного спектрального диапазона
4.19.1 Сущность метода
Метод позволяет проводить измерение частоты кадров ФПУ, ФПУ с интегрированными БЭО, в том числе тепловизионных приборов и камер различного спектрального диапазона.
4.19.2 Средства измерений и вспомогательное оборудование
4.19.3 Подготовка к измерениям
4.19.3.1 Измерение следует проводить на измерительных установках или рабочем месте, структурные схемы которых приведены на
рисунках 14 и
15.
1 - генератор; 2 - светодиод (лазерный диод); 3 - испытуемый
образец; 4 - БЭО; 5 - ПК; 6 - специализированное ПО
1 - источник излучения; 2 - диафрагма; 3 - модулятор
излучения; 4 - осциллограф/частотомер; 5 - испытуемый
образец; 6 - БЭО; 7 - ПК; 8 - специализированное ПО
4.19.3.2 Рекомендуется при измерении использовать объектив совместно с измеряемым изделием для формирования изображения источника излучения.
4.19.3.3 Быстродействие светодиода (лазерного диода) должно превышать частоту кадров не менее чем в 10 раз.
4.19.3.4 Для схемы на
рисунке 15 допускается использование согласующего усилителя для подключения модулятора к осциллографу/частотомеру.
4.19.3.5 Модулятор должен иметь выход для передачи внешних синхроимпульсов и обеспечивать 100%-ную глубину модуляции источника излучения (т.е. полное перекрывание диафрагмы источника излучения). Отклонение частоты модулятора от заданной не должна превышать 0,02 от установленной на нем частоты за время проведения измерений.
4.19.3.6 При проведении измерений на установке выполняют
4.1.3.3.
4.19.4 Проведение измерений
4.19.4.1 Климатические требования - по
4.1.4.1.
4.19.4.3 Выставляют на генераторе
(рисунок 14) или на модуляторе
(рисунок 15) частоту, близкую к частоте кадров измеряемого изделия.
4.19.4.4 Путем подстройки генератора или модулятора обеспечивают частоту мигания источника излучения не чаще чем один раз в секунду, если иное не указано в ТУ, РЭ, ФО на измеряемое изделие или в ином документе, регламентирующем порядок проведения измерений.
4.19.4.5 При необходимости измеряют период мигания источника излучения с помощью секундомера, ПО установки или другого измерительного прибора.
4.19.5 Обработка результатов
4.19.5.1 Частоту кадров измеряемого изделия определяют путем снятия показаний частоты с генератора (для схемы, приведенной на
рисунке 14) или результаты измерения частоты с осциллографа/частотомера (для схемы, приведенной на
рисунке 15).
4.19.5.2 Абсолютную погрешность частоты кадров ФПУ вычисляют по формуле

, (106)
где

- абсолютная погрешность измерения частоты с помощью измерительного прибора;
fмиг - частота мигания источника излучения. Принимают равной 1 при выполнении только
4.19.4.4 или при выполнении
4.19.4.5 вычисляют по формуле

, (107)
где
Tмиг - период мигания источника излучения по
4.19.4.5;

- погрешность измерения периода мигания.
4.19.5.3 Погрешность определения частоты кадров ФПУ не должна выходить за пределы интервала +/- 8% с заданной вероятностью P = 0,95.
4.20 Метод определения времени задержки фотоотклика при формировании изображения
4.20.1 Сущность метода
4.20.1.1 Метод позволяет определить время задержки фотоотклика ФПУ (в том числе ФПУ с интегрированными БЭО, тепловизионных приборов и камер различного спектрального диапазона) при формировании изображения.
4.20.1.2 За время задержки фотоотклика при формировании изображения принимают временной интервал с момента поступления излучения на ФПУ до момента появления фотоотклика на выходе ФПУ (в том числе ФПУ с интегрированными БЭО, тепловизионных приборов и камер различного спектрального диапазона).
4.20.2 Средства измерений и вспомогательное оборудование
4.20.3 Подготовка к измерениям
4.20.3.1 Измерение следует проводить на измерительных установках или рабочем месте, структурные схемы которых приведены на
рисунке 16 или
17.
1 - генератор; 2 - светодиод (лазерный диод); 3 - испытуемый
образец; 4 - БЭО; 5 - ПК; 6 - аналоговый или цифровой
анализатор; 7 - специализированное ПО
1 - источник излучения; 2 - диафрагма; 3 - модулятор
излучения; 4 - испытуемый образец; 5 - БЭО; 6 - ПК;
7 - аналоговый или цифровой анализатор;
8 - специализированное ПО
4.20.3.2 Пунктирами показаны возможные связи: при измерении ФПУ с интегрированными БЭО соединяться должны позиции
4 и
6 вместо
3 и
6 (рисунок 16), позиции
5 и
7 вместо
4 и
7 (см.
рисунок 17).
4.20.3.3 При использовании ПО для измерения времени задержки фотоотклика позиции
5 и
6 на
рисунке 16, и позиции
6 и
7 на
рисунке 17 должны быть соединены.
4.20.3.4 При измерении допускается использовать объектив совместно с измеряемым изделием для формирования изображения источника излучения.
4.20.3.5 Быстродействие светодиода (лазерного диода) должно превышать частоту кадров не менее чем в 10 раз.
4.20.3.6 Для схемы на
рисунке 17 допускается использование согласующего усилителя для подключения модулятора к аналоговому или цифровому анализатору.
4.20.3.7 В качестве аналогового или цифрового анализатора могут быть использованы осциллографы.
4.20.3.8 Модулятор должен иметь выход для передачи внешних синхроимпульсов и обеспечивать 100%-ную глубину модуляции источника излучения (т.е. полное перекрывание диафрагмы источника излучения).
4.20.3.9 Расположение отверстий в диске модулятора должно быть периодичным. Время, за которое диафрагма проходит отверстие диска модулятора, должно быть или не менее чем в 2,5 раза больше, чем ожидаемое время задержки фотоотклика, или не менее пяти времен кадра.
4.20.3.10 Частота вращения диска модулятора должна обеспечивать время прохождения границей отверстия в диске модулятора диафрагмы источника излучения менее чем 0,5 от времени накопления (см.
рисунок 18).
1 - диафрагма АЧТ; 2 - модулятор
Рисунок 18 - Схема вращения диска модулятора
4.20.3.11 При измерении на установке или рабочем месте в соответствии с
рисунком 17 следует убедиться, что синхроимпульс модулятора совпадает с моментом перекрытия источника излучения (середины источника излучения). При необходимости проводят юстировку.
4.20.3.12 Рекомендуется установить источник излучения таким образом, чтобы излучение попадало на первые по порядку считывания элементы.
4.20.3.13 При проведении измерений на установке выполняют
4.1.3.3.
4.20.4 Проведение измерений
4.20.4.1 Климатические требования - по
4.1.4.1.
4.20.4.3 Для рабочего места или установки в соответствии с
рисунком 16 устанавливают на генераторе частоту повторения сигналов, обеспечивающую период повторения сигнала не менее чем в 2,5 раза больше, чем ожидаемое время задержки фотоотклика или не менее пяти времен кадра. Скважность должна обеспечивать длительность светового импульса не менее 0,5 от времени накопления.
4.20.4.4 Для рабочего места или установки в соответствии с
рисунком 17: устанавливают модулятор на режим, обеспечивающий период повторения сигнала не менее чем в 2,5 раза больше, чем ожидаемое время задержки фотоотклика, или не менее пяти времен кадра.
4.20.4.5 Сформировать

диаграмму (см.
рисунок 19) для измерения времени задержки фотоотклика.
Рисунок 19 -

диаграмма для измерения времени
задержки фотоотклика
4.20.5 Обработка результатов
4.20.5.1 Определяют время задержки фотоотклика при формировании изображения. При формировании ряда диаграмм (см.
рисунок 19) за время задержки принимают самое большое из полученных значений.
4.20.5.2 При измерении времени задержки фотоотклика для ФПУ с интегрированными БЭО, в том числе тепловизионных приборов и камер различного спектрального диапазона, имеющих аналоговый выход с чересстрочной разверткой, измерения проводят по первому пришедшему полукадру.
4.20.5.3 За абсолютную погрешность измерения времени задержки фотоотклика принимают абсолютную погрешность измерения временного интервала аналоговым или цифровым анализатором.
4.20.5.4 Погрешность определения времени задержки фотоотклика ФПУ при формировании изображения не должна выходить за пределы интервала +/- 15% с заданной вероятностью P = 0,95.
4.21 Метод измерения апертурного угла
4.21.1 Сущность метода
4.21.1.1 Метод позволяет определить апертурный угол ФПУ.
4.21.1.2 За апертурный угол ФПУ принимают угол в пространстве предметов между двумя лучами, проходящими через центр фоточувствительной области ФПУ и краями входного отверстия (диафрагмы, входного окна или других конструктивных элементов, ограничивающих ход лучей).
4.21.2 Средства измерений и вспомогательное оборудование
Требования к СИ и вспомогательному оборудованию - по
4.1.2.1.
4.21.3 Проведение измерений
Проводят измерения деталей и сборок, ограничивающих апертурный угол ФПУ. При невозможности контроля деталей допускается использовать размеры деталей и сборок, указанные в конструкторской или другой технической документации на измеряемое изделие.
4.21.4 Обработка результатов
| | ИС МЕГАНОРМ: примечание. В официальном тексте документа, видимо, допущена опечатка: п. 4.21.3.1 отсутствует. | |
4.21.4.1 Строят апертурный угол ФПУ согласно 4.21.3.1 и проводят расчет его значения.
4.21.4.2 Погрешность определения апертурного угла ФПУ не должна выходить за пределы интервала +/- 10% с заданной вероятностью P = 0,95.
4.22 Метод определения пороговой облученности
4.22.1 Сущность метода
4.22.1.1 Метод позволяет проводить измерения пороговой облученности ФЧЭ ФПУ (или каналов ВЗН), пороговой облученности ФПУ (или зоны ФПУ), разброса пороговой облученности ФПУ для ФПУ без холодной диафрагмы.
4.22.1.2 За пороговую облученность ФЧЭ ФПУ (или каналов ВЗН) принимают отношение облученности ФЧЭ ФПУ к ОСШ ФЧЭ.
4.22.1.3 За пороговую облученность ФПУ принимают среднее значение пороговой облученности ФЧЭ ФПУ (по недефектным элементам).
4.22.1.4 За разброс пороговой облученности ФПУ принимают СКО пороговой облученности ФЧЭ ФПУ (по недефектным элементам).
4.22.2 Средства измерений и вспомогательное оборудование
Требования к СИ и вспомогательному оборудованию - по
4.1.2.
4.22.3 Подготовка к измерениям
Подготовка к измерениям - по
4.1.3.
4.22.4 Проведение измерений
4.22.4.1 Климатические условия проведения измерений - по
4.1.4.1.
4.22.4.3 Проводят измерение шума каждого ФЧЭ ФПУ в соответствии с
4.1.
4.22.4.4 Проводят измерение сигнала каждого ФЧЭ ФПУ в соответствии с
4.2. Режим работы источника излучения согласно
4.1.4.5, если иное не указано в ТУ, РЭ, ФО на измеряемое изделие или установку.
4.22.4.5 Измерение проводят на линейном участке энергетической характеристики ФПУ. При измерении ФПУ с нелинейной энергетической характеристикой указывают поток излучения или энергетическую облученность (или другие величины, позволяющие однозначно определить их значения) в сопроводительных документах.
4.22.5 Обработка результатов
4.22.5.1 Пороговую облученность i,j ФЧЭ ФПУ в максимуме спектральной чувствительности Eп i,j вычисляют по формуле

, (108)
где
P - поток излучения в рабочем спектральном диапазоне чувствительности в плоскости ФЧЭ, вычисленный согласно
приложению Д;
Ni,j - шум i, j ФЧЭ ФПУ;
Si,j - сигнал с i, j ФЧЭ ФПУ;
Aэфф - эффективная фотоэлектрическая площадь ФЧЭ.
Примечание - Для проведения расчетов пороговой облученности измерение эффективной фотоэлектрической площади ФЧЭ ФПУ не требуется, т.к. она сокращается при подстановке потока излучения в рабочем спектральном диапазоне чувствительности в плоскости ФЧЭ.
4.22.5.2 Пороговую облученность ФПУ по недефектным элементам в максимуме спектральной чувствительности вычисляют по формуле

(109)
где M - число недефектных ФЧЭ (или работоспособных каналов ВЗН) ФПУ.
4.22.5.3 Разброс пороговой облученности ФЧЭ ФПУ по недефектным элементам вычисляют по формуле

(110)
4.22.5.4 Расчет неопределенности измерения пороговой облученности ФЧЭ ФПУ
Источниками неопределенности измерения пороговой облученности ФЧЭ ФПУ являются погрешность измерения сигнала и шума ФЧЭ и погрешность измерения потока излучения.
Относительную погрешность измерения пороговой облученности ФЧЭ ФПУ (или канала ВЗН) вычисляют по формуле

, (111)
где

- относительная погрешность измерения сигнала с ФЧЭ;

- относительная погрешность измерения шума ФЧЭ;

- относительная погрешность измерения потока излучения;

- относительная погрешность измерения эффективной фотоэлектрической площади ФЧЭ.
4.22.5.5 Расчет неопределенности измерения пороговой облученности ФПУ
Источниками неопределенности измерения пороговой облученности ФПУ являются погрешность измерения сигнала и шума ФЧЭ и неравномерность распределения потока излучения по поверхности ФПУ.
Относительную погрешность измерения пороговой облученности ФПУ вычисляют по формуле

, (112)
где

- относительная погрешность измерения среднего значения сигнала ФПУ;

- относительная погрешность измерения среднего значения шума ФПУ.
4.22.5.6 Относительное значение погрешности измерения разброса пороговой облученности ФПУ

вычисляют по формуле

, (113)
где

- относительная погрешность измерения разброса сигнала;

- относительная погрешность разброса средних значений шумов ФЧЭ;

- относительная погрешность, связанная с неравномерностью распределения потока излучения по поверхности ФПУ, определяемая по
формуле (12).
4.22.5.7 Погрешность определения с заданной вероятностью P = 0,95 не должна выходить за пределы интервала:
- не более +/- 23% - для пороговой облученности ФЧЭ (или каналов ВЗН) ФПУ;
- не более +/- 15% - пороговой облученности ФПУ (или зоны ФПУ);
- не более +/- 11% - разброса пороговой облученности ФПУ.
4.23 Метод определения чувствительности (вольтовой чувствительности)
4.23.1 Сущность метода
4.23.1.1 Метод позволяет проводить измерения чувствительности (вольтовой чувствительности) ФЧЭ ФПУ (или каналов ВЗН), чувствительности (вольтовой чувствительности) ФПУ (или зоны ФПУ), разброса чувствительности (вольтовой чувствительности) ФЧЭ ФПУ.
Примечание - При измерении ФПУ с аналоговыми выходами необходимо использовать термин "вольтовая чувствительность".
4.23.1.2 За чувствительность (вольтовую чувствительность) ФЧЭ ФПУ (или каналов ВЗН) принимают отношение сигнала ФЧЭ ФПУ в единицах счета АЦП (для ФПУ с цифровыми выходами) или в вольтах (для ФПУ с аналоговыми выходами) к потоку излучения, падающего на ФЧЭ ФПУ.
4.23.1.3 За чувствительность (вольтовую чувствительность) ФПУ принимают среднее значение чувствительности (вольтовой чувствительности) ФЧЭ ФПУ по недефектным элементам.
4.23.1.4 За разброс чувствительности (вольтовой чувствительности) ФПУ принимают СКО чувствительности (вольтовой чувствительности) ФЧЭ ФПУ по недефектным элементам.
4.23.2 Средства измерений и вспомогательное оборудование
Требования к СИ и вспомогательному оборудованию - по
4.1.2.
4.23.3 Подготовка к измерениям
Подготовка к измерениям - по
4.1.3.
4.23.4 Проведение измерений
4.23.4.1 Климатические условия проведения измерений - по
4.1.4.1.
4.23.4.3 Проводят измерение шума каждого ФЧЭ ФПУ в соответствии с
4.1.
4.23.4.4 Проводят измерение сигнала каждого ФЧЭ ФПУ в соответствии с
4.2. Режим работы источника излучения - согласно
4.1.4.5, если иное не указано в ТУ, РЭ, ФО на измеряемое изделие или установку.
4.23.4.5 Измерение проводят на линейном участке энергетической характеристики ФПУ. При измерении ФПУ с нелинейной энергетической характеристикой необходимо указывать в сопроводительных документах поток излучения или энергетическую облученность (или другие величины, позволяющие однозначно определить их значения).
4.23.5 Обработка результатов
4.23.5.1 Чувствительность (вольтовую чувствительность) i,j ФЧЭ ФПУ в максимуме спектральной чувствительности SU i,j вычисляют по формуле

, (114)
где Si,j - сигнал с i,j ФЧЭ ФПУ;
Pi,j - поток излучения в рабочем спектральном диапазоне чувствительности, падающий на
i,
j-й ФЧЭ ФПУ, вычисленный согласно
приложению Д;
KБЭО - среднее значение коэффициента преобразования БЭО. Для ФПУ с цифровыми выходами принять равным нулю.
4.23.5.2 Чувствительность (вольтовую чувствительность) ФПУ по недефектным элементам в максимуме спектральной чувствительности SU ФПУ вычисляют по формуле

(115)
где
SU m - сигнал с
m недефектного ФЧЭ (или работоспособного канала ВЗН) ФПУ, вычисленный по
формуле (114);
M - число недефектных ФЧЭ (или работоспособных каналов ВЗН) ФПУ.
4.23.5.3 Разброс чувствительности (вольтовой чувствительности) ФЧЭ ФПУ по недефектным элементам вычисляют по формуле

(116)
4.23.5.4 Расчет неопределенности измерения чувствительности (вольтовой чувствительности) ФЧЭ ФПУ
Источниками неопределенности измерения чувствительности (вольтовой чувствительности) ФЧЭ ФПУ являются: погрешность измерения сигнала ФЧЭ, погрешность измерения потока излучения и погрешность измерения коэффициента преобразования БЭО.
Относительную погрешность измерения чувствительности (вольтовой чувствительности) ФЧЭ ФПУ (или канала ВЗН) вычисляют по формуле

, (117)
где

- относительная погрешность измерения сигнала с ФЧЭ;

- относительная погрешность измерения потока излучения, падающего на ФЧЭ;

- относительная погрешность измерения среднего значения коэффициента преобразования БЭО.
4.23.5.5 Расчет неопределенности измерения чувствительности (вольтовой чувствительности) ФПУ
Источниками неопределенности чувствительности (вольтовой чувствительности) ФПУ являются погрешность измерения среднего значения чувствительности (вольтовой чувствительности), неравномерность распределения потока излучения по поверхности ФПУ.
Относительную погрешность измерения среднего значения отношения пороговой облученности ФПУ определяют по формуле

, (118)
где

- относительная погрешность измерения среднего значения сигнала ФПУ.
4.23.5.6 Относительное значение неопределенности измерения разброса чувствительности (вольтовой чувствительности) ФПУ

вычисляют по формуле

, (119)
где

- относительная погрешность измерения разброса сигнала;

- относительная погрешность, связанная с неравномерностью распределения потока излучения по поверхности ФПУ.
4.23.5.7 Погрешность определения с заданной вероятностью P = 0,95 не должна выходить за пределы интервала:
- не более +/- 38% - для чувствительности (вольтовой чувствительности) ФЧЭ (или каналов ВЗН) ФПУ;
- не более +/- 30% - чувствительности (вольтовой чувствительности) ФПУ (или зоны ФПУ);
- не более +/- 15% - разброса чувствительности (вольтовой чувствительности) ФЧЭ ФПУ.
4.24 Метод определения порогового потока
4.24.1 Сущность метода
4.24.1.1 Метод позволяет проводить измерения порогового потока ФЧЭ ФПУ (или каналов ВЗН), порогового потока ФПУ (или зоны ФПУ), разброса порогового потока ФПУ.
4.24.1.2 За пороговый поток ФЧЭ ФПУ (или каналов ВЗН) принимают отношение потока излучения падающего ФЧЭ ФПУ к ОСШ ФЧЭ ФПУ.
4.24.1.3 За пороговый поток ФПУ принимают среднее значение порогового потока ФЧЭ ФПУ по недефектным элементам.
4.24.1.4 За пороговый поток ФПУ принимают СКО порогового потока ФЧЭ ФПУ по недефектным элементам.
4.24.2 Средства измерений и вспомогательное оборудование
Требования к СИ и вспомогательному оборудованию - по
4.1.2.
4.24.3 Подготовка к измерениям
Подготовка к измерениям - по
4.1.3.
4.24.4 Проведение измерений
4.24.4.1 Климатические условия проведения измерений - по
4.1.4.1.
4.24.4.3 Проводят измерение шума каждого ФЧЭ ФПУ в соответствии с
4.1.
4.24.4.4 Проводят измерение сигнала каждого ФЧЭ ФПУ в соответствии с
4.2. Режим работы источника излучения - согласно
4.1.4.5, если иное не указано в ТУ, РЭ, ФО на измеряемое изделие или установку.
4.24.4.5 Измерение проводят на линейном участке энергетической характеристики ФПУ. При измерении ФПУ с нелинейной энергетической характеристикой указывают в сопроводительных документах поток излучения или энергетическую облученность (или другие величины, позволяющие однозначно определить их значения).
4.24.5 Обработка результатов
4.24.5.1 Пороговый поток i,j ФЧЭ ФПУ в максимуме спектральной чувствительности Pп i,j вычисляют по формуле

, (120)
где
Pi,j - поток излучения, падающий на
i,
j ФЧЭ ФПУ в рабочем спектральном диапазоне чувствительности, вычисленный согласно
приложению Д;
Ni,j - шума i,j ФЧЭ ФПУ;
Si,j - сигнал с i,j ФЧЭ ФПУ.
4.24.5.2 Пороговый поток ФПУ по недефектным элементам в максимуме спектральной чувствительности вычисляют по формуле

(121)
где
Pп m - поток излучения, падающий на
i,
j ФЧЭ ФПУ в рабочем спектральном диапазоне чувствительности, вычисленный согласно
приложению Д;
M - число недефектных ФЧЭ (или работоспособных каналов ВЗН) ФПУ.
4.24.5.3 Разброс порогового потока ФЧЭ ФПУ по недефектным элементам вычисляют по формуле

(122)
4.24.5.4 Расчет неопределенности измерения порогового потока ФЧЭ ФПУ
Источниками неопределенности измерения порогового потока ФЧЭ ФПУ являются погрешность измерения сигнала ФЧЭ, шума ФЧЭ и погрешность измерения потока излучения.
Относительную погрешность измерения порогового потока ФЧЭ ФПУ (или канала ВЗН) вычисляют по формуле

, (123)
где

- относительная погрешность измерения сигнала с ФЧЭ;

- относительная погрешность измерения потока излучения, падающего на ФЧЭ;

- относительная погрешность измерения шума ФЧЭ.
4.24.5.5 Расчет неопределенности измерения порогового потока ФПУ
Источниками неопределенности порогового потока ФПУ являются погрешность измерения сигнала и шума ФЧЭ, неравномерность распределения потока излучения по поверхности ФПУ.
Относительную погрешность измерения порогового потока ФПУ вычисляют по формуле

, (124)
где

- относительная погрешность измерения среднего значения сигнала ФПУ;

- относительная погрешность измерения среднего значения шума ФПУ.
4.24.5.6 Относительное значение погрешности измерения разброса порогового потока ФПУ вычисляют по формуле

, (125)
где

- относительная погрешность измерения разброса сигнала;

- относительная погрешность неопределенности разброса средних значений шумов ФЧЭ;

- относительная погрешность, связанная с неравномерностью распределения потока излучения по поверхности ФПУ.
4.24.5.7 Погрешность определения с заданной вероятностью P = 0,95 не должна выходить за пределы интервала:
- не более +/- 30% - для порогового потока ФЧЭ (или каналов ВЗН) ФПУ;
- не более +/- 23% - порогового потока ФПУ (или зоны ФПУ);
- не более +/- 15% - разброса порогового потока ФПУ.
4.25 Метод определения удельной обнаружительной способности
4.25.1 Сущность метода
4.25.1.1 Метод позволяет проводить измерения удельной обнаружительной способности ФЧЭ (или каналов ВЗН) ФПУ, удельной обнаружительной способности ФПУ (или зоны ФПУ), разброса удельной обнаружительной способности ФПУ.
4.25.1.2 За удельную обнаружительную способность ФЧЭ ФПУ (или каналов ВЗН) принимают отношение корня произведения эффективной фотоэлектрической площади и эффективной ширины полосы измерения шума к пороговому потоку ФЧЭ ФПУ.
4.25.1.3 За пороговый поток ФПУ принимают отношение корня произведения эффективной фотоэлектрической площади и эффективной ширины полосы измерения шума к пороговому потоку ФПУ.
4.25.1.4 За разброс порогового потока ФПУ принимают отношение корня произведения эффективной фотоэлектрической площади и эффективной ширины полосы измерения шума к разбросу порогового потока ФПУ.
4.25.2 Средства измерений и вспомогательное оборудование
Требования к СИ и вспомогательному оборудованию - по
4.1.2.
4.25.3 Подготовка к измерениям
Подготовка к измерениям - по
4.1.3.
4.25.4 Проведение измерений
Измерение порогового потока проводят по
4.24.
4.25.5 Обработка результатов
4.25.5.1 Удельную обнаружительную способность
i,
j ФЧЭ (или каналов ВЗН) ФПУ в максимуме спектральной чувствительности

вычисляют по формуле

, (126)
где Aэфф - эффективная фоточувствительная площадь ФЧЭ ФПУ.
Примечание - Допускается вместо эффективной фоточувствительной площади ФЧЭ ФПУ использовать площадь элемента, значение которой установлено из ТУ на ФПУ конкретного типа;

- эффективная ширина полосы измерения шума, вычисленная по формуле

, (127)
где tнак - время накопления.
Примечание - При необходимости уточнения времени накопления провести его измерения с помощью осциллографа по длительности соответствующего импульса в соответствии с РЭ, ТУ или другой документацией на измеряемое изделие.
4.25.5.2 Удельную обнаружительную способность ФПУ по недефектным элементам в максимуме спектральной чувствительности вычисляют по формуле

. (128)
4.25.5.3 Разброс удельной обнаружительной способности ФЧЭ ФПУ по недефектным элементам вычисляют по формуле

. (129)
4.25.5.4 Расчет неопределенности измерения удельной обнаружительной способности ФЧЭ ФПУ
Источниками неопределенности измерения удельной обнаружительной способности ФЧЭ ФПУ является погрешность измерения порогового потока ФЧЭ ФПУ, погрешность измерения эффективной фоточувствительной площади ФЧЭ ФПУ и погрешность измерения эффективной ширины полосы измерения шума.
Относительную погрешность измерения удельной обнаружительной способности ФЧЭ (или канала ВЗН) ФПУ вычисляют по формуле

, (130)
где

- относительная погрешность измерения эффективной фоточувствительной площади ФЧЭ. При использовании данных из технической документации принять равной нулю;

- относительная погрешность измерения эффективной ширины полосы измерения шума.
4.25.5.5 Расчет неопределенности измерения удельной обнаружительной способности ФПУ
Источниками неопределенности измерения удельной обнаружительной способности ФПУ является погрешность измерения порогового потока ФПУ, погрешность измерения эффективной фоточувствительной площади ФЧЭ ФПУ и погрешность измерения эффективной ширины полосы измерения шума.
Относительную погрешность измерения удельной обнаружительной способности ФЧЭ (или канала ВЗН) ФПУ вычисляют по формуле

. (131)
4.25.5.6 Расчет неопределенности измерения разброса удельной обнаружительной способности ФПУ
Источниками неопределенности измерения разброса удельной обнаружительной способности ФПУ являются погрешность измерения разброса порогового потока ФПУ, погрешность измерения эффективной фоточувствительной площади ФЧЭ ФПУ и погрешность измерения эффективной ширины полосы измерения шума.
Относительную погрешность измерения разброса удельной обнаружительной способности ФЧЭ (или канала ВЗН) ФПУ вычисляют по формуле

. (132)
4.25.5.7 Погрешность определения с заданной вероятностью P = 0,95 не должна выходить за пределы интервала:
- не более +/- 30% - удельной обнаружительной способности ФЧЭ (или каналов ВЗН) ФПУ;
- не более +/- 23% - удельной обнаружительной способности ФПУ (или зоны ФПУ);
- не более +/- 15% - разброса удельной обнаружительной способности ФПУ.
4.26 Метод визуального контроля пространственного разрешения
4.26.1 Сущность метода
4.26.1.1 Метод позволяет определить, удовлетворяет ли пространственное разрешение ФПУ или зоны ФПУ требованиям (должно быть не меньше) к пространственному разрешению, указанному в ТУ, РЭ, ФО на контролируемое ФПУ.
Примечание - Данная методика может быть использована для контроля ФПУ с интегрированными БЭО, в том числе тепловизионных приборов и камер различного спектрального диапазона.
4.26.1.2 За пространственное разрешение ФПУ или зоны ФПУ принимают наибольшее число периодов (пар линий на миллиметр) изображения тест-объекта (штриховой миры) в плоскости ФЧЭ ФПУ, которое можно рассмотреть при визуализации видеопотока ФПУ на отображающем устройстве. Метод контроля - визуальный.
Примечание - Допускается указывать значение разрешения в мрад-1, если известно фокусное расстояние объектива.
Пространственное разрешение изображения тест-объекта (штриховой миры) v', 1/мм, вычисляют по формуле

, (133)
где T' - период штриховой миры в плоскости ФЧЭ ФПУ.
Примечание - Период штриховой миры включает в себя "светлую" и "темную" полосы.
4.26.2 Средства измерений и вспомогательное оборудование
4.26.2.1 Требования к СИ и вспомогательному оборудованию - по
4.1.2.
4.26.2.2 Объектив необходимо выбирать согласно требованиям, указанным в технической документации на установку, измеряемое изделие или в другом документе, регламентирующем процесс измерений. Если требования на объектив не указаны, то объектив должен удовлетворять следующим требованиям:
а) спектральный диапазон работы объектива должен включать в себя спектральный диапазон работы ФПУ;
б) пространственное разрешение объектива должна быть не хуже, чем измеряемое пространственное разрешение ФПУ. Подтверждением достаточной разрешающей способности объектива может служить успешное измерение пространственного разрешения на аналогичном ФПУ;
в) относительное отверстие объектива при работе с ФПУ с холодной диафрагмой должно быть больше относительного отверстия ФПУ.
При выборе фокусного расстояния

объектива необходимо учитывать, что от него зависит пространственное разрешение изображения тест-объекта (штриховой миры). В случае если при измерении не используется коллиматор, то расчет осуществляют по формуле

, (134)
где T - период штриховой миры, мм;

- фокусное расстояние объектива, мм;
L - расстояние от объектива до объекта, мм.
В случае если при измерении используется коллиматор, то расчет осуществляют по одной из следующих формул:

, (135)

, (136)
где T - период штриховой миры, мм;

- фокусное расстояние объектива, мм;

- фокусное расстояние коллиматора, мм;

- частота штриховой миры, мрад
-1.
4.26.2.3 Тест-объект должен представлять собой плоскую пластину, на которую нанесено три или более выреза, формирующих последовательность из параллельных полос равной толщины d, отстоящих друг от друга на то же расстояние d (T = 2·d). Интегральный коэффициент отражения тест-объекта в направлении ФПУ (в спектральном диапазоне работы ФПУ) должен быть не более 0,05. Допускается использовать тест-объект, отличающийся от описанного выше, если его использование не оказывает влияние на результаты измерений.
4.26.2.4 При проведении измерений в УФ, видимом, ближнем ИК и коротковолновом ИК диапазонах спектра необходимо нормировать освещенность, создаваемую в плоскости тест-объекта (штриховой миры).
4.26.2.5 Коллиматор, используемый при измерении, должен иметь выходную апертуру, обеспечивающую полное заполнение объектива, используемого для измерений. СКО волнового фронта в апертуре объектива должно быть менее

.
Примечание - Допускается использовать коллиматоры с СКО волнового фронта в апертуре объектива более

, если это не оказывает влияние на результаты измерений.
4.26.2.6 В качестве источника излучения рекомендуется использовать:
- для ФПУ средневолнового и длинноволнового ИК диапазона спектра протяженное АЧТ;
- для ФПУ видимого, ближнего и коротковолнового ИК диапазона спектра - лампы накаливания с диффузными рассеивателями (матовыми стеклами, фотометрическими сферами и т.д.);
- для ФПУ ультрафиолетового диапазона спектра - лампы накаливания, ксеноновые, дейтериевые лампы, светодиоды с диффузными рассеивателями (матовыми стеклами или фотометрическими сферами и т.д.).
4.26.3 Подготовка к измерениям
4.26.3.1 Измерение следует проводить на установке, структурная схема которой приведена на
рисунке 20.
1 - источник излучения; 2 - тест-объект (штриховая мира);
3 - коллиматор; 4 - объектив; 5 - испытуемый образец;
6 - БЭО испытуемого образца; 7 - видеомонитор (может
отсутствовать); 8 - ПК со специализированным ПО;
Э - светозащитный экран (при необходимости);
G - источник питания
Допускается проводить измерения без коллиматора, в этом случае расстояние от тест-объекта объектива должно быть не менее 25 фокусных расстояний используемого объектива.
4.26.3.2 При использовании коллиматора необходимо обеспечить, чтобы апертура объектива была перекрыта апертурой коллиматора полностью.
4.26.3.3 Измерительную установку следует готовить к работе в соответствии с
4.1.3.3.
4.26.4 Проведение измерений
4.26.4.1 Климатические условия проведения измерений - по
4.1.4.1.
4.26.4.3 Расположение штрихов миры ориентируют вдоль длинной стороны матрицы ФЧЭ ФПУ, если иное не указано.
4.26.4.4 Устанавливают требуемый режим работы ФПУ согласно
4.1.4.3, если иное не указано в технической документации на установку, измеряемое ФПУ или в другом документе, регламентирующем процесс измерений.
4.26.4.5 Устанавливают требуемое время накопления или заполнение ячейки накопления согласно
4.1.4.4, если иное не указано в технической документации на установку, измеряемое ФПУ или в другом документе, регламентирующем процесс измерений.
4.26.4.6 При измерении ФПУ средневолнового и длинноволнового ИК диапазона спектра устанавливают разность температур между диафрагмой и источником излучения равной 1 К, если иное не указано в документации на установку, измеряемое ФПУ или в другом документе, регламентирующего процесс измерений.
4.26.4.7 При необходимости определения температуры тест-объекта выполняют следующие операции:
- путем измерения температуры АЧТ добиваются состояния, при котором тест-объект не будет различаться;
- уменьшая температуру АЧТ определяют температуру T1, при которой тест-объект начнет различаться;
- увеличивая температуру АЧТ определяют температуру T2, при которой тест-объект начнет различаться;
- температуру тест-объекта принимают равной (T1 + T2)/2;
- в случае если тест-объект не различается при изменении температуры АЧТ более чем на +/- 5°, необходимо установить тест-объект с меньшей пространственной частотой. При установке тест-объекта должны быть приняты меры по недопущению его нагрева/охлаждения от оператора (человека).
4.26.4.8 При необходимости непосредственно перед наблюдением изображения тест-объекта проводят калибровку согласно технической документации на установку, измеряемое ФПУ или другому документу, регламентирующему процесс измерений.
4.26.4.9 Изменяя положение ФПУ относительно объектива и направление визирования объектива, добиваются максимально резкого изображения миры в центре или в требуемой зоне ФПУ. Допускается применение цифрового увеличения изображения.
4.26.4.10 С помощью видеомонитора или экрана ПК наблюдают изображение тест-объекта (штриховой миры).
4.26.5 Обработка результатов
4.26.5.1 Если в изображении тест-объекта (штриховой миры) визуально фиксируется число штрихов, соответствующее числу штрихов на тест-объекте, то считается, что пространственное разрешение ФПУ или зоны ФПУ больше или равно пространственному разрешению изображения тест-объекта (штриховой миры), т.е.
v >= v'. (137)
4.26.5.2 Достоверность полученного результата должна быть не менее 80%.
4.27 Метод определения эквивалентной шуму разности температур по изображению тест-объекта
4.27.1 Сущность метода
4.27.1.1 Метод позволяет определить эквивалентную шуму разность температур ФПУ с интегрированными БЭО, обеспечивающим формирование изображения, в том числе тепловизионных приборов по тепловизионному изображению протяженного тест-объекта в виде квадрата, занимающего не менее 1/10 от размера изображения.
4.27.1.2 Данный метод применим к изделиям, у которых устранена неравномерность чувствительности по ФЧЭ.
4.27.1.3 За ЭШРТ ФПУ принимают отношение разницы температур тест-объекта и фона к ОСШ. За сигнал принимают разницу среднего фотоотклика ФЧЭ из области, находящейся в зоне изображения тест-объекта, и среднего фотоотклика ФЧЭ из области, находящейся в зоне изображения фона. За шум принимают сумму среднего значения шума и разброса шума по заданной области изображения фона.
4.27.2 Средства измерений и вспомогательное оборудование
| | ИС МЕГАНОРМ: примечание. В официальном тексте документа, видимо, допущена опечатка: имеется в виду п. 4.1.2.5, а не 4.2.1.5. | |
4.27.2.2 В качестве источника излучения необходимо использовать излучатель в виде модели АЧТ с плоской излучающей поверхностью большого размера (протяженное АЧТ), с возможностью установки и поддержания фиксированной разницы температур

с фоном. Если АЧТ не обладает функцией выставления дифференциальной температуры, то устанавливают температуру АЧТ, равную температуре фона согласно
4.26.4.7 и увеличивают ее на заданную

.
4.27.2.3 Тест-объект должен представлять собой плоскую пластину, с вырезом в виде квадрата. Интегральный коэффициент отражения тест-объекта в направлении измеряемого изделия (в спектральном диапазоне работы) должен быть не более 0,05. Допускается использовать тест-объект, отличающийся от описанного выше, если его использование не оказывает влияние на результаты измерений.
4.27.2.4 Тест-объект должен иметь конструкцию, обеспечивающую формирование в плоскости ФЧЭ ФПУ две зоны - изображения источника излучения и фона, имеющих разницу температур

. Конструктивно источник излучения и тест-объект могут быть объединены. При установке температуры источника излучения, равной температуре фона

, яркость изображения источника и фона должны визуально совпадать.
4.27.2.5 Требования к коллиматору - согласно
4.26.2.5.
4.27.2.6 Требования к объективу - согласно
4.26.2.2. Требования к фокусному расстоянию объектива не предъявляются.
4.27.3 Подготовка к измерениям
4.27.3.1 Измерение проводят на установке согласно
4.26.3.1.
4.27.3.2 Выполняют действия по
4.1.3.3.
4.27.4 Проведение измерений
4.27.4.1 Климатические требования - по
4.1.4.1.
4.27.4.2 Устанавливают измеряемое изделие согласно
4.1.4.2.
4.27.4.3 При измерении ФПУ подготавливают его к работе согласно
4.1.4.3 и
4.1.4.4. При измерении ФПУ с интегрированными БЭО, в том числе тепловизионных приборов, устанавливают режим работы согласно РЭ, ТУ, ФО, или другому документу, регламентирующему процесс проведения измерения.
4.27.4.4 Проводят юстировку измеряемого изделия и объектива при необходимости.
4.27.4.5 Обеспечивают четкое изображение тест-объекта путем фокусировки объектива или перемещением измеряемого изделия относительно объектива.
4.27.4.6 Проводят калибровку измеряемого изделия согласно РЭ, ТУ, ФО, или другому документу, регламентирующему процесс проведения измерения. Рекомендуется проводить калибровку по матовому объекту с равномерным распределением температуры по поверхности.
4.27.4.7 Устанавливают тест-объект. Размер тест-объекта должен быть не менее 1/10 от размера изображения или не менее 50 элементов разложения (пикселей) по вертикали и горизонтали.
4.27.4.8 Устанавливают температуру поверхности АЧТ, равную

, где
Tфон - температура фона, окружающего изображение тест-объекта.
4.27.4.9 Выбрать области для измерения фотооткликов и шума. При этом зона измерения фотоотклика 1 должна находиться на изображении тест-объекта, зона измерения фотоотклика 2 должна находиться вне изображения тест-объекта, зона измерения шума должна находится вне изображения тест-объекта. Допускается совмещение зон измерения фотоотклика 2 и шума. Рекомендуется, чтобы размер каждой зоны был не менее 40 элементов разложения (пикселей) по вертикали и горизонтали. Не допускается расположение зон вблизи границ тест-объекта. Пример выбора областей для измерения фотооткликов и шума приведен на
рисунке 21.
1 - фон; 2 - изображение тест-объекта; 3 - область измерения
фотоотклика 1; 4 - область измерения шума; 5 - область
измерения фотоотклика 2
Рисунок 21 - Пример выбора областей для измерения
фотооткликов и шума
4.27.4.10 Проводят измерение среднего значения шума
NФПУ в заданной зоне в соответствии с
4.1.
4.27.4.11 Проводят измерение сигнала
SФПУ и разброса сигнала
Sразбр в соответствии с
4.2, при этом при выполнении
4.2.4.5 и
4.2.4.6 проводят измерения фотоотклика 1, при выполнении
4.2.4.3 и
4.2.4.4 проводят измерения фотоотклика 2. При выполнении
4.2.4.4,
4.2.4.6 и
4.27.4.10 используют единую последовательность кадров.
4.27.5 Обработка результатов
4.27.5.1 ЭШРТ вычисляют по формуле

(138)
где

- коэффициент пропускания объектива. При отсутствии данных о коэффициенте пропускания объектива в РЭ, ТУ, ФО или другом документе, регламентирующем процесс проведения измерения, (об отсутствии необходимости его учета) принимают равным 1.
Примечание - При проведении измерений ЭШРТ на объективах одной модели рекомендуется проведение сравнительных измерений с одним и тем же измеряемым изделием для уточнения коэффициента пропускания объектива.
4.27.5.2 Расчет неопределенности измерения ЭШРТ ФПУ при температуре фона (тест-объекта) 293 - 300 К и разности температур тест-объектом и АЧТ, равной 1 К.
На неопределенность измерения ЭШРТ ФПУ влияют погрешность измерения сигнала, шума, разброса сигнала, погрешность установки

, погрешность коэффициента излучения АЧТ, погрешность установки уровня заполнения ячеек накопления ФЧЭ ФПУ.
Относительную погрешность измерения ЭШРТ ФПУ вычисляют по формуле

, (139)
где

- относительная погрешность измерения сигнала;

- относительная погрешность измерения шума;

- относительная погрешность измерения разброса сигнала;

- абсолютная погрешность установки температуры

, °C;

- абсолютная погрешность определения уровня заполнения ячеек накопления, %; при отсутствии требований принять равной нулю.
4.27.5.3 Погрешность определения эквивалентной шуму разности температур ФПУ не должна выходить за пределы интервала +/- 30% с заданной вероятностью P = 0,95.
4.28 Метод определения времени выхода на режим и времени автономной работы фотоприемного устройства с системой дроссельного охлаждения
4.28.1 Сущность метода
Метод применяют для определения времени выхода на режим и время автономной работы ФПУ с системами дроссельного охлаждения.
4.28.2 Средства измерений и вспомогательное оборудование
4.28.2.1 Требования к СИ и вспомогательному оборудованию - по
4.1.2.1 -
4.1.2.2.
4.28.2.2 Требования к источнику излучения - по
4.1.2.4.
4.28.2.3 Требования к модулятору - по
4.1.3.2.
4.28.2.4 Требования к регистрирующему прибору - постоянная времени регистрирующих приборов

должна удовлетворять условию

, (140)
где tож - ожидаемое время выхода на режим ФПУ, с.
В качестве регистрирующего прибора рекомендуется использовать многоканальные системы автоматической регистрации данных (ПК со специализированным ПО, самописцы и т.д).
4.28.2.5 Для определения числа кадров K, необходимых для обработки результатов измерения шума, следует использовать формулу

, (141)
где tк - время записи кадра, с.
4.28.2.6 Режим системы охлаждения, рабочее напряжение ФПУ, сопротивление нагрузки следует указывать в ТУ на ФПУ конкретных типов.
4.28.2.7 Датчик моментов включения и выключения системы охлаждения должен обеспечивать надежную их фиксацию с погрешностью, которая не должна выходить за пределы интервала +/- 10%.
4.28.3 Подготовка к измерениям
4.28.3.1 Измерение ФПУ с системами дроссельного охлаждения (для холодильников открытого типа) следует проводить на установке (стенде), структурная схема которой приведена на
рисунке 22.
1 - источник излучения; 2 - модулятор; 3 - испытуемый
образец; 4 - БЭО; 5 - ПК с ПО; 6 - датчик моментов включения
и выключения системы охлаждения; 7 - система охлаждения;
G - источник питания испытуемого образца
Временем выхода на рабочий режим считается время от момента включения системы охлаждения до момента, когда напряжения (токи) шума и фотосигнала станут неизменными.
4.28.3.2 Установку (стенд) следует подготовить в соответствии с требованиями инструкции по проведению измерений и/или требованиями по подготовке приборов к измерениям, приведенными в их инструкции по эксплуатации. Установку (стенд) следует подготовить к работе в соответствии с требованиями эксплуатационной документации.
4.28.4 Проведение измерений
4.28.4.1 Климатические условия проведения измерений - по
4.1.4.1.
4.28.4.3 Измеряют напряжение (ток) шума и напряжение (ток) фотосигнала ФПУ при выключенной системе охлаждения.
4.28.4.4 Включают систему охлаждения при этом зафиксировав момент
t1 (см.
рисунок 23).
Рисунок 23 - Диаграмма напряжения (тока) шума и напряжения
(тока) фотосигнала ФПУ при выключенной системе охлаждения
4.28.4.5 Система охлаждения должна работать до тех пор, пока ФПУ не выйдет на режим, т.е. напряжения (токи) шума и фотосигнала станут неизменными (момент времени
t2). Выключают систему охлаждения, при этом зафиксировав момент
t3. Измерение напряжений (токов) шума и фотосигнала продолжают до тех пор, пока они не достигнут первоначальных значений, измеренных по
4.28.4.3 (до момента времени
t5).
4.28.5 Обработка результатов
4.28.5.1 Среднее значение напряжения (тока) шума ФПУ следует определять по диаграмме записи напряжения (тока) шума. Отдельные выбросы диаграммы записи в расчет не принимают.
4.28.5.2 По усредненным диаграммам записи напряжения (тока) шума и напряжения (тока) фотосигнала находят моменты времени (t2 и t4), при которых отношение напряжения (тока) фотосигнала к напряжению (току) шума становится равным значению K, указанному в ТУ на ФПУ конкретных типов. При отсутствии значения K принимается равным 2.
4.28.5.3 Промежуток времени с момента включения системы охлаждения до момента достижения ОСШ SФПУ/NФПУ заданного уровня считают временем выхода на режим (tвых) в секундах охлаждаемого ФПУ и вычисляют по формуле
tвых = t2 - t1, (142)
где t2 - момент выхода на режим ФПУ, с.
4.28.5.4 Промежуток времени с момента отключения системы охлаждения (t3) до момента выхода из режима охлаждаемого ФПУ, определяемого падением ОСШ SФПУ/NФПУ до уровня, указанного в ТУ на ФПУ конкретных типов, является временем автономной работы (tраб.авт), в секундах, охлаждаемого ФПУ
tраб.авт = t4 - t3, (143)
где t4 - момент выхода из режима охлаждаемого ФПУ, с.
4.28.5.5 С целью уменьшения погрешности измерений сигнала и шума, вызываемых малым числом кадров, используемых при их измерениях, допускается аппроксимация кривых, полученных при измерениях (см.
рисунок 23).
4.28.5.6 Погрешность определения времени выхода на режим и времени автономной работы охлаждаемого ФПУ не должна выходить за пределы интервала +/- 30% с заданной вероятностью P = 0,95.
4.29 Метод определения времени выхода на режим фотоприемного устройства с микрокриогенной системой
4.29.1 Сущность метода
4.29.1.1 Метод применяют для измерения времени выхода на режим ФПУ с МКС. Допускается данным методом проводить измерения мощности потребления ФПУ с интегрированными БЭО, в том числе тепловизионных приборов и камер.
4.29.1.2 За время выхода на режим принимают временной отрезок от момента подачи питания на ФПУ до выполнения одного из критериев:
- момент начала спада тока потребления МКС с характерным изменение звука;
- достигнута требуемая рабочая температура ФПУ, индицируемая показателем вольтметра, подключенного к термодатчику контроля температуры, и пересчитанная в температурное значение с помощью калибровочных таблиц;
- появление сигнала готовности ФПУ к работе;
- достижение испытуемым образцом параметров, установленных в ТУ на ФПУ конкретного типа или в ином документе, регламентирующем порядок проведения измерений.
4.29.2 Средства измерений и вспомогательное оборудование
4.29.2.1 Требования к СИ и вспомогательному оборудованию - по
4.1.2.1,
4.1.2.2.
4.29.2.2 Требования к регистрирующему прибору - контроль времени выхода на рабочий режим следует проводить секундомером или иным инструментом для измерения времени. При этом погрешность измерения регистрирующего прибора

должна удовлетворять условию

, (144)
где tож - ожидаемое время выхода на режим ФПУ, с.
4.29.3 Подготовка к измерениям
4.29.3.1 Измерение ФПУ с МКС охлаждения следует проводить на рабочем месте или установке (стенде), структурная схема которой приведена на
рисунке 24.
1 - испытуемый ФПУ; 2 - МКС; 3 - термодатчик;
4 - измерительная оснастка; 5 - вольтметр или другой
регистрирующий прибор (система); G - источник питания МКС
4.29.3.2 Временем выхода на рабочий режим считают время от момента включения питающего напряжения МКС до момента достижения требуемой рабочей температуры ФПУ, индицируемого показанием вольтметра, подключенного к термодатчику МКС.
4.29.3.3 Рабочее место следует подготовить в соответствии с требованиями инструкции по проведению измерений и/или требованиями по подготовке приборов к измерениям, приведенными в их инструкции по эксплуатации. Установку (стенд) следует подготовить к работе в соответствии с требованиями эксплуатационной документации.
4.29.4 Проведение измерений
4.29.4.1 Климатические условия проведения измерений - по
4.1.4.1.
4.29.4.3 Включают питание МКС, одновременно с этим запускают секундомер или иной инструмент для измерения времени.
4.29.4.4 Выключают секундомер (или иной прибор для измерения времени) при достижении одного из критериев, указанных в
4.29.1.2, если иное не установлено в ТУ на ФПУ конкретного типа или в другом документе, регламентирующем порядок измерения.
4.29.5 Обработка результатов
4.29.5.1 Временем выхода на режим ФПУ с МКС охлаждения является показание секундомера (или иного прибора для измерения времени).
4.29.5.2 Погрешность определения времени выхода на режим охлаждаемого ФПУ не должна выходить за пределы интервала +/- 10% с заданной вероятностью P = 0,95.
4.30 Метод определения мощности потребления микрокриогенной системы охлаждения
4.30.1 Сущность метода
4.30.1.1 Метод применяют для измерения максимальной мощности потребления МКС охлаждения ФПУ при выходе на режим и мощности потребления в стационарном режиме работы. Допускается данным методом проводить измерения мощности потребления ФПУ с интегрированными БЭО, в том числе тепловизионных приборов и камер.
4.30.1.2 Максимальную мощность, потребляемую при выходе на режим, определяют путем измерения максимального значения силы тока, потребляемого от источника питания при выходе на рабочий режим.
4.30.1.3 Мощность, потребляемую в стационарном режиме, определяют путем измерения силы тока, потребляемого в стационарном режиме.
4.30.2 Средства измерений и вспомогательное оборудование
Требования к СИ и вспомогательному оборудованию - по
4.1.2.
4.30.3 Подготовка к измерениям
4.30.3.1 Измерение максимальной мощности потребления МКС охлаждения ФПУ следует проводить на рабочем месте или установке (стенде), структурная схема которой приведена на
рисунке 25.
1 - испытуемый образец; 2 - МКС; 3 - измерительная оснастка;
4 - мультиметр; 5 - измерительная оснастка; 6 - мультиметр;
G - источник питания
4.30.3.2 Для определения потребляемой мощности в период выхода на рабочий режим и для стационарного режима подключают два мультиметра в цепь питания МКС: один последовательно для измерения тока, другой - параллельно для измерения напряжения. Для регистрации значений токов и напряжения допускается использование измерительных приборов, встроенных в источник питания.
4.30.3.3 Рабочее место следует подготовить в соответствии с требованиями инструкции по проведению измерений и/или требованиями по подготовке приборов к измерениям, приведенными в их инструкции по эксплуатации. Установку (стенд) следует подготовить к работе в соответствии с требованиями эксплуатационной документации.
4.30.4 Проведение измерений
4.30.4.1 Климатические условия проведения измерений - по
4.1.4.1.
4.30.4.2 Устанавливают на источнике питания напряжение питания МКС UМКС. Включают источник питания МКС.
4.30.4.3 Измеряют максимальное значение силы тока Iвых max в амперах во время выхода МКС на рабочий режим.
4.30.4.4 Измеряют силу тока Iстац в амперах в стационарном (устоявшемся) режиме через 30 мин после выхода МКС на рабочий режим, если иное не указано в ТУ на ФПУ конкретного типа или в другом документе, регламентирующем порядок проведения измерения.
4.30.5 Обработка результатов
4.30.5.1 Максимальную потребляемую мощность Pвых max в ваттах в период выхода на рабочий режим вычисляют по формуле
Pвых max = Iвых max·UМКС, (145)
где Iвых max - измеренное максимальное значение силы тока во время выхода МКС охлаждения ФПУ на режим, А;
UМКС - напряжение питания МКС охлаждения, В.
4.30.5.2 Потребляемую мощность в стационарном режиме в ваттах вычисляют по формуле
Pстац = Iстац·UМКС, (146)
где Iстац - измеренное значение силы тока в стационарном режиме работы МКС охлаждения ФПУ, А.
4.30.5.3 МКС является пригодной, если потребляемая мощность в стационарном режиме работы и во время выхода на режим соответствует значению, установленному в ТУ на ФПУ конкретного типа или в ином документе, регламентирующем порядок проведения измерений.
4.30.5.4 Относительная погрешность определения мощности потребления МКС охлаждения ФПУ вычисляют по формуле

, (147)
где

- относительная погрешность измерения силы тока;

- относительная погрешность измерения напряжения питания МКС охлаждения.
4.30.5.5 Погрешность определения максимальной мощности потребления МКС охлаждения ФПУ при выходе на режим и мощности потребления в стационарном режиме работы не должна выходить за пределы интервала +/- 10% с заданной вероятностью P = 0,95.
4.31 Метод определения мощности потребления
4.31.1 Сущность метода
4.31.1.1 Метод применяют для измерения мощности потребления ФПУ.
4.31.1.2 Максимальная мощность, потребляемая ФПУ, является суммой мощностей потребления по каждой из линий подачи питания.
4.31.1.3 Мощность потребления по каждой из линий подачи питания определяют путем измерения силы тока и напряжения.
Примечание - Линии подачи питания должны быть указаны в ТУ на ФПУ конкретного типа.
4.31.2 Средства измерений и вспомогательное оборудование
Требования к СИ и вспомогательному оборудованию - по
4.1.2.1,
4.1.2.2.
4.31.3 Подготовка к измерениям
4.31.3.1 Рабочее место следует подготовить в соответствии с требованиями инструкции по проведению измерений и/или требованиями по подготовке приборов к измерениям, приведенными в их инструкции по эксплуатации. Установку (стенд) следует подготовить к работе в соответствии с требованиями эксплуатационной документации.
4.31.3.2 При необходимости в разрывы цепей питания следует установить резисторы для измерения тока потребления.
4.31.3.3 При подключении линий подачи питания через БЭО следует измерить мощность потребления БЭО без подключения испытуемого образца.
4.31.4 Проведение измерений
4.31.4.1 Климатические условия проведения измерений - по
4.1.4.1.
4.31.4.2 Проводят подсоединение к линии подачи питания. Схема измерения мощности потребления для каждой линии подачи питания приведена в
4.30.3.1 со следующим дополнением: вместо МКС измеряют потребление по линии питания.
4.31.4.3 Включают испытуемый образец. При необходимости следует дождаться выхода на режим.
4.31.4.4 Последовательно измеряют средние (действующие) значения напряжения и тока потребления на линии подачи питания.
Примечание - При измерении тока через резисторы по
4.31.3.2 значение тока в линии подачи питания определяют путем деления среднего (действующего) напряжения на резисторе на сопротивления резистора.
4.31.4.5 Повторяют действия по
4.31.4.2 -
4.31.4.4 для всех линий подачи питания.
4.31.5 Обработка результатов
4.31.5.1 Максимальную потребляемую мощность ФПУ Pпотр в ваттах в период выхода на рабочий режим вычисляют по формуле

, (148)
где Ii - измеренное значение силы тока, А;
Ui - измеренное значение напряжения, В;
Pпотр.БЭО - мощность потребления БЭО согласно
4.31.3.3, Вт;
N - число линий питания.
Примечание - Допускается вычитать из значения Pпотр значение мощности, выходящей из испытуемого образца.
4.31.5.2 Относительную погрешность определения мощности потребления ФПУ вычисляют по формуле

, (149)
где

- относительная погрешность измерения силы тока на
i-й линии подачи питания;

- относительная погрешность измерения напряжения на
i-й линии подачи питания;

- относительная погрешность измерения потребления БЭО.
При использовании резисторов для измерения тока потребления относительную погрешность измерения тока потребления вычисляют по формуле

, (150)
где

- относительная погрешность сопротивления резистора, включенного в разрыв
i-й линии подачи питания;

- относительная погрешность измерения напряжения на резисторе на
i-й линии подачи питания.
4.31.5.3 Погрешность определения мощности потребления ФПУ не должна выходить за пределы интервала +/- 20% с заданной вероятностью P = 0,95.
5 Требования безопасности
5.1 Измерение фотоэлектрических параметров и определения характеристик ФПУ относят к работам по управлению электроустановками с напряжением от 36 до 1000 В. Конструкции измерительных установок должны соответствовать требованиям
ГОСТ 12.2.007.0,
ГОСТ 12.2.007.14,
ГОСТ 12.1.019,
[1],
[2].
5.3 Общие требования безопасности измерений при работе с лазерным излучением в диапазоне длин волн от 0,25 до 12,0 мкм должны соответствовать
ГОСТ Р 12.1.031 и
ГОСТ 31581.
5.4 Общие требования безопасности измерений при работе с газами высокого давления и жидкими хладагентами должны соответствовать
[3].
5.5 При работе с лазерным излучением не допускается:
- находиться посторонним лицам вблизи точки контроля.
5.6 К работе по измерению параметров и определению характеристик ФПУ допускаются операторы, прошедшие специальную подготовку и имеющие допуск к указанным работам в соответствии с требованиями
ГОСТ 12.0.004,
ГОСТ 12.3.002,
ГОСТ 12.1.038,
[1],
[2].
5.8 Посадочное место ФПУ должно быть оборудовано блокировкой, исключающей возможность прикосновения оператора к его токоведущим частям.
6 Оформление результатов измерений и определения характеристик
6.1 Результаты измерений и определения характеристик оформляют в виде протокола по форме, принятой на предприятии, проводившем измерения. Обработку и оформление результатов прямых измерений осуществляют в соответствии с
ГОСТ Р 8.736.
6.2 В протоколе указывают следующие сведения:
- полное и сокращенное наименование предприятия, проводившего измерения;
- дата проведения измерений;
- основание и цель проведения измерений;
- тип и номер основных СИ и вспомогательного оборудования;
- данные об условиях проведения измерений (параметрах окружающей среды или другие параметры, указанные в ТУ);
- идентификационные данные образцов, параметры и характеристики которых подвергались измерениям.
6.3 Результаты, полученные при измерении каждого параметра и определении каждой характеристики, регистрируют в протоколе.
6.4 В конце протокола должны быть указаны должности, фамилии, инициалы, а также должны быть подписи всех сотрудников, проводивших измерения и обработку их результатов.
(обязательное)
МЕТОД ОПРЕДЕЛЕНИЯ ПАРАМЕТРОВ БЛОКА ЭЛЕКТРОННОЙ ОБРАБОТКИ
А.1 Сущность метода
А.1.1 Данный метод позволяет определить коэффициенты преобразования каналов БЭО, среднее значение коэффициента преобразования БЭО, шум канала БЭО, среднее значение шума БЭО (далее - шум БЭО), а также устанавливает требования к БЭО по преобразованию сигналов каналами БЭО и коэффициенту межканального прохождения каналов БЭО.
А.1.2 За коэффициент преобразования канала БЭО принимают электрический сигнал в вольтах, соответствующий одному биту аналого-цифрового преобразования (АЦП) данного канала.
А.1.3 За среднее значение коэффициента преобразования принимают среднее арифметическое значений коэффициента преобразования БЭО по каналам.
А.1.4 За разброс коэффициента преобразования принимают СКО коэффициентов преобразования каналов БЭО.
А.1.5 За смещение сигнала по каналам БЭО принимают сигнал в отчетах АЦП при отсутствии входного сигнала.
А.1.6 За коэффициент межканального прохождения принимают отношение сигнала, измеренного на канале, на который сигнал не подается, к сигналу на канале, на который сигнал подается.
А.2 Средства измерений и вспомогательное оборудование
А.2.1 Требования к СИ и вспомогательному оборудованию - по
4.1.2.1.
А.2.2 Конструкция контактных устройств для подключения БЭО к измерительной цепи должна обеспечивать надежность электрического контакта без механических повреждений выводов и исключать влияние их на результаты измерений.
А.3 Подготовка к измерениям коэффициента преобразования каналов БЭО, среднего значения коэффициента преобразования БЭО
А.3.1 Измерение следует проводить на рабочем месте или измерительной установке, структурная схема которой приведена на
рисунке А.1.
1 - регулируемый источник постоянного напряжения;
2 - согласующий усилитель; 3 - вольтметр; 4 - коммутатор;
5 - БЭО; 6 - ПК; 7 - ПО
А.3.2 На схеме рабочего места или установки, приведенной на
рисунке А.1, позиции
1 и
2 могут быть объединены.
А.3.3 Рекомендуется измерения проводить на ПК с ПО (позиции
6 и
7 на
рисунке А.1) установки/стенда, в составе которого впоследствии будет работать исследуемое БЭО (позиция
5).
А.3.4 При измерении БЭО с разрядностью (или эквивалентной разрядностью) АЦП 12 бит рекомендуется использование вольтметра с погрешностью измерения напряжения, не превышающей 0,07%, для АЦП 14 бит - до 0,02%, для АЦП 16 бит - до 0,007%, для АЦП 18 бит - до 0,002%.
А.3.5 Внутреннее сопротивление коммутатора должно быть не менее чем в 10
6 раз меньше сопротивления каналов измеряемого БЭО. Если это условие не выполняется, то вольтметр при проведении измерения необходимо подключать к каждому каналу БЭО. Допускается входное сопротивление БЭО получать расчетным путем на основе анализа входных цепей БЭО.
А.3.6 Допускается проведение измерений без коммутатора, в этом случае коммутацию сигнала необходимо осуществлять вручную.
А.3.7 Устанавливают коммутатор в положение, в котором на все входы БЭО подается одинаковое напряжение.
А.3.8 Путем регулировки напряжения на входе БЭО с помощью источника постоянного напряжения обеспечивают минимальные показания по всем каналам БЭО, определяют показания по каждому каналу (
SH1,
SH2, ...,
SHN) и нижнюю границу фиксируемого напряжения
U1. За показания по каналам БЭО (здесь и далее в пунктах А.3 -
А.5 приложения) принимают среднее арифметическое значение показаний, полученных по каждому каналу по не менее чем 256 полученным значениям.
А.3.9 Путем регулировки напряжения на входе БЭО с помощью источника постоянного напряжения обеспечивают максимальные показания по всем каналам БЭО, определяют показания по каждому каналу (
SB1,
SB2, ...,
SBN) и верхнюю границу фиксируемого напряжения
U2.
А.3.10 При определении показаний по каждому каналу (SH и SB) используют не менее 256 значений измерений.
А.3.11 Отклонение показаний SH1, SH2, ..., SHN от их среднего значения не должно превышать 2 ед. счета АЦП для БЭО с разрядностью 12 бит и 5 ед. счета АЦП - для БЭО с большей разрядностью, если иные значения не указаны в документации на БЭО/стенд или в другом документе, регламентирующем требования к БЭО.
А.3.12 Отклонение показаний SB1, SB2, ..., SBN от их среднего значения не должно превышать 5 ед. счета АЦП для БЭО с разрядностью 12 бит и 20 ед. счета АЦП - для БЭО с большей разрядностью, если иные значения не указаны в документации на БЭО/стенд или в другом документе, регламентирующем требования к БЭО.
А.3.13 Проводят регулировку БЭО для обеспечения выполнения
А.3.5. Регулировку допускается проводить как путем подстройки/замены элементов БЭО, так и путем изменения настроек с помощью ПО.
А.4 Проведение измерений коэффициента преобразования каналов БЭО, среднего значения коэффициента преобразования БЭО
А.4.1 Выполняют действия по
А.3.8 и
А.3.9 и определяют границы фиксируемых напряжений
U1 и
U2.
А.4.2 Вычисляют диапазон напряжений БЭО

по формуле

. (А.1)
А.4.3 С помощью регулируемого источника постоянного напряжения последовательно устанавливают значения напряжения на входе БЭО в соответствии с рекомендациями, приведенными в
таблице А.1.
| Требуемое значение напряжения на вольтметре ( Uтреб.n) <**> |
1 | |
2 | |
|
i | |
|
10 | |
<*> Число измерений может быть увеличено или уменьшено, при этом все подаваемые напряжения должны быть в переделах граничных напряжений. <**> Погрешность установки требуемого значения напряжения не должна превышать  . В расчетах используют фактические значения напряжения, снятые с вольтметра. Округление значений напряжений допускается в пределах погрешности измерения вольтметра. |
А.4.4 Зафиксировать значения напряжений, фактически подаваемые на БЭО,
Un и показания БЭО по каждому каналу
SNi при напряжении
Ui.
А.5 Обработка результатов измерений преобразования каналов БЭО, среднего значения коэффициента преобразования БЭО
А.5.1 Вычисляют коэффициенты преобразования каналов БЭО по формуле

, (А.2)
где KN - коэффициент преобразования N канала БЭО;
Ui - подаваемое напряжение на БЭО;
SNi - показания БЭО по каналу N при напряжении Ui;
n - число значений напряжений при проведении измерений по
А.4.3,
А.4.4.
А.5.2 Вычисляют среднее значение коэффициента преобразования БЭО по формуле

, (А.3)
где M - число каналов.
А.5.3 Вычисляют разброс коэффициентов преобразования каналов БЭО по формуле

(А.4)
где M - число каналов.
А.5.4 Вычисляют коэффициент корреляции сигналов для каналов БЭО по формуле

, (А.5)
где

- среднее значение напряжений
Ui, подаваемых на каналы БЭО;

- среднее значение показаний БЭО по
N каналам.
Коэффициент корреляции каналов БЭО должен быть не менее 0,98, если иное значение не указано в документации на БЭО/стенд или в другом документе, регламентирующем требования к БЭО.
А.5.5 Относительную неопределенность измерения коэффициентов преобразования каналов БЭО вычисляют по формуле

(А.6)
где

- относительная погрешность измерения вольтметра, при условии равномерного закона распределения погрешности.
А.5.6 Относительную неопределенность измерения среднего значения коэффициента преобразования БЭО вычисляют по формуле

, (А.7)
где

- среднее значение относительной неопределенности измерения коэффициентов преобразования каналов БЭО.
А.6 Подготовка к измерениям шумов каналов БЭО, среднего значения шума БЭО, разброса шума БЭО
А.6.1 В случае использования установки выполняют подготовку к измерениям по
4.1.3.3.
А.6.2 Измерение следует проводить на рабочем месте или измерительной установке, структурная схема которой приведена на
рисунке А.2.
1 - эквивалентная нагрузка; 2 - БЭО; 3 - ПК; 4 - ПО
А.6.3 Эквивалентная нагрузка должна имитировать работу выходных каскадов подключаемых ФПУ. Допускается проведение измерений без подключения эквивалентной нагрузки.
А.7 Проведение измерений шумов каналов БЭО, среднего значения шума БЭО, разброса шума БЭО
А.7.1 Снимают не менее 1024 отклика по каждому каналу БЭО и вычисляют значение шума каналов NN БЭО по формуле

(А.8)
где SNk - k-й отсчет БЭО по каналу N;
K - число отчетов;

- среднее значение откликов БЭО по каналу
N, вычисляемое по формуле

(А.9)
Для контроля БЭО допускается проведение измерения шума БЭО в соответствии с
4.1 без подключения измеряемого ФПУ.
А.8 Обработка результатов измерений шумов каналов БЭО, среднего значения шума БЭО, разброса шума БЭО
А.8.1 Среднее значение шума БЭО вычисляют по формуле

(А.10)
где M - число каналов.
А.8.2 Разброс значений шума по каналам БЭО вычисляют по формуле

(А.11)
А.8.3 Относительную неопределенность шума БЭО по каналам вычисляют по формуле

. (А.12)
А.8.4 Относительную неопределенность среднего значения шума БЭО вычисляют по формуле

. (А.13)
А.9 Подготовка к измерениям коэффициента межканального прохождения каналов БЭО
А.9.1 Данный коэффициент нормируется для БЭО с числом аналоговых измерительных каналов более одного.
А.9.2 В случае использования установки выполняют подготовку к измерениям по
4.1.3.3.
А.9.3 Измерение следует проводить на рабочем месте или измерительной установке, структурная схема которой приведена на
рисунке А.3.
1 - генератор; 2 - согласующий усилитель; 3 - коммутатор;
4 - БЭО; 5 - ПК; 6 - ПО
А.9.4 Допускается проведение измерений без согласующего усилителя.
А.9.5 Проверяют коэффициент межканального прохождения коммутатора (при необходимости). Для этого вместо БЭО подключить измерительный прибор (рекомендуется вольтметр или осциллограф). Устанавливают коммутатор в режим подачи сигнала на 1 канал и измеряют сигналы на всех каналах. Коммутатор считают пригодным для проведения измерений коэффициента межканального прохождения каналов БЭО, если отношение сигналов с остальных каналов коммутатора к сигналу первого канала менее 2·10-4.
А.10 Проведение измерений и обработка результатов шумов каналов БЭО, среднего значения шума БЭО, разброса шума БЭО
А.10.1 Устанавливают коммутатор в режим, при котором на БЭО сигнал не подается. Снимают не менее 1024 отклика по каждому каналу БЭО и вычисляют среднее значение отклика для каждого канала S1n.
А.10.2 Устанавливают коммутатор в режим подачи сигнала на канал 1 БЭО.
А.10.3 Подают сигнал на БЭО с генератора. Частота сигнала должна отличаться от тактовой частоты выходных сигналов БЭО не более чем на +/- 20%, сигнал с генератора должен обеспечивать значение отклика с канала 1 БЭО в диапазоне от 0,2 до 0,8 от максимального для БЭО.
А.10.4 Измеряют среднее значение отклика n канала БЭО S21,n не менее чем по 1024 отклику.
А.10.5 Вычисляют сигнал n канала по формуле
S1,n = S21,n - S1n. (А.14)
А.10.6 Вычисляют отношение сигнала канала
n БЭО к значению отклика канала 1 БЭО. Данное отношение должно быть менее 10
-3, если иное не указано в документации на БЭО/стенд или в другом документе, регламентирующем требования к БЭО или проведению измерений.
А.10.7 Повторяют действия по
А.10.2 -
А.10.6 при подаче сигналов на все каналы.
А.10.8 БЭО считают пригодным для проведения измерений ФПУ, если требование, указанное в
А.10.6, выполняется для всех каналов БЭО.
(обязательное)
ЗНАЧЕНИЯ КОЭФФИЦИЕНТА ВЛИЯНИЯ СТЕПЕНИ ЧЕРНОТЫ АБСОЛЮТНО
ЧЕРНОГО ТЕЛА ПРИ РАСЧЕТЕ ПОГРЕШНОСТИ ЭКВИВАЛЕНТНОЙ ШУМУ
РАЗНОСТИ ТЕМПЕРАТУР
Значения коэффициента
kT АЧТ для ФПУ средневолнового ИК диапазона спектра при фиксированном времени накопления в зависимости от температуры окружающей среды приведены в
таблице Б.1.
Температура окружающей среды, К | Коэффициент излучения АЧТ |
1 | 0,975 | 0,950 | 0,925 | 0,900 | 0,875 | 0,850 | 0,825 | 0,800 |
288 | 0 | 0,023 | 0,046 | 0,071 | 0,098 | 0,126 | 0,155 | 0,187 | 0,220 |
289 | 0 | 0,023 | 0,047 | 0,072 | 0,099 | 0,127 | 0,157 | 0,188 | 0,222 |
290 | 0 | 0,023 | 0,047 | 0,073 | 0,100 | 0,128 | 0,158 | 0,190 | 0,224 |
291 | 0 | 0,023 | 0,048 | 0,074 | 0,101 | 0,129 | 0,160 | 0,192 | 0,226 |
292 | 0 | 0,023 | 0,048 | 0,074 | 0,102 | 0,131 | 0,162 | 0,194 | 0,229 |
293 | 0 | 0,024 | 0,049 | 0,075 | 0,103 | 0,132 | 0,163 | 0,196 | 0,231 |
294 | 0 | 0,024 | 0,049 | 0,076 | 0,104 | 0,134 | 0,165 | 0,198 | 0,234 |
295 | 0 | 0,024 | 0,050 | 0,077 | 0,105 | 0,135 | 0,167 | 0,200 | 0,236 |
296 | 0 | 0,025 | 0,050 | 0,077 | 0,106 | 0,136 | 0,169 | 0,203 | 0,239 |
297 | 0 | 0,025 | 0,051 | 0,078 | 0,107 | 0,138 | 0,170 | 0,205 | 0,242 |
298 | 0 | 0,025 | 0,051 | 0,079 | 0,109 | 0,140 | 0,172 | 0,207 | 0,244 |
299 | 0 | 0,025 | 0,052 | 0,080 | 0,110 | 0,141 | 0,174 | 0,210 | 0,247 |
300 | 0 | 0,026 | 0,053 | 0,081 | 0,111 | 0,143 | 0,176 | 0,212 | 0,250 |
301 | 0 | 0,026 | 0,053 | 0,082 | 0,112 | 0,145 | 0,179 | 0,215 | 0,253 |
302 | 0 | 0,026 | 0,054 | 0,083 | 0,114 | 0,146 | 0,181 | 0,217 | 0,256 |
303 | 0 | 0,027 | 0,055 | 0,084 | 0,115 | 0,148 | 0,183 | 0,220 | 0,259 |
Значения коэффициента
kT АЧТ для ФПУ средневолнового ИК диапазона спектра при фиксированном заполнении ячейки накопления ФЧЭ ФПУ в зависимости от температуры окружающей среды приведены в
таблице Б.2.
Температура окружающей среды, К | Коэффициент излучения АЧТ |
1 | 0,975 | 0,950 | 0,925 | 0,900 | 0,875 | 0,850 | 0,825 | 0,800 |
288 | 0 | 0,018 | 0,036 | 0,055 | 0,076 | 0,098 | 0,121 | 0,145 | 0,171 |
289 | 0 | 0,018 | 0,037 | 0,057 | 0,078 | 0,101 | 0,125 | 0,150 | 0,176 |
290 | 0 | 0,019 | 0,038 | 0,059 | 0,081 | 0,104 | 0,129 | 0,155 | 0,182 |
291 | 0 | 0,019 | 0,040 | 0,061 | 0,084 | 0,107 | 0,133 | 0,160 | 0,188 |
292 | 0 | 0,020 | 0,041 | 0,063 | 0,086 | 0,111 | 0,137 | 0,165 | 0,194 |
293 | 0 | 0,021 | 0,042 | 0,065 | 0,089 | 0,115 | 0,141 | 0,170 | 0,200 |
294 | 0 | 0,021 | 0,044 | 0,067 | 0,092 | 0,118 | 0,146 | 0,176 | 0,207 |
295 | 0 | 0,022 | 0,045 | 0,069 | 0,095 | 0,122 | 0,151 | 0,181 | 0,214 |
296 | 0 | 0,023 | 0,046 | 0,071 | 0,098 | 0,126 | 0,156 | 0,187 | 0,220 |
297 | 0 | 0,023 | 0,048 | 0,074 | 0,101 | 0,130 | 0,161 | 0,193 | 0,227 |
298 | 0 | 0,024 | 0,049 | 0,076 | 0,104 | 0,134 | 0,166 | 0,199 | 0,235 |
299 | 0 | 0,025 | 0,051 | 0,079 | 0,108 | 0,138 | 0,171 | 0,206 | 0,242 |
300 | 0 | 0,026 | 0,053 | 0,081 | 0,111 | 0,143 | 0,176 | 0,212 | 0,250 |
301 | 0 | 0,026 | 0,054 | 0,084 | 0,115 | 0,147 | 0,182 | 0,219 | 0,258 |
302 | 0 | 0,027 | 0,056 | 0,086 | 0,118 | 0,152 | 0,188 | 0,226 | 0,266 |
303 | 0 | 0,028 | 0,058 | 0,089 | 0,122 | 0,157 | 0,194 | 0,233 | 0,275 |
Значения коэффициента
kT АЧТ для ФПУ длинноволнового ИК диапазона спектра при фиксированном времени накопления в зависимости от температуры окружающей среды приведены в
таблице Б.3.
Температура окружающей среды, К | Коэффициент излучения АЧТ |
1 | 0,975 | 0,950 | 0,925 | 0,900 | 0,875 | 0,850 | 0,825 | 0,800 |
288 | 0 | 0,024 | 0,048 | 0,075 | 0,102 | 0,131 | 0,162 | 0,195 | 0,230 |
289 | 0 | 0,024 | 0,049 | 0,075 | 0,103 | 0,132 | 0,163 | 0,196 | 0,231 |
290 | 0 | 0,024 | 0,049 | 0,076 | 0,104 | 0,133 | 0,165 | 0,198 | 0,233 |
291 | 0 | 0,024 | 0,049 | 0,076 | 0,104 | 0,134 | 0,166 | 0,199 | 0,235 |
292 | 0 | 0,024 | 0,050 | 0,077 | 0,105 | 0,135 | 0,167 | 0,201 | 0,236 |
293 | 0 | 0,024 | 0,050 | 0,077 | 0,106 | 0,136 | 0,168 | 0,202 | 0,238 |
294 | 0 | 0,025 | 0,050 | 0,078 | 0,107 | 0,137 | 0,169 | 0,203 | 0,240 |
295 | 0 | 0,025 | 0,051 | 0,078 | 0,107 | 0,138 | 0,170 | 0,205 | 0,241 |
296 | 0 | 0,025 | 0,051 | 0,079 | 0,108 | 0,139 | 0,172 | 0,206 | 0,243 |
297 | 0 | 0,025 | 0,052 | 0,079 | 0,109 | 0,140 | 0,173 | 0,208 | 0,245 |
298 | 0 | 0,025 | 0,052 | 0,080 | 0,110 | 0,141 | 0,174 | 0,209 | 0,246 |
299 | 0 | 0,025 | 0,052 | 0,081 | 0,110 | 0,142 | 0,175 | 0,211 | 0,248 |
300 | 0 | 0,026 | 0,053 | 0,081 | 0,111 | 0,143 | 0,176 | 0,212 | 0,250 |
301 | 0 | 0,026 | 0,053 | 0,082 | 0,112 | 0,144 | 0,178 | 0,214 | 0,252 |
302 | 0 | 0,026 | 0,053 | 0,082 | 0,113 | 0,145 | 0,179 | 0,215 | 0,254 |
303 | 0 | 0,026 | 0,054 | 0,083 | 0,114 | 0,146 | 0,180 | 0,217 | 0,255 |
Значения коэффициента
kT АЧТ для ФПУ длинноволнового ИК диапазона спектра при фиксированном заполнении ячейки накопления ФЧЭ ФПУ в зависимости от температуры окружающей среды приведены в
таблице Б.4.
Температура окружающей среды, К | Коэффициент излучения АЧТ |
1 | 0,975 | 0,950 | 0,925 | 0,900 | 0,875 | 0,850 | 0,825 | 0,800 |
288 | 0 | 0,021 | 0,042 | 0,065 | 0,089 | 0,115 | 0,141 | 0,170 | 0,200 |
289 | 0 | 0,021 | 0,043 | 0,066 | 0,091 | 0,117 | 0,144 | 0,173 | 0,204 |
290 | 0 | 0,021 | 0,044 | 0,068 | 0,093 | 0,119 | 0,147 | 0,177 | 0,208 |
291 | 0 | 0,022 | 0,045 | 0,069 | 0,094 | 0,121 | 0,150 | 0,180 | 0,212 |
292 | 0 | 0,022 | 0,046 | 0,070 | 0,096 | 0,124 | 0,153 | 0,183 | 0,216 |
293 | 0 | 0,023 | 0,046 | 0,071 | 0,098 | 0,126 | 0,155 | 0,187 | 0,220 |
294 | 0 | 0,023 | 0,047 | 0,073 | 0,100 | 0,128 | 0,158 | 0,190 | 0,224 |
295 | 0 | 0,023 | 0,048 | 0,074 | 0,102 | 0,131 | 0,161 | 0,194 | 0,228 |
296 | 0 | 0,024 | 0,049 | 0,075 | 0,103 | 0,133 | 0,164 | 0,197 | 0,233 |
297 | 0 | 0,024 | 0,050 | 0,077 | 0,105 | 0,135 | 0,167 | 0,201 | 0,237 |
298 | 0 | 0,025 | 0,051 | 0,078 | 0,107 | 0,138 | 0,170 | 0,205 | 0,241 |
299 | 0 | 0,025 | 0,052 | 0,080 | 0,109 | 0,140 | 0,173 | 0,208 | 0,246 |
300 | 0 | 0,026 | 0,053 | 0,081 | 0,111 | 0,143 | 0,176 | 0,212 | 0,250 |
301 | 0 | 0,026 | 0,054 | 0,083 | 0,113 | 0,145 | 0,180 | 0,216 | 0,254 |
302 | 0 | 0,027 | 0,055 | 0,084 | 0,115 | 0,148 | 0,183 | 0,220 | 0,259 |
303 | 0 | 0,027 | 0,055 | 0,085 | 0,117 | 0,151 | 0,186 | 0,224 | 0,264 |
При отсутствии в
таблицах Б.1 -
Б.4 необходимых значений температуры и коэффициента излучения следует принимать ближайшие значения к требуемым.
(обязательное)
МЕТОД ИЗМЕРЕНИЯ ПЯТНА РАССЕЯНИЯ ОПТИЧЕСКИХ ЗОНДОВ
В.1 Сущность метода
В.1.1 Метод предназначен для измерения распределения энергии в пятне рассеяния оптических зондов. Пятно рассеяния оптического зонда - пространственное распределение освещенности в изображении объекта конечного размера, построенного объективом, т.е. зависимость относительной освещенности (отн. ед.) от линейных координат (мкм).
В.2 Средства измерений и вспомогательное оборудование
В.2.1 Требования к СИ и вспомогательному оборудованию - по
4.1.2.1 -
4.1.2.3.
В.2.2 Измерения следует проводить в соответствии с требованиями
ГОСТ Р 58566 с дополнениями, указанными в настоящем приложении.
В.2.3 Требования к источнику излучения - по ГОСТ Р 58566-2019
(подраздел 5.4). Стабильность источников излучения не должна превышать 2% в течение двух-трех времен измерения.
В.2.5 Требования к проекционному объективу согласно ГОСТ Р 58566-2019
(подраздел 5.13) с уточнениями, приведенными в данном приложении. Рекомендуемое значение остаточных аберраций проекционного объектива должно быть менее

в апертурном угле контролируемого объектива. Допускается большее значение остаточных аберраций, если это не оказывает существенного влияния на результаты измерений.
В.2.6 Увеличение проекционного объектива надо выбирать из следующего условия: на центральную часть пятна рассеяния по уровню концентрации энергии 80% должно приходиться не менее 15 пикселей. При определении увеличения допускается использование расчетных данных о концентрации энергии в пятне рассеяния.
В.2.8 Элементы измерительной установки или рабочего места, предназначенные для приема и обработки сигнала (позиции
6,
8 и
9 на
рисунке В.1), должны обеспечивать регистрацию измеряемого пятна рассеяния в динамическом диапазоне не менее 83 дБ.
В.2.9 Коэффициент ФЭС ФПУ, используемого в измерительной установке или на рабочем месте, с учетом обработки сигналов в БЭО и ПЭВМ не должен превышать 16%.
В.2.10 Неравномерность распределения чувствительности по ФЧЭ ФПУ не нормируется.
В.2.11 Нелинейность энергетической характеристики чувствительности измерительной установки не должна превышать 5%.
В.2.12 Для построения функции распределения энергии в пятне рассеяния на основе полученных сигналов следует использовать следующие алгоритмы интерполяции: бикубическая интерполяция или ординарный кригинг. Допускается реализация указанных выше алгоритмов на основе нейросетей.
В.3 Подготовка к измерениям
В.3.1 В случае использования установки выполняют подготовку к измерениям по
4.1.3.3.
В.3.2 Измерение следует проводить на рабочем месте или измерительной установке, функциональная схема которой приведена на
рисунке В.1.
1 - источник излучения; 2 - модулятор/заслонка;
3 - конденсор; 4 - измеряемый оптический зонд с диафрагмой;
5 - проекционный объектив; 6 - матричное ФПУ;
7 - координатный стол; 8 - БЭО; 9 - ПК со специализированным
ПО
В.4 Проведение измерений
В.4.1 Подготавливают установку/рабочее место в соответствии с инструкцией по эксплуатации.
В.4.2 Устанавливают тест-объект в виде двух отверстий с известным расстоянием между их центрами. Проводят калибровку системы для определения коэффициента соответствия между линейной величиной и числом шагов ФЧЭ, на которые приходится эта линейная величина (при необходимости). Коэффициент соответствия Kсоотв вычисляют по формуле

, (В.1)
где lпикс - расстояние между "центрами тяжести" изображений тест-объекта в пикселях ФПУ;
lмкм - расстояние между центрами отверстий тест-объекта, мкм.
Погрешность измерения коэффициента соответствия не должна превышать 2%. Допускается применение тест-объектов другой формы, если при этом выполняются требования к погрешности измерения коэффициента соответствия.
В.4.3 Устанавливают измеряемый оптический зонд и проводят измерение распределения энергии в пятне рассеяния в различных положениях плоскости изображения.
В.4.4 Рекомендуется при контроле оптических зондов УФ, видимого и коротковолнового ИК диапазонов спектра формировать изображение из последовательности кадров, снятых при разной экспозиции, для обеспечения указанного динамического диапазона в
В.2.8, а при контроле оптических зондов средневолнового или длинноволнового ИК диапазона рекомендуется получать требуемый динамический диапазон за счет накопления кадров, при этом дрейф ФПУ минимизировать за счет использования модулятора. В видимом диапазоне допускается не использовать модулятор.
В.4.5 За пятно рассеяния исследуемого объектива принять получаемое пятно наименьшего размера.
В.4.6 Пятно рассеяния сохранить в виде массива размером не менее 32x32 ФЧЭ, с указанием данных о коэффициенте соответствия.
В.5 Обработка результатов
В.5.1 При выполнении требований данного раздела погрешность измерения распределения энергии в пятне рассеяния оптических зондов не превысит значений, представленных в
таблице В.1.
Таблица В.1
Относительная погрешность измерения диаметра пятна рассеяния
с заданной концентрацией энергии
Концентрация энергии, % | Размер пятна рассеяния, пикс |
12 | 14 | 16 | 18 | 20 | 22 |
Динамический диапазон 72 дБ |
25 | 0,99 | 0,38 | 0,05 | 0,19 | 0,27 | 0,32 |
50 | 0,71 | 0,08 | 0,25 | 0,49 | 0,55 | 0,58 |
70 | 0,09 | 0,74 | 1,05 | 1,27 | 1,27 | 1,24 |
75 | 0,72 | 1,36 | 1,65 | 1,86 | 1,81 | 1,74 |
80 | 2,39 | 3,01 | 3,22 | 3,39 | 3,22 | 3,05 |
85 | 30,39 | 30,58 | 30,24 | 30,01 | 28,98 | 27,81 |
90 | 11,34 | 10,67 | 9,92 | 9,45 | 8,58 | 7,79 |
95 | 31,00 | 30,05 | 28,74 | 28,07 | 26,68 | 25,06 |
Динамический диапазон 85 дБ |
25 | 1,90 | 1,29 | 0,96 | 0,71 | 0,57 | 0,47 |
50 | 1,87 | 1,24 | 0,91 | 0,67 | 0,53 | 0,44 |
70 | 1,67 | 1,02 | 0,72 | 0,49 | 0,37 | 0,31 |
75 | 1,45 | 0,80 | 0,54 | 0,32 | 0,23 | 0,19 |
80 | 0,73 | 0,11 | 0,04 | 0,20 | 0,21 | 0,17 |
85 | 18,67 | 13,72 | 9,02 | 7,02 | 5,45 | 4,26 |
90 | 5,83 | 5,16 | 4,29 | 3,76 | 3,19 | 2,64 |
95 | 21,59 | 12,94 | 8,98 | 7,48 | 6,04 | 4,84 |
В.5.2 Относительные погрешности определения ЧКХ приведены в
таблицах В.2 и
В.3.
Таблица В.2
Относительная погрешность измерения ЧКХ для динамического
диапазона 72 дБ
Относительная частота | Отношение диаметра диафрагмы к диаметру пятна рассеяния |
1/6 | 1/2 | 3/2 |
| Относительная погрешность | | Относительная погрешность | | Относительная погрешность |
Пятно рассеяния на 12 пикс |
0 | 1 | - | 1 | - | 1 | - |
0,082 | 0,926 | 0,013 | 0,924 | 0,008 | 0,853 | 0,001 |
0,164 | 0,816 | 0,009 | 0,792 | 0,003 | 0,537 | 0,004 |
0,246 | 0,709 | 0,001 | 0,647 | 0,003 | 0,217 | 0,010 |
0,328 | 0,600 | 0,008 | 0,498 | 0,013 | 0,005 | 0,053 |
0,410 | 0,496 | 0,021 | 0,359 | 0,025 | 0,069 | 0,036 |
0,492 | 0,396 | 0,036 | 0,238 | 0,042 | 0,052 | 0,045 |
0,574 | 0,303 | 0,055 | 0,142 | 0,058 | 0,011 | 0,086 |
0,656 | 0,219 | 0,077 | 0,072 | 0,085 | 0,011 | 0,111 |
0,738 | 0,146 | 0,101 | 0,028 | 0,086 | 0,010 | 0,092 |
0,820 | 0,084 | 0,133 | 0,005 | 0,199 | 0,002 | 0,231 |
0,902 | 0,036 | 0,163 | 0,002 | 0,412 | 0,001 | 0,448 |
0,984 | 0,006 | 0,166 | 0,001 | 0,403 | 0,001 | 0,268 |
1 | 0 | - | 0 | - | 0 | - |
Пятно рассеяния на 16 пикс |
0 | 1 | - | 1 | - | 1 | - |
0,109 | 0,900 | 0,008 | 0,891 | 0,006 | 0,762 | 0,001 |
0,219 | 0,751 | 0,003 | 0,701 | 0,001 | 0,316 | 0,005 |
0,328 | 0,607 | 0,002 | 0,503 | 0,005 | 0,006 | 0,038 |
0,437 | 0,466 | 0,013 | 0,319 | 0,017 | 0,070 | 0,016 |
0,546 | 0,337 | 0,023 | 0,173 | 0,026 | 0,024 | 0,048 |
0,656 | 0,221 | 0,044 | 0,073 | 0,050 | 0,011 | 0,084 |
0,765 | 0,125 | 0,054 | 0,018 | 0,049 | 0,008 | 0,026 |
0,874 | 0,051 | 0,093 | 0,001 | 0,251 | 0,001 | 0,342 |
0,984 | 0,006 | 0,022 | 0,001 | 1,239 | 0,001 | 0,393 |
1 | 0 | - | 0 | - | 0 | - |
Пятно рассеяния на 22 пикс |
0 | 1 | - | 1 | - | 1 | - |
0,150 | 0,860 | 0,005 | 0,835 | 0,004 | 0,604 | 0,001 |
0,301 | 0,650 | 0,001 | 0,557 | 0,003 | 0,060 | 0,016 |
0,451 | 0,458 | 0,005 | 0,302 | 0,006 | 0,068 | 0,021 |
0,601 | 0,280 | 0,020 | 0,118 | 0,024 | 0,001 | 0,303 |
0,751 | 0,139 | 0,024 | 0,023 | 0,001 | 0,009 | 0,036 |
0,902 | 0,036 | 0,067 | 0,002 | 0,258 | 0,001 | 0,351 |
1 | 0 | - | 0 | - | 0 | - |
<*> Максимально возможное значение ЧКХ (теоретический предел). |
Таблица В.3
Относительная погрешность измерения ЧКХ для динамического
диапазона 85 дБ
Относительная частота | Отношение диаметра диафрагмы к диаметру пятна рассеяния |
1/6 | 1/2 | 3/2 |
| Относительная погрешность | | Относительная погрешность | | Относительная погрешность |
Пятно рассеяния на 12 пикс |
0 | 1 | - | 1 | - | 1 | - |
0,082 | 0,926 | 0,003 | 0,924 | 0,002 | 0,853 | 0,001 |
0,164 | 0,816 | 0,002 | 0,792 | 0,003 | 0,537 | 0,005 |
0,246 | 0,709 | 0,008 | 0,647 | 0,009 | 0,217 | 0,011 |
0,328 | 0,600 | 0,019 | 0,498 | 0,020 | 0,005 | 0,066 |
0,410 | 0,496 | 0,031 | 0,359 | 0,031 | 0,069 | 0,038 |
0,492 | 0,396 | 0,048 | 0,238 | 0,049 | 0,052 | 0,046 |
0,574 | 0,303 | 0,064 | 0,142 | 0,064 | 0,011 | 0,089 |
0,656 | 0,219 | 0,089 | 0,072 | 0,093 | 0,011 | 0,113 |
0,738 | 0,145 | 0,110 | 0,028 | 0,097 | 0,010 | 0,095 |
0,820 | 0,084 | 0,146 | 0,005 | 0,232 | 0,002 | 0,247 |
0,902 | 0,036 | 0,162 | 0,002 | 0,423 | 0,001 | 0,503 |
0,984 | 0,006 | 0,262 | 0,001 | 0,095 | 0,001 | 0,291 |
1 | 0 | - | 0 | - | 0 | - |
Пятно рассеяния на 16 пикс |
0 | 1 | - | 1 | - | 1 | - |
0,109 | 0,900 | 0,003 | 0,891 | 0,001 | 0,762 | 0,001 |
0,219 | 0,751 | 0,003 | 0,701 | 0,004 | 0,316 | 0,006 |
0,328 | 0,607 | 0,008 | 0,503 | 0,009 | 0,006 | 0,040 |
0,437 | 0,466 | 0,020 | 0,319 | 0,022 | 0,070 | 0,017 |
0,546 | 0,337 | 0,029 | 0,173 | 0,030 | 0,024 | 0,048 |
0,656 | 0,221 | 0,051 | 0,073 | 0,056 | 0,011 | 0,082 |
0,765 | 0,125 | 0,059 | 0,018 | 0,040 | 0,008 | 0,027 |
0,874 | 0,051 | 0,105 | 0,001 | 0,296 | 0,001 | 0,341 |
0,984 | 0,006 | 0,004 | 0,001 | 1,402 | 0,001 | 11,460 |
1 | 0 | - | 0 | - | 0 | - |
Пятно рассеяния на 22 пикс |
0 | 1 | - | 1 | - | 1 | - |
0,150 | 0,860 | 0,002 | 0,835 | 0,002 | 0,604 | 0,001 |
0,301 | 0,650 | 0,004 | 0,557 | 0,005 | 0,060 | 0,017 |
0,451 | 0,458 | 0,008 | 0,302 | 0,008 | 0,068 | 0,021 |
0,601 | 0,280 | 0,023 | 0,118 | 0,027 | 0,001 | 0,301 |
0,751 | 0,139 | 0,026 | 0,023 | 0,001 | 0,009 | 0,036 |
0,902 | 0,036 | 0,072 | 0,002 | 0,261 | 0,001 | 0,349 |
1 | 0 | - | 0 | - | 0 | - |
<*> Максимально возможное значение ЧКХ (теоретический предел). |
(обязательное)
ЗНАЧЕНИЯ ОТНОСИТЕЛЬНОЙ ПОГРЕШНОСТИ ИЗМЕРЕНИЯ ЭФФЕКТИВНОЙ
ФОТОЭЛЕКТРИЧЕСКОЙ ПЛОЩАДИ ФОТОЧУВСТВИТЕЛЬНОГО ЭЛЕМЕНТА
И КОЭФФИЦИЕНТА ФОТОЭЛЕКТРИЧЕСКОЙ СВЯЗИ
Таблица Г.1
Погрешность измерения при коэффициенте экранирования

Скорость падения чувствительности ФЧЭ | Отношение диаметра диафрагмы к ФРТ |
0,05 | 0,5 | 1,0 | 1,5 | 2,0 |
ОСШ = 250 |
1,0 | 0,006 | 0,005 | 0,011 | 0,182 | 0,095 |
2,0 | 0,035 | 0,074 | 0,056 | 0,107 | 0,009 |
3,0 | 0,007 | 0,046 | 0,147 | 0,170 | 0,158 |
4,0 | 0,038 | 0,038 | 0,143 | 0,186 | 0,188 |
ОСШ = 1000 |
1,0 | 0,006 | 0,007 | 0,005 | 0,012 | 0,005 |
2,0 | 0,007 | 0,016 | 0,023 | 0,094 | 0,067 |
3,0 | 0,027 | 0,008 | 0,022 | 0,072 | 0,002 |
4,0 | 0,062 | 0,020 | 0,046 | 0,039 | 0,006 |
ОСШ = 2500 |
1,0 | 0,002 | 0,006 | 0,005 | 0,007 | 0,006 |
2,0 | 0,005 | 0,018 | 0,008 | 0,038 | 0,040 |
3,0 | 0,034 | 0,017 | 0,022 | 0,019 | 0,037 |
4,0 | 0,055 | 0,042 | 0,030 | 0,029 | 0,036 |
Таблица Г.2
Погрешность измерения при коэффициенте экранирования

Скорость падения чувствительности ФЧЭ | Отношение диаметра диафрагмы к ФРТ |
0,05 | 0,5 | 1,0 | 1,5 | 2,0 |
ОСШ = 250 |
1,0 | 0,005 | 0,013 | 0,004 | 0,172 | 0,209 |
2,0 | 0,018 | 0,042 | 0,091 | 0,092 | 0,013 |
3,0 | 0,017 | 0,033 | 0,124 | 0,133 | 0,177 |
4,0 | 0,053 | 0,039 | 0,105 | 0,208 | 0,184 |
ОСШ = 1000 |
1,0 | 0,006 | 0,006 | 0,005 | 0,011 | 0,007 |
2,0 | 0,003 | 0,017 | 0,013 | 0,092 | 0,055 |
3,0 | 0,033 | 0,013 | 0,017 | 0,046 | 0,014 |
4,0 | 0,061 | 0,012 | 0,024 | 0,039 | 0,006 |
ОСШ = 2500 |
1,0 | 0,001 | 0,005 | 0,006 | 0,007 | 0,008 |
2,0 | 0,005 | 0,009 | 0,007 | 0,037 | 0,040 |
3,0 | 0,039 | 0,017 | 0,040 | 0,017 | 0,036 |
4,0 | 0,046 | 0,053 | 0,054 | 0,046 | 0,061 |
Таблица Г.3
Погрешность измерения при коэффициенте экранирования

Скорость падения чувствительности ФЧЭ | Отношение диаметра диафрагмы к ФРТ |
0,05 | 0,5 | 1,0 | 1,5 | 2,0 |
ОСШ = 250 |
1,0 | 0,004 | 0,010 | 0,014 | 0,172 | 0,295 |
2,0 | 0,022 | 0,058 | 0,054 | 0,160 | 0,031 |
3,0 | 0,032 | 0,039 | 0,088 | 0,181 | 0,085 |
4,0 | 0,066 | 0,021 | 0,070 | 0,111 | 0,092 |
ОСШ = 1000 |
1,0 | 0,006 | 0,006 | 0,005 | 0,007 | 0,027 |
2,0 | 0,005 | 0,014 | 0,028 | 0,098 | 0,087 |
3,0 | 0,033 | 0,023 | 0,018 | 0,056 | 0,034 |
4,0 | 0,034 | 0,042 | 0,035 | 0,057 | 0,021 |
ОСШ = 2500 |
1,0 | 0,001 | 0,006 | 0,006 | 0,011 | 0,035 |
2,0 | 0,007 | 0,003 | 0,005 | 0,036 | 0,036 |
3,0 | 0,032 | 0,028 | 0,019 | 0,048 | 0,039 |
4,0 | 0,021 | 0,051 | 0,066 | 0,064 | 0,062 |
(обязательное)
МЕТОД РАСЧЕТА ЗНАЧЕНИЙ ПОТОКА ИЗЛУЧЕНИЯ
Д.1 Сущность метода
Д.1.1 Метод применяют для расчета значений потока излучения (в том числе значения погрешностей) для источников излучения в виде ламп накаливания, высокотемпературных АЧТ, протяженных АЧТ и светодиодных источников.
Д.2 Средства измерений и вспомогательное оборудование
Д.2.1 Требования к СИ и вспомогательному оборудованию - по
4.1.2.1.
Д.2.2 Используемые контрольные ФП и ФПУ должны иметь сертификаты калибровки абсолютной спектральной характеристики чувствительности. Калибровка должна проводиться метрологическими службами юридических лиц, аккредитованными на право проведения калибровочных работ в соответствии с действующим законодательством.
Д.2.3 Требования к протяженному АЧТ - согласно
приложению Е.
Д.3 Подготовка к измерению потока излучения, создаваемого лампами накаливания
Д.3.1 Подготавливают измерительные приборы и вспомогательное оборудование в соответствии с РЭ, ФО или другими документами, регламентирующими процесс проведения измерений.
Д.3.2 При использовании оптических систем и ослабителей устанавливают их по ходу распространения излучения в соответствии со схемой измерительной установки.
Д.3.3 Следует убедиться, что размер измерительного датчика люксметра меньше размера светового пучка измеряемого потока излучения.
Д.4 Проведение измерения потока излучения, создаваемого лампами накаливания
Д.4.1 Устанавливают измерительный датчик люксметра в плоскость расположения ФЧЭ ФПУ.
Д.4.2 Измеряют освещенность в плоскости ФЧЭ ФПУ от лампы накаливания.
Д.4.3 Измеряют расстояние от лампы накаливания до плоскости расположения измерительного датчика люксметра.
Д.5 Обработка результатов измерения потока излучения, создаваемого лампами накаливания
Д.5.1 Поток излучения (P) в люменах, падающий на все ФЧЭ ФПУ, вычисляют по формуле
P = E·Aэфф, (Д.1)
где Aэфф - эффективная фоточувствительная площадь ФЧЭ ФПУ, м2.
Примечание - Допускается вместо эффективной фоточувствительной площади ФЧЭ ФПУ использовать площадь элемента из технической документации на измеряемое изделие (тут и далее в приложении);
E - освещенность в люксах, измеренная люксметром или вычисленная по формуле

, (Д.2)
где I - сила света, кд;
l - расстояние между центром тела накала источника излучения и плоскостью ФЧЭ ФПУ, м.
Д.5.2 Относительную погрешность

потока излучения вычисляют по формуле

, (Д.3)
где

- относительная погрешность рассогласования положения измерительного датчика люксметра и плоскостью ФЧЭ ФПУ;

- относительная погрешность измерения освещенности люксметром;

- относительная погрешность измерения эффективной фоточувствительной площади ФЧЭ ФПУ; при использовании площади элемента из технической документации на измеряемое изделие принимают равной нулю.
При использовании для расчета освещенности
формулы (Д.2) относительную погрешность

потока излучения вычисляют по формуле

, (Д.4)
где

- относительная погрешность измерения расстояния от источника излучения до ФЧЭ ФПУ;

- относительная погрешность силы света;

- относительная погрешность измерения эффективной фоточувствительной площади ФЧЭ ФПУ.
Д.5.3 Неопределенность потока излучения

, вызванная неравномерностью освещенности фоточувствительной области, вычисляют по формуле

, (Д.5)
где

- относительное значение неравномерности освещенности по поверхности ФЧЭ.
Д.6 Подготовка к измерению потока излучения, создаваемого высокотемпературным АЧТ
Д.6.1 Схема формирования потока излучения, создаваемого высокотемпературным АЧТ, приведена на
рисунке Д.1.
1 - АЧТ; 2 - плоскость ФЧЭ
Рисунок Д.1 - Схема формирования потока излучения,
создаваемого высокотемпературным АЧТ
Д.6.2 Подготавливают измерительные приборы и вспомогательное оборудование в соответствии с РЭ, ФО или другими документами, регламентирующими процесс проведения измерений.
Д.7 Проведение измерения потока излучения, создаваемого высокотемпературным АЧТ
Д.7.1 Измеряют температуру излучающей полости АЧТ (при необходимости) и размер диафрагмы.
Д.8 Обработка результатов измерения потока излучения, создаваемого высокотемпературным АЧТ
Д.8.1 Поток излучения (P) в ваттах, падающий на все ФЧЭ ФПУ, вычисляют по формуле

, (Д.6)
где

- постоянная Стефана Больцмана, равная 5,670·10
-8 Вт/(м
2·К
4);

,

- коэффициент излучения полости АЧТ и заслонки (диска модулятора) соответственно, отн. ед.;

,

- коэффициент использования излучения АЧТ и заслонки (диска модулятора) соответственно, отн. ед.;
T1, T0 - температура полости черного тела и заслонки (диска модулятора) соответственно, К;
F - площадь отверстия диафрагмы черного тела, м2;
l - расстояние между диафрагмой черного тела и плоскостью ФЧЭ ФПУ, м.
Aэфф - эффективная фоточувствительная площадь ФЧЭ ФПУ, м2.
При использовании модуляторов учитывают их влияние на поток излучения согласно ГОСТ Р 59607-2021
(приложение Б).
В случае измерения ФПУ, работающего в видимом, ближнем и коротковолновом ИК диапазонах (0,4 - 2 мкм) при температуре заслонки (диска модулятора) равной 15 °C - 35 °C допускается упрощение формулы

. (Д.7)
Д.8.2 Относительную погрешность

потока излучения, рассчитанную по
формуле (Д.7), вычисляют по формуле

, (Д.8)
где

- относительная погрешность измерения расстояния от источника излучения до ФЧЭ ФПУ;

- относительная погрешность измерения отверстия диафрагмы черного тела;

- относительная погрешность измерения эффективной фоточувствительной площади ФЧЭ ФПУ; при использовании площади элемента из технической документации на измеряемое изделие принимают равной нулю;

- относительная погрешность измерения коэффициента излучения поверхности АЧТ, согласно технической документации; при отсутствии данных на изделие принять равной нулю;

- относительная погрешность измерения коэффициента использования излучения АЧТ. Значения коэффициента зависят от условий измерения спектральной характеристики и приведены в
приложении Ж;
k1 - коэффициент, учитывающий абсолютную погрешности установки температуры АЧТ; принимают равным 0,035 для температуры 500 К, 0,013 для температуры 800 К и 0,01 для температуры 1000 К.

- абсолютная погрешность установки температуры полости АЧТ (не более +/- 5 °C).
Д.8.3 Неопределенность потока излучения

, вызванная неравномерностью освещенности фоточувствительной области, вычисляют по формуле

, (Д.9)
где

- относительное значение неравномерности освещенности по поверхности ФЧЭ.
Д.9 Подготовка к измерению потока излучения, создаваемого протяженным АЧТ, при измерении ФПУ с холодной диафрагмой круглой формы
Д.9.1 Схема формирования потока излучения, создаваемого протяженным АЧТ, приведена на
рисунке Д.2.
1 - излучающая поверхность АЧТ; 2 - входное окно ФПУ;
3 - плоскость ФЧЭ
Рисунок Д.2 - Схема формирования потока излучения,
создаваемого протяженным АЧТ
Д.9.2 Подготавливают СИ и вспомогательное оборудование в соответствии с РЭ, ФО или другими документами, регламентирующими процесс проведения измерений.
Д.10 Проведение измерения потока излучения, создаваемого протяженным АЧТ, при измерении ФПУ с холодной диафрагмой круглой формы
Д.10.1 Измеряют температуру излучающей полости АЧТ (при необходимости).
Д.11 Обработка результатов измерения потока излучения, создаваемого протяженным АЧТ, при измерении ФПУ с холодной диафрагмой круглой формы
Д.11.1 Поток излучения (P0) в ваттах, падающий на центр ФЧЭ ФПУ, вычисляют по формуле

, (Д.10)
где

- постоянная Стефана Больцмана, равная 5,670·10
-8 Вт/(м
2·К
4);

- коэффициент излучения поверхности АЧТ, отн. ед.;

,

- коэффициент использования излучения АЧТ для температур

и
T0;
T0 - температура излучающей поверхности АЧТ при проведении измерений, К. Рекомендуется использовать T0 = 300 К;

- разница температур излучающей поверхности АЧТ при проведении измерений, К. Рекомендуется использовать разницу температур

;
Aэфф - эффективная фоточувствительная площадь ФЧЭ ФПУ, м2;
Dх.д - диаметр отверстия холодной диафрагмы ФПУ, м2;
l - расстояние между холодной диафрагмой и плоскостью ФЧЭ ФПУ, м.
Д.11.2 Поток излучения (Pi,j) в ваттах, падающий на каждый ФЧЭ ФПУ, вычисляют по формуле

, (Д.11)
где

- угол между прямой, направленной из центра холодной диафрагмы ФПУ к
i,
j ФЧЭ и нормалью к поверхности ФПУ из центра холодной диафрагмы (см.
рисунок Д.3).
1 - входное окно; 2 - отверстие холодной диафрагмы
Рисунок Д.3 - Схема измерения потока излучения, создаваемого
протяженным АЧТ, при измерении ФПУ с холодной диафрагмой
круглой формы
Для каждого
i,
j ФЧЭ ФПУ значение

вычисляют по формуле

, (Д.12)
где xi,j, yi,j - координаты i,j ФЧЭ ФПУ, м.
Д.11.3 Относительную погрешность

потока излучения, рассчитанную по
формуле (Д.7), вычисляют по формуле

, (Д.13)
где

- относительная погрешность измерения расстояния между холодной диафрагмой и плоскостью ФЧЭ ФПУ;

- относительная погрешность измерения диаметра отверстия холодной диафрагмы ФПУ, м
2;

- относительная погрешность измерения эффективной фоточувствительной площади ФЧЭ ФПУ; при использовании площади элемента из технической документации на измеряемое изделие принимают равной нулю;

- относительная погрешность измерения коэффициента излучения поверхности АЧТ, согласно технической документации; при отсутствии данных на изделие принимают равной нулю;

- относительная погрешность измерения коэффициентов использования излучения АЧТ; значения коэффициента зависят от условий измерения спектральной характеристики и приведены в
приложении Ж;
k2 - коэффициент, зависящий от спектрального диапазона ФПУ; для ФПУ средневолнового ИК диапазона спектра принимают равным 0,03, для ФПУ длинноволнового ИК диапазона принимают равным 0,01;

- абсолютная погрешность установки температуры излучающей поверхности АЧТ (не более +/- 2 °C);

- относительная погрешность установки разницы температур излучающей поверхности АЧТ.
Д.11.4 Неопределенность потока излучения

, вызванная неравномерностью освещенности фоточувствительной области, вычисляют по формуле

, (Д.14)
где

- относительное значение неравномерности освещенности по поверхности ФЧЭ, равное:
- 0,01 при соотношении расстояния от диафрагмы до плоскости ФЧЭ ФПУ к диагонали матрицы более 2;
- 0,02 при соотношении расстояния от диафрагмы до плоскости ФЧЭ ФПУ к диагонали матрицы 1,4 - 2;
- 0,05 при соотношении расстояния от диафрагмы до плоскости ФЧЭ ФПУ к диагонали матрицы 1 - 1,4;
- 0,1 при соотношении расстояния от диафрагмы до плоскости ФЧЭ ФПУ к диагонали матрицы 0,8 - 1;
- 0,15 при соотношении расстояния от диафрагмы до плоскости ФЧЭ ФПУ к диагонали матрицы 0,65 - 0,8.
Д.12 Подготовка к измерению потока излучения, создаваемого светодиодным источником
Д.12.1 Подготавливают измерительные приборы и вспомогательное оборудование в соответствии с РЭ, ФО или другими документами, регламентирующими процесс проведения измерений.
Д.12.2 При использовании оптических систем и ослабителей устанавливают их по ходу распространения излучения в соответствии со схемой измерительной установки.
Д.12.3 При измерении используют контрольный ФЭПП с известной относительной спектральной характеристикой чувствительности и известной чувствительностью (токовой, вольтовой или др.) в максимуме спектральной характеристики.
Допускается использование ФЭПП с известной абсолютной спектральной характеристикой чувствительности.
Спектральная характеристика чувствительности контрольного ФЭПП, размер ФЧЭ ФЭПП должны быть откалиброваны метрологическими службами юридических лиц, аккредитованными на право проведения калибровочных работ в соответствии с действующим законодательством.
При этом погрешность измерения абсолютного значения спектральной характеристики чувствительности не должна превышать 8%, а погрешность измерения длины волны не более

, где

- длина волны.
Д.12.4 Убедиться, что размер ФЧЭ контрольного ФЭПП меньше размера светового пучка измеряемого потока излучения.
Д.12.5 Погрешность относительной (абсолютной) спектральной яркости светодиодных источников в плоскости ФЧЭ не должна превышать 8%, а погрешность измерения длины волны не более

, где

- длина волны. При использовании светодиодного источника, состоящего из одного светодиода, требования по положению плоскости измерения относительной (абсолютной) спектральной яркости не предъявляются.
Д.12.6 Для снижения погрешности измерения рекомендуется включение в состав контрольного ФЭПП диафрагмы для ограничения величины эффективной фотоэлектрической площади. Диафрагма должна быть установлена на расстоянии не более 3 мм от плоскости ФЧЭ ФЭПП. При использовании диафрагмы за эффективную фоточувствительную площадь контрольного ФЭПП принимают площадь диафрагмы.
Д.12.7 Схема формирования потока излучения, создаваемого светодиодным источником, приведена на
рисунке Д.4.
1 - источник излучения; 2 - модулятор; 3 - опорный ФПУ;
4 - измерительный прибор; 5 - испытуемый образец
Рисунок Д.4 - Схема формирования потока излучения,
создаваемого светодиодным источником
Д.13 Проведение измерения потока излучения, создаваемого светодиодным источником
Д.13.1 Устанавливают контрольный ФЭПП в плоскость расположения ФЧЭ ФПУ.
Д.13.2 Сигнал с контрольного ФЭПП. При использовании модулятора вносят поправку в значение измеряемого потока согласно ГОСТ Р 59607-2021
(приложение Б).
Д.14 Обработка результатов измерения потока излучения, создаваемого лампами накаливания
Д.14.1 Поток излучения (P) в ваттах, падающий на ФЧЭ ФПУ, вычисляют по формуле

, (Д.15)
где

,

- коэффициент использования излучения светодиодным источником для измеряемого ФПУ и контрольного ФЭПП соответственно;
Aконтр - эффективная фоточувствительная площадь контрольного ФЭПП;
Uконтр - сигнал (напряжение или ток, в зависимости от чувствительности) с контрольного ФЭПП;
SUmax контр - чувствительность (вольтовая или токовая) в максимуме спектральной характеристики контрольного ФЭПП; при использовании контрольного ФЭПП с известной абсолютной спектральной характеристикой чувствительности принимают равной единице.
Д.14.2 В случае использования в качестве контрольного устройства УФ радиометра поток излучения вычисляют по формуле

, (Д.16)
где E - энергетическая облученность на контрольном радиометре.
Д.14.3 Относительную погрешность

потока излучения вычисляют по формуле

, (Д.17)
где

- относительная погрешность рассогласования положения контрольного ФЭПП и плоскости ФЧЭ ФПУ;

,

- относительная погрешность измерения коэффициента использования источника; значения коэффициента зависят от условий измерения спектральной характеристики и приведены в
приложении Ж;

,

- относительные погрешности измерения эффективных фоточувствительных площадей ФЧЭ ФПУ и контрольного ФЭПП; при использовании площади элемента из технической документации на измеряемое изделие (ФПУ) принимают равной нулю; в случае использования в качестве контрольного устройства УФ радиометра принимают равной 0;

- относительная погрешность измерения чувствительности в максимуме спектральной характеристики; при использовании контрольного ФЭПП с известной абсолютной спектральной характеристикой чувствительности принять равной нулю; в случае использования в качестве контрольного устройства УФ радиометра принимают равной 0;

- относительная погрешность измерения освещенности люксметром; в случае использования контрольного ФЭПП принимают равной 0.
(обязательное)
МЕТОД КОНТРОЛЯ ПРОТЯЖЕННЫХ АБСОЛЮТНО ЧЕРНЫХ ТЕЛ
Е.1 Сущность метода
Е.1.1 Метод предназначен для контроля протяженных АЧТ с целью их оценки для использования при измерении ФПУ второго поколения.
Е.1.2 Контроль проводят по следующим параметрам:
- неравномерность распределения температуры АЧТ между центром и краем;
- неравномерность распределения температуры по поверхности АЧТ;
- воспроизводимость температурного перепада, обеспечиваемого АЧТ.
Е.1.3 Контроль необходимо проводить в случае, если параметры по
Е.1.2 не приведены в описании типа используемого АЧТ или их значение не соответствуют требованиям данного раздела или иного документа, регламентирующего порядок оценки пригодности.
Е.1.4 Допускается проводить контроль другими методами, если это указано в РЭ, ТУ или ФО на установку.
Е.2 Средства измерений и вспомогательное оборудование
Е.2.1 В качестве СИ необходимо использовать тепловизоры или пирометры.
Е.2.2 Требования к СИ и вспомогательному оборудованию - по
4.1.2.1.
Е.2.3 При контроле используют пирометр или тепловизор (далее - измерительный прибор). Рекомендуется, чтобы измерительные приборы работали в том же спектральном диапазоне, что и измеряемые ФПУ.
Е.3 Подготовка к измерениям
Е.3.1 Устанавливают тепловизор напротив АЧТ таким образом, чтобы излучающая поверхность АЧТ занимала не менее 1/2 от поля зрения тепловизора. Излучающая плоскость АЧТ и тепловизор должны быть расположены соосно. Контроль выполнения требований данного пункта проводят визуально.
Е.3.2 В случае использования пирометра необходимо обеспечивать соосность расположения в каждой точке контроля.
Е.4 Проведение измерений
Е.4.1 Устанавливают на АЧТ температуру 300 К, если иное не указано в порядке контроля АЧТ, и дожидаются стабилизации температуры.
Е.4.2 Устанавливают на измерительном приборе интегральный коэффициент излучения в соответствии с паспортными данными АЧТ для спектрального диапазона, соответствующего диапазону работы измерительного прибора. В случае их отсутствия допускается установка коэффициента излучения в диапазоне 0,97 - 1 с фиксацией установленного значения в протоколе измерения.
Е.4.3 Проводят измерения температуры (T1) в центральной области АЧТ.
Е.4.4 При использовании пирометра проводят измерения температур на поверхности АЧТ согласно схеме, приведенной на
рисунке Е.1 для АЧТ с квадратной (прямоугольной) излучающей поверхностью и на
рисунке Е.2 для АЧТ с круглой излучающей поверхностью. При АЧТ с прямоугольной излучающей поверхностью проводят соответствующее масштабирование по направлениям. При использовании тепловизора допускается проведение оценки без записей температур в точках, только фиксируя максимальное превышение в заданной области.
Рисунок Е.1 - Схема расположения точек контроля для АЧТ
с квадратной (прямоугольной) излучающей поверхностью
Рисунок Е.2 - Схема расположения точек контроля для АЧТ
с круглой излучающей поверхностью
Е.4.5 Устанавливают на АЧТ температуру 303 К, если иное не указано в порядке контроля АЧТ, и дожидаются стабилизации температуры.
Е.4.6 Проводят измерения температуры (T2) в центральной области АЧТ.
Е.4.7 Проводят измерения температур на поверхности АЧТ согласно схеме, приведенной на
рисунке Е.1 для АЧТ с квадратной излучающей поверхностью и
рисунке Е.2 для АЧТ с круглой излучающей поверхностью. При использовании тепловизора допускается проведение оценки без записей температур в точках, только фиксируя максимальное превышение в заданной области.
Е.4.8 Повторяют
Е.4.1 и
Е.4.2 не менее четырех раз с интервалом не менее 10 мин.
Е.5 Обработка результатов
Е.5.1 АЧТ считают пригодным для проведения измерений если:
- разница температур
T2 и
T1 лежит в диапазоне (3 +/- 0,2) °C для всех измерений по
Е.4.8;
- при контроле с помощью тепловизора в зоне, ограниченной точками 2 - 9 для
рисунка Е.1 и 2 - 5 для
рисунка Е.2, наблюдаемая разность температур не более +/- 0,2 °C;
- при контроле с помощью пирометра разница температур между точками 1 и 2 - 9 для
рисунка Е.1 и 2 - 5 для
рисунка Е.2 не должна превышать +/- 0,2 °C;
- при контроле с помощью тепловизора разность температур в зоне, находящейся снаружи относительно точек 10 - 17 для
рисунка Е.1 и 6 - 9 для
рисунка Е.2), и зоны, находящейся внутри, не должна превышать +/- 0,4 °C;
- при контроле с помощью пирометра разница температур между точкой 1 и точками 10 - 17 для
рисунка Е.1 и 6 - 9 для
рисунка Е.2 не должна превышать +/- 0,4 °C.
(обязательное)
ПОГРЕШНОСТИ КОЭФФИЦИЕНТОВ ИСПОЛЬЗОВАНИЯ ИЗЛУЧЕНИЯ ИСТОЧНИКА
Ж.1 Общие положения
Погрешность коэффициента использования излучения источника зависит от погрешности измерения спектральной характеристики измеряемого ФПУ, а именно:
- ОСШ в максимуме спектральной чувствительности при проведении измерений относительной спектральной чувствительности ФПУ;
- число точек измерения относительной спектральной чувствительности ФПУ;
- погрешности измерения спектральной чувствительности ФПУ (относительной или абсолютной) контрольного ФПУ;
- погрешности измерения длины волны спектральной чувствительности ФПУ (относительной или абсолютной) контрольного ФПУ;
- температуры АЧТ (для ФПУ ИК диапазона) или коэффициента использования (для ФПУ УФ диапазона);
- погрешности коэффициентов использования излучения источника приведены для случая применения бикубической интерполяции относительной спектральной чувствительности ФПУ.
Таблицы погрешностей коэффициентов использования излучения источника приведены только для погрешности длины волны не более

, где

- длина волны, на которой измерена спектральная чувствительность ФПУ или ФЭПП (относительная или абсолютная).
При отсутствии необходимых параметров в
таблицах Ж.1 -
Ж.8 допускается рассчитывать требуемые значения относительных погрешностей путем линейной интерполяции.
Ж.2 Относительная погрешность коэффициента 
Ж.2.1 Относительная погрешность коэффициента

в зависимости от условий проведения приведена в
таблицах Ж.1 -
Ж.3.
Таблица Ж.1
Относительная погрешность коэффициента

для
T = 500 К
| Число точек измерения ОСХЧ | Относительная погрешность измерения ОСХЧ контрольного ФЭПП | Относительная погрешность коэффициента  |
Случайная | Систематическая | Суммарная |
30 | 20 | 4% | 0,216 | 0,111 | 0,243 |
30 | 50 | 4% | 0,189 | 0,098 | 0,213 |
30 | 200 | 4% | 0,149 | 0,027 | 0,151 |
200 | 20 | 4% | 0,162 | 0,023 | 0,164 |
200 | 50 | 4% | 0,172 | 0,005 | 0,172 |
500 | 20 | 4% | 0,205 | 0,008 | 0,205 |
500 | 50 | 4% | 0,098 | 0,023 | 0,101 |
500 | 200 | 4% | 0,072 | 0,056 | 0,091 |
30 | 20 | 8% | 0,267 | 0,103 | 0,286 |
30 | 50 | 8% | 0,198 | 0,065 | 0,208 |
30 | 200 | 8% | 0,130 | 0,025 | 0,132 |
200 | 20 | 8% | 0,162 | 0,002 | 0,162 |
200 | 50 | 8% | 0,129 | 0,045 | 0,137 |
200 | 200 | 8% | 0,093 | 0,098 | 0,135 |
500 | 20 | 8% | 0,174 | 0,002 | 0,174 |
500 | 50 | 8% | 0,149 | 0,051 | 0,157 |
500 | 200 | 8% | 0,086 | 0,104 | 0,135 |
<*> В максимуме спектральной чувствительности при проведении измерений относительной спектральной чувствительности ФПУ. |
Таблица Ж.2
Относительная погрешность коэффициента

для
T = 800 К
| Число точек измерения ОСХЧ | Относительная погрешность измерения ОСХЧ контрольного ФЭПП | Относительная погрешность коэффициента  |
Случайная | Систематическая | Суммарная |
30 | 20 | 4% | 0,104 | 0,014 | 0,105 |
30 | 50 | 4% | 0,094 | 0,036 | 0,101 |
30 | 200 | 4% | 0,138 | 0,092 | 0,166 |
200 | 20 | 4% | 0,108 | 0,007 | 0,108 |
200 | 50 | 4% | 0,074 | 0,043 | 0,086 |
200 | 200 | 4% | 0,083 | 0,079 | 0,115 |
500 | 20 | 4% | 0,099 | 0,001 | 0,099 |
500 | 50 | 4% | 0,083 | 0,046 | 0,095 |
500 | 200 | 4% | 0,07 | 0,077 | 0,104 |
30 | 20 | 8% | 0,109 | 0,003 | 0,109 |
30 | 50 | 8% | 0,104 | 0,063 | 0,122 |
30 | 200 | 8% | 0,139 | 0,136 | 0,194 |
200 | 20 | 8% | 0,106 | 0,033 | 0,111 |
200 | 50 | 8% | 0,089 | 0,077 | 0,118 |
200 | 200 | 8% | 0,058 | 0,125 | 0,138 |
500 | 20 | 8% | 0,109 | 0,025 | 0,112 |
500 | 50 | 8% | 0,098 | 0,08 | 0,127 |
500 | 200 | 8% | 0,074 | 0,128 | 0,148 |
<*> В максимуме спектральной чувствительности при проведении измерений относительной спектральной чувствительности ФПУ. |
Таблица Ж.3
Относительная погрешность коэффициента

для
T = 1000 К
| Число точек измерения ОСХЧ | Относительная погрешность измерения ОСХЧ контрольного ФЭПП | Относительная погрешность коэффициента  |
Случайная | Систематическая | Суммарная |
30 | 20 | 4% | 0,097 | 0,001 | 0,097 |
30 | 50 | 4% | 0,087 | 0,048 | 0,099 |
30 | 200 | 4% | 0,133 | 0,11 | 0,173 |
200 | 20 | 4% | 0,087 | 0,01 | 0,088 |
200 | 50 | 4% | 0,078 | 0,045 | 0,09 |
200 | 200 | 4% | 0,052 | 0,08 | 0,095 |
500 | 20 | 4% | 0,085 | 0,01 | 0,086 |
500 | 50 | 4% | 0,054 | 0,041 | 0,068 |
500 | 200 | 4% | 0,061 | 0,079 | 0,1 |
30 | 20 | 8% | 0,113 | 0,024 | 0,116 |
30 | 50 | 8% | 0,101 | 0,079 | 0,128 |
30 | 200 | 8% | 0,126 | 0,146 | 0,193 |
200 | 20 | 8% | 0,093 | 0,032 | 0,098 |
200 | 50 | 8% | 0,067 | 0,072 | 0,098 |
200 | 200 | 8% | 0,063 | 0,126 | 0,141 |
500 | 20 | 8% | 0,098 | 0,03 | 0,102 |
500 | 50 | 8% | 0,065 | 0,079 | 0,102 |
500 | 200 | 8% | 0,069 | 0,131 | 0,148 |
<*> В максимуме спектральной чувствительности при проведении измерений относительной спектральной чувствительности ФПУ. |
Ж.3 Относительная погрешность коэффициента
в зависимости от условий проведения измерений
Ж.3.1 Относительная погрешность коэффициента

для ФПУ средневолнового ИК диапазона спектра при
T0 = 300 К,

и погрешность измерения спектральной (относительной или абсолютной) контрольного ФЭПП:
Таблица Ж.4
Относительная погрешность коэффициента

| Число точек измерения ОСХЧ | Относительная погрешность коэффициента  |
Случайная | Систематическая | Суммарная |
30 | 20 | 0,1 | 0,024 | 0,103 |
30 | 50 | 0,124 | 0,084 | 0,15 |
30 | 200 | 0,213 | 0,168 | 0,271 |
200 | 20 | 0,066 | 0,005 | 0,066 |
200 | 50 | 0,068 | 0,033 | 0,076 |
200 | 200 | 0,08 | 0,067 | 0,104 |
500 | 20 | 0,068 | 0,007 | 0,068 |
500 | 50 | 0,057 | 0,031 | 0,065 |
500 | 200 | 0,087 | 0,068 | 0,11 |
<*> В максимуме спектральной чувствительности при проведении измерений относительной спектральной чувствительности ФПУ. |
Таблица Ж.5
Относительная погрешность коэффициента

| Число точек измерения ОСХЧ | Относительная погрешность коэффициента  |
Случайная | Систематическая | Суммарная |
30 | 20 | 0,085 | 0,053 | 0,1 |
30 | 50 | 0,121 | 0,115 | 0,167 |
30 | 200 | 0,232 | 0,216 | 0,317 |
200 | 20 | 0,069 | 0,045 | 0,082 |
200 | 50 | 0,072 | 0,08 | 0,108 |
200 | 200 | 0,091 | 0,128 | 0,157 |
500 | 20 | 0,075 | 0,046 | 0,088 |
500 | 50 | 0,065 | 0,086 | 0,108 |
500 | 200 | 0,058 | 0,123 | 0,136 |
<*> В максимуме спектральной чувствительности при проведении измерений относительной спектральной чувствительности ФПУ. |
Ж.3.2 Относительная погрешность коэффициента

для ФПУ длинноволнового ИК диапазона спектра при
T0 = 300 К,

и погрешность измерения спектральной (относительной или абсолютной) контрольного ФЭПП:
Таблица Ж.6
Относительная погрешность коэффициента

| Число точек измерения | Относительная погрешность коэффициента  |
Случайная | Систематическая | Суммарная |
30 | 20 | 0,113 | 0,043 | 0,121 |
30 | 50 | 0,183 | 0,12 | 0,219 |
30 | 200 | 0,313 | 0,231 | 0,389 |
200 | 20 | 0,112 | 0,034 | 0,117 |
200 | 50 | 0,136 | 0,073 | 0,154 |
200 | 200 | 0,2 | 0,134 | 0,241 |
500 | 20 | 0,113 | 0,032 | 0,117 |
500 | 50 | 0,102 | 0,068 | 0,123 |
500 | 200 | 0,201 | 0,132 | 0,24 |
<*> В максимуме спектральной чувствительности при проведении измерений относительной спектральной чувствительности ФПУ. |
Таблица Ж.7
Относительная погрешность коэффициента

| Число точек измерения | Относительная погрешность коэффициента  |
Случайная | Систематическая | Суммарная |
30 | 20 | 0,138 | 0,091 | 0,165 |
30 | 50 | 0,182 | 0,146 | 0,233 |
30 | 200 | 0,352 | 0,284 | 0,452 |
200 | 20 | 0,12 | 0,062 | 0,135 |
200 | 50 | 0,104 | 0,107 | 0,149 |
200 | 200 | 0,183 | 0,178 | 0,255 |
500 | 20 | 0,115 | 0,071 | 0,135 |
500 | 50 | 0,138 | 0,115 | 0,18 |
500 | 200 | 0,16 | 0,172 | 0,235 |
<*> В максимуме спектральной чувствительности при проведении измерений относительной спектральной чувствительности ФПУ. |
Ж.4 Относительная погрешность коэффициентов
,
в зависимости от условий проведения измерений
Ж.4.1 Относительная погрешность коэффициентов

,

, если их значение более 0,1, приведены в
таблице Ж.8.
Таблица Ж.8
Относительная погрешность коэффициентов

,

| Число точек измерения ОСХЧ | Относительная погрешность измерения ОСХЧ контрольного ФЭПП | Относительная погрешность коэффициентов  ,  |
Случайная | Систематическая | Суммарная |
30 | 20 | 4% | 0,104 | 0,014 | 0,105 |
30 | 50 | 4% | 0,094 | 0,036 | 0,101 |
30 | 200 | 4% | 0,138 | 0,092 | 0,166 |
200 | 20 | 4% | 0,108 | 0,007 | 0,108 |
200 | 50 | 4% | 0,074 | 0,043 | 0,086 |
200 | 200 | 4% | 0,083 | 0,079 | 0,115 |
500 | 20 | 4% | 0,099 | 0,001 | 0,099 |
500 | 50 | 4% | 0,083 | 0,046 | 0,095 |
500 | 200 | 4% | 0,07 | 0,077 | 0,104 |
30 | 20 | 8% | 0,109 | 0,003 | 0,109 |
30 | 50 | 8% | 0,104 | 0,063 | 0,122 |
30 | 200 | 8% | 0,139 | 0,136 | 0,194 |
200 | 20 | 8% | 0,106 | 0,033 | 0,111 |
200 | 50 | 8% | 0,089 | 0,077 | 0,118 |
200 | 200 | 8% | 0,058 | 0,125 | 0,138 |
500 | 20 | 8% | 0,109 | 0,025 | 0,112 |
500 | 50 | 8% | 0,098 | 0,08 | 0,127 |
500 | 200 | 8% | 0,074 | 0,128 | 0,148 |
<*> В максимуме спектральной чувствительности при проведении измерений относительной спектральной чувствительности ФПУ. |
| Правила технической эксплуатации электроустановок потребителей (утверждены приказом Министерства энергетики РФ от 13 января 2003 г. N 6) |
| Правила по охране труда при эксплуатации электроустановок. ПОТЭУ (утверждены приказом Минтруда России от 15 декабря 2020 г. N 903н) |
| | О безопасности оборудования, работающего под избыточным давлением |
[4] | | Государственная система обеспечения единства измерений. Измерения косвенные. Определение результатов измерений и оценивание их погрешностей |
УДК 535.247.4.089.5:006.354 | |
Ключевые слова: оптика и фотоника, фотоприемные устройства, методы измерений фотоэлектрических параметров, методы определения характеристик |