Главная // Актуальные документы // ГОСТ Р (Государственный стандарт)СПРАВКА
Источник публикации
М.: Стандартинформ, 2021
Примечание к документу
Документ
введен в действие с 01.01.2022.
Название документа
"ГОСТ Р 59375.1-2021. Национальный стандарт Российской Федерации. Конструкции для удаления дымовых газов. Требования к металлическим конструкциям для удаления дымовых газов. Часть 1. Строительные компоненты конструкций для удаления дымовых газов"
(утв. и введен в действие Приказом Росстандарта от 24.06.2021 N 585-ст)
"ГОСТ Р 59375.1-2021. Национальный стандарт Российской Федерации. Конструкции для удаления дымовых газов. Требования к металлическим конструкциям для удаления дымовых газов. Часть 1. Строительные компоненты конструкций для удаления дымовых газов"
(утв. и введен в действие Приказом Росстандарта от 24.06.2021 N 585-ст)
Утвержден и введен в действие
агентства по техническому
регулированию и метрологии
от 24 июня 2021 г. N 585-ст
НАЦИОНАЛЬНЫЙ СТАНДАРТ РОССИЙСКОЙ ФЕДЕРАЦИИ
КОНСТРУКЦИИ ДЛЯ УДАЛЕНИЯ ДЫМОВЫХ ГАЗОВ.
ТРЕБОВАНИЯ К МЕТАЛЛИЧЕСКИМ КОНСТРУКЦИЯМ
ДЛЯ УДАЛЕНИЯ ДЫМОВЫХ ГАЗОВ
ЧАСТЬ 1
СТРОИТЕЛЬНЫЕ КОМПОНЕНТЫ КОНСТРУКЦИЙ
ДЛЯ УДАЛЕНИЯ ДЫМОВЫХ ГАЗОВ
Chimneys. Requirements for metal chimneys.
Part 1. Building components for chimneys
ГОСТ Р 59375.1-2021
Дата введения
1 января 2022 года
1 ПОДГОТОВЛЕН Федеральным государственным унитарным предприятием "Российский научно-технический центр информации по стандартизации, метрологии и оценке соответствия" (ФГУП "СТАНДАРТИНФОРМ") при участии Некоммерческого партнерства в сфере развития печного дела "Альянс. Печных дел мастера" (НП "Альянс. Печных дел мастера") на основе собственного перевода на русский язык немецкоязычной версии стандарта, указанного в
пункте 4
2 ВНЕСЕН Техническим комитетом по стандартизации ТК 061 "Вентиляция и кондиционирование"
3 УТВЕРЖДЕН И ВВЕДЕН В ДЕЙСТВИЕ
Приказом Федерального агентства по техническому регулированию и метрологии от 24 июня 2021 г. N 585-ст
4 Настоящий стандарт является модифицированным по отношению к стандарту ДИН ЕН 1856-1:2009 "Конструкции для удаления дымовых газов. Требования к металлическим конструкциям для удаления дымовых газов. Часть 1. Строительные компоненты конструкций для удаления дымовых газов" (DIN EN 1856-1:2009 "Abgasanlagen - Anforderungen an Metall-Abgasanlagen - Teil 1: Bauteile

System-Abgasanlagen", MOD) путем изменения отдельных фраз (слов, ссылок), которые выделены в тексте курсивом.
Наименование настоящего стандарта изменено относительно наименования указанного международного стандарта для приведения в соответствие с ГОСТ Р 1.5-2012
(пункт 3.5).
Сведения о соответствии ссылочных национальных и межгосударственных стандартов международным и европейским стандартам, использованным в качестве ссылочных в примененном стандарте, приведены в дополнительном
приложении ДА
5 ВВЕДЕН ВПЕРВЫЕ
Правила применения настоящего стандарта установлены в статье 26 Федерального закона от 29 июня 2015 г. N 162-ФЗ "О стандартизации в Российской Федерации". Информация об изменениях к настоящему стандарту публикуется в ежегодном (по состоянию на 1 января текущего года) информационном указателе "Национальные стандарты", а официальный текст изменений и поправок - в ежемесячном информационном указателе "Национальные стандарты". В случае пересмотра (замены) или отмены настоящего стандарта соответствующее уведомление будет опубликовано в ближайшем выпуске ежемесячного информационного указателя "Национальные стандарты". Соответствующая информация, уведомление и тексты размещаются также в информационной системе общего пользования - на официальном сайте Федерального агентства по техническому регулированию и метрологии в сети Интернет (www.gost.ru)
Настоящий стандарт подготовлен в качестве гармонизированного с Европейскими региональными нормами, устанавливает основные требования к компонентам конструкций для удаления дымовых газов.
Словосочетание "конструкции для удаления дымовых газов (дымовые каналы)" при использовании в настоящем стандарте относится ко всем системам с металлическими внутренними трубами, которые отводят продукты сгорания от источников тепла во внешнюю среду и, следовательно, включают в себя все другие термины, как правило, применяемые в торговой сфере, такие как трубопроводы для удаления дымовых газов, каналы, дымоходы, дымоходные системы, дымовые трубы и т.д.
Стандарты серии ДИН ЕН 1856 предусматривают минимальные требования к материалу внутренней трубы, обеспечивающие коррозионную стойкость внутренней трубы, и в качестве промежуточного решения к испытаниям на коррозионную стойкость изделий. Три испытания на коррозионную стойкость с соответствующими требованиями были отобраны и приняты как методы испытаний (см.
приложение A).
Настоящий стандарт описывает компоненты конструкции для удаления дымовых газов, которые могут быть использованы для сборки дымоходных систем.
Настоящий стандарт устанавливает требования к строительным компонентам однослойных и многослойных дымоходных систем с жесткими металлическими внутренними трубами (секции конструкции для удаления дымовых газов, фасонные элементы и оголовки, включая также опорные элементы) с номинальным диаметром не более 1200 мм, предназначенных для отвода продуктов сгорания от источников тепла с камерой сгорания или топкой (далее - источники тепла) в окружающую атмосферу. Настоящий стандарт содержит требования к обозначению, содержанию инструкции производителя, паспорту и техническому описанию дымоходных систем, прилагаемых при реализации, а также оценку соответствия. Внутренние трубы и соединительные элементы из металла, которые не охвачены настоящим стандартом, рассмотрены в
ГОСТ Р 59375.2.
Настоящий стандарт не распространяется на конструкции для удаления дымовых газов (свободно стоящие или самонесущие), которые могут быть установлены независимо от несущей конструкции.
В настоящем стандарте использованы нормативные ссылки на следующие стандарты:
ГОСТ 6032-2017 (ISO 3651-1:1998, ISO 3651-2:1998) Стали и сплавы коррозионно-стойкие. Методы испытаний на стойкость к межкристаллитной коррозии
ГОСТ Р 59375.2 (ЕН 1856-2:2008) Конструкции для удаления дымовых газов. Требования к металлическим конструкциям для удаления дымовых газов. Часть 2. Внутренние трубы и соединительные элементы из металла
ГОСТ Р 59376 (ЕН 1859:2013) Конструкции для удаления дымовых газов. Металлические конструкции для удаления дымовых газов. Методы испытаний
ГОСТ Р 59412 (ЕН 1443:2003) Конструкции для удаления дымовых газов. Общие требования
ГОСТ Р ИСО 2859-1 Статистические методы. Процедуры выборочного контроля по альтернативному признаку. Часть 1. Планы выборочного контроля последовательных партий на основе приемлемого уровня качества
ГОСТ Р ИСО 13732-1 Эргономика термальной среды. Методы оценки реакции человека при контакте с поверхностями. Часть 1. Горячие поверхности
Примечание - При пользовании настоящим стандартом целесообразно проверить действие ссылочных стандартов в информационной системе общего пользования - на официальном сайте Федерального агентства по техническому регулированию и метрологии в сети Интернет или по ежегодному информационному указателю "Национальные стандарты", который опубликован по состоянию на 1 января текущего года, и по выпускам ежемесячного информационного указателя "Национальные стандарты" за текущий год. Если заменен ссылочный стандарт, на который дана недатированная ссылка, то рекомендуется использовать действующую версию этого стандарта с учетом всех внесенных в данную версию изменений. Если заменен ссылочный стандарт, на который дана датированная ссылка, то рекомендуется использовать версию этого документа с указанным выше годом утверждения (принятия). Если после утверждения настоящего стандарта в ссылочный стандарт, на который дана датированная ссылка, внесено изменение, затрагивающее положение, на которое дана ссылка, то это положение рекомендуется применять без учета данного изменения. Если ссылочный стандарт отменен без замены, то положение, в котором дана ссылка на него, рекомендуется применять в части, не затрагивающей эту ссылку.
В настоящем стандарте применены термины по
ГОСТ Р 59412, а также следующие термины с соответствующими определениями:
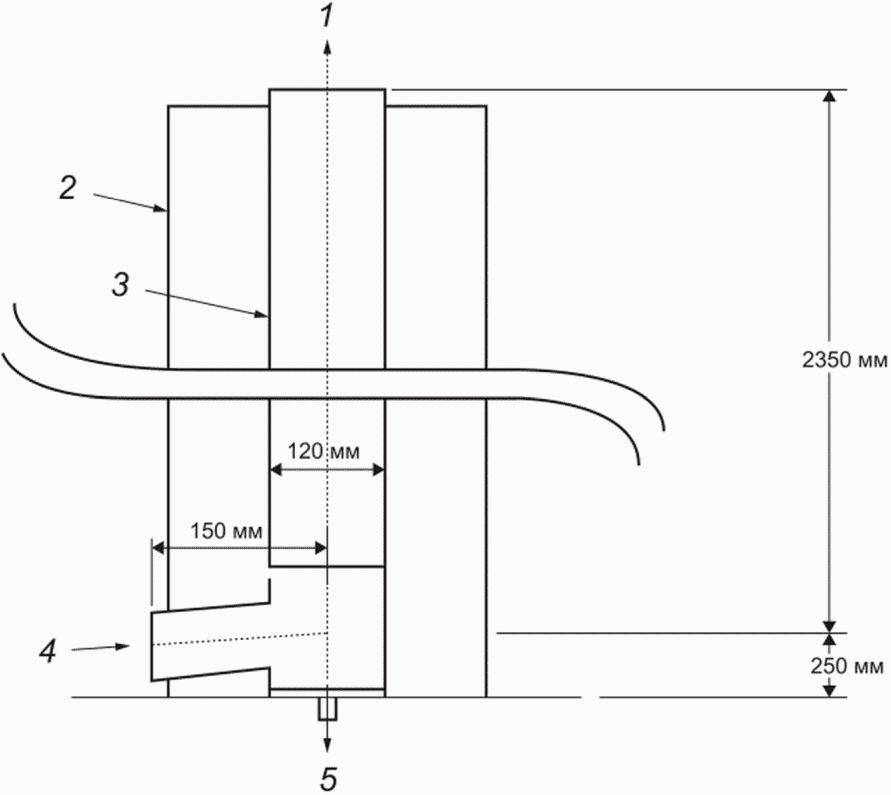
3.1
патрубок (отверстие) для выпуска дымовых газов из источника тепла (Auslass der

): Место выпуска продуктов сгорания из источника тепла
(см. рисунок 1).
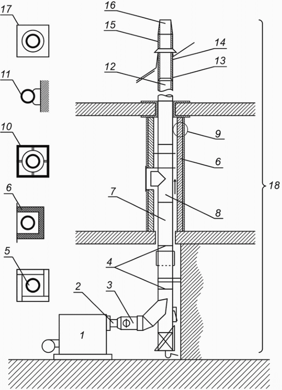
5 - дымовой канал (3.16); 6 - обшивка (3.8); 7 - секция
конструкции для удаления дымовых газов (3.6); 8 - фасонный
элемент конструкции для удаления дымовых газов (3.4);
11 - конструкция для удаления дымовых газов без оболочки
(3.31); 12 - внутренняя труба (3.17); 13 - конструкция
для удаления дымовых газов внутри здания (3.21);
18 - дымоходная система (3.40)
Рисунок 1 - Терминология - компоненты и принадлежности
конструкции для удаления дымовых газов
3.2 конструкция для удаления дымовых газов (Abgasanlage): Одно- или многослойная строительная конструкция, включающая в себя одну или несколько дымовых труб.
3.2.1
принадлежность конструкции для удаления дымовых газов (

einer Abgasanlage): Строительный компонент (дверца, затвор, хомут, опора), который(ая) не отводит продукты сгорания.
3.2.2 компонент конструкции для удаления дымовых газов (Bauteil einer Abgasanlage): Любой компонент конструкции для удаления дымовых газов.
3.3 обозначение конструкции для удаления дымовых газов (Bezeichnung der Abgasanlage): Сокращенное описание одного конкретного типа конструкции для удаления дымовых газов с четким указанием отличия от других типов.
3.4
фасонный элемент конструкции для удаления дымовых газов (

einer Abgasanlage): Строительный компонент конструкции для удаления дымовых газов, который отводит дымовые газы, за исключением прямых секций конструкции для удаления дымовых газов (
см. рисунок 1).
Примечание - К фасонным элементам относят тройники для осмотра и очистки, тройники для подключения потребителя, основания с отводом конденсата, углы поворота.
3.5 коррозионная нагрузка (Korrosionslast): Сочетание классов сопротивления воздействию конденсата и коррозионной стойкости, необходимых для различных условий эксплуатации и видов топлива.
3.6
секция конструкции для удаления дымовых газов (Abschnitt einer Abgasanlage): Прямой строительный компонент конструкции для удаления дымовых газов, который отводит продукты сгорания (
см. рисунок 1).
3.7
соединительный элемент (

): Строительный(ые) компонент или компоненты, соединяющие выход источника тепла и конструкцию для удаления дымовых газов (
см. рисунок 1).
3.8
обшивка (Verkleidung): Дополнительная, не несущая нагрузки стенка вокруг конструкции для удаления дымовых газов, предназначенная для снижения теплоотдачи, или влияния погодных условий, или декоративных целей (
см. рисунок 1).
Примечание - Внешняя обшивка может быть выполнена в пределах одного этажа или помещения из соответствующего допущенного к применению материала: бетон, газобетон, силикат кальция и др.
3.9 сборная конструкция для удаления дымовых газов (Montage-Abgasanlage): Конструкция для удаления дымовых газов, которая смонтирована или установлена на строительной площадке с использованием комбинации совместимых строительных компонентов конструкции для удаления дымовых газов от одного или нескольких производителей.
3.10 расчетная нагрузка DL (Bemessungslast): Нагрузка, с которой допустимо использование конструкции для удаления дымовых газов или ее строительных компонентов при нормальных условиях эксплуатации, если она смонтирована или установлена в соответствии с инструкциями производителя.
3.11 сухой режим эксплуатации (Trockenbetriebsweise): Режим эксплуатации конструкции для удаления дымовых газов при нормальных условиях, при которых температура внутренней поверхности внутренней трубы выше температуры точки росы водяных паров дымовых газов.
3.12
ограждение (Ummantelung): Оболочка, закрывающая конструкцию для удаления дымовых газов, которая дает дополнительную пожарную безопасность и служит дополнительным сопротивлением тепловому потоку (
см. рисунок 1).
3.13
наружная часть конструкции (

liegender Anlagenteil): Часть конструкции для удаления дымовых газов, расположенная вне здания.
3.14
огнезащита (

): Преграда для предотвращения распространения огня внутри здания через конструкции для удаления дымовых газов (
см. рисунок 1).
3.15 гибкая труба (flexibles Rohr): Металлическая труба или соединительный элемент из металла в виде конструкции из одинарной или двойной оболочки, которые могут изгибаться в любом направлении без остаточной деформации и имеющие все свойства основной части дымового канала.
3.16
дымовой канал (Zug): Канал для отвода продуктов сгорания от источника тепла в атмосферу и создания тяги (
см. рисунок 1).
3.17
внутренняя труба (Innenrohr): Слой конструкции для удаления дымовых газов, внутренняя поверхность которого контактирует с продуктами сгорания (
см. рисунок 1).
3.18 дымовые газы (Abgas): Газообразные компоненты продуктов сгорания топлива вместе с примесью частиц золы и сажи, которые по каналу отводятся в атмосферу.
3.19
теплоизоляция (

): Материал или воздушный зазор между внутренней трубой и внешней оболочкой для увеличения сопротивления теплопередаче конструкции для удаления дымовых газов (
см. рисунок 1).
3.20
теплогенератор (

): Устройство, в котором при сгорании топлива образуются продукты сгорания, которые должны быть отведены в атмосферу (
см. рисунок 1).
3.21
конструкции для удаления дымовых газов внутри здания (Abgasanlage im

): Часть конструкции для удаления дымовых газов, расположенная внутри здания.
3.22 инструкция производителя (Herstelleranweisung): Письменная информация, которая вместе с изделием предоставляется в распоряжение покупателю или ответственному за установку.
3.23
стык (Fuge): Место соединения двух фрагментов дымового канала (
см. рисунок 1).
3.24 металлическая конструкция для удаления дымовых газов (Metall-Abgasanlage): Конструкция для удаления дымовых газов с внутренней трубой из металла, которая может включать в себя дополнительные внешние конструктивные детали и принадлежности, а также теплоизоляцию.
3.25 металлическая внутренняя труба (Metallinnenrohr): Жесткая или гибкая внутренняя труба из металла.
3.26 заданная минимальная толщина стенки (angegebene Mindestwanddicke): Значение минимальной толщины стенки, устанавливаемое производителем и проверяемое во время типового испытания.
3.27 многослойная конструкция для удаления дымовых газов (mehrschalige Abgasanlage): Конструкция для удаления дымовых газов, состоящая из одной внутренней трубы и по меньшей мере одной дополнительной оболочки.
3.28 многослойная металлическая конструкция для удаления дымовых газов (mehrschalige Metall-Abgasanlage): Конструкция для удаления дымовых газов, состоящая из двух металлических оболочек или более.
3.29 конструкция для удаления дымовых газов, работающая с разрежением (Unterdruck-Abgasanlage): Конструкция для удаления дымовых газов, выполненная таким образом, чтобы давление во внутренней трубе во время работы было ниже, чем снаружи.
3.30
номинальный размер (

): Целое число, представляющее значение внутреннего диаметра внутренней трубы и выраженное в миллиметрах.
3.31 конструкция для удаления дымовых газов без оболочки (nicht ummantelte Abgasanlage): Конструкция для удаления дымовых газов, установленная без оболочки или без ограждения.
3.32
конструкция для удаления дымовых газов с избыточным давлением (

): Конструкция для удаления дымовых газов, при эксплуатации которой давление дымовых газов во внутренней трубе превышает атмосферное.
3.33
наружный кожух (

): Чехол или футляр, в который заключена конструкция для удаления дымовых газов, контактирующая с прилегающей или внешней средой или находящаяся внутри оболочки или ограждения (
см. рисунок 1).
3.34 обновление внутренней трубы (Innenrohrerneuerung): Санация или замена внутренней трубы конструкции для удаления дымовых газов.
3.35
огнестойкость (

): Способность конструкции для удаления дымовых газов препятствовать воспламенению граничащих с ними горючих материалов, а также распространению огня в прилегающие области.
3.36 однослойная конструкция для удаления дымовых газов (einschalige Abgasanlage): Конструкция для удаления дымовых газов, состоящая исключительно из внутренней трубы.
3.37
возгорание сажи (

): Воспламенение во внутренней трубе отложений и легковоспламеняющихся остатков.
3.38 самонесущая (свободно стоящая) конструкция для удаления дымовых газов (freistehende Abgasanlage): Конструкция для удаления дымовых газов, не соединенная со зданиями, мачтами и другими несущими конструкциям (без поддерживающих опорных конструкций по высоте).
3.39
опорный элемент (

): Принадлежность конструкции для удаления дымовых газов, предназначенная для крепления или передачи нагрузки строительных компонентов конструкции для удаления дымовых газов на несущие конструкции (например, здания, мачты и т.д.) (
см. рисунок 1).
3.40
дымоходная система (System-Abgasanlage): Конструкция для удаления дымовых газов, скомплектованная одним производителем из совместимых компонентов, который берет на себя ответственность за качество всей конструкции для удаления дымовых газов (
см. рисунок 1).
3.41
завершение (оголовок) (Aufsatz): Фасонный элемент на выходном отверстии конструкции для удаления дымовых газов (
см. рисунок 1).
3.42
испытательная установка (

): Полный комплект всех элементов, необходимых для подтверждения специальных критериев эффективности, включая испытуемую конструкцию для удаления дымовых газов, испытательные стенды и измерительные приборы (согласно процедуре испытания).
3.43
испытуемая конструкция для удаления дымовых газов (

): Комплект строительных компонентов конструкции для удаления дымовых газов (как установлено в процедуре испытания), необходимых для оценки специальных критериев эффективности металлической конструкции удаления дымовых газов.
3.44
испытательный стенд (

): Установка, содержащая комплект дополнительных материалов (которые не принадлежат к конструкции для удаления дымовых газов) для оценки специальных критериев эффективности испытуемой конструкции удаления дымовых газов.
3.45
термическое сопротивление конструкции для удаления дымовых газов (

einer Abgasanlage): Сопротивление передаче тепла через оболочку или оболочки конструкции для удаления дымовых газов.
3.46 влажный режим эксплуатации (Nassbetriebsweise): Эксплуатация конструкции для удаления дымовых газов в нормальных условиях, при которых температура внутренней поверхности внутренней трубы равна или ниже температуры точки росы водяного пара дымовых газов.
4 Декларация производителя для типового испытания
Производитель должен предоставить информацию, указанную в
7.2, а также указать:
a) тип металлов, из которых изготовлены фасонные элементы и секции конструкции для удаления дымовых газов в соответствии с
ГОСТ 11069 (см. также
[1]), а также номинальную и минимальную толщину стенок;
b) внутренний диаметр фасонных элементов и секций конструкции для удаления дымовых газов и номинальный размер изделия.
Примечание - Определение диаметра или сечения внутренней трубы конструкции удаления дымовых газов должно быть выполнено в результате расчета, в том числе с использованием компьютерных программ, при помощи таблиц, диаграмм, данных производителя;
c) минимальные толщины стен после изготовления, установочную длину, внешнюю окружность внутренней трубы, общую массу и расчетные нагрузки фасонных элементов или секций, а также, если необходимо, плотность или массу теплоизоляции.
5 Размеры и допустимые отклонения
5.1 Толщина материала, из которого изготовлены строительные компоненты дымовых каналов, не должна быть меньше минимальной толщины стенки, указанной в
4, перечисление a).
5.2 Указанный внутренний диаметр фасонного элемента или секции не должен отклоняться более чем на +/- 5 мм от номинального размера. Измеренный внутренний диаметр фасонного элемента или секции не должен быть меньше диаметра, указанного изготовителем [см.
4, перечисление b)].
5.3 Отклонение наружной окружности фасонного элемента или секции не должно превышать 50 мм при внутреннем диаметре не более 600 мм, а при внутреннем диаметре более 600 мм не должно превышать 130 мм от диаметра, указанного производителем [см.
4, перечисление c)].
5.4 Установочная длина фасонного элемента или секции (измеренная в комплекте по меньшей мере с одним соединением) не должна отклоняться более чем на +/- 5 мм от длины, указанной производителем [см.
4, перечисление c)].
5.5 Плотность теплоизоляции фасонного элемента или секции не должна отличаться от заданной производителем более чем на 30% [см.
4, перечисление c)].
6 Требования к характеристикам
Если не указано иное, для фасонных элементов конструкций для удаления дымовых газов действуют такие же требования к характеристикам, как и для секций конструкций для удаления дымовых газов.
6.2 Механическая прочность и устойчивость
Примечание - Показатель NPD (характеристика не определена) определяет то, что значение механической прочности не установлено.
6.2.1 Прочность на сжатие
6.2.1.1 Секции конструкции для удаления дымовых газов и фасонные элементы
Производитель должен указать соответствующие расчетные нагрузки.
При испытании в соответствии с методом испытания, описанным в
ГОСТ Р 59376, многослойные секции или многослойные фасонные элементы конструкции для удаления дымовых газов должны выдерживать нагрузки, по меньшей мере в три раза превышающие расчетную нагрузку, указанную производителем.
При испытании в соответствии с методом испытания, описанным в
ГОСТ Р 59376, однослойные и многослойные секции или фасонные элементы конструкции для удаления дымовых газов с самонесущей внутренней трубой должны выдерживать нагрузку, по меньшей мере в три раза превышающую расчетную нагрузку, указанную производителем.
6.2.1.2 Опора конструкции для удаления дымовых газов
Производитель должен указать соответствующие расчетные нагрузки.
При испытании в соответствии с методом испытания, описанным в
ГОСТ Р 59376, максимальное отклонение испытуемой конструкции для удаления дымовых газов на опоре в направлении приложения нагрузки не должно превышать 5 мм при расчетной нагрузке, заявленной изготовителем. Опора должна выдерживать не менее трехкратной расчетной нагрузки, указанной изготовителем.
6.2.2 Прочность на разрыв
Производитель должен указать соответствующие расчетные нагрузки.
При испытании в соответствии с методом испытания, описанным в
ГОСТ Р 59376, секция конструкции для удаления дымовых газов должна выдерживать по меньшей мере в 1,5 раза больше расчетной нагрузки, указанной производителем.
6.2.3 Устойчивость к боковым нагрузкам
6.2.3.1 Невертикальный монтаж
При испытании секции конструкции для удаления дымовых газов, указанной производителем как пригодной для невертикальной установки, в соответствии с методом испытания, указанным в
ГОСТ Р 59376, отклонение испытуемой конструкции для удаления дымовых газов не должно превышать 2 мм/м в любой точке между опорами.
6.2.3.2 Строительные компоненты под ветровой нагрузкой
При испытании строительных компонентов конструкции для удаления дымовых газов, обозначенных производителем как соответствующих для наружной установки согласно методу испытаний, указанному в
ГОСТ Р 59376, испытуемая конструкция для удаления дымовых газов должна выдерживать минимальную нагрузку 1,5 кН/м
2 проекции площади наружной поверхности.
6.3 Огнестойкость (расстояния)
Производитель должен указать минимальное расстояние до горючих материалов, а требования
пункта 6.6.1 должны соответствовать расстоянию, указанному производителем.
6.4 Устойчивость к возгоранию сажи
Если конструкцию для удаления дымовых газов, обозначенную как устойчивую к возгоранию сажи, собранную из секций и/или фасонных элементов, проверяют в соответствии с методом испытания на устойчивость к возгоранию сажи, описанным в
ГОСТ Р 59376, то максимальная температура поверхности горючих материалов, прилегающих к конструкции для удаления дымовых газов, не должна превышать 100 °C на заявленном расстоянии при температуре окружающей среды 20 °C и газопроницаемости согласно
6.5.
Заданное расстояние не должно быть больше, чем при нормальных условиях эксплуатации.
Испытуемая конструкция для удаления дымовых газов должна иметь максимальный диаметр не более 200 мм в пределах ассортимента производителя. Для конструкций удаления дымовых газов, которые больше, чем те, которые были испытаны, расстояние до горючих материалов должно быть увеличено на повышающий коэффициент. Этот коэффициент для диаметров от 201 до 300 мм должен составлять 1 от расстояния до горючих материалов, указанных для изделия с диаметром 200 мм. Для диаметров от 301 до 450 мм должен быть использован коэффициент 1,5; для диаметров от 451 до 600 мм - 2, и для диаметров более 600 мм коэффициент должен быть равен 4.
6.5 Гигиена, здоровье и окружающая среда, газопроницаемость
При испытании в соответствии с методами, описанными в
ГОСТ Р 59376, утечки в конструкции для удаления дымовых газов до и после испытания на нагрев в нормальных условиях эксплуатации, до и после испытания на устойчивость к возгоранию сажи (см. возможную последовательность испытаний в
ГОСТ Р 59376) не должны превышать значений, приведенных в
таблице 1.
Таблица 1
Давление (класс) | Испытательное давление, Па | Утечки/поверхность внутренней трубы I·с-1·м-2 |
N1 | 40 | < 2,0 |
P1 | 200 | < 0,006 |
P2 | 200 | < 0,120 |
H1 | 200 и 5000 | < 0,006 |
H2 | 200 и 5000 | < 0,120 |
Испытание конструкций для удаления дымовых газов, работающих с избыточным давлением, на газонепроницаемость также следует проводить при диаметрах, отличных от тех, которые указаны для термических испытаний. Оно должно быть выполнено на самом маленьком, самом большом и промежуточном диаметрах с использованием двух соединенных секций конструкции для удаления дымовых газов, которые не подвергались термическому испытанию.
6.6 Безопасность при эксплуатации
6.6.1 Теплотехнические характеристики при нормальных условиях эксплуатации
При испытании конструкции для удаления дымовых газов, собранной из секций и/или фасонных элементов, на нагрев в соответствии с процедурой испытания, описанной в
ГОСТ Р 59376, максимальная температура поверхности горючих материалов, прилегающих к испытуемой конструкции для удаления дымовых газов, которые должны находиться на расстоянии, указанном производителем, не должна превышать 85 °C для указанного температурного класса при температуре окружающей среды 20 °C и соблюдении значений газонепроницаемости, указанных в
6.5.
Максимально возможный диаметр конструкции для удаления дымовых газов, подвергаемой испытаниям, должен быть не более 200 мм в пределах ассортимента производителя. Для конструкций удаления дымовых газов больших размеров, чем те, которые были испытаны, расстояние до горючих материалов должно быть применено с повышающим коэффициентом. Для диаметров от 201 до 300 мм этот коэффициент должен составлять 1 от расстояния до легковоспламеняющихся материалов, указанного для продукта диаметром 200 мм. Для диаметров от 301 до 450 мм должен быть использован коэффициент 1,5; для диаметров от 451 до 600 мм - 2, и для диаметров более 600 мм коэффициент должен составлять 4.
Если конструкция для удаления дымовых газов обозначена как устойчивая к возгоранию сажи, требования к тепловым характеристикам при нормальных условиях эксплуатации должны быть проверены как до, так и после термического испытания, чтобы уточнить время устойчивости теплоизоляции при возгорании сажи.
Если в конструкциях для удаления дымовых газов с избыточным давлением и в конструкциях для удаления дымовых газов с разрежением используют какой-либо уплотнитель или средства для уплотнения в качестве одной из частей соединения, то действуют дополнительные условия: удлинение испытуемой конструкции для удаления дымовых газов, измеренное с использованием циклических критериев по
ГОСТ Р 59376, не должно превышать 0,005 м и должны быть соблюдены значения газонепроницаемости, указанные в
6.5.
6.6.2 Защита от прикосновения
Если температура поверхности конструкции для удаления дымовых газов во время измерения в ходе термических испытаний, указанных в
6.4 и
6.6.1, превышает значения, приведенные в
таблице 2, в тех местах, в которых возможен непреднамеренный контакт с человеком, производитель должен указать, что конструкция для удаления дымовых газов должна быть защищена от прикосновения.
Таблица 2
Максимальная температура поверхности внешней оболочки
Материал поверхности внешней оболочки | Максимально допустимая температура, °C |
Металл, чистый металл | 70 |
Металл, окрашенный металл, 50 мкм | 80 |
Металл эмалированный, 160 мкм | 78 |
Металл с полимерным покрытием, 400 мкм | 98 |
Полимер | 93 |
|
6.6.3 Термическое сопротивление
Заданное производителем значение термического сопротивления секции конструкции для удаления дымовых газов должно быть проверено либо путем испытания в соответствии с методом испытания, указанным в нормах
ГОСТ Р 59376 (контрольное значение), либо путем расчета с использованием упрощенного метода расчета по
ГОСТ Р 59376.
Если значение термического сопротивления рассчитывают, то значение теплопроводности должно быть основано на средней температуре теплоизоляции как функции номинальной температуры, указанной в
таблице 3, но не превышающей 200 °C.
Таблица 3
Классы по температуре и температуры при проведении испытаний
Классы по температуре | Номинальная рабочая температура T, не выше, °C | Температура дымовых газов при проведении испытаний, °C |
T 080 | 80 | 100 |
T 100 | 100 | 120 |
T 120 | 120 | 150 |
T 140 | 140 | 170 |
T 160 | 160 | 190 |
T 200 | 200 | 250 |
T 250 | 250 | 300 |
T 300 | 300 | 350 |
T 400 | 400 | 500 |
T 450 | 450 | 550 |
T 600 | 600 | 700 |
6.6.4 Сопротивление диффузии водяного пара
При испытании секции или фасонного элемента, предназначенного для влажного режима эксплуатации, в соответствии с методом испытания, описанным в
ГОСТ Р 59376, внешняя поверхность секции или фасонного элемента должна оставаться сухой, а увеличение массы секции или фасонного элемента не должно превышать 1,0% массы теплоизоляционного материала.
Если однослойные изделия конструкций для удаления дымовых газов предназначены для эксплуатации при разрежении во влажном режиме, если их внутренняя труба имеет утечки в 7 раз ниже пропускной способности для класса N1 или имеет класс давления
P или
H, то допускается использование таких изделий для влажного режима без проведения испытания на устойчивость к диффузии водяного пара при условии, что изделие соответствует требованиям
6.6.5 по устойчивости к проникновению конденсата.
Многослойные изделия конструкций для удаления дымовых газов, внутренняя труба которых имеет газопроницаемость
P1,
H1 или
H2, также могут быть использованы для влажного режима эксплуатации без проведения испытания на устойчивость к диффузии водяного пара при условии, что для соответствующего продукта выполнено требование
6.6.5 по устойчивости к проникновению конденсата.
6.6.5 Устойчивость к проникновению конденсата
При испытании секции или фасонного элемента, предназначенного для влажного режима эксплуатации и ранее не испытанного на сопротивление диффузии водяного пара в соответствии с методом испытания, описанным в
ГОСТ Р 59376, внешняя поверхность секции или фасонного элемента должна оставаться сухой, а увеличение массы секции или фасонного элемента не должно превышать 1,0% массы теплоизоляционного материала.
6.6.6 Устойчивость к проникновению дождевой воды
В тех случаях, когда испытания многослойных секций или фасонных элементов, подверженных проникновению дождевой воды либо извне, либо изнутри, проводят в соответствии с методом испытаний, описанным в
ГОСТ Р 59376, увеличение массы каждой секции или фасонного элемента не должно превышать 1,0% от массы теплоизоляционного материала.
6.6.7 Сопротивление потоку
6.6.7.1 Секции конструкции для удаления дымовых газов
Производитель должен указать среднее значение шероховатости поверхности секций конструкции для удаления дымовых газов, которое следует определять методом, приведенным в
ГОСТ Р 59376 (см. также
[2]).
6.6.7.2 Фасонные элементы конструкции для удаления дымовых газов
Производитель должен указать коэффициенты местных сопротивлений фасонных элементов конструкции для удаления дымовых газов при изменении направления потока, и/или изменении поперечного сечения, и/или изменении массового расхода дымовых газов во внутренней трубе в соответствии с методом, приведенным в
ГОСТ Р 59376 (см. также
[2]).
Производитель должен указать коэффициент местного сопротивления оголовка, который следует определять в соответствии с методом испытания, описанным в
ГОСТ Р 59376 (см. также
[2]).
6.6.8 Дополнительные требования к оголовкам
6.6.8.1 Оголовки для защиты от дождевой воды
Если оголовок для защиты от дождевой воды проверен на проникновение дождевой воды в соответствии с методом, описанным в
ГОСТ Р 59376,
то количество воды, собранной во внутренней трубе, не должно превышать 5·10
-2 мм
3/с на 1 мм внутреннего диаметра внутренней трубы.
6.6.8.2 Аэродинамическая характеристика
При испытании оголовка в соответствии с методом, описанным в
ГОСТ Р 59376, статическое давление в нем
Pстат должно соответствовать следующему уравнению:

(1)
где

- разность давлений, Па, как указано производителем, между внутренней трубой и испытательной камерой при внутренней скорости потока 1 м/с;
WL - скорость ветра, м/с.
Значение

не должно превышать 2 Па для конструкций удаления дымовых газов, работающих в режиме разрежения.
В случае конструкций для удаления дымовых газов с избыточным давлением значение

соответствует фактическому значению, измеренному в условиях, указанных в
6.6.7.3, со скоростью потока 2 м/с.
6.7.1 Коррозионная стойкость внутренней трубы
Коррозионная стойкость должна быть объяснена на основе следующих положений:
a) тип материала (см.
таблицу 4) и толщина внутренней трубы; или
b) на основании результатов, по меньшей мере одного из трех методов испытаний, описанных в
приложении A.
Изделия, которые имеют декларацию производителя на основании типа материала и толщины внутренней трубы, должны быть обозначены как Vm.
Изделия, которые были успешно испытаны в соответствии с разделом A.1
(приложение A), должны быть обозначены как
V1.
Изделия, которые были успешно испытаны в соответствии с разделом A.2
(приложение A), должны быть обозначены как
V2.
Изделия, которые были успешно испытаны в соответствии с разделом A.3
(приложение A), должны быть обозначены как
V3.
Обозначение продукта должно в любом случае включать спецификацию материала внутренней трубы в соответствии с
пунктом 6.7.2.
6.7.2 Спецификация материалов внутренней трубы
Полная спецификация материала внутренней трубы должна быть выражена буквой "
L", за которой следует 5-значное число. Первые 2 цифры представляют тип материала в соответствии с
таблицей 4, а последние 3 цифры должны указывать толщину материала, умноженную на коэффициент 0,01 мм.
Пример - L 40045 обозначает внутреннюю трубу из нержавеющей стали 1.4401 толщиной 0,45 мм.
Таблица 4
Спецификация материалов внутренних труб
Тип материала | Номер материала | Обозначение |
10 | EN AW-4047A | EN AW Al Si 12(A) и Cu < 0,1%, Zn < 0,15% (литой алюминий) |
11 | EN AW-1200A | EN AW-Al 99,0 (A) |
13 | EN AW-6060 | EN AW-Al MgSi |
20 | 1.4301 | X5CrNi 18-10 |
30 | 1.4307 | X2CrNi 18-9 |
40 | 1.4401 | X5CrNiMo 17-12-2 |
50 | | X2CrNiMo 17-12-2 |
60 | 1.4432 | X2CrNiMo 17-12-3 |
70 | 1.4539 | X1NiCrMoCu 25-20-5 |
| Специфицировать | Специфицировать |
<a> Для материала 1.4404 следует считать эквивалентным материал 1.4571 (обозначение X6CrNiMoTi 17-12-2). <b> Типу материала, который в настоящее время не указан в таблице (и имеет собственный номер материала), может быть присвоен тип материала 99 для обозначения изделия в соответствии с разделом 9. Этот тип материала можно считать пригодным для внутренних труб при условии, что он прошел соответствующее коррозионное испытание в соответствии с его предполагаемым обозначением V1, V2 или V3. Производитель должен указать спецификацию материала (см. 7.2). |
6.7.3 Стойкость к замораживанию/оттаиванию
Металлические дымоходные системы устойчивы к циклам замораживания/оттаивания.
6.7.4 Уплотнение внутренней трубы
Уплотнение для внутренних труб описано в
[3].
7.1 Инструкция производителя
Инструкция производителя должна быть представлена на языке каждой страны, в которой данное изделие продается.
7.2 Минимальные данные в описании изделия и инструкции производителя
Производитель должен указать следующую минимальную информацию в описании изделия и в своей инструкции:
a) идентификация производителя;
b) обозначение изделия в соответствии с
разделом 9;
c) спецификация материалов;
d) устойчивость к ветровым нагрузкам:
1) ограничение высоты конструкции для удаления дымовых газов на открытых участках,
2) максимальные расстояния между боковыми опорами или направляющими;
e) прочность на сжатие:
1) максимальная нагрузка,
2) масса и размеры строительных компонентов конструкции для удаления дымовых газов;
f) минимальное расстояние до горючих материалов;
g) коэффициенты местных сопротивлений фасонных элементов и секций конструкции для удаления дымовых газов;
h) термическое сопротивление, м2·К/Вт;
i) предел прочности при изгибе:
1) максимальное смещение,
2) максимальная нагрузка секций и фасонных элементов;
j) опасные вещества;
k) в зависимости от области применения чертеж типового монтажа;
l) метод сборки строительных компонентов;
m) методы установки секций или фасонных элементов, принадлежностей и завершающих элементов, включая указания по защите от атмосферных воздействий;
n) инструкции по заполнению информации на типовой табличке конструкции для удаления дымовых газов в соответствии с настоящим стандартом, а также, если применимо:
o) направление потока;
p) инструкции по складированию;
q) метод использования всех необходимых уплотнительных материалов;
r) отдельные инструкции по сборке всех строительных компонентов, поставляемых в разобранном виде;
s) минимальное расстояние между внешней поверхностью конструкции для удаления дымовых газов и внутренней поверхностью внешней оболочки;
t) расположение ревизионных и смотровых отверстий;
u) нанесение типовой этикетки на конструкцию для удаления дымовых газов, кожух или оболочку;
v) аэродинамические свойства завершающего элемента, включая падение давления в отсутствие ветра;
w) необходимость защиты от прикосновения (на основе результатов испытаний температуры внешней поверхности);
x) крепления/ограничения для оболочки/облицовки;
y) спецификации других материалов (например, уплотнений, огнезащиты);
z) специальные методы или оборудование для очистки.
Примечание - Стандартную процедуру очистки осуществляют с помощью щетки, которая не должна быть изготовлена из черной стали.
Кроме того, должны быть соответствующие рекомендации по отводу конденсата.
Примечание - Необходимую информацию об изделии в этом разделе не следует путать с информацией, указанной для обозначения знаком соответствия (см. приложение ZA,
ZA.3).
Примечание - Положения
раздела ZA.3 применяют к маркировке EAC и этикеткам.
8.2 Секции, фасонные элементы или оголовки конструкции удаления дымовых газов
Секции, фасонные элементы и оголовки конструкции удаления дымовых газов должны иметь данные, если это возможно, на изделии, в противном случае - на этикетке/упаковке, со следующей информацией:
a) обозначение изделия(ий) в соответствии с
разделом 9.
Примечание - Для изделий с несколькими обозначениями производитель может наносить все предусмотренные обозначения, но с учетом информации, приведенной в
перечислении c);
b) наименование или товарный знак производителя;
c) партия или информация производителя об изделии/идентификатор продукта/код;
d) стрелка, указывающая направление потока дымовых газов (если применимо).
8.3 Типовая этикетка конструкции для удаления дымовых газов
Производитель должен предоставить типовую этикетку конструкции для удаления дымовых газов, состоящую из прочного материала и содержащую следующую минимальную информацию:
a) наименование или товарный знак, нанесенные гравировкой или нестираемым способом.
Примечание - Может включать идентификатор изделия и/или обозначение изделия;
b) место для обозначения окончательно установленной конструкции для удаления дымовых газов согласно
ГОСТ Р 59412;
c) место для указания номинального размера;
d) место для указания расстояния до горючих материалов, выраженное в миллиметрах.
Примечание - Для ясности это указание может сопровождаться стрелкой и символом пламени;
e) место для информации о монтажной компании и дате монтажа.
Каждая упаковка в рамках одной поставки должна быть разборчиво обозначена и должна содержать следующую информацию:
b) наименование или товарный знак производителя;
c) номинальный размер.
Все секции и фасонные элементы конструкции для удаления дымовых газов должны быть обозначены в соответствии со следующей системой:
Конструкция для удаления ГОСТ Р 59375.1 T400 P1 W Vx- L40045 G(xx)
дымовых газов │ │ │ │ │ │ │ │
│ │ │ │ │ │ │ │
Описание продукта ──┘ │ │ │ │ │ │ │
│ │ │ │ │ │ │
Номер стандарта ──────────────────┘ │ │ │ │ │ │
│ │ │ │ │ │
Класс температуры ────────────────────────────┘ │ │ │ │ │
│ │ │ │ │
Класс давления (N, или P, или H) ─────────────────┘ │ │ │ │
│ │ │ │
Стойкость к конденсату ───────────────────────────────┘ │ │ │
(W - влажный или │ │ │
D - сухой) │ │ │
│ │ │
Стойкость к коррозии (устойчивость к коррозии) ───────────┘ │ │
│ │
Спецификация материала внутренней трубы (см.
6.7.2) ─────────────┘ │
│
Устойчивость к возгоранию сажи (G: да или O: нет) ──────────────────────┘
и расстояние до горючих материалов, мм
10 Подтверждение соответствия
Соответствие конструкции для удаления дымовых газов требованиям настоящего стандарта и указанным значениям (включая классы) должно быть подтверждено следующим образом:
a) первичными испытаниями;
b) производственным контролем производителя, включая оценку продукта.
10.2.1 Первичное типовое испытание
Для подтверждения соответствия данным настоящего стандарта должно быть проведено первичное типовое испытание. Могут быть рассмотрены более ранние испытания, проводимые в соответствии с положениями настоящего стандарта [один и тот же продукт, одно (одни) и то (те) же свойство(а), идентичные методы испытаний, методы отбора проб, демонстрация соответствия и т.д.]. Дополнительно следует проводить первичные испытания в начале производства новой дымоходной системы или при введении нового производственного процесса (если это влияет на указанные свойства).
Если для некоторых свойств (для теплоизоляционных материалов, металлов, включая покрытия, заполнители, уплотнения и уплотнительные материалы) уже установлены другие стандарты на продукцию, эти свойства не требуют переоценки при условии, что конструктор гарантирует достоверность результатов. Знак подтверждения соответствия на изделии (см.
[5]) может быть рассмотрен как подтверждение указанных в нем характеристик, хотя это не освобождает производителя от ответственности за то, чтобы дымоходная система в целом была правильно спроектирована и ее строительные компоненты отвечали необходимым требованиям.
Все свойства, указанные в
разделах 5 и
6, должны быть включены в первичное типовое испытание за следующим исключением:
- выброс опасных веществ, так как это можно косвенно оценить путем проверки состава соответствующего вещества.
10.2.2 Последующее типовое испытание
При любом изменении конструкции одного из изделий дымоходной системы, при изменении основного материала, или поставщика строительного компонента, или процесса производства, которые повлияли на допустимые отклонения и требования
разделов 5 и
6 для одного или нескольких свойств, система должна быть подвергнута повторному типовому испытанию соответствующих свойств.
10.2.3 Отбор проб для типового испытания
Размеры испытуемых продуктов должны соответствовать размерам, приведенным в
приложении B.
Количество изделий дымоходных систем каждого размера, предназначенных для испытаний, должно соответствовать требованиям определенных разделов
ГОСТ Р 59376.
Результаты всех типовых испытаний должны быть записаны и заархивированы производителем до тех пор, пока они не устареют.
10.3 Контроль продукции в процессе производства (FPC)
10.3.1 Общие положения
Примечание - Предусмотрено, что система FPC, отвечающая следующим требованиям соответствующих частей
ГОСТ Р ИСО 9001 и адаптированная к требованиям
настоящего стандарта, отвечает требованиям заводского контроля производства. Проверку следует проводить не более одного раза в год.
Производитель должен организовать систему контроля продукции в процессе производства (FPC), сформировать и хранить документацию для обеспечения гарантии того, что произведенные изделия соответствуют указанным характеристикам. Система FPC должна включать процедуры, периодические проверки и осмотры и/или оценки, а также использование результатов, например для контроля за основными материалами и другими комплектующими изделиями и оборудованием, а также для проверки процесса производства самого изделия.
Производитель несет ответственность за эффективное применение заводского контроля производства. Задачи и ответственные в процессе контроля производства должны быть задокументированы, и эту документацию следует постоянно обновлять. На каждом заводе производитель может делегировать надзор лицам, обладающим необходимыми полномочиями для того, чтобы:
a) определять процедуры для подтверждения соответствия изделия на определенных этапах производства;
b) распознавать и записывать все события, которые привели к несоответствию продукции;
c) определять процедуры для коррекции событий, которые привели к несоответствию.
Изготовитель должен составлять документацию по заводскому контролю производства, в которой установлены введенные им процедуры контроля производства, и поддерживать ее в актуальном состоянии. Документация производителя и процедуры контроля должны соответствовать изделию и процессу изготовления. Все системы FPC должны приводить к тому, чтобы в надлежащих рамках можно было полагаться на единообразие изделий. Это включает в себя:
d) подготовку документальных процедур и инструкций с мероприятиями, осуществляемыми при заводском контроле производства, с учетом требований соответствующих технических условий поставки;
e) эффективное выполнение этих процедур и инструкций;
f) запись указанных мероприятий и их результатов;
g) использование этих результатов для корректировки любых отклонений, устранение последствий таких отклонений, изменение всех условий, влекущих несоблюдение технических требований, и, при необходимости, пересмотр системы FPC для устранения причины несоблюдения технических требований.
Деятельность по контролю производства должна включать некоторые или все нижеследующие пункты:
h) спецификацию и оценку основных материалов и составных компонентов;
i) проверки и испытания во время производства, проводимые с установленной частотой;
j) оценки и испытания готовых изделий с частотой, которая может быть указана в технической спецификации и адаптирована к продукту и условиям его производства.
Примечание - В зависимости от конкретного случая может потребоваться либо выполнить действия, приведенные в
перечислениях h) и
i), либо указанные в
h), либо по
перечислению i).
Мероприятия [см.
перечисление h)] должны быть сконцентрированы не только на промежуточных этапах производства изделия, но и на производственном оборудовании, его установке, оснащении и т.д. Эти проверки и испытания, их частота варьируются в зависимости от типа и составных элементов изделия в зависимости от производственного процесса, степени чувствительности свойств изделия к изменениям производственных параметров и т.д.
Производитель должен иметь в своем распоряжении необходимые средства, оборудование и персонал для проведения установленных оценок и испытаний. Он или его представитель могут также уполномочить для выполнения данных задач одну или несколько организаций или лиц, обладающих необходимыми навыками и оборудованием.
Применительно к подтверждению соответствия изделия техническим условиям его поставки производитель несет ответственность за то, чтобы приборы контроля, проверки и измерений проходили постоянную калибровку, проверку и обслуживание независимо от того, принадлежат они ему или не принадлежат. Оборудование следует использовать в соответствии со спецификацией или системой контроля, к которой относится спецификация.
При необходимости соответствие техническим условиям должно быть также проверено на промежуточных стадиях производства и на самых важных этапах изготовления.
Данную проверку соответствия техническим условиям применяют на протяжении всего производственного процесса для того, чтобы до этапа отправки могли быть допущены только те продукты, которые прошли все запланированные промежуточные проверки и испытания.
Результаты проверок, испытаний или оценок, требующих действий, а также любые меры, принятые в этом контексте, следует регистрировать. Необходимо также регистрировать меры, которые необходимы, если контрольные значения или критерии не соблюдены.
10.3.2 Оборудование
Все оборудование для взвешивания, измерения, испытания должно быть откалибровано и проверено в соответствии с процедурами, условиями и указанной периодичностью.
10.3.3 Основные материалы и строительные компоненты
Спецификации всех поставляемых основных материалов и строительных компонентов должны быть задокументированы согласно плану контроля для обеспечения их соответствия.
10.3.4 Контроль и оценка продукции
Производитель должен развивать процедуры испытания и оценки продукции для того, чтобы гарантировать, что установленные значения для заданных свойств выполнены. Отбор проб FPC должен быть осуществлен в соответствии с
приложением C. Свойства продукции приведены в
приложении D.
10.3.5 Неподтвержденные изделия
Изделия, которые не соответствуют установленным требованиям, должны быть обработаны согласно
приложению C.
(обязательное)
A.1 Методы коррозионных испытаний для изделий, обозначенных V1
A.1.1 Общие положения
В данном разделе установлены требования не только на испытание на коррозионную стойкость для внутренних труб, но и одно- и многослойных металлических конструкций для удаления дымовых газов, которые отводят продукты сгорания от источника тепла в атмосферу, а также на условия испытаний для изделий конструкций для удаления дымовых газов, которые обозначаются V1.
A.1.2 Условия приемки/отказа от приемки
При проведении испытания, описанного в
A.1.4, на стенке внутренней трубы не должно быть отверстий.
A.1.3 Отбор проб
A.1.4.1 Введение
Коррозионное испытание конструкции для удаления дымовых газов заключается в том, чтобы подвергнуть испытательную установку предписанным испытаниям и оценить результаты воздействия. Условия испытаний могут разделяться на условия испытаний потока, насыщенности дымовых газов и условия окружающей среды.
Для записи и контроля условий испытания испытательная установка должна быть подключена к испытательному оборудованию, которое состоит из генератора дымовых газов, соединительного элемента и инструментов. Все физические показатели определяются по результатам измерений. Точность установлена равной
<1>.
--------------------------------
<1>

- нормативное отклонение.
A.1.4.2 Условия испытаний
Условия потока следует применять в течение испытательного периода на протяжении 4 нед.
Условия потока во время испытательного периода подлежат определенным циклам.
Каждый отдельный цикл (см.
рисунок A.1) состоит из четырех фаз:
a) фаза 1 - нагнетание в течение 5 мин дымовых газов с температурой 85 °C для класса устойчивости к воздействию конденсата W и с температурой 120 °C для класса устойчивости к воздействию конденсата D;
b) фаза 2 - фаза охлаждения, как и фаза 4;
c) фаза 3 - нагнетание в течение 5 мин дымовых газов с предполагаемой номинальной температурой;
d) фаза 4 - фаза охлаждения в течение 5 мин для достижения температуры внешней поверхности ниже 45 °C на конце испытательной установки (на 50 см ниже выхода). При необходимости для понижения температуры поверхности ниже 45 °C может быть использована дополнительная вентиляция.
1 - температура дымовых газов - температура стенок;
2 - сухой; 3 - влажный; 4 - фаза 1 - дымовые газы, Tниз;
5 - фаза 2 - воздух; 6 - фаза 3 - дымовые газы, Tвыс;
7 - фаза 4 - воздух
Рисунок A.1 - Последовательность циклов
Общее число циклов составляет 2016 (при условии продолжительности испытаний 4 нед).
Скорость дымовых газов в испытательной установке должна быть (1 +/- 0,1) м/с для внутренних труб с разрежением и (3 +/- 0,3) м/с для внутренних труб с избыточным давлением при заданной температуре испытания и заданном содержании водяных паров дымовых газов.
Предусмотренная температура испытания представляет собой номинальную рабочую температуру конструкции для удаления дымовых газов, как это установлено ее температурным классом, или 200 °C в зависимости от того, что ниже.
Содержание водяного пара в дымовых газах равно содержанию водяного пара в дымовых газах предусмотренного топлива (природный газ для
V1) при коэффициенте избытка воздуха 1,2. Значения, которые должны быть установлены, приведены в
таблице A.1.
Таблица A.1
Содержание водяного пара в дымовых газах во время испытания
Обозначение дымоходной системы | Содержание водяного пара в дымовых газах (объемная доля), % |
V1 | 17 +/- 0,5 |
Коэффициент избытка воздуха и, следовательно, содержание углекислого газа CO
2 в дымовых газах в испытательной установке должно быть отрегулировано так, чтобы было получено корректное содержание водяного пара (см.
таблицу A.1 и
таблицу A.2).
Таблица A.2
Содержание CO
2 в дымовых газах во время испытания
(справочная)
Обозначение дымоходной системы | Содержание CO2 в дымовых газах (объемная доля), % |
V1 | 10 +/- 0,5 |
При испытании конструкций для удаления дымовых газов с избыточным давлением в испытательной установке следует поддерживать давление дымовых газов (100 +/- 10) Па с помощью сужения на выходе. Давление измеряют в положении 2d перед сужением в конце фазы 3.
При испытании конструкций для удаления дымовых газов с разрежением не допускается использовать сужение в испытательной установке.
A.1.4.2.2 Уровни насыщения
Концентрация диоксида серы и хлоридов на выходе из камеры сгорания должна достигать значений, указанных в
таблице A.3.
Таблица A.3
Концентрации для различных классов коррозионной стойкости
| | ИС МЕГАНОРМ: примечание. Таблица дана в соответствии с официальным текстом документа. | |
Класс устойчивости к коррозии | Концентрация диоксида серы | Концентрация хлорида |
V1 | 10 мг/м3 +/- 10% | 4 мг/м3 +/- 10% |
V1 | 10 мг/м3 +/- 10% | 4 мг/м3 +/- 10% |
Для достижения указанных уровней концентрации некоторые химические соединения должны быть добавлены к топливу. Для этой цели выбирают органическое соединение серы тетратриотиофен (CH2)4S (ТНТ), потому что это - жидкость, которая добавляется к природному газу в качестве добавки для запаха. В пламени горелки ТНТ полностью сгорает, образуя фиксированное количество диоксида серы SO2.
В качестве хлорорганического соединения выбран 1,2,3-трихлорпропан C3H5Cl3, потому что это - жидкость, которая относительно слабо токсична и имеет высокую температуру кипения. В пламени горелки происходит полное сгорание этого соединения, в результате чего образуется фиксированное количество соляной кислоты HCl.
A.1.4.2.3 Испытательная установка
Обеспечивают подвод чистого наружного воздуха для горения. Обращают внимание на то, чтобы исключалась возможность загрязнения окружающей среды охлаждающими газами, хлором, чистящими растворами, сварочными газами и т.д. (например, при помощи фильтрации воздуха).
При использовании жидкого топлива для горения доля воды в воздухе для горения может быть увеличена для достижения необходимого содержания влаги в дымовых газах.
Во 2-й и 4-й фазах коррозионного цикла испытуемая конструкция для удаления дымовых газов должна вентилироваться. Температура приточного воздуха должна составлять (20 +/- 5) °C. Температура точки росы водяного пара приточного воздуха должна быть (12 +/- 3) °C на протяжении не менее 90% продолжительности испытания. Забор приточного воздуха необходимо осуществлять из помещения, в котором проводят испытание.
Температура в помещении для проведения испытаний должна составлять (20 +/- 5) °C.
В радиусе 2 м вокруг испытательной установки максимальное движение воздуха должно быть менее 0,5 м/с. Эти условия следует поддерживать на протяжении как минимум 90% продолжительности испытания
<1>.
--------------------------------
<1> Это условие можно считать выполненным без измерения движения воздуха, если вокруг испытательной установки создан достаточно плотный экран. Расстояние между испытательной установкой и экраном должно быть настолько большим, чтобы температура экрана была меньше температуры в помещении для проведения испытаний на 2 °C, но не более 1 м.
A.1.4.3 Условия окружающей среды
Испытательная установка (см.
рисунок A.2) должна иметь минимальную высоту 3,5 м над выходным отверстием и, если это применимо, горизонтальную секцию не менее 0,5 м, соединенную с двумя вертикальными секциями двумя угловыми фитингами. Уклон горизонтальной секции должен составлять не менее 5 мм/м в соответствии с инструкциями по установке производителя, чтобы обеспечить сток конденсата. Если система содержит Т-образный фитинг, этот тройник следует использовать для подключения к разъему. Номинальный диаметр испытательной установки должен быть наименьшим диаметром из всех в классе продукции.
1 - испытательная установка; 2 - дымовые газы Tвыс
(генератор воздуха для горения); 3 - дымовые газы Tниз
(генератор воздуха для горения); 4 - Tо.в (вентилятор);
5 - соединительный элемент
Рисунок A.2 - Испытательная установка
и соединительный элемент
Если проверяют конструкцию для удаления дымовых газов с обозначением устойчивости к возгоранию сажи, то испытание на устойчивость к возгоранию сажи следует проводить на испытательной установке перед выполнением испытания на коррозионную стойкость.
Охлаждение испытательной установки должно быть осуществлено принудительной вентиляцией.
A.1.4.4 Генератор дымовых газов
Генератор дымовых газов (см.
рисунок A.3) состоит из трех компонентов: генератора воздуха для горения, охладителя и соединительного устройства (включая указанный соединительный элемент).
1 - дымовые газы; 2 - охладитель; 3 - охлаждающая вода;
4 - точка измерения CO2, H2O, SO2, Cl; 5 - генератор воздуха
для горения; 6 - воздух; 7 - топливо; 8 - SO2; 9 - вода
Рисунок A.3 - Генератор дымовых газов
Охладитель должен быть установлен таким образом, чтобы конденсат не мог возвращаться в генератор воздуха для горения.
Соединительный элемент между охладителем и испытательной установкой должен быть покрыт теплоизоляцией для достижения термического сопротивления не менее 0,22 м2·К/Вт. Его выход должен иметь такой же диаметр d, как и испытательная установка и прямой участок длиной 5d.
Генератор воздуха для горения, охладитель и соединительный элемент должны быть изготовлены из коррозионно-стойкой стали с содержанием молибдена не менее 2%.
Охладитель должен иметь регулируемый выход с необходимым температурным диапазоном между 85 °C и номинальной температурой внутренней трубы (до максимальной температуры 200 °C) с точностью +/- 5%. В охладителе водяной пар не должен конденсироваться.
A.1.4.5 Система насыщения
Работа системы насыщения, показанная на
рисунке A.4, основана на добавлении парообразных загрязняющих веществ в байпасный газовый поток, соединенный с основным газовым потоком. Для обеспечения дозировки парообразного загрязняющего вещества расход газа на байпасе контролируется скоростью потока газа основного газового потока. Общий расход, необходимый для достижения скорости дымовых газов, требуемой в соответствии с
A.1.4.2.1, зависит от поперечного сечения испытуемой внутренней трубы.
Рисунок A.4 - Система получения концентрации
(для добавления только одной жидкости)
В системе насыщения давление газа снижается в два этапа от 0,1 до 0,0025 МПа. Промежуточное давление газа составляет 0,015 МПа.
Для контроля расхода газа в основном потоке газа после первого редукционного клапана должен быть установлен расходомер F. Этим прибором измеряют расход газа в основном потоке при давлении 0,015 МПа. При помощи конвертора X измерительный сигнал преобразуется в контрольный сигнал, который пропорционален измеренной скорости потока основного газа и отправляется в расходомер и блок управления (F, C), установленный в байпасе. Блок управления контролирует количество газа, проходящего через жидкий загрязнитель. Контейнер с загрязняющим веществом содержится в ванне с регулятором температуры (T, C) при постоянной температуре. Постоянная температура приводит к тому, что давление паров загрязняющего вещества также остается постоянным. В результате того, что часть природного газа будет направлена через загрязняющую жидкость R, обеспечивается получение подходящей смеси природного газа и загрязненных паров. Вместе с природным газом загрязненный пар из контейнера подается обратно в байпас. В области давления 0,0025 МПа байпас подключен к основному потоку газа, который смешивает природный газ и природный газ с высоким содержанием загрязняющих веществ.
Общее содержание серы и хлора в окончательном потоке природного газа зависит от скорости потока газа и температуры в подающем резервуаре. Можно изменить содержание загрязняющих веществ в природном газе, изменив настройку конвертора или температуру ванны с регулятором температуры. Если температура в ванне с регулятором температуры выше комнатной, труба должна быть изолирована от основного газового потока, чтобы исключить конденсацию загрязняющего вещества на стенке соединения.
Ввод загрязняющих веществ должен быть расположен на расстоянии не ближе 1 м перед горелкой.
A.1.4.6 Правила
На протяжении всех испытаний информация о подаче топлива должна регистрироваться и регулироваться, если необходимо, с точностью до +/- 5%.
В течение всего времени испытания должны быть зафиксированы следующие параметры:
- температура внутренней стенки в конце испытательной установки (50 см ниже выхода) с точностью 5 °C
<1>;
- температура дымовых газов, поступающих в испытательную установку, с точностью 10 °C
<2>;
- количество испытательных циклов;
- температура в помещении вблизи испытательной установки с точностью до 1 °C;
- температура приточного воздуха с точностью до 1 °C (может быть использован тот же датчик температуры, если приточный воздух взят в непосредственной близости от испытательной установки);
- точка росы приточного воздуха с точностью 2 °C или относительная влажность приточного воздуха с точностью 5% абсолютной величины;
- точка росы воздуха для горения с точностью 2 °C или относительная влажность воздуха для горения с точностью 5% абсолютной величины (можно использовать тот же датчик, если воздух для горения взят из того же источника, что и приточный воздух);
- движение воздуха вокруг испытательной установки с точностью 0,1 м/с (может не выполняться, если испытательная установка достаточно экранирована от потока воздуха).
--------------------------------
<1> Для измерения температуры могут быть использованы термопары NiCr-Ni. Диаметр проводов не должен превышать 0,5 мм. Могут применять и другие температурные датчики при условии, что они имеют одинаковую или высшую точность и одинаковые или более низкие теплоемкости.
<2> Датчик температуры может быть установлен в середине выхода соединительного элемента. В начале 1-й и 3-й фаз капли конденсата могут влиять на показания температуры датчика. Эти неправильные показания должны быть проигнорированы. Рекомендуемым датчиком является термопара с изолированной проволокой из нержавеющей стали диаметром 1 мм или менее. Могут также использоваться другие температурные датчики при условии, что они имеют одинаковую или высокую точность, ту же или меньшую теплоемкость и тот же или высший класс коррозионной стойкости.
На протяжении всего времени испытания необходимо постоянно измерять и настраивать следующие параметры для того, чтобы гарантировать, что значения параметров остаются в пределах указанных допусков:
- состав дымовых газов в части содержания влаги, диоксида углерода, серы и хлоридов в середине выхода из горелки с точностью до 5% номинальной величины (предоставленной);
- давление в испытательной установке (только при избыточном давлении) с точностью 5% (один раз в неделю)
<1>.
--------------------------------
<1> На показание давления могут влиять выпадение конденсата на измерительные пункты и трубы. Поэтому необходимо принять меры, чтобы избежать неправильной интерпретации результатов (т.е. использовать осушитель).
Следующие параметры должны быть измерены только в начале испытания:
- содержание хлора в топливе с точностью до 2 мг/м3 для газа (может не выполняться, если имеется удостоверенная декларация от поставщика топлива);
- содержание серы в топливе с точностью 2,5 мг/м3 для V1 или с точностью 100 мг/м3 для V2 (может не выполняться, если имеется удостоверенная декларация от поставщика топлива).
A.1.5 Оценка результатов
После завершения испытательных процедур металлическая внутренняя труба (включая покрытия и уплотнители) должна быть визуально проверена на наличие явных признаков коррозии и утечки. Для более точной оценки могут потребоваться демонтаж и очистка испытательной установки.
Для определения наличия перфорации необходимо использовать одну из следующих процедур:
a) вблизи точки предполагаемой перфорации расположить небольшое зеркало для проверки образования конденсата на поверхности зеркала во время работы конструкции для удаления дымовых газов (применимо только к системам с избыточным давлением);
b) утечки конструкции для удаления дымовых газов предпочтительно измерять на месте, используя воздушные шары в качестве уплотнения в верхней и нижней частях конструкции для удаления дымовых газов. Утечка должна быть меньше двукратной допустимой величины газопроницаемости (для вновь установленных конструкций для удаления дымовых газов);
c) стенки конструкции для удаления дымовых газов должны быть очищены от продуктов коррозии (с использованием мягких щеток и промывки водой), и это необходимо проверить на просвет, разместив электрическую лампу внутри конструкции для удаления дымовых газов.
A.1.6 Протокол испытания
Протокол испытания должен содержать следующую информацию:
a) ФИО поставщика и/или производителя, номер заказа, дату;
b) описание объекта испытания;
c) описание труб и фасонных элементов, подвергнутых коррозионному испытанию, на основе информации производителя о материале, поверхности, обо всех используемых технологиях (возможно, в зависимости от диаметра), краткое описание производственных процессов (инструменты, параметры сварки и т.д.), специальной (поверхностной) обработки;
d) результаты испытаний:
1) идентификация материала объекта испытания,
2) значения глубины точечной коррозии,
3) средние значения температуры в ходе испытания,
4) средние значения CO2 в дымовых газах,
5) средние значения состава конденсата в ходе испытания;
e) дальнейшие наблюдения;
f) обобщение результатов и их оценка.
A.2 Методы испытаний коррозионной стойкости изделий, обозначенных V2
A.2.1 Общие положения
Этот протокол об испытаниях устанавливает испытание на коррозионную стойкость для внутренних труб не только однослойных, но и многослойных металлических конструкций для удаления дымовых газов, которые отводят продукты сгорания от источника тепла в атмосферу.
В протоколе определены условия испытаний изделий конструкций для удаления дымовых газов, обозначенных V2.
A.2.2 Условия приемки/отказа от приемки
Для испытания в соответствии с процедурой, описанной в
A.2.4, внутренняя труба должна отвечать нижеприведенным требованиям.
A.2.2.1 Равномерная коррозия
Уменьшение толщины стенки, указанное в
A.2.5.1, не должно превышать 1%. Это требование не относится к коррозионно-стойкой стали, поскольку коррозионно-стойкая сталь нечувствительна к равномерной коррозии.
A.2.2.2 Точечная коррозия
Максимальная глубина точечной коррозии, проверенная согласно
A.2.5.2, не должна превышать 20%.
Это требование не распространяется на материалы, которые более чувствительны к равномерной коррозии, например алюминий.
A.2.2.3 Среднее значение точечной коррозии
Среднее значение 10 точек с максимальной глубиной ямок точечной коррозии, вычисленное в соответствии с
A.2.5.3, не должно превышать 10%.
A.2.2.4 Межкристаллическая коррозия
Максимальная глубина зоны межкристаллической коррозии не должна превышать 20%.
Это требование не действует для конструкций удаления дымовых газов из нержавеющей стали, которые не были предварительно заявлены для температур выше 400 °C, поскольку данный материал нечувствителен к межкристаллической коррозии при низких температурах.
A.2.3 Отбор проб
A.2.4.1 Испытательная установка
Испытательная установка должна состоять из фасонного элемента с центральным сливом конденсата, фасонного элемента с впускным отверстием для дымовых газов (90°) и по меньшей мере двух жестких труб. Для гибких труб вместо жестких труб используют гибкие трубы и фасонные элементы для перехода от жесткой к гибкой трубе или от гибкой к жесткой трубе (если применяется). Трубы и фасонные элементы должны быть изготовлены так же, как предписано для серийного производства. Общая длина испытательного образца должна составлять от 2,5 до 2,6 м; диаметр должен быть от 0,10 м до 0,13 м.
Трубы и фитинги перед испытанием следует хранить в оригинальной упаковке при нормальной комнатной температуре и относительной влажности воздуха, не превышающей 60%.
A.2.4.1.1 Подготовка строительных компонентов для проведения испытания
Для однослойных конструкций для удаления дымовых газов следует использовать трубы и фасонные элементы, поставляемые производителем.
Для многослойных конструкций для удаления дымовых газов трубы и фасонные элементы должны быть разобраны, чтобы удалить внешнюю оболочку. Испытательная установка должна состоять из внутренней трубы со всеми металлическими соединительными частями с наружной оболочкой, которая была удалена.
Недопустимо проводить дальнейшую специальную предварительную обработку.
A.2.4.2 Помещение для испытания и испытательное оборудование
Испытательная установка должна быть собрана на испытательном стенде, который способен нагревать или охлаждать всю внешнюю поверхность.
Генератор дымовых газов должен быть присоединен к впускному отверстию испытательной установки с использованием неметаллического соединительного элемента. Генератор дымовых газов (например, отопительный котел) должен работать на легком мазуте и производить неконденсирующийся дымовой газ.
Примечание - Описание конструкции для испытания приведено на
рисунке A.5.
1 - выпускное отверстие дымовых газов; 2 - испытательный
стенд нагрева/охлаждения; 3 - испытательный образец;
4 - вход дымовых газов; 5 - отвод конденсата
Рисунок A.5 - Схема испытательной установки
Для контроля за испытанием и оценки результатов должны быть предусмотрены приборы для измерения температуры дымовых газов, стенок образца и помещения для испытания (например, термоэлементы, как описано в процедуре испытания), чтобы определить:
a) скорость дымовых газов;
b) состав дымовых газов (CO2, CO, Cl, SO2);
c) вес и состав конденсата и глубину коррозии.
Во время испытания температура в помещении для испытания должна составлять (20 +/- 5) °C.
A.2.4.3 Проведение испытания
A.2.4.3.1 Монтаж
Испытательная установка должна быть смонтирована на испытательном стенде. К внешней стороне внутренней трубы в точках на высоте 0,3 и 2,0 м от входа дымовых газов должны быть прикреплены термоэлементы для измерения температуры.
Термоэлементы для измерения температуры дымовых газов должны быть закреплены на входе и выходе испытательной установки.
В соединительном элементе непосредственно перед входом в испытательную установку должна быть расположена точка проверки состава дымовых газов.
Для отвода конденсата от испытательной установки к сливу конденсата должны быть прикреплены неметаллический шланг и неметаллический контейнер.
Температура в помещении должна быть измерена в точке на 1 м выше входного отверстия дымовых газов образца и на расстоянии 1 м от испытательного стенда.
A.2.4.3.2 Циклы конденсационной нагрузки
Генератор дымовых газов должен вырабатывать поток дымовых газов, чтобы температура дымовых газов на входе в испытательную установку составляла (60 +/- 3) °C, а скорость - (0,75 +/- 0,25) м/с. Состав дымовых газов на входе в испытательную установку должен соответствовать значениям, приведенным в
таблице A.4.
Таблица A.4
Топливо | Легкий мазут |
Содержание CO2 | (12,5 +/- 0,5)% (объемная доля) |
Содержание SO2 | (175 +/- 20)·10-6 г/г (соответствует 0,3% S в топливе) |
Содержание Cl | От 2·10-6 до 3·10-6 г/г (соответствует 50·10-6 г/г хлора в топливе) |
Испытательную установку следует подвергать 30 циклам испытания, при этом каждый цикл состоит из 8-часовой фазы конденсации дымовых газов и фазы сушки (испарения) не менее 16 ч.
В течение всей конденсационной фазы цикла генератор дымовых газов должен работать постоянно и равномерно в условиях, описанных выше. Температура стенок образца должна быть установлена на (40 +/- 3) °C.
В фазе сушки генератор дымовых газов должен быть отключен, а стенки образца нагреты до температуры (60 +/- 3) °C. Образец дополнительно не проветривают. Температуру стенок необходимо измерять непрерывно.
Конденсат за весь период испытаний собирают в контейнере.
A.2.4.4 Контроль
Температуру дымовых газов, температуру стенок и температуру помещения следует измерять постоянно.
Содержание CO2 и CO должны измерять один раз в каждой фазе. Один раз при каждом испытании замеряют содержание Cl, SO2 и скорость. Это измерение должны повторить, если произойдет изменение граничных условий генератора дымовых газов (подаваемого топлива, энергии и т.д.).
Контроль измерения температуры дымовых газов, температуры стенок и контроль содержания CO2 необходимо предусматривать только в начале испытания.
A.2.5 Оценка результатов
После прохождения циклов конденсационной нагрузки испытательную установку необходимо разобрать. Трубы и фасонные элементы должны быть разрезаны на две части и визуально проверены на предмет возможной коррозии. Участки с коррозионным воздействием должны быть изучены более интенсивно с помощью микроскопа. Глубина изъязвления коррозией должна быть измерена путем изучения секций через поперечное сечение образца (металлографическое исследование).
Для определения максимальной глубины изъязвления коррозией достаточно исследовать места с наибольшим коррозионным воздействием.
Необходимо проанализировать вес и состав конденсата (Fe, Cr, Mo, Ni или другие компоненты, входящие в сплав образца).
A.2.5.2 Равномерная коррозия
На основе содержания металлических компонентов в конденсате рассчитывают массу конденсата и содержание составляющих компонентов в образце, вычисляют потерю массы материала

, г, по формуле
| | ИС МЕГАНОРМ: примечание. Формула дана в соответствии с официальным текстом документа. | |

(A.1)
где mкомп.конд - содержание компонентов в конденсате, г/кг конденсата;
mконд - масса конденсата, кг;
mкомп.мат - содержание компонентов в материале.
Среднее уменьшение толщины стенки (абсолютное) представляет собой результат потери массы по отношению к плотности материала и внутренней поверхности вертикальной части образца. Относительное уменьшение толщины стенки для оценки стойкости к воздействию конденсата рассчитывают как разницу толщины стенки до и после испытания, отнесенную к заданной минимальной толщине стенки.
A.2.5.3 Точечная коррозия
Глубина точечной коррозии, измеренная в соответствии с
A.2.2.2, по отношению к указанной минимальной толщине стенки.
A.2.5.4 Средняя точечная коррозия
Среднее значение 10 точек с наивысшими значениями глубины точечной коррозии, измеренной в соответствии с
A.2.2.3, по отношению к указанной минимальной толщине стенки. Если идентифицировано менее 10 участков коррозионного воздействия, среднее значение следует рассчитывать исходя из суммы всех измеренных значений глубины точечной коррозии, деленной на 10 (т.е. 10 участков коррозионного воздействия).
A.2.5.5 Межкристаллическая коррозия
Если обнаружен участок с межкристаллической коррозией, то максимальную глубину коррозионного воздействия следует измерять с помощью описанных выше методов. Показатель глубины устанавливают относительно указанной минимальной толщины стенки.
A.2.6 Протокол испытания
Протокол испытания должен содержать следующую информацию:
a) наименование поставщика и/или производителя, номер заказа, дату;
b) описание образца для испытаний;
c) описание труб и фасонных элементов, подвергнутых коррозионному испытанию, на основании информации производителя о материале, поверхности, всех используемых технологиях (возможно, в зависимости от диаметра), краткое описание производственных процессов (инструменты, параметры сварки и т.д.), специальной (поверхностной) обработке;
d) результаты испытаний:
1) идентификация материала испытуемого образца,
2) показатели глубины точечной коррозии,
3) средние значения температуры в ходе испытания,
4) средние значения CO2 для дымовых газов,
5) средние значения состава конденсата в ходе процесса испытания;
e) дальнейшие наблюдения;
f) обобщение результатов и их оценка.
A.3 Методы испытаний коррозионной стойкости изделий, обозначенных V3
A.3.1 Общие положения
В этом протоколе об испытаниях установлены методы испытания коррозионной стойкости для внутренних труб как однослойных, так и многослойных металлических конструкций для удаления дымовых газов, которые отводят продукты сгорания от источника тепла в атмосферу.
Он устанавливает испытания изделий конструкций для удаления дымовых газов, обозначаемых V3.
A.3.2 Условия приемки/отказа от приемки
Для испытания в соответствии с процедурой, описанной в
A.3.4, внутренняя труба должна отвечать следующим требованиям:
a) стенка не должна иметь перфорации;
b) равномерное уменьшение толщины стенки не должно превышать 5%;
c) уменьшение толщины стенки в отдельных точках не должно превышать 20% от заданной минимальной толщины стенки;
d) глубина проникновения любой кристаллической коррозии не должна превышать 20% от заданной минимальной толщины стенки.
A.3.3 Отбор проб
A.3.4.1 Испытательная установка
Для испытания на коррозионную стойкость испытательная установка высотой около 4,5 м и диаметром внутренней трубы 200 мм должна быть выполнена в соответствии с инструкциями производителя с использованием компонентов с наименьшим термическим сопротивлением. Испытательную установку следует подключать поочередно к источнику тепла на угле с номинальной тепловой мощностью 24 кВт и к источнику тепла на мазуте с номинальной тепловой мощностью 29 кВт, с использованием теплоизолированных соединительных элементов такого же диаметра.
Для измерения температуры дымовых газов и стенок трубы необходимо установить термопары согласно
ГОСТ Р 59376; температуры дымовых газов следует измерять на входе дымовых газов и в верхней точке конструкции для удаления дымовых газов, температуры стенок трубы - на высоте 2, 3 и 4 м над основанием и в верхней точке конструкции. В соединительный элемент должны быть установлены плотно закрывающиеся клапаны дымовых газов, которые регулируются двумя термостатами, установленными на входе в дымоходную систему. На расстоянии около двух диаметров 2
d за регулирующими устройствами источника тепла должны быть расположены отверстия для измерения расхода дымовых газов. После сборника дымовых газов в верхней точке испытуемой конструкции для удаления дымовых газов должен быть установлен дымосос (см.
рисунок A.6).
Все физические данные устанавливают в результате измерений. Точность задают с

.
A.3.4.2 Проведение испытания
Испытуемая конструкция для удаления дымовых газов должна быть подвергнута следующей процедуре в указанном порядке:
a) 2 периода по 5 дней каждый, образец подвергают воздействию дымовых газов от источника тепла на угле;
b) 2 периода по 5 дней каждый, образец подвергают воздействию дымовых газов от источника тепла на мазуте;
c) испытание на возгорание (при устойчивости к возгоранию сажи "G");
d) 2 периода по 5 дней каждый, образец подвергают воздействию дымовых газов от источника тепла на угле;
e) 2 периода по 5 дней каждый, образец подвергают воздействию дымовых газов от источника тепла на мазуте.
Испытуемая конструкция для удаления дымовых газов должна работать с разрежением и в условиях, близких к практике. Если необходимо, должен быть включен дымосос, чтобы предотвратить попадание дымовых газов от сжигания угля в помещение для испытаний во время фазы охлаждения. Источник тепла вне периода эксплуатации должен быть отключен от дымового тракта клапаном дымовых газов. При этом соблюдают нижеследующие условия эксплуатации источников тепла и условия проведения испытаний согласно
ГОСТ Р 59376.
A.3.4.2.1 Генерирование дымовых газов при сжигании угля
A.3.4.2.1.1 Общие положения
При номинальной тепловой мощности источника тепла на угле (24 кВт) следует соблюдать условия по генерированию дымовых газов согласно
таблице A.5.
Таблица A.5
Условия для выработки дымовых газов в источнике тепла
на твердом топливе
Показатель | Значение |
Содержание CO2 | 13,8% |
Массовый расход дымовых газов | 0,012 01 кг/с |
Температура дымовых газов | 200 °C |
Разрежение | 18 Па |
В источнике тепла для сжигания угля каждый день в течение семи циклов нагрева должны сжигаться 30 кг антрацитового угля согласно
таблице A.6.
Таблица A.6
Расчетные значения антрацитного угля
Показатель | Значение |
Размер | От 3 до 5 см |
Плотность | От 740 до 780 кг/м3 |
CO2 макс | 19,3% |
Углерод | 85% |
Водород | 3% |
Кислород | 2% |
Азот | 1% |
Сера | 1% |
H2O | 3% |
Зола | 5% |
Теплотворная способность | 31 400 кДж/кг |
Каждый цикл нагрева следует контролировать двумя термостатами. Первый термостат должен перекрыть подачу воздуха на горение посредством электромотора с сервоприводом, если температура достигает 300 °C; второй термостат должен включить подачу воздуха для горения, если температура дымовых газов опустилась ниже 90 °C (см.
рисунки A.6 и
A.7).
1 - теплообменник; 2 - вентилятор; 3 - насос; 4 - 4-ходовой
смесительный вентиль; 5 - запорный клапан; 6 - смотровое
отверстие; 7 - изолированный соединительный элемент;
8 - регулятор приточного воздуха; 9 - дымосос;
10 - испытуемая конструкция для удаления дымовых газов;
11 - измерительный прибор массового потока дымовых газов;
12 - редуктор давления; 13 - магнитный вентиль;
14 - источник тепла для твердого топлива; 15 - источник
тепла для мазута;

- термоэлементы для замера температуры
дымовых газов;

- термостат для управления циклами нагрева;

- термоэлементы для замера температуры внутренней трубы
Рисунок A.6 - Испытательная установка
1 - время горения при неограниченной подаче воздуха;
2 - время горения при ограниченной подаче воздуха;
3 - воспламенение твердого топлива
Рисунок A.7 - Циклы нагрева источника тепла на твердом
топливе. Диаграмма процесса
A.3.4.2.1.2 Насыщение - уголь
Для повышения коррозионной агрессивности дымовых газов и таким образом сокращения необходимой продолжительности испытания нужно ежедневно добавлять определенные количества хлора (в виде хлорида натрия) и серы (в виде диоксида серы), как если бы сжигалось (при обычной загрузке источника тепла в неделю) 100 кг угля с содержанием хлора 0,05% и содержанием серы 0,75%. Хлорид натрия и диоксид серы необходимо добавлять в воздух для горения. Для дополнительного ускорения следует каждый день добавлять 30 г поливинилхлорида (ПВХ).
A.3.4.2.1.3 Генерирование дымовых газов при сжигании мазута
При номинальной тепловой мощности источника тепла на мазуте (29 кВт) следует соблюдать условия для генерирования дымовых газов согласно
таблице A.7.
Таблица A.7
Условия для генерирования дымовых газов источником тепла
на мазуте
Показатель | Значение |
Содержание CO2 | 13% |
Массовый расход дымовых газов | 0,012 01 кг/с |
Температура дымовых газов | 190 °C (номинальная температура) |
Разрежение | 9 Па |
Источник тепла на мазуте следует эксплуатировать таким образом, чтобы первый термостат отключал мазутную горелку, если температура достигает 200 °C, а второй термостат снова включал горелку, если температура дымовых газов опустилась ниже 90 °C, и чтобы было проведено порядка 15 циклов. Расход мазута составляет 3,7 л/ч.
A.3.4.2.1.4 Насыщение - мазут
Для повышения коррозионной агрессивности дымовых газов и таким образом сокращения необходимого времени испытания нужно ежедневно добавлять определенное количество диоксида серы в воздух для горения так, как если бы мазутное топливо имело 2%-ное содержание серы.
A.3.4.2.2 Испытание на возгорание сажи
Во время испытания на возгорание сажи горячие дымовые газы следует вводить в испытуемую конструкцию для удаления дымовых газов через контрольное отверстие, расположенное под тройником. Введение дымовых газов должно быть перекрыто при воспламенении и горении отложений сажи до тех пор, пока температура дымовых газов в верхней части испытуемой конструкции для удаления дымовых газов не упадет ниже 900 °C. В соответствии с
ГОСТ Р 59376 испытание на газопроницаемость проводить не требуется.
A.3.4.3 Условия окружающей среды
Должен быть обеспечен подвод для горения чистого наружного воздуха. При этом необходимо обратить внимание на то, чтобы исключалось загрязнение окружающей среды охлаждающими газами, хлором, чистящими растворами, сварочными газами и т.д. (например, при помощи воздушной фильтрации).
Температура в помещении для испытаний должна составлять (20 +/- 5) °C.
В радиусе 2 м вокруг испытательной установки максимальное движение воздуха должно быть менее 0,5 м/с. Эти условия следует поддерживать на протяжении как минимум 90% продолжительности испытания
<1>.
--------------------------------
<1> Это условие можно считать выполненным, если вокруг испытательной установки выполнено достаточно плотное экранирование. Расстояние между испытательной установкой и экраном должно быть таким, чтобы температура экрана была не более чем на 2 °C выше температуры в помещении для испытаний, но не далее 1 м.
A.3.4.4 Правила
Следующие параметры должны быть измерены в начале испытания:
a) содержание хлора в топливе с точностью 2 мг/м3;
b) содержание серы в топливе с точностью 100 мг/м3.
В начале и конце 5-дневного испытательного периода необходимо записать и, если необходимо, скорректировать:
c) скорость подачи топлива с точностью +/- 5%.
В течение всего периода испытания должны быть записаны следующие параметры:
a) температура внутренней стенки в конце испытательной установки (50 см ниже выхода) с точностью 5 °C
<2>;
b) температура дымовых газов в точках измерения, описанных в
A.3.4.1, с точностью 10 °C
<3>;
c) количество циклов испытаний;
d) температура в помещении для испытания вблизи испытательной установки с точностью до 1 °C;
e) точка росы воздуха для горения с точностью 2 °C или относительная влажность воздуха для горения с точностью 5%;
f) движение воздуха вокруг испытательной установки с точностью 0,1 м/с. Это можно не выполнять, если испытательная установка достаточно экранирована.
--------------------------------
<2> Для измерения температуры могут быть использованы термопары NiCr-Ni. Диаметр проводов не должен превышать 0,5 мм. Могут быть также применены другие температурные датчики при условии, что они имеют одинаковую или высокую точность и одинаковые или более низкие теплоемкости.
<3> Датчик температуры может быть расположен в середине выхода соединительного элемента. В начале фаз 1 и 3 капли конденсата могут влиять на показания температуры датчика. Эти неправильные показания должны быть проигнорированы. В качестве температурного датчика рекомендуется использовать термопару с изолированной проволокой из нержавеющей стали диаметром 1 мм или менее. Другие температурные датчики также могут быть применены при условии, что они имеют одинаковую или высокую точность, такую же или меньшую теплоемкость и тот же или высший класс коррозионной стойкости.
A.3.5 Оценка результатов
После завершения всех последовательных испытаний металлическая внутренняя труба (включая заполнители и уплотнители) должна быть визуально проверена на наличие явных признаков коррозии и утечки. Отложения на внутренней поверхности на входе и в верхней части конструкции должны быть подвергнуты химическому анализу. Для более точной оценки испытательная установка должна быть разобрана и очищена.
Из выявленных поверхностей, подвергшихся коррозии, должны быть вырезаны шесть образцов длиной не менее 50 мм; эти образцы должны быть исследованы металлографическим методом срезов и/или путем изучения точек под микроскопом, чтобы определить максимальную глубину всех наблюдаемых коррозионных раковин. В дальнейшем необходимо проверить образцы на устойчивость к межкристаллической коррозии в соответствии с
ГОСТ 6032.
A.3.6 Протокол испытания
Протокол испытания должен содержать следующую информацию:
a) наименование поставщика и/или производителя, номер заказа, дату;
b) описание образца;
c) описание труб и фасонных элементов, подвергнутых коррозионному испытанию, на основе информации производителя о материале, поверхности, всех используемых производственных процессах (возможно, в зависимости от диаметра), краткое описание процессов производства (инструменты, параметры сварки и т.д.), специальной (поверхностной) обработке;
d) результаты испытаний:
1) идентификация материала испытуемого образца,
2) значения глубины точечной коррозии;
e) дальнейшие наблюдения;
f) обобщение результатов и их оценка.
(обязательное)
ВЫБОР РАЗМЕРА ОБРАЗЦОВ ДЛЯ ТИПОВОГО ИСПЫТАНИЯ И ОТБОР ПРОБ
B.1 Термическое испытание следует проводить на максимальном диаметре, до диаметра 200 мм включительно. Предполагается, что все диаметры не более 300 мм в одном и том же диапазоне изделий с одинаковой конструкцией и с одинаковым обозначением также отвечают тем же требованиям, которые предъявляются к образцам. Для диаметров от 301 до 450 мм значение расстояния до горючих материалов, указанное для диаметра 200 мм, должно умножаться на 1,5; для диаметров от 451 до 600 мм - на коэффициент 2, а для диаметров более 600 мм коэффициент должен быть равен 4.
B.2 Испытания механической прочности и устойчивости следует проводить на наименьшем и наибольшем диаметрах, а также на одном из промежуточных диаметров. В некоторых случаях это может зависеть от инструкций производителя (например, при одинаковых распорках для разных диаметров).
B.3 Испытание газопроницаемости приведено в термическом испытании (так как газопроницаемость проверяют до и после проведения термического испытания).
Дополнительное испытание газопроницаемости в системах с избыточным давлением следует проводить на диаметрах, отличных от тех, которые предназначены для термического испытания, но в любом случае на наименьшем и наибольшем и одном промежуточном диаметре. При этом используются две секции конструкции для удаления дымовых газов длиной не более 0,5 м с тем соединением, которое не подвергалось термическому испытанию.
B.4 Размер образцов для испытания на устойчивость к проникновению дождевой воды приведен в разделе термического испытания.
B.5 Сопротивление диффузии водяного пара (см. термическое испытание).
B.6 Сопротивление конденсату (смотрите термическое испытание).
B.7 Оголовки: это испытание зависит от геометрических форм/диаметров. Испытание должно быть выполнено на наименьшем, наибольшем и промежуточном размерах для определения того, возможен ли масштабный коэффициент. Если невозможен, то проводят испытания всех размеров.
B.8 Образцы: количество поставляемых компонентов определено единицами, необходимыми для каждого применимого испытания (
см. ГОСТ Р 59376).
B.9 Производственный контроль на заводе должен гарантировать, что изделия на производственной линии соответствуют образцам для типовых испытаний.
B.10 Тип изменения, требующий последующего типового испытания:
a) изменения в материале или производственном процессе;
b) изменения, влияющие на соответствующее обозначение.
(обязательное)
ОТБОР ПРОБ ПРИ КОНТРОЛЕ В ПРОЦЕССЕ ПРОИЗВОДСТВА
C.1 Сопутствующие материалы
C.1.1 Планы выборочного контроля
C.1.2 Допустимый уровень качества (AQL)
Допустимый уровень качества AQL должен быть выбран в зависимости от типа контролируемых характеристик. Для ошибок, относящихся к категории "Существенные", план выборки должен быть основан на AQL 4.0.
Примечание - За классификацию ошибок должно отвечать лицо, ответственное за производственный процесс.
C.1.3 Обычный, усиленный или упрощенный контроль
Сначала следует применять обычный контроль, после чего действуют следующие правила:
a) если при первоначальном контроле приняты 10 последовательных партий, то можно применять упрощенный контроль. Он должен оставаться таким до тех пор, пока партия не будет отклонена, после чего необходимо возвратиться к обычному контролю;
b) если при первоначальном контроле две из пяти последовательных партий будут отклонены, необходим переход на усиленный контроль. Он должен сохраняться до тех пор, пока не будут приняты пять последовательных партий, после чего будет возвращен обычный контроль.
C.1.4 Одинарная, двойная, множественная или последовательная выборка
Если не указано иное, для всех изделий серии должен быть использован единый план выборки.
C.1.5 Размер партии
Если соблюдены первые четыре критерия, в таблицах плана отбора проб должно быть указано количество образцов, подлежащих проверке, для каждого указанного размера партии.
Вся информация, относящаяся к уровню контроля, должна быть указана в соответствующих записях производственного контроля.
C.1.6 Уровень контроля
Уровень контроля устанавливает взаимосвязь между размером партии и размером выборки, всем входящим образцам должны быть назначены следующие уровни контроля:
- для партий в количестве от 2 до 90 - уровень контроля II;
- для партий в количестве более 91 - уровень контроля S2.
Выбранный уровень контроля может, при необходимости, включать в себя правила перехода к усиленному или упрощенному контролю. Все сертификаты поточных линий должны быть проверены в соответствии с применимыми техническими условиями поставки.
C.2 Контроль в процессе производства
C.2.1 Контроль размеров
Каждый раз, когда во время производственного процесса происходят изменения в материалах, должна быть введена функция контроля.
Первичный контроль должен проводить и контролировать на каждой операции либо персонал, обслуживающий оборудование, либо контролирующий персонал. После чего обслуживающий персонал должен выполнить требуемые четыре проверки размеров на каждую партию с использованием контрольных приборов без записи, если не обнаружено бракованных изделий.
Для неавтоматизированного производства этот контроль дополняется полной проверкой размеров в начале и в конце каждой смены персоналом контроля соответствующей производственной линии с использованием измерительного оборудования. Все результаты этого контроля должны быть записаны и постоянно архивированы.
C.2.2 Контроль утечки в местах соединений
a) Изделие с теплоизоляцией, периодичность контроля: 1 испытание на партию.
b) Изделие без теплоизоляции:
1) периодичность контроля для прямых труб: 1 испытание на партию,
2) частота контроля фасонных элементов с регулируемыми углами: 1 испытание на партию.
C.2.3 Контроль массы теплоизоляции
Если оператор может влиять на плотность/однородность теплоизоляции (например, путем ручного заполнения, разрезания оболочки без вспомогательных средств), необходим 100%-ный контроль; каждое теплоизолированное изделие после заполнения должно быть взвешено, чтобы обеспечить достижение указанной плотности внутренней трубы. Для каждой партии необходимо записать четыре результата контроля.
C.2.4 Контроль объема и плотности
В течение каждых 12 мес должны проверять объем и плотность всех изделий с теплоизоляцией по всем длинам и диаметрам. Это должно быть сделано с использованием формализованной программы рабочего процесса для обеспечения гарантии того, что определенное количество продуктов проверяют каждый месяц.
C.2.5 Контроль конечного изделия
В конце производственного процесса каждая единица должна быть визуально осмотрена перед упаковкой.
(обязательное)
КОНТРОЛЬ ПРОЦЕССА ПРОИЗВОДСТВА
D.1 Общие положения
Следующие строительные компоненты и характеристики должны быть включены в заводскую систему контроля производства.
D.2 Теплоизоляционный материал
Для теплоизоляционного материала контролируют:
a) спецификацию изоляционного материала;
b) значение плотности для контроля теплопроводности и производственного контроля.
Декларации поставщика относительно типа материала и свойств материала следует принимать при условии, что поставщик имеет надлежащую систему обеспечения качества.
D.3 Металлы, включая покрытие
Для металлов, включая покрытие, контролируют:
a) тип, состав;
b) толщину;
c) свойства поверхности.
Декларации поставщика относительно типа материала и свойств материала следует принимать при условии, что поставщик имеет надлежащую систему обеспечения качества.
D.4 Опорные элементы
Для опорных элементов контролируют:
a) тип материала;
b) место установки;
c) дополнительные компоненты, винты, гайки, крепеж.
Декларации поставщика относительно типа материала и свойств материала следует принимать при условии, что поставщик имеет надлежащую систему обеспечения качества.
D.5 Уплотнители и средства уплотнения
Для уплотнителей и средств уплотнения контролируют:
a) тип, включая идентификацию или состав, если отсутствует распоряжение сертификата соответствия;
b) размеры.
Декларации поставщика относительно типа материала и свойств материала следует принимать при условии, что поставщик имеет надлежащую систему обеспечения качества.
D.6 Контроль продукции
D.6.1 Размеры
Следующие размеры критичных деталей необходимо проверять во время изготовления и/или после завершения:
a) толщину материала;
b) диаметр, который может быть проверен по размеру металлического листа во время производства;
c) длину, которая может быть проверена по размеру металлического листа во время производства;
d) свойства соединения (например, соответствие соединению).
D.6.2 Последующие проверки
Эти проверки следует проводить во время процесса производства:
a) утечки (при разрежении и, если применимо, при избыточном давлении). Это испытание должно быть проведено по крайней мере на двух секциях конструкции для удаления дымовых газов с одним полностью собранным соединением, включая уплотнительные средства. Проверка утечки может быть заменена проверкой размеров, например шаблоном, если будет продемонстрировано, что по меньшей мере 10 испытаний на утечку достигают более точного значения, чем половина предельного значения;
b) масса;
c) плотность.
(справочное)
РЕКОМЕНДАЦИИ, КАСАЮЩИЕСЯ ПРАВИЛ ПРОВЕДЕНИЯ
ДОБРОВОЛЬНОГО ПОДТВЕРЖДЕНИЯ СООТВЕТСТВИЯ ПРОДУКЦИИ
В ФОРМЕ ДОБРОВОЛЬНОЙ СЕРТИФИКАЦИИ
ZA.1 Область применения
Настоящий раздел представляет рекомендации, касающиеся правил проведения добровольной сертификации продукции в системах добровольной сертификации, созданных в соответствии с
Федеральным законом [4] и зарегистрированных
Федеральным органом исполнительной власти по техническому регулированию.
Объект добровольной сертификации - металлические дымоходные системы, спроектированные и изготовленные по требованиям настоящего стандарта.
Соответствие этим требованиям дает основание полагать, что металлические дымоходные системы, описанные в настоящем приложении, пригодны для использования в дальнейшем. Оформление и регистрация добровольного сертификата соответствия аккредитованным органом могут предусматривать возможность применения знака соответствия, т.е. на упаковку проверенного товара или сопроводительную документацию может быть нанесен специальный символ и таким образом потребитель сможет отличить данную продукцию от аналогов конкурентов.
ПРЕДУПРЕЖДЕНИЕ - Для металлических дымоходных систем, которые подпадают под действие настоящего стандарта, могут применять дополнительные требования и другие технические регламенты, которые не имеют отношения к их предполагаемому использованию.
Примечание - В дополнение к любому из разделов настоящего стандарта, которые относятся к опасным веществам, могут существовать иные требования к продуктам, входящим в их сферу действия (например, своды правил, правовые и руководящие административные предписания). Для соответствия положениям сводов правил о строительной продукции эти требования, если это применимо, также должны соблюдаться.
В настоящем приложении указаны условия для обозначения знаком соответствия требованиям системы добровольной сертификации строительных компонентов конструкций удаления дымовых газов, изготовленных из металла, для целей, указанных в
таблицах ZA.1 и
ZA.2, и приведены соответствующие разделы настоящего стандарта.
Область применения строительной продукции металлические дымоходные системы в соответствии с
разделом 1, за исключением оголовков и опорных элементов, указана в
таблице ZA.1. Предусмотренная цель использования - одно- и многослойные конструкции для удаления дымовых газов.
Таблица ZA.1
Область применения и соответствующие разделы
Эксплуатационная характеристика | Раздел с требованиями настоящего стандарта | Класс | Примечание |
Прочность на сжатие | 6.2.1.1 Секции и фасонные элементы конструкции для удаления дымовых газов | Нет | Предельное значение. Данные производителя |
Огнестойкость | | G (xx) | Указан класс и расстояние до соседних горючих материалов xx, мм |
Газопроницаемость/утечки | | Нет | Класс давления (газопроницаемость установлена как предельное значение утечки для класса давления) |
Сопротивление потоку | 6.6.7.1 Сопротивление потоку секции конструкции для удаления дымовых газов | Нет | Средняя шероховатость, мм |
6.6.7.2 Сопротивление потоку фасонных элементов конструкции для удаления дымовых газов | Коэффициенты местных сопротивлений |
Термическое сопротивление | 6.6.3 Термическое сопротивление | Нет | Заданное значение, м2·К/Вт, и было ли оно проверено или рассчитано |
Возгорание сажи | | Нет | Предельное значение. |
5.2 Заданный внутренний диаметр | Поддержание газопроницаемости и заданного внутреннего диаметра |
Прочность на изгиб | 6.2.2 Прочность на разрыв (только для соединений секций и фасонных элементов конструкции для удаления дымовых газов) | Нет | Предельное значение. Данные производителя |
| Предельное значение. Данные производителя |
6.2.3.2 Ветровая нагрузка на строительные элементы | Предельное значение. Данные производителя |
Устойчивость к химическим веществам | 6.6.4 Сопротивление диффузии водяного пара | Нет | Предельное значение |
6.6.5 Устойчивость к проникновению конденсата | Предельное значение |
Стойкость к коррозии | 6.7.1 Стойкость к коррозии | Нет | Любые данные о материале и толщина или предельное значение (на основании испытания на коррозию) |
Устойчивость к замораживанию/оттаиванию | 6.7.3 Устойчивость к замораживанию/оттаиванию | Нет | Данные об изделии для продукции конструкций для удаления дымовых газов с металлической внутренней трубой |
Назначение для применения - одно- и многослойные дымоходные системы.
Таблица ZA.2
Сфера применения и соответствующие требования
Эксплуатационная характеристика | Раздел с требованиями настоящего стандарта | Степень и/или класс | Примечание |
Сопротивление потоку | 6.6.7.3 Коэффициенты местных сопротивлений фасонных элементов | Нет | Величина сопротивления потока |
Требование к определенным свойствам не действует, если отсутствуют законодательные требования к данным свойствам продукта, предполагаемого к использованию. В этом случае производители, которые хотят реализовывать свою продукцию на рынке Российской Федерации, не обязаны подтверждать или указывать характеристики своих изделий в отношении таких свойств и допускается использовать опцию "Характеристика не определена" (NPD) в информации для обозначения знаком соответствия (см.
ZA.3). Однако опция NPD не может быть использована, если определенная характеристика имеет предельные значения.
ZA.2 Метод подтверждения соответствия металлической дымоходной системы
ZA.2.1 Схема(ы) подтверждения соответствия
В соответствии с
требованиями Федерального закона [4], схема/ы подтверждения соответствия металлических систем удаления дымовых газов приведена в
таблицах ZA.1 и
ZA.2. Конкретные изделия для предусмотренной цели использования, а также соответствующие схемы указаны в
таблице ZA.3.
Таблица ZA.3
Схема(ы) подтверждения соответствия
Изделие(я) | Цель использования | Ступень(и) или класс(ы) | Схема(ы) подтверждения соответствия |
Изделия для металлических дымоходных систем | Конструкции для удаления дымовых газов | Все | 2, 3 и 4 по выбору заявителя |
Оголовки |
Огнезащита |
Подтверждение соответствия продукции требованиям добровольной системы сертификации осуществляют по следующим схемам: схему 2 применяют для продукции, качество и безопасность которой обусловлены стабильностью процесса выполнения работ; схему 3 - для анализа состояния производства, проверяют результаты работ; схему 4 - для анализа состояния производства, проверяют результаты работ, наличие и соблюдение требований нормативных и технических документов на процессы выполнения работ. |
Подтверждение соответствия металлической системы удаления дымовых газов, приведенное в
таблицах ZA.1 и
ZA.2, основано на процедурах оценки соответствия, указанных в
таблицах ZA.4 и
ZA.5, полученных в результате применения разделов настоящего стандарта.
Таблица ZA.4
Определение задач подтверждения соответствия для изделий
Задача | Содержание задач | Раздел, принимаемый во внимание при подтверждении соответствия |
Задачи для производителя | Заводской контроль производства (FPC) | Параметры, связанные со всеми существенными характеристиками таблицы ZA.1 | |
Первичное типовое испытание (ITT) | | |
Задачи для нотифицированного органа | Сертификация FPC на основании | Первичного контроля состояния завода и заводского контроля производства | Параметры, относящиеся ко всем существенным характеристикам таблицы ZA.1 | |
Постоянного наблюдения, подтверждения и признания FPC | Параметры, относящиеся ко всем существенным характеристикам таблицы ZA.1, в особенности прочность на сжатие, устойчивость к ветровой нагрузке (для принадлежностей отдельно стоящих и пристроенных конструкций для удаления дымовых газов) | |
Таблица ZA.5
Определение задач для подтверждения соответствия оголовков
Задача | Содержание задач | Раздел, принимаемый во внимание при доказательстве соответствия |
Задачи для производителя | Заводской контроль производства (FPC) | Параметры, связанные со всеми существенными характеристиками таблицы ZA.2 | |
Первичное типовое испытание (ITT) | | |
ZA.2.2 Подтверждение соответствия на территории Российской Федерации
Если условия настоящего приложения выполнены и нотифицированный орган выдал добровольный сертификат, то производитель или его уполномоченный представитель в Российской Федерации должен хранить сертификат соответствия, который позволяет производителю наносить на свои изделия обозначение знака соответствия. Этот сертификат должен содержать следующие пункты:
- наименование и адрес производителя.
Примечание - Производитель может также быть ответственным за размещение продукта на рынке в пределах Российской Федерации, если он принимает на себя ответственность за обозначение знаком соответствия;
- описание продукта (торговое название, обозначение, использование и т.д.) и копия информации, сопровождающей обозначение знаком соответствия.
Примечание - Если информация, требуемая для подтверждения соответствия, включена в информацию, сопровождающую обозначение знаком соответствия, эту информацию не следует повторять;
- положения, которым изделие соответствует (например, настоящее приложение);
- особые условия, применимые к использованию изделия (например, положения по использованию при определенных условиях и т.д.);
- номер сопроводительного сертификата о заводском контроле производства;
- имя и функции лица, уполномоченного подписывать сертификат.
Сертификат соответствия должен сопровождаться сертификатом заводского производственного контроля, составленным нотифицированным органом, который в дополнение к вышеуказанной информации содержит:
- наименование и адрес нотифицированного органа;
- условия и срок действия сертификата, если это применимо;
- имя и функции лица, уполномоченного подписывать сертификат.
Указанный выше сертификат должен быть на русском языке.
ZA.3 Обозначение знаком соответствия требованиям системы добровольной сертификации и этикетка
Производитель или его уполномоченный представитель отвечают за нанесение знака соответствия добровольной сертификации в соответствии с требованиями настоящего стандарта на фабричную этикетку конструкции для удаления дымовых газов с идентификационным номером сертификационного органа, наименованием или фирменным знаком производителя, номером стандарта и обозначением изделия. Этикетка наносится либо на само изделие, либо на упаковку. Кроме того, знак соответствия и вся информация, приведенная ниже, должны быть указаны на упаковке и/или сопроводительных коммерческих документах (например, на накладной). Следующая информация должна быть указана на этикетке:
- знак соответствия;
- идентификационный номер органа сертификации;
- название или фирменный знак и зарегистрированный адрес производителя;
- последние две цифры года, в котором выпущена продукция;
- номер сертификата соответствия требованиям настоящего стандарта или сертификат заводского контроля производства (если применимо);
- ссылка на настоящий стандарт;
- описание изделия: название, материал, размеры и т.д., а также предусмотренное использование;
- данные о соответствующих существенных характеристиках, перечисленных в
таблицах ZA.1 и
ZA.2:
a) указанные значения и, при необходимости, уровни или классы для каждой существенной характеристики согласно
таблицам ZA.1 и
ZA.2,
b) обозначение стандарта в соответствии с
разделом 9 или вместе с приведенными выше значениями, и
c) характеристики, для которых действует опция "Характеристика не определена" (NPD).
Если существенная характеристика имеет предельное значение, то использование опции "Характеристика не определена" (NPD) недопустимо. В остальных случаях этот вариант может быть использован, если изделие не подпадает под действие каких-либо правовых положений для конкретных видов использования.
Рисунки ZA.1 -
ZA.4 являются примерами информации, которую наносят на изделие, упаковку и/или в коммерческие сопроводительные документы.
| Знак соответствия Федерального закона |
XX01 | Идентификационный номер нотифицированного органа |
AnyCo Ltd, PO Box 21, B-1050 | Наименование или логотип и зарегистрированный адрес производителя |
08 | Последние две цифры года, в котором обозначение нанесено |
01234-CPD-00234 | Номер сертификата |
ГОСТ Р 59375.1-2021 (ЕН 1856-1) | Номер датированного стандарта |
T400-N2-D-Vm-G50-L50045 | |
Рисунок ZA.1 - Пример маркировки знаком соответствия
требованиям системы добровольной сертификации на изделии
или упаковке: пример для секции дымоходной системы
| |
XX01 | Идентификационный номер нотифицированного органа |
AnyCo Ltd, PO Box 21, B-1050 | Название или логотип и зарегистрированный адрес производителя |
08 | Последние две цифры года, в котором обозначение нанесено |
01234-CPD-00234 | Номер сертификата |
ГОСТ Р 59375.1-2021 (ЕН 1856-1) | Номер датированного стандарта |
Секция металлической дымоходной системы Тип многослойная XXXXYYY | Описание изделия и идентификация изделия, код и соответствующее обозначение согласно разделу 9 |
T400-N2-D-Vm-L50045-G50 Прочность на сжатие |
Допустимая нагрузка по высоте: 30 м Из секций дымоходной системы сопротивление потоку Средняя шероховатость: 0,1 мм Термическое сопротивление 0,22 м2К/Вт при контрольной температуре Устойчивость к возгоранию сажи: Да Прочность на изгиб Прочность на растяжение: 2 м Невертикальная установка: максимальное отклонение между двумя патрубками: 3 м при 45° Ветровая нагрузка: свободно стоящий конец: 1,5 м над последним креплением Максимальное расстояние горизонтальных опор: 3 м Стойкость к замораживанию/оттаиванию: Да | Информация о заявленных свойствах, которые не включены в обозначение или список показателей, которые необходимо указать (см. таблицу ZA.1) |
Рисунок ZA.2 - Пример информации в сопроводительных
документах при обозначении знаком соответствия требованиям
системы добровольной сертификации: пример для одной секции
конструкции для удаления дымовых газов
| |
XX01 | Идентификационный номер нотифицированного органа |
AnyCo Ltd, PO Box 21, B-1050 | Наименование или логотип и зарегистрированный адрес производителя |
08 | Последние две цифры года, в котором обозначение нанесено |
01234-CPD-00234 | Номер сертификата |
ГОСТ Р 59375.1-2021 (ЕН 1856-1) | Номер датированного стандарта |
Фасонный элемент металлической дымоходной системы Однослойный тройник T250-P1-W-V2-L60060-O 50 | Описание изделия и идентификация изделия, код и соответствующее обозначение согласно разделу 9 |
Прочность на сжатие Допустимая нагрузка по высоте: 30 м из секций дымоходной системы Сопротивление потоку Коэффициент местного сопротивления: 0,3 при изменении направления потока на 90° Термическое сопротивление 0,22 м2К/Вт при контрольной температуре Устойчивость к возгоранию сажи: NPD Предел прочности при изгибе Прочность на растяжение: 2 м Невертикальная установка: NPD Ветровая нагрузка: Свободно стоящий конец: NPD Стойкость к замораживанию/оттаиванию: Да | Информация о заявленных свойствах, которые не включены в обозначение или список показателей, которые необходимо указать (см. таблицу ZA.1) |
Рисунок ZA.3 - Пример информации в сопроводительных
документах для фасонного элемента конструкции для удаления
дымовых газов, тройника
| |
XX01 | Идентификационный номер нотифицированного органа |
AnyCo Ltd, PO Box 21, B-1050 | Наименование или логотип и зарегистрированный адрес производителя |
08 | Последние две цифры года, в котором обозначение нанесено |
01234-CPD-00234 | Номер сертификата |
ГОСТ Р 59375.1-2021 (ЕН 1856-1) | Номер датированного стандарта |
Фасонный элемент металлической дымоходной системы | Описание изделия и идентификация изделия, код |
Оголовок | и соответствующее обозначение согласно разделу 9 |
Сопротивление потоку Коэффициент местного сопротивления: 0,5 | Информация о заявленных свойствах, которые не включены в обозначение или список показателей, которые необходимо указать (см. таблицу ZA.1) |
Рисунок ZA.4 - Пример для информации в сопроводительных
документах для фасонного элемента конструкции для удаления
дымовых газов: оголовок
При необходимости продукт должен сопровождаться соответствующей документацией с указанием всех других применяемых законов об указанных выше опасных веществах, которые должны соблюдаться, а также любой другой информации, требуемой в соответствии с такими законодательными предписаниями.
(справочное)
СВЕДЕНИЯ О СООТВЕТСТВИИ ССЫЛОЧНЫХ НАЦИОНАЛЬНЫХ
И МЕЖГОСУДАРСТВЕННЫХ СТАНДАРТОВ МЕЖДУНАРОДНЫМ И ЕВРОПЕЙСКИМ
СТАНДАРТАМ, ИСПОЛЬЗОВАННЫМ В КАЧЕСТВЕ ССЫЛОЧНЫХ
В ПРИМЕНЕННОМ ЕВРОПЕЙСКОМ СТАНДАРТЕ
Таблица ДА.1
Обозначение ссылочного национального, межгосударственного стандарта | Степень соответствия | Обозначение и наименование ссылочного международного, европейского стандарта |
(ISO 3651-1:1998, ISO 3651-2:1998) | NEQ | ISO 3651-2:1998 "Стали нержавеющие. Определение стойкости к межкристаллитной коррозии. Часть 2. Ферритные, аустенитные и ферритно-аустенитные (двухфазные) нержавеющие стали. Испытание на коррозию в среде, содержащей серную кислоту" |
| NEQ | DIN EN 573-3:2019 "Алюминий и алюминиевые сплавы. Химический состав и форма деформированных изделий. Часть 3. Химический состав и форма изделий" |
| | ИС МЕГАНОРМ: примечание. В официальном тексте документа, видимо, допущена опечатка: имеется в виду ГОСТ Р 59375.2-2022, а не ГОСТ Р 59375.2-2021. | |
|
| MOD | DIN EN 1856-2:2009 "Конструкции для удаления дымовых газов. Требования к металлическим конструкциям для удаления дымовых газов. Часть 2. Внутренние трубы и соединительные элементы из металла" |
| | ИС МЕГАНОРМ: примечание. В официальном тексте документа, видимо, допущена опечатка: имеется в виду ГОСТ Р 59376-2022, а не ГОСТ Р 59376-2021. | |
|
| MOD | DIN EN 1859:2013 "Конструкции для удаления дымовых газов. Металлические конструкции для удаления дымовых газов. Методы испытаний" |
| | ИС МЕГАНОРМ: примечание. В официальном тексте документа, видимо, допущена опечатка: имеется в виду ГОСТ Р 59412-2022, а не ГОСТ Р 59412-2021. | |
|
| MOD | DIN EN 1443:2003 "Конструкции для удаления дымовых газов. Общие требования" |
| IDT | ISO 2859-1:1999 "Процедуры выборочного контроля по качественным признакам. Часть 1. Планы выборочного контроля с указанием приемлемого уровня качества (AQL) для последовательного контроля партий" |
| IDT | ISO 13732-1:2006 "Эргономика термальной среды. Методы оценки реакции человека при контакте с поверхностями. Часть 1. Горячие поверхности" |
| IDT | DIN EN ISO 9001:2008 "Системы менеджмента качества. Требования" |
Примечание - В настоящей таблице использованы следующие условные обозначения степени соответствия стандартов: - IDT - идентичные стандарты; - MOD - модифицированные стандарты; - NEQ - неэквивалентные стандарты. |
| ЕН 10088-1 | Нержавеющие стали. Часть 1. Перечень нержавеющих сталей (Stainless steels - Part 1: List of stainless steels) |
| ЕН 13384-1 | Конструкции для удаления дымовых газов. Теплотехнический и аэродинамический методы расчета. Часть 1. Конструкции для удаления дымовых газов от одного источника тепла (Chimneys - Thermal and fluid dynamic calculation methods - Part 1: Chimneys serving one appliance) |
| ЕН 14241-1 | Конструкции для удаления дымовых газов. Требования к материалам эластичных уплотнителей и уплотнительных материалов и их испытания. Часть 1. Уплотнения для использования во внутренних трубах (Chimneys - Elastomeric seals and elastomeric sealants. Material requirements and test methods - Part 1: Seals in flue liners) |
| Федеральный закон от 27 декабря 2002 г. N 184-ФЗ "О техническом регулировании" |
| Федеральный закон от 22 июля 2008 г. N 123-ФЗ "Технический регламент о требованиях пожарной безопасности" |
УДК 66.065.54:006.354 | |
Ключевые слова: устройства для удаления, дымовые газы, металлические конструкции, строительные компоненты, испытания |