Главная // Актуальные документы // ГОСТ Р (Государственный стандарт)СПРАВКА
Источник публикации
М.: ФГБУ "РСТ", 2022
Примечание к документу
Документ
введен в действие с 01.09.2022.
Название документа
"ГОСТ Р 59375.2-2022. Национальный стандарт Российской Федерации. Конструкции для удаления дымовых газов. Требования к металлическим конструкциям для удаления дымовых газов. Часть 2. Внутренние трубы и соединительные элементы из металла"
(утв. и введен в действие Приказом Росстандарта от 21.07.2022 N 668-ст)
"ГОСТ Р 59375.2-2022. Национальный стандарт Российской Федерации. Конструкции для удаления дымовых газов. Требования к металлическим конструкциям для удаления дымовых газов. Часть 2. Внутренние трубы и соединительные элементы из металла"
(утв. и введен в действие Приказом Росстандарта от 21.07.2022 N 668-ст)
Утвержден и введен в действие
агентства по техническому
регулированию и метрологии
от 21 июля 2022 г. N 668-ст
НАЦИОНАЛЬНЫЙ СТАНДАРТ РОССИЙСКОЙ ФЕДЕРАЦИИ
КОНСТРУКЦИИ ДЛЯ УДАЛЕНИЯ ДЫМОВЫХ ГАЗОВ
ТРЕБОВАНИЯ К МЕТАЛЛИЧЕСКИМ КОНСТРУКЦИЯМ
ДЛЯ УДАЛЕНИЯ ДЫМОВЫХ ГАЗОВ
ЧАСТЬ 2
ВНУТРЕННИЕ ТРУБЫ И СОЕДИНИТЕЛЬНЫЕ ЭЛЕМЕНТЫ ИЗ МЕТАЛЛА
Chimneys.
Requirements for metal chimneys.
Part 2. Metal flue liners and connecting flue pipes
ГОСТ Р 59375.2-2022
Дата введения
1 сентября 2022 года
1 ПОДГОТОВЛЕН Некоммерческим партнерством "Альянс. Печных дел мастера" (НП "Альянс. Печных дел мастера") на основе собственного перевода на русский язык немецкоязычной версии стандарта, указанного в
пункте 4
2 ВНЕСЕН Техническим комитетом по стандартизации ТК 061 "Вентиляция и кондиционирование"
3 УТВЕРЖДЕН И ВВЕДЕН В ДЕЙСТВИЕ
Приказом Федерального агентства по техническому регулированию и метрологии от 21 июля 2022 г. N 668-ст
4 Настоящий стандарт является модифицированным по отношению к стандарту ДИН ЕН 1856-2:2009 "Конструкции для удаления дымовых газов. Требования к металлическим конструкциям для удаления дымовых газов. Часть 2. Внутренние трубы и соединительные элементы из металла" (DIN EN 1856-2:2009 "Abgasanlagen - Anforderungen an Metall-Abgasanlagen - Teil 2: Innenrohre und

aus Metall", MOD) путем изменения отдельных фраз (слов, ссылок), которые выделены в тексте курсивом.
Сведения о соответствии ссылочных межгосударственных и национальных стандартов международным и европейским стандартам, использованным в качестве ссылочных в примененном стандарте, приведены в дополнительном
приложении ДБ
5 ВВЕДЕН ВПЕРВЫЕ
Правила применения настоящего стандарта установлены в статье 26 Федерального закона от 29 июня 2015 г. N 162-ФЗ "О стандартизации в Российской Федерации". Информация об изменениях к настоящему стандарту публикуется в ежегодном (по состоянию на 1 января текущего года) информационном указателе "Национальные стандарты", а официальный текст изменений и поправок - в ежемесячном информационном указателе "Национальные стандарты". В случае пересмотра (замены) или отмены настоящего стандарта соответствующее уведомление будет опубликовано в ближайшем выпуске ежемесячного информационного указателя "Национальные стандарты". Соответствующая информация, уведомление и тексты размещаются также в информационной системе общего пользования - на официальном сайте Федерального агентства по техническому регулированию и метрологии в сети Интернет (www.rst.gov.ru)
Настоящий стандарт подготовлен в качестве гармонизированного с европейскими региональными нормами, устанавливает основные требования к компонентам конструкций для удаления дымовых газов.
Словосочетание "конструкции для удаления дымовых газов (дымовые каналы)" при использовании в настоящем стандарте относится ко всем системам с металлическими внутренними трубами, которые отводят продукты сгорания от источников тепла во внешнюю среду. Это словосочетание также включает в себя все другие термины, обычно используемые в торговле, такие как, например, трубопроводы для удаления дымовых газов, каналы, дымоходы, дымоходные системы, дымовые трубы и т.д.
В настоящем стандарте рассматривается стойкость к коррозии на основе спецификаций материалов внутренних труб и соединительных элементов из металла, а также промежуточные решения для испытаний продукции. Три испытания на коррозионную стойкость с соответствующими требованиями были отобраны и приняты как методы испытаний (см. ГОСТ Р 59375.1-2021,
приложение A).
Настоящий стандарт описывает компоненты конструкции для удаления дымовых газов, которые могут быть использованы для сборки дымоходных систем.
Настоящий стандарт устанавливает требования к характеристикам для жестких и гибких металлических внутренних труб, жестких металлических соединительных и фасонных элементов, которые используются для отвода продуктов сгорания от источников тепла в наружный воздух (включая их крепежи).
Эмалированные соединительные элементы также являются предметом данного документа.
Жесткие внутренние трубы могут также использоваться для реконструкции в качестве дымовых труб для уменьшения или увеличения сечения существующих конструкций для удаления дымовых газов, а также в качестве дымовых труб для нестандартных конструкций для удаления дымовых газов.
Гибкие металлические внутренние трубы в соответствии с настоящим стандартом используются только при реконструкции или приспособлении сечений к существующей конструкции для удаления дымовых газов. Гибкие соединительные элементы и телескопические гибкие изделия, которые могут быть раздвинуты или вытянуты в длину, не попадают в сферу применения настоящего стандарта.
Этот стандарт также устанавливает требования к обозначению, инструкциям производителя, информации об изделии и оценке соответствия.
Предписания для изделий однослойных и многослойных конструкций для удаления дымовых газов приведены в
ГОСТ Р 59375.1.
В настоящем стандарте использованы нормативные ссылки на следующие стандарты:
ГОСТ 24244 Прокат листовой холоднокатаный из низкоуглеродистой стали для эмалирования. Технические условия
ГОСТ Р ИСО 13732-1 Эргономика термальной среды. Методы оценки реакции человека при контакте с поверхностями. Часть 1. Горячие поверхности
ГОСТ Р 59375.1-2021 Конструкции для удаления дымовых газов. Требования к металлическим конструкциям для удаления дымовых газов. Часть 1. Строительные компоненты конструкций для удаления дымовых газов
ГОСТ Р 59376-2022 Конструкции для удаления дымовых газов. Металлические конструкции для удаления дымовых газов. Методы испытания
Примечание - При пользовании настоящим стандартом целесообразно проверить действие ссылочных стандартов в информационной системе общего пользования - на официальном сайте Федерального агентства по техническому регулированию и метрологии в сети Интернет или по ежегодному информационному указателю "Национальные стандарты", который опубликован по состоянию на 1 января текущего года, и по выпускам ежемесячного информационного указателя "Национальные стандарты" за текущий год. Если заменен ссылочный стандарт, на который дана недатированная ссылка, то рекомендуется использовать действующую версию этого стандарта с учетом всех внесенных в данную версию изменений. Если заменен ссылочный стандарт, на который дана датированная ссылка, то рекомендуется использовать версию этого стандарта с указанным выше годом утверждения (принятия). Если после утверждения настоящего стандарта в ссылочный стандарт, на который дана датированная ссылка, внесено изменение, затрагивающее положение, на которое дана ссылка, то это положение рекомендуется применять без учета данного изменения. Если ссылочный стандарт отменен без замены, то положение, в котором дана ссылка на него, рекомендуется применять в части, не затрагивающей эту ссылку.
В настоящем стандарте применены следующие термины с соответствующими определениями:
3.1 радиус изгиба (biegeradius): Минимальный радиус, измеряемый по внутренней стороне при изгибе гибкой внутренней трубы.
3.2 двухслойная гибкая внутренняя труба (doppelschaliges flexibles Innenrohr): Гибкая внутренняя труба, состоящая из двух металлических оболочек, причем внутренняя оболочка, образующая внутреннюю трубу, является ровной и закрывает волнистую структуру.
4 Декларация производителя для типового испытания
Производитель должен предоставить информацию, указанную в
7.2, а также указать:
a) тип металлов, из которых изготовлены внутренние трубы и соединительные элементы в соответствии с
ГОСТ 11069,
ГОСТ 24244, см. также
[1] и
[2], номинальную и минимальную толщину стенок;
b) внутренний диаметр внутренних труб и соединительных элементов, а также номинальный размер изделия;
c) минимальную толщину стенок жестких внутренних труб или жестких соединительных элементов, монтажную длину жестких внутренних труб или жестких соединительных элементов, внешний периметр жестких внутренних труб и соединительных элементов, а также массу и нагрузку на конструкцию фасонных элементов или секции жестких внутренних труб;
d) заявленную производителем расчетную нагрузку на растяжение гибких внутренних труб (в соответствии с максимально допустимой длиной закрепленной гибкой трубы 10 м или более, если это указано производителем).
5 Размеры и допустимые отклонения
5.1 Толщина материала гибких внутренних труб не должна быть меньше, чем указано производителем (см.
4, a). Толщина жестких внутренних труб и соединительных элементов должна соответствовать
ГОСТ Р 59375.1-2021 (пункт 5.1).
5.2 Указанный внутренний диаметр внутренней трубы, соединительного и фасонного элемента не должен отклоняться более чем на +/- 5 мм от номинального размера.
При измерении внутреннего диаметра гибкой внутренней трубы в соответствии с
A.1.1 он не должен быть меньше, чем диаметр, указанный производителем (см.
4, b).
Жесткие соединительные элементы должны соответствовать требованиям
ГОСТ Р 59375.1-
2021 (пункт 5.2).
Внутренний диаметр гибких труб измеряют внутри по
A.1.
Овальные гибкие внутренние трубы необходимо производить только на заводе, а коэффициент овальности не должен превышать 1,5.
5.3 Монтажная длина жестких внутренних труб или жестких соединительных элементов (измеренная на трубе с хотя бы одним соединением) должна соответствовать
ГОСТ Р 59375.1-2021.
6 Требования к характеристикам
6.1 Механическая прочность и устойчивость
6.1.1 Жесткие внутренние трубы, жесткие соединительные и фасонные элементы
Жесткие внутренние трубы, жесткие соединительные и фасонные элементы должны отвечать всем требованиям
ГОСТ Р 59375.1-
2021 (пункты 6.2.1,
6.2.2 и 6.2.3), за исключением требований к ветровой нагрузке.
6.1.2 Гибкие внутренние трубы
6.1.2.1 Общие положения
Гибкие внутренние трубы должны отвечать требованиям, изложенным в
6.1.2.2 -
6.1.2.7.
6.1.2.2 Прочность на сжатие фасонных элементов и держателей
Производитель должен указать допустимую расчетную нагрузку для фасонных элементов и держателей. Требования к прочности должны соответствовать
ГОСТ Р 59375.1-
2021 (пункты 6.2.1.1 и 6.2.1.2).
6.1.2.3 Прочность на разрыв
Производитель должен указывать соответствующую расчетную нагрузку для гибких внутренних труб.
При испытании по
A.3 гибкая внутренняя труба должна соответствовать требованиям газопроницаемости, указанным в
6.3.
6.1.2.4 Сопротивление разрушению
При испытании по
A.4 допускается уменьшение внешнего диаметра гибкой внутренней трубы не более 75% от первоначального номинального диаметра, при этом должно выполняться требование по газопроницаемости, указанное в
6.3.
6.1.2.5 Прочность на изгиб
При испытании в соответствии с
A.5.2 гибкая внутренняя труба должна соответствовать требованиям газопроницаемости, указанным в
6.3.
При испытании в соответствии с
A.5.2 внутренняя оболочка гибкой двухслойной внутренней трубы должна сохранить перекрывание или соединение внахлест при минимальном радиусе изгиба, указанном производителем.
Овальные гибкие внутренние трубы должны быть испытаны согласно
A.5.2 по двум осям овального сечения.
6.1.2.6 Прочность при кручении
При испытании по
A.6 гибкая внутренняя труба должна соответствовать требованиям газопроницаемости согласно
6.3.
6.1.2.7 Устойчивость к натяжению
Перед проведением испытания тепловых характеристик в соответствии с
6.4.1.1 (см. также
A.7) необходимо проверить, не составляет ли сопротивление натяжению, измеренное в соответствии с
A.7.3.1.1, менее 0,5 кН.
6.2 Огнестойкость (расстояния)
6.2.1 Жесткие внутренние трубы и фасонные элементы
При испытании по
ГОСТ Р 59376-
2022 (пункт 4.5.3.2,
рисунки A.4 и A.5) испытательный стенд должен быть заменен в соответствии с
приложением A. Жесткие внутренние трубы и фасонные элементы, которые обозначают как устойчивые к возгоранию сажи, должны выполнять требования по газопроницаемости в соответствии с
6.3.
6.2.2 Жесткие соединительные и фасонные элементы
Производитель должен указать минимальное расстояние до горючих строительных материалов путем измерения по
приложению A либо путем расчета расстояния не менее трехкратного номинального диаметра, но не менее 375 мм (см.
[3], 4.3.9.3, третий абзац, первое предложение для соединительных элементов с естественной циркуляцией воздуха). Также должны соблюдаться требования
6.4.1.
Максимальная температура поверхности горючих строительных материалов, которые граничат с жестким соединительным и фасонным элементом, не должна превышать 100 °C на расстоянии, указанном производителем, при температуре окружающей среды 20 °C. При испытании по
A.7.3.3 и
A.7.4 жесткие соединительные и фасонные элементы должны соответствовать также требованиям газопроницаемости, указанным в
6.3.
6.2.3 Гибкие внутренние трубы и фасонные элементы
При испытании по
A.7.4.3 гибкие внутренние трубы и фасонные элементы, обозначенные как устойчивые к возгоранию сажи, должны выполнять требования по газопроницаемости, указанные в
6.3. Испытательный образец должен позволять испытательному шару в соответствии с
A.7.3.1.2 падать вниз без повреждений.
При испытании гибких внутренних труб и фасонных элементов согласно
A.2 или жестких внутренних труб и фасонных элементов в соответствии с
ГОСТ Р 59376-
2022 (пункт 4.4) утечки не должны превышать значений, указанных в
таблице 1.
Таблица 1
Класс давления | Испытательное давление, Па | Утечка/поверхность внутренней трубы, л·с-1·м2 |
N1 | 40 | < 2,0 |
N2 | 20 | < 3,0 |
P1 | 200 | < 0,006 |
P2 | 200 | < 0,120 |
H1 | 200 и 5 000 | < 0,006 |
H2 | 200 и 5 000 | < 0,120 |
6.4 Безопасность эксплуатации
6.4.1 Тепловые характеристики при обычных рабочих условиях
6.4.1.1 Жесткие внутренние трубы и фасонные элементы
| | ИС МЕГАНОРМ: примечание. Текст дан в соответствии с официальным текстом документа. | |
При испытании на тепловое воздействие по
ГОСТ Р 59376 испытательный стенд (
рисунки A.4 и
A.5) должен быть заменен в соответствии с
A.7.2, жесткие внутренние трубы и соответствующие фасонные элементы должны соответствовать требованиям газопроницаемости согласно
6.3.
6.4.1.2 Жесткие соединительные и фасонные элементы
Производитель должен указать минимальное расстояние до горючих строительных материалов (см.
7.2.1).
Максимальная температура поверхности горючих строительных материалов, которые граничат с жесткими соединительными и фасонными элементами, не должна превышать 85 °C на расстоянии, указанном производителем, при температуре окружающей среды 20 °C. При испытаниях жестких соединительных и фасонных элементов в соответствии с
A.7.3.3 и
A.7.4 необходимо также соблюдать требование по газопроницаемости согласно
6.3.
6.4.1.3 Гибкие внутренние трубы и фасонные элементы
6.4.2 Защита от прикосновения
В отношении защиты от прикосновения к соединительным элементам применяют положения
ГОСТ Р ИСО 13732-1.
6.4.3 Термическое сопротивление
Если используются соединительные элементы с теплоизоляцией, термическое сопротивление, указанное производителем, должно определяться в соответствии с
ГОСТ Р 59375.1-
2021 (пункт 6.7.3).
6.4.4 Стойкость к диффузии водяного пара
Требования
ГОСТ Р 59375.1-
2021 (пункт 6.7.4) применяют, если производитель подтверждает, что жесткие или гибкие внутренние трубы могут быть установлены с наружной изоляцией.
Внутренние трубы и соединительные элементы, которые предназначены для работы при разрежении и влажном режиме, чьи утечки в 7 раз ниже предельного значения класса N1, или изделия, имеющие обозначение P или H, могут считаться проверенными без испытаний на устойчивость к диффузии водяного пара при условии, что эти изделия соответствуют требованиям по стойкости к воздействию конденсата, указанным в
6.4.5.
Жесткие соединительные элементы с теплоизоляцией должны соответствовать
ГОСТ Р 59375.1-2021 (пункт 6.5.4).
6.4.5 Стойкость к конденсату
Жесткие и гибкие внутренние трубы, соединительные элементы и связанные с ними фасонные элементы, предназначенные для влажных условий эксплуатации (W), должны соответствовать требованиям
ГОСТ Р 59375.1-
2021 (пункт 6.6.5), при этом наружная поверхность должна оставаться сухой.
6.4.6 Сопротивление потоку
6.4.6.1 Жесткие внутренние трубы, жесткие соединительные и фасонные элементы
6.4.6.2 Гибкие внутренние трубы и фасонные элементы
6.5.1 Стойкость к коррозии
Дополнительно должны быть указаны материалы внешней оболочки двухслойных внутренних труб и соединительных элементов.
При испытании по
ГОСТ 24244 класс адгезионной стойкости покрытия эмалированного соединительного элемента не должен превышать класс 3. Это испытание нужно проводить после испытания тепловых характеристик по
A.7.
Таблица 2
Спецификация материала для соединительных элементов
Класс материала | Заводское обозначение материала | Сокращенное обозначение материала |
00 | Чугун | - |
01 | | S 235 JRG 2 |
10 | EN AW - 4047A | |
11 | EN AW-1200 | EN AW-AL 99.0A |
13 | EN AW - 6060 | EN AW-AI MgSi |
20 | 1.4301 | X5CrNi 18-10 |
30 | 1.4307 | X2CrNi 18-9 |
40 | 1.4401 | X5CrNiMo 17-12-2 |
50 | | X2CrNiMo 17-12-2 |
60 | 1.4432 | X2CrNiMo 17-12-3 |
70 | 1.4539 | X1NiCrMoCu 25-20-5 |
80 | Двусторонняя эмалированная сталь | - |
| Специфицировать | Специфицировать |
<a> Cu < 0,1%, Zn < 0,15%. <b> Соответствующий номер материала: 1.4404 = 1.4571 (краткое обозначение X6CrNiMoTi 17-12-2). <c> Некоторым типам материалов, которые в настоящее время не указаны в таблице (и не имеют собственного номера), может быть присвоен тип материала 99 для обозначения продукта в соответствии с разделом 9. Материал может считаться подходящим для внутренних труб, если он прошел соответствующее коррозионное испытание в соответствии с его обозначением V1, V2 или V3. Производитель должен указать спецификацию материала (см. раздел 7). |
Пример - L 40045 обозначает внутреннюю трубу из нержавеющей стали 1.4401 толщиной 0,45 мм.
Таблица 3
Спецификация материала для внутренних труб
Класс материала | Заводской номер материала | Краткое обозначение материала |
10 | EN AW - 4047A | |
11 | EN AW - 1200 | |
13 | EN AW - 6060 | EN AW-AI MgSi |
20 | 1.4301 | X5CrNi 18-10 |
30 | 1.4307 | X2CrNi 18-9 |
40 | 1.4401 | X5CrNiMo 17-12-2 |
50 | | X2CrNiMo 17-12-2 |
60 | 1.4432 | X2CrNiMo 17-12-3 |
70 | 1.4539 | X1NiCrMoCu 25-20-5 |
| Специфицировать | Специфицировать |
<a> Cu < 0,1%, Zn < 0,15%. <b> Соответствующий номер материала: 1.4404 = 1.4571 (краткое обозначение X6CrNiMoTi 17-12-2). <c> Для класса материала, который в настоящее время не указан в таблице (без присвоенного номера материала), может быть назначен класс материала 99 для обозначения продукта в соответствии с разделом 9. Материал может считаться подходящим для внутренних труб, если он прошел соответствующее коррозионное испытание в соответствии с его обозначением V1, V2 или V3. Производитель должен указать спецификацию материала (см. раздел 7). |
6.5.2 Стойкость к замораживанию/оттаиванию
Внутренние трубы и соединительные элементы из металла отвечают требованиям по стойкости к замораживанию/оттаиванию.
6.5.3 Уплотнения для внутренних труб
| | ИС МЕГАНОРМ: примечание. Текст дан в соответствии с официальным текстом документа. | |
Уплотнения для внутренних труб должны соответствовать
[4].
7.1 Инструкция производителя
Инструкция производителя должна быть представлена на языке каждой страны, в которой продукт размещают на рынке.
7.2 Минимальная информация в документации и инструкции производителя
7.2.1 Жесткие внутренние трубы, жесткие соединительные и фасонные элементы
Изготовитель должен указать номинальный размер изделия.
Если применимо, действуют требования
ГОСТ Р 59375.1-2021 (пункт 7.2).
Не нужно указывать расстояние от внутренних труб до горючих материалов.
Расстояние от соединительных элементов до горючих строительных материалов должно быть указано (без оболочки) следующим образом:
a) G (xx) M означает "измеренное значение", определенное в соответствии с
приложением A;
b) G (xx) NM означает "нет измеренного значения"
(см. [3]).
Примечание - Если производитель предусматривает негорючую оболочку, он должен в дополнительном испытании по
A.7 определить расстояние до горючих строительных материалов и указать в своих инструкциях вместе с характеристиками оболочки.
7.2.2 Гибкие внутренние трубы и фасонные элементы
Производитель должен указать номинальные размеры изделия.
Если применимо, действуют требования
ГОСТ Р 59375.1-
2021 (пункт 7.2):
a) за исключением:
1) прочности на сжатие;
2) сопротивления ветровой нагрузке;
b) и дополнительно:
1) спецификация материала и толщина внешней оболочки двухслойных гибких внутренних труб;
2) минимальный радиус изгиба гибких внутренних труб;
3) минимальные размеры шахты для номинального размера внутренней трубы с максимально допустимым углом смещения;
4) способы резки.
8 Обозначение и информация на этикетке
Примечание - Для обозначения знаком соответствия и информации на этикетке действуют требования
ДА.3.
8.1 Внутренние трубы, жесткие соединительные и фасонные элементы
Жесткие внутренние трубы, жесткие соединительные и фасонные элементы для жестких или гибких внутренних труб должны быть снабжены, если это возможно на изделии, нижеследующей минимальной информацией. В качестве альтернативы эту информацию можно разместить на табличке или упаковке. Гибкие внутренние трубы и фасонные элементы должны быть обозначены по
пунктам b),
c) и
d) с интервалами не более 3 м:
b) наименование или логотип производителя;
c) номер партии или идентификационный номер изделия, выданного производителем;
d) стрелка направления движения дымовых газов (если применимо).
8.2 Типовая этикетка конструкции для удаления дымовых газов
Производитель должен предоставить в распоряжение потребителя этикетку конструкции для удаления дымовых газов из прочного материала, указав следующую минимальную информацию:
a) наименование или логотип производителя (выгравированные или нестираемые);
Примечание - Может включать идентификацию продукта и/или обозначение продукта.
b) место для обозначения окончательно смонтированной конструкции для удаления дымовых газов;
c) место для номинальных размеров;
d) место для даты изготовления и даты установки.
Каждая упаковка в пределах поставки должна содержать следующую четкую и разборчивую информацию:
b) наименование или логотип производителя;
c) номинальные размеры.
Все внутренние трубы, соединительные и фасонные элементы должны быть обозначены в соответствии со следующей системой:
| | ИС МЕГАНОРМ: примечание. Текст, выделенный курсивом в официальном тексте документа, в электронной версии документа заключен в символы "&". | |
Жесткий соединительный элемент
- &ГОСТ Р 59375.2& - T400 - N1 - W - Vm - L40045 - G(xx) M или (xx)NM
<a>
│ │ │ │ │ │ │ │ │
│ │ │ │ │ │ │ │ │
Название изделия ──┘ │ │ │ │ │ │ │ │
│ │ │ │ │ │ │ │
Номер стандарта ──────────────────────┘ │ │ │ │ │ │ │
│ │ │ │ │ │ │
Класс температуры (см.
таблицу 3) ───────────────────┘ │ │ │ │ │ │
│ │ │ │ │ │
Класс давления (N или P или H) ────────────────────────────┘ │ │ │ │ │
│ │ │ │ │
Устойчивость к конденсату ──────────────────────────────────────┘ │ │ │ │
(W: влажный или D: сухой режим) │ │ │ │
│ │ │ │
Коррозионная стойкость (устойчивость к коррозии) ───────────────────┘ │ │ │
│ │ │
Спецификация материала соединительного элемента ────────────────────────────┘ │ │
│ │
Устойчивость к возгоранию сажи (G: да или O: нет) ───────────────────────────────────┘ │
и расстояние до горючих материалов XX, мм, │
а также M для "измеренного значения" и NM для "нет измеренного значения" │
(только для соединительных элементов) ──────────────────────────────────────────────────────────┘
--------------------------------
Гибкие внутренние трубы - &ГОСТ Р 59375.2& T400 N1 W Vm L40010
<a> G
│ │ │ │ │ │ │ │
│ │ │ │ │ │ │ │
Название изделия ──┘ │ │ │ │ │ │ │
│ │ │ │ │ │ │
Номер стандарта ───────────────┘ │ │ │ │ │ │
│ │ │ │ │ │
Класс температуры (см.
таблицу 4) ───────────┘ │ │ │ │ │
│ │ │ │ │
Класс давления (N или P или H) ───────────────────┘ │ │ │ │
│ │ │ │
Устойчивость к конденсату ────────────────────────────┘ │ │ │
(W: влажный или D: сухой режим) │ │ │
│ │ │
Коррозионная стойкость (устойчивость к коррозии) ────────┘ │ │
│ │
Спецификация материала для соединительного элемента ────────────┘ │
│
Устойчивость к возгоранию сажи (G: да или O: нет) ───────────────────────┘
--------------------------------
<a> Внутренняя оболочка двухслойных гибких внутренних труб.
Таблица 4
Класс температур и испытательные температуры
Класс температуры | Номинальная рабочая температура t, °C | Испытательная температура дымовых газов, °C |
T 080 | <= 80 | 100 |
T 100 | <= 100 | 120 |
T 120 | <= 120 | 150 |
T 140 | <= 140 | 170 |
T 160 | <= 160 | 190 |
T 200 | <= 200 | 250 |
T 250 | <= 250 | 300 |
T 300 | <= 300 | 350 |
T 400 | <= 400 | 500 |
T 450 | <= 450 | 550 |
T 600 | <= 600 | 700 |
10 Подтверждение соответствия
Соответствие внутренних труб, соединительных и фасонных элементов требованиям настоящего стандарта и содержащимся в нем характеристикам (включая классы) должно быть подтверждено следующим образом:
a) первичными типовыми испытаниями;
b) заводским производственным контролем со стороны производителя, включая оценку изделия.
10.2.1 Первичное типовое испытание
Для подтверждения соответствия изделия настоящему стандарту должны быть проведены первичные типовые испытания. Могут быть рассмотрены предыдущие испытания, выполненные в соответствии с положениями настоящего стандарта (один и тот же продукт, одно и то же свойство, один и тот же метод испытаний, идентичная процедура отбора проб и процедура оценки соответствия и т.д.). Кроме того, первичные испытания нужно проводить в начале производства новой дымоходной системы или в начале нового производственного процесса (если это может повлиять на установленные свойства).
Если для отдельных свойств подтверждение уже установлено по другим нормам (для металлов, включая покрытия, уплотнения и уплотнительные материалы), эти свойства не требуют новой оценки, если автор конструкции гарантирует достоверность этих результатов, хотя это не освобождает производителя от ответственности за обеспечение того, что дымоходная система в целом как изделие была правильно спроектирована и что ее компоненты соответствовали требуемым рабочим характеристикам.
Все свойства, перечисленные в
разделах 5 и
6, должны быть включены в первичное типовое испытание, за следующим исключением:
- выделение опасных веществ, поскольку это может косвенно оцениваться путем проверки состава соответствующего вещества.
10.2.2 Последующее типовое испытание
При любом изменении в конструкции внутренней трубы, соединительного и фасонного элемента, исходного материала, при смене поставщика одного из компонентов или изменении производственного процесса, которые могут повлиять на допустимые предельные отклонения или повлиять на выполнение требований
разделов 5 и
6 касательно одного или нескольких свойств, типовое испытание для соответствующего(их) свойства должно быть выполнено повторно.
10.2.3 Отбор проб для типового испытания
Размеры изделий для испытания должны соответствовать
приложению B.
Количество испытываемых внутренних труб, соединительных и фасонных элементов для каждого размера должно соответствовать требованиям применимых разделов
ГОСТ Р 59376 и
приложения A.
Производитель должен зафиксировать результаты всех типовых испытаний и хранить их в течение срока их действия.
10.3 Контроль продукции в процессе производства (FPC)
10.3.1 Общие положения
Производитель должен внедрить, задокументировать и использовать систему контроля продукции в процессе производства (FPC), чтобы гарантировать, что продукты, представленные на рынке, соответствуют указанным эксплуатационным характеристикам.
Примечание - Система FPC, которая соответствует требованиям
ГОСТ Р ИСО 9001 и адаптирована к требованиям
настоящего стандарта, отвечает требованиям заводского контроля производства. Контроль системы следует проводить не чаще одного раза в год.
Система FPC должна состоять из письменно задокументированных процедур, периодических проверок и испытаний и/или оценок, результаты которых используются для контроля сырья и других входящих материалов или компонентов, оборудования, производственного процесса и продукта.
Производитель несет ответственность за организацию эффективного контроля продукции в процессе производства. Задачи должны актуализироваться. На каждом заводе производитель может делегировать деятельность по контролю лицу, уполномоченному:
a) оценивать процессы, которые обеспечивают соответствие продукта на разных этапах производства;
b) выявлять и регистрировать все обстоятельства, приводящие к несоответствию;
c) назначать корректирующие процедуры для устранения случаев несоответствия.
Производитель должен составлять и постоянно обновлять документацию, в которой указывается используемый заводской контроль производства. Документация и процедуры производителя должны соответствовать изделию и производственному процессу. Все системы FPC должны обеспечивать высокий уровень уверенности в соответствии изделия. Это включает в себя:
d) создание документированных процедур и инструкций для действий, которые должны выполняться при контроле продукции в процессе производства;
e) эффективную реализацию этих процедур и инструкций;
f) запись этих мероприятий и их результатов;
g) использование результатов для исправления любых отклонений, для устранения последствий этих отклонений, для обработки всех случаев несоответствия и, при необходимости, для пересмотра системы FPC с целью устранения причины несоответствия.
Действия по контролю продукции в процессе производства должны включать некоторые или все следующие пункты:
h) определение и проверка исходных материалов и строительных компонентов;
i) контроль и испытания в процессе производства с фиксированной частотой;
j) подтверждения и испытания готового изделия с частотой, указанной в технических регламентах применительно к изделию и условиям его производства.
Примечание - В зависимости от конкретного случая могут потребоваться следующие меры:
- меры в соответствии с
i) и
j);
- только меры в соответствии с
i); или
- только меры в соответствии с
j).
Мероприятия в рамках
i) должны быть сконцентрированы не только на промежуточных этапах производства изделия, но и на производственном оборудовании, его установке, оснащении и т.д. Эти проверки и испытания, их частота варьируются в зависимости от типа и составных элементов изделия, в зависимости от производственного процесса и степени чувствительности свойств изделия к изменениям производственных параметров и т.д.
Производитель должен иметь в своем распоряжении необходимые средства, необходимое оборудование и персонал для проведения требуемых оценок и испытаний. Он или его представитель могут также удовлетворять этим требованиям, если они уполномочили для выполнения данных задач одну или несколько организаций или лиц, обладающих необходимыми навыками и оборудованием.
Производитель несет ответственность за подтверждение соответствия продукта его технической спецификации, за калибровку или проверку контрольного, измерительного или испытательного оборудования и за поддержание его в хорошем рабочем состоянии, независимо от того, является ли он его владельцем. Испытательное оборудование должно соответствовать требованиям или системе контроля, к которым относится данное требование.
При необходимости соответствие должно также контролироваться на промежуточных и основных стадиях производства.
Этот контроль соответствия выполняется по мере необходимости на протяжении всего производственного процесса, с тем чтобы до отправки доходили только те продукты, которые успешно прошли все запланированные промежуточные проверки и испытания.
Результаты проверок, испытаний или оценок, требующих действий, а также любые меры, принятые в этом контексте, необходимо регистрировать. Необходимо также регистрировать меры, которые нужно предпринять, если контрольные значения или критерии не соблюдаются.
10.3.2 Оборудование
Все оборудование для взвешивания, измерений и испытаний должно быть откалибровано и периодически проверено в соответствии с описанными процедурами и задокументированной периодичностью и критериями.
10.3.3 Исходные материалы и строительные компоненты
Спецификации всех входящих исходных материалов и строительных компонентов должны быть задокументированы в соответствии с планом контроля для обеспечения их соответствия.
10.3.4 Контроль и оценка продукции
Производитель должен осуществить процедуры, обеспечивающие соблюдение установленных значений характеристик. Отбор проб для FPC должен происходить по
ГОСТ Р 59375.1-
2021 (приложение C). Характеристики приведены в
ГОСТ Р 59375.1-
2021 (приложение D).
10.3.5 Дефектные изделия
Дефектные изделия должны обрабатываться в соответствии с
ГОСТ Р 59375.1-
2021 (приложение C).
(справочное)
A.1 Измерение диаметра гибких внутренних труб
A.1.1 Проведение измерения
Внутренний диаметр должен быть измерен в трех точках, расположенных на одинаковых расстояниях по окружности, начиная от вершины волны гибкой трубы, но не менее 30 мм от конца.
A.1.2 Результаты испытаний
Среднее значение из этих трех измерений является измеренным значением диаметра.
A.2.1 Общие положения
Испытательный стенд должен быть сконструирован в соответствии с
A.7.2.
A.2.2 Условия испытания и приборы для испытания
Оба конца образца для испытания должны быть герметично закрыты, чтобы обеспечить контролируемую подачу воздуха. Подходящий регулятор давления должен быть подключен отдельно.
Для испытания газопроницаемости соединительного элемента первый отвод должен быть удален.
A.2.3 Проведение испытания
Образец должен быть заполнен сжатым воздухом до достижения значения, указанного в
6.3. Объемный расход для поддержания необходимого давления должен регистрироваться с точностью +/- 5%.
A.2.4 Результаты испытания
Регистрируется расход воздуха при требуемом испытательном давлении.
A.3.1 Сборка образца
Секция гибкой внутренней трубы длиной 1 м должна быть закреплена на надежной опоре с помощью кламмера и/или держателя, предоставленных производителем и закрепленных в соответствии с инструкциями производителя. К другому концу внутренней трубы прикрепляют адаптер, также поставляемый производителем.
A.3.2 Проведение испытания
К адаптеру на другом конце гибкой внутренней трубы должна быть приложена сила, в 1,5 раза превышающая расчетную нагрузку, указанную изготовителем, плюс 50 кг. Усилие должно быть отцентрировано и равномерно приложено к адаптеру.
Если гибкая труба и держатели прошли испытание под нагрузкой, далее должно быть проведено испытание на газопроницаемость в соответствии с
A.2.
A.3.3 Результаты испытаний
Должны быть зарегистрированы видимые повреждения и значение утечки.
A.4 Сопротивление разрушению
A.4.1 Образец и прибор для испытания
Прибор для испытания должен быть выполнен так, чтобы при помощи какой-либо гладкой поверхности шириной 0,15 м и длиной, равной или превышающей номинальный диаметр DN, могла быть приложена по оси трубы равномерно распределенная нагрузка на внешнюю поверхность образца для испытаний и чтобы эту нагрузку можно было постепенно увеличивать от 0 Н до 640 Н в течение периода времени от 15 до 60 с (см.
рисунок A.1).
1) - L >= DN; 2) - размеры, м
Рисунок A.1 - Прибор для испытания сопротивления разрушению
A.4.2 Проведение испытания
Образец для испытания с исходным номинальным диаметром 125 мм (или ближайший доступный диаметр) и минимальной длиной 1 м устанавливают в горизонтальном положении под испытательным прибором.
Должен быть измерен внутренний диаметр. Это измерение также может быть сделано на наружном диаметре.
Нагрузка в 640 Н должна быть приложена постепенно, вертикально и выдерживаться в течение 5 - 10 с.
После этого нагрузка должна быть снята.
Далее должно быть проведено испытание на газопроницаемость согласно
A.2.
A.4.3 Результаты испытаний
Величина утечки и оставшийся диаметр должны быть записаны.
A.5 Испытание прочности на изгиб
A.5.1 Образец и прибор для испытания
Два испытательных шаблона (полуцилиндры) с радиусом, соответствующим минимальному радиусу изгиба, указанному производителем для гибкой внутренней трубы, должны быть установлены на ровной поверхности на расстоянии, равном внешнему диаметру секции для испытаний (см.
рисунок A.2).
1 - опорная плита, на которую прикреплены испытательные
шаблоны; 2 - направление изгиба; 3 - внутренняя труба;
R - радиус равен минимальному радиусу изгиба, указанному
производителем; D - отверстие соответствует внешнему
диаметру внутренней трубы
Рисунок A.2 - Прибор для испытания прочности на изгиб
A.5.2 Условия испытания и приборы для испытания
Между двумя испытательными шаблонами должен быть установлен участок гибкой внутренней трубы, чтобы он выступал как минимум на 1 м ниже испытательного шаблона, а длина, выступающая выше, была бы достаточной для сгибания трубы над испытательными шаблонами.
A.5.3 Проведение испытания
Верхняя свободная длина гибкой внутренней трубы должна быть согнута вручную под углом 180° сначала в одном, а затем в противоположном направлении над другим шаблоном для испытаний.
Этот цикл должен быть выполнен три раза.
При визуальном осмотре следует определить, что наружное покрытие сохраняется при изгибе гибкой внутренней трубы с двойной оболочкой.
После завершения этой процедуры должно быть проведено испытание на газопроницаемость согласно
A.2.
A.5.4 Результаты испытания
Видимое повреждение и значение утечки должны быть зарегистрированы.
A.6 Испытание прочности на кручение
A.6.1 Прибор для испытания
Используемый прибор для испытания (см.
рисунок A.3) должен иметь прочно закрепленную манжету и быть пригодным для прикрепления второй манжеты к свободному концу гибкой внутренней трубы или соединительного элемента, к которым должен быть приложен крутящий момент.
1 - груз; 2 - веревки; 3 - эффективный диаметр ведущего
колеса; 4 - ведущее колесо; 5 - минимальная длина трубы
между манжетами 1 м; 6 - жестко закрепленная манжета;
7 - станок для манжет
Рисунок A.3 - Прибор для испытания прочности на кручение
A.6.2 Испытательный стенд
Один из свободных концов гибкой внутренней трубы или соединительного элемента длиной не менее 1 м должен быть жестко закреплен в приборе для испытаний.
A.6.3 Проведение испытания
К свободному концу необходимо приложить крутящий момент в направлении витков на 5 мин; затем приложить крутящий момент в течение 5 мин в обратном направлении. После завершения этой процедуры должно быть проведено испытание на газопроницаемость согласно
A.2.
Крутящий момент M, Н, определяют следующим образом:
M = D x 250N = 0,5 (эффективный диаметр ведущего колеса x масса),
где M - крутящий момент, Н·м; D - диаметр образца, м.
Испытательный крутящий момент не должен превышать 50 Н·м.
A.6.4 Результаты испытания
Видимые повреждения и значение утечки должны быть зарегистрированы.
A.7 Испытание на тепловое воздействие
A.7.1 Прибор
A.7.1.1 Общие положения
Испытательный стенд должен состоять из конструкции для испытаний, образца, генератора горячего газа и измерительного прибора (см.
рисунки A.4 и
A.5).
1 - стальной профиль или стержень; 2 - выпуск; 3 - вход;

- угол смещения 30° или 45°;
A - смещение;
B - размер
блока в соответствии с инструкциями производителя;
C - вертикальное расстояние между изгибами (необходимо
отрегулировать); F - усилие вытягивания в соответствии
с инструкциями производителя или не более 1000 Н;
v - скорость вытягивания установлена 50 мм/мин
Рисунок A.4 - Испытательный стенд для испытания
соединительных элементов на тепловое воздействие
a) - Испытательный стенд для измерения расстояния
до горючих строительных материалов
b) - Испытательный стенд с теплоизоляцией
только для испытания целостности
X - расстояние до стены и потолка;
A-A - горизонтальное сечение
Рисунок A.5 - Испытательный стенд для испытания
соединительных элементов на тепловое воздействие
A.7.1.2 Подключение генератора горячего газа
Для подключения генератора горячего газа используется теплоизолированная труба для удаления дымовых газов, которая должна быть изготовлена с внутренним диаметром, равным внутреннему диаметру образца, и иметь длину 7 x D, измеренную по оси образца; теплоизоляция должна иметь термическое сопротивление не ниже значения, соответствующего материалу толщиной 50 мм, с теплопроводностью 0,125 Вт/(м·К) при 750 °C.
A.7.1.3 Измерительные приборы и их расположение
Измерительные приборы должны соответствовать
ГОСТ Р 59376-
2022 (пункт 4.5.1.5.1) - для температуры окружающей среды,
ГОСТ Р 59376-2022 (пункт 4.5.1.5.2) - для температуры горячего газа,
ГОСТ Р 59376-2022 (пункт 4.5.1.5.3) - для измерения температуры поверхности металла,
ГОСТ Р 59376-
2022 (пункт 4.5.1.5.5) - для измерения температуры поверхности,
ГОСТ Р 59376-
2022 (пункт 4.5.1.5.6) - для измерений потока в конструкции для удаления дымовых газов и
ГОСТ Р 59376-
2022 (пункт 4.5.1.5.7) - для измерения объемного расхода горячего газа.
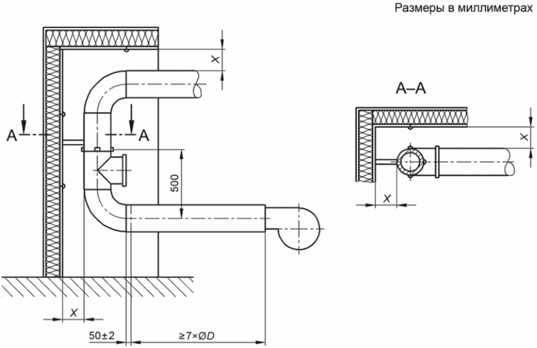
Измерительные приборы для определения расстояния от жесткого соединительного элемента до горючих материалов должны быть расположены на противоположной стороне на кратчайшем расстоянии от соединительного элемента и должны быть в состоянии обнаружить самую горячую часть горючего материала. Измерения необходимо проводить в подходящих местах, в двух точках, расположенных друг над другом на вертикальной линии и на потолке (см.
рисунок A.5,
X - расстояние до стены и потолка).
A.7.1.4 Окружающее пространство при испытании
Помещение для испытания должно соответствовать
ГОСТ Р 59376-
2022 (пункт 4.5.2.1).
A.7.2 Испытательные стенды
А.7.2.1 Испытательный стенд для внутренних труб
Для конструкции удаления дымовых газов должна быть изготовлена заводским способом конструкция из бетонных блоков с внутренним размером 200 мм x 200 мм и минимальным термическим сопротивлением от 0,12 м
2·К/Вт до 0,15 м
2·К/Вт с минимальной длиной 5 м, включая элементы со смещением на 45° или 30°, в зависимости от информации производителя о максимально допустимом угле смещения (см.
рисунок A.4). Для жестких труб, которые не предназначены для использования со смещением, необходимо использовать прямой испытательный стенд.
Испытательный стенд для проведения испытания на тепловое воздействие должен иметь угол смещения 45°, если производитель не установил максимальный угол смещения 30°.
Для проверки механической прочности изделия производитель, установивший для внутренней трубы с большим номинальным диаметром максимальный угол смещения 30°, а для внутренней трубы с меньшим номинальным диаметром максимальный угол смещения 45°, должен также провести испытание на сопротивление вытягиванию (см.
A.7.3.1.1) и на деформацию (см.
A.7.3.1.2) на испытательном стенде, который также имеет угол смещения 30°, без проведения испытания на тепловое воздействие в соответствии с
A.7.4.
Такие блоки конструкции для удаления дымовых газов должны иметь форму буквы П, и при необходимости в одной из сторон может быть выполнено отверстие для установки жестких внутренних труб (
рисунок A.4, A-A). После завершения установки жестких внутренних труб открытая сторона испытательного стенда должна быть закрыта.
A.7.2.2 Испытательный стенд для соединительных элементов
Для проведения испытания теплового воздействия испытательный стенд должен иметь значительные области конструкции стены и потолка зоны A испытательного стенда в соответствии с
ГОСТ Р 59376-
2022 (пункт 4.5.1.2) (см.
рисунок A.5, a и
A.5, b).
На
рисунке A.5, a показан испытательный стенд для проверки отсутствия повреждений и подтверждения заданного расстояния до горючих строительных материалов.
На
рисунке A.5, b показан испытательный стенд для проверки целостности. Теплоизоляция на
рисунке A.5, b добавляется только для защиты испытательного стенда.
A.7.3 Образец для испытания
A.7.3.1 Образец для испытания гибкой трубы
A.7.3.1.1 Монтаж, сопротивление вытягиванию и испытание на утечки
Внутренняя труба должна быть смонтирована в испытательной конструкции в соответствии с инструкциями производителя (см.
рисунок A.4).
Сила, необходимая для втягивания внутренней трубы в испытательное устройство, должна быть измерена с точностью +/- 5% и зарегистрирована.
Утечки/давление следует измерять в соответствии с
A.2.
A.7.3.1.2 Проверка деформации
Шар для испытаний должен быть вброшен во внутреннюю трубу с максимальной скоростью 0,1 м/с. Диаметр шара для испытаний должен составлять 80% от указанного внутреннего диаметра внутренней трубы, а его масса не должна превышать 1 Н/мм диаметра пробного шара. После завершения испытания шар необходимо удалить.
A.7.3.2 Испытательный образец для жесткой внутренней трубы
Жесткая внутренняя труба должна быть установлена в открытой испытательной конструкции в соответствии с инструкциями производителя. После установки открытые стороны блоков испытательной конструкции должны быть закрыты. Утечка должна быть измерена и записана в соответствии с
A.2.
A.7.3.3 Соединительный элемент
Соединительный элемент должен быть установлен, как показано на
рисунке A.5.
Образец для испытаний должен состоять из одного отвода, одного тройника (с закрытым боковым отводом), если он предусмотрен производственной программой производителя, за ним следует вертикальная секция длиной, позволяющей размещение образца под потолком испытательного стенда, далее отвод и горизонтальная секция с минимальной длиной 1 м.
Для измерения расстояния до горючих строительных материалов соединительный элемент должен быть установлен на испытательном стенде в соответствии с
рисунком A.5, a на расстоянии до горючих строительных материалов, указанном производителем.
Если испытание не предусматривает подтверждения расстояния до горючих строительных материалов, то должен быть использован испытательный стенд, представленный на
рисунке A.5, b, при этом должна быть предусмотрена его теплоизоляция.
A.7.4 Проведение испытания теплового воздействия
A.7.4.1 Проведение испытания
Во время испытания должны быть соблюдены условия по параметрам окружающего пространства.
Горячий газ должен вырабатываться с объемным расходом и температурой испытания по
ГОСТ Р 59376-
2022,
таблица 1, в соответствии с названием изделия и диаметром.
Поток горячего газа должен быть отрегулирован так, чтобы общий коэффициент распределения температуры (OTDF) для горячего газа не превышал 1,05.
Необходимо убедиться, что горячий газ имеет соотношение CO/CO2 не более 0,01.
Температура окружающей среды в помещении для испытаний должна поддерживаться в ходе испытания так, чтобы она не изменялась более чем на 5 °C.
A.7.4.2 Испытание нагревом
Испытание нагревом должно соответствовать
ГОСТ Р 59376-
2022 (пункт 4.5.3.1).
Испытание газопроницаемости должно быть проведено в соответствии с
A.2.
A.7.4.3 Испытание огнестойкости (испытание на устойчивость к возгоранию сажи)
Испытание огнестойкости должно соответствовать
ГОСТ Р 59376-
2022 (пункт 4.5.3.2).
Испытание газопроницаемости должно быть проведено в соответствии с
A.2.
A.7.4.4 Результаты испытания
A.7.4.4.1 Все значения, указанные в
A.7.1.3, должны быть зарегистрированы. Должны быть записаны все случаи, когда температура превысила допустимые значения.
A.7.4.4.2 Состояние поверхности эмалированных изделий должно быть визуально проверено на предмет трещин или отслаивания после испытания нагревом.
A.7.4.4.3 Утечки должны быть зарегистрированы.
(обязательное)
ВЫБОР РАЗМЕРОВ ДЛЯ ТИПОВОГО ИСПЫТАНИЯ И ОТБОР ПРОБ
B.1 Общие положения
Для жестких металлических внутренних труб, соединительных и фасонных элементов применяют
ГОСТ Р 59375.1-
2021 (приложение B), если применимо.
Для гибких внутренних труб действуют следующие положения.
Тепловое испытание нужно проводить на самом большом диаметре, который допустимо установить в соответствии с инструкциями производителя на испытательном стенде, описанном в
разделе A.7.
B.3 Механические испытания
Механические испытания нужно проводить при наименьшем, наибольшем и среднем диаметрах, за исключением испытания на вытягивание, проводимого в соответствии с испытанием на тепловое воздействие. В некоторых случаях это может зависеть от инструкций производителя (например, одинаковое расстояние между креплениями для разных диаметров).
B.4 Газопроницаемость
Смотрите тепловое испытание (так как проверка газопроницаемости выполняется до и после теплового испытания).
Дополнительное испытание на газопроницаемость при избыточном давлении необходимо проводить для гибкой внутренней трубы длиной не менее 2 м и одним швом с соединительным элементом для всех диаметров, не подвергнутых тепловому испытанию.
B.5 Образцы
Количество поставляемых для испытаний строительных компонентов определяется единицами, необходимыми для каждого испытания.
B.6 Заводской производственный контроль
Система заводского производственного контроля должна демонстрировать, что обычные производственные единицы идентичны образцам, используемым для типовых испытаний.
B.7 Изменения, требующие повторного типового испытания
a) изменение материала или метода сборки конструкции;
b) изменения, влияющие на параметры в обозначении, если применимо.
(справочное)
РЕКОМЕНДАЦИИ, КОТОРЫЕ КАСАЮТСЯ ПРАВИЛ ПРОВЕДЕНИЯ
ДОБРОВОЛЬНОГО ПОДТВЕРЖДЕНИЯ СООТВЕТСТВИЯ ПРОДУКЦИИ
В ФОРМЕ ДОБРОВОЛЬНОЙ СЕРТИФИКАЦИИ
ДА.1 Область применения
Настоящий раздел представляет рекомендации, касающиеся правил проведения добровольной сертификации продукции в системах добровольной сертификации, созданных в соответствии с
[5] и зарегистрированных федеральным органом исполнительной власти по техническому регулированию.
Объект добровольной сертификации - внутренние трубы и соединительные элементы из металла для металлических дымоходных систем, спроектированные и изготовленные по требованиям настоящего стандарта.
Соответствие этим требованиям дает основание полагать, что внутренние трубы и соединительные элементы из металла для металлических дымоходных систем, описанные в настоящем приложении, пригодны для дальнейшего использования. Оформление и регистрация добровольного сертификата соответствия аккредитованным органом могут предусматривать возможность применения знака соответствия, т.е. на упаковку проверенного товара или сопроводительную документацию может быть нанесен специальный символ, и таким образом потребитель сможет отличить данную продукцию от аналогов.
ВАЖНОЕ УКАЗАНИЕ - Для металлических внутренних труб, соединительных и фасонных элементов, которые выпадают из области применения настоящего стандарта, могут применяться дополнительные требования и другие технические регламенты, которые не имеют отношения к их предполагаемому использованию.
Примечание - В дополнение к любому из разделов настоящего стандарта, которые относятся к опасным веществам, могут существовать иные требования к продуктам, входящим в их сферу действия (например, своды правил, правовые и руководящие административные предписания). Для соответствия положениям сводов правил о строительной продукции эти требования, если это применимо, также должны соблюдаться.
В этом приложении указаны условия для обозначения знаком соответствия строительных компонентов систем удаления дымовых газов, изготовленных из металла, для целей, указанных в
таблице ДА.1, и приводятся соответствующие действующие разделы.
Таблица ДА.1
Область применения и соответствующие разделы с требованиями
к жестким и гибким изделиям
Эксплуатационная характеристика | Раздел с требованиями настоящего стандарта | Класс | Примечание |
Требования к жестким изделиям |
Прочность на сжатие | 6.1.1 Жесткие внутренние трубы, жесткие соединительные и фасонные элементы | нет | Предельное значение Данные производителя |
Огнестойкость | 6.2.1 Жесткие внутренние трубы и фасонные элементы | G | Указание класса |
6.2.2 Жесткие соединительные и фасонные элементы | G (xx) | Указание класса и расстояния до соседних горючих строительных материалов xx, мм |
Газопроницаемость/утечки | | нет | Класс давления (газопроницаемость установлена как предельное значение утечки относительно класса давления) |
Сопротивление потоку | 6.4.6 Сопротивление потоку 6.4.6.1 Жесткие внутренние трубы, жесткие соединительные и фасонные элементы | нет | Средняя шероховатость, мм, и коэффициенты местного сопротивления для фасонных элементов |
Термическое сопротивление | 6.4.3 Термическое сопротивление | нет | Данные производителя |
Возгорание сажи | 6.4.1 Тепловые характеристики при обычных условиях эксплуатации | нет | Предельное значение |
6.4.1.1 Жесткие внутренние трубы и фасонные элементы | Данные производителя |
6.4.1.2 Жесткие соединительные и фасонные элементы | Поддержание газопроницаемости и заданного внутреннего диаметра |
Прочность на изгиб | 6.1 Механическая прочность и стабильность | нет | Предельное значение Данные производителя |
6.1.1 Жесткие трубы, жесткие соединительные и фасонные элементы | Предельное значение Данные производителя |
Устойчивость к химическим веществам | 6.4.4 Сопротивление диффузии водяного пара | нет | Предельное значение |
6.4.5 Стойкость к конденсату | Данные производителя |
| | ИС МЕГАНОРМ: примечание. В официальном тексте документа, видимо, допущена опечатка: имеется в виду пункт 6.7.1 ГОСТ Р 59375.1-2021, а не настоящего стандарта. | |
|
Стойкость к коррозии | | нет | Данные материала и толщина или предельное значение (на основании испытания на коррозию) |
Стабильность прочности на изгиб | 6.1.1 Жесткие трубы, жесткие соединительные и фасонные элементы | нет | Предельное значение Данные производителя |
Стабильность прочности на сжатие | 6.1.1 Жесткие трубы, жесткие соединительные и фасонные элементы | нет | Предельное значение Данные производителя |
Замораживание/оттаивание | 6.5.2 Устойчивость к замораживанию/оттаиванию | нет | Предельное значение Данные производителя |
Требования к гибким изделиям |
Прочность на сжатие | 6.1.2.2 Прочность на сжатие фасонных элементов и держателей | нет | Данные производителя |
Огнестойкость | 6.2.3 Гибкие внутренние трубы и фасонные элементы | G | Указание класса (соответствие испытанию на устойчивость к возгоранию сажи, если применимо) |
Газопроницаемость/утечки | | нет | Класс давления (газопроницаемость установлена как пороговое значение утечки относительно класса давления) |
Сопротивление потока | 6.4.6 Сопротивление потока 6.4.6.2 Гибкие внутренние трубы и фасонные элементы | нет | Средняя шероховатость, мм, и коэффициенты местного сопротивления для фасонных элементов |
Термическое сопротивление | 6.4.3 Термическое сопротивление | нет | Данные производителя |
Устойчивость к возгоранию сажи | 6.4.1 Тепловое воздействие при обычных условиях эксплуатации | нет | Предельное значение |
6.4.1.3 Гибкие внутренние трубы и фасонные элементы | Поддержание газопроницаемости и заданного внутреннего диаметра |
Механическая прочность | 6.1 Механическая прочность и стабильность | нет | Предельное значение Данные производителя |
6.1.2 Гибкие внутренние трубы | Предельное значение Данные производителя |
6.1.2.2 Прочность на сжатие фасонных элементов и держателей | Предельное значение Данные производителя |
| Предельное значение Данные производителя |
| Предельное значение |
| Данные производителя |
| Предельное значение |
| Данные производителя |
Сопротивление на сжатие | 6.1.2.2 Сопротивление на сжатие фасонных элементов и держателей | нет | Предельное значение Данные производителя |
Устойчивость к химическим веществам | 6.4.4 Устойчивость к диффузии водяного пара | нет | Предельное значение |
6.4.5 Устойчивость к конденсату | Предельное значение |
| | ИС МЕГАНОРМ: примечание. В официальном тексте документа, видимо, допущена опечатка: имеется в виду пункт 6.7.1 ГОСТ Р 59375.1-2021, а не настоящего стандарта. | |
|
Стойкость к коррозии | | нет | Данные по материалу и толщине или предельное значение (на основании испытания на коррозию) |
Замораживание/оттаивание | 6.5.2 Устойчивость к замораживанию/оттаиванию | нет | Информация об изделии для конструкций удаления дымовых газов с металлическими внутренними трубами |
Настоящее приложение имеет ту же область применения, что и
раздел 1 настоящего стандарта, это указано в
таблице ДА.1.
Область применения и соответствующие разделы с требованиями к жестким металлическим внутренним трубам, жестким соединительным и фасонным элементам, определенные в
разделе 1 настоящего стандарта, за исключением адаптеров и держателей, представлены в
таблице ДА.1. Предусмотренная цель использования: отвод продуктов сгорания от источников тепла в атмосферу.
Область применения и требования к гибким металлическим внутренним трубам и фасонным элементам по
разделу 1 настоящего стандарта, за исключением адаптеров и держателей, указаны в
таблице ДА.1 Предусмотренная цель использования: отвод продуктов сгорания от источников тепла в атмосферу.
Требование к определенным свойствам не действует, если нет законодательных требований к данным свойствам продукта, предполагаемого к использованию. В этом случае производители, которые хотят реализовывать свою продукцию на рынке Российской Федерации, не обязаны подтверждать или указывать характеристики своих изделий в отношении таких свойств и допускается использовать опцию "характеристика не определена" (NPD) в информации для обозначения знаком соответствия. Однако опция NPD не может использоваться, если определенная характеристика имеет предельные значения.
ДА.2 Метод подтверждения соответствия жестких или гибких внутренних труб и жестких соединительных элементов
ДА.2.1 Схема(ы) подтверждения соответствия
В соответствии с требованиями
[5], схема(ы) подтверждения соответствия металлических систем удаления дымовых газов приведена в
таблице ДА.2.
Таблица ДА.2
Схема(ы) подтверждения соответствия
Изделие(я) | Использование по назначению(ям) | Ступень(и) и/или класс(ы) | Схема(ы) подтверждения соответствия |
Металлические трубы, соединительные элементы, фасонные элементы | Конструкция для удаления дымовых газов | все | 2 |
Подтверждение соответствия продукции требованиям добровольной системы сертификации по схеме 2 осуществляют для продукции, качество и безопасность которой обусловлены стабильностью процесса выполнения работ. |
Сертификат соответствия для жестких или гибких внутренних труб и жестких соединительных элементов, указанных в
таблице ДА.1, должен основываться на процедурах оценки соответствия
таблицы ДА.3, которые вытекают из применения упомянутых в нем разделов настоящего стандарта.
Таблица ДА.3
Распределение задач по оценке соответствия металлических
труб, соединительных и фасонных элементов
Задача | Содержание задач | Раздел, принимаемый во внимание при подтверждении соответствия |
Задачи для производителя | Заводской производственный контроль (FPC) | Параметры, относящиеся ко всем основным свойствам согласно таблице ДА.1 | |
Первичное типовое испытание (ITT) | | |
Задачи для нотифицированного органа | Сертификация FPC на основании: | первичного контроля состояния предприятия и заводского производственного контроля FPC | Параметры, относящиеся ко всем основным свойствам в соответствии с таблицей ДА.1 | |
| | ИС МЕГАНОРМ: примечание. В официальном тексте документа, видимо, допущена опечатка: пункт 10.4 отсутствует. | |
|
| | постоянного наблюдения, подтверждения и признания FPC | Параметры, относящиеся ко всем основным свойствам в соответствии с таблицей ДА.1 | 10.4 |
Дополнительно для гибких внутренних труб и соединителей, параметры прочности на растяжение и кручение | |
ДА.2.2 Подтверждение соответствия на территории Российской Федерации
Подтверждение соответствия требуется для изделий по схемам добровольной сертификации 2, 3 и 4.
Если условия настоящего приложения выполнены и уполномоченный орган выдал добровольный сертификат, указанный ниже, производитель или его уполномоченный представитель должен хранить сертификат соответствия, разрешающий производителю использовать обозначение знака соответствия. Этот сертификат должен содержать следующие пункты:
- наименование и адрес производителя или его уполномоченного представителя и местонахождение производства;
- описание изделия (тип, обозначение, использование и т.д.), копия сопровождающей информации обозначения знаком соответствия;
- положения, которым изделие соответствует (например,
приложение ДА к настоящему стандарту);
- особые условия, применяемые к использованию изделия (например, предписания по использованию в определенных условиях и т.д.).
Сертификат соответствия должен сопровождаться сертификатом заводского контроля производства, выданным уполномоченным органом, который, помимо вышеуказанной информации, содержит:
- наименование и адрес уполномоченного органа;
- условия и срок действия сертификата, если применимо;
- имя и функции лица, уполномоченного подписывать сертификат.
Указанная выше декларация должна быть написана на русском языке.
ДА.3 Обозначение знаком соответствия требованиям системы добровольной сертификации и этикетка
Производитель или его уполномоченный представитель отвечают за нанесение знака соответствия добровольной сертификации требованиям настоящего стандарта на фабричную этикетку конструкции для удаления дымовых газов с идентификационным номером сертификационного органа, наименованием или фирменным знаком производителя, номером стандарта и обозначением изделия. Этикетка наносится на само изделие либо на упаковку. Кроме того, знак соответствия и вся информация, приведенная ниже, должны быть указаны на упаковке и/или в сопроводительных коммерческих документах (например, в накладной). Следующая информация должна быть указана на этикетке:
- знак соответствия;
- идентификационный номер органа по сертификации;
- название или фирменный знак и зарегистрированный адрес производителя;
- последние две цифры года, в котором выпущена продукция;
- номер сертификата соответствия требованиям настоящего стандарта или сертификат заводского контроля производства (если применимо);
- ссылка на настоящий стандарт;
- описание изделия: торговая марка, материал, размеры и т.д., а также предусмотренное использование;
- информация об основных эксплуатационных характеристиках из
таблицы ДА.1:
a) заявленные значения и, при необходимости, степень и класс основных свойств в соответствии с примечаниями в
таблице ДА.1;
Примечание - Указанное производителем расстояние до горючих строительных материалов представляет собой значение для диаметра, который был подвергнут проверке на тепловое воздействие (см.
B.2).
b) альтернативно только стандартное обозначение(я) согласно
разделу 9 или вместе со значениями, приведенными выше;
c) характеристики, для которых действует опция "характеристика не определена" (NPD).
Опцию "характеристика не определена" (NPD) недопустимо использовать, если для указанного свойства задано предельное значение. С другой стороны, опция NPD может применяться, если отсутствуют какие-либо законодательные требования к указанной характеристике в отношении предусмотренной цели использования.
Рисунки ДА.1,
ДА.2,
ДА.3 и
ДА.4 являются примерами информации, которая должна быть указана на изделии, на упаковке и/или в коммерческих сопроводительных документах.
| Знак соответствия добровольной сертификации на требования национального стандарта |
XX01 | Идентификационный номер нотифицированного органа |
Any Co Ltd, PO Box 21, B-1050 | Название или логотип и зарегистрированный адрес производителя |
08 | Последние две цифры года, в котором обозначение нанесено |
01234-CPD-00234 | Номер сертификата |
ГОСТ Р 59375.2-2022 | Номер датированного стандарта |
Гибкие металлические внутренние трубы T400-N1-W-Vm-L40010-G | Название изделия и соответствующее обозначение согласно разделу 9 |
Номинальный размер 200 мм Прочность на разрыв Максимальная нагрузка на закрепленные внутренние трубы: соответствует длине 30 м Прочность на сжатие Максимальная нагрузка на фасонные элементы и держатели: соответствует длине 10 м Сопротивление разрушению Максимальная нагрузка на внутреннюю трубу: 15 кг Способность к смещению Максимальный угол смещения при установке: 45° Сила кручения Максимальная крутящая нагрузка при установке: 640 Н Сила втягивания Максимальная сила для втягивания внутренней трубы в существующую конструкцию: 500 Н Устойчивость к возгоранию сажи: да Коэффициент сопротивления потоку Средняя шероховатость: 0,5 мм Стойкость к замораживанию/оттаиванию: да | Информация об обязательных характеристиках, которые не включены в обозначение, или список показателей, которые необходимо указать (см. таблицу ДА.1) |
Рисунок ДА.1 - Пример маркировки знаком соответствия
требованиям системы добровольной сертификации на изделии
или упаковке для гибкой металлической внутренней трубы
| Знак соответствия добровольной сертификации на требования национального стандарта |
XX01 | Идентификационный номер нотифицированного органа |
Any Co Ltd, PO Box 21, B-1050 | Название или логотип и зарегистрированный адрес производителя |
09 | Последние две цифры года, в котором обозначение нанесено |
01234-CPD-00234 | Номер сертификата |
ГОСТ Р 59375.2-2022 | Номер датированного стандарта |
Жесткие соединительные элементы из металла T400-N1-W-Vm-L40010-G(xx)-M | Название изделия и соответствующее обозначение согласно разделу 9 |
Номинальный диаметр 200 мм Прочность на разрыв Максимальная нагрузка: соответствует длине 30 м внутренней трубы Прочность на изгиб Прочность стояка: максимальная нагрузка на закрепленную внутреннюю трубу: соответствует длине 20 м Не вертикальная установка Максимальное допустимое смещение между двумя держателями: 3 м при 45° Максимальное допустимое расстояние от двух боковых держателей: 3 м Устойчивость к возгоранию сажи: да Коэффициент сопротивления потоку Средняя шероховатость: 0,5 мм Стойкость к замораживанию/оттаиванию: да | Информация об обязательных характеристиках, которые не включены в обозначение, или список характеристик, которые необходимо указать (см. таблицу ДА.1) |
Рисунок ДА.2 - Пример маркировки знаком соответствия
требованиям системы добровольной сертификации на изделии
или упаковке для жесткой внутренней трубы
| Знак соответствия добровольной сертификации на требования национального стандарта |
XX01 | Идентификационный номер нотифицированного органа |
Any Co Ltd, РО Box 21, B-1050 | Название или логотип и зарегистрированный адрес производителя |
09 | Последние две цифры года, в котором обозначение нанесено |
01234-CPD-00234 | Номер сертификата |
ГОСТ Р 59375.2-2022 | Номер датированного стандарта |
Жесткие соединительные элементы из металла T400-N2-W-Vm-L40045-G(16)M или G(16)NM | Название изделия и соответствующее обозначение согласно разделу 9 |
Номинальный диаметр 200 мм Прочность на сжатие Максимальная нагрузка: соответствует длине 3 м внутренней трубы Прочность на изгиб Прочность стояка: максимальная нагрузка на закрепленную внутреннюю трубу: соответствует длине 2 м Не вертикальная установка Максимальное допустимое смещение между двумя держателями: 3 м при 45° Максимальное допустимое расстояние от двух боковых держателей: 3 м Устойчивость к возгоранию сажи: да Коэффициент сопротивления потоку Средняя шероховатость: 0,5 мм Стойкость к замораживанию/оттаиванию: да | Информация об обязательных характеристиках, которые не включены в обозначение, или список характеристик, которые необходимо указать (см. таблицу ДА.1) |
Рисунок ДА.3 - Пример маркировки знаком соответствия
требованиям системы добровольной сертификации на изделии
или упаковке для жестких соединительных элементов
| Знак соответствия добровольной сертификации на требования национального стандарта |
XX01 | Идентификационный номер нотифицированного органа |
Any Co Ltd, РО Box 21, B-1050 | Название или логотип и зарегистрированный адрес производителя |
09 | Последние две цифры года, в котором обозначение нанесено |
01234-CPD-00234 | Номер сертификата |
ГОСТ Р 59375.2-2022 | Номер датированного стандарта |
Фасонный элемент для металлических внутренних труб T250-P1-W-V2-L60060-G | Название изделия и соответствующее обозначение согласно разделу 9 |
Номинальный диаметр 200 мм Прочность на сжатие Максимальная нагрузка: 30 м секций конструкции для удаления дымовых газов Сопротивление потоку Коэффициент трения 0,3 при изменении направления потока на 90° Устойчивость к возгоранию сажи: да Прочность на изгиб Прочность на изгиб: максимальная нагрузка закрепленной внутренней трубы: соответствует длине 2 м Не вертикальная установка: NPD | Информация об обязательных характеристиках, которые не включены в обозначение, или список характеристик, которые необходимо указать (см. таблицу ДА.1) |
Рисунок ДА.4 - Пример маркировки знаком соответствия
требованиям системы добровольной сертификации на изделии
или упаковке для фасонного элемента: тройника
При необходимости продукт должен сопровождаться соответствующей документацией с указанием всех других применимых законов об указанных выше опасных веществах, которые должны соблюдаться, а также любой другой информации, требуемой в соответствии с такими законодательными предписаниями.
(справочное)
СВЕДЕНИЯ О СООТВЕТСТВИИ ССЫЛОЧНЫХ МЕЖГОСУДАРСТВЕННЫХ
И НАЦИОНАЛЬНЫХ СТАНДАРТОВ МЕЖДУНАРОДНЫМ И ЕВРОПЕЙСКИМ
СТАНДАРТАМ, ИСПОЛЬЗОВАННЫМ В КАЧЕСТВЕ ССЫЛОЧНЫХ
В ПРИМЕНЕННОМ СТАНДАРТЕ
Таблица ДБ.1
Обозначение ссылочного межгосударственного, национального стандарта | Степень соответствия | Обозначение и наименование ссылочного международного, европейского стандарта |
| NEQ | EN 10209 "Прокат листовой холоднокатаный из низкоуглеродистых сталей для эмалирования. Технические условия" |
| IDT | ISO 9001 "Системы менеджмента качества. Требования" |
| IDT | ISO 13732-1:2006 "Эргономика термальной среды. Методы оценки реакции человека при контакте с поверхностями. Часть 1. Горячие поверхности" |
| MOD | EN 1856-1 "Конструкции для удаления дымовых газов. Требования к металлическим конструкциям для удаления дымовых газов. Часть 1. Строительные компоненты конструкций для удаления дымовых газов" |
| MOD | EN 1859 "Конструкции для удаления дымовых газов. Металлические конструкции для удаления дымовых газов. Методы испытания" |
Примечание - В настоящей таблице использованы следующие условные обозначения степени соответствия стандартов: - IDT - идентичные стандарты; - MOD - модифицированные стандарты; - NEQ - неэквивалентный стандарт. |
| ЕН 10025-5-2019 | Изделия горячекатаные из конструкционных сталей. Часть 5. Технические условия поставки конструкционных сталей с повышенной стойкостью к атмосферной коррозии (Hot rolled products of structural steels - Part 5: Technical delivery conditions for structural steels with improved atmospheric corrosion resistance) |
| ЕН 10088-1-2014 | Нержавеющие стали. Часть 1. Перечень нержавеющих сталей (Stainless steels - Part 1: List of stainless steels) |
| ЕН 15287 (все части) | Конструкции для удаления дымовых газов. Проектирование, монтаж и приемка конструкций для удаления дымовых газов (Chimneys - Design, installation and commissioning of chimneys) |
| ЕН 14241-1-2013 | Конструкции для удаления дымовых газов. Требования к материалам эластичных уплотнителей и уплотнительных материалов и их испытания. Часть 1. Уплотнения для использования во внутренних трубах (Chimneys - Elastomeric seals and elastomeric sealants. Material requirements and test methods - Part 1: Seals in flue liners) |
| Федеральный закон от 27 декабря 2002 г. N 184-ФЗ "О техническом регулировании" |
УДК 66.065.54:006.354 | |
Ключевые слова: устройства для удаления, дымовые газы, металлические конструкции, строительные компоненты, испытания |