Условное обозначение сварного соединения | Конструктивные элементы | Способ сварки | S = S1, мм | b, мм | e = e1, мм | g = g1, мм | ||||
подготавливаемых кромок свариваемых деталей | шва сварного соединения | номинальное значение | предельное отклонение | номинальное значение | предельное отклонение | номинальное значение | предельное отклонение | |||
С-1 | ![]() | ![]() | 53 | 3,0 4,0 | 0 | +0,5 | 8,0 | +/- 3,0 | 1,5 | +/- 1,0 |
+0,8 | 10,0 | |||||||||
10 | 5,0 | 0 | +1,0 | 12,0 | ||||||
6,0 7,0 8,0 9,0 | 16,0 | +/- 4,0 | 2,0 | +/- 1,5 | ||||||
10,0 12,0 14,0 | 20,0 | |||||||||
16,0 20,0 | 22,0 | +/- 5,0 | 2,5 | +2,0 -1,5 | ||||||
Условное обозначение сварного соединения | Конструктивные элементы | Способ сварки | S = S1, мм | e = e1, мм | g = g1, мм | |||
подготовленных кромок свариваемых деталей | шва сварного соединения | номинальное значение | предельное отклонение | номинальное значение | предельное отклонение | |||
С-1-1 | ![]() | ![]() | 40 51 52 | 3,0 | 6,0 | +/- 1,0 | 1,0 | +/- 0,5 |
4,0 | 7,0 | |||||||
5,0 | 8,0 | 1,5 | ||||||
6,0 | ||||||||
8,0 | 10,0 | |||||||
Примечание - Способы 51 и 52 только до S <= 4,0 мм. | ||||||||
Условное обозначение сварного соединения | Конструктивные элементы | Способ сварки | S = S1, мм | e, мм | g, мм | |||
подготовленных кромок свариваемых деталей | шва сварного соединения | номинальное значение | предельное отклонение | номинальное значение | предельное отклонение | |||
С-1-2 | ![]() | ![]() | 10 | 3,0 | 10,0 | +/- 2,0 | 1,5 | +/- 1 |
4,0 5,0 | 14,0 16,0 | 2,0 | ||||||
6,0 8,0 | 18,0 20,0 | +/- 3,0 | ||||||
Условное обозначение сварного соединения | Конструктивные элементы | Способ сварки | S = S1, мм | e, мм | g, мм | |||
подготавливаемых кромок свариваемых деталей | шва сварного соединения | номинальное значение | предельное отклонение | номинальное значение | предельное отклонение | |||
С-2 | ![]() | ![]() | 10 | 14,0 | 17,0 | +/- 4,0 | 2,0 | +/- 1,5 |
16,0 | 20,0 | |||||||
18,0 | 22,0 | +/- 5,0 | 2,5 | +2,0 -1,5 | ||||
20,0 | 25,0 | |||||||
22,0 | 28,0 | |||||||
25,0 | 30,0 | |||||||
28,0 | 35,0 | +/- 6,0 | 2,5 | +2,5 -1,5 | ||||
30,0 | 37,0 | |||||||
<*> Для сталей аустенитного класса притупление (6,0 +/- 1,0) мм. | ||||||||
Условное обозначение сварного соединения | Конструктивные элементы | Способ сварки | S = S1, мм | e, мм | g, мм | |||
подготовленных кромок свариваемых деталей | шва сварного соединения | номинальное значение | предельное отклонение | номинальное значение | предельное отклонение | |||
С-2-1 | ![]() | ![]() | 10 | 14,0 | 17,0 | +/- 4,0 | 2,0 | +/- 1,5 |
16,0 | 20,0 | |||||||
18,0 | 22,0 | +/- 5,0 | 2,5 | +2,0 -1,5 | ||||
20,0 | 25,0 | |||||||
22,0 | 28,0 | |||||||
25,0 | 30,0 | |||||||
28,0 | 35,0 | +/- 6,0 | +2,5 -1,5 | |||||
30,0 | 37,0 | |||||||
Условное обозначение сварного соединения | Конструктивные элементы | Способ сварки | S = S1, мм | e, мм | g, мм | |||
подготавливаемых кромок свариваемых деталей | шва сварного соединения | номинальное значение | предельное отклонение | номинальное значение | предельное отклонение | |||
С-3 | ![]() | ![]() | 11 31 40 52 | От 3,0 до 5,0 включ. | 8,0 | +/- 2,0 | 2,0 | +1,5 -0,5 |
Св. 5,0 до 8,0 включ. | 12,0 | |||||||
Св. 8,0 до 11,0 включ. | 16,0 | |||||||
Св. 11,0 до 14,0 включ. | 19,0 | |||||||
Св. 14,0 до 17,0 включ. | 22,0 | +/- 6,0 | 2,5 | +2,0 -0,5 | ||||
Св. 17,0 до 20,0 включ. | 26,0 | |||||||
Св. 20,0 до 24,0 включ. | 30,0 | |||||||
Св. 24,0 до 28,0 включ. | 34,0 | +/- 8,0 | 3,0 | |||||
Св. 28,0 до 32,0 включ. | 38,0 | |||||||
Св. 32,0 до 36,0 включ. | 42,0 | |||||||
Св. 36,0 до 40,0 включ. | 47,0 | |||||||
Условное обозначение сварного соединения | Конструктивные элементы | Способ сварки | S = S1, мм | e = e1, мм | g = g1, мм | |||
подготавливаемых кромок свариваемых деталей | шва сварного соединения | номинальное значение | предельное отклонение | номинальное значение | предельное отклонение | |||
С-4 | ![]() | ![]() | 10 30 | 20,0 | 15,0 | +/- 4,0 | 2,0 | +/- 1,5 |
22,0 | 17,0 | |||||||
25,0 | 19,0 | |||||||
28,0 | 21,0 | +/- 5,0 | 2,5 | +2,0 -1,5 | ||||
32,0 | 23,0 | |||||||
36,0 | 26,0 | |||||||
40,0 | 28,0 | |||||||
45,0 | 32,0 | +/- 6,0 | 2,5 | +2,5 -1,5 | ||||
50,0 | 35,0 | |||||||
55,0 | 38,0 | |||||||
60,0 | 43,0 | +/- 8,0 | 3,0 | +2,5 -2,0 | ||||
<*> При ручной дуговой сварке притупление (2,0 +/- 1,0) мм. | ||||||||
Условное обозначение сварного соединения | Конструктивные элементы | Способ сварки | S = S1, мм | e, мм | g, мм | |||
подготавливаемых кромок свариваемых деталей | шва сварного соединения | номинальное значение | предельное отклонение | номинальное значение | предельное отклонение | |||
С-5 | ![]() | ![]() | 10 | 30,0 | 34,0 | +/- 6,0 | 2,5 | +2,5 -1,5 |
32,0 | 35,0 | |||||||
34,0 | 36,0 | |||||||
36,0 | 37,0 | |||||||
38,0 | 38,0 | |||||||
40,0 | 39,0 | |||||||
42,0 | 42,0 | +/- 8,0 | 3,0 | +2,5 -2,0 | ||||
45,0 | 44,0 | |||||||
50,0 | 47,0 | |||||||
55,0 | 50,0 | |||||||
60,0 | 53,0 | |||||||
65,0 | 56,0 | |||||||
70,0 | 59,0 | |||||||
75,0 | 63,0 | +/- 10,0 | 3,5 | +/- 2,5 | ||||
80,0 | 66,0 | |||||||
Условное обозначение сварного соединения | Конструктивные элементы | Способ сварки | S = S1, мм | e, мм | g, мм | |||
подготавливаемых кромок свариваемых деталей | шва сварного соединения | номинальное значение | предельное отклонение | номинальное значение | предельное отклонение | |||
С-5-1 | ![]() | ![]() | 30 31 | 30,0 | 35,0 | +/- 6,0 | 2,5 | +2,5 -1,5 |
32,0 | 36,0 | |||||||
34,0 | 37,0 | |||||||
36,0 | 38,0 | |||||||
38,0 | 39,0 | |||||||
40,0 | 42,0 | +/- 8,0 | 3,0 | +2,5 -2,0 | ||||
42,0 | 44,0 | |||||||
45,0 | 47,0 | |||||||
50,0 | 49,0 | |||||||
55,0 | 52,0 | |||||||
60,0 | 54,0 | |||||||
65,0 | 58,0 | |||||||
70,0 | 61,0 | |||||||
75,0 | 65,0 | +/- 10,0 | 3,5 | +/- 2,5 | ||||
80,0 | 68,0 | |||||||
Условное обозначение сварного соединения | Конструктивные элементы | Способ сварки | S = S1, мм | e = e1, мм | g = g1, мм | |||
подготавливаемых кромок свариваемых деталей | шва сварного соединения | номинальное значение | предельное отклонение | номинальное значение | предельное отклонение | |||
С-6 | ![]() | ![]() | 10 | 50,0 | 34,0 | +/- 6,0 | 2,5 | +2,5 -1,5 |
55,0 | 35,0 | |||||||
60,0 | 37,0 | |||||||
65,0 | 38,0 | |||||||
70,0 | 40,0 | |||||||
75,0 | 43,0 | +/- 8,0 | 3,0 | +2,5 -2,0 | ||||
80,0 | 44,0 | |||||||
90,0 | 47,0 | |||||||
100,0 | 50,0 | |||||||
110,0 | 53,0 | |||||||
120,0 | 56,0 | |||||||
130,0 | 59,0 | |||||||
140,0 | 64,0 | +/- 10,0 | 3,5 | +/- 2,5 | ||||
150,0 | 67,0 | |||||||
Условное обозначение сварного соединения | Конструктивные элементы | Способ сварки | S = S1, мм | e = e1, мм | g = g1, мм | |||
подготавливаемых кромок свариваемых деталей | шва сварного соединения | номинальное значение | предельное отклонение | номинальное значение | предельное отклонение | |||
С-6-1 | ![]() | ![]() | 10 | 50,0 | 35,0 | +/- 6,0 | 2,5 | +2,5 -1,5 |
55,0 | 37,0 | |||||||
60,0 | 38,0 | |||||||
65,0 | 40,0 | |||||||
70,0 | 43,0 | |||||||
75,0 | 44,0 | +/- 8,0 | 3,0 | +2,5 -2,0 | ||||
80,0 | 47,0 | |||||||
90,0 | 50,0 | |||||||
100,0 | 53,0 | |||||||
110,0 | 56,0 | |||||||
120,0 | 59,0 | |||||||
130,0 | 64,0 | |||||||
140,0 | 67,0 | +/- 10,0 | 3,5 | +/- 2,5 | ||||
150,0 | 70,0 | |||||||
Условное обозначение сварного соединения | Конструктивные элементы | Способ сварки | S = S1, мм | e = e1, мм | g = g1, мм | |||
подготавливаемых кромок свариваемых деталей | шва сварного соединения | номинальное значение | предельное отклонение | номинальное значение | предельное отклонение | |||
С-6-2 | ![]() | ![]() | 30 | 50,0 | 35,0 | +/- 6,0 | 2,5 | +2,5 -1,5 |
55,0 | 37,0 | |||||||
60,0 | 38,0 | |||||||
65,0 | 40,0 | |||||||
70,0 | 43,0 | |||||||
75,0 | 44,0 | +/- 8,0 | 3,0 | +2,5 -2,0 | ||||
80,0 | 47,0 | |||||||
90,0 | 50,0 | |||||||
100,0 | 53,0 | |||||||
110,0 | 56,0 | |||||||
120,0 | 59,0 | |||||||
130,0 | 64,0 | |||||||
140,0 | 67,0 | +/- 10,0 | 3,5 | +/- 2,5 | ||||
150,0 | 70,0 | |||||||
Условное обозначение сварного соединения | Конструктивные элементы | Способ сварки | S = S1, мм | h, мм | e, мм | e1, мм | g1, мм | |||||
подготавливаемых кромок свариваемых деталей | шва сварного соединения | номинальное значение | предельное отклонение | номинальное значение | предельное отклонение | номинальное значение | предельное отклонение | номинальное значение | предельное отклонение | |||
С-7 | ![]() | ![]() | 10 | 100,0 | 15,0 | +/- 0,1h | 85,0 | +/- 12,0 | 30,0 | +/- 5,0 | 2,5 | +2,0 -1,5 |
120,0 | 20,0 | 90,0 | 34,0 | +/- 6,0 | +2,5 -1,5 | |||||||
140,0 | 25,0 | 96,0 | 36,0 | |||||||||
160,0 | 30,0 | 102,0 | 39,0 | |||||||||
180,0 | 35,0 | 108,0 | 44,0 | +/- 8,0 | 3,0 | +2,5 -2,0 | ||||||
200,0 | 40,0 | 114,0 | 47,0 | |||||||||
Условное обозначение сварного соединения | Конструктивные элементы | Способ сварки | S = S1, мм | h, мм | e, мм | e1, мм | ||||
подготавливаемых кромок свариваемых деталей | шва сварного соединения | номинальное значение | предельное отклонение | номинальное значение | предельное отклонение | номинальное значение | предельное отклонение | |||
С-8 | ![]() | ![]() | 10 | 180,0 | 40,0 | +/- 0,1h | 82,0 | +/- 12,0 | 48,0 | +/- 8,0 |
200,0 | 45,0 | 88,0 | 50,0 | |||||||
220,0 | 50,0 | 92,0 | 52,0 | |||||||
240,0 | 55,0 | 97,0 | 54,0 | |||||||
260,0 | 60,0 | 102,0 | 56,0 | |||||||
280,0 | 65,0 | 107,0 | 58,0 | |||||||
300,0 | 70,0 | 112,0 | 60,0 | |||||||
350,0 | 80,0 | 120,0 | 64,0 | |||||||
Условное обозначение сварного соединения | Конструктивные элементы | Способ сварки | S = S1, мм | e, мм | g, мм | |||
подготавливаемых кромок свариваемых деталей | шва сварного соединения | номинальное значение | предельное отклонение | номинальное значение | предельное отклонение | |||
С-9 | ![]() | 10 30 | 30,0 | 48,0 | +/- 8,0 | 3,0 | +2,5 -2,0 | |
35,0 | 53,0 | |||||||
40,0 | 58,0 | |||||||
45,0 | 64,0 | +/- 10,0 | 3,5 | +/- 2,5 | ||||
50,0 | 69,0 | |||||||
55,0 | 74,0 | |||||||
60,0 | 78,0 | |||||||
65,0 | 85,0 | +/- 12,0 | 4,0 | +/- 3,0 | ||||
70,0 | 89,0 | |||||||
75,0 | 93,0 | |||||||
80,0 | 97,0 | |||||||
Условное обозначение сварного соединения | Конструктивные элементы | Способ сварки | S = S1, мм | e, мм | g, мм | |||
подготавливаемых кромок свариваемых деталей | шва сварного соединения | номинальное значение | предельное отклонение | номинальное значение | предельное отклонение | |||
С-10 | ![]() | 10 30 | 60,0 | 48,0 | +/- 10,0 | 3,5 | +2,5 | |
70,0 | 53,0 | |||||||
80,0 | 58,0 | +/- 12,0 | 4,0 | +/- 3,0 | ||||
90,0 | 64,0 | |||||||
100,0 | 69,0 | |||||||
120,0 | 74,0 | |||||||
140,0 | 78,0 | |||||||
160,0 | 85,0 | |||||||
180,0 | 89,0 | |||||||
200,0 | 93,0 | |||||||
Условное обозначение сварного соединения | Конструктивные элементы | Способ сварки | S = S1, мм | e = e1, мм | g = g1, мм | |||
подготавливаемых кромок свариваемых деталей | шва сварного соединения | номинальное значение | предельное отклонение | номинальное значение | предельное отклонение | |||
С-11 | ![]() | ![]() | 40 52 | 14,0 | 15,0 | +/- 4,0 | 2,0 | +/- 1,5 |
16,0 | 16,0 | |||||||
18,0 | 17,0 | |||||||
20,0 | 18,0 | |||||||
22,0 | 20,0 | |||||||
25,0 | 22,0 | +/- 5,0 | 2,5 | +2,5 -1,5 | ||||
28,0 | 24,0 | |||||||
30,0 | 25,0 | |||||||
32,0 | 27,0 | |||||||
36,0 | 29,0 | |||||||
40,0 | 32,0 | +/- 6,0 | ||||||
45,0 | 35,0 | |||||||
50,0 | 38,0 | |||||||
55,0 | 43,0 | +/- 8,0 | 3,0 | +2,5 -2,0 | ||||
60,0 | 46,0 | |||||||
Условное обозначение сварного соединения | Конструктивные элементы | Способ сварки | S = S1, мм | e, мм | g, мм | |||
подготавливаемых кромок свариваемых деталей | шва сварного соединения | номинальное значение | предельное отклонение | номинальное значение | предельное отклонение | |||
С-12 | ![]() | ![]() | 11 30 40 52 | 30,0 | 32,0 | +/- 6,0 | 2,5 | +2,5 -1,5 |
35,0 | 35,0 | |||||||
40,0 | 38,0 | |||||||
45,0 | 43,0 | +/- 8,0 | 3,0 | +2,5 -2,0 | ||||
50,0 | 46,0 | |||||||
55,0 | 53,0 | |||||||
60,0 | 56,0 | |||||||
Примечание - Для ручной дуговой сварки размер притупления (4,0 +/- 1,0) мм. | ||||||||
Условное обозначение сварного соединения | Конструктивные элементы | Способ сварки | S = S1, мм | e, мм | g, мм | |||
подготавливаемых кромок свариваемых деталей | шва сварного соединения | номинальное значение | предельное отклонение | номинальное значение | предельное отклонение | |||
С-13 | ![]() | ![]() | 11 30 40 | 60,0 | 48,0 | +/- 8,0 | 3,0 | +2,5 -2,0 |
65,0 | 50,0 | |||||||
70,0 | 52,0 | |||||||
75,0 | 54,0 | |||||||
80,0 | 56,0 | |||||||
90,0 | 60,0 | |||||||
100,0 | 66,0 | +/- 10,0 | 3,5 | +/- 2,5 | ||||
110,0 | 70,0 | |||||||
120,0 | 74,0 | |||||||
130,0 | 78,0 | |||||||
140,0 | 82,0 | +/- 12,0 | 4,0 | +/- 3,0 | ||||
<*> Для ручной дуговой сварки притупление (4,0 +/- 1,0) мм. Примечание - Для способов 11 и 30 притупление (4,0 +/- 1,0) мм. | ||||||||
Условное обозначение сварного соединения | Конструктивные элементы | Способ сварки | S = S1, мм | e, мм | g, мм | |||
подготовленных кромок свариваемых деталей | шва сварного соединения | номинальное значение | предельное отклонение | номинальное значение | предельное отклонение | |||
С-14 | ![]() | ![]() | 30 53 | 2,0 | 7,0 | +/- 2,0 | 1,5 | +/- 1,0 |
3,0 | 8,0 | |||||||
4,0 | 9,0 | +/- 3,0 | ||||||
С-15 | ![]() | ![]() | 31 40 52 53 | 3,0 | 10,0 | +/- 3,0 | 2,0 | +1,0 -1,5 |
4,0 | 11,0 | |||||||
5,0 | 12,0 | |||||||
6,0 | 15,0 | +/- 4,0 | 2,0 | +/- 1,5 | ||||
Примечание - Для способа 31 притупление 2,0-0,5 мм. | ||||||||
Условное обозначение сварного соединения | Конструктивные элементы | Способ сварки | S = S1, мм | b, мм | Sк, мм | e, мм | g, мм | |||||
подготовленных кромок свариваемых деталей | шва сварного соединения | номинальное значение | предельное отклонение | номинальное значение | предельное отклонение | номинальное значение | предельное отклонение | номинальное значение | предельное отклонение | |||
С-16 | ![]() | ![]() | 32 42 53 | 4 | 4 | +/- 1,0 | 2 | +1 | 12 | +/- 3 | 2,0 | +1,0 |
6 | 15 | -1,5 | ||||||||||
8 | 18 | +/- 4 | +/- 1,5 | |||||||||
10 | 5 | 3 | 22 | +/- 1,5 | 2,5 | +2,0 -1,5 +2,5 -1,5 | ||||||
12 | 25 | |||||||||||
15 | 29 | |||||||||||
18 | 34 | +/- 6 | ||||||||||
20 | 36 | |||||||||||
25 | 45 | +/- 8 | 3,0 | +2,5 -2,0 | ||||||||
28 | 48 | |||||||||||
30 | 51 | |||||||||||
36 | 57 | |||||||||||
40 | 62 | +/- 10 | 3,5 | +/- 2,5 | ||||||||
Условное обозначение сварного соединения | Конструктивные элементы | Способ сварки | S = S1, мм | b, мм | e, мм | g, мм | ||||
подготовленных кромок свариваемых деталей | шва сварного соединения | номинальное значение | предельное отклонение | номинальное значение | предельное отклонение | номинальное значение | предельное отклонение | |||
С-17 | ![]() | ![]() | 31 40 52 | 5,0 | 2,0 | +/- 1,0 | 12,0 | +/- 3,0 | 2,0 | +1,0 -1,5 |
7,0 | 15,0 | +/- 4,0 | +/- 1,5 | |||||||
10,0 | 19,0 | |||||||||
15,0 | 3,0 | 27,0 | +/- 5,0 | 2,5 | +2,0 -1,5 | |||||
20,0 | 34,0 | +/- 6,0 | +2,5 -1,5 | |||||||
25,0 | 42,0 | +/- 8,0 | 3,0 | +2,5 -2,0 | ||||||
30,0 | 49,0 | |||||||||
Примечание - Для способа 31 притупление 2,0-0,5 мм. | ||||||||||
Условное обозначение сварного соединения | Конструктивные элементы | Способ сварки | S = S1, мм | e = e1, мм | g = g1, мм | |||
подготавливаемых кромок свариваемых деталей | шва сварного соединения | номинальное значение | предельное отклонение | номинальное значение | предельное отклонение | |||
С-18 | ![]() | ![]() | 30 40 52 53 | 14,0 | 16,0 | +/- 4,0 | 2,0 | +/- 1,5 |
16,0 | 17,0 | |||||||
18,0 | 19,0 | |||||||
20,0 | 20,0 | |||||||
22,0 | 22,0 | +/- 5,0 | 2,5 | +2,0 -1,5 | ||||
25,0 | 24,0 | |||||||
28,0 | 26,0 | |||||||
30,0 | 27,0 | |||||||
32,0 | 28,0 | |||||||
36,0 | 31,0 | +/- 6,0 | +2,5 -1,5 | |||||
40,0 | 33,0 | |||||||
45,0 | 37,0 | |||||||
50,0 | 40,0 | |||||||
55,0 | 44,0 | +/- 8,0 | 3,0 | +2,5 -2,0 | ||||
60,0 | 48,0 | |||||||
<*> Для способа 30 притупление (4,0 +/- 1,0) мм. | ||||||||
Условное обозначение сварного соединения | Конструктивные элементы | Способ сварки | S = S1, мм | b, мм | e = e1, мм | g = g1, мм | ||||
подготавливаемых кромок свариваемых деталей | шва сварного соединения | номинальное значение | предельное отклонение | номинальное значение | предельное отклонение | номинальное значение | предельное отклонение | |||
С-19 | ![]() | ![]() | 20 | 20,0 - 34,0 | 22,0 | +/- 2,0 | 28,0 | +/- 4,0 | 2,5 | +/- 1,5 |
35,0 - 80,0 | 26,0 | 33,0 | +/- 5,0 | 3,0 | +/- 2,0 | |||||
81,0 - 500,0 | 30,0 | 38,0 | +/- 6,0 | 3,5 | +/- 2,5 | |||||
Условное обозначение сварного соединения | Конструктивные элементы | Способ сварки | S = S1, мм | b, мм | R, мм | e = e1, мм | g = g1, мм | |||||
подготавливаемых кромок свариваемых деталей | шва сварного соединения | номинальное значение | предельное отклонение | номинальное значение | предельное отклонение | номинальное значение | предельное отклонение | номинальное значение | предельное отклонение | |||
С-20 | ![]() | ![]() | 20 | 20,0 - 34,0 | 22,0 | +/- 2,0 | 10,0 | +/- 1,0 | 28,0 | +/- 4,0 | 2,5 | +/- 1,5 |
35,0 - 80,0 | 26,0 | 12,0 | 33,0 | +/- 5,0 | 3,0 | +/- 2,0 | ||||||
81,0 - 500,0 | 30,0 | 14,0 | 38,0 | +/- 6,0 | 3,5 | +/- 2,5 | ||||||
Условное обозначение сварного соединения | Конструктивные элементы | Способ сварки | S = S1, мм | e, мм | g, мм | g1, мм | ||||
подготовленных кромок свариваемых деталей | шва сварного соединения | номинальное значение | предельное отклонение | номинальное значение | предельное отклонение | номинальное значение | предельное отклонение | |||
С-21 | ![]() | ![]() | 51 52 | 1,0 | 4,0 | +/- 2,0 | 1,0 | +1,0 -0,5 | 0,5 | +1,0 -0,5 |
1,5 | ||||||||||
2,0 | 5,0 | |||||||||
С-22 | ![]() | ![]() | 40 52 53 | 2,0 | 7,0 | +/- 2,0 | 1,5 | +1,0 -0,5 | 0,5 | +1,0 -0,5 |
2,5 | 9,0 | +/- 3,0 | 2,0 | +1,5 -1,0 | ||||||
3,0 | 10,0 | |||||||||
С-23 | ![]() | ![]() | 40 52 53 | 3,0 | 7,0 | +/- 2,0 | 1,5 | +1,5 -0,5 | 0,5 | +1,0 -0,5 |
4,0 | 9,0 | +/- 3,0 | 2,0 | +1,5 -1,0 | ||||||
5,0 | 11,0 | 1,0 | +/- 1,0 | |||||||
6,0 | 12,0 | |||||||||
Условное обозначение сварного соединения | Конструктивные элементы | Способ сварки | S = S1, мм | e, мм | g, мм | g1, мм | b, мм | ||
подготовленных кромок свариваемых деталей | шва сварного соединения | номинальное значение | предельное отклонение | не более | |||||
С-21-1 | ![]() | ![]() | 51 52 | 0,3 | 3,0 | +1,0 | 0,2 | 0,2 | 0,1 |
0,4 | |||||||||
0,5 | |||||||||
0,6 | 0,3 | ||||||||
0,8 | 0,4 | 0,25 | |||||||
1,0 | 4,0 | +2,0 | 0,8 | 0,30 | |||||
1,5 | 1,0 | 0,40 | 0,2 | ||||||
2,0 | 0,50 | ||||||||
Примечание - При толщине листа S = 1,0 - 2,0 мм допускается применение присадочной проволоки d = 1,0 - 2,0 мм. | |||||||||
Условное обозначение сварного соединения | Конструктивные элементы | Способ сварки | S = S1, мм | e, мм | g, мм | |||
подготовленных кромок свариваемых деталей | шва сварного соединения | номинальное значение | предельное отклонение | номинальное значение | предельное отклонение | |||
С-39 | ![]() | ![]() | 51 52 | 1,5 | 4,0 | 1,5 | +/- 1,0 | |
2,0 2,5 3,0 | 5,0 | +/- 2,0 | ||||||
3,5 4,0 4,5 | 6,0 | +/- 3,0 | ||||||
5,0 6,0 7,0 | 7,0 | |||||||
Примечание - Способ 52 только до S <= 2,5 мм. | ||||||||
Условное обозначение сварного соединения | Конструктивные элементы | Способ сварки | S = S1, мм | e, мм | g, мм | |||
подготовленных кромок свариваемых деталей | шва сварного соединения | номинальное значение | предельное отклонение | номинальное значение | предельное отклонение | |||
С-22-1 | ![]() | ![]() | 40 52 53 | 1,5 | 6 | +/- 2 | 1,0 | +/- 0,5 |
2,0 | 7 | |||||||
2,5 | 8 | +/- 3 | ||||||
3,0 | 9 | |||||||
3,5 | 10 | |||||||
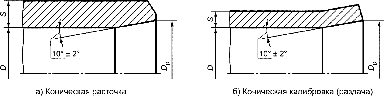
Условное обозначение сварного соединения | Конструктивные элементы | Способ сварки | Типоразмер труб из стали аустенитного класса Dн x S, мм | Диаметр расточки Dр, мм | Минимальная толщина стенки S1, мм | Размеры шва | |||||
подготовленных кромок свариваемых деталей | шва сварного соединения | e, мм | g, мм | g1, мм | |||||||
ширина шва | высота шва | выпуклость корня шва, не более | вогнутость корня шва, не более | ||||||||
поворотный стык | неповоротный стык | ||||||||||
С-22-2 | ![]() | ![]() | 40 52 | 10,0 x 2,0 | 6,5+0,18 | 1,5 | 7 +/- 2 | 1,5 | 0,2 | 0,4 | |
14,0 x 2,0 | 10,5+0,18 | ||||||||||
18,0 x 2,5 | 13,5+0,18 | 2,0 | |||||||||
32,0 x 2,5 | 28+0,21 | 1,8 | 2,0 | ||||||||
38,0 x 3,0 | 33+0,25 | 2,3 | |||||||||
С-23-2 | ![]() | 25,0 x 3,0 | 19+0,30 | 2,5 | |||||||
57,0 x 3,0 | 52+0,30 | 1,8 | |||||||||
76,0 x 3,0 | 71+0,30 | ||||||||||
89,0 x 3,5 | 84+0,35 | 2,4 | 8 +/- 2 | 0,6 | |||||||
57,0 x 3,0 | 51+0,30 | 1,8 | 7 +/- 2 | 0,4 | |||||||
76,0 x 3,0 | 71+0,30 | 0,6 | |||||||||
89,0 x 3,5 | 84+0,35 | 2,2 | 8 +/- 2 | ||||||||
108,0 x 4,0 | 102+0,35 | 2,4 | 9 +/- 3 | ||||||||
133,0 x 4,0 | 127+0,40 | 2,6 | |||||||||
159,0 x 5,0 | 151+0,40 | 3,0 | 11 +/- 3 | 0,6 | 0,8 | ||||||
Условное обозначение сварного соединения | Конструктивные элементы | Способ сварки | S = S1, мм | e, мм | g, мм | g1, мм | ||||
подготовленных кромок свариваемых деталей | шва сварного соединения | номинальное значение | предельное отклонение | номинальное значение | предельное отклонение | номинальное значение | предельное отклонение | |||
С-24 | ![]() | ![]() | 40 52 53 | 4,0 | 9,0 | +/- 3,0 | 2,0 | +1,5 -1,0 | 0,5 | +1,0 -0,5 |
5,0 | 10,0 | 1,0 | +/- 1,0 | |||||||
6,0 | 11,0 | |||||||||
8,0 | 15,0 | +/- 4,0 | +2,0 -1,0 | |||||||
10,0 | 17,0 | |||||||||
12,0 | 21,0 | +/- 5,0 | 2,5 | +2,0 -1,5 | ||||||
14,0 | 23,0 | 1,0 | +1,5 -1,0 | |||||||
16,0 | 26,0 | |||||||||
18,0 | 28,0 | |||||||||
20,0 | 32,0 | +/- 6,0 | +2,5 -1,5 | |||||||
22,0 | 34,0 | |||||||||
25,0 | 38,0 | |||||||||
28,0 | 44,0 | +/- 8,0 | 3,0 | +2,5 -2,0 | ||||||
30,0 | 46,0 | |||||||||
Условное обозначение сварного соединения | Конструктивные элементы | Способ сварки | S = S1, мм | e, мм | g, мм | |||
подготовленных кромок свариваемых деталей | шва сварного соединения | номинальное значение | предельное отклонение | номинальное значение | предельное отклонение | |||
С-24-1 | ![]() | ![]() | 40 52 | 4,0 | 11,0 | +/- 3,0 | 1,5 | +1,5 -1,0 |
5,0 | 12,0 | |||||||
6,0 | 14,0 | |||||||
8,0 | 16,0 | +/- 4,0 | ||||||
10,0 | 19,0 | |||||||
12,0 | 22,0 | +/- 5,0 | 2,0 | +2,0 -1,5 | ||||
14,0 | 24,0 | |||||||
16,0 | 26,0 | |||||||
Условное обозначение сварного соединения | Конструктивные элементы | Способ сварки | S = S1, мм | e, мм | g, мм | g1, мм | ||||
подготовленных кромок свариваемых деталей | шва сварного соединения | номинальное значение | предельное отклонение | номинальное значение | предельное отклонение | номинальное значение | предельное отклонение | |||
С-24-2 | ![]() | ![]() | 40 52 | 4,0 | 10,0 | +/- 3,0 | 2,0 | +1,5 -1,0 | 0,5 | +1,0 -0,5 |
5,0 | 11,0 | 1,0 | +/-1,0 | |||||||
6,0 | 12,0 | |||||||||
8,0 | 17,0 | +/- 4,0 | +2,0 -1,0 | |||||||
10,0 | 19,0 | |||||||||
12,0 | 24,0 | +/- 5,0 | 2,5 | +2,0 -1,5 | ||||||
14,0 | 27,0 | 1,0 | +1,5 -1,0 | |||||||
16,0 | 30,0 | |||||||||
18,0 | 32,0 | |||||||||
20,0 | 37,0 | +/- 6,0 | +2,5 -1,5 | |||||||
22,0 | 40,0 | |||||||||
25,0 | 44,0 | +/- 8,0 | 3,0 | +2,5 -2,0 | ||||||
28,0 | 51,0 | |||||||||
30,0 | 53,0 | |||||||||
Условное обозначение сварного соединения | Конструктивные элементы | Способ сварки | S = S1, мм | e, мм | g, мм | g1, мм | ||||
подготовленных кромок свариваемых деталей | шва сварного соединения | номинальное значение | предельное отклонение | номинальное значение | предельное отклонение | номинальное значение | предельное отклонение | |||
С-25 | ![]() | ![]() | 40 52 | 6,0 | 15,0 | +/- 4,0 | 2,0 | +2,0 -1,0 | 1,0 | +/- 1,0 |
8,0 | 16,0 | |||||||||
10,0 | 18,0 | |||||||||
12,0 | 20,0 | 1,0 | +1,5 -1,0 | |||||||
14,0 | 21,0 | +/- 5,0 | 2,5 | +2,0 -1,5 | ||||||
16,0 | 22,0 | |||||||||
18,0 | 23,0 | |||||||||
20,0 | 24,0 | |||||||||
22,0 | 26,0 | |||||||||
25,0 | 28,0 | |||||||||
28,0 | 30,0 | |||||||||
30,0 | 32,0 | +/- 6,0 | +2,5 -1,5 | |||||||
Условное обозначение сварного соединения | Конструктивные элементы | Способ сварки | S = S1, мм | e, мм | g, мм | |||
подготовленных кромок свариваемых деталей | шва сварного соединения | номинальное значение | предельное отклонение | номинальное значение | предельное отклонение | |||
С-25-1 | ![]() | ![]() | 40 52 | 6,0 | 13,0 | +/- 4,0 | 2,0 | +2,0 -1,5 |
8,0 | 14,0 | |||||||
10,0 | 15,0 | |||||||
12,0 | 16,0 | |||||||
14,0 | 17,0 | |||||||
16,0 | 19,0 | |||||||
20,0 | 20,0 | 2,5 | +/- 2,0 | |||||
26,0 | 23,0 | +/- 5,0 | ||||||
28,0 | 24,0 | |||||||
30,0 | 25,0 | |||||||
Условное обозначение сварного соединения | Конструктивные элементы | Способ сварки | S = S1, мм | e, мм | g, мм | |||
подготовленных кромок свариваемых деталей | шва сварного соединения | номинальное значение | предельное отклонение | номинальное значение | предельное отклонение | |||
С-25-2 | ![]() | ![]() | 40 52 | 6,0 | 11,0 | +/- 4,0 | 2,0 | +2,0 -1,5 |
8,0 | 12,0 | |||||||
10,0 | 13,0 | |||||||
12,0 | 14,0 | |||||||
14,0 | 15,0 | |||||||
16,0 | 17,0 | 2,5 | +/- 2,0 | |||||
20,0 | 18,0 | |||||||
26,0 | 22,0 | +/- 5,0 | ||||||
28,0 | 23,0 | |||||||
30,0 | 24,0 | |||||||
Условное обозначение сварного соединения | Конструктивные элементы | Способ сварки | S = S1, мм | e, мм | g, мм | |||
подготовленных кромок свариваемых деталей | шва сварного соединения | номинальное значение | предельное отклонение | номинальное значение | предельное отклонение | |||
С-25-3 | ![]() | ![]() | 52 40 | 8,0 | 12,0 | +/- 3,0 | 1,5 | +/- 1,0 |
10,0 | 13,0 | |||||||
12,0 | 14,0 | |||||||
16,0 | 15,0 | |||||||
18,0 | 16,0 | |||||||
20,0 | 17,0 | |||||||
26,0 | 19,0 | +/- 4,0 | ||||||
28,0 | 21,0 | |||||||
Условное обозначение сварного соединения | Конструктивные элементы | Способ сварки | S = S1, мм | e, мм | g, мм | |||
подготовленных кромок свариваемых деталей | шва сварного соединения | номинальное значение | предельное отклонение | номинальное значение | предельное отклонение | |||
С-26 | ![]() | ![]() | 32 42 52 | 3,0 | 10 | +/- 3 | 2,0 | +1,0 -1,5 |
3,5 | 11 | |||||||
4,0 | 12 | |||||||
4,5 | 13 | +/- 4 | +/- 1,5 | |||||
5,0 | 14 | |||||||
Условное обозначение сварного соединения | Конструктивные элементы | Способ сварки | S = S1, мм | e, мм | g, мм | |||
подготавливаемых кромок свариваемых деталей | шва сварного соединения | номинальное значение | предельное отклонение | номинальное значение | предельное отклонение | |||
С-27 | ![]() | ![]() | 30 40 | 38,0 | 27,0 | +/- 5,0 | 2,5 | +2,5 -2,0 |
40,0 | 28,0 | |||||||
42,0 | 29,0 | 3,5 | +2,5 -3,0 | |||||
45,0 | 30,0 | |||||||
50,0 | 31,0 | |||||||
55,0 | 33,0 | |||||||
60,0 | 35,0 | |||||||
65,0 | 37,0 | |||||||
70,0 | 39,0 | |||||||
Условное обозначение сварного соединения | Конструктивные элементы | Способ сварки | S = S1, мм | e, мм | g, мм | |||
подготавливаемых кромок свариваемых деталей | шва сварного соединения | номинальное значение | предельное отклонение | номинальное значение | предельное отклонение | |||
С-27-1 | ![]() | ![]() | 40 52 | 38,0 | 21,0 | +/- 5,0 | 2,5 | +2,5 -2,0 |
40,0 | 22,0 | |||||||
42,0 | 23,0 | 3,5 | +2,5 -3,0 | |||||
45,0 | 24,0 | |||||||
50,0 | 26,0 | |||||||
55,0 | 27,0 | |||||||
60,0 | 28,0 | |||||||
65,0 | 29,0 | |||||||
70,0 | 31,0 | |||||||
Условное обозначение сварного соединения | Конструктивные элементы | Способ сварки | S = S1, мм | b, мм | e, мм | g, мм | g1, мм | |||||
подготавливаемых кромок свариваемых деталей | шва сварного соединения | номинальное значение | предельное отклонение | номинальное значение | предельное отклонение | номинальное значение | предельное отклонение | номинальное значение | предельное отклонение | |||
С-27-2 | ![]() | ![]() | 11 | 10,0 | 0 | +0,3 | 15,0 | +2,0 | 2,0 | +2,0 -1,5 | 1,0 | +/- 1,0 |
15,0 | 17,0 | |||||||||||
20,0 | 19,0 | |||||||||||
25,0 | 21,0 | +4,0 | ||||||||||
30,0 | 22,0 | |||||||||||
35,0 | 24,0 | |||||||||||
40,0 | 26,0 | |||||||||||
30 | 10,0 | 1,5 | +/- 0,5 | 17,0 | +2,0 | |||||||
15,0 | 19,0 | |||||||||||
20,0 | 21,0 | |||||||||||
25,0 | 23,0 | +4,0 | ||||||||||
40 | 30,0 | 24,0 | ||||||||||
35,0 | 26,0 | |||||||||||
40,0 | 28,0 | |||||||||||
Условное обозначение сварного соединения | Конструктивные элементы | Способ сварки | S = S1, мм | e, мм | g, мм | g1, мм | ||||
подготавливаемых кромок свариваемых деталей | шва сварного соединения | номинальное значение | предельное отклонение | номинальное значение | предельное отклонение | номинальное значение | предельное отклонение | |||
С-27-3 | ![]() | ![]() | 11 30 40 | 60,0 | 50,0 | +/- 5,0 | 4,0 | +/- 3,0 | 0 | +2,0 -1,5 |
100,0 | 55,0 | |||||||||
110,0 | 60,0 | |||||||||
<*> Допускается зазор (1,0 +/- 1,0) мм. | ||||||||||
Условное обозначение сварного соединения | Конструктивные элементы | Способ сварки | S = S1, мм | e, мм | g, мм | |||
подготовленных кромок свариваемых деталей | шва сварного соединения | номинальное значение | предельное отклонение | номинальное значение | предельное отклонение | |||
С-28-1 | ![]() | ![]() | 30 | 2,0 | 7,0 | +3,0 | 1,5 | +/- 0,5 |
3,0 | 8,0 | |||||||
4,0 | 9,0 | |||||||
5,0 | 10,0 | |||||||
6,0 | 14,0 | |||||||
8,0 | 18,0 | |||||||
10,0 | 22,0 | |||||||
Примечание - 1 - стали перлитного класса (легированные до 6,0 мм); 2 - стали аустенитного класса. | ||||||||
Условное обозначение сварного соединения | Конструктивные элементы | Способ сварки | S = S1, мм | e, мм | g, мм | |||
подготовленных кромок свариваемых деталей | шва сварного соединения | номинальное значение | предельное отклонение | номинальное значение | предельное отклонение | |||
С-31 | ![]() | ![]() | 32 42 53 | 6 | 15 | +/- 4 | 2,0 | +/- 1,5 |
8 | 17 | |||||||
10 | 21 | +/- 5 | 2,5 | +2,0 -1,5 | ||||
12 | 23 | |||||||
14 | 26 | |||||||
16 | 29 | |||||||
18 | 32 | +/- 6 | +2,5 -1,5 | |||||
20 | 34 | |||||||
22 | 37 | |||||||
25 | 43 | +/- 8 | 3,0 | +2,5 -2,0 | ||||
28 | 46 | |||||||
30 | 49 | |||||||
Условное обозначение сварного соединения | Конструктивные элементы | Способ сварки | S = S1, мм | e, мм | e1, мм | |||
подготавливаемых кромок свариваемых деталей | шва сварного соединения | номинальное значение | предельное отклонение | номинальное значение | предельное отклонение | |||
С-33 | ![]() | ![]() | 10 | 90,0 | 35,0 | +/- 6,0 | 30,0 | +/- 5,0 |
120,0 | 38,0 | 31,0 | ||||||
150,0 | 41,0 | 33,0 | ||||||
180,0 | 44,0 | 35,0 | ||||||
240,0 | 49,0 | 38,0 | ||||||
300,0 | 55,0 | 41,0 | ||||||
360,0 | 61,0 | 44,0 | ||||||
Условное обозначение сварного соединения | Конструктивные элементы | Способ сварки | S = S1, мм | e, мм | e1, мм | |||
подготавливаемых кромок свариваемых деталей | шва сварного соединения | номинальное значение | предельное отклонение | номинальное значение | предельное отклонение | |||
С-33-1 | ![]() | ![]() | 10 | 90,0 | 35,0 | +/- 6,0 | 30,0 | +/- 5,0 |
120,0 | 38,0 | 31,0 | ||||||
150,0 | 41,0 | 33,0 | ||||||
180,0 | 44,0 | 35,0 | ||||||
240,0 | 49,0 | 38,0 | ||||||
300,0 | 55,0 | 41,0 | ||||||
360,0 | 61,0 | 44,0 | ||||||
Условное обозначение сварного соединения | Конструктивные элементы | Способ сварки | S = S1, мм | R, мм | e, мм | |||
подготавливаемых кромок свариваемых деталей | шва сварного соединения | номинальное значение | предельное отклонение | номинальное значение | предельное отклонение | |||
С-34 | ![]() | ![]() | 10 11 | 60,0 | 7,0 | +/- 1,0 | 24,0 | +/- 6,0 |
100,0 | 9,0 | 32,0 | +/- 7,0 | |||||
150,0 | 11,0 | 40,0 | +/- 8,0 | |||||
250,0 | 12,0 | 50,0 | +/- 10,0 | |||||
Условное обозначение сварного соединения | Конструктивные элементы | Способ сварки | S = S1, мм | b, мм | e, мм | |||||
подготавливаемых кромок свариваемых деталей | шва сварного соединения | номинальное значение | предельное отклонение | номинальное значение | предельное отклонение | номинальное значение | предельное отклонение | |||
С-35 | ![]() | ![]() | 10 | 40,0 | 3 | +/- 1 | 9,0 | +/- 1,0 | 20,0 | +/- 5,0 |
60,0 | 2 | 14,0 | 25,0 | +/- 6,0 | ||||||
100,0 | 2 | 18,0 | 32,0 | +/- 6,0 | ||||||
150,0 | 2 | 22,0 | 40,0 | +/- 8,0 | ||||||
250,0 | 2 | 24,0 | 50,0 | +/- 10,0 | ||||||
Условное обозначение сварного соединения | Конструктивные элементы | Способ сварки | S = S1, мм | e, мм | g, мм | |||
подготовленных кромок свариваемых деталей | шва сварного соединения | номинальное значение | предельное отклонение | номинальное значение | предельное отклонение | |||
С-42 | ![]() | ![]() | 40 52 | 4,0 | 10,0 | +/- 3,0 | 1,0 | +1,5 -0,5 |
5,0 | 11,0 | |||||||
6,0 | 12,0 | |||||||
8,0 | 13,0 | +/- 4,0 | 1,5 | +1,5 -1,0 | ||||
10,0 | 14,0 | |||||||
12,0 | 16,0 | |||||||
16,0 | 18,0 | |||||||
18,0 | 20,0 | |||||||
20,0 | 23,0 | |||||||
26,0 | 28,0 | +/- 5,0 | 2,0 | +1,0 -1,5 | ||||
28,0 | 31,0 | |||||||
30,0 | 33,0 | |||||||
34,0 | 37,0 | |||||||
36,0 | 40,0 | |||||||
40,0 | 44,0 | |||||||
Условное обозначение сварного соединения | Конструктивные элементы | Способ сварки | S = S1, мм | e, мм | g, мм | |||
подготовленных кромок свариваемых деталей | шва сварного соединения | номинальное значение | предельное отклонение | номинальное значение | предельное отклонение | |||
С-42-1 | ![]() | ![]() | 40 52 | 6,0 | 10,0 | +/- 3,0 | 1,0 | +1,5 -0,5 |
8,0 | 11,0 | |||||||
10,0 | 12,0 | +/- 4,0 | 1,5 | +1,5 -1,0 | ||||
12,0 | 14,0 | |||||||
16,0 | 16,0 | |||||||
18,0 | 18,0 | |||||||
20,0 | 21,0 | |||||||
26,0 | 26,0 | +/- 5,0 | 2,0 | +1,0 -1,5 | ||||
28,0 | 29,0 | |||||||
30,0 | 31,0 | |||||||
34,0 | 35,0 | |||||||
36,0 | 38,0 | |||||||
40,0 | 42,0 | |||||||
Условное обозначение сварного соединения | Конструктивные элементы | Способ сварки | S = S1, мм | e, мм | g, мм | |||
подготовленных кромок свариваемых деталей | шва сварного соединения | номинальное значение | предельное отклонение | номинальное значение | предельное отклонение | |||
С-42-2 | ![]() | ![]() | 40 52 | 8,0 | 11,0 | +/- 3,0 | 1,5 | +/- 1,0 |
10,0 | 12,0 | |||||||
12,0 | 13,0 | |||||||
14,0 | 14,0 | |||||||
16,0 | 15,0 | |||||||
18,0 | 16,0 | |||||||
20,0 | 17,0 | |||||||
26,0 | 18,0 | +/- 4,0 | ||||||
30,0 | 19,0 | |||||||
34,0 | 20,0 | |||||||
40,0 | 21,0 | |||||||
Условное обозначение сварного соединения | Конструктивные элементы | Способ сварки | S, мм | S1, мм | e, мм | g, мм | |||
подготавливаемых кромок свариваемых деталей | шва сварного соединения | номинальное значение | предельное отклонение | номинальное значение | предельное отклонение | ||||
У-1 | ![]() | ![]() | 11 31 40 | 10,0 | >= 0,75S | 19,0 | +/- 4,0 | 2,0 | +/- 1,5 |
12,0 | 22,0 | +/- 5,0 | 2,5 | +2,0 -1,5 | |||||
14,0 | 26,0 | ||||||||
16,0 | 29,0 | ||||||||
18,0 | 32,0 | +/- 6,0 | +2,5 -1,5 | ||||||
20,0 | 35,0 | ||||||||
Условное обозначение сварного соединения | Конструктивные элементы | Способ сварки | S, мм | h, мм | e, мм | g, мм | e1, мм | g1, мм | ||||||
подготавливаемых кромок свариваемых деталей | шва сварного соединения | номинальное значение | предельное отклонение | номинальное значение | предельное отклонение | номинальное значение | предельное отклонение | номинальное значение | предельное отклонение | номинальное значение | предельное отклонение | |||
У-2 | ![]() | ![]() | 10 30 | 20,0 | 7,0 | +/- 1,0 | 25,0 | +/- 5,0 | 2,5 | +2,0 -1,5 | 16,0 | +/- 3,0 | 8,0 | +/- 2,0 |
22,0 | 28,0 | |||||||||||||
25,0 | 8,0 | 32,0 | +/- 6,0 | 18,0 | 9,0 | |||||||||
28,0 | 36,0 | |||||||||||||
30,0 | 10,0 | 36,0 | 21,0 | +/- 4,0 | 10,0 | |||||||||
34,0 | 44,0 | +/- 8,0 | 3,0 | +2,5 -2,0 | ||||||||||
36,0 | 12,0 | 47,0 | 24,0 | 12,0 | ||||||||||
40,0 | 50,0 | |||||||||||||
Условное обозначение сварного соединения | Конструктивные элементы | Способ сварки | S, мм | e, мм | g, мм | |||
подготавливаемых кромок свариваемых деталей | шва сварного соединения | номинальное значение | предельное отклонение | номинальное значение | предельное отклонение | |||
У-3 | ![]() ![]() | ![]() S1 >= 0,7S | 32 42 52 | 4,0 | 14,0 | +/- 3,0 | 7,0 | +3,0 -2,0 |
6,0 | 17,0 | 8,0 | ||||||
8,0 | 20,0 | 10,0 | ||||||
10,0 | 24,0 | +/- 4,0 | 12,0 | +/- 3,0 | ||||
12,0 | 28,0 | 14,0 | ||||||
14,0 | 32,0 | +/- 5,0 | 16,0 | +4,0 -3,0 | ||||
16,0 | 36,0 | 18,0 | ||||||
18,0 | 40,0 | 20,0 | ||||||
20,0 | 44,0 | +/- 6,0 | 22,0 | +/- 4,0 | ||||
Условное обозначение сварного соединения | Конструктивные элементы | Способ сварки | S, мм | e, мм | g, мм | |||
подготавливаемых кромок свариваемых деталей | шва сварного соединения | номинальное значение | предельное отклонение | номинальное значение | предельное отклонение | |||
У-4 | ![]() ![]() ![]() | ![]() S1 >= 0,7S | 32 42 52 | 4,0 | 14,0 | +/- 3,0 | 7,0 | +3,0 -2,0 |
6,0 | 17,0 | 8,0 | ||||||
8,0 | 20,0 | 10,0 | ||||||
10,0 | 24,0 | +/- 4,0 | 12,0 | +/- 3,0 | ||||
12,0 | 28,0 | 14,0 | ||||||
14,0 | 32,0 | +/- 5,0 | 16,0 | +4,0 -3,0 | ||||
16,0 | 36,0 | 18,0 | ||||||
18,0 | 40,0 | 20,0 | ||||||
20,0 | 44,0 | +/- 6,0 | 22,0 | +/- 4,0 | ||||
Условное обозначение сварного соединения | Конструктивные элементы | Способ сварки | S, мм | e, мм | g, мм | |||
подготавливаемых кромок свариваемых деталей | шва сварного соединения | номинальное значение | предельное отклонение | номинальное значение | предельное отклонение | |||
У-5 | ![]() | ![]() | 32 42 52 | 4,0 | 5,0 | +/- 2,0 | 5,0 | +2,0 |
5,0 | 6,0 | |||||||
6,0 | 8,0 | |||||||
8,0 | 11,0 | +/- 4,0 | 6,0 | +3,0 | ||||
10,0 | 14,0 | 8,0 | ||||||
12,0 | 17,0 | 9,0 | ||||||
14,0 | 20,0 | 10,0 | ||||||
16,0 | 23,0 | 11,0 | +4,0 | |||||
18,0 | 26,0 | 13,0 | ||||||
20,0 | 28,0 | 14,0 | ||||||
Примечание - Размер L устанавливают для каждого конкретного соединения. Соединение рекомендуется при соотношении D/D1 <= 0,4. | ||||||||
Условное обозначение сварного соединения | Конструктивные элементы | Способ сварки | S, мм | h, мм | e, мм | g, мм | ||||
подготавливаемых кромок свариваемых деталей | шва сварного соединения | номинальное значение | предельное отклонение | номинальное значение | предельное отклонение | номинальное значение | предельное отклонение | |||
У-6 | ![]() | ![]() | 52 | 1,0 | 1,5 | +/- 0,5 | 3,5 | +1,5 -0,5 | 1,5 | +0,5 |
1,5 | 2,0 | 4,5 | 2,0 | |||||||
2,0 | 2,5 | 5,5 | 2,5 | |||||||
2,5 | 3,0 | 6,5 | 3,0 | |||||||
3,0 | 7,0 | |||||||||
У-7 | ![]() | ![]() | 51 | 1,0 | 1,5 | +/- 0,5 | 3,0 | +1,5 -0,5 | 1,5 | +0,5 |
1,5 | 2,0 | 3,5 | 2,0 | |||||||
2,0 | 2,5 | 4,0 | 2,5 | |||||||
2,5 | 3,0 | 4,5 | +2,5 -0,5 | 3,0 | ||||||
3,0 | 5,0 | |||||||||
Примечание - Минимальное расстояние между краями швов t устанавливается конструкторской документацией. | ||||||||||
Условное обозначение сварного соединения | Конструктивные элементы | Способ сварки | S, мм | e, мм | g, мм | |||
подготавливаемых кромок свариваемых деталей | шва сварного соединения | номинальное значение | предельное отклонение | номинальное значение | предельное отклонение | |||
У-8 | ![]() | ![]() | 51 | 1,0 | 3,0 | +1,5 -0,5 | 1,5 | +0,5 |
1,5 | 3,5 | 2,0 | ||||||
2,0 | 4,0 | 2,5 | ||||||
2,5 | 4,5 | +2,5 -0,5 | 3,0 | |||||
3,0 | 5,0 | |||||||
Условное обозначение сварного соединения | Конструктивные элементы | Способ сварки | S, мм | h1, мм | R, мм | t, мм, не менее | |||
подготавливаемых кромок свариваемых деталей | шва сварного соединения | номинальное значение | предельное отклонение | номинальное значение | предельное отклонение | ||||
У-9 | ![]() | ![]() | 51 | 1,0 | 3,5 | +/- 0,5 | 0,5 | +/- 0,2 | 1,0 |
1,5 | 0,8 | 1,5 | |||||||
2,0 | 4,0 | 1,0 | 2,0 | ||||||
2,5 | 4,5 | 1,2 | 2,5 | ||||||
3,0 | 5,0 | 1,5 | 3,0 | ||||||
Условное обозначение сварного соединения | Конструктивные элементы | Способ сварки | S, мм | e, мм | g, мм | |||
подготавливаемых кромок свариваемых деталей | шва сварного соединения | номинальное значение | предельное отклонение | номинальное значение | предельное отклонение | |||
У-10 | ![]() | ![]() | 40 | 22,0 | 36,0 | +3,0 | 2,0 | +2,0 -1,0 |
24,0 | 39,0 | |||||||
26,0 | 41,0 | |||||||
30,0 | 46,0 | |||||||
34,0 | 49,0 | |||||||
40,0 | 59,0 | |||||||
44,0 | 64,0 | |||||||
50,0 | 72,0 | |||||||
54,0 | 76,0 | 3,0 | +/- 2,0 | |||||
60,0 | 87,0 | |||||||
64,0 | 90,0 | |||||||
70,0 | 97,0 | |||||||
Условное обозначение сварного соединения | Конструктивные элементы | Способ сварки | Суммарная толщина стенки многослойного сильфона S, мм | e, мм | g, мм | |||
подготавливаемых кромок свариваемых деталей | шва сварного соединения | номинальное значение | предельное отклонение | номинальное значение | предельное отклонение | |||
У-11 | ![]() | ![]() | 51 52 | 0,85 +/- 0,1 | 2,85 | +/- 0,5 | 1,5 | -0,5 |
Условное обозначение сварного соединения | Конструктивные элементы | Способ сварки | Условный проход, мм | Размеры присоединяемой к штуцеру трубы, мм | Размеры шва, мм | |||||
подготавливаемых кромок свариваемых деталей | шва сварного соединения | штуцера | основного трубопровода | e | e1 | g | g1 | |||
У-12 | ![]() | Кромка "Б" ![]() После механической обработки ![]() | 30 40 52 | 10,0 | 65,0 - 1200,0 | 14,0 x 2,0 | 5,0 | 6,0 | 2,0 | 2,0 |
15,0 | 80,0 - 1200,0 | 18,0 x 2,5 | ||||||||
20,0 | 100,0 - 1200,0 | 25,0 x 3,0 | ||||||||
25,0 | 125,0 - 1200,0 | 32,0 x 2,5 | ||||||||
32,0 | 150,0 - 1200,0 | 38,0 x 3,0 | ||||||||
50,0 | 150,0 - 400,0 | 57,0 x 3,0 | 7,0 | |||||||
500,0 - 1200,0 | 6,0 | |||||||||
60,0 | 150,0 | 76,0 x 4,5 | 10,0 | 13,0 | 5,0 | 5,0 | ||||
200,0 - 250,0 | 11,0 | |||||||||
600,0 - 1200,0 | 9,0 | |||||||||
Условное обозначение сварного соединения | Конструктивные элементы | Способ сварки | Условный проход, мм | Размеры присоединяемой к штуцеру трубы, мм | Размеры шва, мм | |||||
подготавливаемых кромок свариваемых деталей | шва сварного соединения | штуцера | основного трубопровода | e | e1 | g | g1 | |||
У-13 | ![]() | ![]() | 30 40 52 | 125,0 | 125,0 | 133,0 x 4,0 | 10,0 | 7,0 | 2,0 | 4,0 |
150,0 | 14,0 | |||||||||
200,0 | 15,0 | 9,0 | 5,0 | 5,0 | ||||||
19,0 | 14,0 | 7,0 | 7,0 | |||||||
250,0 | 13,0 | 9,0 | 5,0 | 5,0 | ||||||
300,0 | 20,0 | 14,0 | 7,0 | 7,0 | ||||||
350,0; 400,0 | 13,0 | 9,0 | 5,0 | 5,0 | ||||||
500,0; 600,0 | 12,0 | 9,0 | 5,0 | 5,0 | ||||||
600,0; 900,0 | 16,0 | 14,0 | 7,0 | 7,0 | ||||||
От 700,0 до 1000,0 | 11,0 | 9,0 | 5,0 | 5,0 | ||||||
От 1200,0 до 1600,0 | 10,0 | |||||||||
150,0 | 150,0 | 159,0 x 5,0 | 12,0 | 8,0 | 2,0 | 4,0 | ||||
200,0 | 13,0 | |||||||||
18,0 | 13,0 | 3,0 | 7,0 | |||||||
250,0 | 14,0 | 11,0 | 5,0 | 5,0 | ||||||
20,0 | 15,0 | 8,0 | 8,0 | |||||||
300,0 | 14,0 | 11,0 | 5,0 | 5,0 | ||||||
20,0 | 15,0 | 8,0 | 8,0 | |||||||
350,0; 400,0 | 15,0 | 11,0 | 5,0 | 5,0 | ||||||
350,0 | 22,0 | 15,0 | 8,0 | 8,0 | ||||||
500,0; 600,0 | 14,0 | 11,0 | 5,0 | 5,0 | ||||||
19,0 | 15,0 | 8,0 | 8,0 | |||||||
От 700,0 до 900,0 | 13,0 | 11,0 | 5,0 | 5,0 | ||||||
От 1000,0 до 1600,0 | 12,0 | |||||||||
Условное обозначение сварного соединения | Конструктивные элементы | Способ сварки | Условный проход, мм | Размеры присоединяемой к штуцеру трубы, мм | d, мм | Dн, мм | dв, мм | S, мм | Размеры шва, мм | |||
подготавливаемых кромок свариваемых деталей | шва сварного соединения | |||||||||||
штуцера | основного трубопровода | e | g | |||||||||
У-14 | ![]() | ![]() | 30 40 52 | 10,0 | 80,0 - 1600,0 | 14,0 x 2,0 | 7+0,036 | 14,0 | 11,0 | 2,0 | 14,0 | 7,0 |
15,0 | 18,0 x 2,0 | 11+0,043 | 18,0 | 15,0 | ||||||||
20,0 | 25,0 x 2,0 | 17+0,043 | 25,0 | 22,0 | 3,0 | |||||||
25,0 | 32,0 x 2,0 | 24+0,052 | 32,0 | 29,0 | 4,5 | 16,0 | 8,0 | |||||
32,0 | 38,0 x 2,0 | 29+0,052 | 38,0 | 35,0 | 3,5 | |||||||
50,0 | 57,0 x 3,0 | 47+0,062 | 57,0 | 52,0 | 5,5 | |||||||
65,0 | 76,0 x 3,0 | 65+0,074 | 76,0 | 71,0 | 4,5 | |||||||
Примечания 1 d - диаметр отверстия до рассверловки. 2 dв - диаметр отверстия после рассверловки. | ||||||||||||
Условное обозначение сварного соединения | Конструктивные элементы | Способ сварки | S, мм | e, мм | e1, мм | g, мм | g1, мм | |||||
подготавливаемых кромок свариваемых деталей | шва сварного соединения | номинальное значение | предельное отклонение | номинальное значение | предельное отклонение | номинальное значение | предельное отклонение | номинальное значение | предельное отклонение | |||
Т-1 | ![]() | ![]() | 11 31 40 52 | 4,0 | 7,0 | +/- 2,0 | 6,0 | +/- 2,0 | 4,0 | +2,0 -1,0 | 3,0 | +2,0 -1,0 |
6,0 | 10,0 | +/- 3,0 | 8,0 | +/- 3,0 | 5,0 | +3,0 -2,0 | 4,0 | |||||
8,0 | 14,0 | 7,0 | ||||||||||
10,0 | 16,0 | 10,0 | 8,0 | 5,0 | ||||||||
12,0 | 20,0 | +/- 4,0 | 10,0 | +4,0 -3,0 | ||||||||
14,0 | 24,0 | 14,0 | +/- 4,0 | 12,0 | 7,0 | |||||||
16,0 | 26,0 | 13,0 | +3,0 -2,0 | |||||||||
18,0 | 28,0 | 14,0 | ||||||||||
20,0 | 30,0 | 18,0 | 15,0 | +5,0 -4,0 | 9,0 | |||||||
22,0 | 34,0 | +/- 5,0 | 17,0 | |||||||||
25,0 | 37,0 | 18,0 | ||||||||||
Условное обозначение сварного соединения | Конструктивные элементы | Способ сварки | S, мм | e = e1, мм | g = g1, мм | |||
подготавливаемых кромок свариваемых деталей | шва сварного соединения | номинальное значение | предельное отклонение | номинальное значение | предельное отклонение | |||
Т-2 | ![]() S1 >= S | ![]() | 10 30 | 10,0 | 8,0 | +/- 2,0 | 4,0 | +2,0 -1,0 |
15,0 | 12,0 | 6,0 | ||||||
20,0 | 15,0 | +/- 3,0 | 7,0 | +3,0 -2,0 | ||||
25,0 | 18,0 | 9,0 | ||||||
30,0 | 23,0 | +/- 4,0 | 11,0 | +4,0 -3,0 | ||||
40,0 | 30,0 | 15,0 | ||||||
50,0 | 37,0 | +/- 5,0 | 18,0 | +5,0 -4,0 | ||||
60,0 | 44,0 | +/- 6,0 | 22,0 | +6,0 -5,0 | ||||
70,0 | 52,0 | 23,0 | ||||||
80,0 | 60,0 | 30,0 | ||||||
90,0 | 67,0 | +/- 8,0 | 33,0 | +8,0 -6,0 | ||||
100,0 | 74,0 | 37,0 | ||||||
Условное обозначение сварного соединения | Конструктивные элементы | Способ сварки | Марка проволоки | S, мм | Сплавы типа ПТ-3В и 5В | |||||||
сплавы типа ПТ-3В | сплавы типа 5В | b, мм | g, мм | e, мм | ||||||||
подготовленных кромок свариваемых деталей | шва сварного соединения | номинальное значение | предельное отклонение | номинальное значение | предельное отклонение | номинальное значение | предельное отклонение | |||||
С1 | ![]() | ![]() | 51 52 | Без присадки | Без присадки | От 0,5 до 1,0 включ. | 0 | +0,2 | 0 | +0,5 | 3,0 | +2,0 |
ВТ1-00св.С | 2В | Св. 1,0 до 2,0 включ. | +0,5 | +1,0 | +5,0 | |||||||
53 | От 5,0 до 12,0 включ. | +1,0 | 3,0 | +2,0 | 25,0 | +10,0 | ||||||
Св. 12,0 до 15,0 включ. | +3,0 | 30,0 | ||||||||||
Св. 15,0 до 22,0 включ. | 4,0 | |||||||||||
Св. 22,0 до 25,0 включ. | 5,0 | 35,0 | ||||||||||
От 3,0 до 6,0 включ. | +1,0 | 0 | +1,0 | 5,0 | +5,0 | |||||||
Св. 6,0 до 10,0 включ. | 7,0 | |||||||||||
Св. 10,0 до 12,0 включ. | 0,5 | +1,0 | ||||||||||
Св. 12,0 до 16,0 включ. | 1,0 | |||||||||||
Условное обозначение сварного соединения | Конструктивные элементы | Способ сварки | Марка проволоки | S, мм | Сплавы типа ПТ-3В и 5В | |||||||
сплавы типа ПТ-3В | сплавы типа 5В | b, мм | g, мм | e, мм | ||||||||
подготовленных кромок свариваемых деталей | шва сварного соединения | номинальное значение | предельное отклонение | номинальное значение | предельное отклонение | номинальное значение | предельное отклонение | |||||
С2 | ![]() | ![]() | 52 | ВТ1-00св.С | 2В | От 0,8 до 1,5 включ. | 0 | +0,5 | 0 | +0,5 | Не устанавливается | |
От 1,5 до 2,0 включ. | +1,0 | |||||||||||
51 52 | 2В | От 3,0 до 6,0 включ. | 0 | +1,0 | 0 | +1,0 | 5,0 | +5,0 | ||||
Св. 6,0 до 10,0 включ. | 7,0 | |||||||||||
Св. 10,0 до 12,0 включ. | 0,5 | |||||||||||
Св. 12,0 до 16,0 включ. | 1,0 | |||||||||||
Примечание - Для сплавов марок ВТ1-0, ВТ1-00 и Сп.40 должна применяться проволока марки ВТ1-00св.С. | ||||||||||||
Условное обозначение сварного соединения | Конструктивные элементы | Способ сварки | Марка проволоки | S, мм | b, мм | g, мм, для сплавов типа | e, мм | ||||
ПТ-3В | 5В | ||||||||||
подготовленных кромок свариваемых деталей | шва сварного соединения | сплавы типа ПТ-3В | сплавы типа 5В | марка проволоки | |||||||
2В | ВТ6св | ||||||||||
С3 | ![]() | ![]() | 52 | 2В | 2В или ВТ6св | От 0,3 до 5,0 включ. | 3,0 | 0 | 0,5 | 0 | 6,0 |
Св. 5,0 до 9,0 включ. | 4,0 | 1,0 | 8,0 | ||||||||
Св. 9,0 до 15,0 включ. | 5,0 | 10,0 | |||||||||
Примечания 1 Для сплавов марок ВТ1-0, ВТ1-00 и Сп.40 следует применять проволоку марки ВТ1-00св.С. 2 При S >= 10,0 мм разрешается выполнять предварительно наплавленные валики по типу С8 и С9. При этом: а) ширина валика d = 0,5S при наплавке по типу С8 и d = 3,0 - 7,0 мм - по типу С9; б) зазор между валиками - не менее 3,0 мм. 3 В случае выполнения после сварки механической обработки поверхности для сплавов типа 5В следует применять проволоку марки ВТ6св. | |||||||||||
Условное обозначение сварного соединения | Конструктивные элементы | Способ сварки | Марка проволоки | S, мм | Сплавы типа ПТ-3В и 5В | |||||||||
b, мм | g, мм | e, мм | S1, мм | K, мм | ||||||||||
подготовленных кромок свариваемых деталей | шва сварного соединения | номинальное значение | предельное отклонение | номинальное значение | предельное отклонение | номинальное значение | предельное отклонение | номинальное значение | предельное отклонение | |||||
С5 | ![]() | ![]() | 52 | 2В | От 0,5 до 1,0 включ. | 1,0 | +1,0 | 0 | +0,5 | 3,0 | +2,0 | 8,0 | - | - |
2,0 | 2,0 | +2,0 | 5,0 | |||||||||||
3,0 | 3,0 | +3,0 | 1,0 | +1,0 | 7,0 | +3,0 | 16,0 | |||||||
4,0 | 4,0 | 8,0 | ||||||||||||
51 52 | 2В | От 4,0 до 6,0 включ. | 0 | +1,0 | 0 | +1,0 | 5,0 | +5,0 | 16,0 | - | - | |||
От 6,0 до 10,0 включ. | 7,0 | 25,0 | ||||||||||||
У2 | ![]() | ![]() | 51 52 | От 3,0 до 6,0 включ. | 0 | +1,0 | 0 | 5,0 | +5,0 | - | 3,0 | +2,0 | ||
Св. 6,0 до 10,0 включ. | +1,0 | 7,0 | ||||||||||||
У3 | ![]() | ![]() | ||||||||||||
Примечания 1 При невозможности в соединении С5 обеспечить защиту поддувом аргона с обеих сторон ребра одновременно толщина S1 должна быть не менее 25,0 мм. 2 Приварка ребер (S1) к листовым деталям (S) угловым швом не допускается. 3 Соединение С5 толщиной от 3,0 до 10,0 мм включительно разрешается выполнять способом сварки 51. 4 При S <= 6,0 мм в соединениях У2 и У3 допускается оплавление всех кромок. Толщина деталей должна быть равна S1 или (S1 - 10,0). 5 Для сплавов марок ВТ1-0 и ВТ1-00 следует применять проволоку марки ВТ1-00св.С. | ||||||||||||||
Условное обозначение сварного соединения | Конструктивные элементы | Способ сварки | Марка проволоки | S, мм | b, мм | Сплавы типа ПТ-3В | Сплавы типа 5В | |||||||
подготовленных кромок свариваемых деталей | шва сварного соединения | номинальное значение | предельное отклонение | марка проволоки | ||||||||||
сплавы типа ПТ-3В | сплавы типа 5В | 2В | ВТ6св | |||||||||||
g, мм | e, мм | g, мм | e, мм | g, мм | e, мм | |||||||||
С6 | ![]() | ![]() | 52 | 2В | ВТ6св или 2В | От 3,0 до 5,0 включ. | 3,0 | +1,0 | 0,5 | 6,0 | 1,0 | 8,0 | 0 | 6,0 |
Св. 5,0 до 10,0 включ. | 4,0 | 8,0 | 1,5 | 12,0 | 8,0 | |||||||||
Св. 10,0 до 15,0 включ. | 5,0 | 10,0 | 10,0 | |||||||||||
У4 | ![]() | ![]() | ||||||||||||
Св. 15,0 до 18,0 включ. | 7,0 | +/-1,0 | 12,0 | 2,5 | 20,0 | 12,0 | ||||||||
Св. 18,0 до 30,0 включ. | 9,0 | 14,0 | 14,0 | |||||||||||
У5 | ![]() | ![]() | Св. 30,0 до 45,0 включ. | 11,0 | +2,0 -1,0 | 0 | 16,0 | 16,0 | ||||||
Св. 45,0 до 60,0 включ. | 13,0 | 18,0 | 2,0 | 18,0 | ||||||||||
Примечания 1 Для сплавов ВТ1-0 и Вт1-00 следует применять проволоку марки ВТ1-00св.С при g = 0. 2 В качестве остающейся подкладки допускается использовать поясок штатного ребра жесткости конструкции. | ||||||||||||||
Условное обозначение сварного соединения | Конструктивные элементы | Способ сварки | Марка проволоки | S, мм | P, мм | b, мм | g, мм, для сплавов типа | e, мм | ||||||
номинальное значение | предельное отклонение | номинальное значение | предельное отклонение | ПТ-3В | 5В | |||||||||
подготовленных кромок свариваемых деталей | шва сварного соединения | сплавы типа ПТ-3В | сплавы типа 5В | марка проволоки | ||||||||||
2В | ВТ6св | |||||||||||||
С7 | ![]() | ![]() | 52 | 2В | ВТ6св или 2В | От 15,0 до 20,0 включ. | 7,0 | +1,0 | 3,0 | +1,0 | 0 | 1,0 | 10,0 | |
Св. 20,0 до 26,0 включ. | 8,0 | 4,0 | +1,0 | 1,5 | 12,0 | |||||||||
Св. 26,0 до 30,0 включ. | 9,0 | 14,0 | ||||||||||||
Св. 30,0 до 36,0 включ. | 10,0 | 1,0 | ||||||||||||
Св. 36,0 до 45,0 включ. | 11,0 | +2,0 -1,0 | 16,0 | |||||||||||
Св. 45,0 до 50,0 включ. | 12,0 | |||||||||||||
2В | Св. 50,0 до 60,0 включ. | 13,0 | 0,5 | 18,0 | ||||||||||
Св. 60,0 до 70,0 включ. | 14,0 | 0 | ||||||||||||
Св. 70,0 до 80,0 включ. | 15,0 | 20,0 | ||||||||||||
Св. 80,0 до 100,0 включ. | 17,0 | 22,0 | ||||||||||||
Св. 100,0 до 130,0 включ. | 19,0 | 24,0 | ||||||||||||
Св. 130,0 до 160,0 включ. | 21,0 | 5,0 | 25,0 | |||||||||||
Св. 160,0 до 250,0 включ. | 22,0 | 28,0 | ||||||||||||
Св. 250,0 до 500,0 включ. | 24,0 | 30,0 | ||||||||||||
Примечание - Для сплавов марок ВТ1-0 и ВТ1-00 следует применять проволоку марки ВТ1-00св.С при g = 0. | ||||||||||||||
Условное обозначение сварного соединения | Конструктивные элементы | Способ сварки | Марка проволоки | S, мм | c, мм | b, мм | Сплавы типа ПТ-3В | Сплавы типа 5В | |||||||||||
Сплавы типа | g, мм | e, мм | марка проволоки | ||||||||||||||||
подготовленных кромок свариваемых деталей | шва сварного соединения | номинальное значение | предельное отклонение | номинальное значение | предельное отклонение | номинальное значение | предельное отклонение | 2В | ВТ6св | ||||||||||
ПТ-3В | 5В | g, мм | e, мм | g, мм | e, мм | ||||||||||||||
номинальное значение | предельное отклонение | номинальное значение | предельное отклонение | ||||||||||||||||
С8 | ![]() | ![]() | 52 | 2В | ВТ6св или 2В | 3,0 | 0 | +0,5 | 0 | +0,5 | 0,5 | +1,0 | 8,0 | 1,0 | +1,0 | 8,0 | 0,5 | +1,0 | 8,0 |
Св. 3,0 до 4,0 включ. | +1,0 | 1,0 | +1,0 -0,5 | 1,0 | 12,0 | 1,5 | +2,0 | 12,0 | 12,0 | ||||||||||
Св. 4,0 до 6,0 включ. | 2,5 | 1,5 | 14,0 | 2,0 | 16,0 | 1,0 | 16,0 | ||||||||||||
Св. 6,0 до 10,0 включ. | 2,0 | 16,0 | 3,0 | 24,0 | |||||||||||||||
Св. 10,0 до 14,0 включ. | 1,0 | 4,0 | 3,0 | +2,0 | 24,0 | 4,0 | 32,0 | 1,5 | 20,0 | ||||||||||
С9 | ![]() | ![]() | Св. 14,0 до 16,0 включ. | 5,0 | 40,0 | ||||||||||||||
Св. 16,0 до 20,0 включ. | 4,0 | 32,0 | 6,0 | 48,0 | 2,0 | 25,0 | |||||||||||||
Св. 20,0 до 24,0 включ. | 5,0 | 40,0 | 7,5 | 60,0 | 2,5 | 30,0 | |||||||||||||
Св. 24,0 до 28,0 включ. | 6,5 | 52,0 | 10,0 | 80,0 | 3,5 | 35,0 | |||||||||||||
Св. 28,0 до 32,0 включ. | 40,0 | ||||||||||||||||||
52 | 2В | ВТ6св или 2В | Св. 32,0 до 36,0 включ. | 2,0 | +1,0 | 4,5 | +/- 1,5 | 7,0 | +2,0 | 56,0 | 12,0 | +2,0 | 96,0 | 4,0 | +2,0 | 44,0 | |||
Св. 36,0 до 40,0 включ. | 8,0 | +2,0 | 64,0 | 13,0 | 104,0 | 48,0 | |||||||||||||
Св. 40,0 до 46,0 включ. | 9,0 | 72,0 | 15,0 | 120,0 | 5,0 | 56,0 | |||||||||||||
Св. 46,0 до 50,0 включ. | 10,0 | 80,0 | 16,0 | 128,0 | 6,0 | 60,0 | |||||||||||||
Св. 50,0 до 56,0 включ. | 12,0 | 96,0 | 18,0 | 144,0 | 64,0 | ||||||||||||||
Св. 56,0 до 60,0 включ. | 19,0 | 156,0 | 6,5 | 68,0 | |||||||||||||||
Примечания 1 Для сплавов марок ВТ1-0 и ВТ1-00 следует применять проволоку марки ВТ1-00св.С. 2 Размеры выпуклости шва для сплавов марок ВТ1-0 и ВТ1-00 должны соответствовать размерам швов, выполненных проволокой марки ВТ6св. | |||||||||||||||||||
Условное обозначение сварного соединения | Конструктивные элементы | Способ сварки | Марка проволоки | S, мм | c, мм | b, мм | Сплавы типа ПТ-3В | Сплавы типа 5В | |||||||||||||||
g, мм | e, мм | марка проволоки | |||||||||||||||||||||
подготовленных кромок свариваемых деталей | шва сварного соединения | Сплавы типа | номинальное значение | предельное отклонение | номинальное значение | предельное отклонение | номинальное значение | предельное отклонение | 2В | ВТ6св | |||||||||||||
ПТ-3В | 5В | g, мм | e, мм | g, мм | e, мм | ||||||||||||||||||
номинальное значение | предельное отклонение | номинальное значение | предельное отклонение | ||||||||||||||||||||
С11 | ![]() | ![]() | 52 | 2В | ВТ6св или 2В | 3,0 | - | +0,5 | 0 | +0,5 | 0,5 | +1,0 | 8,0 | 1,0 | +1,0 | 8,0 | 0,5 | +1,0 | 8,0 | ||||
Св. 3,0 до 4,0 включ. | +1,0 | 1,0 | +1,0 | 1,0 | 12,0 | 1,5 | 12,0 | 12,0 | |||||||||||||||
Св. 4,0 до 6,0 включ. | 1,5 | 14,0 | 2,0 | 16,0 | 1,0 | 16,0 | |||||||||||||||||
Св. 6,0 до 10,0 включ. | 2,0 | 16,0 | 3,0 | 24,0 | |||||||||||||||||||
Св. 10,0 до 14,0 включ. | - | 3,0 | +2,0 | 24,0 | 4,0 | 32,0 | 1,5 | 20,0 | |||||||||||||||
У6 | ![]() | ![]() | Св. 14,0 до 16,0 включ. | 5,0 | 40,0 | ||||||||||||||||||
Св. 16,0 до 20,0 включ. | +2,0 | 2,0 | 4,0 | 32,0 | 6,0 | +2,0 | 48,0 | 2,0 | 25,0 | ||||||||||||||
Св. 20,0 до 24,0 включ. | 5,0 | 40,0 | 7,5 | 60,0 | 2,5 | 30,0 | |||||||||||||||||
Св. 24,0 до 28,0 включ. | 6,5 | 52,0 | 10,0 | 80,0 | 3,5 | 35,0 | |||||||||||||||||
Св. 28,0 до 32,0 включ. | 40,0 | ||||||||||||||||||||||
У7 | ![]() | ![]() | 52 | 2В | ВТ6св или 2В | Св. 32,0 до 36,0 включ. | - | +2,0 | 2,0 | +1,0 | 7,0 | +2,0 | 56,0 | 12,0 | +1,0 +2,0 | 96,0 | 4,0 | +2,0 | 44,0 | ||||
Св. 36,0 до 40,0 включ. | 8,0 | 64,0 | 13,0 | 104,0 | 48,0 | ||||||||||||||||||
Св. 40,0 до 46,0 включ. | 9,0 | 72,0 | 15,0 | 120,0 | 5,0 | 56,0 | |||||||||||||||||
Св. 46,0 до 50,0 включ. | 10,0 | 80,0 | 16,0 | 128,0 | 6,0 | 60,0 | |||||||||||||||||
Св. 50,0 до 56,0 включ. | 12,0 | 96,0 | 18,0 | 144,0 | 64,0 | ||||||||||||||||||
Св. 56,0 до 60,0 включ. | 19,5 | 156,0 | 6,5 | 68,0 | |||||||||||||||||||
| |||||||||||||||||||||||
Примечания 1 Для сплавов марок ВТ1-0 и Вт1-00 следует применять проволоку марки ВТ1-00св.С. 2 Для сплавов марок ВТ1-0 и ВТ1-00 высоту выпуклости шва кромки принимают по толщине S1 или S1 - 10,0. 3 При S < 6,0 мм в соединениях У8 и У9 допускается оплавление всей кромки по толщине S1 или S1 - 10,0. | |||||||||||||||||||||||
Условное обозначение сварного соединения | Конструктивные элементы | Способ сварки | Марка проволоки | S, мм | Сплавы типа | ||||||||||||||
подготовленных кромок свариваемых деталей | шва сварного соединения | сплавы типа ПТ-3В | сплавы типа 5В | g, мм | e, мм | марка проволоки | |||||||||||||
номинальное значение | предельное отклонение | 2В | ВТ6св | ||||||||||||||||
g, мм | e, мм | g, мм | e, мм | ||||||||||||||||
номинальное значение | предельное отклонение | номинальное значение | предельное отклонение | ||||||||||||||||
С14 | ![]() | ![]() | 52 | 2В | ВТ6св или 2В | От 32,0 до 36,0 включ. | 6,0 | +3,0 | 48,0 | 11,0 | +2,0 | 88,0 | 3,0 | +2,0 | 40,0 | ||||
Св. 36,0 до 40,0 включ. | 7,0 | 56,0 | 12,0 | 96,0 | 45,0 | ||||||||||||||
С15 | ![]() | ![]() | Св. 40,0 до 46,0 включ. | 8,0 | 64,0 | 14,0 | 112,0 | 4,0 | 48,0 | ||||||||||
Св. 46,0 до 50,0 включ. | 9,0 | 72,0 | 15,0 | 120,0 | 5,0 | 52,0 | |||||||||||||
С16 | ![]() | ![]() | Св. 50,0 до 56,0 включ. | 10,0 | 80,0 | 17,0 | 136,0 | 54,0 | |||||||||||
С17 | ![]() | ![]() | Св. 56,0 до 60,0 включ. | 11,0 | 88,0 | 18,0 | 144,0 | 5,5 | 58,0 | ||||||||||
| |||||||||||||||||||
Примечания 1 В соединениях С17 и С19 первый проход следует выполнять методом, обеспечивающим формирование шва с обратной стороны. 2 Для сплавов марок ВТ1-0 и Вт1-00 следует применять проволоку марки ВТ1-00св.С. 3 Для сплавов марок ВТ1-0 и ВТ1-00 размеры выпуклости шва должны соответствовать размерам швов, выполненных проволокой марки ВТ6св. | |||||||||||||||||||
Условное обозначение сварного соединения | Конструктивные элементы | Способ сварки | Марка проволоки | S, мм | c, мм | b, мм | Сплавы типа ПТ-3В | Сплавы типа 5В | |||||||||||
g, мм | e, мм | марка проволоки | |||||||||||||||||
подготовленных кромок свариваемых деталей | шва сварного соединения | сплавы типа | номинальное значение | предельное отклонение | номинальное значение | предельное отклонение | номинальное значение | предельное отклонение | 2В | ВТ6св | |||||||||
ПТ-3В | 5В | g, мм | e, мм | g, мм | e, мм | ||||||||||||||
номинальное значение | предельное отклонение | номинальное значение | предельное отклонение | ||||||||||||||||
С18 | ![]() | ![]() | 52 | 2В | ВТ6св или 2В | От 4,0 до 6,0 включ. | 0 | +1,0 | 1,0 | +0,5 | 0,5 | +1,0 | 6,0 | 1,0 | +1,0 | 8,0 | 0 | +1,0 | 4,0 |
Св. 6,0 до 10,0 включ. | +1,0 | 1,0 | 8,0 | 1,5 | 12,0 | 0,5 | 6,0 | ||||||||||||
Св. 10,0 до 16,0 включ. | 1,0 | 2,0 | 1,5 | 12,0 | 2,5 | 20,0 | 1,0 | 10,0 | |||||||||||
Св. 16,0 до 24,0 включ. | 2,0 | 3,0 | 2,5 | 20,0 | 3,5 | +2,0 | 28,0 | 1,5 | 16,0 | ||||||||||
Св. 24,0 до 32,0 включ. | 4,0 | +/- 1,0 | 3,0 | +2,0 | 24,0 | 5,0 | 40,0 | 2,0 | 20,0 | ||||||||||
Св. 32,0 до 36,0 включ. | 3,5 | 28,0 | 6,0 | 48,0 | 2,5 | 22,0 | |||||||||||||
Св. 36,0 до 42,0 включ. | 4,5 | 36,0 | 7,0 | 56,0 | 24,0 | ||||||||||||||
Св. 42,0 до 46,0 включ. | 5,0 | 40,0 | 8,0 | 64,0 | 3,0 | +2,0 | 26,0 | ||||||||||||
Св. 46,0 до 52,0 включ. | 5,5 | 44,0 | 9,0 | 72,0 | 28,0 | ||||||||||||||
Св. 52,0 до 60,0 включ. | 6,0 | 48,0 | 10,0 | 80,0 | 3,5 | 30,0 | |||||||||||||
Примечания 1 Для сплавов марок ВТ1-0 и Вт1-00 следует применять проволоку марки ВТ1-00св.С. 2 Для сплавов марок ВТ1-0 и ВТ1-00 размеры выпуклости шва должны соответствовать размерам швов, выполненных проволокой марки ВТ6св. | |||||||||||||||||||
Условное обозначение сварного соединения | Конструктивные элементы | Способ сварки | Марка проволоки | S, мм | c, мм | b, мм | Сплавы типа | e1, мм | |||||||||
ПТ-3В | 5В | ||||||||||||||||
подготовленных кромок свариваемых деталей | шва сварного соединения | сплавы типа | номинальное значение | предельное отклонение | номинальное значение | предельное отклонение | g, мм | e, мм | марка проволоки | ||||||||
ПТ-3В | 5В | 2В | ВТ6св | ||||||||||||||
g, мм | e, мм | g, мм | e, мм | ||||||||||||||
С19 | ![]() | ![]() | 52 | 2В | ВТ6св или 2В | 3,0 | 0 | 0,5 | 0 | +0,5 | 0,5 | 8,0 | 1,0 | 8,0 | 0,5 | 8,0 | 8,0 |
Св. 3,0 до 5,0 включ. | 1,0 | 0,5 | +1,0 | 1,0 | 12,0 | 1,5 | 12,0 | 12,0 | |||||||||
Св. 5,0 до 10,0 включ. | +1,0 | 2,0 | 16,0 | 3,0 | 24,0 | 1,0 | 16,0 | ||||||||||
Св. 10,0 до 16,0 включ. | 2,0 | 1,0 | 3,0 | 24,0 | 5,0 | 40,0 | 1,5 | 21,0 | |||||||||
Св. 16,0 до 20,0 включ. | 3,0 | 2,0 | 4,0 | 32,0 | 6,0 | 48,0 | 2,0 | 25,0 | |||||||||
Св. 20,0 до 24,0 включ. | 5,0 | 40,0 | 7,5 | 60,0 | 2,5 | 30,0 | |||||||||||
С20 | ![]() | ![]() | Св. 24,0 до 32,0 включ. | 4,0 | +/- 1,0 | 6,5 | 52,0 | 10,5 | 80,0 | 3,5 | 40,0 | ||||||
Св. 32,0 до 40,0 включ. | 8,0 | 64,0 | 13,0 | 104,0 | 4,0 | 48,0 | 16,0 | ||||||||||
Св. 40,0 до 46,0 включ. | 10,0 | 80,0 | 15,0 | 120,0 | 5,0 | 56,0 | |||||||||||
Св. 46,0 до 50,0 включ. | 16,0 | 128,0 | 6,0 | 60,0 | |||||||||||||
Св. 50,0 до 56,0 включ. | 12,0 | 96,0 | 18,0 | 144,0 | 64,0 | ||||||||||||
Св. 56,0 до 60,0 включ. | 19,5 | 156,0 | 6,5 | 68,0 | |||||||||||||
Примечания 1 Для сплавов марок ВТ1-0 и Вт1-00 следует применять проволоку марки ВТ1-00св.С. 2 Для сплавов марок ВТ1-0 и ВТ1-00 размеры выпуклости шва должны соответствовать размерам швов, выполненных проволокой марки ВТ6св. | |||||||||||||||||
Условное обозначение сварного соединения | Конструктивные элементы | Способ сварки | Марка проволоки | S, мм | Сплавы типа ПТ-3В | Сплавы типа 5В | |||||||||
g, мм | e, мм | марка проволоки | |||||||||||||
подготовленных кромок свариваемых деталей | шва сварного соединения | сплавы типа | номинальное значение | предельное отклонение | 2В | ВТ6св | |||||||||
ПТ-3В | 5В | g, мм | e, мм | g, мм | e, мм | ||||||||||
номинальное значение | предельное отклонение | номинальное значение | предельное отклонение | ||||||||||||
С21 | ![]() | ![]() | 52 | 2В | ВТ6св или 2В | От 3,0 до 4,0 включ. | 0,5 | +1,0 | 6,0 | 1,0 | +1,0 | 8,0 | 0,5 | +1,0 | 6,0 |
Св. 4,0 до 6,0 включ. | 1,0 | 10,0 | 2,0 | 16,0 | 1,0 | 10,0 | |||||||||
Св. 6,0 до 10,0 включ. | 2,0 | +2,0 | 16,0 | 3,0 | 24,0 | 1,5 | 16,0 | ||||||||
Св. 10,0 до 15,0 включ. | 3,0 | 24,0 | 5,0 | +2,0 | 40,0 | 2,0 | 24,0 | ||||||||
Примечание - Для сплавов марок ВТ1-0 и Вт1-00 следует применять проволоку марки ВТ1-00св.С. | |||||||||||||||
Условное обозначение сварного соединения | Конструктивные элементы | Способ сварки | Марка проволоки | S, мм | b, мм | c, мм | Сплавы типа ПТ-3В | Сплавы типа 5В | e1, мм | |||||||||||
g, мм | e, мм | марка проволоки | ||||||||||||||||||
подготовленных кромок свариваемых деталей | шва сварного соединения | сплавы типа | номинальное значение | предельное отклонение | номинальное значение | предельное отклонение | номинальное значение | предельное отклонение | 2В | ВТ6св | ||||||||||
ПТ-3В | 5В | g, мм | e, мм | g, мм | e, мм | |||||||||||||||
номинальное значение | предельное отклонение | номинальное значение | предельное отклонение | |||||||||||||||||
С24 | ![]() | ![]() | 52 | 2В | ВТ6св или 2В | От 4,0 до 6,0 включ. | 1,0 | +0,5 | 0,0 | +1,0 | 0,5 | +1,0 | 6,0 | 1,0 | +1,0 | 8,0 | 0 | +1,0 | 5,0 | 5,0 |
Св. 6,0 до 10,0 включ. | +1,0 | 1,0 | 8,0 | 2,0 | 16,0 | 7,0 | 7,0 | |||||||||||||
Св. 10,0 до 16,0 включ. | 2,0 | 1,0 | 1,5 | 12,0 | 3,5 | +2,0 | 28,0 | 10,0 | 10,0 | |||||||||||
Св. 16,0 до 24,0 включ. | 3,0 | 2,0 | 2,0 | 16,0 | 5,5 | 44,0 | 0,5 | 15,0 | 15,0 | |||||||||||
Св. 24,0 до 32,0 включ. | 4,0 | 3,0 | +2,0 | 24,0 | 7,0 | 56,0 | 18,0 | 18,0 | ||||||||||||
Примечания 1 В соединении С24 первый проход необходимо выполнять методом, обеспечивающим формирование шва с обратной стороны. 2 Для сплавов марок ВТ1-0 и Вт1-00 следует применять проволоку марки ВТ1-00св.С. | ||||||||||||||||||||
Условное обозначение сварного соединения | Конструктивные элементы | Способ сварки | Марка проволоки | S, мм | Сплавы типа ПТ-3В и 5В | ||||||
b, мм | g, мм | e, мм | |||||||||
подготовленных кромок свариваемых деталей | шва сварного соединения | номинальное значение | предельное отклонение | номинальное значение | предельное отклонение | номинальное значение | предельное отклонение | ||||
С32 | ![]() | ![]() | 60 | Без присадки | От 2,0 до 10,0 включ. | 0 | +0,1 | 0 | +3,0 | 5,0 | +5,0 |
Св. 10,0 до 40,0 включ. | +0,2 | 1,0 | 10,0 | ||||||||
Св. 40,0 до 70,0 включ. | +5,0 | 13,0 | +7,0 | ||||||||
Св. 70,0 до 100,0 включ. | +0,3 | +6,0 | 18,0 | ||||||||
Св. 100,0 до 160,0 включ. | 2,0 | +7,0 | 20,0 | +10,0 | |||||||
Св. 160,0 до 200,0 включ. | +9,0 | 25,0 | |||||||||
Св. 200,0 до 240,0 включ. | +0,4 | 3,0 | +11,0 | 28,0 | +12,0 | ||||||
Св. 240,0 до 300,0 включ. | +13,0 | 30,0 | +15,0 | ||||||||
Примечание - В случае удаления выпуклости шва механической обработкой размеры g и e не контролируют. | |||||||||||
Условное обозначение сварного соединения | Конструктивные элементы | Способ сварки | Марка проволоки | S, мм | c, мм | b, мм | Сплавы типа ПТ-3В | Сплавы типа 5В | K, мм | |||||
подготовленных кромок свариваемых деталей | шва сварного соединения | номинальное значение | предельное отклонение | номинальное значение | предельное отклонение | |||||||||
g, мм | e, мм | g, мм | e, мм | |||||||||||
У14 | ![]() | ![]() | 52 | 2В | 3 | 0 | +0,5 | 0 | +0,5 | 0,5 | 6,0 | 0,5 | 6,0 | 2,0 |
Св. 3,0 до 6,0 включ. | +1,0 | 1,0 | 10,0 | 1,0 | 10,0 | |||||||||
Св. 6,0 до 10,0 включ. | +1,0 | 1,0 | 18,0 | 2,0 | 18,0 | |||||||||
Св. 10,0 до 14,0 включ. | 1,0 | 2,0 | 1,5 | 24,0 | 2,0 | 24,0 | ||||||||
Св. 14,0 до 16,0 включ. | 28,0 | 3,5 | 28,0 | |||||||||||
Св. 16,0 до 20,0 включ. | 2,0 | 3,0 | 2,0 | 35,0 | 4,0 | 35,0 | 3,0 | |||||||
Св. 20,0 до 24,0 включ. | 3,0 | 42,0 | 5,0 | 42,0 | ||||||||||
Св. 24,0 до 28,0 включ. | 4,0 | +/- 1,0 | 4,0 | 48,0 | 6,0 | 48,0 | ||||||||
Св. 28,0 до 32,0 включ. | 5,0 | 56,0 | 8,0 | 64,0 | ||||||||||
Св. 32,0 до 36,0 включ. | 62,0 | 4,0 | ||||||||||||
Св. 36,0 до 40,0 включ. | 6,0 | 70,0 | 10,0 | 80,0 | ||||||||||
Св. 40,0 до 46,0 включ. | 7,0 | 80,0 | 12,5 | 100,0 | ||||||||||
Св. 46,0 до 50,0 включ. | 86,0 | 5,0 | ||||||||||||
Св. 50,0 до 56,0 включ. | ||||||||||||||
8,0 | 96,0 | 15,5 | 124,0 | |||||||||||
Св. 56,0 до 60,0 включ. | 100,0 | 6,0 | ||||||||||||
Примечания 1 Для сплавов марок ВТ1-0 и Вт1-00 следует применять проволоку марки ВТ1-00св.С. 2 При S <= 6,0 мм допускается оплавление всей кромки детали по толщине S1. | ||||||||||||||
Условное обозначение сварного соединения | Конструктивные элементы | Способ сварки | Марка проволоки | S, мм | c, мм | b, мм | g, мм, для сплавов типа | e, мм | e1, мм | ||||||
ПТ-3В | 5В | ||||||||||||||
подготовленных кромок свариваемых деталей | шва сварного соединения | номинальное значение | предельное отклонение | номинальное значение | предельное отклонение | номинальное значение | предельное отклонение | номинальное значение | предельное отклонение | ||||||
У15 | ![]() | ![]() | 52 | 2В | 3,0 | 0 | +0,5 | 0 | +0,5 | +0,5 | +1,0 | 0,5 | +1,0 | 10,0 | 4,0 |
Св. 3,0 до 6,0 включ. | +1,0 | 1,0 | 1,0 | 1,0 | 12,0 | ||||||||||
Св. 6,0 до 10,0 включ. | +1,0 | 1,5 | 2,0 | 18,0 | |||||||||||
Св. 10,0 до 16,0 включ. | 1,0 | 2,0 | 3,0 | +2,0 | 4,0 | +2,0 | 26,0 | 6,0 | |||||||
Св. 16,0 до 20,0 включ. | 2,0 | 3,0 | 5,0 | 32,0 | 8,0 | ||||||||||
Св. 20,0 до 24,0 включ. | 4,0 | 6,0 | 38,0 | ||||||||||||
Св. 24,0 до 28,0 включ. | 4,0 | +/- 1,0 | 5,0 | 8,0 | 44,0 | 10,0 | |||||||||
Св. 28,0 до 32,0 включ. | 6,0 | 9,0 | 52,0 | ||||||||||||
Св. 32,0 до 36,0 включ. | 7,0 | 10,0 | 60,0 | ||||||||||||
Св. 36,0 до 40,0 включ. | 11,0 | 66,0 | 12,0 | ||||||||||||
Св. 40,0 до 46,0 включ. | 9,5 | 13,0 | 78,0 | ||||||||||||
Св. 46,0 до 50,0 включ. | 14,0 | 85,0 | |||||||||||||
Св. 50,0 до 56,0 включ. | 10,1 | 15,0 | 95,0 | ||||||||||||
Св. 56,0 до 60,0 включ. | 17,0 | 105,0 | |||||||||||||
Примечания 1 Для сплавов марок ВТ1-0 и Вт1-00 следует применять проволоку марки ВТ1-00св.С. 2 При S <= 6,0 мм допускается оплавление всей кромки детали по толщине S1. | |||||||||||||||
Условное обозначение сварного соединения | Конструктивные элементы | Способ сварки | Марка проволоки | S, мм | c, мм | b, мм | Сплавы типа | |||||||||
ПТ-3В | 5В | |||||||||||||||
подготовленных кромок свариваемых деталей | шва сварного соединения | сплавы типа | номинальное значение | предельное отклонение | номинальное значение | предельное отклонение | g, мм | e, мм | марка проволоки | |||||||
ПТ-3В | 5В | 2В | ВТ6св | |||||||||||||
g, мм | e, мм | g, мм | e, мм | |||||||||||||
У16 | ![]() | ![]() | 52 | 2В | ВТ6св или 2В | От 3,0 до 4,0 включ. | 0 | +0,5 | 1,5 | +/- 0,5 | 0,5 | 8,0 | 1,0 | 8,0 | 0,5 | 8,0 |
Св. 4,0 до 6,0 включ. | +1,0 | 2,5 | +1,0 -0,5 | 1,0 | 12,0 | 1,5 | 12,0 | 12,0 | ||||||||
Св. 6,0 до 10,0 включ. | 2,0 | 16,0 | 3,0 | 24,0 | 1,0 | 16,0 | ||||||||||
Св. 10,0 до 14,0 включ. | 1,0 | 4,0 | 3,0 | 24,0 | 4,5 | 36,0 | 1,5 | 21,0 | ||||||||
Св. 14,0 до 20,0 включ. | 4,0 | 32,0 | 6,0 | 48,0 | 2,0 | 25,0 | ||||||||||
Св. 20,0 до 24,0 включ. | 2,0 | 5,0 | 40,0 | 7,5 | 60,0 | 2,5 | 30,0 | |||||||||
Св. 24,0 до 28,0 включ. | 6,0 | 48,0 | 9,0 | 72,0 | 3,5 | 34,0 | ||||||||||
Св. 28,0 до 32,0 включ. | 10,0 | 80,0 | 3,5 | 40,0 | ||||||||||||
Св. 32,0 до 36,0 включ. | 4,5 | +1,5 | 7,0 | 56,0 | 11,5 | 92,0 | 44,0 | |||||||||
Св. 36,0 до 40,0 включ. | 8,0 | 64,0 | 13,0 | 104,0 | 4,0 | 48,0 | ||||||||||
Св. 40,0 до 46,0 включ. | 10,0 | 80,0 | 15,0 | 120,0 | 5,0 | 56,0 | ||||||||||
Св. 46,0 до 50,0 включ. | 16,0 | 128,0 | 6,0 | 60,0 | ||||||||||||
Св. 50,0 до 56,0 включ. | 12,0 | 96,0 | 18,0 | 144,0 | 64,0 | |||||||||||
Св. 56,0 до 60,0 включ. | 19,5 | 156,0 | 6,5 | 68,0 | ||||||||||||
Примечания 1 Первый проход следует выполнять методом, обеспечивающим обратное формирование. 2 Для сплавов марок ВТ1-0 и Вт1-00 следует применять проволоку марки ВТ1-00св.С. 3 При S <= 6,0 мм допускается оплавление всей кромки детали по толщине S1. | ||||||||||||||||
Условное обозначение сварного соединения | Конструктивные элементы | Способ сварки | Марка проволоки | S, мм | c, мм | b, мм | g, мм, для сплавов типа | e, e1, мм | ||||
номинальное значение | предельное отклонение | номинальное значение | предельное отклонение | ПТ-3В | 5В | |||||||
подготовленных кромок свариваемых деталей | шва сварного соединения | |||||||||||
У19 | ![]() | ![]() | 52 | 2В | От 4,0 до 6,0 включ. | 0 | +1,0 | 1,0 | +0,5 | 0,5 | 1,0 | 4,0 |
Св. 6,0 до 10,0 включ. | +1,0 | 1,0 | 2,0 | 6,0 | ||||||||
Св. 10,0 до 16,0 включ. | 1,0 | 2,0 | 2,0 | 3,5 | 10,0 | |||||||
Св. 16,0 до 24,0 включ. | 2,0 | 3,0 | 3,0 | 5,0 | 16,0 | |||||||
Св. 24,0 до 32,0 включ. | 4,0 | +/- 1,0 | 4,0 | 7,0 | 20,0 | |||||||
Св. 32,0 до 36,0 включ. | 4,5 | 8,0 | 22,0 | |||||||||
Св. 36,0 до 42,0 включ. | 5,0 | 9,0 | 26,0 | |||||||||
Св. 42,0 до 46,0 включ. | 6,0 | 10,0 | 28,0 | |||||||||
Св. 46,0 до 52,0 включ. | 7,0 | 11,5 | 32,0 | |||||||||
Св. 52,0 до 60,0 включ. | 8,5 | 13,5 | 36,0 | |||||||||
Примечания 1 Для сплавов марок Сп.40, ВТ1-0 и ВТ1-00 следует применять проволоку марки ВТ1-00св.С. 2 При S <= 6,0 мм допускается оплавление всей кромки детали по толщине S1. | ||||||||||||
Условное обозначение сварного соединения | Конструктивные элементы | Способ сварки | S = S1, мм | b, мм | c, мм | g, мм | g1, мм | e, мм | ||||
подготовленных кромок под сварку | шва сварного соединения | номинальное значение | предельное отклонение | номинальное значение | предельное отклонение | номинальное значение | предельное отклонение | |||||
ТС1 | ![]() | ![]() | 51 52 | Св. 1,0 до 1,5 включ. | 0+0,1 | 0,2-0,1 | 0,3 | +0,2 | 0 | +1,0 | 5,0 | +2,0 -1,0 |
Св. 1,5 до 2,5 включ. | 6,0 | +3,0 -2,0 | ||||||||||
ТС2 | ![]() | ![]() | Св. 2,5 до 4,0 включ. | 0,3-0,1 | 0,5 | +0,5 -0,2 | +2,0 -0,5 | 8,0 | +3,0 -2,0 | |||
Св. 4,0 до 6,0 включ. | ||||||||||||
Примечания 1 Размер e1 не контролируют. 2 Соединение ТС2 следует применять в диапазоне толщин 1,5 - 4,0 мм. 3 Для соединений ТС2 допускается проводить расточку изнутри для совпадения внутренних кромок при сборке. | ||||||||||||
Условное обозначение сварного соединения | Конструктивные элементы | Способ сварки | S = S1, мм | b, мм | c, мм | g, мм | g1, мм | e, мм | |||||
подготовленных кромок под сварку | шва сварного соединения | номинальное значение | предельное отклонение | номинальное значение | предельное отклонение | номинальное значение | предельное отклонение | номинальное значение | предельное отклонение | ||||
ТС3 | ![]() | ![]() | 51 52 | Св. 4,0 до 5,0 включ. | 0 | +1,0 | 0,3+0,2 | 1,0 | +0,3 | 0 | +1,5 -0,6 | 8,0 | +3,0 |
Св. 5,0 до 6,0 включ. | 9,0 | ||||||||||||
Св. 6,0 до 7,0 включ. | +2,0 | 1,5 | +2,0 -0,6 | 10,0 | |||||||||
Св. 7,0 до 8,0 включ. | 13,0 | +4,0 | |||||||||||
Св. 8,0 до 10,0 включ. | +2,0 -1,2 | 16,0 | |||||||||||
Св. 10,0 до 12,0 включ. | 18,0 | ||||||||||||
Св. 12,0 до 14,0 включ. | 21,0 | ||||||||||||
Св. 14,0 до 16,0 включ. | 23,0 | ||||||||||||
Св. 16,0 до 18,0 включ. | 2,0 | +1,0 | 27,0 | ||||||||||
Св. 18,0 до 20,0 включ. | 29,0 | ||||||||||||
Примечания 1 Для ручной сварки величина c допускается в размере (1,0 +/- 0,3) мм. 2 Размер e1 не контролируют. | |||||||||||||
Условное обозначение сварного соединения | Конструктивные элементы | Способ сварки | S = S1, мм | b, мм | c, мм | g, мм | e, мм | ||||
подготовленных кромок под сварку | шва сварного соединения | номинальное значение | предельное отклонение | номинальное значение | предельное отклонение | номинальное значение | предельное отклонение | ||||
ТС4 | ![]() | ![]() | +0,5 | Св. 1,5 до 2,0 включ. | 2,5+0,5 | 0,5 | +0,5 -0,3 | 2,0 | +0,5 | 10,0 | +2,0 |
Св. 2,0 до 2,5 включ. | 12,0 | ||||||||||
Св. 2,5 до 4,0 включ. | 13,0 | +3,0 | |||||||||
Св. 4,0 до 7,0 включ. | 14,0 | ||||||||||
Св. 7,0 до 10,0 включ. | 1,0 | +0,3 | 17,0 | ||||||||
ТС5 | ![]() | ![]() | Св. 10,0 до 13 включ. | 20,0 | |||||||
Св. 13,0 до 14,0 включ. | 24,0 | +4,0 | |||||||||
+1,0 | Св. 14,0 до 15,0 включ. | 3,0 | +1,0 | 26,0 | |||||||
Св. 15,0 до 16,0 включ. | 28,0 | ||||||||||
Св. 16,0 до 20,0 включ. | 34,0 | ||||||||||
Примечание - Соединение ТС4 применяют в диапазоне толщин от 1,5 до 4,0 мм, а ТС5 - от 4,0 до 20,0 мм. | |||||||||||
Условное обозначение сварного соединения | Конструктивные элементы | Способ сварки | S = S1, мм | b, мм | c, мм | g, мм | e, мм | |||
подготовленных кромок под сварку | шва сварного соединения | номинальное значение | предельное отклонение | номинальное значение | предельное отклонение | |||||
ТС6 | ![]() | ![]() | 51 52 | Св. 2,0 до 4,0 включ. | 2,5+1,5 | 0,5+0,3 | 1,0 | +0,5 | 13,0 | +2,0 |
Св. 4,0 до 5,0 включ. | 1,0+0,3 | 2,0 | +1,0 | 14,0 | +3,0 | |||||
Св. 5,0 до 7,0 включ. | 15,0 | |||||||||
Св. 7,0 до 9,0 включ. | 17,0 | |||||||||
Св. 9,0 до 10,0 включ. | 20,0 | |||||||||
Св. 10,0 до 13,0 включ. | 3,0 | 24,0 | +4,0 | |||||||
Св. 13,0 до 16,0 включ. | 27,0 | |||||||||
Св. 16,0 до 18,0 включ. | 30,0 | |||||||||
Св. 18,0 до 20,0 включ. | 34,0 | |||||||||
Условное обозначение сварного соединения | Конструктивные элементы | Способ сварки | S = S1, мм | b, мм | c, мм | g, мм | g1, мм | e, мм | ||||
подготовленных кромок под сварку | шва сварного соединения | номинальное значение | предельное отклонение | номинальное значение | предельное отклонение | номинальное значение | предельное отклонение | |||||
ТС7 | ![]() | ![]() | 51 52 | Св. 4,0 до 8,0 включ. | 0+0,1 | 1,0 - 5,5 | 1,5 | +0,5 | 0 | +2,0 -1,6 | 10,0 | +2,0 |
Св. 8,0 до 10,0 включ. | 2,0 | +1,0 | +2,0 -1,1 | 12,0 | +3,0 | |||||||
Св. 10,0 до 12,0 включ. | 14,0 | |||||||||||
Св. 12,0 до 15,0 включ. | 15,0 | |||||||||||
Св. 15,0 до 18,0 включ. | 2,5 | 16,0 | ||||||||||
Св. 18,0 до 20,0 включ. | 20,0 | |||||||||||
Примечание - Размер e1 не контролируют. | ||||||||||||
Условное обозначение сварного соединения | Конструктивные элементы | Способ сварки | S = S1, мм | b, мм | c, мм | g, мм | g1, мм | e, мм | |||
подготовленных кромок под сварку | шва сварного соединения | номинальное значение | предельное отклонение | номинальное значение | предельное отклонение | ||||||
ТС8 | ![]() | ![]() | 51 52 | Св. 6,0 до 7,0 включ. | 0+0,3 | 1,5+0,5 | 2,0+1,0 | 0 | +2,0 -1,6 | 18,0 | +3,0 |
Св. 7,0 до 9,0 включ. | 19,0 | +4,0 | |||||||||
Св. 9,0 до 10,0 включ. | 3,0+1,0 | +2,0 -1,1 | 20,0 | ||||||||
Св. 10,0 до 12,0 включ. | 21,0 | ||||||||||
Св. 12,0 до 14,0 включ. | 23,0 | ||||||||||
Св. 14,0 до 16,0 включ. | 26,0 | ||||||||||
Св. 16,0 до 18,0 включ. | 28,0 | ||||||||||
Св. 18,0 до 20,0 включ. | 30,0 | ||||||||||
Примечание - Размер e1 не контролируют. | |||||||||||
Условное обозначение сварного соединения | Конструктивные элементы | Способ сварки | S = S1, мм | b, мм | c, мм | g, мм | g1, мм | e, мм | e1, мм | |
подготовленных кромок под сварку | шва сварного соединения | |||||||||
ТС9 | ![]() | ![]() | 51 52 | Св. 6,0 до 7,0 включ. | 1,5+1,0 | 1,0 +/- 0,3 | 2,0+1,0 | 1,5 +/- 0,5 | 13,0+4,0 | 4,0 +/- 1,0 |
Св. 7,0 до 9,0 включ. | 17,0+4,0 | |||||||||
Св. 9,0 до 10,0 включ. | 20,0+4,0 | |||||||||
Св. 10,0 до 12,0 включ. | 3,0+1,0 | 24,0+4,0 | ||||||||
Св. 12,0 до 14,0 включ. | 26,0+4,0 | |||||||||
Св. 14,0 до 16,0 включ. | 28,0+4,0 | |||||||||
Св. 16,0 до 18,0 включ. | 30,0+4,0 | |||||||||
Св. 18,0 до 20,0 включ. | 34,0+4,0 | |||||||||
Условное обозначение сварного соединения | Конструктивные элементы | Способ сварки | S1, мм | b, мм | c, мм | S2, мм | g, мм | e, мм | ||||
подготовленных кромок под сварку | шва сварного соединения | номинальное значение | предельное отклонение | номинальное значение | предельное отклонение | номинальное значение | предельное отклонение | |||||
ТС12 | ![]() | ![]() | 51 52 | Св. 2,0 до 4,0 включ. | 2,5+0,3 | 0,5+0,5 | S1 - 0,5 | +/- 0,3 | 1,0 | +0,5 | 13,0 | +2,0 |
Св. 4,0 до 5,0 включ. | 1,0+0,5 | S1 - 1,0 | 2,0 | +1,0 | 14,0 | +3,0 | ||||||
Св. 6,0 до 7,0 включ. | 15,0 | |||||||||||
Св. 7,0 до 9,0 включ. | 17,0 | |||||||||||
Св. 9,0 до 10,0 включ. | 20,0 | |||||||||||
Св. 10,0 до 12,0 включ. | 3,0 | 24,0 | ||||||||||
Св. 12,0 до 14,0 включ. | 26,0 | +4,0 | ||||||||||
Св. 14,0 до 16,0 включ. | 28,0 | |||||||||||
Св. 16,0 до 18,0 включ. | 30,0 | |||||||||||
Св. 18,0 до 20,0 включ. | 34,0 | |||||||||||
Условное обозначение сварного соединения | Конструктивные элементы | Способ сварки | S = S1, мм | b, мм | c, мм | g, мм | e, мм | ||
подготовленных кромок под сварку | шва сварного соединения | номинальное значение | предельное отклонение | ||||||
ТС14 | ![]() | ![]() | 51 52 | Св. 2,0 до 2,5 включ. | Не более 0,1 | 11,5+0,2 | 11,0+0,5 | 10,0 | +2,0 |
Св. 2,5 до 3,5 включ. | 11,0 | +3,0 | |||||||
Св. 3,5 до 6,0 включ. | 12,0 | ||||||||
Примечания 1 Соединение применяют при Ду не менее 10,0 мм. 2 Размер e1 не контролируют. | |||||||||
Условное обозначение сварного соединения | Конструктивные элементы | Способ сварки | Dн, мм | S1, мм | b, мм | g, мм | g1, мм | g2, мм | |
подготовленных кромок под сварку | шва сварного соединения | ||||||||
ТУ1 | ![]() | ![]() | 51 52 60 | Св. 10,0 до 22,0 включ. | Св. 0,6 до 1,0 включ. | 0+1,0 | 1,0+0,5 | Не более 0,3 | Не более 0,5 |
Св. 1,0 до 1,5 включ. | 1,5+0,5 | ||||||||
Св. 1,5 до 2,0 включ. | 2,0+0,5 | Не более 1,5 | |||||||
Св. 2,0 | 2,5+0,5 | ||||||||
Примечание - Размер e не контролируют. | |||||||||
Условное обозначение сварного соединения | Конструктивные элементы | Способ сварки | Dн, мм | S1, мм | b, мм | g, мм | g1, мм | ||
подготовленных кромок под сварку | шва сварного соединения | номинальное значение | предельное отклонение | ||||||
ТУ2 | ![]() | ![]() | 51 52 60 | Св. 5,0 до 18,0 включ. | Св. 1,0 до 2,0 включ. | 0+1,0 | 2,0 | -0,1 | 0 |
Св. 18,0 до 22,0 включ. | Св. 2,0 до 2,5 включ. | 3,0 | +1,0 -0,3 | ||||||
Примечания 1 При Dн от 5,0 до 8,0 мм включительно допускается не выполнять фаску 0,3 мм. 2 Размер e не контролируют. | |||||||||
Условное обозначение сварного соединения | Конструктивные элементы | Способ сварки | Dн, мм | S, мм | b, мм | g, мм | ||
подготовленных кромок под сварку | шва сварного соединения | номинальное значение | предельное отклонение | |||||
ТУ3 | ![]() | ![]() | 51 52 60 | Св. 8,0 до 18,0 включ. | 1,5 | 0+0,1 | 0,9 | +0,3 -0,1 |
Примечание - Размер e не контролируют. | ||||||||
Условное обозначение сварного соединения | Конструктивные элементы | Способ сварки | S1, мм | b, мм | e, мм | e1, мм | |||
подготовленных кромок под сварку | шва сварного соединения | номинальное значение | предельное отклонение | номинальное значение | предельное отклонение | ||||
ТУ4 | ![]() | ![]() | 51 52 | Св. 1,5 до 3,0 включ. | 0+0,3 | 4,0 | +1,0 | 6,0 | +1,0 |
Св. 3,0 до 4,0 включ. | 5,0 | +2,0 | 8,0 | ||||||
Св. 4,0 до 5,0 включ. | 7,0 | 11,0 | |||||||
Св. 5,0 до 6,0 включ. | 8,0 | 12,0 | +2,0 | ||||||
Св. 6,0 до 8,0 включ. | 10,0 | 14,0 | |||||||
Св. 8,0 до 10,0 включ. | 13,0 | +3,0 | 15,0 | +3,0 | |||||
Примечание - h = S - 0,5 мм. | |||||||||
Условное обозначение сварного соединения | Конструктивные элементы | Способ сварки | S, мм | b, мм | e, мм | e1, мм | ||
подготовленных кромок под сварку | шва сварного соединения | номинальное значение | предельное отклонение | |||||
ТУ8 | ![]() | ![]() | 51 52 | Св. 2,0 до 3,0 включ. | 0 | +0,5 | 3,0 | S |
4,0 | ||||||||
Св. 3,0 до 4,0 включ. | 6,0 | |||||||
Св. 4,0 до 6,0 включ. | ||||||||
Св. 6,0 до 20,0 включ. | +0,1 | 7,0 | 7,0 | |||||
Примечание - Допускается выполнять шов без скоса кромок. | ||||||||
Условное обозначение сварного соединения | Конструктивные элементы | Способ сварки | Dн, мм | S, мм | b, мм | h, мм | e1, мм | e2, мм | ||
подготовленных кромок под сварку | шва сварного соединения | номинальное значение | предельное отклонение | |||||||
ТУ10 | ![]() | ![]() | 51 52 60 | Св. 6,0 до 12,0 включ. | Св. 1,0 до 1,5 включ. | 0 | +0,5 | Св. 2,0 до 5,0 включ. | Св. 2,0 до 3,0 включ. | Св. 1,5 до 4,0 включ. |
Св. 12,0 до 22,0 включ. | Св. 1,5 до 2,0 включ. | +0,1 | Св. 5,0 до 7,0 включ. | Св. 3,0 до 4,0 включ. | Св. 4,0 до 5,0 включ. | |||||
Условное обозначение сварного соединения | Конструктивные элементы | Способ сварки | S = S1, мм | b, мм | R, мм | i, мм | e, мм, не более | g, мм | |||
подготовленных кромок свариваемых деталей | шва сварного соединения | номинальное значение | предельное отклонение | номинальное значение | предельное отклонение | ||||||
С1 | ![]() | ![]() | 52 | 0,8 - 1,0 | 0 | +0,1 | От S до 2,5S | От S до 2,5S | 7,0 | 0,8 | +/- 0,5 |
1,5 | +0,2 | 10,0 | 1,0 | ||||||||
2,0 | 1,5 | +/- 1,0 | |||||||||
Примечания 1 Звездочкой отмечена справочная информация. 2 Отбортовку кромок свариваемых деталей из термоупрочняемых сплавов марок АВ и САВ-1 выполняют до термообработки. | |||||||||||
Условное обозначение сварного соединения | Конструктивные элементы | Способ сварки | S = S1, мм | b, мм | e, мм, не более | g, мм | |||
подготовленных кромок свариваемых деталей | шва сварного соединения | номинальное значение | предельное отклонение | номинальное значение | предельное отклонение | ||||
С2 | ![]() | ![]() | 52 | 0,8 - 1,0 | 0 | +0,5 | 7,0 | 0,8 | +/- 0,5 |
2,5 | 10,0 | ||||||||
4,0 | +1,0 | 12,0 | 1,0 | ||||||
53 | 4,0 - 6,0 | 14,0 | |||||||
8,0 | 19,0 | 2,0 | +/- 1,0 | ||||||
10,0 | 21,0 | ||||||||
12,0 | +2,0 | 23,0 | |||||||
Условное обозначение сварного соединения | Конструктивные элементы | Способ сварки | S = S1, мм | b, мм | e, мм, не более | g, мм | |||
подготовленных кромок свариваемых деталей | шва сварного соединения | номинальное значение | предельное отклонение | номинальное значение | предельное отклонение | ||||
С4 | ![]() | ![]() | 52 | 0,8 - 1,0 | 0 | +0,5 | 7,0 | 0,8 | +/- 0,5 |
2,0 | 10,0 | ||||||||
4,0 | +1,0 | 12,0 | 1,0 | ||||||
5,0 | 14,0 | ||||||||
2,0 | +/- 1,0 | ||||||||
53 | 3,0 - 6,0 | ||||||||
8,0 | 16,0 | ||||||||
10,0 | 18,0 | ||||||||
12,0 | 20,0 | ||||||||
Условное обозначение сварного соединения | Конструктивные элементы | Способ сварки | S = S1, мм | b, мм | e, мм, не более | g, мм | |||
подготовленных кромок свариваемых деталей | шва сварного соединения | номинальное значение | предельное отклонение | номинальное значение | предельное отклонение | ||||
С7 | ![]() | ![]() | 52 | 2,0 - 3,0 | 0 | +1,0 | 10,0 | 1,0 | +/- 0,5 |
4,0 | +1,5 | 12,0 | |||||||
6,0 | |||||||||
8,0 | 16,0 | 2,0 | +/- 1,0 | ||||||
10,0 | +2,0 | 19,0 | |||||||
53 | 6,0 | +1,5 | 12,0 | 1,0 | +/- 0,5 | ||||
8,0 | 14,0 | 2,0 | +/- 1,0 | ||||||
10,0 | 16,0 | ||||||||
12,0 | 18,0 | ||||||||
Условное обозначение сварного соединения | Конструктивные элементы | Способ сварки | S = S1, мм | b, мм | c, мм | e, мм | g, мм | ||||
подготовленных кромок свариваемых деталей | шва сварного соединения | номинальное значение | предельное отклонение | номинальное значение | предельное отклонение | номинальное значение | предельное отклонение | ||||
С17 | ![]() | ![]() | 52 | 4,0 - 6,0 | 0 | +1,0 | 2,0 +/- 1 | 12,0 | +/- 2,0 | 2,0 | +/- 1,0 |
8,0 | 14,0 | ||||||||||
10,0 | +2,0 | 17,0 | |||||||||
12,0 | 20,0 | ||||||||||
14,0 | 23,0 | +/- 3,0 | 3,0 | ||||||||
16,0 | 26,0 | ||||||||||
18,0 | 29,0 | ||||||||||
20,0 | 30,0 | ||||||||||
53 | 10,0 - 12,0 | 4,0 +/- 1 | 18,0 | +/- 2,0 | 4,0 | +1,0 -2,0 | |||||
14,0 | 20,0 | ||||||||||
16,0 | 22,0 | +/- 3,0 | |||||||||
18,0 | 24,0 | ||||||||||
20,0 | 27,0 | ||||||||||
22,0 | 30,0 | ||||||||||
24,0 | 33,0 | ||||||||||
26,0 | 36,0 | 5,0 | |||||||||
28,0 | 39,0 | ||||||||||
30,0 | 40,0 | ||||||||||
Условное обозначение сварного соединения | Конструктивные элементы | Способ сварки | S = S1, мм | c, мм | e, мм | g, мм | b, мм | ||||
подготовленных кромок свариваемых деталей | шва сварного соединения | номинальное значение | предельное отклонение | номинальное значение | предельное отклонение | номинальное значение | предельное отклонение | ||||
С18 | ![]() | ![]() | 52 | 4,0 - 6,0 | 2,0 +/- 1 | 12,0 | +/- 2,0 | 2,0 | +/- 1,0 | 0 | +2,0 |
8,0 | 14,0 | ||||||||||
10,0 | 17,0 | ||||||||||
12,0 | 20,0 | ||||||||||
14,0 | 23,0 | +/- 3,0 | 3,0 | ||||||||
16,0 | 26,0 | ||||||||||
18,0 | 29,0 | ||||||||||
20,0 | 30,0 | ||||||||||
53 | 10,0 - 12,0 | 4,0 +/- 1 | 18,0 | +/- 2,0 | 4,0 | +1,0 -2,0 | |||||
14,0 | 20,0 | ||||||||||
16,0 | 22,0 | ||||||||||
18,0 | 24,0 | ||||||||||
20,0 | 27,0 | +/- 3,0 | |||||||||
22,0 | 30,0 | ||||||||||
24,0 | 33,0 | ||||||||||
26,0 | 36,0 | ||||||||||
28,0 | 39,0 | ||||||||||
30,0 | 42,0 | ||||||||||
Условное обозначение сварного соединения | Конструктивные элементы | Способ сварки | S = S1, мм | b, мм | c, мм | e, мм | e1, мм | g, мм | ||||
подготовленных кромок свариваемых деталей | шва сварного соединения | номинальное значение | предельное отклонение | номинальное значение | предельное отклонение | номинальное значение | предельное отклонение | |||||
С21 | ![]() | ![]() | 52 | 6,0 | 0 | +1,0 | 2,0 +/- 1 | 12,0 | +/- 2,0 | 10,0 +/- 2 | 2,0 | +/- 1,0 |
8,0 | 14,0 | |||||||||||
10,0 | +2,0 | 3,0 +/- 1 | 16,0 | |||||||||
12,0 | 19,0 | +/- 3,0 | 14,0 +/- 2 | 3,0 | ||||||||
14,0 | 22,0 | |||||||||||
16,0 | 25,0 | |||||||||||
18,0 | 28,0 | |||||||||||
20,0 | 31,0 | |||||||||||
20,0 - 23,0 | 5,0 +/- 1 | 36,0 | ||||||||||
26,0 | 40,0 | 15,0 +/- 2 | 5,0 | +1,0 -2,0 | ||||||||
30,0 | 44,0 | |||||||||||
53 | 10,0 - 12,0 | 18,0 | +/- 2,0 | 4,0 | ||||||||
14,0 | 20,0 | +/- 3,0 | ||||||||||
17,0 | 8,0 +/- 1 | 23,0 | ||||||||||
20,0 | 27,0 | |||||||||||
23,0 | 31,0 | |||||||||||
26,0 | 36,0 | 5,0 | ||||||||||
30,0 | 42,0 | |||||||||||
Условное обозначение сварного соединения | Конструктивные элементы | Способ сварки | S = S1, мм | c, мм | e, мм | e1, мм | g, мм | g1, мм | b, мм | ||||
подготовленных кромок свариваемых деталей | шва сварного соединения | номинальное значение | предельное отклонение | номинальное значение | предельное отклонение | номинальное значение | предельное отклонение | ||||||
С23 | ![]() | ![]() | 52 | 12,0 - 14,0 | 3,0 +/- 1 | 27,0 +/- 3 | 13,0 +/- 2 | 3,0 | +/- 1,0 | 2,0 | +/- 1,0 | 0 | +/- 2,0 |
17,0 | 28,0 +/- 3 | ||||||||||||
20,0 | 29,0 +/- 3 | ||||||||||||
23,0 | 30,0 +/- 3 | ||||||||||||
26,0 | 31,0 +/- 3 | 15,0 +/- 2 | 4,0 | 3,0 | |||||||||
30,0 | 32,0 +/- 3 | ||||||||||||
53 | 12,0 - 14,0 | 5,0 +/- 1 | 27,0 +/- 3 | 13,0 +/- 2 | +1,0 -2,0 | +/- 2,0 | |||||||
17,0 | 8,0 +/- 1 | ||||||||||||
20,0 | 28,0 +/- 3 | ||||||||||||
23,0 | 29,0 +/- 3 | ||||||||||||
26,0 | 15,0 +/- 2 | 5,0 | 4,0 | ||||||||||
30,0 | 30,0 +/- 3 | ||||||||||||
Условное обозначение сварного соединения | Конструктивные элементы | Способ сварки | S = S1, мм | c, мм | H, мм | e, мм | g, мм | b, мм | |||
подготовленных кромок свариваемых деталей | шва сварного соединения | номинальное значение | предельное отклонение | номинальное значение | предельное отклонение | ||||||
С25 | ![]() | ![]() | 52 | 12,0 - 14,0 | 3,0 +/- 1 | 5,0 +/- 1,5 | 17,0 +/- 3 | 3,0 | +/- 1,0 | 0 | +2,0 |
17,0 | 7,0 +/- 1,5 | 19,0 +/- 3 | |||||||||
20,0 | 9,0 +/- 1,5 | 21,0 +/- 3 | |||||||||
23,0 | 10,0 +/- 1,5 | 23,0 +/- 3 | |||||||||
26,0 | 11,0 +/- 1,5 | 25,0 +/- 3 | 4,0 | ||||||||
30,0 | 13,0 +/- 1,5 | 27,0 +/ -3 | |||||||||
53 | 12,0 - 14,0 | 5,0 +/- 1 | 4,0 +/- 1,5 | 15,0 +/- 3 | +1,0 -2,0 | ||||||
17,0 | 8,0 +/- 1 | 6,0 +/- 1,5 | 17,0 +/- 3 | ||||||||
20,0 | 8,0 +/- 1,5 | 19,0 +/- 3 | |||||||||
23,0 | 9,0 +/- 1,5 | 21,0 +/- 3 | |||||||||
26,0 | 10,0 +/- 1,5 | 23,0 +/- 3 | |||||||||
30,0 | 12,0 +/- 1,5 | 25,0 +/- 3 | |||||||||
Условное обозначение сварного соединения | Конструктивные элементы | Способ сварки | S, мм | b, мм | e, мм | |||
подготовленных кромок свариваемых деталей | шва сварного соединения | номинальное значение | предельное отклонение | номинальное значение | предельное отклонение | |||
Т1 | ![]() | ![]() | 52 | 1,0 - 2,0 | 0 | +0,5 | 3,0 | +2,0 |
3,0 | +1,0 | |||||||
4,0 | 4,0 | +3,0 | ||||||
52 53 | 8,0 | +2,0 | ||||||
10,0 | 6,0 | +4,0 | ||||||
12,0 | ||||||||
14,0 | ||||||||
16,0 | ||||||||
18,0 | 8,0 | |||||||
20,0 | +5,0 | |||||||
Условное обозначение сварного соединения | Конструктивные элементы | Способ сварки | S, мм | c, мм | e, мм | b, мм | |||
подготовленных кромок свариваемых деталей | шва сварного соединения | номинальное значение | предельное отклонение | номинальное значение | предельное отклонение | ||||
Т2 | ![]() | ![]() | 52 | 16,0 - 18,0 | 2,0 +/- 1,0 | 23,0 | +/- 2,0 | 0 | +2,0 |
20,0 | 24,0 | ||||||||
22,0 | 25,0 | ||||||||
24,0 | 26,0 | ||||||||
26,0 | 27,0 | +/- 3,0 | |||||||
28,0 | 28,0 | ||||||||
30,0 | 29,0 | ||||||||
53 | 16,0 - 18,0 | 4,0 +/- 1,0 | 23,0 | +/- 2,0 | |||||
20,0 | 24,0 | ||||||||
22,0 | 25,0 | ||||||||
24,0 | 26,0 | ||||||||
26,0 | 27,0 | +/- 3,0 | |||||||
28,0 | 28,0 | ||||||||
30,0 | 29,0 | ||||||||
Условное обозначение сварного соединения | Конструктивные элементы | Способ сварки | S, мм | b, мм | e, мм | |||
подготовленных кромок свариваемых деталей | шва сварного соединения | номинальное значение | предельное отклонение | номинальное значение | предельное отклонение | |||
Т3 | ![]() | ![]() | 52 | 1,0 - 2,0 | 0 | +0,5 | 3,0 | +2,0 |
3,0 | +1,0 | |||||||
4,0 | 4,0 | +3,0 | ||||||
52 53 | 8,0 | +2,0 | ||||||
10,0 | 6,0 | +4,0 | ||||||
12,0 | ||||||||
14,0 | ||||||||
16,0 | ||||||||
18,0 | 8,0 | |||||||
20,0 | +5,0 | |||||||
Условное обозначение сварного соединения | Конструктивные элементы | Способ сварки | S, мм | b, мм | c, мм | e, мм | |||
подготовленных кромок свариваемых деталей | шва сварного соединения | номинальное значение | предельное отклонение | номинальное значение | предельное отклонение | ||||
Т6 | ![]() | ![]() | 52 | 4,0 - 6,0 | 0 | +1,0 | 2,0 +/- 1 | 13,0 | +/- 2,0 |
8,0 | 16,0 | ||||||||
10,0 | 19,0 | ||||||||
12,0 | +2,0 | 3,0 +/- 1 | 21,0 | +/- 3,0 | |||||
14,0 | 25,0 | ||||||||
16,0 | 29,0 | ||||||||
18,0 | 33,0 | ||||||||
20,0 | 37,0 | ||||||||
53 | 4,0 - 6,0 | +1,0 | 12,0 | +/- 2,0 | |||||
8,0 | 15,0 | ||||||||
10,0 | 18,0 | ||||||||
12,0 | +2,0 | 21,0 | +/- 3,0 | ||||||
14,0 | 24,0 | ||||||||
16,0 | 5,0 +/- 1 | 27,0 | |||||||
18,0 | 31,0 | ||||||||
20,0 | 35,0 | ||||||||
Условное обозначение сварного соединения | Конструктивные элементы | Способ сварки | S, мм | b, мм | c, мм | e, мм | e1, мм | ||||
подготовленных кромок свариваемых деталей | шва сварного соединения | номинальное значение | предельное отклонение | номинальное значение | предельное отклонение | номинальное значение | предельное отклонение | ||||
Т7 | ![]() | ![]() | 52 | 4,0 - 6,0 | 0 | +1,0 | 2,0 +/- 1 | 3,0 | +3,0 | 13,0 | +/- 2,0 |
8,0 | 4,0 | 16,0 | |||||||||
10,0 | +4,0 | 19,0 | |||||||||
12,0 | 2,0 | 3,0 +/- 1 | 21,0 | +/- 3,0 | |||||||
14,0 | 5,0 | 25,0 | |||||||||
16,0 | 33,0 | ||||||||||
18,0 | +5,0 | 37,0 | |||||||||
53 | 4,0 - 6,0 | 0 | +1,0 | 3,0 | +3,0 | 12,0 | +/- 2,0 | ||||
8,0 | 4,0 | 15,0 | |||||||||
10,0 | +4,0 | 18,0 | |||||||||
12,0 | +2,0 | 21,0 | +/- 3,0 | ||||||||
14,0 | 5,0 | 24,0 | |||||||||
18,0 | 5,0 +/- 1 | 31,0 | |||||||||
20,0 | +5,0 | 35,0 | |||||||||
Условное обозначение сварного соединения | Конструктивные элементы | Способ сварки | S, мм | c, мм | h, мм | e, мм | b, мм | |||
подготовленных кромок свариваемых деталей | шва сварного соединения | номинальное значение | предельное отклонение | номинальное значение | предельное отклонение | |||||
Т8 | ![]() | ![]() | 52 | 12,0 - 14,0 | 3,0 +/- 1 | 5,0 +/- 1 | 18,0 | +/- 2,0 | 0 | +2,0 |
17,0 | 7,0 +/- 1 | 20,0 | ||||||||
20,0 | 9,0 +/- 1 | 22,0 | ||||||||
23,0 | 11,0 +/- 1 | 25,0 | ||||||||
26,0 | 12,0 +/- 1 | 28,0 | +/- 3,0 | |||||||
30,0 | 13,0 +/- 1 | 31,0 | ||||||||
53 | 12,0 - 14,0 | 4,0 +/- 1 | 4,0 +/- 1 | 17,0 | +/- 2,0 | |||||
17,0 | 6,0 +/- 1 | 19,0 | ||||||||
20,0 | 8,0 +/- 1 | 21,0 | ||||||||
23,0 | 10,0 +/- 1 | 23,0 | ||||||||
26,0 | 12,0 +/- 1 | 26,0 | +/- 3,0 | |||||||
30,0 | 14,0 +/- 1 | 29,0 | ||||||||
Условное обозначение сварного соединения | Конструктивные элементы | Способ сварки | S = S1, мм | R, мм | i, мм | e, мм, не более | b, мм | ||
подготовленных кромок свариваемых деталей | шва сварного соединения | номинальное значение | предельное отклонение | ||||||
У1 | ![]() | ![]() | 52 | 1,0 - 1,5 | 2,5 - 3,0 | от S до 2,5S | 5,0 | 0 | +0,1 |
2,0 | 3,0 - 4,5 | 7,0 | |||||||
2,5 | 4,5 - 5,0 | 8,0 | +0,2 | ||||||
<*> Справочная информация. | |||||||||
Условное обозначение сварного соединения | Конструктивные элементы | Способ сварки | S, мм | b, мм | c, мм | e, мм | g, мм | ||||
подготовленных кромок свариваемых деталей | шва сварного соединения | номинальное значение | предельное отклонение | номинальное значение | предельное отклонение | номинальное значение | предельное отклонение | ||||
У6 | ![]() | ![]() | 52 | 4,0 - 6,0 | 0 | +1,0 | 2,0 +/- 1 | 15,0 | +/- 2,0 | 2,0 | +/- 1,0 |
8,0 | 17,0 | ||||||||||
10,0 | +2,0 | 3,0 +/- 1 | 20,0 | ||||||||
12,0 | 23,0 | ||||||||||
14,0 | 26,0 | +/- 3,0 | 3,0 | ||||||||
16,0 | 30,0 | ||||||||||
18,0 | 34,0 | ||||||||||
20,0 | 38,0 | ||||||||||
53 | 6,0 | +1,0 | 15,0 | +/- 2,0 | 2,0 | ||||||
8,0 | 17,0 | ||||||||||
10,0 | +2,0 | 20,0 | |||||||||
12,0 | 23,0 | ||||||||||
14,0 | 27,0 | +/- 3,0 | 4,0 | +/- 2,0 | |||||||
16,0 | 5,0 +/- 1 | 30,0 | |||||||||
18,0 | 33,0 | ||||||||||
20,0 | 37,0 | ||||||||||
Условное обозначение сварного соединения | Конструктивные элементы | Способ сварки | S, мм | b, мм | c, мм | e, мм | e1, мм | g, мм | |||||
подготовленных кромок свариваемых деталей | шва сварного соединения | номинальное значение | предельное отклонение | номинальное значение | предельное отклонение | номинальное значение | предельное отклонение | номинальное значение | предельное отклонение | ||||
У7 | ![]() | ![]() | 52 | 4,0 - 6,0 | 0 | +1,0 | 2,0 +/- 1 | 3,0 | +3,0 | 15,0 | +/- 2,0 | 2,0 | +/- 1,0 |
8,0 | 4,0 | 17,0 | |||||||||||
10,0 | +2,0 | 3,0 +/- 1 | +4,0 | 20,0 | |||||||||
12,0 | 23,0 | ||||||||||||
14,0 | 26,0 | +/- 3,0 | |||||||||||
16,0 | 30,0 | 3,0 | |||||||||||
18,0 | 34,0 | ||||||||||||
20,0 | +5,0 | 38,0 | |||||||||||
53 | 4,0-6,0 | +1,0 | 3,0 | +3,0 | 15,0 | +/- 2,0 | 2,0 | ||||||
8,0 | 4,0 | 17,0 | |||||||||||
10,0 | +2,0 | +4,0 | 20,0 | ||||||||||
12,0 | 23,0 | ||||||||||||
14,0 | 5,0 | 27,0 | +/- 3,0 | ||||||||||
16,0 | 5,0 +/- 1 | 30,0 | 4,0 | +/- 2,0 | |||||||||
18,0 | 33,0 | ||||||||||||
20,0 | +5,0 | 37,0 | |||||||||||
Условное обозначение сварного соединения | Конструктивные элементы | Способ сварки | S, мм | c, мм | h, мм | e, мм | e1, мм, не более | g, мм | g1, мм | b, мм | |||||
подготовленных кромок свариваемых деталей | шва сварного соединения | номинальное значение | предельное отклонение | номинальное значение | предельное отклонение | номинальное значение | предельное отклонение | номинальное значение | предельное отклонение | ||||||
У8 | ![]() | ![]() | 52 | 18,0 - 20,0 | 2,0 +/- 1 | 8,0 +/- 1 | 25 | +/- 2,0 | 23,0 | 3,0 | +/- 1,0 | 5,0 | +/- 2,0 | 0 | +2,0 |
22,0 | 9,0 +/- 1 | 27 | 25,0 | ||||||||||||
24,0 | 10,0 +/- 1 | 29 | 27,0 | ||||||||||||
26,0 | 11,0 +/- 1 | 31 | 29,0 | ||||||||||||
+/- 3,0 | 4,0 | 10,0 | +/- 3,0 | ||||||||||||
28,0 | 12,0 +/- 1 | 33 | 31,0 | ||||||||||||
30,0 | 13,0+/-1 | 35 | 33,0 | +1,0 -2,0 | |||||||||||
53 | 18,0 - 20,0 | 4,0 +/- 1 | 7,0 +/- 1 | 22 | +/- 2,0 | 23,0 | 6,0 | ||||||||
22,0 | 8,0 +/- 1 | 24 | 25,0 | ||||||||||||
24,0 | 9,0 +/- 1 | 26 | +/- 3,0 | 27,0 | 5,0 | 10,0 | +/- 4,0 | ||||||||
26,0 | 10,0 +/- 1 | 28 | 29,0 | ||||||||||||
28,0 | 11,0 +/- 1 | 30 | 31,0 | ||||||||||||
30,0 | 12,0 +/- 1 | 32 | 33,0 | ||||||||||||
Условное обозначение сварного соединения | Конструктивные элементы | Способ сварки | S, мм | c, мм | e, мм | g, мм | b, мм | ||||
подготовленных кромок свариваемых деталей | шва сварного соединения | номинальное значение | предельное отклонение | номинальное значение | предельное отклонение | номинальное значение | предельное отклонение | ||||
У9 | ![]() | ![]() | 52 | 18,0 - 20,0 | 2,0 +/- 1 | 34,0 | +/- 2,0 | 3,0 | +/- 1,0 | 0 | +2,0 |
22,0 | 37,0 | ||||||||||
24,0 | 40,0 | ||||||||||
26,0 | 43,0 | +/- 3,0 | 4,0 | +1,0 -2,0 | |||||||
28,0 | 45,0 | ||||||||||
30,0 | 48,0 | ||||||||||
53 | 18,0 - 20,0 | 4,0 +/- 1 | 30,0 | +/- 2,0 | |||||||
22,0 | 33,0 | ||||||||||
24,0 | 36,0 | ||||||||||
26,0 | 39,0 | +/- 3,0 | 5,0 | ||||||||
28,0 | 42,0 | ||||||||||
30,0 | 45,0 | ||||||||||
Условное обозначение сварного соединения | Конструктивные элементы | Способ сварки | S, мм | c, мм | e, мм | g, мм | b, мм | ||||
подготовленных кромок свариваемых деталей | шва сварного соединения | номинальное значение | предельное отклонение | номинальное значение | предельное отклонение | номинальное значение | предельное отклонение | ||||
У10 | ![]() | ![]() | 52 | 12,0 - 14,0 | 2,0 +/- 1 | 25,0 | +/- 2,0 | 2,0 | +/- 1,0 | 0 | +2,0 |
16,0 | 28,0 | ||||||||||
18,0 | 31,0 | 3,0 | |||||||||
20,0 | 34,0 | ||||||||||
22,0 | 37,0 | ||||||||||
24,0 | 40,0 | ||||||||||
26,0 | 43,0 | +/- 3,0 | 4,0 | ||||||||
28,0 | 45,0 | ||||||||||
30,0 | 48,0 | ||||||||||
53 | 12,0 - 14,0 | 4,0 +/- 1 | 22,0 | +/- 2,0 | +1,0 -2,0 | ||||||
16,0 | 24,0 | ||||||||||
18,0 | 27,0 | ||||||||||
20,0 | 30,0 | ||||||||||
22,0 | 33,0 | ||||||||||
24,0 | 36,0 | ||||||||||
26,0 | 39,0 | +/- 3,0 | 5,0 | ||||||||
28,0 | 42,0 | ||||||||||
30,0 | 45,0 | ||||||||||
Условное обозначение сварного соединения | Конструктивные элементы | Способ сварки | S, мм | c, мм | e, мм | g, мм | |||
подготовленных кромок свариваемых деталей | шва сварного соединения | номинальное значение | предельное отклонение | номинальное значение | предельное отклонение | ||||
У11 | ![]() | ![]() | 52 | 16,0 - 18,0 | 2,0 +/- 1 | 25,0 | +/- 2,0 | 3,0 | +/- 1,0 |
20,0 | 26,0 | ||||||||
22,0 | 27,0 | ||||||||
24,0 | 28,0 | ||||||||
26,0 | 29,0 | +/- 3,0 | 4,0 | ||||||
28,0 | 30,0 | ||||||||
30,0 | 32,0 | ||||||||
53 | 16,0 - 18,0 | 4,0 +/- 1 | 25,0 | +/- 2,0 | +1,0 -2,0 | ||||
20,0 | 26,0 | ||||||||
22,0 | 27,0 | ||||||||
24,0 | 28,0 | ||||||||
26,0 | 29,0 | +/- 3,0 | 5,0 | ||||||
28,0 | 30,0 | ||||||||
30,0 | 32,0 | ||||||||
Условное обозначение сварного соединения | Конструктивные элементы | Способ сварки | S, мм | e, мм | g, мм | |||
подготовленных кромок свариваемых деталей | шва сварного соединения | номинальное значение | предельное отклонение | номинальное значение | предельное отклонение | |||
У15 | ![]() | ![]() | 52 | 4,0 | 16,0 | +/- 3,0 | 7,0 | +3,0 -2,0 |
6,0 | 19,0 | 8,0 | ||||||
8,0 | 22,0 | 10,0 | ||||||
10,0 | 26,0 | +/- 4,0 | 12,0 | +/- 3,0 | ||||
12,0 | 30,0 | 14,0 | ||||||
14,0 | 34,0 | +/- 5,0 | 16,0 | +4,0 -3,0 | ||||
16,0 | 38,0 | 18,0 | ||||||
18,0 | 42,0 | 20,0 | ||||||
20,0 | 46,0 | +/- 6,0 | 22,0 | +/- 4,0 | ||||

D, мм | Sк, мм | B, мм | b, мм, не более | |
номинальное значение | предельное отклонение | |||
До 75,0 включ. | 2,0 | +/- 0,2 | 16,0 - 20,0 | 0,2 |
Св. 75,0 до 150,0 включ. | 2,5 | 20,0 - 24,0 | 0,3 | |
Св. 150,0 до 300,0 включ. | 3,0 | 20,0 - 24,0 | 0,4 | |
Св. 300,0 | 4,0 | 24,0 - 30,0 | 0,5 | |

S, мм | L, мм, не менее |
От 1,0 до 4,0 включ. | 10,0 |
Св. 4,0 до 8,0 включ. | 15,0 |
Св. 8,0 до 15,0 включ. | 20,0 |
Св. 15,0 до 25,0 включ. | 25,0 |
Св. 25,0 до 40,0 включ. | 30,0 |
Св. 40,0 до 60,0 включ. | 35,0 |
Св. 60,0 до 80,0 включ. | 40,0 |
Св. 80,0 | 50,0 |


D, мм | Sк, мм |
До 75,0 включ. | 2,0 +/- 0,2 |
Св. 75,0 до 150,0 включ. | 2,5 +/- 0,2 |
Св. 150,0 | 3,0 +/- 0,2 |
Толщина тонкой детали, мм | Разность толщины деталей, мм |
От 2,0 до 3,0 включ. | 0,5 |
Св. 3,0 до 5,0 включ. | 1,0 |
Св. 5,0 до 12,0 включ. | 1,2 |
Св. 12,0 до 15,0 включ. | 1,5 |
Св. 15,0 до 30,0 | 3,0 |

Толщина тонкой детали, мм | Разность толщины деталей, мм | ||
без скоса кромок | симметричное | несимметричное | |
От 1,0 до 4,0 включ. | 0,3 | 1,0 | 1,0 |
Св. 4,0 до 8,0 включ. | 0,6 | 2,0 | 1,5 |
Св. 8,0 до 10,0 включ. | 1,0 | ||
Св. 10,0 до 22,0 включ. | 3,0 | 4,0 | 3,0 |
Св. 22,0 до 30,0 включ. | 4,0 | 3,0 | |
Св. 30,0 до 40,0 включ. | 6,0 | 4,0 | |
Св. 40,0 | - | ||
Для соединений, выполненных способом сварки 60 | 4,0 | 6,0 | 4,0 |

Размер трубы | Значения раздачи | |||
группа I | группа II | |||
Dвн | Dр | Dвн | Dр | |
10,0 x 2,0 | 5,7 - 6,0 | 7,0 | 6,0 - 6,3 | 7,5 |
14,0 x 2,0 | 9,4 - 10,0 | 11,0 | 10,0 - 10,6 | 11,5 |
14,0 x 2,5 | 7,8 - 8,4 | 9,4 | 9,0 - 9,6 | 10,6 |
22,0 x 2,0 | 16,9 - 18,0 | 19,5 | 18,0 - 19,1 | 20,7 |
22,0 x 2,5 | 13,5 - 15,00 | 16,6 | 15,0 - 16,5 | 18,1 |
25,0 x 2,0 | 20,4 - 21,0 | 22,0 | 21,0 - 21,6 | 22,4 |
25,0 x 2,5 | 18,8 - 20,0 | 21,6 | 20,0 - 21,5 | 22,8 |
28,0 x 4,0 | 18,5 - 20,0 | 21,6 | 20,0 - 21,5 | 23,1 |
32,0 x 2,5 | 25,7 - 27,0 | 28,6 | 27,0 - 28,2 | 29,8 |
32,0 x 3,0 | 25,1 - 26,0 | 27,5 | 26,0 - 26,9 | 28,2 |
38,0 x 3,0 | 30,5 - 32,0 | 33,6 | 32,0 - 33,6 | 35,1 |
45,0 x 2,5 | 38,5 - 40,0 | 41,6 | 40,0 - 41,6 | 43,1 |
45,0 x 3,0 | 37,4 - 39,0 | 40,6 | 39,0 - 40,6 | 42,2 |
56,0 x 3,0 | 48,2 - 50,0 | 51,6 | 50,0 - 51,8 | 53,4 |
56,0 x 4,0 | 46,1 - 48,0 | 49,5 | 48,0 - 49,9 | 51,5 |
70,0 x 3,5 | 61,0 - 63,0 | 64,6 | 63,0 - 64,9 | 66,5 |
70,0 x 4,0 | 60,0 - 62,0 | 63,6 | 62,0 - 64,0 | 65,6 |
76,0 x 4,0 | 65,9 - 68,0 | 69,6 | 68,0 - 70,1 | 71,7 |
Dвн, мм | Ширина кольца B, мм | Толщина кольца, Sк, мм |
До 70,0 включ. | 12,0 | 2,5 + 0,2 |
Св. 70,0 до 100,0 включ. | 14,0 | 5,0 + 0,3 |
Св. 100,0 | 18,0 | 7,0 + 0,3 |
Примечание - Диаметр кольца равен . | ||
Федеральные нормы и правила в области использования атомной энергии НП-089-15 | Правила устройства и безопасной эксплуатации оборудования и трубопроводов атомных энергетических установок | |
Федеральные нормы и правила в области использования атомной энергии НП-104-18 | Сварка и наплавка оборудования и трубопроводов атомных энергетических установок | |
Сводный перечень документов по стандартизации в области использования атомной энергии | ||
УДК 621.791.006.354 | ОКС 25.200 |
Ключевые слова: типы сварных соединений, перлитный класс, аустенитный класс, титановый сплав, алюминиевый сплав, конструктивные формы | |