Главная // Актуальные документы // ГОСТ Р (Государственный стандарт)
СПРАВКА
Источник публикации
М.: ФГБУ "Институт стандартизации", 2022
Примечание к документу
Документ введен в действие с 01.12.2022.
Название документа
"ГОСТ Р 70313-2022. Национальный стандарт Российской Федерации. Дороги автомобильные общего пользования. Мостовые сооружения. Правила устройства лестничных сходов и эксплуатационных обустройств"
(утв. и введен в действие Приказом Росстандарта от 14.11.2022 N 1276-ст)

"ГОСТ Р 70313-2022. Национальный стандарт Российской Федерации. Дороги автомобильные общего пользования. Мостовые сооружения. Правила устройства лестничных сходов и эксплуатационных обустройств"
(утв. и введен в действие Приказом Росстандарта от 14.11.2022 N 1276-ст)


Содержание


Утвержден и введен в действие
Приказом Федерального
агентства по техническому
регулированию и метрологии
от 14 ноября 2022 г. N 1276-ст
НАЦИОНАЛЬНЫЙ СТАНДАРТ РОССИЙСКОЙ ФЕДЕРАЦИИ
ДОРОГИ АВТОМОБИЛЬНЫЕ ОБЩЕГО ПОЛЬЗОВАНИЯ
МОСТОВЫЕ СООРУЖЕНИЯ
ПРАВИЛА УСТРОЙСТВА ЛЕСТНИЧНЫХ СХОДОВ
И ЭКСПЛУАТАЦИОННЫХ ОБУСТРОЙСТВ
Automobile roads of general use. Bridge constructions.
The rules for construction of stairways
and operational arrangements
ГОСТ Р 70313-2022
ОКС 93.040
Дата введения
1 декабря 2022 года
Предисловие
1 РАЗРАБОТАН Обществом с ограниченной ответственностью "Транспортный инжиниринг и строительство" (ООО "ТИиС")
2 ВНЕСЕН Техническим комитетом по стандартизации ТК 418 "Дорожное хозяйство"
3 УТВЕРЖДЕН И ВВЕДЕН В ДЕЙСТВИЕ Приказом Федерального агентства по техническому регулированию и метрологии от 14 ноября 2022 г. N 1276-ст
4 ВВЕДЕН ВПЕРВЫЕ
Правила применения настоящего стандарта установлены в статье 26 Федерального закона от 29 июня 2015 г. N 162-ФЗ "О стандартизации в Российской Федерации". Информация об изменениях к настоящему стандарту публикуется в ежегодном (по состоянию на 1 января текущего года) информационном указателе "Национальные стандарты", а официальный текст изменений и поправок - в ежемесячном информационном указателе "Национальные стандарты". В случае пересмотра (замены) или отмены настоящего стандарта соответствующее уведомление будет опубликовано в ближайшем выпуске ежемесячного информационного указателя "Национальные стандарты". Соответствующая информация, уведомление и тексты размещаются также в информационной системе общего пользования - на официальном сайте Федерального агентства по техническому регулированию и метрологии в сети Интернет (www.rst.gov.ru)
1 Область применения
Настоящий стандарт распространяется на лестничные сходы и эксплуатационные обустройства мостовых сооружений, расположенных на автомобильных дорогах общего пользования (далее - автомобильные дороги), и устанавливает требования к правилам их устройства при проектировании нового строительства, реконструкции, капитального ремонта или ремонта мостовых сооружений.
Требования стандарта распространяются на мостовые сооружения, предназначенные для эксплуатации в любых климатических условиях и в районах с расчетной сейсмичностью до 9 баллов включительно.
2 Нормативные ссылки
В настоящем стандарте использованы нормативные ссылки на следующие документы:
ГОСТ 535 Прокат сортовой и фасонный из стали углеродистой обыкновенного качества. Общие технические условия
ГОСТ 8696 Трубы стальные электросварные со спиральным швом общего назначения. Технические условия
ГОСТ 9238 Габариты железнодорожного подвижного состава и приближения строений
ГОСТ 10704 Трубы стальные электросварные прямошовные. Сортамент
ГОСТ 10706 Трубы стальные электросварные прямошовные. Технические требования
ГОСТ 13015 Изделия бетонные и железобетонные для строительства. Общие технические требования. Правила приемки, маркировки, транспортирования и хранения
ГОСТ 14637 Прокат толстолистовой из углеродистой стали обыкновенного качества. Технические условия
ГОСТ 23120 Лестницы маршевые, площадки и ограждения стальные. Технические условия
ГОСТ 26600 Знаки навигационные внутренних судоходных путей. Общие технические условия
ГОСТ 26633 Бетоны тяжелые и мелкозернистые. Технические условия
ГОСТ 26775-97 Габариты подмостовые судоходных пролетов мостов на внутренних водных путях. Нормы и технические требования
ГОСТ 27772 Прокат для строительных стальных конструкций. Общие технические условия
ГОСТ 32947-2014 Дороги автомобильные общего пользования. Опоры стационарного электрического освещения. Технические требования
ГОСТ 32957 Дороги автомобильные общего пользования. Экраны акустические. Технические требования
ГОСТ 33119-2014 Конструкции полимерные композитные для пешеходных мостов и путепроводов. Технические условия
ГОСТ 33150 Дороги автомобильные общего пользования. Проектирование пешеходных и велосипедных дорожек. Общие требования
ГОСТ 33151 Дороги автомобильные общего пользования. Элементы обустройства. Технические требования. Правила применения
ГОСТ 33384-2015 Дороги автомобильные общего пользования. Проектирование мостовых сооружений. Общие требования
ГОСТ 33390-2015 Дороги автомобильные общего пользования. Мосты. Нагрузки и воздействия
ГОСТ 33391 Дороги автомобильные общего пользования. Мостовые сооружения. Габариты приближения конструкций
ГОСТ Р 52766-2007 Дороги автомобильные общего пользования. Элементы обустройства. Общие требования
ГОСТ Р 54928 Пешеходные мосты и путепроводы из полимерных композитов. Технические условия
ГОСТ Р 58107.1 Освещение автомобильных дорог общего пользования. Нормы и методы расчета
ГОСТ Р 58882-2020 Заземляющие устройства. Системы уравнивания потенциалов. Заземлители. Заземляющие проводники. Технические требования
ГОСТ Р 59432-2021 Дороги автомобильные общего пользования. Доступность для инвалидов и других маломобильных групп населения. Общие требования
ГОСТ Р 59627 Дороги автомобильные общего пользования. Мостовые сооружения. Смотровые ходы и агрегаты. Общие технические условия
ГОСТ Р 59943 Дороги автомобильные общего пользования. Системы мониторинга мостовых сооружений. Правила проектирования
СП 35.13330.2011 "СНиП 2.05.03-84* Мосты и трубы"
СП 42.13330.2016 "СНиП 2.07.01-89* Градостроительство. Планировка и застройка городских и сельских поселений"
СП 259.1325800.2016 Мосты в условиях плотной городской застройки. Правила проектирования
СП 268.1325800.2016 Транспортные сооружения в сейсмических районах. Правила проектирования
Примечание - При пользовании настоящим стандартом целесообразно проверить действие ссылочных стандартов (сводов правил) в информационной системе общего пользования - на официальном сайте Федерального агентства по техническому регулированию и метрологии в сети Интернет или по ежегодному информационному указателю "Национальные стандарты", который опубликован по состоянию на 1 января текущего года, и по выпускам ежемесячного информационного указателя "Национальные стандарты" за текущий год. Если заменен ссылочный документ, на который дана недатированная ссылка, то рекомендуется использовать действующую версию этого документа с учетом всех внесенных в данную версию изменений. Если заменен ссылочный документ, на который дана датированная ссылка, то рекомендуется использовать версию этого документа с указанным выше годом утверждения (принятия). Если после утверждения настоящего стандарта в ссылочный документ, на который дана датированная ссылка, внесено изменение, затрагивающее положение, на которое дана ссылка, то это положение рекомендуется применять без учета данного изменения. Если ссылочный документ отменен без замены, то положение, в котором дана ссылка на него, рекомендуется применять в части, не затрагивающей эту ссылку.
3 Термины и определения
В настоящем стандарте применены следующие термины с соответствующими определениями:
3.1 эксплуатационные обустройства; ЭО: Обустройства для проведения работ по контролю технического состояния мостового сооружения, в том числе при обследовании, и работ по содержанию (ремонту), а также предназначенные для обеспечения надежности, безопасности движения, норм противопожарного состояния и охраны труда.
Примечание - К ЭО мостовых сооружений на автомобильных дорогах общего пользования относят: смотровые ходы и агрегаты, освещение (в том числе эксплуатационное), архитектурную подсветку, заземление, акустические экраны, ограждение контактной сети, устройства для прокладки коммуникаций, обустройства запретных зон, судоходную сигнализацию, противопожарные средства, системы непрерывного мониторинга технического состояния.
3.2
подступенок: Деталь лестницы, вертикальный элемент ступени.
[ГОСТ 32944-2014, статья 3.11]
3.3
пешеходная дорожка: Размещаемое за пределами земляного полотна инженерное сооружение, предназначенное для движения пешеходов вне населенных пунктов в полосе отвода или придорожной полосе автомобильной дороги.
[ГОСТ 33150-2014, статья 3.9]
3.4
акустический экран: Искусственная преграда, устанавливаемая на пути распространения шума от автомобильного транспорта к защищаемому от шума объекту. Типовой акустический экран представляет собой сборную конструкцию, состоящую из следующих основных частей: фундамента (если предусмотрено проектной документацией), несущей конструкции (в частности, опорных стоек) и панелей. В качестве дополнительных элементов используют уплотнения, поперечные профилированные балки, крепежные детали, акустические развязки, козырьки, калитки, ворота, рамы разрывов и т.п.
[ГОСТ 32957-2014, статья 3.1]
3.5
ИС МЕГАНОРМ: примечание.
В официальном тексте документа, видимо, допущена опечатка: имеется в виду п. 11 разд. 2 ГОСТ Р 57787-2017, а не ст. 2.11.
химический анкер: Анкер, в котором передача усилий на строительное основание с анкерного стержня осуществляется через слой затвердевшего в результате химической реакции состава.
[ГОСТ Р 57787-2017, статья 2.11]
4 Общие положения
4.1 Лестничные сходы разделяют на пешеходные, предназначенные для регулярного пешеходного движения при наличии на мостовом сооружении тротуаров, и служебные, предназначенные для проведения работ по контролю технического состояния сооружения, в том числе при обследовании, и работ по содержанию (ремонту). При наличии продолжения согласно 4.2 и с учетом требований 5.8 к пешеходным следует относить лестничные сходы сооружений на автомобильных дорогах в населенных пунктах с нерегулярным пешеходным движением (интенсивностью до 200 человек/сут). Примеры конструкций лестничных сходов приведены в приложении А.
4.2 Пешеходные лестничные сходы в нижней части должны иметь продолжение в виде пешеходной дорожки или тротуара. При отсутствии пешеходной дорожки лестничный сход следует проектировать как служебный.
4.3 Служебные лестничные сходы устраивают у каждого конца сооружения при высоте подходной насыпи свыше 3 м.
4.4 Требования к конструкции, материалам, изготовлению, установке, приемке в эксплуатацию и содержанию смотровых ходов и агрегатов следует принимать по ГОСТ Р 59627.
4.5 Стационарное электрическое освещение мостовых сооружений предусматривают в случаях, установленных ГОСТ Р 52766-2007 (пункт 4.6.1.1). Нормы и методы расчета освещения - по ГОСТ Р 58107.1. Опоры освещения должны соответствовать требованиям ГОСТ 32947, и быть установлены в створе перил или за ними посредством крепления фланцевых соединений к несущим конструкциям сооружения (допускается установка на консоли ригеля). На мостовых сооружениях со сквозными пролетными строениями с ездой понизу допускается размещение светильников на тросах или кронштейнах, прикрепленных к элементам пролетного строения.
4.5.1 При расчете элементов крепления опор освещения к несущим конструкциям мостового сооружения учитывают вертикальные и горизонтальные нагрузки в соответствии с рекомендациями раздела 6.
4.5.2 Требования 4.5 в части установки и расчета опор также применимы к опорам контактной сети троллейбусных линий при их наличии.
4.6 Заземление металлических конструкций мостовых сооружений, а также железобетонных и бетонных конструкций, поддерживающих контактную сеть, необходимо предусматривать согласно ГОСТ 33384-2015 (пункт 8.9.4). Технические требования к заземляющим устройствам необходимо принимать по ГОСТ Р 58882.
4.7 На путепроводах через пути электрифицированных железных дорог следует предусматривать ограждение контактной сети в виде вертикальных и (или) горизонтальных щитов (сеток) согласно ГОСТ 33384-2015 (пункт 8.9.5). Ограждение должно перекрывать участок не менее 1,0 м с каждой стороны от контактного провода. Типовая конструкция щита представлена в приложении Б.
4.8 Общие требования к прокладке коммуникаций на мостовых сооружениях необходимо принимать по ГОСТ 33384-2015 (пункты 8.9.12 - 8.9.14). Для прокладки тепловых сетей, водопроводных линий, напорной канализации и газопроводов с рабочим давлением не более 0,6 МПа, как правило, следует использовать стальные трубы по ГОСТ 10704, ГОСТ 10706 или ГОСТ 8696.
4.8.1 Прокладываемые по мостовым сооружениям коммуникации, как правило, не должны располагаться со стороны фасадных поверхностей. При необходимости прокладки коммуникаций по фасаду допускается применение декоративных карнизов.
4.8.2 ЭО, предназначенные для прокладки инженерных коммуникаций, должны быть доступны для проведения работ по их содержанию без необходимости остановки движения на мостовом сооружении.
4.9 Технические решения в части оборудования судоходной сигнализацией (навигационными знаками) должны быть согласованы с соответствующими государственными органами согласно ГОСТ 26775-97 (пункт 4.17). Требования безопасности следует принимать по ГОСТ 26775-97 (раздел 5), навигационные знаки - в соответствии с требованиями ГОСТ 26600.
4.10 Правила применения акустических (шумозащитных) экранов установлены ГОСТ 33151. Технические требования следует принимать по ГОСТ 32957. На пролетных строениях мостовых сооружений с железобетонной плитой проезжей части допускается крепление стоек шумозащитных экранов с помощью химических анкеров вместо закладных деталей при соответствующем обосновании.
4.11 ЭО, предназначенные для обеспечения требуемого уровня пожарной безопасности, устраивают в соответствии с требованиями СП 35.13330.2011 (пункты 5.84, 5.88) и СП 259.1325800.2016 (пункт 4.11).
4.12 Требования к системам мониторинга технического состояния эксплуатируемых мостовых сооружений следует принимать по ГОСТ Р 59943.
5 Правила установки лестничных сходов на откосах насыпей подходов
5.1 Пешеходные лестничные сходы устраивают на откосах насыпей подходов с целью осуществления беспрепятственного движения пешеходов при наличии регулярного пешеходного движения интенсивностью 200 человек/сут и более, а также при нерегулярном пешеходном движении менее 200 человек/сут при отсутствии альтернативных маршрутов или в населенных пунктах.
В случае устройства пешеходного лестничного схода, к нему в верхней и нижней части насыпи должен примыкать тротуар или пешеходная дорожка, обеспечивающая возможность передвижения пешеходов в пункты назначения с использованием лестничного схода.
5.2 Ширину пешеходного лестничного схода, как правило, принимают не менее ширины примыкающего к нему тротуара мостового сооружения и с учетом обеспечения пропускной способности расчетной интенсивности пешеходного движения.
5.2.1 Расчетную ширину одной полосы движения пешеходов принимают равной 0,75 м.
5.2.2 Максимальную пропускную способность одной полосы пешеходного движения на лестничном сходе с расчетной шириной 0,75 м принимают 1000 человек/ч. Как правило, следует обеспечивать пропускную способность по условиям комфортного пешеходного движения на уровне не более 70% от максимальной.
5.2.3 Проектирование лестничных сходов с мостовых сооружений следует проводить с учетом требований ГОСТ 33384-2015 (пункт 8.6.3). Для обеспечения возможности передвижения маломобильных групп населения при проектировании пешеходных лестниц необходимо учитывать требования ГОСТ Р 59432-2021 (пункт 4.5, раздел 5) и СП 259.1325800.2016 (пункты 4.16.3, 4.16.4).
5.3 При проектировании лестничных маршей пешеходных лестничных сходов необходимо назначать их параметры с учетом следующих условий:
- заложение принимать не круче 1:2 и не положе 1:3,3, с размерами ступеней по А.1. При необходимости, для обеспечения указанного интервала заложения маршей пешеходный лестничный сход можно располагать под углом в плане к направлению откоса;
- в одном марше необходимо предусмотреть не более 14-и и, как правило, не менее 3-х ступеней, при этом количество ступеней в маршах одного схода, как правило, должно быть одинаковым;
- длину площадки между маршами принимать не менее 1,5 м;
- для отвода воды с поверхности ступеней и площадок, как правило, следует располагать их с уклоном не более 0,015 в сторону нижней ступени (площадки).
5.4 Лестничные марши и площадки пешеходных лестничных сходов устраивают из монолитного, сборного железобетона по ГОСТ 26633 или из полимерных композиционных материалов по ГОСТ 33119 и ГОСТ Р 54928. В пешеходных лестничных сходах обязательно наличие сплошного подступенка по всей ширине марша. Применение конструкций со стальными ступенями и площадками не допускается.
5.5 На пешеходных лестничных сходах допускается использование антиобледенительных систем.
5.6 На пешеходных лестничных сходах с обеих сторон предусматривают перильное ограждение высотой не менее 1,1 м. Расстояние в свету между соседними элементами заполнения перил не должно превышать 0,15 м.
5.7 Служебные лестничные сходы устраивают, как правило, вдоль направления откоса.
5.8 Служебные лестничные сходы не предназначены для регулярного пешеходного движения. В нижней части сходов этого типа не допускается наличие прерывающихся у подножия или площадки схода пешеходных дорожек по ГОСТ 33150 или тротуаров по СП 42.13330.2016, в противном случае лестничный сход необходимо устраивать как пешеходный. Допускается устройство служебного лестничного схода при наличии проходящей мимо его подножия (площадки) пешеходной дорожки (тротуара), т.е. при наличии альтернативных маршрутов движения пешеходов, а также при наличии прерывающейся у подножия или площадки дорожки, предназначенной исключительно для обслуживающего персонала и не являющейся пешеходной дорожкой по ГОСТ 33150 или тротуаром по СП 42.13330.2016.
5.9 Параметры служебных лестничных сходов назначают исходя из следующих условий:
- заложение принимать не круче 1:1,5 с высотой ступени не более 0,2 м и шириной ступени не менее 0,3 м (при наличии сплошных подступенков), и не менее 0,2 м (при отсутствии сплошных подступенков);
- в одном марше, как правило, следует предусмотреть не менее 3-х и не более 18-и ступеней, при этом количество ступеней в маршах одного схода, как правило, должно быть одинаковым;
- длину площадки между маршами принимать не менее 0,9 м;
- на служебных лестничных сходах, как минимум, с одной стороны следует предусмотреть перильное ограждение высотой не менее 1,1 м. Расстояние в свету между соседними элементами заполнения перил не должно превышать 0,5 м, а между осями стоек перильного ограждения - не более 1,5 м;
- на служебных лестничных сходах допускается применение прерывающихся перил с расстоянием в свету между сегментами не менее 75 мм и не более 120 мм.
5.10 Лестничные марши и площадки служебных лестничных сходов устраивают из сборного железобетона по ГОСТ 13015, из полимерных композиционных материалов - по ГОСТ 33119 и ГОСТ Р 54928, или из углеродистой стали - по ГОСТ 27772, ГОСТ 535, ГОСТ 14637. Примеры типовых конструкций стальных лестниц приведены в приложении А. Конструктивные требования к сходам и ограждениям из полимерных композиционных материалов следует принимать по ГОСТ 33119-2014 (пункт 5.1.3).
6 Габариты и нагрузки
6.1 Габарит пешеходного лестничного схода по ширине принимают с учетом требований 5.2. Допускается уменьшение габарита лестничного схода при условии, что не все пешеходы переходят с тротуара на лестницу (имеется альтернативный маршрут движения), пропорционально уменьшению расчетной интенсивности пешеходного движения.
6.2 Габарит служебного лестничного схода по ширине принимают, как правило, 0,75 м. Увеличение ширины допускается при соответствующем обосновании.
6.3 Габариты смотровых приспособлений и требования безопасности следует принимать по ГОСТ Р 59627.
6.4 Все эксплуатационные обустройства должны находиться за пределами габаритов приближения конструкций мостовых сооружений согласно ГОСТ 33391, на путепроводах через железные дороги должны быть дополнительно учтены габариты по ГОСТ 9238, на мостах через судоходные реки - по ГОСТ 26775.
6.5 Нормативные вертикальные нагрузки от собственного веса смотровых приспособлений, опор и проводов линий электропередач и связи и прочих ЭО следует определять по фактическим (определенным по результатам обследования существующих элементов и конструкций) или проектным (для новых элементов и конструкций) объемам элементов и частей конструкции. Коэффициент надежности к нагрузкам от собственного веса ЭО принимают равным 1,1.
6.6 Нормативную вертикальную нагрузку на пешеходные лестничные сходы принимают равной 4,0 кПа по ГОСТ 33390-2015 (пункт 5.2). Горизонтальная нагрузка при расчете перил - 1,0 кН/м.
Коэффициенты надежности к вертикальной и горизонтальной нагрузке от пешеходов принимают равными 1,4.
6.7 Нормативную вертикальную нагрузку на служебные лестничные сходы принимают равной 2,0 кПа по ГОСТ 33390-2015 (пункт 5.2). Горизонтальную нагрузку принимают по 6.6.
Коэффициенты надежности к вертикальной и горизонтальной нагрузке от персонала на служебный лестничный сход принимают равными 1,2.
6.8 Нагрузки на смотровые приспособления следует принимать по ГОСТ Р 59627.
6.9 Ветровую нагрузку следует принимать по ГОСТ 33390-2015 (пункт 6.1). При расчетах элементов крепления акустических экранов и вертикальных щитов ограждения контактной сети к конструкциям мостовых сооружений нормативную интенсивность полной ветровой поперечной нагрузки на экран (щит) следует принимать не менее 0,98 кПа, коэффициент надежности к ветровой нагрузке - 1,4. Следует рассматривать сочетания с двумя взаимоисключающими направлениями действия ветровой нагрузки согласно Б.4: к проезжей части и от проезжей части.
6.10 Прочие временные нагрузки и воздействия принимают по ГОСТ 33390.
6.11 При выполнении расчетов несущих конструкций мостовых сооружений ЭО учитываются в качестве постоянной нагрузки (не допускается учет совместной работы элементов ЭО и мостовых сооружений в качестве единой составной несущей конструкции). Нагрузка от персонала, находящегося на ЭО, не учитывается совместно с прочими временными подвижными нагрузками на мостовом сооружении.
6.12 Сейсмические воздействия учитывают при расчете несущих конструкций ЭО и их прикреплений к конструкциям мостового сооружения по I группе предельных состояний. Расчетную сейсмичность определяют по СП 268.1325800.2016 (раздел 4).
6.12.1 Коэффициенты сочетания для временной подвижной нагрузки от персонала на служебные лестничные сходы согласно 6.7, и на смотровые приспособления согласно 6.8, принимают равными:
- 1,0 - для сейсмических нагрузок, действующих совместно с постоянными без учета нагрузки от персонала;
- 0,8 - для сейсмических нагрузок совместно с нагрузками от персонала;
- 0,5 - для нагрузок от персонала совместно с сейсмическими.
6.13 При расчетах элементов крепления опор освещения, опор контактной сети, информационных табло и указателей к конструкциям мостовых сооружений следует учитывать одновременное действие ветровой нагрузки по 6.9 и допустимой боковой статической нагрузки (ГОСТ 32947-2014, пункт 3.1) согласно документации производителей, учитываемой в соответствии со схемой на рисунке 1. Коэффициент сочетания к указанным нагрузкам следует принимать 1,0.
При учете допустимой боковой статической нагрузки необходимо рассмотреть все возможные направления ее действия и выбрать самое неблагоприятное для выполняемого расчета, при этом направление действия ветровой нагрузки следует принимать в ту же сторону.
h опоры - высота опоры от точки крепления к несущей
конструкции мостового сооружения, м; H - допустимая боковая
статическая нагрузка в верхней точке ствола, кН; P - вес
опоры, кН; M(н) = H·h опоры - момент в точке крепления
от допустимой боковой статической нагрузки, кН·м.
Ветровая нагрузка условно не показана
Рисунок 1 - Схема сбора нагрузки
к точке крепления опоры освещения
Приложение А
(справочное)
ПРИМЕРЫ КОНСТРУКЦИЙ ЛЕСТНИЧНЫХ СХОДОВ
А.1 Основные нормируемые параметры пешеходных лестничных сходов показаны на рисунке А.1 (размеры в мм):
Рисунок А.1 - Нормируемые параметры
пешеходных лестничных сходов
А.2 Основные нормируемые параметры служебных лестничных сходов показаны на рисунке А.2 (размеры в мм):
Рисунок А.2 - Нормируемые параметры
служебных лестничных сходов
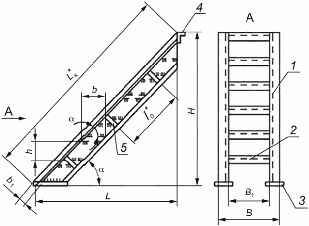
А.3 Для стальных служебных лестничных сходов, как правило, следует применять технические требования по ГОСТ 23120, принимая основные параметры и размеры, соответствующие рисунку А.2 и приведенные на рисунках А.3 - А.5 и в таблице А.1:
1 - косоур; 2 - ступень; 3 - опорная планка;
4 - опорный уголок; 5 - ребро.
Остальные обозначения приведены в таблице А.1
--------------------------------
<*> Шаг ребер l0 определяется проектом.
Рисунок А.3 - Типовая конструкция
стального лестничного марша
Таблица А.1
Параметры и размеры лестничных маршей
при минимально допустимом заложении 1:1,5
и количестве ступеней в марше от 3 до 18
H, мм
L, мм
h, мм
b, мм
B, мм
B1, мм
b1, мм
33°
600
900
200
300
850
750
от 7
до 10
800
1200
1000
1500
1200
1800
1400
2100
1600
2400
1800
2700
2000
3000
2200
3300
2400
3600
2600
3900
2800
4200
3000
4500
3200
4800
3400
5100
3600
5400
1 - балка; 2 - окантовочный элемент; 3 - настил; 4 - ребро;
B1, B - по таблице А.1; Lп = 900 мм; a = 10 мм
--------------------------------
<*> Шаг ребер l0 определяется проектом.
Рисунок А.4 - Типовая конструкция
стальной площадки длиной 900 мм
Ф - сплошные из рифленой стали; Ш - из штампованных
элементов; Р - из полос на ребро и круглой стали;
С - из полос на ребро в одном направлении;
В - из просечно-вытяжной стали
Рисунок А.5 - Типы ступеней стальных лестниц
и настилов площадок
Для служебных стальных лестничных сходов рекомендуется применять ступени и настил площадок в исполнении В (рисунок А.5), так как данный тип характеризуется простым изготовлением и обладает повышенной шероховатостью.
Приложение Б
(справочное)
ВАРИАНТЫ КОНСТРУКЦИЙ И УЗЛОВ ЭКСПЛУАТАЦИОННЫХ ОБУСТРОЙСТВ
Б.1 Типовая конструкция щита ограждения контактной сети показана на рисунке Б.1. Крепление щита, как правило, осуществляют с помощью U- или П-образных скоб с резьбой и планкой к перилам мостового сооружения.
Рисунок Б.1 - Щит ограждения контактной сети
Б.2 Вариант устройства опоры освещения на консоли ригеля и прокладки кабельных коммуникаций под железобетонным балочным пролетным строением показан на рисунке Б.2:
Рисунок Б.2 - Вариант устройства освещения и прокладки
кабельных коммуникаций на железобетонном пролетном строении
Б.3 Вариант устройства опоры освещения на консоли ортотропной плиты, эксплуатационного освещения в коробчатой главной балке и под ортотропной плитой между главными балками показан на рисунке Б.3:
Рисунок Б.3 - Вариант устройства освещения проезжей части
и эксплуатационного освещения на стальном пролетном строении
Б.4 Вариант конструкции монолитного борта для установки акустического (шумозащитного) экрана на консоли железобетонной плиты пролетного строения показан на рисунке Б.4. Для каждой индивидуальной конструкции необходимо выполнение расчета несущей способности консоли с учетом указаний раздела 6.
Ветер А, ветер Б - взаимоисключающие направления действия
ветровой нагрузки, обязательные для учета в различных
сочетаниях с прочими постоянными и временными нагрузками
при расчетах несущей способности рабочей арматуры консоли
Рисунок Б.4 - Вариант конструкции монолитного борта
с уширением для крепления стоек шумозащитных экранов
на железобетонной плите пролетного строения
Б.5 Пример конструкции заземления железобетонного мостового сооружения с опорами контактной сети показан на рисунке Б.5. Для каждого сооружения необходимо выполнение индивидуального расчета параметров заземляющих устройств в зависимости от конкретных условий объекта строительства, методы указаны в ГОСТ Р 58882-2020, приложение Б.
Рисунок Б.5 - Вариант конструкции заземления железобетонного
балочного пролетного строения с мачтами освещения
на консолях плиты проезжей части
Б.6 Навигационные знаки и огни должны соответствовать требованиям ГОСТ 26600. Горизонтальную полосу шириной 0,5 м (поз. 6 на рисунке Б.6) наносят белой краской или флуоресцентной эмалью. Конструкции огней и их электроснабжение разрабатывают в отдельном разделе проектной документации. Вариант обустройства судовых ходов с верховой и низовой стороны для 7 класса водного пути по ГОСТ 26775 показан на рисунке Б.6.
1, 2 - указатель оси судового хода (с верховой и низовой
сторон соответственно); 3 - указатель высоты подмостового
габарита; 4 - указатель кромок судового хода;
5 - огонь-указатель оси судового хода; 6 - полосы,
указывающие отметку расчетного судоходного уровня (РСУ);
7 - смотровые ходы для обслуживания навигационных знаков;
РУВВ - расчетный уровень высокой воды;
УМВ - уровень меженных вод
Рисунок Б.6 - Вариант обустройства судовых ходов
УДК 539.4:624.01:006.354
ОКС 93.040
Ключевые слова: мостовые сооружения, лестничные сходы, эксплуатационные обустройства