Главная // Актуальные документы // Акт (форма)СПРАВКА
Источник публикации
М., 2002
Примечание к документу
По информации, приведенной в Каталоге замененных нормативных документов в области метрологии (по состоянию на 01.03.2016), данный документ отменен без замены другим межотраслевым нормативным документом.
Название документа
"МИ 2638-2001. Рекомендация. Государственная система обеспечения единства измерений. Диафрагмы камерные и бескамерные, устанавливаемые во фланцевых соединениях измерительных трубопроводов. Методика контроля размеров при первичной и периодической поверке измерительных комплексов с сужающими устройствами"
(утв. ВНИИМС)
"МИ 2638-2001. Рекомендация. Государственная система обеспечения единства измерений. Диафрагмы камерные и бескамерные, устанавливаемые во фланцевых соединениях измерительных трубопроводов. Методика контроля размеров при первичной и периодической поверке измерительных комплексов с сужающими устройствами"
(утв. ВНИИМС)
ГОСУДАРСТВЕННАЯ СИСТЕМА ОБЕСПЕЧЕНИЯ ЕДИНСТВА ИЗМЕРЕНИЙ
ДИАФРАГМЫ КАМЕРНЫЕ И БЕСКАМЕРНЫЕ, УСТАНАВЛИВАЕМЫЕ
ВО ФЛАНЦЕВЫХ СОЕДИНЕНИЯХ ИЗМЕРИТЕЛЬНЫХ ТРУБОПРОВОДОВ
МЕТОДИКА КОНТРОЛЯ РАЗМЕРОВ ПРИ ПЕРВИЧНОЙ И ПЕРИОДИЧЕСКОЙ
ПОВЕРКЕ ИЗМЕРИТЕЛЬНЫХ КОМПЛЕКСОВ С СУЖАЮЩИМИ УСТРОЙСТВАМИ
МИ 2638-2001
Группа Т88.1
Разработана Всероссийским научно-исследовательским институтом метрологической службы (ВНИИМС) Госстандарта России, Всероссийским научно-исследовательским институтом расходометрии (ВНИИР) Госстандарта России.
Исполнители: от ВНИИМС Беляев Б.М., к.т.н., Патрикеев В.Г., д.т.н. (рук. темы), Шаронов А.М., инж., от ВНИИР Личко А.А., к.т.н.
Утверждена ВНИИМС 2001 г.
Зарегистрирована ВНИИМС 2001 г.
Введена впервые.
Настоящая рекомендация распространяется на камерные и бескамерные диафрагмы, устанавливаемые во фланцевых соединениях измерительных трубопроводов жидкостей и газов (далее - диафрагмы), и устанавливает методику контроля их размеров (геометрических характеристик) при первичной и периодической поверке измерительных комплексов с сужающими устройствами (далее - ИК).
Настоящая рекомендация разработана с учетом требований
ГОСТ 8.563.1-97 "ГСИ. Измерения расхода и количества жидкостей и газов методом переменного перепада давления. Диафрагмы, сопла ИСА 1932 и трубы Вентури, установленные в заполненных трубопроводах круглого сечения. Технические условия",
МИ 2588-2000 "ГСИ. Расход и количество жидкостей и газов. Методика выполнения измерений с помощью измерительных комплексов с сужающими устройствами для значения эквивалентной шероховатости измерительных трубопроводов R
ш * 10
4 / D свыше 30" и
ПР 50.2.022-99 "ГСП. Порядок осуществления государственного метрологического контроля и надзора за применением и состоянием измерительных комплексов с сужающими устройствами".
Пояснения к некоторым терминам, применяемым в настоящей рекомендации, приведены в
Приложении 1.
Требования к классификации, условным обозначениям, основным параметрам, конструкции и способам установки диафрагм во фланцевых соединениях и параметрам измерительных трубопроводов приведены в
Приложениях 2 -
6.
Настоящая рекомендация допускает изготовление и применение других конструкций и оборудования, если они соответствуют требованиям
ГОСТ 8.563.1 и
ГОСТ 8.563.2 и обеспечивают надежность и безопасность эксплуатации в течение расчетного ресурса работы.
1.1. При контроле конструкции измерительного трубопровода и его размеров выполняют следующие операции:
а) при первичной поверке ИК:
определение диаметра отверстия диафрагмы d
20 и длины цилиндрической части отверстия e -
п. 4.2;
определение отклонения от плоскостности входного торца -
п. 4.3;
определение шероховатости поверхностей -
п. 4.4;
проверка остроты кромки -
п. 4.5;
определение толщины диафрагмы E
д -
п. 4.6;
определение наружного диаметра диафрагмы D
2 -
п. 4.7;
определение D
2 в корпусе "+" кольцевой камеры -
п. 4.8;
определение D
4 в корпусах кольцевых камер -
п. 4.9;
определение диаметра D
1 в сочленении корпусов кольцевых камер "+" и "-" -
п. 4.10;
определение внутреннего диаметра D
20 в корпусе кольцевой камеры "+" -
п. 4.11;
определение эксцентриситетов e
x1 и e
x2 -
п. 4.12;
определение шероховатости поверхностей R
a корпусов кольцевых камер -
п. 4.13;
проверка выполнения требований к кольцевым камерам -
п. 4.14;
проверка выполнения требований к отверстиям для отбора давления при угловом отборе разности давлений -
п. 4.15;
б) при первичной проверке измерительного трубопровода:
установление условий, при которых проводят поверку -
п. 3.2;
проверка фланцевых соединений - по
п. 5.1 и
5.2;
определение внутреннего диаметра измерительного трубопровода -
п. 5.3;
проверка выполнения требований к отверстиям для отбора давления -
п. 5.4;
в) при периодической проверке измерительного трубопровода: по
п. 5.8.
2. Средства поверки диафрагм и контроля
геометрических характеристик оборудования
2.1. При проведении поверки диафрагмы и контроля геометрических характеристик оборудования применяют средства, указанные в таблице 1.
Таблица 1
Наименование средства поверки и обозначение НД | Основные метрологические и технические характеристики средства поверки |
1 | 2 |
Микроскоп универсальный (инструментальный) по ГОСТ 8.074-82 с приставкой УЦП-1М | Диапазон измерений: 10 мм Погрешность: не более 0,001 мм |
Нутромеры индикаторные специальные, оснащенные индикатором 1 МИГ и П МИГ по ГОСТ 577-68 | Цена деления: 0,002 мм, верхний предел измерений: 2 мм |
| |
Микрометрический нутромер фирмы "TESA" | Погрешность: не более 0,005 мм |
Набор принадлежностей к плоскопараллельным мерам длины по ГОСТ 4119-76 | |
Электронный штангенциркуль фирмы "TESA" | Цена деления: 0,01 мм |
| Класс точности 1,0 |
Набор щупов N 2 | Класс точности 2,0 |
Специальные аттестованные образцы шероховатости поверхностей или стандартные образцы по ГОСТ 9378-93, или профилометры | |
| Класс точности 1 |
Штангенциркули по ГОСТ 166-80 | Шц П с отсчетом по нониусу 0,05 мм |
| | ИС МЕГАНОРМ: примечание. Взамен ГОСТ 6507-78 Постановлением Госстандарта СССР от 25.01.1990 N 86 с 1 января 1991 года введен в действие ГОСТ 6507-90. | |
|
Микрометры гладкие по ГОСТ 6507-78 | Классы точности 1 и 2 |
Портативный ультразвуковой толщиномер 26 XTDL | Контролируемая толщина: 0,5 - 508 мм Разрешающая способность: 0,1; 0,01 мм |
Портативный ультразвуковой дефектоскоп Epoch III (модель 2300) | Индикация: форма сигнала, глубина залегания дефекта, угол ввода, расстояние до фронта или пика импульса, величина амплитуды сигнала в дБ. Угол ввода: фиксированный или плавно изменяющийся от 10° до 85° с шагом 0,1°. Чувствительность: 110 дБ макс. Автоматическое усиление с шагом 6 дБ или 0,1 по выбору |
Примечание: Допускается применение других средств с метрологическими характеристиками, не уступающими указанным в таблице.
3.1. Условия поверки диафрагмы
3.1.1. Температура окружающего воздуха: (20 +/- 5) °C. Изменение температуры окружающего воздуха за время поверки: не более 3 °C.
3.1.2. Диафрагмы и средства поверки выдерживают в помещении, в котором проводят поверку, не менее 3 часов.
3.1.3. Относительная влажность, температура воздуха и атмосферное давление соответствуют требованиям технической документации на применяемые средства поверки.
3.2. Условия поверки измерительного трубопровода
3.2.1. Температура окружающего воздуха tu должна быть зафиксирована с погрешностью не более 5 °C. Изменение температуры окружающего воздуха за время поверки: не более 3 °C.
3.2.2. Методики выполнения измерений с помощью применяемых средств поверки должны учитывать относительную влажность, температуру воздуха и атмосферное давление.
4. Проведение первичной и периодической поверки диафрагм
4.1. При внешнем осмотре визуально устанавливают отсутствие заусенцев и рисок на цилиндрической части отверстия d
20.
4.1.1. Проверяют соответствие маркировки указанной в паспорте диафрагмы.
4.2. Определения диаметра отверстия диафрагмы d
20 и длины цилиндрической части отверстия e
4.2.1. За действительное значение d20 принимают среднее арифметическое значение результатов измерений при помощи электронного штангенциркуля четырех диаметров, расположенных друг к другу под приблизительно равными углами 45°.
Результаты измерений не должны отличаться от среднего значения более чем на 0,05% или по заказу потребителя для диафрагм с d > 200 мм более чем на 0,02%.
4.2.2. Длина цилиндрической части отверстия диафрагм e должна быть в пределах от 0,005D
20 до 0,02D
20.
Рекомендуемые значения длины цилиндрической части отверстия диафрагмы в зависимости от диаметров условного прохода D
у указаны в
Приложении 4.
Допускается не выполнять измерения размера "e", если его значение обеспечивается технологией изготовления, утвержденной в установленном порядке.
4.2.3. Значения e, измеряемые в любых точках отверстия d
20, не должны отличаться друг от друга более чем на 0,001D
20.
Допускается для диафрагм вида ДКС и ДВС с условным проходом до 300 мм отклонение друг от друга значений e, измеренных в любых точках отверстия d20, не более 0,005D20.
4.2.4. Значение e определяют сравнением значения по
п. 4.2.2 со значением, установленным на штангенциркуле по
ГОСТ 166-80 или специально изготовленном шаблоне.
4.2.5. Определение разности значений e по
4.2.3 проводят не менее чем в шести точках, расположенных по диаметру d
20. При измерениях могут использоваться отпечатки кромок диафрагмы на фольге, расположенной на упругой или пластичной основе, результаты определения биения фаски диафрагмы (вблизи цилиндрической части) при базировке диафрагмы по диаметру d
20 или по поверхности входного торца (или входной кромки диафрагмы), расположенных вблизи линии направления измерений, а также другие способы, позволяющие определять разность значений e с погрешностью не более 0,15 мм при D
20 <= 300 мм и 0,0005D
20 при D
20 > 300 мм.
4.3. Определение отклонения от плоскостности входного торца определяют при помощи поверочной линейки и набора щупов. Длина поверочной линейки должна быть не менее диаметра D. Если длина L поверочной линейки равна диаметру D, то отклонение определяют по наибольшему зазору (линейку устанавливают по диаметру D).
Если длина поверочной линейки больше диаметра D, то отклонение от плоскости определяют как разность между наибольшим зазором и зазором на диаметре D (при одной установке линейки).
Отклонение от плоскостности не должно превышать 0,005D.
4.4. Определение шероховатости поверхностей
Параметры шероховатости определяют визуальным сравнением со специальными аттестованными образцами или стандартными образцами шероховатости по ГОСТ 9378-75 или определяют профилометром.
4.4.1. Параметр шероховатости Ra поверхности входного торца диафрагмы должен быть не более 10-4d20 в пределах круга диаметром D, концентричного отверстию диафрагмы, и не более 0,01 мм.
4.4.2. Параметр шероховатости Ra поверхности выходного торца диафрагмы должен быть не более 0,01 мм, если диафрагма предназначена для измерений расхода в одном направлении.
4.4.3. Параметр шероховатости Ra поверхности цилиндрической части отверстия должен быть не более 1,25 мкм при d20 менее 125 мм и не более 10-5d20 при d20 более 125 мм.
4.5. Проверка остроты входной кромки
Входная кромка не должна иметь притуплений и заусенцев, заметных невооруженным глазом, и визуально отмеченных притуплений (скруглений).
Остроту входной кромки диска диафрагмы проверяют внешним осмотром при рассеянном дневном или искусственном свете. Диафрагму устанавливают наклонно под углом примерно 45°.
Если диаметр отверстия диафрагмы не превышает 125 мм, то падающий на кромку луч света не отражается, при d20 более 125 мм на кромке визуально не отмечены притупления (скругления).
При измерениях остроты кромки допустимо использовать трехкоординатные приборы и измерительные установки, обеспечивающие измерения размера с погрешностью не более 0,001 мм.
4.6. Определение толщины диафрагмы E
д
Толщину диафрагмы определяют микрометром. Значения толщины Eд, измеренные в любой точке поверхности диафрагмы, не должны различаться между собой более чем на 0,001D. Измерения выполняют не менее чем в шести точках по окружности диафрагмы внутри диаметра, не превышающего внутренний диаметр трубопровода. Значение Eд принимают как среднее арифметическое из шести значений.
4.7. Определение наружного диаметра диафрагмы D
2
Размер D2 до 135 мм определяют на микроскопе с приставкой УЦП-1М.
Допуск должен соответствовать d9.
Размер D2 от 165 до 220 мм определяют микрометрами. Допуск должен соответствовать d10.
Размер D2 от 245 до 555 мм определяют штангенциркулем Шц-П. Допуск должен соответствовать C11.
4.8. Определение диаметра D
2 в корпусе "+" кольцевой камеры
Диаметр D2 в корпусе "+" кольцевой камеры до 135 мм определяют электронным штангенциркулем. Допуск на размер D2 должен соответствовать H10.
Диаметр D2 от 165 мм до 555 мм определяют штангенциркулем Шц-П с отсчетом по нониусу 0,05 мм. Допуск на размер D2 должен соответствовать H11.
4.9. Определение диаметра D
4 в корпусах кольцевых камер
Диаметр D4 определяют электронным штангельциркулем и штангельциркулем Шц-П с отсчетом по нониусу 0,05 мм.
Допуск на размер D4 должен соответствовать H12.
4.10. Определение диаметра D
l в сочленении корпусов кольцевых камер
Диаметр D1 определяют электронным штангенциркулем и штангенциркулем Шц-П с отсчетом по нониусу 0,05 мм.
Допуски на размер D1 должны соответствовать указанным в таблице 2.
Таблица 2
D1 | Допуск | | |
Камера "+" | Камера "-" | Размер |
d11 | H11 | 90 - 310 |
C11 | H12 | 365 - 570 |
4.11. Определение внутреннего диаметра D
20 в корпусе кольцевой камеры
Диаметр D20к определяют электронным штангенциркулем и штангенциркулем Шц-П с отсчетом по нониусу 0,05 мм.
За действительное значение D20к принимают среднее арифметическое значение результатов измерений при помощи электронного штангенциркуля четырех диаметров, расположенных друг к другу под приблизительно равными углами 45°.
4.12. Величину эксцентриситета e
x1 определяют суммированием зазоров, принимаемых равными значениям допусков между диском диафрагмы и кольцевой камерой "+", кольцевой камерой "+" и фланцевым патрубком, указанных на чертежах. Величину эксцентриситета e
x2 определяют суммированием зазоров, принимаемых равными величинам допусков между диском диафрагмы и кольцевой камерой "+", кольцевой камерой "+" и кольцевой камерой "-", кольцевой камерой "-" и фланцевым патрубком, указанных на чертежах.
4.12.1. При назначении посадок диаметров D
1, D
2, D
4 (D
5), и (
чертежи 5.1,
5.2 и
3.2а) следует ориентироваться на значение максимального допустимого эксцентриситета, рассчитанного по формуле
(7.6) ГОСТ 8.563.1-97

,

- относительный диаметр диафрагмы.
Суммарное значение полей допусков на диаметры D
2, D
4 (D
5) до СУ и D
1, D
2, D
4 (D
5) после СУ должны быть меньше суммарного зазора по рекомендациям
таблицы 3.8.
4.13. Определение шероховатости поверхностей R
a корпусов кольцевых камер
4.13.1. Параметры шероховатости определяют визуальным сравнением со специальными аттестованными образцами или стандартными образцами шероховатости по ГОСТ 9378-75 или определяют профилометром.
4.13.2. Параметры шероховатости поверхностей Ra корпусов кольцевых камер устанавливают в рабочих чертежах на конкретную диафрагму. Они не должны превышать:
4.14. Требования к кольцевым камерам
4.14.1. Внутренний диаметр корпуса кольцевой камеры после диафрагмы (b) должен быть равен или больше внутреннего диаметра D ИТ. Кроме того, значение b должно находится в пределах
D <= b <= 1,01D.
При этом выполняют условие

,
где c - толщина камеры "+";

- относительный диаметр отверстия сужающего устройства.
4.14.2. Длина кольцевой камеры "+" перед диском диафрагмы и длина камеры "-" за диафрагмой должны быть не более 65 мм.
Толщина внутренней стенки кольцевой камеры должна быть равна или более удвоенной толщины щели для отбора давления.
Площадь поперечного сечения свободного пространства кольцевой щели должна быть равна (или более) половины общей площади щели, соединяющей эту камеру с внутренней полостью ИТ.
Все поверхности корпуса кольцевой камеры, соприкасающиеся со средой, должны быть чистыми.
4.14.3. Взаимное расположение кольцевых камер перед диафрагмой и за ней должно быть симметричным, но обе камеры должны удовлетворять вышеприведенным требованиям.
4.14.4. Требованиям
п. 4.14 настоящих рекомендаций отвечают геометрические размеры камер, приведенные в Приложении 5
(таблица 5.1).
4.15. Требования к отверстиям для отбора давления при угловом отборе разности давлений соответствуют
п. 8.2.2 ГОСТ 8.563.1-97.
4.15.1. Расстояние между осями отверстий для отбора давления и соответствующими торцами диафрагмы равно половине диаметра или половине ширины самих отверстий.
Кольцевые щели выполняют сплошными или прерывистыми (отдельными) по всему периметру поперечного сечения ИТ. Каждая кольцевая камера должна сообщаться с внутренней полостью ИТ с помощью не менее четырех отверстий, оси которых образуют равные углы между собой. Площадь каждого отверстия должна составлять не менее 12 мм2.
Если имеется несколько отдельных отверстий для отбора давления в одном поперечном сечении ИТ перед и за диафрагмой, их оси должны образовывать между собой равные углы.
4.15.2. Отбор давления может быть проведен как через отдельные отверстия (Приложение 4,
чертеж 4.3), так и через сплошные или отдельные кольцевые щели (Приложение 3,
чертеж 3.1).
Отдельные отверстия для отбора давления могут быть выполнены как в трубопроводе, так и в его фланцах. Местом отбора давления при наличии кольцевой щели или отдельных щелей является отверстие в корпусе кольцевой камеры.
4.15.3. Значения наименьшего диаметра отдельных отверстий или ширины кольцевых или отдельных щелей "a" определяют требованиями предотвращения засорения и обеспечения удовлетворительных динамических характеристик. Эти значения находят из условий
Независимо от значения относительного диаметра

значение размера "a" должно удовлетворять следующим требованиям:
- для жидкостей и газов | 1 мм <= a <= 10 мм; |
- для паров в случае применения кольцевых камер | 1 мм <= a <= 10 мм; |
- для паров и сжиженных газов в случае применения отдельных отверстий для отбора давления | 4 мм <= a <= 10 мм. |
4.15.4. Отверстия для отбора давления из кольцевых камер к соединительным линиям измерительных приборов выполняют в наружной стенке кольцевой камеры. Отверстия в стенке кольцевой камеры должны иметь круглые сечения диаметром от 4 до 10 мм.
4.16. Периодическую поверку диафрагм выполняют в соответствии с
п. п. 4.1
4.13. Если отклонение диаметра d
20 не превышает величины 0,07% от значения, указанного в паспорте на диафрагму, то диафрагму считают пригодной к эксплуатации без внесения изменения в паспортные характеристики на диафрагму.
5. Проведение первичной и периодической проверки
фланцевого соединения и измерительного трубопровода
5.1. Проверка сварочного шва (Приложение 4,
чертеж 4.1)
Сварные швы должны быть ровными, все кратеры должны быть заварены. Трещин, подтеков на поверхности сварных швов и в местах переходов, а также ноздреватость и пористость наружной поверхности швов не допускают.
Наличие дефектов сварочного шва контролируют дефектоскопом Epoch III или другим аналогичным прибором. Методика контроля качества сварного соединения - по
ГОСТ 3242-79.
5.1.1. Сварочные швы в узлах отбора давления, узлах установки термометра и плотномера проверяют в соответствии с требованиями
п. 5.1 настоящей рекомендации.
5.2. Проверка отклонения от перпендикулярности патрубка и фланца
Проверку отклонения от перпендикулярности патрубка и фланца проверяют угольником поверочным
ГОСТ 3749-77 типа УЛ; УЛМ; УЛЦ; УШ и штангенциркулем Шц-П.
5.3. Определяют внутренний диаметр измерительного трубопровода.
5.3.1. Если внутренний диаметр входного патрубка D изготавливают путем расточки, диаметр D20 определяют как среднее арифметическое значение результатов измерений в начале и конце патрубка, а в каждом из сечений - не менее чем в четырех диаметральных направлениях, расположенных под одинаковым углом друг к другу.
5.3.2. Если внутренний диаметр соответствует состоянию поставки труб, диаметр D
20 определяют как среднее арифметическое из значений, в соответствии с
п. 7.5.1 ГОСТ 8.563.1-97 измеренных в трех сечениях, обозначенных I, II и III (Приложение 4,
чертеж 4.3) при температуре t
u и приведенных к температуре 20 °C по
формуле В1 ГОСТ 8.563.1-97.
Для определения положения сечений II и III величину D определяют путем измерений в сечении I в четырех диаметральных направлениях и принимают равным среднему арифметическому значению.
При измерениях внутреннего диаметра в диаметральных направлениях допускается использование ультразвуковых (или иных) толщиномеров с последующим расчетом внутреннего диаметра по формуле

,
где D
ij - значение внутреннего диаметра в фиксированном сечении (индекс i) и фиксированном диаметральном (индекс j) направлении; D
нij - значение наружного диаметра в фиксированном сечении и направлении,

и

- соответственно значения толщины стенки измерительного трубопровода по одну и другую стороны диаметрального направления, при котором измерялось значение D
нij. Среднее отклонение результата измерений значения D
ij не должно превышать 0,1%. Его определяют по формуле

.
Абсолютные погрешности измерений наружного диаметра и толщин стенок трубопровода обозначены как

,

и

.
При выполнении измерений расхода и количества однофазных сред по
МИ 2588-2000 допускается величину D
20 вычислять по среднему арифметическому значению D, измеренному в сечении I и в четырех диаметральных направлениях при температуре t
u и приведенному к температуре 20 °C по
формуле В1 ГОСТ 8.563.1-97.
5.3.3. Внутренний диаметр измерительного трубопровода не должен отличаться от среднего значения диаметра более чем на 0,3% на длине 2D.
Погрешность измерительного инструмента должна быть не более 0,1%.
Если отклонение внутреннего диаметра ИТ в каком-либо сечении отличается от среднего значения на величину, превышающую 0,3%, то в этом случае допускается регистрировать наличие уступа перед СУ, равного максимальному отклонению от среднего значения, расположенного на расстоянии от СУ до сечения с максимальным отклонением. При этом вносится дополнительная погрешность, вызванная уступом, которая оценивается по рекомендациям
п. 7.5.1.4 ГОСТ 8.563.1-97.
5.3.4. Если отклонение внутреннего диаметра измерительного трубопровода в каком-либо сечении отличается от среднего значения на величину, превышающую 0,3%, то в этом случае допускается регистрировать наличие уступа перед СУ, равного максимальному отклонению от среднего значения, расположенного на расстоянии от СУ до сечения с максимальным отклонением. При этом вносится дополнительная погрешность, вызванная уступом, которая оценивается по рекомендациям
п. 7.5.1.4 ГОСТ 8.563.1-97.
5.3.5. Внутренний диаметр прямого участка за сужающим устройством на расстоянии не менее 2D от его входного торца не должен отличаться более чем на 3% от среднего диаметра прямолинейного участка трубопровода перед сужающим устройством при угловом отборе перепада давления и не должен отличаться более чем на 0,3% при трехрадиусном и фланцевом отборах разности давлений. Оценка может быть дана по результатам одного измерения внутреннего диаметра прямого участка за сужающим устройством при угловом отборе разности давления и в сечении на расстоянии l
2, указанном в
п. 5.4 настоящих рекомендаций, по результатам четырех измерений при трехрадиусном и фланцевом отборе разности давления.
5.4. Требования к отверстиям для отбора давления
5.4.1. Отверстия для отбора разности давлений при трехрадиусном и фланцевом отборах
5.4.1.1. Ось отверстия для отбора давления должна находиться на расстоянии при:
а) трехрадиусном отборе:
перед l1 сужающим устройством | от 0,9D до 1,1D; |
после l2 сужающего устройства | от 0,48D до 0,52D  ; от 0,49D до 0,51D  . |
Расстояния l1 и l2 измеряют от входного торца диафрагмы с учетом толщины прокладки и ее возможной деформации при создании герметичности;
б) фланцевом отборе:
перед l1 и после l2 сужающего устройства:
от 25,4 мм +/- 0,5 мм (

и D < 150 мм);
от 25,4 мм +/- 1 мм (

и 150 <= D <= 1000 мм).
Контроль размеров осуществляют с использованием линейки поверочной типа ЛД по
ГОСТ 8026-92.
5.4.1.2. Ось отверстия для отбора давления должна пересекаться под прямым углом к оси измерительного трубопровода.
5.4.1.3. Диаметр отверстия для отбора давления должен быть не более 0,13D, но не более 13 мм.
Минимальный диаметр отверстия определяется вероятностью засорения и обеспечением удовлетворительных динамических характеристик. Отверстия для отбора давления перед сужающим устройством и после него должны иметь одинаковые диаметры.
При выборе внутреннего диаметра соединительных трубок необходимо руководствоваться
п. 6.2.9.3 ГОСТ 8.563.2-97. Сочленение соединительных трубок с камерами "+" и "-" проверяют в соответствии с требованиями
п. 5.1 настоящей рекомендации и условием прочности сочленения.
5.4.1.4. Отверстие для отбора давления должно быть круглым и цилиндрическим на длине, превышающей не менее чем в два с половиной раза значение диаметра этого отверстия. Длину измеряют от внутренней поверхности трубопровода.
5.4.1.5. Оси отверстий для отбора давления перед сужающим устройством и после него могут быть расположены в разных осевых направлениях.
5.5. Составляют схему ИТ на расстоянии 100D до сужающего устройства (СУ) и 10D после СУ и определяют расстояние от СУ до первого против направления течения местного сопротивления, от первого до второго местного сопротивления и от СУ до первого местного сопротивления после СУ.
5.5.1. Устанавливают тип и название местных сопротивлений по рекомендациям
п. В.2 ГОСТ 8.563.1.
5.5.2. Измеряют при фиксированной температуре t
u с помощью поверочной линейки типа ЛД по
ГОСТ 8026-92 расстояние от сужающего устройства до первого против течения местного сопротивления, lp1, мм.
5.5.3. Измеряют при фиксированной температуре t
u с помощью поверочной линейки типа ЛД по
ГОСТ 8026-92 расстояния между первым и вторым местными сопротивлениями lp2, мм.
5.5.4. Измеряют при фиксированной температуре t
u с помощью поверочной линейки типа ЛД по
ГОСТ 8026-92 расстояние между торцом сужающего устройства и местным сопротивлением после сужающего устройства lpn, мм.
5.5.5. Сравнивают результаты измерений с допускаемыми значениями, полученными по
п. 7.2 ГОСТ 8.563.1. Определяют значение погрешности за счет недостаточной длины прямолинейных участков по
п. 7.2 ГОСТ 8.563.1.
Рекомендации по порядку расчета погрешностей от сокращения длины прямолинейных участков изложены в
п. 6.8.
5.5.6. При недостаточной длине прямолинейных участков устанавливают конфузорные и диффузорные переходы от технологического трубопровода к измерительному трубопроводу и реконструируют узел учета либо его бракуют.
5.6. Указания по установке диафрагмы в трубопроводе приведены в
Приложении 6.
5.7. Определяют расстояние от торца сужающего устройства до чувствительного элемента термометра.
5.7.1. Измеряют диаметр гильзы термометра Dгт и длину погружной части Lпт.
5.7.2. Определяют расстояние от чувствительного элемента термометра до СУ.
5.7.2.1. Измеряют с помощью поверочной линейки типа ЛД по
ГОСТ 8026-92 расстояние от торцевой поверхности СУ до положения оси симметрии гильзы термометра на базовой поверхности, с которой начинается погружная часть термометра L, мм.
5.7.2.2. Расстояние от СУ до термометра определяют расчетом по формуле

,
где

- угол наклона гильзы термометра, равный 45 или 90° в зависимости от особенностей конструкции узла установки термометра, указанной на
рис. 11 ГОСТ 8.563.2-97.
5.7.3. Сравнивают результаты расчета по
п. 5.7.2.2 настоящей рекомендации (l
т/D) (где D в зависимости от конструкции узла установки термометра соответствует либо внутреннему диаметру ИТ, либо внутреннему диаметру расширителя D
р в рабочих условиях) с допускаемыми значениями, рекомендованными в
п. 6.3.4 ГОСТ 8.563.2-97 в зависимости от места расположения узла термометра и особенностей его конструкции.
Если это требование не выполнено, то узел подлежит реконструкции.
5.8. Периодическую проверку измерительного трубопровода выполняют в соответствии с
п. п. 5.1
5.3. Если отклонение диаметра D
20 не превышает значение, указанное в паспорте на измерительный комплекс, более чем на 0,4%, диафрагму считают пригодной к эксплуатации без внесения изменения в паспортные характеристики диафрагмы.
6. Оформление результатов поверки
6.1. Положительные результаты первичной поверки диафрагм оформляют записью в паспорте в соответствии с
ПР 50.2.006, удостоверенной подписью поверителя и оттисками поверительного клейма в соответствии с
ПР 50.2.007 на корпусах кольцевых камер и диафрагме.
6.2. При отрицательных результатах поверки диафрагмы бракуют.
6.3. На основании результатов измерений параметров диафрагмы (
пп. 4.2
4.7 настоящей рекомендации) составляют "Акт измерений параметров сужающего устройства", форма которого приведена в
Приложении 7 настоящей рекомендации.
6.4. На основании результатов измерений внутреннего диаметра измерительного трубопровода (
п. 5.3 настоящей рекомендации) составляют "Акт измерений внутреннего диаметра измерительного трубопровода", формы которого приведены в
Приложениях 8 и
9 настоящей рекомендации.
6.5. На основании выполненных измерений размеров составляют "Акт установки сужающего устройства", форма которого рекомендована в
приложении В ПР 50.2.022-99.
6.6. На основании обследования измерительного трубопровода составляют "Акт определения эквивалентной шероховатости измерительного трубопровода", формы которого приведены в
Приложениях 10 и
11 настоящей рекомендации.
6.7. Результаты операций по
п. 5.5 настоящей рекомендации оформляют в виде схемы ИТ, которую приводят в разделе "Схема ИК" паспорта в соответствии с требованиями
п. 5.1.1 ПР 50.2.022-99.
6.8. Рекомендации по порядку расчета погрешности за счет сокращения длины прямолинейных участков изложены в
Приложении 12.
7. Использование результатов выполнения методики контроля
размеров при поверке измерительных комплексов
с сужающими устройствами
7.1. Результаты выполнения методики контроля используют для составления комплекта технической документации, необходимой для выполнения рекомендаций
раздела 5 ПР 50.2.022-99.
7.2. Последовательность составления комплекта технической документации и выполнения поверки измерительных комплексов с сужающими устройствами приведена в
Приложении 13.
7.3. Исходные данные, необходимые для создания комплекта технической документации, приведены в
Приложении 14, а состав комплекта технической документации приведен в
Приложении 15.
7.4. В соответствии с
п. 9.1.2 ПР 50.2.022-99 органы Государственной метрологической службы выдают свидетельство о поверке. Рекомендуемая форма свидетельства о поверке приведена в
Приложении 16.
7.5. Контрольные примеры использования результатов выполнения методики контроля размеров при поверке измерительных комплексов с сужающими устройствами приведены в
Приложении 17.
(справочное)
К ТЕРМИНАМ, ПРИМЕНЯЕМЫМ В НАСТОЯЩЕЙ РЕКОМЕНДАЦИИ
Термин | Пояснение |
Диафрагма | Сужающее устройство, входящее в состав измерительного комплекса, выполненного в виде плоского диска с отверстием в центре диска |
Стандартная диафрагма | Диафрагма, характеристики которой соответствуют требованиям ГОСТ 8.563.1-97 |
Камерная диафрагма | Диафрагма с камерным отбором давления, устанавливаемая в кольцевые камеры, выполненные в обоймах или ободах диафрагмы с отбором разности давлений у плоскостей диска диафрагмы через несколько щелевых отверстий или сплошную кольцевую щель |
Бескамерная диафрагма | Диафрагма, устанавливаемая между двумя фланцами с отбором разности давлений: непосредственно у плоскостей диска диафрагмы через несколько щелевых отверстий или сплошную кольцевую щель (диафрагма с угловым отбором разности давлений); на расстоянии, установленном ГОСТ 8.563.1-97, через отверстия для отбора давления, снабженные импульсными трубками (диафрагма с фланцевым или трехрадиусным отборами разности давлений) |
Расходомер переменного перепада давления | Расходомер однофазной жидкости или газа, называемый в ГОСТ 8.563.1-97 "измерительный комплекс с сужающим устройством", принцип действия которого основан на законах сохранения энергии и массы потока среды, проходящего через сужающее устройство. Функция преобразования расхода от разности давления на сужающем устройстве нелинейна. Ее вид отражен в ГОСТ 8.563.1-97 |
(справочное)
КЛАССИФИКАЦИЯ, ОСНОВНЫЕ ПАРАМЕТРЫ И РАЗМЕРЫ ДИАФРАГМ
П 2.1. В зависимости от конструкции, способа установки, условного давления и условного прохода диафрагмы подразделяют на:
ДКС - камерная диафрагма, устанавливаемая во фланцах измерительного трубопровода, на условное давление до 10 МПа с условным проходом от 50 до 500 мм;
ДВС - диафрагма, устанавливаемая непосредственно во фланцах, снабженных кольцевыми камерами, на условное давление до 32 МПа с условным проходом от 50 до 400 мм;
ДБС - диафрагма, устанавливаемая во фланцах (без кольцевых камер или с кольцевыми камерами), на условный проход от 300 до 3000 мм и условное давление (в зависимости от условного прохода) до 4 МПа.
ДФС - диафрагма фланцевая, устанавливаемая непосредственно во фланцах, на условное давление 1 МПа с условным проходом от 50 до 400 мм.
П 2.2. Обозначения диафрагмы в зависимости от условного прохода и условного давления приведены в Приложении 3
(таблица 3.1) - для диафрагм вида ДКС и ДВС и Приложении 3
(таблица 3.2) - для диафрагм вида ДБС.
П 2.3. Конструкция и размеры диафрагм должны соответствовать
Приложению 3:
| | ИС МЕГАНОРМ: примечание. В официальном тексте документа, видимо, допущена опечатка: чертеж 3.2 отсутствует. | |
Допускается изготовление диафрагм ДКС без патрубка (Приложение 3,
чертеж 3.1).
П 2.4. Рекомендуемые значения толщины диафрагмы в зависимости от диаметров условного прохода указаны в Приложении 3
(таблица 3.6).
П 2.5. Значения допускаемых зазоров между диафрагмой и кольцевой камерой в зависимости от диаметров условного прохода D
у указаны в Приложении 3
(таблица 3.8).
П 2.6. Внутренние D
20 и наружные D
н диаметры трубопроводов в зависимости от диаметров условного прохода D
у приведены в Приложении 4 (
таблицы 4.1 -
4.3).
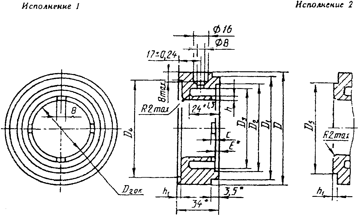
П 2.7. Рекомендуемая конструкция и размеры корпусов плюсовой и минусовой кольцевых камер диафрагм ДКС исполнений 1 и 2 приведены в
Приложении 5.
П 2.8. Марки материалов корпусов кольцевых камер и диафрагм и их условные обозначения указаны в Приложении 3
(таблица 3.7).
По согласованию с потребителем допускается изготовление корпусов кольцевых камер и диафрагм из других материалов. В этом случае в условном обозначении указывают марку материала и номер нормативного или технического документа на материал.
П 2.9. Прокладки для диафрагм вида ДКС следует изготавливать из паронита по
ГОСТ 481-80.
По согласованию изготовителя с потребителем допускается изготовлять прокладки из других материалов.
П 2.10. Корпуса кольцевых камер диафрагм ДКС должны иметь по одному отверстию для отбора давления (Приложение 3,
чертеж 3.1).
В соответствии с
п. п. 6.2.1.2 и
6.2.11.2 ГОСТ 8.563.2-97 допускается увеличивать число отверстий для подсоединения нескольких дифманометров и манометра.
Полную схему соединений линий для измерений расхода газа, водяного пара и жидкостей собирают по ГОСТ 8.563.2-97
(приложение Б).
П 2.11. Условное обозначение диафрагмы должно состоять из обозначения диафрагмы (Приложение 3,
таблицы 3.1 и
3.2) и обозначения материала диафрагм (Приложение 3,
таблица 3.6). В условное обозначение диафрагмы ДКС дополнительно включают номер исполнения по Приложению 3
(чертеж 3.1) и другие данные, установленные предприятием-изготовителем.
Пример условного обозначения:
Диафрагмы ДБС на условное давление до 4 МПа для трубопровода с условным проходом 500 мм из стали 12Х18Н10Т:
ДБС 4-500-Б по МИ 2638-2001.
Диафрагмы ДКС на условное давление до 0,6 МПа для трубопровода с условным проходом 50 мм, материал корпусов кольцевых камер - сталь 20, материал диафрагмы - сталь 12Х18Н10Т исполнения 1:
ДКС0,6-50-А/Б-1 по МИ 2638-2001.
То же исполнения 3:
ДКС0,6-50-А/Б-3 по МИ 2638-2001.
(обязательное)
Таблица 3.1
Обозначения камерных диафрагм
Условный проход Dу, мм | Обозначение диафрагмы при условном давлении Pу, МПа |
до 0,6 | св. 0,6 до 10 | До 32 |
50 | ДКС 0,6 - 50 | ДКС 10 - 50 | ДВС 32 - 50 |
65 | ДКС 0,6 - 65 | ДКС 10 - 65 | ДВС 32 - 65 |
80 | ДКС 0,6 - 80 | ДКС 10 - 80 | ДВС 32 - 80 |
100 | ДКС 0,6 - 100 | ДКС 10 - 100 | ДВС 32 - 100 |
125 | ДКС 0,6 - 125 | ДКС 10 - 125 | ДВС 32 - 125 |
150 | ДКС 0,6 - 150 | ДКС 10 - 150 | ДВС 32 - 150 |
(175) | ДКС 0,6 - 175 | ДКС 10 - 175 | ДВС 32 - 175 |
200 | ДКС 0,6 - 200 | ДКС 10 - 200 | ДВС 32 - 200 |
(225) | ДКС 0,6 - 225 | ДКС 10 - 225 | ДВС 32 - 225 |
250 | ДКС 0,6 - 250 | ДКС 10 - 250 | ДВС 32 - 250 |
300 | ДКС 0,6 - 300 | ДКС 10 - 300 | ДВС 32 - 300 |
350 | ДКС 0,6 - 350 | ДКС 10 - 350 | ДВС 32 - 350 |
400 | ДКС 0,6 - 400 | ДКС 10 - 400 | ДВС 32 - 400 |
(450) | ДКС 0,6 - 450 | ДКС 10 - 450 | - |
500 | ДКС 0,6 - 500 | ДКС 10 - 500 | - |
Примечание. Условные проходы (Dу), указанные в скобках, не рекомендуются к применению.
Таблица 3.2
Обозначения бескамерных диафрагм
Условный проход Dу, мм | Обозначения диафрагм при условном давлении Pу, МПа |
до 0,25 | до 0,6 | св. 0,6 до 1,6 | св. 1,6 до 2,5 | св. 1,6 до 4 |
300 | ДБС 0,6 - 300 | ДБС 1,6 - 300 | ДБС 4 - 300 |
350 | ДБС 0,6 - 350 | ДБС 1,6 - 350 | ДБС 4 - 350 |
400 | ДБС 0,6 - 400 | ДБС 1,6 - 400 | ДБС 4 - 400 |
(450) | ДБС 0,6 - 450 | ДБС 1,6 - 450 | ДБС 4 - 450 |
500 | ДБС 0,6 - 500 | ДБС 1,6 - 500 | ДБС 4 - 500 |
600 | ДБС 0,6 - 600 | ДБС 1,6 - 600 | ДБС 4 - 600 |
700 | ДБС 0,6 - 700 | ДБС 1,6 - 700 | ДБС 4 - 700 |
800 | ДБС 0,6 - 800 | ДБС 1,6 - 800 | ДБС 2,5 - 800 | - |
(900) | ДБС 0,6 - 900 | ДБС 1,6 - 900 | ДБС 2,5 - 900 | - |
1000 | ДБС 0,6 - 1000 | ДБС 1,6 - 1000 | ДБС 2,5 - 1000 | - |
1200 | ДБС 0,6 - 1200 | ДБС 1,6 - 1200 | ДБС 2,5 - 1200 | - |
1400 | ДБС 0,6 - 1400 | ДБС 1,6 - 1400 | ДБС 2,5 - 1400 | - |
1600 | ДБС 0,25 - 1600 | - | - | - |
1800 | ДБС 0,25 - 1800 | - | - | - |
2000 | ДБС 0,25 - 2000 | - | - | - |
(2200) | ДБС 0,25 - 2200 | - | - | - |
2400 | ДБС 0,25 - 2400 | - | - | - |
(2800) | ДБС 0,25 - 2800 | - | - | - |
3000 | ДБС 0,25 - 3000 | - | - | - |
1 - корпус плюсовой камеры; 2 - корпус минусовой камеры;
3 - диафрагма; 4 и 5 - прокладка; 6 - патрубок
Чертеж 3.1
Чертеж 3.2а
Чертеж 3.2б
Таблица 3.3
Рекомендуемые геометрические размеры ДКС и ДБС
Условный проход, Dу | | | | | |
До 6 | Св. 6 до 10 | До 6 | Св. 6 до 10 |
50 | 96 | 107 | 80 | 80 | 87 | D4 + 1 | 3 |
65 | 116 | 127 | 100 | 100 | 109 |
80 | 132 | 142 | 115 | 115 | 120 |
100 | 152 | 162 | 135 | 137 | 149 |
125 | 182 | 192 | 165 | 166 | 175 |
150 | 207 | 217 | 190 | 191 | 203 |
(175) | 237 | 247 | 220 | 223 | 233 |
200 | 262 | 272 | 245 | 249 | 259 |
(225) | 287 | 302 | 270 | 276 | 286 |
250 | 317 | 328 | 295 | 303 | 312 |
300 | 372 | 383 | 350 | 356 | 363 | 4 |
350 | 422 | 443 | 405 | 406 | 421 |
400 | 472 | 490 | 453 | 456 | 473 |
(450) | 527 | 555 | 505 | 509 | 523 |
500 | 577 | 605 | 555 | 561 | 575 |
Примечание: Пределы отклонения размеров D
2, D
4 и D
5 корректируются и согласуются по рекомендациям
п. 4.12.1.
1 - диафрагма; 2 - ушко; 3 - пластина
Таблица 3.4
Условный проход Dу | Диаметр D при Pу, Мпа |
до 0,25 | до 0,6 | св. 0,6 до 1,6 | св. 1,6 до 2,5 | св. 1,6 до 4 |
300 | 365 | 370 | 395 |
350 | 415 | 430 | 455 |
400 | 465 | 485 | 510 |
(450) | 520 | 535 | 560 |
500 | 570 | 590 | 615 |
600 | 670 | 690 | 725 |
700 | 775 | 800 | 830 |
800 | 880 | 905 | 940 | - |
(900) | 980 | 1005 | 1035 | - |
1000 | 1080 | 1110 | 1150 | - |
1200 | 1280 | 1330 | 1360 | - |
1400 | 1510 | 1530 | - | - |
1600 | 1690 | - | - | - | - |
1800 | 1890 | - | - | - | - |
2000 | 2090 | - | - | - | - |
(2200) | 2300 | - | - | - | - |
2400 | 2500 | - | - | - | - |
(2600) | 2700 | - | - | - | - |
(2800) | 2910 | - | - | - | - |
3000 | 3120 | - | - | - | - |
Примечание к
таблицам 3.3 и
3.4: Неуказанные предельные отклонения размеров: H16, h16 и IT16/2. Предельное отклонение размера D
2 для диафрагм ДКС устанавливают в рабочих чертежах.
Примечания к Приложению:
1. Допускается совместная обработка корпуса плюсовой камеры с диафрагмой по размеру, указанному в квадратных скобках, для исполнений 1 и 2
(чертеж 3.1).
2. Допускается по заказу потребителя изготовлять патрубки (
чертеж 3.1, поз. 6) с наружным диаметром 14 мм.
3. Исполнение 2
(чертеж 3.1) применяют для ранее разработанных установок.
4. По заказу потребителя допускается (для диафрагм ДКС) уменьшать диаметр D
(чертеж 3.3), значение которого потребитель устанавливает в исходных данных.
Таблица 3.5
Обозначение диафрагмы | Условный проход, Dу | D2, мм | Наружный диаметр трубопровода, Dн, мм | Внутренний диаметр, D20, мм |
ДФС-10-50-Б | 50 | 88h12(-0,35) | 57 | От 50 до 54 |
ДФС-10-50-В |
ДФС-10-65-Б | 65 | 110h12(-0,35) | 76 | Св. 54 до 73 |
ДФС-10-65-В |
ДФС-10-80-Б | 80 | 121h12(-0,4) | 89 | Св. 73 до 84 |
ДФС-10-80-В |
ДФС-10-100-Б | 100 | 150h12(-0,4) | 108 | Св. 44 до 103 |
ДФС-10-100-В |
ДФС-10-125-Б | 125 | 176h12(-0,4) | 133 | Св. 103 до 127 |
ДФС-10-125-В |
ДФС-10-150-Б | 150 | 204h12(-0,46) | 159 | Св. 127 до 152 |
ДФС-10-150-В |
ДФС-10-175-Б | 175 | 234h12(-0,46) | 194 | Св. 152 до 185 |
ДФС-10-175-В |
ДФС-10-200-Б | 200 | 260h12(-0,52) | 219 | Св. 185 до 210 |
ДФС-10-200-В |
ДФС-10-225-Б | 225 | 287h12(-0,52) | 245 | Св. 210 до 233 |
ДФС-10-225-В |
ДФС-10-250-Б | 250 | 313h12(-0,52) | 273 | Св. 233 до 261 |
ДФС-10-250-В |
ДФС-10-300-Б | 300 | 364h12(-0,57) | 325 | Св. 261 до 310 |
ДФС-10-300-В |
ДФС-10-350-Б | 350 | 422h12(-0,63) | 377 | Св. 310 до 360 |
ДФС-10-350-В |
ДФС-10-400-Б | 400 | 474h12(-0,63) | 426 | Св. 360 до 407 |
ДФС-10-400-В |
Таблица 3.6
Рекомендуемые значения толщины диафрагмы
Условный проход Dу | Толщина диафрагмы E при перепадах давлений  , кПа |
6,3 | 10 | 16 | 25 | 40 | 63 | 100 | 160 | 250 | 400 | 630 |
50 | 2,5 | | | | | | | | | | |
65 | | | | | | | | | | | |
80 | | | | | | | | | | 3 | |
100 | 3 | | | | | | | 3 | | | |
125 | | | | | | | | | | | |
150 | | | | | | | | | | 6 | |
| | | | | | | | | | | |
(175) | | | | | | | | | | 6 | |
200 | | | | | | | | | 6 | | 8 |
(225) | | | | | | | | 6 | | |
250 | | | | | | 6 | | | | 8 | |
300 | 6 | | | | | | 6 | | | | |
350 | | | | | | | | | 8 | 10 | 12 |
400 | | | | | | | | | 8 | 10 | 12 |
(450) | | | | | | | | 8 | 10 | 12 | 16 |
500 | | | | | | | 8 | | | 16 | 16 |
| | | | | | | | 10 | 12 | 16 | 20 |
600 | | | | | | 8 | 10 | 12 | 16 | 20 | 25 |
700 | 8 | | | | | | | 12 | 16 | 20 | 25 |
800 | | | | | | 10 | 12 | 16 | 20 | 25 | 30 |
(900) | | | | | | | 12 | 16 | 20 | 25 | 30 |
1000 | | | | 10 | 10 | 12 | 16 | 20 | 25 | 30 | 36 |
1200 | 10 | | | | 12 | 16 | 20 | 25 | 30 | 36 | 45 |
1400 | | | | 12 | 12 | 16 | 20 | 25 | 30 | 40 | 50 |
1600 | | 12 | 12 | 12 | 16 | 25 | 25 | 25 | 36 | 45 | 60 |
(1800) | 12 | 12 | 16 | 16 | 20 | 25 | 25 | 36 | 40 | 50 | 60 |
2000 | | 16 | 16 | 16 | 20 | 25 | 30 | 36 | 45 | 60 | 70 |
(2200) | | | 16 | 16 | 20 | 25 | 30 | 40 | 50 | 60 | 80 |
2400 | | | 16 | 20 | 20 | 25 | 36 | 40 | 60 | 70 | 80 |
(2600) | 16 | | 16 | 20 | 25 | 25 | 40 | 45 | 60 | 70 | 90 |
(2800) | | | 20 | 20 | 25 | 30 | 40 | 50 | 60 | 80 | 100 |
3000 | | | 20 | 25 | 25 | 36 | 45 | 50 | 70 | 80 | 100 |
Таблица 3.7
Материалы диафрагм и их условные обозначения
Марка материала | Условное обозначение материала в условном обозначении диафрагмы |
Корпуса кольцевой камеры | Диафрагмы |
| | ИС МЕГАНОРМ: примечание. Взамен ГОСТ 1050-74 Постановлением Госстандарта СССР от 24.11.1988 N 3811 с 1 января 1991 года введен в действие ГОСТ 1050-88. | |
|
Сталь 20,25 по ГОСТ 1050-74 | - | А |
- | Сталь 12Х18Н10Т | Б |
Сталь 20,25 по ГОСТ 1050-74 | А/Б |
Сталь 12Х18Н10Т | Сталь 12Х18Н10Т | Б/Б |
- | Сталь 10Х17Н13М2Т | В |
Сталь 20,25 по ГОСТ 1050-74 | Сталь 10Х17Н13М2Т | А/В |
Сталь 10Х17Н13М2Т | В/В |
- | Сталь 12Х17 | Г |
Сталь 20,25 по ГОСТ 1050-74 | А/Г |
- | Сталь 15Х12ВНМФ | Д |
Сталь 20,25 по ГОСТ 1050-74 | А/Д |
Примечание. Измеряемая среда должна быть химически нейтральной по отношению к материалам диафрагмы и не содержать механических включений. Наличие коррозии на корпусах кольцевых камер не влияет на нормальную эксплуатацию диафрагмы.
Таблица 3.8
Пределы допускаемых суммарных зазоров размерной цепи,
равные допускаемому значению эксцентриситета диафрагмы
относительно оси симметрии измерительного трубопровода
Условный проход Dу, мм | Суммарный зазор при  , равном | Условный проход Dу, мм | Суммарный зазор при  , равном |
От значения | 0,8 | 0,2 | От значения | 0,8 | 0,2 |
До значения, мм | До значения, мм |
50 | 0 | 0,12 | 1,21 | (225) | 0 | 0,54 | 5,43 |
65 | 0,16 | 1,57 | 250 | 0,60 | 6,03 |
80 | 0,19 | 1,93 | 300 | 0,72 | 7,23 |
100 | 0,24 | 2,41 | 350 | 0,84 | 8,44 |
125 | 0,30 | 3,01 | 400 | 0,96 | 9,65 |
150 | 0,36 | 3,62 | (450) | 1,08 | 10,85 |
(175) | 0,42 | 4,22 | 500 | 1,20 | 12,06 |
200 | 0,48 | 4,82 | | | |
Примечание: При относительном диаметре, отличном от 0,2 или 0,8, максимальное допустимое значение суммарного зазора определяется по формуле
(7.6) ГОСТ 8.563.1-97 при заданном значении

.
(справочное)
ДЛИНА ЦИЛИНДРИЧЕСКОЙ ЧАСТИ ОТВЕРСТИЯ e, ВНУТРЕННИЙ
ДИАМЕТР ТРУБОПРОВОДА D20 И НАРУЖНЫЙ ДИАМЕТР DН
Зависимость длины цилиндрической части отверстия e, внутреннего диаметра трубопровода D
20 и наружного диаметра D
н от условного прохода D
у указана в таблице 4.1 - для диафрагм вида ДКС, в
таблице 4.2 - для диафрагм вида ДВС и
таблице 4.3 - для диафрагм вида ДБС.
Таблица 4.1
Рекомендуемые диаметры цилиндрической
части диафрагм типа ДКС
Условный проход Dу | Длина цилиндрической части отверстия e | Диаметр трубопровода |
Dн | D20 при Pу |
До 2,5 МПа | Свыше 2,5 до 10 МПа |
50 | От 0,265 до 1 | 57 | От 50 до 53 | От 50 до 54 |
65 | От 0,36 до 1,06 | 76 | Св. 53 до 73 | Св. 54 до 73 |
80 | От 0,43 до 1,44 | 89 | Св. 73 до 86 | Св. 73 до 84 |
100 | От 0,52 до 1,7 | 108 | Св. 86 до 105 | Св. 84 до 103 |
125 | От 0,65 до 2,08 | 133 | Св. 105 до 130 | Св. 103 до 127 |
150 | От 0,77 до 2,58 | 159 | Св. 130 до 155 | Св. 127 до 152 |
(175) | От 0,94 до 3,08 | 194 | Св. 155 до 189 | Св. 152 до 185 |
200 | От 1,06 до 3,76 | 219 | Св. 189 до 213 | Св. 185 до 210 |
(225) | От 1,19 до 4,24 | 245 | Св. 213 до 237 | Св. 210 до 233 |
250 | От 1,33 до 4,74 | 273 | Св. 237 до 266 | Св. 233 до 261 |
300 | От 1,59 до 5,3 | 325 | Св. 266 до 317 | Св. 261 до 310 |
350 | От 1,85 до 6,34 | 377 | Св. 317 до 369 | Св. 310 до 360 |
400 | От 2,09 до 7,38 | 426 | Св. 369 до 418 | Св. 360 до 407 |
(450) | От 2,35 до 8,36 | 480 | Св. 418 до 470 | Св. 407 до 461 |
500 | От 2,6 до 9,4 | 530 | Св. 470 до 520 | Св. 461 до 510 |
Таблица 4.2
Рекомендуемые диаметры цилиндрической части диафрагм
типа ДВС
Условный проход Dу | Длина цилиндрической части отверстия e | Диаметр трубопровода |
Dн | D20 при Pу свыше 10 до 32 МПа |
50 | От 0,265 до 1 | 57 | От 50 до 51 включ. |
60 | |
65 | От 0,36 до 1,06 | 76 | От 64 до 68 включ. |
83 | От 63 до 72 включ. |
80 | От 0,43 до 1,44 | 89 | От 75 до 80 включ. |
102 | От 78 до 88 включ. |
100 | От 0,52 до 1,7 | 108 | От 92 до 97 включ. |
114 | От 86 до 98 включ. |
125 | От 0,65 до 2,08 | 133 | От 111 до 120 включ. |
140 | От 106 до 120 включ. |
150 | От 0,77 до 2,58 | 159 | От 135 до 143 включ. |
168 | От 128 до 144 включ. |
200 | От 1,06 до 3,76 | 219 | От 185 до 197 включ. |
245 | От 185 до 211 включ. |
250 | От 1,33 до 4,74 | 273 | От 205 до 247 включ. |
299 | От 227 до 265 включ. |
300 | От 1,59 до 5,3 | 325 | От 277 до 293 включ. |
351 | От 267 до 303 включ. |
350 | От 1,85 до 6,34 | 377 | От 321 до 341 включ. |
426 | От 326 до 370 включ. |
400 | От 2,09 до 7,38 | 426 | От 362 до 386 включ. |
465 | От 353 до 405 включ. |
Таблица 4.3
Рекомендуемые диаметры цилиндрической части диафрагм
типа ДБС
Условный проход Dу | Длина цилиндрической части отверстия e | Диаметр трубопровода |
Dн | D20 при Pу до 4 МПа |
300 | От 1,59 до 5,3 | 325 | От 266 до 317 |
350 | От 1,85 до 6,34 | 377 | Св. 317 до 369 |
400 | От 2,09 до 7,38 | 426 | Св. 369 до 418 |
(450) | От 2,35 до 8,36 | 480 | Св. 418 до 471 |
500 | От 2,6 до 9,4 | 530 | Св. 471 до 521 |
600 | От 3,1 до 10,4 | 630 | Св. 521 до 621 |
700 | От 3,55 до 12,4 | 720 | Св. 621 до 711 |
800 | От 4,04 до 14,2 | 820 | Св. 711 до 809 |
(900) | От 4,54 до 16,08 | 920 | Св. 809 до 909 |
1000 | От 5,04 до 18,16 | 1020 | Св. 909 до 1009 |
1200 | От 5,54 до 20,16 | 1120 | Св. 1009 до 1109 |
1220 | Св. 1109 до 1209 |
1400 | От 6,04 до 22,16 | 1320 | Св. 1209 до 1309 |
1420 | Св. 1309 до 1409 |
1600 | От 8,1 до 28,16 | 1520 | Св. 1409 до 1501 |
1620 | Св. 1501 до 1608 |
Сварочные швы
Конструкция и размеры фланцев с патрубками
--------------------------------
<*> Размер для справок.
<**> Размеры для одного фланца каждой пары.
Чертеж 4.2
Вариант с фланцевым соединением
--------------------------------
<*> - диаметры для трехрадиусного отбора перепада давления
<**> - диаметры для фланцевого отбора
Таблица 4.4
Pусл кг/см2 | D0 | d | D | D1 | D2 | D3 | k | l | t | n | B |
100 | 50 | По спецификации заказа (допуск 0,001d) | 110 | 48 | +0,34 | 90 | | 72 | 4 | 0,5 | 1,2 | | 9 | 2,5 |
200 | 60 | 135 | 60 | | 116 | -0,46 -0,7 | 84 | 4 | 0,5 | 1,2 | 9 | 2,5 |
100 | 70 | 135 | 65 | +0,4 | 113 | 92 | 4 | 1 | 1,7 | 10 | 3 |
100 | 80 | 160 | 78 | | 137 | | 106 | 4 | 1 | 1,7 | 10 | 3 |
200 | 80 | 160 | 80 | 138 | 106 | 4 | 1 | 1,7 | 10 | 3 |
100 | 100 | 180 | 95 | | 157 | -0,53 -0,8 | 130 | 6 | 1 | 2 | 10 | 3 |
200 | 100 | 190 | 105 | +0,46 | 170 | 134 | 6 | 1 | 2 | 10 | 3 |
100 | 125 | 205 | 120 | | 182 | | 155 | 8 | 1 | 2 | 10 | 3 |
200 | 125 | 235 | 130 | | 214 | 162 | 8 | 1 | 2 | 10 | 3 |
100 | 150 | 240 | 142 | 220 | -0,6 -0,9 | 180 | 8 | 1 | 2 | +0,12 | 10 | 3 |
200 | 150 | 265 | 150 | +0,53 | 245 | 182 | 8 | 1 | 2 | 10 | 3 |
200 | 175 | 290 | 173 | | 268 | | 203 | 8 | 1 | 2 | | 10 | 3 |
100 | 200 | 300 | 195 | | 280 | 240 | 10 | 1 | 2 | 10 | 3 |
200 | 200 | 340 | 195 | 319 | -0,68 -1,0 | 225 | 10 | 1 | 2 | 10 | 3 |
200 | 225 | 340 | 217 | +0,6 | 319 | 247 | 12 | 1 | 2 | 10 | 3 |
100 | 250 | 360 | 242 | | 338 | 290 | 14 | 1 | 2 | 10 | 3 |
| | ИС МЕГАНОРМ: примечание. Постановлением Госстандарта СССР от 27.12.1972 N 2340 с 1 января 1975 года введен в действие ГОСТ 5632-72. | |
Материал диафрагмы:
X17 при t <= 400° 12Х18Н9Т при t > 400° или агрессивной
среде ГОСТ 5632-51, ГОСТ 2590-51
(рекомендуемое)
Чертеж 5.1
Чертеж 5.2
Таблица 5.1
Условный проход, Dу | Номинал D1 при Pу, МПа | D2 Номинал | D3 | h | a |
До 6 | Св. 6 до 10 |
50 | 90 | 100 | 80 | 70 | 3 | 1,5 |
65 | 110 | 120 | 100 | 90 |
80 | 125 | 135 | 115 | 105 |
100 | 145 | 155 | 135 | 125 |
125 | 175 | 185 | 165 | 155 | 5(4) | 2,5 |
150 | 200 | 210 | 190 | 180 |
(175) | 230 | 240 | 220 | 210 |
200 | 255 | 265 | 245 | 235 |
(225) | 280 | 295 | 270 | 260 |
250 | 310 | 320 | 295 | 284 |
300 | 365 | 375 | 350 | 335 | 6(5) |
350 | 415 | 435 | 405 | 390 |
400 | 465 | 482 | 453 | 438 |
(450) | 520 | 545 | 505 | 488 |
500 | 570 | 595 | 555 | 540 |
Примечания:
1. Размеры D, D
4, D
5 и h
l в зависимости от D
у приведены в Приложении 3
(таблица 3.3).
2. Пределы отклонения размеров D
1, D
2, D
4 и D
5 корректируются и согласуются по рекомендациям
п. 4.12.1.
3. Неуказанные предельные отклонения размеров H16, h6 и IT 16/2.
4. При выполнении измерений по
МИ 2588-2000 допускаемое значение h указано в скобках.
(справочное)
ПО УСТАНОВКЕ ДИАФРАГМЫ В ТРУБОПРОВОДЕ
Диафрагмы должны быть установлены в фланцевые соединения, состоящие из патрубка с фланцами (Приложение 4,
чертеж 4.3).
Внутренние диаметры патрубков, их длина, а также способ сопряжения с трубопроводом должны соответствовать
ГОСТ 8.563.1-97.
При выполнении измерений расхода и количества по
МИ 2588-2000 за диаметр D
20 принимают внутренний диаметр патрубка перед сужающим устройством при температуре 20 °C.
Для монтажа диафрагм могут использоваться различные виды фланцев, выпускаемых по нормативной или технической документации, в т.ч.:
для диафрагм вида ДКС - фланцы по
ГОСТ 12815-80 с доработкой посадочного диаметра под номинальный размер D
4 (Приложение 3,
таблица 3.3) с предельным допускаемым отклонением h10 при D
у <= 125 мм и h11 при D
у свыше 125 мм - для диафрагм исполнения I и под номинальный размер D
6 - для диафрагм исполнения II.
(рекомендуемое)
ИЗМЕРЕНИЙ ПАРАМЕТРОВ ДИАФРАГМ
Предприятие ___________________
Акт
регистрационный N _______________
Характеристика сужающего устройства | Значение характеристики и маркировка материала |
Тип сужающего устройства | диафрагма с угловым отбором |
Диаметр отверстия d20, мм | |
Материал | |
Толщина диафрагмы Eд, мм | |
Длина цилиндрической части e, мм | |
Наружный диаметр, D2, мм Допуск на наружный диаметр, мкм | |
Шероховатость диафрагмы: входного торца, мкм выходного торца, мкм цилиндрической части, мкм | |
Измерения диаметра отверстия проводились __________________________________
наименование средств измерений
с ценой деления __________________________________________
и основной погрешностью __________________________________
со сроком поверки до "___" _______________________________ 200 г.
______________________________ ________________ _____________________
Должность представителя подпись и.о. фамилия
предприятия-контрагента
Место печати
______________________________ ________________ _____________________
Должность представителя подпись и.о. фамилия
предприятия-владельца
Место печати
"___" ______________ 200 года
(рекомендуемое)
ИЗМЕРЕНИЙ ВНУТРЕННЕГО ДИАМЕТРА ИЗМЕРИТЕЛЬНОГО ТРУБОПРОВОДА
Предприятие _______________________
Акт
измерений внутреннего диаметра трубопровода
Материал трубопровода _____________________________________________________
Эквивалентная шероховатость, мм __________________________________________.
Температура, при которой выполнялись измерения,

, °C ____________________.
Множитель поправки на температурное расширение материала,

_____________.
Сечение 1 | Сечение 2 | Сечение 3 |
D11 = | D21 = | D31 = |
D12 = | D22 = | D32 = |
D13 = | D23 = | D33 = |
D14 = | D24 = | D34 = |
Средний диаметр

____________;
максимальное отклонение

___________.
Результаты расчета
Средний диаметр при температуре Диаметр при температуре
измерений ____ °C, мм 20 °C, мм

________.

_______.
Измерения проводились _____________________________________________________
наименование средств измерений
с ценой деления __________________________
и основной погрешностью __________________
со сроком поверки до "___" _______________ 200 г.
______________________________ _______________ _______________________
Должность представителя подпись и.о. фамилия
предприятия-контрагента
Место печати
______________________________ _______________ _______________________
Должность представителя подпись и.о. фамилия
предприятия-владельца
Место печати
"___" ________________ 200 года
(рекомендуемое)
ИЗМЕРЕНИЙ ВНУТРЕННЕГО ДИАМЕТРА ИЗМЕРИТЕЛЬНОГО ТРУБОПРОВОДА
Предприятие _____________________
Акт
измерений внутреннего диаметра трубопровода
Материал трубопровода ____________________________________________________.
Эквивалентная шероховатость, мм __________________________________________.
Температура, при которой выполнялись измерения,

, °C ___________________.
Множитель поправки на температурное расширение материала,

_____________.
Результат измерений по
МИ 2588-2000 (сечение 1 - внутренний диаметр в
точке отбора разности давления "+"):

_____;

_____;

_____;

_____;

_________;
максимальное отклонение

_______________________.
Результаты расчета
Средний диаметр при температуре Диаметр при температуре
измерений _____ °C, мм 20 °C, мм

_______.

_______.
Измерения проводились _____________________________________________________
наименование средств измерений
с ценой деления _____________________
и основной погрешностью _____ со сроком поверки до "___" __________ 200 г.
______________________________ _______________ _______________________
Должность представителя подпись и.о. фамилия
предприятия-контрагента
Место печати
______________________________ _______________ _______________________
Должность представителя подпись и.о. фамилия
предприятия-владельца
Место печати
"___" _________________ 200 года
(рекомендуемое)
ОПРЕДЕЛЕНИЯ ЭКВИВАЛЕНТНОЙ ШЕРОХОВАТОСТИ ИЗМЕРИТЕЛЬНОГО
Предприятие _____________________________
Акт
определения эквивалентной шероховатости измерительного
Материал трубопровода - __________________________________________________.
Тип трубы: ______________________________.
Состояние внутренней поверхности трубопровода - ___________________________
__________________________________________________________________________.
Значение эквивалентной шероховатости по
таблице Б1 приложения
Б ГОСТ 8.563.1-97, мм - ___________.
______________________________ _______________ _______________________
Должность представителя подпись и.о. фамилия
предприятия-контрагента
Место печати
______________________________ _______________ _______________________
Должность представителя подпись и.о. фамилия
предприятия-владельца
Место печати
"___" _________________ 200 года
(рекомендуемое)
ОПРЕДЕЛЕНИЯ ЭКВИВАЛЕНТНОЙ ШЕРОХОВАТОСТИ ИЗМЕРИТЕЛЬНОГО
Предприятие ____________________________
Акт
определения эквивалентной шероховатости измерительного
Материал трубопровода - сталь.
Тип трубы: _______________________________________________________________.
Состояние внутренней поверхности трубопровода - ___________________________
__________________________________________________________________________.
Значение эквивалентной шероховатости по таблице
приложения А
МИ 2588-2000, мм - ________________.
______________________________ _______________ _______________________
Должность представителя подпись и.о. фамилия
предприятия-контрагента
Место печати
______________________________ _______________ _______________________
Должность представителя подпись и.о. фамилия
предприятия-владельца
Место печати
"___" _________________ 200 года
РАСЧЕТА ПОГРЕШНОСТИ ИЗМЕРИТЕЛЬНЫХ КОМПЛЕКСОВ С СУЖАЮЩИМИ
УСТРОЙСТВАМИ, ВЫЗВАННОЙ СОКРАЩЕНИЕМ ДЛИНЫ ПРЯМОЛИНЕЙНЫХ
УЧАСТКОВ В ПЕРВИЧНОМ ПРЕОБРАЗОВАТЕЛЕ
1. Формируют исходные данные для расчета погрешности измерений.
1.1. В результате выполнения
п. 5.5 рассчитывают расстояния между местными сопротивлениями (МС) l
1p, l
2p и l
np, соответствующие температуре 20 °C, по формулам:

;

;

.
Значения температурного коэффициента линейного расширения измерительного трубопровода (ИТ)

определяют либо расчетом по
приложению В ГОСТ 8.563.1-97 (далее - ГОСТ), либо по сертификату поставщика на материал трубопровода.
1.2. Рассчитывают значения относительной длины между МС по формулам

;

;

.
Полученные значения относительной длины в точности равны относительной длине при любой температуре среды tср, так как действует равенство для любого i-того (1, 2 или n-ного) расстояния

.
1.3. В результате имеем исходные данные, необходимые для расчета погрешности:
- температуру среды tср (при выполнении обратного расчета) и допускаемый диапазон изменения температуры среды за межповерочный интервал tmin и tmax (при составлении комплекта технической документации на измерительный комплекс с сужающим устройством (ИК));
- материал трубопровода;
- тип первого МС;
- тип второго МС;
- наличие МС после сужающего устройства (СУ);
- относительное расстояние между СУ и МС1, L1p;
- относительное расстояние между МС1 и МС2, L2p;
- относительное расстояние между СУ и МС после СУ, Lnp;
- относительные диаметры СУ при температурах среды:

,

,

.
При анализе МС руководствуются следующими рекомендациями.
Если гильза термометра располагается после СУ, она рассматривается как МС только в том случае, если расположена на расстоянии менее 10D. Рекомендация по установке термометра (
п. 6.3.4 ГОСТ 8.563.2-97) предусматривает его установку на расстоянии от 5D до 15D. Аналогичное положение возникает при установке термометра в колене или расширителе. Если эти элементы расположены на расстоянии более 10D после СУ, то они не рассматриваются как МС.
Если гильза термометра располагается перед СУ, то специально обратим внимание, что в ГОСТ гильза термометра должна располагаться на прямолинейном участке (примечание 5 к таблице 2 ГОСТ) и является МС1, что, по существу, "скрывает" тип МС перед термометром, если выполняется рекомендация п. 7.2.8.б. Такое же положение было в
РД 50-213-80, но там гильза термометра не была МС.
На основании конструктивных особенностей элементов измерительного трубопровода назначают тип первого (МС1) по приложению В2 ГОСТ. Например, для колен (одиночное колено или группа колен) имеется рекомендация, основанная на указании необходимой длины прямолинейного участка после колена. Если она больше 14D, то колено признается как одиночное. Иначе это МС трактуется как группа колен в одной или разных плоскостях.
Если имеется какой-либо другой конструктивный тип МС1, перечисленный в таблице 2 ГОСТ, и если длина, рассчитанная по формуле (7.3) ГОСТ, Lк2 больше, чем фактическая длина L2р, тогда:
- проверяют возможность сокращения длины между первым и вторым МС по рекомендациям п. 7.2.9. ГОСТ, а если это недопустимо, то
- МС1 принимают сопротивлением "неопределенного типа", что необходимо отразить в названии МС1, независимо от конструктивных особенностей элементов ИТ.
2. Расчет погрешности

осуществляют по п. 7.2 ГОСТ в двух вариантах:
- второе МС отсутствует;
- второе МС имеется.
3. Расчет погрешности производят в следующей последовательности.
3.1. При отсутствии второго МС.
3.1.1. Назначают тип МС1 по приложению В2 ГОСТ.
3.1.2. По формуле (7.1) ГОСТ рассчитывают наименьшую длину (L
k1)
p (при обратном расчете, когда относительный диаметр равен

или

и

. При формировании комплекта технической документации на ИК определяют

;

. Округляют полученное значение до ближайшего большего целого значения (примечание 1 к таблице 2 ГОСТ). Результатом является значение L
k1. Аналогично рассчитывают допустимое значение (L
kn)
p.
3.1.3. Сравнивают Lk1 и L1p
Если Lk1 < L1p, погрешность отсутствует. Иначе выполняют расчет погрешности в следующей последовательности:
3.1.3.1. В зависимости от того, анализируется действующий

или вновь проектируемый

ИК (п. 7.2.4 ГОСТ), рассчитывают значения (L
1)
7.2. Из формулы (7.2) ГОСТ имеем

. (1)
3.1.3.2. Минимальное значение расстояния между МС1 и СУ с допускаемой погрешностью (первое значение получено по формуле 7.4 ГОСТ, второе - предельно допустимое значение lp1 п. 7.2.4 ГОСТ, равное 5D)

. (2)
3.1.3.3. Если условие L1p >= (L1p)min выполняется, то по формуле (7.2) ГОСТ при L1 = L1p рассчитывают погрешность от сокращения длины прямолинейного участка

.
Если выполняется условие L
1p < (L
1p)
min, то или выполняют переход к
п. 5.5.6 данной рекомендации или к
п. 7 данного Приложения, или ИК бракуют.
3.2.1. Назначают тип МС1 по приложению В2 ГОСТ.
3.2.2. По
п. 3.1.2 рассчитывают наименьшую длину L
k1.
3.2.3. Для заданного типа МС2 по формуле (7.3) ГОСТ рассчитывают наименьшую длину Lk2.
3.2.4. Формируют значения допускаемых расстояний между элементами первичного преобразователя
- Условие для минимального допускаемого суммарного значения из формулы 7.4 ГОСТ при допускаемом значении L
1 из
п. 3.1.3.1
L
1p + L
2p >= (L
1)
7.2 + L
k2. (3)
- Минимальное значение расстояния между МС1 и СУ с допускаемой погрешностью (первое значение получено по формуле 7.4 ГОСТ, второе - предельно допустимое значение lp1 п. 7.2.4 ГОСТ, равное 5D)

. (4)
- Минимальное значение расстояния между МС1 и МС2 без совмещения (первое значение получено по формуле 7.4 ГОСТ, второе - предельно допускаемое значение)

. (5)
3.2.6. Сравнивают L2p >= (L2p)min.
3.2.6.1. Если это условие не выполняется, то необходимо совместить МС1 и МС2 в одно МС, которое принимается как МС "неопределенного типа".
В этом случае определяют погрешность от сокращения прямолинейных участков по алгоритму, изложенному в
п. 3.1. При наличии других МС на длине 100D переходят к расчету, изложенному в
п. 4.
3.2.6.2. Если условие L2p >= (L2p)min выполняется, то погрешность определяют по следующему алгоритму:
3.2.6.2.1. По формуле (7.4) ГОСТ рассчитывают значение
L1 = L1p + L2p - Lk2.
3.2.6.2.2. По формуле (7.2) ГОСТ рассчитывают значение погрешности

.
4. После того как МС1 назначено МС "неопределенного типа", принимают во внимание третий конструктивный элемент, имеющийся на расстоянии 100D, который назначают МС2 и повторяют действия, изложенные в
п. 3.2, с новым составом МС: первое сопротивление МС1 имеет тип "сопротивление неопределенного типа", и второе МС2 назначается исходя из типа третьего МС на участке 100D. Действия п. 4 продолжают до тех пор, пока не исчерпают МС на участке 100D.
5. Рассчитывают допустимую длину после сужающего устройства L
kn по формуле (7.1) ГОСТ и рекомендациям, изложенным в
п. 3.1.2.
5.1. Сравнивают фактическое значение длины после сужающего устройства Lnp с допускаемым Lkn. Если Lkn < Lnp, погрешность за счет сокращения длины прямолинейного участка после СУ отсутствует. Иначе по рекомендациям п. 7.2.4. проверяется условие Lkn' < Lnp (Lkn' - значение, равное 0,5Lkn). Если оно выполняется, то возникает дополнительная погрешность, принимая равной 0,5%, которая суммируется арифметически. Если оно не выполняется, то ИК бракуется.
6. Общую погрешность от одновременного сокращения прямолинейных участков до и после СУ суммируют арифметически. Результат суммирования не должен превышать 1% для действующего узла и 0,5% для вновь создаваемого ИК (п. 7.2.4 ГОСТ). Это требование необходимо учитывать при действиях, рекомендованных
п. 3.1 и
3.2 данного Приложения.
7. В соответствии с п. 7.2.5 (ГОСТ) применение сокращенных длин прямолинейных участков "возможно до получения результатов исследований с целью определить возникающую дополнительную погрешность или уточнения значения коэффициента истечения по методике, согласованной с заинтересованными сторонами".
ПОСЛЕДОВАТЕЛЬНОСТЬ СОСТАВЛЕНИЯ КОМПЛЕКТА
ТЕХНИЧЕСКОЙ ДОКУМЕНТАЦИИ И ВЫПОЛНЕНИЯ ПОВЕРКИ
ИЗМЕРИТЕЛЬНЫХ КОМПЛЕКСОВ С СУЖАЮЩИМИ УСТРОЙСТВАМИ
ПО РЕЗУЛЬТАТАМ ВЫПОЛНЕНИЯ МЕТОДИКИ КОНТРОЛЯ
1. Составляют акт определения эквивалентной шероховатости измерительного трубопровода, руководствуясь
п. 6.6 настоящей рекомендации.
2. В зависимости от принятого решения по
п. 1 рекомендуют методику выполнения измерений расхода и количества: по
ГОСТ 8.563.2-97 или по
МИ 2588-2000. Принятые решения отражают в опросном листе.
3. Принимают решение о допускаемой погрешности ИК, руководствуясь рекомендациями МИ 2634-2001. Значение допускаемой погрешности согласуют между собой предприятие-владелец ИК и предприятие-контрагент. Согласованные результаты указывают в опросном листе.
4. Производят измерения параметров сужающего устройства, предусмотренные
разделом 4 настоящей рекомендации.
5. Составляют акт измерений, форма которого рекомендована в
Приложении 7 настоящей рекомендации. Назначают значение межповерочного интервала. Результаты измерений регистрируют в опросном листе.
6. Производят измерения параметров измерительного трубопровода, предусмотренные
разделом 5 настоящей рекомендации, в зависимости от принятой в
п. 2 методики выполнения измерений расхода и количества.
7. Составляют акт измерений внутреннего диаметра измерительного трубопровода, форма которого приведена в
Приложении 8 или
9 настоящей рекомендации. Результаты измерений регистрируют в опросном листе.
8. Выполняют поверку всех преобразователей, входящих в состав ИК, и результаты поверки фиксируют в установленном порядке. Порядок поверки вычислителя отражается в документах, представляемых на сертификацию. Результаты поверки регистрируют в опросном листе.
| | ИС МЕГАНОРМ: примечание. В официальном тексте документа, видимо, допущена опечатка: пункт 5.1.1.3 отсутствует. | |
9. Представитель предприятия-владельца ИК и представителя-контрагента согласуют и назначают диапазоны изменения параметров в соответствии с рекомендациями п. 5.1.1.3 и фиксируют их в опросном листе.
10. Результаты анализа конструктивных типов местных сопротивлений и измерений длин прямолинейных участков между ними на расстоянии 100D перед сужающим устройством и 10D после сужающего устройства фиксируют в опросном листе.
11. Составляют согласованный между предприятием-владельцем ИК и предприятием-контрагентом опросный лист. Рекомендованная форма опросного листа представлена в
Приложении 14.
12. По данным опросного листа выполняются расчеты, которые регистрируются в форме, рекомендованной
Приложением 15.
13. Составляют "Паспорт сужающего устройства" в соответствии с
приложением Б ПР 50.2.022-99.
15. Полученные результаты поступают в органы Государственной метрологической службы, где выполняются работы по Государственному метрологическому контролю, на основании которых выдается свидетельство о поверке ИК. Форма свидетельства о поверке по
ПР 50.2.006 в редакции 2002 года приведена в
Приложении 16.
Все работы, перечисленные в
пунктах с 1 по
14, должны выполняться в сотрудничестве с региональными ЦСМ. Формы сотрудничества в каждом регионе вырабатывают индивидуально в процессе взаимодействия между предприятием-владельцем ИК, предприятием-контрагентом и ЦСМ. Эти формы отражают в договоре на выполнение Государственного метрологического контроля.
Примечание. В соответствии с ПР 50.2.022-99
п. 5.1 "Комплект технической документации на ИК формирует, оформляет и хранит предприятие-владелец ИК", а в соответствии с
п. 5.1.1.6,
5.2 и
приложениями А и
Б вопрос о пригодности к эксплуатации ИК решают между собой предприятие-владелец и предприятие-контрагент. При Государственном метрологическом контроле и надзоре контролирующие органы должны согласиться с принятыми решениями и допустить ИК к коммерческому учету, у которого погрешность от сокращения прямолинейных длин превышает нормы, оговоренные в ГОСТ 8.563.1-97
(п. 7.2.5), но зафиксировать принятые решения в комплекте технической документации на ИК. Этот комментарий распространяется на любые решения, согласованные поставщиком и потребителем. Эксплуатация таких ИК допускается. Контролирующие органы Госстандарта РФ должны подтвердить внесение согласованных технических и метрологических характеристик в комплект технической документации. В
Приложении 17 приведены контрольные примеры, составленные в той последовательности, которая соответствует настоящим рекомендациям.
ОПРОСНОГО ЛИСТА
Опросный лист
по проведению метрологической экспертизы и для создания
комплекта технической документации на измерительный
комплекс с сужающим устройством
1. Предприятие ___________________________________________________________.
2. Способ отбора перепада давления _______________________________________.
3. Среда и ее наименование _______________________________________________.
3.1. Плотность в стандартных условиях (заполняется для природного газа)
кг/м3: либо

______

______, мольные доли:

от _____ до _____%;

от _____ до _____% и оценка погрешности их измерения;
либо полный компонентный состав и оценка погрешностей измерения
компонентов _______________________________________________________________
___________________________________________________________________________
3.1.1. Метод определения коэффициента сжимаемости по
ГОСТ 30319-96
__________________________________________________________________________.
3.1.2. Температура:

__________;

__________ [единицы измерения].
3.2. Канал по измерению температуры среды
3.2.1. Преобразователь температуры или термометр:
__________________________________________________________________________;
для термометров сопротивления или термоэлектрических термометров
указать НСХ
пределы измерения _____________; погрешность (класс допуска) _____________;
выходной сигнал (нормированный, нет) _____________________________________;
глубина погружения _________ мм; наружный диаметр монтажной части гильзы
(кармана) термометра __________________________________________________ мм.
3.2.2. Первый промежуточный преобразователь (например, нормирующий
преобразователь), тип ______________; верхний предел измерений ____________
[единицы измерений]; класс точности ________.
Заводской N __________. Дата поверки ___________.
3.2.3. Второй промежуточный преобразователь (например, прибор
гальванической развязки или извлечения корня), тип ________; верхний предел
измерений ______________ [единицы измерений]; класс точности _____________.
Заводской N ___________. Дата поверки ____________.
3.2.4. Вторичный прибор для измерения температуры, тип ___________; пределы
измерения ____________; класс точности ____________.
Заводской N __________. Дата поверки ______________.
3.2.5. Планиметр для измерения температуры, тип ________; пределы измерения
________, класс точности _______.
Заводской N ____________. Дата поверки ________________.
3.3. Канал по измерению абсолютного давления
3.3.1. Избыточное давление:

_______;

_______ [единицы измерения].
3.3.2. Преобразователь избыточного давления или манометр: тип ____________;
верхний предел измерения _____________; класс точности ___________________.
Выходной сигнал (нормированный, нет) _____________________________________.
Заводской N _________________. Дата поверки ______________________________.
3.3.3. Первый промежуточный преобразователь (например, нормирующий
преобразователь), тип ____________; верхний предел измерений ______________
[единицы измерений]; класс точности __________.
Заводской N __________. Дата поверки ___________________.
3.3.4. Второй промежуточный преобразователь (например, прибор
гальванической развязки или извлечения корня), тип ________; верхний предел
измерений ___________ [единицы измерений]; класс точности ________________.
Заводской N __________. Дата поверки __________________.
3.3.5. Вторичный прибор канала избыточного давления (при наличии),
тип __________; верхний предел измерений __________; класс точности ______.
Заводской N ___________. Дата поверки ____________________.
3.3.6. Планиметр для измерения давления, тип _____________________, пределы
измерения ______________, класс точности _______________.
Заводской N ___________. Дата поверки _____________.
3.3.7. Барометрическое давление,

_________;

_________ [единицы
измерения]. Если используется преобразователь абсолютного давления, то
п. 3.3.7 не заполняется.
Если измерение барометрического давления производится, то барометр:
тип _______; верхний предел измерения _____________ класс точности _______.
Заводской N _____________. Дата поверки ____________.
4. Трубопровод:
4.1. Внутренний диаметр основного (технологического) трубопровода
(заполняется только для прямого расчета) при температуре 20 °C

____ мм.
4.2. Внутренний диаметр измерительного трубопровода при температуре
20 °C

____________________ мм.
Материал измерительного трубопровода _____________________________________.
Абсолютная эквивалентная шероховатость

__________________, мм.
4.3. Схема прямолинейных участков
4.3.1. Первое перед СУ (против направления течения) местное
сопротивление (МС1); тип __________________

_________ мм.
4.3.2. Второе перед СУ (против направления течения) местное
сопротивление (МС2); тип __________________

_________ мм.
4.3.3. Местное сопротивление (МСп) после СУ: тип __________________________

_____________ мм.
4.3.4. Установка термометра (или гильзы термометра) (до, после СУ или на
параллельной нитке) ________________; расстояние от СУ до гильзы термометра
__________ мм.
5. Сужающее устройство: __________________________________________________.

_________, мм. Межповерочный интервал

_____________, год.
Материал сужающего устройства _____________________________.
6. Расход: наибольший __________________, наименьший _____________________,
средний _______________________________________________ [единицы измерений]
летний максимум или наиболее характерный режим
эксплуатации
(Для обратного расчета указать только единицы измерения расхода).
6.1. Согласованная методика выполнения измерения расхода и количества
6.2. Допустимый предел измерения основной относительной (приведенной или
абсолютной) погрешности измерения расхода (количества) ____________________
[единицы измерений].
7. Состав канала преобразования разности давления:
7.1. Количество преобразователей в канале _________. (Если преобразователей
несколько, то
пп. 7.2. и
7.3 заполняются для каждого дифманометра с
различными верхними пределами измерений.)
тип __________; верхний предел измерений ____________; [единицы измерений];
функция преобразования (линейная, квадратичная) ____________________; класс
точности __________.
Заводской N ____________. Дата поверки ______________.
7.2.1. Первый промежуточный преобразователь (например, нормирующий
преобразователь), тип _______; верхний предел измерений __________ [единицы
измерений]; класс точности __________.
Заводской N _____________. Дата поверки _______________.
7.2.2. Второй промежуточный преобразователь (например, прибор
гальванической развязки или извлечения корня), тип ________; верхний предел
измерений ____________; [единицы измерений]; класс точности ______________.
Заводской N ___________. Дата поверки _____________.
7.3. Вторичный прибор в канале измерения разности давлений: тип __________,
предел измерений ______________ [единицы измерений], функция преобразования
(линейная или квадратичная) _____________; класс точности ________________.
Заводской N ___________. Дата поверки ____________.
7.4. Планиметр для измерения разности давлений, тип ______________, пределы
измерения ___________, класс точности _____________.
Заводской N ___________. Дата поверки ____________.
7.5. Вычислитель расхода (есть или нет): __________ (если вычислитель есть,
то приводятся его паспортные технические характеристики). Тип ____________.
Технические характеристики: _______________________________________________
__________________________________________________________________________.
Заводской N __________. Дата поверки ____________.
При выполнении прямого расчета выбирается один из следующих критериев
оптимальности:
1) Значение верхнего предела измерения ДМ или диаметра СУ назначает
проектировщик.
2) Требуется обеспечить максимум точности при наименьших потерях (без
ограничения потерь давления на СУ).
3) Требуется обеспечить максимум точности при наименьших потерях (с
ограничением потерь давления на СУ).
Потери давления при верхнем пределе измерения ДМ не должны превышать
значения

______________ [единицы измерения].
4) Обеспечить возможность разместить первичный преобразователь ИК с
сужающим устройством в пределах заданных габаритов с использованием
конфузорных и диффузорных переходов (без возникновения дополнительной
погрешности от сокращения длины прямолинейных участков).
Значение длины прямолинейных участков перед СУ не превышает значения

___________ мм и после СУ

________________ мм.
5) Обеспечить заданный диапазон измерений расхода с использованием
конфузорных и диффузорных переходов.
Минимальное значение расхода не превышает ____________ [единицы измерения].
6) Обеспечить максимальный диапазон измерений с погрешностью, не
превышающей заданную величину.
Заданный предел допустимой ________________________________________________
Относительной, приведенной или абсолютной
погрешности измерения расхода не превышает значения ______________ [единицы
измерения].
Подписи:
___________________________ ____________ _______________________
должность представителя подпись И.О. фамилия
предприятия-контрагента
"___" __________________
___________________________ ____________ _______________________
должность представителя подпись И.О. фамилия
предприятия-владельца ИК
"___" __________________
ТЕХНИЧЕСКОЙ ДОКУМЕНТАЦИИ НА ИЗМЕРИТЕЛЬНЫЙ КОМПЛЕКС С
СУЖАЮЩИМ УСТРОЙСТВОМ В РЕАЛЬНЫХ УСЛОВИЯХ ЭКСПЛУАТАЦИИ ПО
измерительного комплекса для измерительного
трубопровода _______________________________
Среда в трубопроводе ...................... _______________________________
Заданный предел допустимой __________________________ погрешности измерения
относительной, приведенной
или абсолютной
расхода, ________________________
1. Состав измерительного комплекса
1.1. Среднее значение внутреннего диаметра измерительного трубопровода
при температуре _________ °C, мм ______________
1.2. Среднее значение внутреннего диаметра измерительного трубопровода при
температуре 20 °C, мм ________________
1.3. Наибольшее отклонение от среднего диаметра в контролируемых сечениях,
мм ______________________________
1.4. Материал трубопровода _________________________
1.5. Температурный коэффициент линейного расширения материала трубопровода
при температуре измерения диаметра, 1/°C: от _____ до _____
1.6. Эквивалентная шероховатость стенок трубопровода, мм __________________
1.7. Сужающее устройство __________________________________________________
1.8. Средний диаметр отверстия сужающего устройства при температуре 20 °C
_____________
1.9. Наибольшее отклонение от среднего диаметра, мм ____________
1.10. Относительное отверстие сужающего устройства: от _______ до _________
1.11. Материал сужающего устройства _______________________________________
1.11.1. Температурный коэффициент линейного расширения материала СУ - при
температуре измерения диаметра, 1/°C: от __________ до _________
1.12. Коэффициент расхода при верхнем пределе намерения: от _____ до ______
1.13. Смещение оси входного торца диафрагмы относительно оси измерительного
трубопровода, мм __________________________________________________________
1.14. Смещение оси выходного торца диафрагмы относительно оси
измерительного трубопровода, мм ___________________________________________
1.15. Коэффициент расширения среды: от ___________ до ____________
1.16. Межповерочный интервал диафрагмы, лет ________________________
1.17. Термопреобразователь _________ класс допуска _________
Заводской N ___________
Дата последней поверки ______________
Вторичный прибор измерения температуры _________ класс точности __________
Заводской N ___________
Дата последней поверки ______________
1.18. Преобразователь избыточного давления _______ класс точности _________
Заводской N ___________
Дата последней поверки ______________
Вторичный прибор измерения давления ___________ класс точности ____________
Заводской N ___________
Дата последней поверки ______________
1.19. 1-й преобразователь разности давления ______ класс точности _________
Заводской N ___________
Дата последней поверки ______________
2-й преобразователь разности давления _____________ класс точности ________
Заводской N ___________
Дата последней поверки ______________
Промежуточный преобразователь разности давления _____ класс точности ______
Заводской N ___________
Дата последней поверки ______________
Вторичный прибор измерения давления ___________ класс точности ____________
Заводской N ___________
Дата последней поверки ______________
Примечание. Для характеристики любого преобразователя необходимо указать тип, модификацию, функцию преобразования, верхний предел измерения и класс точности в соответствии с описанием для Госреестра РФ.
2. Схема первичного преобразователя
В схеме первичного преобразователя указывается: состав измерительного трубопровода до сужающего устройства, расстояния между сужающим устройством и первым местным сопротивлением (в мм и числе диаметров D), тип первого местного сопротивления, расстояние между первым и вторым местными сопротивлениями (в мм и числе диаметров D), расстояния между сужающим устройством и местным сопротивлением после сужающего устройства (в мм и числе диаметров D), точки отбора давления и разности давления.
3. Диапазоны изменения контролируемых параметров
3.1. Расход, ...................................... от ________ до ________
3.2. Состав природного газа наименьшей плотности
(либо наименьшая плотность в стандартных условиях и молярные доли диоксида
углерода и азота) и их погрешности
3.3. Состав природного газа наибольшей плотности
(либо наибольшая плотность в стандартных условиях и молярные доли диоксида
углерода и азота) и их погрешности
3.4. Плотность в стандартных условиях, кг/м3 .......... от ______ до ______
3.5. Температура среды, °C ...................... от ______ до ______
3.6. Абсолютное давление на входе в сужающее устройство (указать
размерность), ............... от _____ до _____
3.7. Атмосферное давление (указать размерность) от ______ до ______
3.8. Плотность в рабочих условиях, кг/м3 .............. от ______ до ______
3.9. Показатель адиабаты .............................. от ______ до ______
3.10. Коэффициент динамической вязкости (указать единицы измерения)
................... от ______ до ______
3.11. Оценка реализуемого предела погрешности измерения расхода (по МИ
2634) ............ от ______ до ______
3.12. Оценка реализуемого предела погрешности измерения количества (по МИ
2634) ........... от ______ до ______
4. Технические и метрологические характеристики
измерительного комплекса с сужающим устройством
Перепад на СУ, единицы измерения | Расход, в ст. усл. м3/ч или в т/ч | Средний относительный расход, % | Абсолютная погрешность в т/ч или в ст. усл. м3 за ч | Предел относительной погрешности, % |
#1 | | от ... до ... | | | |
| от ... до ... | | | |
| от ... до ... | | | |
| от ... до ... | | | |
! | от ... до ... | | | |
Примечание. Таблица составляется для каждого верхнего предела измерений дифманометра (номер дифманометра стоит за значком "#"). Минимальный перепад давления

определяется по МИ 2634. Значок "!" указывает на перепад давления, соответствующий минимально допускаемому значению расхода при минимальном числе Рейнольдса.
При перепаде давления меньше

погрешность измерений не нормируется и должна производиться "отсечка самохода счета".
Подписи:
________________________ _______________ _______________
должность представителя подпись И.О. Фамилия
предприятия-контрагента
МП "____" _______________
________________________ _______________ _______________
должность представителя подпись И.О. Фамилия
предприятия-владельца ИК
МП "____" _______________
ДОКУМЕНТА "СВИДЕТЕЛЬСТВО О ПОВЕРКЕ" ПО ПР 50.2.022
____________________________________________________________
наименование органа Государственной метрологической службы
СВИДЕТЕЛЬСТВО
О ПОВЕРКЕ
N ________________ 200 г.
номер год
Действительно до "___" ______________ 200 г.
число месяц год
Измерительный комплекс с сужающим устройством,
измеряющий расход и количество _________________________
среда в трубопроводе
Состав первичных преобразователей и вычислитель __________________________.
наименования, типы, заводские номера, даты предыдущей поверки
___________________________________________________________________________
сужающее устройство __________________________________________________,
диаметр отверстия сужающего устройства ______________ мм;
внутренний диаметр измерительного трубопровода __________ мм,
принадлежащий _________________________________________________________
наименование юридического лица
Поверен в соответствии с __________________________________________________
наименование и номер документа на методику поверки
и на основании результатов первичной (периодической) поверки признан годным
к применению.
Оттиск поверительного клейма

или печати (штампа)
Начальник отдела ____________ ______________________
номер отдела И.О. Фамилия
Поверитель ______________________
И.О. Фамилия
"____" ________________ 200 г.
число месяц год
Технические и метрологические характеристики измерительного комплекса
приведены на обороте.
МЕТРОЛОГИЧЕСКИЕ ХАРАКТЕРИСТИКИ
Плотность в стандартных условиях и молярные или объемные доли азота
и диоксида углерода (и их относительные погрешности)
___________________________________________________________________________
только для смеси газов, в частности природного газа, и, если не задается
полный компонентный состав,
от ........ до ........
Полный компонентный состав среды (молярная или объемная доля (их
относительные погрешности))
___________________________________________________________________________
только для смеси газов, в частности природного газа, и, если не задается
плотность в стандартных условиях,
от ........ до ........
Влажность (или степень сухости), % ___________________ ________________
только для влажных газов, в том
числе влажного водяного пара, от ........ до ........
Температура среды, °C ___________ ________________
от ........ до ........
Абсолютное давление среды, МПа или кгс/см2 __________ ________________
от ........ до ........
Технические и метрологические характеристики измерительного
комплекса с сужающим устройством
Перепад на сужающем устройстве, кПа или кгс/м2 | Расход, в т/ч или в ст. усл. м3/ч | Средний относительный расход, % | Абсолютная погрешность в т или в ст. усл. м3 за 1 ч | Относительная погрешность измерений расхода, % |
Минимальный | Максимальный |
1 | 2 | 3 | 4 | 5 |
# 1 | | | | | | |
| | | | | |
| | | | | |
# 2 | | | | | | |
| | | | | |
| | | | | |
Примечание. Шаг в таблице по расходу должен быть по возможности равномерным в диапазоне действия каждого преобразователя разности давлений и не должен превышать 10% от верхнего предела измерений расхода в этом диапазоне. Значок "#" отмечает номер действующего преобразователя перепада давления. Нижний предел измерений перепада давления

определен по рекомендациям МИ 2634. При перепаде давления меньше

погрешность измерений не нормируется.
Методика выполнения измерений расхода и количества ____________________
Обязательным приложением к данному свидетельству является комплект технической документации на измерительный комплекс с сужающим устройством в соответствии с
ПР 50.2.022, рекомендациям МИ 2638 и включающий акты установки СУ (
приложение В ПР 50.2.022), проверки состояния и применения элементов измерительного комплекса с сужающим устройством (
приложение Г ПР 50.2.022).
Оттиск поверительного клейма

или печати (штампа)
Начальник отдела ______________ ____________________
номер отдела И.О. Фамилия
Поверитель ____________________
И.О. Фамилия
"_____" ________________ 200 г.
число месяц год
ПО ПОСЛЕДОВАТЕЛЬНОСТИ ИСПОЛЬЗОВАНИЯ РЕЗУЛЬТАТОВ ВЫПОЛНЕНИЯ
МЕТОДИКИ КОНТРОЛЯ РАЗМЕРОВ ПРИ ПОВЕРКЕ ИЗМЕРИТЕЛЬНЫХ
КОМПЛЕКСОВ С СУЖАЮЩИМИ УСТРОЙСТВАМИ
1. Предприятие - ВНИИМС.
2. Способ отбора перепада давления - угловой.
3. Среда и его параметры - сухой природный газ.
3.1. Плотность в стандартных условиях, кг/м
3:

;

; мольные доли y
со2: от 0,023 до 0,039%

; y
N2: от 0,82 до 0,94%

.
Метод определения коэффициента сжимаемости по ГОСТ 30319: GERG-91 модифицированный.
3.2. Температура среды: tmin = -20 °C; tmax = +30 °C.
3.2.1. Преобразователь температуры: тип ТСМ 50М; пределы измерений:

; погрешность (класс погрешности) В.
3.2.2. Глубина погружения - 100 мм; диаметр термометра или наружный диаметр кармана 18 мм.
3.2.3. Вторичный прибор для измерений температуры, тип ДИСК-250, пределы измерений:

, класс точности 1.
Заводской N и дата поверки - по данным конкретного узла учета.
3.2.4. Планиметр для измерений температуры, тип ППР-1, пределы измерений: от 9 до 100%, приведенная погрешность

. Заводской N и дата поверки - по данным конкретного узла учета.
3.3. Абсолютное давление
3.3.1. Избыточное давление: pmin = 0,8; pmax = 5 кгс/см2.
Преобразователь избыточного давления или манометр: тип САПФИР 22М-ДИ2150 верхний предел измерений: 6 кг/см2, класс точности 0,5;
Заводской N и дата поверки по данным конкретного узла учета.
3.3.2. Вторичный прибор канала избыточного давления тип ДИСК-250: верхний предел измерений: 6 кг/см2; класс точности 1.
Заводской N и дата поверки по данным конкретного узла учета.
3.3.3. Планимер для измерений давления, тип ППР-1, пределы измерений: от 9 до 100%. Приведенная погрешность

. Заводской N и дата поверки - по данным конкретного узла учета.
3.3.4. Барометрическое давление pб принято равным 745 мм рт. ст.
4. Трубопровод
4.1. Внутренний диаметр основного (технологического) трубопровода при температуре 20 °C Dтр = 200 мм.
4.2. Внутренний диаметр измерительного трубопровода при температуре 20 °C D20 = 200 мм.
4.2.1. Материал измерительного трубопровода сталь 35.
4.2.2. Эквивалентная шероховатость Rш для:
- труб сварных, ржавых по
таблице Б1 ГОСТ 8.563.1: 0,3 мм
- труб стальных, цельнотянутых в газопроводах после нескольких лет эксплуатации в различных условиях по
таблице А МИ 2588: 0,6 мм.
4.3. Схема прямолинейных участков
4.3.1. Первое перед СУ (против направления течения) местное сопротивление (МС1): задвижка lp1 = 3300 мм.
4.3.2. Второе перед СУ (против направления течения) местное сопротивление (МС2): одиночное колено lp2 = 4300 мм.
4.3.3. Местное сопротивление (МСп) после СУ: гильза термометра.
4.3.4. Установка термометра (гильзы термометра): на расстоянии lpn = 1500 мм после СУ.
Диафрагма d
20 = 125 мм. Межповерочный интервал

: один год.
Материал сужающего устройства: сталь 12Х18Н10Т.
6. Расход м3/ч в стандартных условиях
6.1. Согласованная методика выполнения измерения расхода и количества - по
ГОСТ 8.563.2 или по
МИ 2588.
6.2. Предел допускаемой приведенной (относительной) погрешности измерений расхода: 5%.
7. Преобразователь разности давления
7.1. Количество преобразователей: один.
7.2. Дифманометр: тип МЕТРАН 45 5420-ДД, верхний предел измерений: 2,5 кПа; класс точности: 0,5. Заводской N и дата поверки - по данным конкретного узла учета.
7.3. Вторичный прибор для измерений разности давлений: тип ДИСК-250: верхний предел измерений 2,5 кПа, функция преобразования линейная, класс точности 1. Заводской N и дата поверки - по данным конкретного узла учета.
7.4. Планиметр для измерений давления, тип ПК-2 1999, для пределов измерений от 0 до 36% приведенная погрешность

; для пределов измерений от 36 до 100% -

.
Заводской N и дата поверки - по данным конкретного узла учета.
7.5. Вычислитель расхода.
Диапазоны изменения теплофизических характеристик:
удельная теплота сгорания, H, Мкал/м
3: от 8,18917 до 9,08047

;
плотность в рабочих условиях

, кг/м
3: от 1,14809 до 4,8001

; коэффициент сжимаемости K: от 0,999054 до 0,982639

; коэффициент динамической вязкости,

, мкПа*с: от 11,354 до 9,605

; показатель адиабаты,

, от 1,29880 до 1,31395

.
17.1. Комплект технической документации с методикой выполнения измерений по ГОСТ 8.563.1/2 при заданном допустимом пределе относительной или приведенной погрешности измерения расхода и количества
17.1.1. Акт определения эквивалентной шероховатости по рекомендациям МИ 2638,
Приложение 10.
Предприятие _____________________________
Акт
определения эквивалентной шероховатости измерительного
Материал трубопровода: сталь.
Тип трубы: сварная.
Состояние внутренней поверхности трубопровода - ржавая.
Значение эквивалентной шероховатости по
таблице Б1 приложения Б ГОСТ
8.563.1,

, ..................................................... 0,3, мм.
________________________________ ______________ _________________
Должность представителя подпись И.О. Фамилия
предприятия-контрагента
Место печати
________________________________ ______________ _________________
Должность представителя подпись И.О. Фамилия
предприятия-владельца
Место печати
"___" _________________ 200 года
17.1.2. Акт измерения диаметра диафрагмы по МИ 2638,
Приложение 7.
Предприятие _____________________
Акт
измерения параметров сужающего устройства, если измерение
регистрационный N ____________
Характеристика сужающего устройства | Значение характеристики и маркировка материала |
Тип сужающего устройства | диафрагма с угловым отбором |
Материал сужающего устройства | Ст 12Х18Н10Т |
Диаметр отверстия, d20, мм | 125,00 |
Толщина диафрагмы Eд, мм | 6,0 |
Длина цилиндрической части, e, мм | 3,0 |
Наружный диаметр, D2, мм | 245 |
Допуск на наружный диаметр | H11 |
Шероховатость, Rа, мкм | |
цилиндрической части | 1,20 |
входного торца | 1,25 |
выходного торца | 10 |
Измерения значения

проводились электронный штангенциркуль
наименование средств измерений
с ценой деления ................................................... 0,01 мм
со сроком поверки до "___" _____________ 200 г.
Значение

, мм, после _________________________ _________________________
(после 1 года эксплуатации) (после 2 лет эксплуатации)
_______________________________ _______________ _________________
Должность представителя подпись И.О. Фамилия
предприятия-контрагента
Место печати
________________________________ _______________ __________________
Должность представителя подпись И.О. Фамилия
предприятия-владельца
Место печати
"___" _____________ 200 года
17.1.3. Акт определения внутреннего диаметра измерительного трубопровода по ПР 50.2.022,
приложение А, и МИ 2638,
Приложение 8.
Акт
измерения внутреннего диаметра измерительного трубопровода
Материал трубопровода ........................................... сталь 35.
Эквивалентная шероховатость,

, ................................. 0,3 мм.
Температура, при которой выполнялись измерения,

, .............. 33,3 °C.
Множитель поправки на температурное расширение материала,

................... 1,00014;

........................

.
(по расчету)
Результаты измерений внутреннего диаметра перед сужающим
Сечение 1 (в точке отбора давления "+"), мм | Сечение 2 (на расстоянии 0,25 D), мм | Сечение 3 (на расстоянии 0,5 D), мм |
D11 = 200,10 | D21 = 199,90 | D31 = 200,01 |
D12 = 200,15 | D22 = 199,95 | D32 = 200,03 |
D13 = 200,05 | D23 = 199,97 | D33 = 200,02 |
D14 = 200,14 | D24 = 199,98 | D34 = 200,04 |

.
Максимальное отклонение -

, ..................... 0,064%.
Результаты расчета
Средний диаметр при температуре Диаметр при температуре
измерений, мм 20 °C, мм

.

.
Измерения проводились электронный штангенциркуль
наименование средств измерений
с ценой деления, мм ....................... ........................ 0,01.
______________________________ _______________ _________________
Должность представителя подпись И.О. Фамилия
предприятия-контрагента
Место печати
______________________________ _______________ _________________
Должность представителя подпись И.О. Фамилия
предприятия-владельца
Место печати
"___" __________________ 200 года
17.1.4. Комплект технической документации на измерительный комплекс с сужающим устройством в реальных условиях эксплуатации по
ПР 50.2.022 и МИ 2638 с
методикой выполнения измерений расхода по ГОСТ 8.563.1/2
1. Паспорт измерительного комплекса для измерительного
трубопровода "etyo"
Среда в трубопроводе ............................. сухой природный газ.
Заданный предел допустимой относительной погрешности измерения
расхода, .............................................................. 5%.
1. Состав измерительного комплекса
1.1. Среднее значение внутреннего диаметра измерительного трубопровода при
температуре измерения

= 33,3 °C, ........................... 200,028 мм.
1.2. Среднее значение внутреннего диаметра измерительного трубопровода при
температуре 20 °C, ............................................. 200,00 мм.
1.3. Наибольшее отклонение от среднего диаметра в контролируемых
сечениях, ...................................................... 0,1283 мм.
1.4. Материал трубопровода ...................................... сталь 35.
1.5. Температурный коэффициент линейного расширения материала трубопровода
при температуре измерения среды, 1/°C: от .....................

;
до ............................................................

.
1.6. Эквивалентная шероховатость стенок трубопровода, ............. 0,3 мм.
1.7. Сужающее устройство диафрагма с угловым отбором перепада давлений.
1.8. Средний диаметр отверстия сужающего устройства при температуре
20 °C, ......................................................... 125,00 мм.
1.9. Наибольшее отклонение от среднего диаметра, ................. 0,02 мм.
1.10. Относительное отверстие сужающего устройства:
от ............................................................... 0,62486;
до ............................................................... 0,62503.
1.11. Материал сужающего устройства ...................... сталь 12Х18Н10Т.
1.11.1. Температурный коэффициент линейного расширения материала СУ при
температуре измерения среды, 1/°C: от ..........................

;
до .............................................................

.
1.12. Коэффициент расхода при верхнем пределе измерения:
от .............................................................. 0,661511;
до .............................................................. 0,661871.
1.13. Смещение оси входного торца диафрагмы относительно оси измерительного
трубопровода, ....................................................... 0 мм.
1.14. Смещение оси выходного торца диафрагмы относительно оси
измерительного трубопровода, ........................................ 0 мм.
1.15. Коэффициент расширения среды при верхнем пределе измерений:
от .............................................................. 0,994982;
до .............................................................. 0,998505.
1.16. Межповерочный интервал диафрагмы, ............................ 1 год.
1.17. Термопреобразователь: ТСМ класс допуска В
Заводской N _____
Дата последней поверки (по данным последней поверки) ____________________.
Вторичный прибор измерений температуры .......................... ДИСК-250;
диапазон измерений: -50 до +50; класс точности 1.
Заводской N _____.
Дата последней поверки (по данным последней поверки) _____________________.
Планиметр пропорциональный тип ППР-1; диапазон: от 10 до 100%; приведенная
погрешность 0,2%. Заводской N _____. Дата последней поверки (по данным
последней поверки) ____________.
1.18. Преобразователь избыточного давления САПФИР 22М-ДИ2150; верхний
предел измерений: 6 кг/см2; класс точности 0,5.
Заводской N ______. Дата последней поверки (по данным последней
поверки) ______________.
Вторичный прибор измерений давления ДИСК-250; верхний предел измерений:
6 кг/см2; класс точности 1.
Заводской N ______. Дата последней поверки (по данным последней
поверки) ______________.
Планиметр пропорциональный тип ППР-1; диапазон: от 10 до 100%; приведенная
погрешность: 0,2%. Заводской N ______.
Дата последней поверки (по данным последней поверки) _________________.
1.19. Преобразователь разности давления МЕТРАН 45 5420-ДД:
верхний предел измерений: 2,5 кПа;
функция преобразования: линейная, класс точности 0,5.
Заводской N ______. Дата последней поверки (по данным последней
поверки) ______________.
Вторичный прибор измерений давления ДИСК-250; верхний предел измерений: 2,5
кПа, класс точности 1.1.39.
Заводской N ______. Дата последней поверки (по данным последней
поверки) ______________.
Планиметр корневой тип ПК-2; приведенная погрешность в диапазоне от 9
до 36% ..... 0,3%; в диапазоне: от 36 до 100% ..... 0,2%.
Заводской N ______. Дата последней поверки (по данным последней
поверки) ______________.
2. Схема первичного преобразователя
Состав измерительного трубопровода до сужающего устройства: первое местное сопротивление: задвижка; расстояние 3300 мм; второе местное сопротивление: одиночное колено; расстояние между первым и вторым сопротивлением 4300 мм;
местное сопротивление после СУ: гильза термометра; диаметр гильзы 18 мм; глубина погружения 100 мм;
расстояние между СУ и гильзой термометра 1500 мм.
3. Диапазоны изменения контролируемых параметров
3.1. Расход, в ст. усл.: от 1257,47 м3/ч; до 6453,74 м3/ч.
3.2. Состав природного газа наименьшей плотности: молярные доли диоксида углерода (относительная погрешность): 0,82 (5%); азота (относительная погрешность): 0,023 (5%).
3.3. Состав природного газа наибольшей плотности: молярные доли диоксида углерода (относительная погрешность): 0,94 (5%); азота (относительная погрешность): 0,039 (5%).
3.4. Плотность в стандартных условиях (относительная погрешность): от 0,676 кг/м3 (2%); до 0,7 кг/м3 (2%).
3.5. Температура среды, град. C от -20 до +30.
3.6. Избыточное давление на входе в сужающее устройство, 0,80 кг/см2 до 5,0 кг/см2.
3.7. Атмосферное давление 745 мм рт. ст.
3.8. Плотность в рабочих условиях (относительная погрешность): от 1,14809 кг/м3 (4,29%) до 4,8001 кг/м3 (2,43%).
3.9. Показатель адиабаты (относительная погрешность): от 1,2988 (2,61%) до 1,31394 (2,91).
3.10. Коэффициент динамической вязкости (относительная погрешность): от 11,354 мкПа*с (5,03) до 9,6046 мкПа*с (8,03).
3.11. Оценка реализуемого предела относительной погрешности измерения расхода и количества (по МИ 2634): от 2,6%; до 5%.
4. Технические и метрологические характеристики
измерительного комплекса с сужающим устройством
Перепад на сужающем устройстве, кПа | Расход, м3/ч в ст. усл. | Средний относительный расход, % | Предел абсолютной погрешности, м3 ст. усл. за 1 ч | Предел относительной погрешности измерений расхода, % |
Минимальный | Максимальный |
1 | 2 | 3 | 4 | 5 |
# 1 | 2,500 | 3260,083 | 6453,742 | 100 | +/- 124,46 | +/- 2,60 |
2,250 | 3094,646 | 6123,851 | 94,9 | +/- 119,39 | +/- 2,62 |
2,000 | 2919,460 | 5774,892 | 89,6 | +/- 114,27 | +/- 2,64 |
1,750 | 2732,647 | 5403,165 | 83,8 | +/- 109,17 | +/- 2,67 |
1,500 | 2531,625 | 5003,591 | 77,7 | +/- 104,23 | +/- 2,71 |
1,250 | 2312,684 | 4568,858 | 70,9 | +/- 99,75 | +/- 2,79 |
1,000 | 2070,130 | 4087,745 | 63,5 | +/- 96,34 | +/- 2,93 |
0,750 | 1794,380 | 3541,365 | 55,0 | +/- 99,01 | +/- 3,29 |
0,500 | 1466,759 | 2892,895 | 45,0 | +/- 105,87 | +/- 4,05 |
0,36689 | 1257,469 | 2478,976 | 38,6 | +/- 116,29 | +/- 5,00 |
Примечание. Шаг в таблице по расходу должен быть по возможности равномерным в диапазоне действия каждого преобразователя разности давлений и не должен превышать 10% от верхнего предела измерений расхода в этом диапазоне. Значок "#" отмечает номер действующего преобразователя перепада давления. Нижний предел измерений перепада давления

определен по рекомендациям МИ 2634-2001. При перепаде давления меньше

погрешность измерений не нормируется и должна производится "отсечка самохода счета".
Подписи:
________________________ _______________ _______________
должность представителя подпись И.О. фамилия
предприятия-контрагента
МП "___" _______________
________________________ _______________ _______________
должность представителя подпись И.О. фамилия
предприятия-владельца ИК
МП "___" _______________
17.1.5. Паспорт сужающего устройства по ПР 50.2.022,
приложение Б.
Предприятие ______________________________
ПАСПОРТ
сужающего устройства
регистрационный N ________________________
Характеристика сужающего устройства | Значение характеристики и маркировка материала |
Тип сужающего устройства | Диафрагма с угловым отбором перепада давления |
Диаметр отверстия, d20, мм | 125,00 |
Материал | Ст. 12Х18Н10Т |
Поверитель _____________________________ _______________________
Подпись И.О. Фамилия
"____" ________________ г.
| | ИС МЕГАНОРМ: примечание. Нумерация пунктов дана в соответствии с официальным текстом документа. | |
______________________________________________________________
наименование органа Государственной метрологической службы
СВИДЕТЕЛЬСТВО
О ПОВЕРКЕ
N ________________ 200 г.
номер год
Действительно до "___" ____________ 200 г.
число месяц год
Измерительный комплекс с сужающим устройством,
измеряющий расход и количество сухого природного газа
──────────────────────
среда в трубопроводе
Состав первичных преобразователей: термометр сопротивления ТСМ, заводской
───────────────────────────────────────────────────────────────────────────
Наименования, заводские номера, даты предыдущей поверки
N ; дата предыдущей поверки ; преобразователь избыточного давления
──────────────────────────────────────────────────────────────────────
САПФИР 22М-ДИ2150; заводской N ; дата предыдущей поверки ;
──────────────────────────────────────────────────────────────────────
преобразователь разности давлений МЕТРАН 45 5420-ДД; заводской N ;
──────────────────────────────────────────────────────────────────────
дата предыдущей поверки ;
───────────────────────────────
сужающее устройство: диафрагма с угловым отбором перепада давления
──────────────────────────────────────────────────────────────────────
ДКС-10-200;
───────────
диаметр отверстия сужающего устройства 125,00 мм;
─────────────────────────────────────────────────
внутренний диаметр измерительного трубопровода 200,00 мм,
─────────────────────────────────────────────────────────
принадлежащий
──────────────────────────────────────────────────────────────────────
наименование юридического лица
───────────────────────────────────────────────────────────────────────────
Наименование и номер документа на методику поверки
и на основании результатов поверки признан годным к применению.
Оттиск поверительного клейма

или печати (штампа)
Начальник отдела ____________ ____________________
номер отдела И.О. Фамилия
Поверитель ____________________
И.О. Фамилия
"____" ________________, 200 г.
число месяц год
Технические и метрологические характеристики измерительного комплекса
приведены на обороте.
МЕТРОЛОГИЧЕСКИЕ ХАРАКТЕРИСТИКИ
Плотность в стандартных условиях─и молярные или объемные доли азота и
диоксида углерода и (их относительные погрешности)
От 0,676 до 0,7 (2%),

от 0,82 до 0,94 (5%),

от 0,023 до 0,039 (5%)
───────────────────────────────────────────────────────────────────────────
только для смеси газов, в частности природного газа, и,
если не задается полный компонентный состав,
от ... до ...
Полный компонентный состав среды (молярная или объемная доля (их
относительные погрешности))
___________________________________________________________________________
только для смеси газов, в частности природного газа, и,
если не задается плотность в стандартных условиях,
от ... до ...
Влажность (или степень сухости), % __________________ ... _____________
только для влажных газов, в том числе
влажного водяного пара, от ... до
Температура среды, °C -20 -30
──── ────
от до
Абсолютное давление среды, кгс/см2 1,8 6,0
──── ────
от до
Технические и метрологические характеристики измерительного
комплекса с сужающим устройством
Перепад на сужающем устройстве, кПа | Расход, в ст. усл. м3/ч | Средний относительный расход, % | Абсолютная погрешность, в ст. усл. м3 за 1 ч | Относительная погрешность измерений расхода, % |
Минимальный | Максимальный |
1 | 2 | 3 | 4 | 5 |
# 1 | 2,500 | 3260,083 | 6453,742 | 100 | +/- 124,46 | +/- 2,60 |
2,250 | 3094,646 | 6123,851 | 94,9 | +/- 119,39 | +/- 2,62 |
2,000 | 2919,460 | 5774,892 | 89,6 | +/- 114,27 | +/- 2,64 |
1,750 | 2732,647 | 5403,165 | 83,8 | +/- 109,17 | +/- 2,67 |
1,500 | 2531,625 | 5003,591 | 77,7 | +/- 104,23 | +/- 2,71 |
1,250 | 2312,684 | 4568,858 | 70,9 | +/- 99,75 | +/- 2,79 |
1,000 | 2070,130 | 4087,745 | 63,5 | +/- 96,34 | +/- 2,93 |
0,750 | 1794,380 | 3541,365 | 55,0 | +/- 99,01 | +/- 3,29 |
0,500 | 1466,759 | 2892,895 | 45,0 | +/- 105,87 | +/- 4,05 |
| 1257,469 | 2478,976 | 38,6 | +/- 116,29 | +/- 5,00 |
Примечание. Шаг в таблице по расходу должен быть по возможности равномерным в диапазоне действия каждого преобразователя разности давлений и не должен превышать 10% от верхнего предела измерений расхода в этом диапазоне. Значок "#" отмечает номер действующего преобразователя перепада давления. Нижний предел измерений перепада давления

определен по рекомендациям МИ 2634. При перепаде давления меньше

погрешность измерений не нормируется.
──────────────────
Обязательным приложением к данному свидетельству является комплект технической документации на измерительный комплекс с сужающим устройством в соответствии с
ПР 50.2.022, МИ 2638 и включающий акты установки сужающего устройства (
приложение В ПР 50.2.022) и проверки состояния и применения элементов измерительного комплекса с сужающим устройством (
приложение Г ПР 50.2.022).
Оттиск поверительного клейма

или печати (штампа)
Начальник отдела _____________ ____________________
номер отдела И.О. Фамилия
Поверитель ____________________
И.О. Фамилия
"____" ________________ 200 г.
число месяц год
17.2. Комплект технической документации с методикой выполнения измерений по
МИ 2588 при заданном допустимом пределе относительной или приведенной погрешности измерения расхода и количества
17.2.1. Акт определения эквивалентной шероховатости по рекомендациям МИ 2638,
Приложение 11.
Предприятие _____________________________
Акт
определения эквивалентной шероховатости измерительного
Материал трубопровода: сталь.
Тип трубы: цельнотянутая.
Состояние внутренней поверхности трубопровода - газопроводы после
нескольких лет эксплуатации в различных условиях.
Значение эквивалентной шероховатости по таблице
приложения А МИ 2588,

.............................................................. 0,6, мм.
___________________________ _______________ _________________
Должность представителя подпись И.О. Фамилия
предприятия-контрагента
Место печати
___________________________ _______________ _________________
Должность представителя подпись И.О. Фамилия
предприятия-владельца
Место печати
"___" ___________________ 200 года
17.2.2. Акт измерения диаметра диафрагмы по МИ 2638,
Приложение 7.
Предприятие _____________________
Акт
измерения параметров сужающего устройства, если измерение
регистрационный N _______
Характеристика сужающего устройства | Значение характеристики и маркировка материала |
Тип сужающего устройства | диафрагма с угловым отбором |
Материал сужающего устройства | Ст 12Х18Н10Т |
Диаметр отверстия, d20, мм | 125,00 |
Толщина диафрагмы, Eд, мм | 6,0 |
Длина цилиндрической части, e, мм | 3,0 |
Наружный диаметр, D2, мм | 245 |
Допуск на наружный диаметр | H11 |
Шероховатость, Ra, мкм | |
цилиндрической части | 1,20 |
входного торца | 1,25 |
выходного торца | 10 |
Измерения значения

проводились ............. электронный штангенциркуль
наименование средств измерений
с ценой деления ................................................... 0,01 мм
со сроком поверки до "___" _____________ 200 г.
Значение

, мм, после _________________________ _________________________
(после 1 года эксплуатации) (после 2 лет эксплуатации)
_____________________________ _________________________________________
Должность представителя подпись И.О. Фамилия
предприятия-контрагента
Место печати
_____________________________ _________________________________________
Должность представителя подпись И.О. Фамилия
предприятия-владельца
Место печати
"___" ______________ 200 года
17.2.3. Акт определения внутреннего диаметра измерительного трубопровода по ПР 50.2.022-99,
приложение А, и МИ 2638-2001,
Приложение 9.
Акт
измерения внутреннего диаметра измерительного трубопровода,
Материал трубопровода ........................................... сталь 35.
Эквивалентная шероховатость, мм ...................................... 0,6.
Температура, при которой выполнялись измерения,

, .............. 33,3 °C.
Множитель поправки на температурное расширение материала,

, б.р. ................. 1,00014;

, ....................

.
(по расчету)
Результаты измерений внутреннего диаметра до сужающего устройства по
МИ 2588-2000 (сечение 1 - внутренний диаметр в точке отбора разности
давления "+"), мм
Максимальное отклонение -

....................... 0,02%.
Результаты расчета
Средний диаметр при температуре Диаметр при температуре
измерений, мм 20 град. C, мм

.

.
Измерения проводились .......................... электронный штангенциркуль
наименование средств измерений
с ценой деления ...................................................... 0,01
со сроком поверки до "___" ___________ 200 г.
________________________ ______________________________________________
Должность представителя подпись И.О. Фамилия
предприятия-контрагента
Место печати
_________________________ ______________________________________________
Должность представителя подпись И.О. Фамилия
предприятия-владельца
Место печати
"___" ________________ 200 года
17.2.4. Комплект технической документации на измерительный комплекс с сужающим устройством в реальных условиях эксплуатации по
ПР 50.2.022 и МИ 2638 с
методикой выполнения измерений расхода по
МИ 2588
1. Паспорт измерительного комплекса для измерительного
трубопровода "etyo"
Среда в трубопроводе ............................. сухой природный газ.
Заданный предел допустимой относительной погрешности измерения
расхода, .............................................................. 5%.
1. Состав измерительного комплекса
1.1. Среднее значение внутреннего диаметра измерительного трубопровода при
температуре измерения

, ............................. 200,028 мм.
1.2. Среднее значение внутреннего диаметра измерительного трубопровода
при температуре 20 °C, ......................................... 200,00 мм.
1.3. Наибольшее отклонение от среднего диаметра в контролируемых
сечениях, ...................................................... 0,1283 мм.
1.4. Материал трубопровода ...................................... сталь 35.
1.5. Температурный коэффициент линейного расширения материала трубопровода
при температуре измерения среды, 1/°C:
от .............................................................

;
до .............................................................

.
1.6. Эквивалентная шероховатость стенок трубопровода, ............. 0,6 мм.
1.7. Сужающее устройство диафрагма с угловым отбором перепада давлений.
1.8. Средний диаметр отверстия сужающего устройства при температуре
20 °C, ......................................................... 125,00 мм.
1.9. Наибольшее отклонение от среднего диаметра, ................. 0,02 мм.
1.10. Относительное отверстие сужающего устройства:
от ............................................................... 0,62486;
до ............................................................... 0,62503.
1.11. Материал сужающего устройства ...................... сталь 12Х18Н10Т.
1.11.1. Температурный коэффициент линейного расширения материала СУ - при
температуре измерения среды, 1/°C:
от .............................................................

;
до .............................................................

.
1.12. Коэффициент расхода при верхнем пределе измерения:
от .............................................................. 0,661511;
до .............................................................. 0,661871.
1.13. Смещение оси входного торца диафрагмы относительно оси измерительного
трубопровода, ....................................................... 0 мм.
1.14. Смещение оси выходного торца диафрагмы относительно оси
измерительного трубопровода, ........................................ 0 мм.
1.15. Коэффициент расширения среды при верхнем пределе измерений: от
0,994982; до 0,998505.
ИС МЕГАНОРМ: примечание.
Нумерация пунктов дана в соответствии с официальным текстом документа.
16. Межповерочный интервал диафрагмы, .............................. 1 год.
1.17. Термопреобразователь: ТСМ класс допуска В
Заводской N ______. Дата последней поверки (по данным последней
поверки) _______________.
Вторичный прибор измерений температуры .................... ДИСК-250;
диапазон измерений: -50 до +50; класс точности 1; Заводской N _____. Дата
последней поверки (по данным последней поверки) _____________.
Планиметр пропорциональный тип ППР-1; диапазон: от 10 до 100%; приведенная
погрешность 0,2%. Заводской N _____. Дата последней поверки (по данным
последней поверки) ___________.
1.18. Преобразователь избыточного давления САПФИР 22М-ДИ2150; верхний
предел измерений: 6 кг/см2; класс точности 0,5. Заводской N _____. Дата
последней поверки (по данным последней поверки) ____________.
Вторичный прибор измерений давления ДИСК-250; верхний предел измерений: 6
кг/см2; класс точности 1. Заводской N _____. Дата последней поверки (по
данным последней поверки) ______________.
Планиметр пропорциональный тип ППР-1; диапазон: от 10 до 100%; приведенная
погрешность: 0,2%. Заводской N _____.
Дата последней поверки (по данным последней поверки) _____________.
1.19. Преобразователь разности давления МЕТРАН 45 5420-ДД; верхний предел
измерений: 2,5 кПа; функция преобразования: линейная, класс точности 0,5.
Заводской N _____. Дата последней поверки (по данным последней поверки)
______________.
Вторичный прибор измерений давления ДИСК-250; верхний предел измерений: 2,5
кПа, класс точности 1.1.39. Заводской N _____. Дата последней поверки (по
данным последней поверки) ___________.
Планиметр корневой тип ПК-2; приведенная погрешность в диапазоне от 9 до
36% ... 0,3%; в диапазоне от 36 до 100% ... 0,2%. Заводской N _________.
Дата последней поверки (по данным последней поверки) ___________.
2. Схема первичного преобразователя
Состав измерительного трубопровода до сужающего устройства: первое местное сопротивление: задвижка; расстояние 3300 мм; второе местное сопротивление: одиночное колено; расстояние между первым и вторым сопротивлением 4300 мм;
местное сопротивление после СУ: гильза термометра; диаметр гильзы 18 мм; глубина погружения 100 мм;
расстояние между СУ и гильзой термометра 1500 мм.
3. Диапазоны изменения контролируемых параметров
3.1. Расход, в ст. усл.: от 1257,47 м3/ч; до 6453,74 м3/ч.
3.2. Состав природного газа наименьшей плотности: молярные доли диоксида углерода (относительная погрешность): 0,82 (5%); азота (относительная погрешность): 0,023 (5%).
3.3. Состав природного газа наибольшей плотности: молярные доли диоксида углерода (относительная погрешность): 0,94 (5%); азота (относительная погрешность): 0,039 (5%).
3.4. Плотность в стандартных условиях (относительная погрешность): от 0,676 кг/м3 (2%); до 0,7 кг/м3 (2%).
3.5. Температура среды, град. C: от -20 до +30.
3.6. Избыточное давление на входе в сужающее устройство: 0,80 кг/см2 до 5,0 кг/см2.
3.7. Атмосферное давление 745 мм рт. ст.
3.8. Плотность в рабочих условиях (относительная погрешность): от 1,14809 кг/м3 (4,29%) до 4,8001 кг/м3 (2,43%).
3.9. Показатель адиабаты (относительная погрешность): от 1,2988 (2,61%) до 1,31394 (2,91%).
3.10. Коэффициент динамической вязкости (относительная погрешность): от 11,354 мкПа*с (5,03) до 9,6046 мкПа*с (8,03).
3.11. Оценка реализуемого предела относительной погрешности измерения расхода и количества (по МИ 2634): от 2,6%; до 5%.
4. Технические и метрологические характеристики
измерительного комплекса с сужающим устройством
Перепад на сужающем устройстве, кПа | Расход, в ст. усл., м3/ч | Средний относительный расход, % | Абсолютная погрешность, м3 ст. усл. за 1 ч | Относительная погрешность измерений расхода, % |
Минимальный | Максимальный |
1 | 2 | 3 | 4 | 5 |
# 1 | 2,500 | 3276,148 | 6481,313 | 100 | +/- 136,73 | +/- 2,70 |
2,250 | 3109,842 | 6149,860 | 94,9 | +/- 130,84 | +/- 2,71 |
2,000 | 2933,736 | 5799,258 | 89,5 | +/- 124,84 | +/- 2,73 |
1,750 | 2745,941 | 5425,795 | 83,8 | +/- 118,79 | +/- 2,76 |
1,500 | 2543,866 | 5024,369 | 77,6 | +/- 112,81 | +/- 2,80 |
1,250 | 2323,779 | 4587,639 | 70,9 | +/- 107,17 | +/- 2,87 |
1,000 | 2079,957 | 4104,338 | 63,5 | +/- 102,44 | +/- 3,00 |
0,750 | 1802,773 | 3555,502 | 55,0 | +/- 103,47 | +/- 3,36 |
0,500 | 1473,459 | 2904,160 | 45,0 | +/- 108,70 | +/- 4,10 |
| 1269,524 | 2501,129 | 38,7 | +/- 117,87 | +/- 5,00 |
Примечание. Шаг в таблице по расходу должен быть по возможности равномерным в диапазоне действия каждого преобразователя разности давлений и не должен превышать 10% от верхнего предела измерений расхода в этом диапазоне. Значок "#" отмечает номер действующего преобразователя перепада давления. Нижний предел измерений перепада давления

определен по рекомендациям МИ 2634-2001. При перепаде давления меньше

погрешность измерений не нормируется и должна производится "отсечка самохода счета".
Подписи:
________________________ _______________ _______________
должность представителя подпись И.О. Фамилия
предприятия-контрагента
МП "____" _______________
________________________ _______________ _______________
должность представителя подпись И.О. Фамилия
предприятия-владельца ИК
МП "____" _______________
| | ИС МЕГАНОРМ: примечание. Нумерация пунктов дана в соответствии с официальным текстом документа. | |
17.2.5. Паспорт сужающего устройства по ПР 50.2.022,
приложение Б.
Предприятие _____________________
ПАСПОРТ
сужающего устройства
регистрационный N ________________
Характеристика сужающего устройства | Значение характеристики и маркировка материала |
Тип сужающего устройства | Диафрагма с угловым отбором перепада давления |
Диаметр отверстия, d20, мм | 125,00 |
Материал | Ст. 12Х18Н10Т |
Поверитель _______________________ _____________________
Подпись И.О. Фамилия
" " _________________ 200 г.
___________________________________________________________
наименование органа Государственной метрологической службы
СВИДЕТЕЛЬСТВО
О ПОВЕРКЕ
N ________________ 200 г.
номер год
Действительно до "___" ____________ 200 г.
число месяц год
Измерительный комплекс с сужающим устройством,
измеряющий расход сухого природного газа
──────────────────────
среда в трубопроводе
Состав первичных преобразователей: термометр сопротивления ТСМ, заводской
───────────────────────────────────────────────────────────────────────────
Наименования, заводские номера, даты предыдущей поверки
N , дата предыдущей поверки . Преобразователь избыточного давления,
───────────────────────────────────────────────────────────────────────
САПФИР 22М-ДИ2150; заводской N ; дата предыдущей поверки .
───────────────────────────────────────────────────────────────────────
Преобразователь разности давлений МЕТРАН 45 5420-ДД; заводской N ;
───────────────────────────────────────────────────────────────────────
Дата предыдущей поверки ;
───────────────────────────────
сужающее устройство: диафрагма с угловым отбором перепада давления
───────────────────────────────────────────────────────────────────────
ДКС-10-200;
───────────
диаметр отверстия сужающего устройства 125,00 мм;
───────────────────────────────────────────────────────────────────────
внутренний диаметр измерительного трубопровода 200,00 мм,
───────────────────────────────────────────────────────────────────────
принадлежащий
───────────────────────────────────────────────────────────────────────
наименование юридического лица
───────────────────────────────────────────────────────────────────────────
наименование и номер документа на методику поверки
и на основании результатов поверки признан годным к применению.
Оттиск поверительного клейма

или печати (штампа)
Начальник отдела ____________ ______________________
номер отдела И.О. Фамилия
Поверитель ______________________
И.О. Фамилия
"____" ________________ 200 г.
число месяц год
Технические и метрологические характеристики измерительного комплекса
приведены на обороте
МЕТРОЛОГИЧЕСКИЕ ХАРАКТЕРИСТИКИ
Плотность в стандартных условиях и молярные или объемные доли азота и
диоксида углерода и (их относительные погрешности)
От 0,676 до 0,7 (2%),

от 0,82 до 0,94 (5%),

от 0,023 до 0,039 (5%)
───────────────────────────────────────────────────────────────────────────
только для смеси газов, в частности природного газа, и,
если не задается полный компонентный состав,
от ... до ...
Полный компонентный состав среды (молярная или объемная доля (их
относительные погрешности))
___________________________________________________________________________
только для смеси газов, в частности природного газа, и,
если не задается плотность в стандартных условиях,
от ... до ...
Влажность (или степень сухости), % __________________ ... _____________
только для влажных газов, в том числе
влажного водяного пара, от ... до ...
Температура среды, °C -20 -30
─────── ───────
от ... до ...
Абсолютное давление среды, кгс/см2 1,8128 6,0128
─────── ───────
от ... до ...
Технические и метрологические характеристики измерительного
комплекса с сужающим устройством
Перепад на сужающем устройстве, кПа | Расход, в ст. усл. м3/ч | Средний относительный расход, % | Абсолютная погрешность, м3 ст. усл. за 1 ч | Относительная погрешность измерений расхода, % |
Минимальный | Максимальный |
1 | 2 | 3 | 4 | 5 |
# 1 | 2,500 | 3276,148 | 6481,313 | 100 | +/- 136,73 | +/- 2,70 |
2,250 | 3109,842 | 6149,860 | 94,9 | +/- 130,84 | +/- 2,71 |
2,000 | 2933,736 | 5799,258 | 89,5 | +/- 124,84 | +/- 2,73 |
1,750 | 2745,941 | 5425,795 | 83,8 | +/- 118,79 | +/- 2,76 |
1,500 | 2543,866 | 5024,369 | 77,6 | +/- 112,81 | +/- 2,80 |
1,250 | 2323,779 | 4587,639 | 70,9 | +/- 107,17 | +/- 2,87 |
1,000 | 2079,957 | 4104,338 | 63,5 | +/- 102,44 | +/- 3,00 |
0,750 | 1802,773 | 3555,502 | 55,0 | +/- 103,47 | +/- 3,36 |
0,500 | 1473,459 | 2904,160 | 45,0 | +/- 108,70 | +/- 4,10 |
| 1269,524 | 2501,129 | 38,7 | +/- 117,87 | +/- 5,00 |
Примечание. Шаг в таблице по расходу должен быть по возможности равномерным в диапазоне действия каждого преобразователя разности давлений и не должен превышать 10% от верхнего предела измерений расхода в этом диапазоне. Значок "#" отмечает номер действующего преобразователя перепада давления. Нижний предел измерений перепада давления

определен по рекомендациям МИ 2634. При перепаде давления меньше

погрешность измерений не нормируется.
Методика выполнения измерений расхода и количества по
МИ 2588-2000
───────────────
Обязательным приложением к данному свидетельству является комплект технической документации на измерительный комплекс с сужающим устройством в соответствии с
ПР 50.2.022, МИ 2638 и включающий акты установки сужающего устройства (
приложение В ПР 50.2.022) и проверки состояния и применения элементов измерительного комплекса с сужающим устройством (
приложение Г ПР 50.2.022).
Оттиск поверительного клейма

или печати (штампа)
Начальник отдела ____________ ____________________
номер отдела И.О. Фамилия
Поверитель ____________________
И.О. Фамилия
"_____" ________________ 200 г.
число месяц год