Главная // Пожарная безопасность // ПравилаСПРАВКА
Источник публикации
В данном виде документ опубликован не был.
Первоначальный текст документа опубликован в изданиях
"Информационный бюллетень о нормативной, методической и типовой проектной документации", N 7, 2014,
"Нормирование в строительстве и ЖКХ", N 3, 2014.
Информацию о публикации документов, создающих данную редакцию, см. в справке к этим документам.
Примечание к документу
Начало действия редакции - 01.03.2024.
Название документа
Приказ МЧС России от 26.12.2013 N 837
(ред. от 29.12.2023)
"Об утверждении свода правил "Склады нефти и нефтепродуктов. Требования пожарной безопасности"
(вместе с "СП 155.13130.2014. Свод правил...")
Приказ МЧС России от 26.12.2013 N 837
(ред. от 29.12.2023)
"Об утверждении свода правил "Склады нефти и нефтепродуктов. Требования пожарной безопасности"
(вместе с "СП 155.13130.2014. Свод правил...")
МИНИСТЕРСТВО РОССИЙСКОЙ ФЕДЕРАЦИИ ПО ДЕЛАМ ГРАЖДАНСКОЙ
ОБОРОНЫ, ЧРЕЗВЫЧАЙНЫМ СИТУАЦИЯМ И ЛИКВИДАЦИИ
ПОСЛЕДСТВИЙ СТИХИЙНЫХ БЕДСТВИЙ
ПРИКАЗ
от 26 декабря 2013 г. N 837
ОБ УТВЕРЖДЕНИИ СВОДА ПРАВИЛ
"СКЛАДЫ НЕФТИ И НЕФТЕПРОДУКТОВ. ТРЕБОВАНИЯ
ПОЖАРНОЙ БЕЗОПАСНОСТИ"
| | Список изменяющих документов (в ред. Приказов МЧС России от 09.03.2017 N 109, от 29.12.2023 N 1384) | |
В соответствии с Федеральным
законом от 22 июля 2008 г. N 123-ФЗ "Технический регламент о требованиях пожарной безопасности" <1>,
Указом Президента Российской Федерации от 11 июля 2004 г. N 868 "Вопросы Министерства Российской Федерации по делам гражданской обороны, чрезвычайным ситуациям и ликвидации последствий стихийных бедствий" <2>,
постановлением Правительства Российской Федерации от 19 ноября 2008 г. N 858 "О порядке разработки и утверждения сводов правил" <3> приказываю:
--------------------------------
<1> Собрание законодательства Российской Федерации, 2008, N 30 (ч. I), ст. 3579; 2012, N 29, ст. 3997; 2013, N 27, ст. 3447.
<2> Собрание законодательства Российской Федерации, 2004, N 28, ст. 2882; 2005, N 43, ст. 4376; 2008, N 17, ст. 1814, N 43, ст. 4921, N 47, ст. 5431; 2009, N 22, ст. 2697, N 51, ст. 6285; 2010, N 19, ст. 2301, N 20, ст. 2435, N 51 (ч. III), ст. 6903; 2011, N 1, ст. 193, ст. 194, N 2, ст. 267, N 40, ст. 5532; 2012, N 2, ст. 243, N 6, ст. 643, N 19, ст. 2329, N 47, ст. 6455; 2013, N 26, ст. 3314.
<3> Собрание законодательства Российской Федерации, 2008, N 48, ст. 5608.
Утвердить и ввести в действие с 1 января 2014 г. прилагаемый
свод правил "Склады нефти и нефтепродуктов. Требования пожарной безопасности".
Министр
В.А.ПУЧКОВ
приказом МЧС России
от 26.12.2013 N 837
СП 155.13130.2014
СКЛАДЫ НЕФТИ И НЕФТЕПРОДУКТОВ
ТРЕБОВАНИЯ ПОЖАРНОЙ БЕЗОПАСНОСТИ
Warehouses of oil and oil products
Fire safety requirements
| | Список изменяющих документов (в ред. Приказов МЧС России от 09.03.2017 N 109, от 29.12.2023 N 1384) | |
Дата введения - 26.12.2013
| |
(введено Приказом МЧС России от 29.12.2023 N 1384) |
| |
| |
| |
4 Обозначения и сокращения | |
| |
6 Требования к генеральным планам | |
7 Требования к резервуарным паркам | |
8 Требования к расходным складам нефтепродуктов предприятий | |
9 Требования к складским зданиям и сооружениям для хранения нефтепродуктов в таре. Разливочные, расфасовочные | |
10 Требования к сливоналивным эстакадам | |
11 Требования к насосным станциям для перекачки нефти и нефтепродуктов (продуктовые насосные станции) | |
12 Требования к электроснабжению и связи | |
13 Требования к системам противопожарной защиты | |
13.1 Системы пожарной сигнализации | |
13.2 Общие требования к системам пожаротушения и водяного охлаждения | |
Приложение А (Рекомендуемое) Особенности проектирования установок пенного пожаротушения | |
Приложение Б (Рекомендуемое) Особенности проектирования установок газового пожаротушения с применением модуля изотермического с двуокисью углерода | |
Приложение В (Рекомендуемое) Особенности проектирования автоматических установок газопорошкового пожаротушения | |
Приложение Г (Рекомендуемое) Особенности проектирования установок импульсного пожаротушения самовспенивающейся газоаэрозоленаполненной пеной | |
| |
Цели и принципы стандартизации в Российской Федерации установлены Федеральным
законом от 27 декабря 2002 г. N 184-ФЗ "О техническом регулировании", а правила разработки -
постановлением Правительства Российской Федерации от 1 июля 2016 г. N 624 "Об утверждении Правил разработки, утверждения, опубликования, изменения и отмены сводов правил".
(в ред.
Приказа МЧС России от 29.12.2023 N 1384)
Применение настоящего свода правил обеспечивает соблюдение требований к складам нефти и нефтепродуктов, установленных Федеральным
законом от 22 июля 2008 г. N 123-ФЗ "Технический регламент о требованиях пожарной безопасности".
1. РАЗРАБОТАН И ВНЕСЕН федеральным государственным бюджетным учреждением "Всероссийский ордена "Знак Почета" научно-исследовательский институт противопожарной обороны МЧС России" (ФГБУ ВНИИПО МЧС России), обществом с ограниченной ответственностью "ПОЖОБОРОНПРОМ", закрытым акционерным обществом "АРТСОК", обществом с ограниченной ответственностью "Каланча".
2. УТВЕРЖДЕН И ВВЕДЕН В ДЕЙСТВИЕ приказом МЧС России от 26.12.2013 N 837.
3. ЗАРЕГИСТРИРОВАН Федеральным агентством по техническому регулированию и метрологии 24 февраля 2014 года.
4. ВВЕДЕН ВПЕРВЫЕ.
Информация об изменениях к настоящему своду правил публикуется в ежегодно издаваемом информационном указателе "Национальные стандарты", а текст изменений и поправок - в ежемесячно издаваемых информационных указателях "Национальные стандарты". В случае пересмотра (замены) или отмены настоящего свода правил соответствующее уведомление будет опубликовано в ежемесячно издаваемом информационном указателе "Национальные стандарты". Соответствующая информация, уведомление и тексты размещаются также в информационной системе общего пользования в сети Интернет.
Настоящий свод правил не может быть полностью или частично воспроизведен, тиражирован и распространен в качестве официального издания на территории Российской Федерации без разрешения МЧС России.
1.1. Настоящий свод правил, разработанный на основе положений и требований Федерального
закона от 22 июля 2008 г. N 123-ФЗ "Технический регламент о требованиях пожарной безопасности", устанавливает требования пожарной безопасности к складам нефти и нефтепродуктов (далее - СНН).
1.2. Настоящим сводом правил следует руководствоваться при разработке нормативных документов, регламентирующих требования пожарной безопасности СНН, при проектировании, строительстве, реконструкции, техническом перевооружении и ликвидации СНН.
1.3. Наряду с настоящими нормами должны соблюдаться требования пожарной безопасности, изложенные в других нормативных документах, если эти требования не регламентированы настоящим сводом правил.
1.4. Настоящий свод правил не распространяется на:
склады нефти и нефтепродуктов негражданского назначения, проектируемые по специальным нормам;
склады сжиженных углеводородных газов;
склады нефти и нефтепродуктов с давлением насыщенных паров более 93,1 кПа (700 мм рт. ст.) при температуре 20 °C;
склады синтетических жирозаменителей;
склады полярных жидкостей;
склады нефти и нефтепродуктов с применением резервуаров с защитной стенкой (резервуары типа "стакан в стакане");
подземные хранилища нефти и нефтепродуктов, сооружаемые геотехнологическими и горными способами в непроницаемых для этих продуктов массивах горных пород, и ледогрунтовые хранилища для нефти и нефтепродуктов;
резервуары и другие емкости для нефти и нефтепродуктов, входящие в состав технологических установок или используемые в качестве технологических аппаратов;
автозаправочные станции, не относящиеся к топливозаправочным пунктам складов нефти и нефтепродуктов предприятий нефтяной, нефтеперерабатывающей и нефтехимической промышленности.
(в ред.
Приказа МЧС России от 29.12.2023 N 1384)
В настоящем своде правил использованы нормативные ссылки на следующие стандарты и своды правил:
ГОСТ 8050 Двуокись углерода газообразная и жидкая. Технические условия
ГОСТ 9293 Азот газообразный и жидкий. Технические условия
ГОСТ 9544 Арматура трубопроводная. Нормы герметичности затворов
ГОСТ 34713 Техника пожарная. Экраны теплозащитные индивидуальные переносные. Общие технические требования. Методы испытаний
ГОСТ 15150 Машины, приборы и другие технические изделия. Исполнения для различных климатических районов. Категории, условия эксплуатации, хранения и транспортирования в части воздействия климатических факторов внешней среды
ГОСТ 17032 Резервуары стальные горизонтальные для нефтепродуктов. Технические условия
ГОСТ 31385 Резервуары вертикальные цилиндрические стальные для нефти и нефтепродуктов. Общие технические условия
ГОСТ Р ЕН 1363-2 Конструкции строительные. Испытания на огнестойкость. Часть 2. Альтернативные и дополнительные методы
ГОСТ Р 50588 Пенообразователи для тушения пожаров. Общие технические требования и методы испытаний
ГОСТ Р 53279 Техника пожарная. Головки соединительные пожарные. Общие технические требования. Методы испытаний
ГОСТ Р 53280.2 Установки пожаротушения автоматические. Огнетушащие вещества. Часть 2. Пенообразователи для подслойного тушения пожаров нефти и нефтепродуктов в резервуарах. Общие технические требования и методы испытаний
ГОСТ Р 53290 Техника пожарная. Установки пенного пожаротушения. Генераторы пены низкой кратности для подслойного тушения резервуаров. Общие технические требования. Методы испытаний
ГОСТ Р 53316 Электропроводки. Сохранение работоспособности в условиях стандартного температурного режима пожара. Методы испытаний
ГОСТ Р 54344 Техника пожарная. Мобильные робототехнические комплексы для проведения аварийно-спасательных работ и пожаротушения. Классификация. Общие технические требования. Методы испытаний
ГОСТ Р 54808 Арматура трубопроводная. Нормы герметичности затворов
ГОСТ Р 56028 Техника пожарная. Установка и модули газопорошкового пожаротушения автоматические. Общие технические требования. Методы испытаний
ГОСТ Р 59440 Техника пожарная. Экраны теплозащитные стационарные. Общие технические требования. Методы испытаний
СП 4.13130 Системы противопожарной защиты. Ограничение распространения пожара на объектах защиты. Требования к объемно-планировочным и конструктивным решениям
СП 6.13130 Системы противопожарной защиты. Электроустановки низковольтные. Требования пожарной безопасности
СП 8.13130 Системы противопожарной защиты. Наружное противопожарное водоснабжение. Требования пожарной безопасности
СП 10.13130 Системы противопожарной защиты. Внутренний противопожарный водопровод. Нормы и правила проектирования
СП 11.13130 Места дислокации подразделений пожарной охраны. Порядок и методика определения
СП 484.1311500 Системы противопожарной защиты. Системы пожарной сигнализации и автоматизация систем противопожарной защиты. Нормы и правила проектирования
СП 485.1311500 Системы противопожарной защиты. Установки пожаротушения автоматические. Нормы и правила проектирования
СП 486.1311500 Системы противопожарной защиты. Перечень зданий, сооружений, помещений и оборудования, подлежащих защите автоматическими установками пожаротушения и системами пожарной сигнализации. Требования пожарной безопасности
Примечание - При пользовании настоящим сводом правил целесообразно проверить действие ссылочных стандартов (сводов правил и/или классификаторов) в информационной системе общего пользования - на официальном сайте федерального органа исполнительной власти в сфере стандартизации в сети Интернет или по ежегодно издаваемому информационному указателю "Национальные стандарты", который опубликован по состоянию на 1 января текущего года, и по выпускам ежемесячно издаваемого информационного указателя "Национальные стандарты" за текущий год. Сведения о действии сводов правил можно проверить в Федеральном информационном фонде стандартов. Если заменен ссылочный стандарт (документ), на который дана недатированная ссылка, то рекомендуется использовать действующую версию этого стандарта (документа) с учетом всех внесенных в данную версию изменений. Если заменен ссылочный стандарт (документ), на который дана датированная ссылка, то рекомендуется использовать версию этого стандарта (документа) с указанным выше годом утверждения (принятия). Если после утверждения настоящего свода правил в ссылочный стандарт (документ), на который дана датированная ссылка, внесено изменение, затрагивающее положение, на которое дана ссылка, то это положение рекомендуется применять без учета данного изменения. Если ссылочный стандарт (документ) отменен без замены, то положение, в котором дана ссылка на него, рекомендуется применять в части, не затрагивающей эту ссылку.
В настоящем своде правил применены следующие термины с соответствующими определениями:
3.1. автоматическая установка газопорошкового пожаротушения: Автоматическая установка пожаротушения в соответствии с
пунктом 3.86 СП 485.1311500 с применением газопорошкового огнетушащего вещества.
(в ред.
Приказа МЧС России от 29.12.2023 N 1384)
3.2. газопорошковое огнетушащее вещество: Огнетушащее вещество, представляющее собой смесь огнетушащего порошка и огнетушащего газа, обеспечивающее тушение пожара.
3.3. модуль изотермический для жидкой двуокиси углерода: Теплоизолированный и термостатированный сосуд, оборудованный запорно-пусковым устройством, холодильными агрегатами, приборами управления и контроля, предназначенный для хранения жидкой двуокиси углерода, а также для его подачи.
3.4. нефтеловушка: Сооружение для механической очистки сточных вод от нефти и нефтепродуктов, способных к гравитационному отделению, и от осаждающихся механических примесей и взвешенных веществ.
3.5. номинальный объем резервуара: Условная округленная величина объема, принятая для идентификации требований нормативных документов для различных конструкций резервуаров при расчетах номенклатуры объемов резервуаров, вместимости складов, компоновки резервуарных парков, а также для определения установок и средств пожаротушения.
3.6. охлаждение резервуара мобильными средствами пожаротушения: Подача воды на орошение резервуара пожарными стволами, от мобильных средств пожаротушения или робототехнических комплексов пожаротушения, с забором воды из противопожарного водопровода или пожарного водоема (резервуара, емкости).
(п. 3.6 в ред.
Приказа МЧС России от 29.12.2023 N 1384)
3.7. подслойное тушение пожара в резервуаре: Способ тушения пожара нефти и нефтепродуктов в резервуаре подачей низкократной пленкообразующей пены в основание резервуара (непосредственно в слой горючего).
3.8. продуктовая насосная станция: Группа насосных агрегатов, установленных в здании, под навесом или на открытой площадке и предназначенных для перекачки нефти и нефтепродуктов.
3.9. промежуточный резервуар (сливная емкость): Резервуар у сливоналивных эстакад, предназначенный для обеспечения операций по сливу (наливу) цистерн.
3.10. разливочная: Сооружение, оборудованное приборами и устройствами, обеспечивающими выполнение операций по наливу нефтепродуктов в бочки.
3.11. расфасовочная: Здание или сооружение, оборудованное приборами и устройствами, обеспечивающими выполнение операций по наливу нефтепродуктов в мелкую тару вместимостью до 40 л.
3.12. расходные склады: Склады нефтепродуктов, входящие в состав промышленных, транспортных, энергетических, сельскохозяйственных, строительных и других предприятий и организаций, предназначенные для собственного потребления нефтепродуктов.
(п. 3.12 в ред.
Приказа МЧС России от 29.12.2023 N 1384)
3.13. резервуарный парк: Группа (группы) резервуаров, предназначенных для хранения нефти и нефтепродуктов и размещенных на территории, ограниченной по периметру обвалованием или ограждающей стенкой при наземных резервуарах и дорогами или противопожарными проездами - при подземных (заглубленных в грунт или обсыпанных грунтом) резервуарах, установленных в котлованах или выемках.
3.14. автоматическая установка пенного пожаротушения: Установка, включающая в себя источник водоснабжения, насосную станцию, системы хранения и дозирования пенообразователя, узлы управления (электроприводные задвижки и др.), подводящие растворопроводы с узлами для подключения пожарной техники, а также установленные на резервуарах и в зданиях устройства генерации и подачи пены, с питающими и распределительными трубопроводами для подачи раствора пенообразователя к этим устройствам, средства автоматизации, обеспечивающие автоматическое срабатывание установки.
(п. 3.14 в ред.
Приказа МЧС России от 29.12.2023 N 1384)
3.15. установка подслойного тушения пожара в резервуаре: Совокупность стационарных технических средств для тушения пожара в резервуаре с нефтью или нефтепродуктами, в которой применяется подслойный способ подачи воздушно-механической пены, получаемой с применением фторсодержащего пленкообразующего пенообразователя.
(п. 3.15 в ред.
Приказа МЧС России от 29.12.2023 N 1384)
3.16. склады нефти и нефтепродуктов: Комплекс зданий, резервуаров и других сооружений, предназначенных для приема, хранения и выдачи нефти и нефтепродуктов. К складам нефти и нефтепродуктов относятся: предприятия по обеспечению нефтепродуктами (нефтебазы); резервуарные парки и наливные станции магистральных нефтепроводов и нефтепродуктопроводов; товарно-сырьевые парки центральных пунктов сбора нефтяных месторождений, нефтеперерабатывающих и нефтехимических предприятий; склады нефтепродуктов, входящие в состав промышленных, транспортных, энергетических, сельскохозяйственных, строительных и других предприятий и организаций (расходные склады).
3.17. сливоналивное устройство: Техническое средство, обеспечивающее выполнение операций по сливу и наливу нефти и нефтепродуктов в железнодорожные или автомобильные цистерны и танкеры.
3.18. стационарная установка пенного пожаротушения (неавтоматическая): Установка, которая включает в себя источник водоснабжения, системы хранения и дозирования пенообразователя, насосную станцию и растворопроводы с узлами для подключения пожарной техники, а также устройства получения пены низкой, средней или высокой кратности.
(п. 3.18 в ред.
Приказа МЧС России от 29.12.2023 N 1384)
3.19. стационарная установка охлаждения резервуара: Состоит из горизонтального секционного кольца орошения (оросительного трубопровода, с устройствами для распыления воды), размещаемого в верхнем поясе стенок резервуара, сухих стояков и горизонтальных трубопроводов, соединяющих секционное кольцо орошения с сетью противопожарного водопровода, и задвижек с ручным приводом для обеспечения подачи воды при пожаре на охлаждение всей поверхности резервуара и любой ее четверти или половины (считая по периметру) в зависимости от расположения резервуаров в группе.
3.20. тушение пожара мобильными средствами пожаротушения: Подача огнетушащих веществ с помощью пожарных автомобилей, мобильных роботов пожаротушения или мотопомп.
(п. 3.20 в ред.
Приказа МЧС России от 29.12.2023 N 1384)
3.21. эстакада железнодорожная сливоналивная: Сооружение у специальных железнодорожных путей, оборудованное сливоналивными устройствами, обеспечивающее выполнение операций по сливу нефти и нефтепродуктов из железнодорожных цистерн или их наливу. По конструктивному исполнению эстакады могут быть односторонними, обеспечивающими слив (налив) на одном железнодорожном пути, или двухсторонними, обеспечивающими слив (налив) на двух параллельных железнодорожных путях, расположенных по обе стороны от эстакады.
3.22. эстакада автомобильная сливоналивная: Сооружение, находящееся возле автодороги, оборудованное сливоналивными устройствами, обеспечивающее выполнение операций по сливу или наливу нефтепродуктов в автомобильные цистерны.
3.23. неприкосновенный запас воды: Запас воды, предназначенный только для целей пожаротушения.
(п. 3.23 введен
Приказом МЧС России от 09.03.2017 N 109)
3.24. рабочее давление в УИП: Давление, обеспечивающее вытеснение из УИП смеси воды, пенообразователя, газов, аэрозольных частиц и образование самовспенивающейся газоаэрозоленаполненной пены низкой кратности без использования пеногенерирующих устройств (пеногенераторов, пенных стволов и т.п.).
(п. 3.24 в ред.
Приказа МЧС России от 29.12.2023 N 1384)
3.25. самовспенивающаяся газоаэрозоленаполненная пена: Комбинированное огнетушащее вещество, представляющее собой пену, пузырьки которой заполнены смесью газов (азот, углекислый газ), а на их поверхности сконденсированы частицы аэрозоля микронных размеров, состоящие из различных ингибиторов горения, образуется при десорбции газов при выходе смеси в атмосферу.
(п. 3.25 введен
Приказом МЧС России от 09.03.2017 N 109)
3.26. твердотопливный генератор давлении: Изделие, в состав которого входит аэрозолеобразующий газогенерирующий состав, при сгорании которого образуются газы, аэрозольные частицы и создается рабочее давление в емкости установки импульсного пожаротушения.
(п. 3.26 введен
Приказом МЧС России от 09.03.2017 N 109)
3.27. установка импульсного пожаротушения: Устройство для получения самовспенивающейся газоаэрозоленаполненной пены низкой кратности, образующейся при сгорании аэрозолеобразующего газогенерирующего состава и насыщения раствора пенообразователя продуктами горения.
(п. 3.27 введен
Приказом МЧС России от 09.03.2017 N 109)
3.28. автоматическая установка охлаждения резервуара: Стационарная установка охлаждения резервуара с обнаружением возникновения пожара, извещением о нем и приведением ее в действие в автоматическом режиме.
(п. 3.28 введен
Приказом МЧС России от 29.12.2023 N 1384)
3.29. автоматическая установка пожаротушения самовспенивающейся газоаэрозоленаполненной пеной: Автоматическая установка пенного пожаротушения с применением в качестве огнетушащего вещества самовспенивающейся газоаэрозоленаполненной пены.
(п. 3.29 введен
Приказом МЧС России от 29.12.2023 N 1384)
3.30. комбинированный способ подачи пены: Одновременная или последовательная подача пены средней кратности на поверхность и пены низкой кратности в слой или пены низкой кратности на поверхность и в слой с нормативными интенсивностями подачи раствора пенообразователя для тушения нефти или нефтепродуктов в резервуаре.
(п. 3.30 введен
Приказом МЧС России от 29.12.2023 N 1384)
3.31. узел для подключения пожарной техники: Устройство, предназначенное для подключения мобильных средств пожаротушения к стационарным трубопроводам и средствам подачи/забора огнетушащих веществ/воды на охлаждение или тушение защищаемых зон.
(п. 3.31 введен
Приказом МЧС России от 29.12.2023 N 1384)
3.32 мобильная УИП: УИП на основе СГП, смонтированная на мобильном средстве (автомобильном самоходном или прицепном, железнодорожном, водном).
(п. 3.32 введен
Приказом МЧС России от 29.12.2023 N 1384)
3.33 система пенного пожаротушения: Комплекс установок пенного пожаротушения на объекте, имеющих общий источник водоснабжения, насосную станцию и средства автоматизации.
(п. 3.33 введен
Приказом МЧС России от 29.12.2023 N 1384)
3.34 станция пожаротушения: Сосуды с огнетушащим веществом, распределительные устройства (при их наличии) и другие технические устройства установки пожаротушения для размещения в отдельном помещении, здании или блок-модуле |
(п. 3.34 введен
Приказом МЧС России от 29.12.2023 N 1384)
3.35 установка пенного пожаротушения (полустационарная): Установка пожаротушения, резервуара путем подачи огнетушащего вещества с помощью мобильных средств пожаротушения или мобильных роботов пожаротушения через установленные на резервуаре устройства подачи пены, подключенные к стационарным сухотрубам, выведенным за обвалование, снабженным необходимой арматурой и оборудованным стандартными полугайками.
(п. 3.35 введен
Приказом МЧС России от 29.12.2023 N 1384)
4. Обозначения и сокращения
АУГП - автоматическая установка газового пожаротушения
АУГПП - автоматическая установка газопорошкового пожаротушения
ГПОВ - газопорошковое огнетушащее вещество
ГЖ - горючая жидкость
ЖБРЦ - железобетонные резервуары цилиндрические
(абзац введен
Приказом МЧС России от 29.12.2023 N 1384)
ЖБРП - железобетонные резервуары прямоугольные
(абзац введен
Приказом МЧС России от 29.12.2023 N 1384)
ЖБРПК - железобетонные резервуары с плавающей крышей
(абзац введен
Приказом МЧС России от 29.12.2023 N 1384)
ЗПУ - запорно-пусковое устройство
ЛВЖ - легковоспламеняющаяся горючая жидкость
абзац исключен. -
Приказ МЧС России от 09.03.2017 N 109
РВС - резервуар вертикальный стальной
РВС - резервуар вертикальный стальной со стационарной крышей без понтона
(абзац введен
Приказом МЧС России от 29.12.2023 N 1384)
РВСП - резервуар вертикальный стальной с понтоном
РВСП - резервуар вертикальный стальной со стационарной крышей с понтоном
(абзац введен
Приказом МЧС России от 29.12.2023 N 1384)
РВСПК - резервуар вертикальный стальной с плавающей крышей
(абзац введен
Приказом МЧС России от 29.12.2023 N 1384)
РВСПА - резервуар вертикальный стальной цилиндрический с купольной стационарной крышей и понтоном из алюминиевых сплавов
(абзац введен
Приказом МЧС России от 29.12.2023 N 1384)
СГП - самовспенивающаяся газоазрозоленаполненная пена
(абзац введен
Приказом МЧС России от 09.03.2017 N 109)
СП - свод правил
СТО - стандарт организации
(абзац введен
Приказом МЧС России от 29.12.2023 N 1384)
Твсп - температура вспышки нефти и нефтепродуктов
(абзац введен
Приказом МЧС России от 29.12.2023 N 1384)
УИП - установка импульсного пожаротушения
(абзац введен
Приказом МЧС России от 09.03.2017 N 109)
УИППМ - установка импульсного пожаротушения повышенной мощности
5.1. Склады нефти и нефтепродуктов в зависимости от их общей вместимости и максимального объема одного резервуара подразделяются на категории согласно
таблице 1.
Общая вместимость складов нефти и нефтепродуктов определяется суммарным объемом хранимого продукта в резервуарах и таре. Объем резервуаров и тары принимается по их номинальному объему.
Категория склада | Максимальный объем одного резервуара, м3 | Общая вместимость склада, м3 |
I | - | более 100 000 |
II | - | более 20 000, но не более 100 000 |
IIIа | не более 5000 | более 10 000, но не более 20 000 |
IIIб | не более 2000 | более 2000, но не более 10 000 |
IIIв | не более 700 | не более 2000 |
При определении общей вместимости складов нефти и нефтепродуктов допускается не учитывать:
промежуточные резервуары (сливные емкости) у сливоналивных эстакад;
расходные резервуары котельной, дизельной электростанции, топливозаправочного пункта общей вместимостью не более 100 м3;
резервуары сбора утечек;
резервуары пунктов сбора отработанных нефтепродуктов и масел общей вместимостью не более 100 м3 (вне резервуарного парка);
резервуары уловленных нефтепродуктов и разделочные резервуары (уловленных нефтепродуктов) на очистных сооружениях производственной или производственно-дождевой канализации.
5.2. Резервуары, а также складские здания и сооружения для хранения нефти и нефтепродуктов в таре относятся:
к подземным (заглубленным в грунт или обсыпанным грунтом - подземное хранение), если наивысший уровень жидкости в резервуаре или разлившейся жидкости в здании или сооружении склада ниже не менее чем на 0,2 м низшей планировочной отметки прилегающей площадки (в пределах 3 м от стенки резервуара или от стен здания или сооружения);
к наземным (наземное хранение), если они не удовлетворяют указанным выше условиям.
Ширина обсыпки грунтом определяется расчетом на гидростатическое давление разлившейся жидкости, при этом расстояние от стенки вертикального резервуара (цилиндрического и прямоугольного) до бровки насыпи или от любой точки стенки горизонтального (цилиндрического) резервуара до откоса насыпи должно быть не менее 3 м.
5.3. Здания складов нефти и нефтепродуктов должны быть I, II, а также III или IV степени огнестойкости класса конструктивной пожарной опасности C0.
5.4. Средства огнезащиты строительных конструкций, применяемые на складах нефти и нефтепродуктов, должны обладать огнезащитной эффективностью (временем достижения критической температуры стандартной конструкции по
ГОСТ Р 53295), обеспечивающей повышение огнестойкости защищаемых конструкций до нормируемого уровня в условиях углеводородного температурного режима горения по
ГОСТ Р ЕН 1363-2.
(п. 5.4 введен
Приказом МЧС России от 29.12.2023 N 1384)
6. Требования к генеральным планам
6.1. Противопожарные расстояния от зданий и сооружений категорий А, Б и В по взрывопожарной и пожарной опасности, а также наружных установок категорий АН, БН, ВН и ГН по пожарной опасности, расположенных на территориях складов нефти и нефтепродуктов, до граничащих с ними объектов защиты следует принимать в соответствии с таблицей 2.
Наименование объектов, граничащих со зданиями и с сооружениями складов нефти и нефтепродуктов | Противопожарные расстояния от зданий, сооружений складов нефти и нефтепродуктов до граничащих с ними объектов при категории склада, метры |
I | II | IIIа | IIIб | IIIв |
Здания и сооружения граничащих с ними производственных объектов | 100 | 40 (100) | 40 | 40 | 30 |
Лесничества (лесопарки) с лесными насаждениями: | | | | | |
хвойных и смешанных пород | 100 | 50 | 50 | 50 | 50 |
лиственных пород | 100 | 100 | 50 | 50 | 50 |
Склады лесных материалов, торфа, волокнистых горючих веществ, сена, соломы, а также участки открытого залегания торфа | 100 | 100 | 50 | 50 | 50 |
Железные дороги общей сети (до подошвы насыпи или бровки выемки): | | | | | |
на станциях | 150 | 100 | 80 | 60 | 50 |
на разъездах и платформах | 80 | 70 | 60 | 50 | 40 |
на перегонах | 60 | 50 | 40 | 40 | 30 |
Автомобильные дороги общей сети (край проезжей части): | | | | | |
I, II и III категорий | 75 | 50 | 45 | 45 | 45 |
IV и V категорий | 40 | 30 | 20 | 20 | 15 |
Жилые и общественные здания | 200 | 100 (200) | 100 | 100 | 100 |
Окончание таблицы 2
Наименование объектов, граничащих со зданиями и с сооружениями складов нефти и нефтепродуктов | Противопожарные расстояния от зданий, сооружений складов нефти и нефтепродуктов до граничащих с ними объектов при категории склада, метры |
I | II | IIIа | IIIб | IIIв |
Раздаточные колонки автозаправочных станций общего пользования | 50 | 30 | 30 | 30 | 30 |
Индивидуальные гаражи и открытые стоянки для автомобилей | 100 | 40 (100) | 40 | 40 | 40 |
Очистные канализационные сооружения и насосные станции, не относящиеся к складу | 100 | 100 | 40 | 40 | 40 |
Водозаправочные сооружения, не относящиеся к складу | 200 | 150 | 100 | 75 | 75 |
Аварийная емкость (аварийные емкости) для резервуарного парка | 60 | 40 | 40 | 40 | 40 |
Технологические установки категорий А и Б по взрывопожарной и пожарной опасности и факельные установки для сжигания газа | 100 | 100 | 100 | 100 | 100 |
Примечание. В скобках указаны значения для складов II категории общей вместимостью более 50 000 м3.
Указанные расстояния определяются:
между зданиями и сооружениями - как расстояние в свету между наружными стенами или конструкциями зданий и сооружений;
от сливоналивных устройств - от оси железнодорожного пути со сливоналивными эстакадами;
от площадок (открытых и под навесами) для сливоналивных устройств автомобильных цистерн, для насосов, тары - от границ этих площадок;
от технологических эстакад и трубопроводов - от крайнего трубопровода;
от факельных установок - от ствола факела.
6.2. Расстояния от зданий и сооружений складов нефти и нефтепродуктов до участков открытого залегания торфа допускается уменьшать в два раза при условии засыпки открытого залегания торфа слоем земли толщиной не менее 0,5 метра в пределах половины расстояния от зданий и сооружений складов нефти и нефтепродуктов.
6.3. Расстояние от складов для хранения нефти и нефтепродуктов до границ лесных насаждений смешанных пород (хвойных и лиственных) лесничеств (лесопарков) допускается уменьшать в два раза. При этом вдоль границ лесных насаждений лесничеств (лесопарков) со складами нефти и нефтепродуктов должны предусматриваться шириной не менее 5 метров наземное покрытие из материалов, не распространяющих пламя по своей поверхности, или вспаханная полоса земли.
6.4. При размещении резервуарных парков нефти и нефтепродуктов на площадках, имеющих более высокие отметки по сравнению с отметками территорий соседних населенных пунктов, организаций и путей железных дорог общей сети, расположенных на расстоянии до 200 метров от резервуарного парка, а также при размещении складов нефти и нефтепродуктов у берегов рек на расстоянии 200 и менее метров от уреза воды (при максимальном уровне) следует предусматривать дополнительные мероприятия, исключающие при аварии резервуаров возможность разлива нефти и нефтепродуктов на территории населенных пунктов, организаций, на пути железных дорог общей сети или в водоем.
6.5. Расстояние от наземных резервуаров для нефти и нефтепродуктов до зданий, сооружений и наружных установок склада следует принимать по таблице 3.
Здания, сооружения и наружные установки склада | Расстояние, м, от наземных резервуаров складов категории |
I | II | IIIа | IIIб | IIIв |
1. Сливоналивные устройства: | | | | | |
а) для морских и речных судов (сливоналивные причалы и пирсы); | 75 | 50 | 50 | 50 | 50 |
б) для железнодорожных (железнодорожные сливоналивные эстакады) и автомобильных цистерн | 30 | 20 | 20 | 20 | 20 |
2. Продуктовые насосные станции (насосные цехи), здания и площадки для узлов задвижек продуктовых насосных станций, узлы учета и замера, разливочные, расфасовочные, канализационные насосные станции неочищенных нефтесодержащих сточных вод | 30 | 15 | 15 | 15 | 10 |
3. Складские здания для нефтепродуктов в таре, площадки для хранения нефтепродуктов в таре и для хранения тары (бывшей в употреблении или чистой горючей), здания и площадки пунктов сбора отработанных нефтепродуктов | 30 | 20 | 20 | 20 | 15 |
4. Водопроводные (питьевого назначения) и противопожарные насосные станции, пожарные посты и помещения хранения противопожарного оборудования и огнетушащих средств, противопожарные резервуары или водоемы (до водозаборных колодцев или места забора воды) | 40 | 40 | 40 | 40 | 30 |
Окончание таблицы 3
Здания, сооружения и наружные установки склада | Расстояние, м, от наземных резервуаров складов категории |
I | II | IIIа | IIIб | IIIв |
5. Канализационные очистные сооружения производственных сточных вод (с нефтью и нефтепродуктами): | | | | | |
а) пруды-отстойники, шламонакопители, закрытые нефтеловушки, флотационные установки вне здания (площадью зеркала 400 м2 и более), буферные резервуары и резервуары-отстойники объемом 700 м3 и более; | 30 | 30 | 30 | 30 | 20 |
б) флотационные установки и фильтры в зданиях, закрытые нефтеловушки (площадью зеркала менее 400 м2), буферные резервуары и резервуары-отстойники объемом менее 700 м3, установки по отмывке осадка, включая резервуары-шламосборники и озонаторные установки; | 15 | 15 | 15 | 15 | 10 |
в) пруды-испарители | 24 | 24 | 18 | 15 | 15 |
6. Здания, сооружения и наружные установки с производственными процессами с применением открытого огня (печи для разогрева нефти, котельные, процессы сварки и т.п.), топливораздаточные колонки топливозаправочного пункта, гаражи и помещения технического обслуживания автомобилей от резервуаров склада: | | | | | |
с легковоспламеняющимися нефтью и нефтепродуктами; | 60 | 40 | 40 | 40 | 30 |
с горючими нефтью и нефтепродуктами | 60 | 30 | 30 | 30 | 24 |
7. Здания пожарных депо (без жилых помещений), административные и бытовые здания | 40 | 40 | 40 | 40 | 30 |
8. Технологические установки со зданиями, сооружениями категорий А и Б и/или наружными установками категорий АН и БН на центральных пунктах сбора нефтяных месторождений (установки подготовки нефти, газа и воды, предварительного сброса пластовой воды) | 40 | 40 | 40 | 40 | 24 |
9. Узлы пуска или приема очистных устройств | 30 | 30 | 30 | 30 | 30 |
10. Край проезжей части внутренних автомобильных дорог и проездов | 15 | 15 | 9 | 9 | 9 |
11 Здания с установками хранения и дозирования пенообразователя (помещения с электроприводными задвижками), прочие здания, сооружения и наружные установки склада | 20 | 20 | 20 | 20 | 20 |
(п. 11 в ред. Приказа МЧС России от 29.12.2023 N 1384) |
Примечание. Расстояние по
позиции 1а таблицы определяется до ближайшей части корпуса расчетного судна, стоящего у причала; по остальным позициям - в соответствии с
пунктом 6.1.
Расстояние до молниеотводов следует принимать с учетом требований
[2]
(абзац введен
Приказом МЧС России от 29.12.2023 N 1384)
6.6. Расстояние от подземных резервуаров для нефти и нефтепродуктов до зданий, сооружений и наружных установок склада следует принимать:
до водопроводных (питьевого назначения) и противопожарных насосных станций, пожарных постов и помещений хранения противопожарного оборудования и огнегасящих средств, противопожарных резервуаров или водоемов (до водозаборных колодцев), административных и бытовых зданий, зданий и сооружений с производственными процессами с применением открытого огня - по
таблице 3;
до других зданий, сооружений и наружных установок склада расстояние, указанное в
таблице 3, допускается сокращать до 50%;
до заглубленных продуктовых насосных станций со стороны глухой (без проемов) стены - не менее 3 м.
6.7. Расстояние от сливоналивных устройств для железнодорожных и автомобильных цистерн, морских и речных судов (на сливоналивных причалах) до зданий, сооружений и наружных установок склада (за исключением резервуаров) следует принимать по таблице 4.
Таблица 4
N пп | Здания и сооружения склада | Расстояния, м, от сливоналивных устройств складов категории |
I | II | IIIа | IIIб | IIIв |
1 | Продуктовые насосные станции (насосные цехи), здания и технологические площадки для узлов задвижек насосных станций, узлы учета и замера, разливочные, расфасовочные, складские здания для хранения нефтепродуктов в таре, здания и площадки пунктов сбора отработанных нефтепродуктов | 18 ---- 12 | 18 ---- 12 | 15 ---- 10 | 15 ---- 10 | 10 ---- 8 |
2 | Открытые площадки для хранения нефтепродуктов в таре и чистой горючей тары, узлов приема или пуска очистных устройств | 20 ---- 15 | 20 ---- 15 | 15 ---- 10 | 15 ---- 10 | 10 ---- 8 |
3 | Водопроводные (питьевого назначения) и противопожарные насосные станции, противопожарные резервуары или водоемы (до водозаборного колодца или места забора воды), пожарные посты и помещения для хранения противопожарного оборудования и огнегасящих средств | 40 ---- 30 | 40 ---- 30 | 40 ---- 30 | 40 ---- 30 | 40 ---- 30 |
4 | Здания пожарных депо (без жилых помещений), административные и бытовые здания | 40 | 40 | 30 | 30 | 30 |
5 | Промежуточные резервуары (сливные емкости) у сливоналивных железнодорожных эстакад | Не нормируется вне пределов эстакады и железнодорожных путей |
6 | Здания, сооружения и наружные установки склада с производственными процессами с применением открытого огня, топливораздаточные колонки топливозаправочного пункта, гаражи и помещения технического обслуживания автомобилей | 40 ---- 30 | 40 ---- 30 | 40 ---- 30 | 40 ---- 30 | 40 ---- 30 |
Примечания.
1. Расстояния, указанные над чертой, относятся к сливоналивным устройствам с легковоспламеняющимися, под чертой - с горючими нефтью и нефтепродуктами.
2. Сливоналивные устройства для автомобильных цистерн, предназначенные для слива и налива нефтепродуктов с температурой вспышки выше 120 °C, допускается размещать непосредственно у разливочных, расфасовочных и у сливоналивных железнодорожных эстакад для масел.
6.8. Расстояние от зданий, сооружений и наружных установок склада с производственными процессами с применением открытого огня до продуктовых насосных станций, площадок для узлов задвижек насосных станций, канализационных насосных станций и очистных сооружений для производственных сточных вод (с нефтью и нефтепродуктами), разливочных, расфасовочных, топливораздаточных колонок топливозаправочного пункта, складских зданий и площадок для хранения нефтепродуктов в таре и площадок для хранения бывшей в употреблении тары должно быть не менее 40 м при хранении легковоспламеняющихся и 30 м при хранении горючих нефти и нефтепродуктов.
На площадках насосных станций магистральных нефтепроводов производительностью 10 000 м3/ч и более указанные расстояния до продуктовых насосных станций, узлов задвижек, площадок для узлов задвижек насосных станций, а также до сливоналивных устройств для железнодорожных цистерн следует увеличивать до 60 м.
6.9. Расстояние до зданий, сооружений и наружных установок склада (за исключением резервуаров и зданий, сооружений с производственными процессами и применением открытого огня) от канализационных очистных сооружений для производственных сточных вод (с нефтью и нефтепродуктами) с открытым зеркалом жидкости (пруды-отстойники, нефтеловушки и пр.), а также шламонакопителей должно быть не менее 30 м. На складах IIIв категории при хранении только горючих нефти и нефтепродуктов это расстояние допускается сокращать до 24 м. Расстояние от остальных канализационных очистных сооружений следует принимать не менее 15 м.
6.10. Складские здания для нефтепродуктов в таре допускается располагать по отношению к железнодорожному пути склада в соответствии с габаритами нормативного приближения зданий и сооружений к железнодорожным путям.
6.11. Противопожарные расстояния между зданиями и сооружениями склада, за исключением установленных настоящими нормами, а также размещение инженерных сетей следует принимать в соответствии с
СП 4.13130.
6.12. Территория складов нефти и нефтепродуктов должна быть ограждена продуваемой оградой из негорючих материалов высотой не менее 2 м.
Расстояние от зданий, сооружений и наружных установок склада до ограды склада следует принимать:
от сливоналивных железнодорожных эстакад, оборудованных сливоналивными устройствами с двух сторон (считая от оси ближайшего к ограждению пути) - не менее 15 м;
от административных и бытовых зданий склада - не нормируется;
от других зданий и сооружений склада - не менее 5 м.
При размещении складов нефти и нефтепродуктов на территории других предприятий необходимость устройства ограды этих складов устанавливается заказчиком в задании на проектирование.
6.13. Территорию складов нефти и нефтепродуктов целесообразно разделять по функциональному использованию на зоны и участки с учетом противопожарных требований.
6.14. Узлы пуска и приема (приема-пуска) очистных устройств для магистральных нефтепроводов и нефтепродуктопроводов, размещаемые на территории складов нефти и нефтепродуктов на отметках выше отметок зданий и сооружений склада, должны быть ограждены со стороны этих зданий и сооружений земляным валом (ограждающей стенкой) высотой не менее 0,5 м.
6.15. Склады нефти и нефтепродуктов I и II категорий независимо от размеров площадки должны иметь не менее двух рассредоточенных выездов шириной не менее 3,5 м на автомобильные дороги общей сети или на подъездные пути склада или предприятия.
(п. 6.15 в ред.
Приказа МЧС России от 29.12.2023 N 1384)
6.16. По границам резервуарного парка, между группами резервуаров и для подъезда к площадкам сливоналивных устройств следует проектировать проезды с проезжей частью шириной 3,5 м и дорожной одеждой переходного типа.
Для сливоналивных железнодорожных эстакад, оборудованных сливоналивными устройствами с двух сторон, проезд для пожарных машин должен быть кольцевым или с двухсторонними тупиковыми проездами, заканчивающимися разворотными площадками 15 x 15 м.
(п. 6.16 в ред.
Приказа МЧС России от 29.12.2023 N 1384)
6.17. На территории резервуарного парка и на участках железнодорожного и автомобильного приема и отпуска нефти и нефтепродуктов планировочные отметки проезжей части внутренних автомобильных дорог должны быть выше планировочных отметок прилегающей территории не менее чем на 0,3 м.
6.18. На территории складов нефти и нефтепродуктов для озеленения следует применять деревья и кустарники лиственных пород.
Не допускается использовать для озеленения территории лиственные породы деревьев и кустарников, выделяющие при цветении хлопья, волокнистые вещества или опушенные семена.
В производственной зоне на участках железнодорожного и автомобильного приема-отпуска, а также в зоне резервуарного парка для озеленения следует применять только газоны.
Посадка газонов внутри обвалованной территории резервуарного парка не допускается.
6.19. Минимальные расстояния по горизонтали в свету от трубопроводов для транспортирования нефти и нефтепродуктов до зданий, сооружений, наружных установок и инженерных сетей складов следует принимать по таблице 5.
Таблица 5
Здания, сооружения и инженерные сети | Наименьшее расстояние по горизонтали (в свету) от трубопроводов, м |
надземных | подземных (в том числе в каналах, лотках) |
1. Резервуары для нефти и нефтепродуктов (стенка резервуара) | 3 | 4, но не менее глубины траншеи до фундамента резервуара |
2. Фундаменты административно-бытовых зданий при давлении в трубопроводе, МПа: | | |
до 2,5 включительно; | 12,5 | 5 |
св. 2,5 | 25 | 10 |
3. Фундаменты ограждения склада, прожекторных мачт, опор галерей, эстакад, трубопроводов, контактной сети и связи | 1 | 1,5 |
4. Ось пути железных дорог колеи 1520 мм (внутренних) при давлении в трубопроводе, МПа: | | |
до 2,5 включительно; | 4 | 4, но не менее глубины траншеи до подошвы насыпи |
св. 2,5 | 8 | 8, но не менее глубины траншеи до подошвы насыпи |
5. Внутренние автомобильные дороги: бортовой камень дороги (кромка проезжей части); | 1,5 | 1,5 |
наружная бровка кювета или подошва насыпи дороги | 1 | 2,5 |
6. Фундаменты опор воздушных линий электропередач, кВ: | | |
до 1 включительно и наружного освещения; | 1 | 1,5 |
свыше 1 до 35 включительно; | 5 | 5 |
свыше 35 | 10 | 10 |
7. Фундаменты других зданий и сооружений склада; | 3 | 3 |
то же, со стороны стен без проемов зданий I и II степеней огнестойкости | 0,5 | 3 |
8. Открытые трансформаторные подстанции и распредустройства | 10 | 10 |
9. Водопровод, промышленная (напорная и самотечная) канализация, дренажи, бытовая напорная канализация, водостоки (загрязненных вод) | 1,5 | 1,5 |
Окончание таблицы 5
Здания, сооружения и инженерные сети | Наименьшее расстояние по горизонтали (в свету) от трубопроводов, м |
надземных | подземных (в том числе в каналах, лотках) |
10. Бытовая самотечная канализация, водостоки (условно чистых вод) | 3 | 3 |
11. Теплопроводы (до наружной стенки канала) | 1 | 1 |
12. Кабели силовые и кабели связи | 1 | 1 |
7. Требования к резервуарным паркам
7.1. Для резервуарных парков нефти и нефтепродуктов следует применять типы резервуаров в соответствии с требованиями
ГОСТ 31385 и
ГОСТ 17032. Для нефти и нефтепродуктов с температурой застывания выше 0 °C, для которых не могут применяться резервуары с плавающей крышей или с понтоном, следует предусматривать резервуары со стационарной крышей. <*>
--------------------------------
<*> Резервуары со стационарной крышей с понтоном именуются здесь и в дальнейшем как резервуары с понтоном, резервуары со стационарной крышей без понтона - как резервуары со стационарной крышей.
7.2. Резервуары следует размещать группами.
Общую вместимость группы наземных резервуаров, а также расстояние между стенками резервуаров, располагаемых в одной группе, следует принимать в соответствии с таблицей 6.
Резервуары | Единичный номинальный объем резервуаров, устанавливаемых в группе, м3 | Вид хранимых нефти и нефтепродуктов | Допустимая общая номинальная вместимость группы, м3 | Минимальное расстояние между резервуарами, располагаемыми в одной группе |
С плавающей крышей | 50 000 и более | Независимо от вида жидкости | 200 000 | 30 м |
Менее 50 000 | То же | 120 000 | 0,5 Д <*>, но не более 30 м |
--------------------------------
<*> Наружный диаметр резервуара.
Окончание таблицы 6
Резервуары | Единичный номинальный объем резервуаров, устанавливаемых в группе, м3 | Вид хранимых нефти и нефтепродуктов | Допустимая общая номинальная вместимость группы, м3 | Минимальное расстояние между резервуарами, располагаемыми в одной группе |
С понтоном | 50 000 | То же | 200 000 | 30 м |
Менее 50 000 | То же | 120 000 | 0,65 Д, но не более 30 м |
Со стационарной крышей | 50 000 и менее | Нефть и нефтепродукты с температурой вспышки выше 45 °C | 120 000 | 0,75 Д, но не более 30 м |
50 000 и менее | То же, с температурой вспышки 45 °C и ниже | 80 000 | 0,75 Д, но не более 30 м |
Между резервуарами разных типов, размеров и объемов расстояние следует принимать наибольшим из значений, установленных в
таблице 6 для этих резервуаров.
7.3. Наземные резервуары объемом 400 м3 и менее, проектируемые в составе общей группы, следует располагать на одной площадке (или фундаменте), объединяя в отдельные группы общей вместимостью до 4000 м3 каждая, при этом расстояние между стенками резервуаров в такой группе не нормируется, а расстояние между ближайшими резервуарами таких соседних групп следует принимать не менее 15 м.
(в ред.
Приказа МЧС России от 29.12.2023 N 1384)
Расстояние от этих резервуаров до резервуаров объемом более 400 м
3 следует принимать по
таблице 6, но не менее 15 м.
7.4. Площадь зеркала подземного резервуара должна составлять не более 7000 м2, а общая площадь зеркала группы подземных резервуаров - 14000 м2.
Расстояние между стенками подземных резервуаров одной группы должно быть не менее 1 м.
7.5. Расстояние между стенками ближайших резервуаров, расположенных в соседних группах, должно быть, м:
наземных резервуаров номинальным объемом 20 000 м3 и более - 60, объемом до 20 000 м3 - 40;
подземных резервуаров - 15.
При размещении каждой группы наземных резервуаров в отдельном котловане или выемке, вмещающим всю хранимую в этих резервуарах жидкость, расстояние между верхними бровками соседних котлованов или выемок следует принимать 15 м.
7.6. По периметру каждой группы наземных резервуаров необходимо предусматривать замкнутое земляное обвалование шириной поверху не менее 0,5 м или ограждающую стену из негорючих материалов, рассчитанные на гидростатическое давление разлившейся жидкости.
Свободный от застройки объем обвалованной территории, образуемый между внутренними откосами обвалования или ограждающими стенами, следует определять по расчетному объему разлившейся жидкости, равному номинальному объему наибольшего резервуара в группе или отдельно стоящего резервуара.
Высота обвалования или ограждающей стены каждой группы резервуаров должна быть на 0,2 м выше уровня расчетного объема разлившейся жидкости, но не менее 1 м для резервуаров номинальным объемом до 10000 м3 и 1,5 м для резервуаров объемом 10000 м3 и более.
Расстояние от стенок резервуаров до подошвы внутренних откосов обвалования или до ограждающих стен следует принимать не менее 3 м от резервуаров объемом до 10 000 м3 и 6 м - от резервуаров объемом 10000 м3 и более.
Группа из резервуаров объемом 400 м3 и менее общей вместимостью до 4000 м3, расположенная отдельно от общей группы резервуаров (за пределами ее внешнего обвалования), должна быть ограждена сплошным земляным валом или стеной высотой 0,8 м при вертикальных резервуарах и 0,5 м при горизонтальных резервуарах. Расстояние от стенок этих резервуаров до подошвы внутренних откосов обвалования не нормируется.
7.7. Обвалование подземных резервуаров следует предусматривать только при хранении в этих резервуарах нефти и мазутов. Объем, образуемый между внутренними откосами обвалования, следует определять из условия удержания разлившейся жидкости в количестве, равном 10% объема наибольшего подземного резервуара в группе.
Обвалование группы подземных резервуаров для хранения нефти и мазутов допускается не предусматривать, если объем, образуемый между откосами земляного полотна автомобильных дорог вокруг группы этих резервуаров, удовлетворяет указанному условию.
7.8. В пределах одной группы наземных резервуаров внутренними земляными валами или ограждающими стенами следует отделять:
каждый резервуар объемом 20000 м3 и более или несколько меньших резервуаров суммарной вместимостью 20000 м3;
резервуары с маслами и мазутами от резервуаров с другими нефтепродуктами;
резервуары для хранения этилированных бензинов от других резервуаров группы.
Высоту внутреннего земляного вала или стены следует принимать:
1,3 м - для резервуаров объемом 10000 м3 и более;
0,8 м - для остальных резервуаров.
7.9. Резервуары в группе следует располагать:
номинальным объемом менее 1000 м3 - не более чем в четыре ряда;
объемом от 1000 до 10 000 м3 - не более чем в три ряда;
объемом 10 000 м3 и более - не более чем в два ряда.
7.10. В каждую группу наземных вертикальных резервуаров, располагаемых в два ряда и более, допускается предусматривать заезды внутрь обвалования для передвижной пожарной техники, если с внутренних дорог и проездов склада не обеспечивается подача огнетушащих средств в резервуары. При этом планировочная отметка проезжей части заезда должна быть на 0,2 м выше уровня расчетного объема разлившейся жидкости.
7.11. Для перехода через обвалование или ограждающую стену, а также для подъема на обсыпку резервуаров необходимо на противоположных сторонах ограждения или обсыпки предусматривать лестницы-переходы шириной не менее 0,7 м в количестве четырех - для группы резервуаров и не менее двух - для отдельно стоящих резервуаров.
Между переходами через обвалование и стационарными лестницами на резервуарах следует предусматривать пешеходные дорожки (тротуары) шириной не менее 0,75 м.
7.12. Внутри обвалования группы резервуаров не допускается прокладка транзитных трубопроводов.
Соединения трубопроводов, прокладываемых внутри обвалования, следует выполнять на сварке. Для присоединения арматуры допускается применять фланцевые соединения с прокладками из негорючих материалов.
8. Требования к расходным складам нефтепродуктов предприятий
8.1. Требования данного раздела следует применять при проектировании расходных складов нефтепродуктов, входящих в состав предприятий (промышленных, транспортных, сельскохозяйственных, энергетических, строительных и др.), общая вместимость (резервуаров и тары для хранения нефтепродуктов) не должна превышать указанную в таблице 7.
Хранимые нефтепродукты | Допустимая общая вместимость склада нефтепродуктов предприятия, м3, при хранении |
наземном | подземном |
Легковоспламеняющиеся | 2000 | 4000 |
Горючие | 10000 | 20000 |
При наземном и подземном хранении одновременно легковоспламеняющихся и горючих нефтепродуктов общая приведенная вместимость расходного склада не должна превышать вместимости, указанной в
таблице 7, при этом приведенная вместимость определяется из расчета: 1 м
3 легковоспламеняющихся нефтепродуктов приравнивается к 5 м
3 горючих и 1 м
3 объема резервуаров и тары при наземном хранении - к 2 м
3 объема при подземном хранении.
При определении общей приведенной вместимости не учитываются:
промежуточные резервуары (у сливоналивных эстакад);
резервуары сбора утечек;
резервуары уловленных нефтепродуктов на очистных сооружениях производственной или производственно-дождевой канализации.
8.2. Расстояние от жилых и общественных зданий до расходных складов нефтепродуктов предприятий следует принимать в соответствии с
таблицей 2, а до расходных складов горючих нефтепродуктов, предусматриваемых в составе котельных, дизельных электростанций и других энергообъектов, обслуживающих жилые и общественные здания, в соответствии с таблицей 8.
Таблица 8
Вместимость склада, м3 | Противопожарные расстояния при степени огнестойкости зданий, сооружений, м |
I, II | III | IV, V |
не более 100 | 20 | 25 | 30 |
более 100, но не более 800 | 30 | 35 | 40 |
более 800, но не более 2000 | 40 | 45 | 50 |
Расстояние от расходного склада нефтепродуктов до зданий и сооружений предприятия следует принимать в соответствии с требованиями
раздела 6.1 СП 4.13130, до зданий и сооружений соседнего предприятия - по
таблице 2 настоящего свода правил.
8.3. Расстояние от наземных резервуаров для нефтепродуктов расходного склада до зданий, сооружений и других наружных установок склада следует принимать по таблице 9.
Здания, сооружения и наружные установки | Расстояние, м, от наземных резервуаров для нефтепродуктов |
легковоспламеняющихся | горючих |
Здания и площадки продуктовых насосных станций, разливочных, расфасовочных | 10 | 8 |
Складские здания и площадки для хранения нефтепродуктов в таре, сливоналивные устройства для железнодорожных и автомобильных цистерн, раздаточные колонки нефтепродуктов | 15 | 10 |
Одиночные сливоналивные устройства для автоцистерн (до 3 стояков) | 10 | 8 |
8.4. Расстояния от подземных резервуаров для нефтепродуктов расходного склада до зданий, сооружений и наружных установок этого склада, указанных в
таблице 9, допускается уменьшать до 50%.
На расходных складах расстояние от подземных резервуаров для горючих нефтепродуктов и от наземных резервуаров для нефтепродуктов с температурой вспышки выше 120 °C до продуктовых насосных станций этих нефтепродуктов не нормируется.
8.5. На расходных складах расстояние от продуктовых насосных и складских зданий для нефтепродуктов в таре до сливоналивных устройств (для железнодорожных и автомобильных цистерн) следует принимать, м:
для легковоспламеняющихся нефтепродуктов не менее 10;
для горючих нефтепродуктов не менее 8.
8.6. Расстояние от наземных резервуаров, складских зданий для хранения нефтепродуктов в таре и резервуарах, продуктовых насосных станций, разливочных, расфасовочных, сливоналивных устройств для железнодорожных и автомобильных цистерн и сливных (промежуточных) резервуаров для нефтепродуктов, относящихся к расходному складу, до железнодорожных путей и автомобильных дорог следует принимать по
таблице 10.
Расстояния, указанные в
таблице 10, от подземных резервуаров допускается уменьшать до 50%. Расстояние от складских зданий для хранения нефтепродуктов с температурой вспышки выше 120 °C в таре и резервуарах, а также от раздаточных колонок жидкого топлива и масел для экипировки локомотивов до внутренних железнодорожных путей предприятия допускается принимать по габариту нормативного приближения зданий и сооружений к железнодорожным путям.
Дороги | Расстояние, м, от зданий, сооружений и наружных установок с нефтепродуктами |
легковоспламеняющимися | горючими |
До оси железнодорожных путей общей сети | 50 | 30 |
До оси внутренних железнодорожных путей предприятия (кроме путей, по которым производятся перевозки жидкого чугуна, шлака и горячих слитков) | 20 | 10 |
До края проезжей части автомобильных дорог: | | |
общей сети | 15 | 10 |
предприятия | 9 | 5 |
8.7. Расстояние от раздаточных колонок нефтепродуктов расходного склада до зданий и сооружений предприятия следует принимать, м:
до стен без проемов зданий со степенями огнестойкости I, II, III и IV классов C0 не менее 3;
до стен с проемами зданий со степенями огнестойкости I, II, III и IV классов C0 не менее 9;
до остальных зданий не менее 18.
8.8. Помещения продуктовых насосных и складские помещения для хранения нефтепродуктов в таре и резервуарах расходного склада следует отделять от других помещений противопожарными перегородками 1-го типа.
В местах дверных проемов в этих перегородках следует предусматривать пороги (с пандусами) высотой 0,15 м.
8.9. В производственных зданиях I и II степеней огнестойкости, а также в одноэтажных зданиях III и IV степени огнестойкости класса конструктивной пожарной опасности C0 допускается размещать расходный склад для хранения нефтепродуктов в количестве, не более указанного в
таблице 11.
Выпуск паров легковоспламеняющихся и горючих нефтепродуктов из резервуаров в помещение, в котором они установлены, не допускается.
Условия хранения | Количество нефтепродуктов (в резервуарах и таре), м3 |
легковоспламеняющихся | горючих |
В специальном помещении, отделенном от соседних помещений противопожарными перегородками 1-го типа и перекрытиями 3-го типа и имеющем выход непосредственно наружу, в зданиях: | | |
I и II степеней огнестойкости | 30 | 150 |
III класса C0 и IV класса C0 | 10 | 50 |
В производственных и складских помещениях зданий I и II степеней огнестойкости | 1 | 5 |
В подвальных помещениях, отделенных от соседних помещений противопожарными перегородками 1-го типа и перекрытиями 3-го типа и имеющих выход непосредственно наружу, в зданиях I и II степеней огнестойкости | Не допускается | 300 |
То же, в подвальных помещениях с резервуарами (баками) для масел в зданиях: | | |
I и II степеней огнестойкости | Не допускается | 400 |
III класса C0 и IV класса C0 | То же | 100 |
8.10. Из наземных расходных резервуаров единичной и общей вместимостью более 1 м3 для легковоспламеняющихся и 5 м3 для горючих нефтепродуктов, относящихся к расходному складу и устанавливаемых в производственных зданиях, должен предусматриваться слив в аварийный подземный резервуар или опорожнение их продуктовыми насосами в резервуары основной емкости склада.
Объем аварийного резервуара должен быть не менее 30% суммарной вместимости всех резервуаров, устанавливаемых в производственных зданиях расходного склада, и не менее вместимости наибольшего из указанных резервуаров.
Аварийный резервуар, в который обеспечивается самотечный слив, должен быть подземным и располагаться снаружи здания на расстоянии не менее 1 м от стен без проемов и не менее 5 м от стен с проемами. Специальный аварийный резервуар может не предусматриваться, если обеспечивается самотечный слив нефтепродуктов в резервуары основной емкости склада.
При самотечном сливе трубопроводы аварийного слива должны иметь диаметр не менее 100 мм и снабжены устройствами, предупреждающими распространение пламени через эти трубопроводы.
На каждом аварийном трубопроводе, соединяющем расходные резервуары с аварийным резервуаром, должно быть запорное устройство, устанавливаемое вне здания или на первом этаже (вблизи выхода наружу).
Продуктовые насосы, обеспечивающие откачку нефтепродуктов при аварии, необходимо размещать в отдельном от резервуаров помещении или вне здания.
Аварийный слив из резервуаров (баков) для масел, размещаемых в подвальных помещениях, допускается не предусматривать.
8.11. На расходном складе предприятий и строительств, расположенных вне населенных пунктов, а также на территории лесозаготовок допускается для хранения нефтепродуктов предусматривать подземные сооружения из горючих материалов при условии засыпки этих сооружений слоем земли (с уплотнением) толщиной не менее 0,2 м и устройства пола из негорючих материалов.
Количество нефтепродуктов при хранении в этих сооружениях не должно превышать 12 м3 для легковоспламеняющихся и 60 м3 для горючих нефтепродуктов.
8.12. Подачу воды для охлаждения резервуаров и тушения пожара на расходных складах нефтепродуктов предприятий следует предусматривать от наружного водопровода предприятия (при обеспечении расчетного расхода воды и необходимого свободного напора в сети) или в соответствии с
пунктом 13.2.8 настоящего свода правил.
9. Требования к складским зданиям и сооружениям для хранения нефтепродуктов в таре. Разливочные, расфасовочные
9.1. Хранение нефтепродуктов в таре допускается осуществлять в специально оборудованных зданиях или под навесом.
9.2. Складские здания для нефтепродуктов в таре следует принимать:
для легковоспламеняющихся нефтепродуктов - одноэтажными;
для горючих нефтепродуктов - не более трех этажей при степенях огнестойкости этих зданий I и II и одноэтажными при степенях огнестойкости III класса C0 или IV класса C0.
Для хранения горючих нефтепродуктов в таре допускается предусматривать одноэтажные подземные сооружения.
На складах III категории допускается для хранения нефтепродуктов с температурой вспышки паров выше 120 °C в количестве до 60 м3 проектировать подземные сооружения из горючих материалов при условии засыпки этих сооружений слоем земли (с уплотнением) толщиной не менее 0,2 м и устройством пола из негорючих материалов.
9.3. На открытых площадках не допускается хранение в таре нефтепродуктов с температурой вспышки 45 °C и ниже.
9.4. Общая вместимость одного складского здания или площадки под навесом для нефтепродуктов в таре не должна превышать 1200 м3 легковоспламеняющихся или 6000 м3 горючих нефтепродуктов.
При одновременном хранении легковоспламеняющихся и горючих нефтепродуктов указанная вместимость устанавливается по приведенной вместимости, определяемой из расчета: 1 м3 легковоспламеняющихся нефтепродуктов приравнивается к 5 м3 горючих нефтепродуктов.
Складские здания и площадки под навесами для хранения нефтепродуктов в таре следует разделять противопожарными перегородками 1-го типа на отсеки (помещения) вместимостью каждого не более 200 м3 легковоспламеняющихся и не более 1000 м3 горючих нефтепродуктов.
9.5. Складские помещения для хранения нефтепродуктов в таре должны быть отделены от других помещений противопожарными перегородками 1-го типа.
9.6. В дверных проемах внутренних стен и перегородок следует предусматривать пороги или пандусы высотой 0,15 м.
9.7. Полы в складских зданиях для хранения нефтепродуктов в таре, а также в помещениях разливочных и расфасовочных должны быть из негорючих материалов и не впитывающих нефтепродукты и иметь уклоны для стока жидкости к лоткам, приямкам и трапам.
В помещениях категорий А и Б следует применять безыскровые типы полов в соответствии с
СП 29.13330.
9.8. Грузовые платформы (рампы) для железнодорожного и автомобильного транспорта должны быть из негорючих материалов. Для складов III категории допускается проектировать грузовые платформы из материалов группы горючести Г1.
9.9. По периметру площадок для хранения нефтепродуктов в таре необходимо предусматривать замкнутое обвалование или ограждающую стену из негорючих материалов высотой до 0,5 м, для прохода или проезда на площадку - лестницы и пандусы.
9.10. У сплошных (без проемов) стен разливочных на расстоянии не менее 2 м (снаружи здания) допускается размещать раздаточные резервуары объемом каждого до 25 м3 включительно и общей вместимостью не более 200 м3. Расстояния между раздаточными резервуарами следует принимать не менее 1 м.
9.11. Раздаточные резервуары объемом до 100 м3 включительно, предназначенные для выдачи масел, требующих подогрева, допускается размещать так, чтобы торцы их располагались в помещении разливочной, а такие же резервуары объемом до 25 м3 включительно допускается размещать в помещении разливочной при условии обеспечения отвода паров из резервуаров за пределы помещения.
9.12. В одноэтажных зданиях разливочных и расфасовочных, предназначенных для налива масел, допускается размещать в подвальных помещениях резервуары для масел общей вместимостью не более 400 м3.
Выходы из указанных подвальных помещений должны быть непосредственно наружу и не должны сообщаться с первым этажом зданий.
10. Требования к сливоналивным эстакадам
10.1. Железнодорожные сливоналивные эстакады следует располагать на прямом горизонтальном участке железнодорожного пути.
На складах III категории односторонние сливоналивные эстакады допускается располагать на кривых участках пути радиусом не менее 200 м.
10.2. Железнодорожные пути, на которых располагаются сливоналивные эстакады, должны иметь съезд на параллельный обгонный путь, позволяющий осуществлять вывод цистерн от эстакад в обе стороны.
При реконструкции или расширении действующих двухсторонних эстакад и невозможности устройства обгонного пути, а также для односторонних эстакад допускается предусматривать тупиковый путь (с установкой в конце его лебедки с тросом), длину которого следует увеличивать на 30 м (для возможности расцепки состава при пожаре), считая от крайней цистерны расчетного маршрутного состава до упорного бруса.
10.3. Не допускается предусматривать эстакады на железнодорожных путях, предназначенных для сквозного проезда.
10.4. На складах I категории сливоналивные эстакады для легковоспламеняющихся и горючих жидкостей должны быть раздельными.
10.5. Расстояние между осями ближайших железнодорожных путей соседних сливоналивных эстакад (расположенных на параллельных путях) должно быть не менее 20 м.
Расстояние от оси железнодорожного пути склада или предприятия до оси ближайшего пути со сливоналивной эстакадой должно быть не менее 20 м, если температура вспышки сливаемых нефти и нефтепродуктов 120 °C и ниже, и не менее 10 м - если температура вспышки выше 120 °C и для мазутов.
10.6. Промежуточные резервуары сливоналивных устройств (кроме сливных емкостей для нефтепродуктов с температурой вспышки выше 120 °C и мазутов) не допускается размещать под железнодорожными путями.
10.7. Площадки для сливоналивных эстакад должны иметь твердое водонепроницаемое покрытие, огражденное по периметру бортиком высотой не менее 0,2 м, и уклоны не менее 2% для стока жидкости к приемным устройствам (лоткам, колодцам, приямкам).
10.8. На сливоналивных эстакадах лестницы должны быть из негорючих материалов в торцах, а также по длине эстакад на расстоянии друг от друга не более 100 м. Лестницы должны иметь ширину не менее 0,7 м и уклон не более 1:1.
Лестницы и эстакады должны иметь ограждения высотой не менее 1,0 м.
10.9. Морские и речные сливоналивные причалы и пирсы следует проектировать в соответствии с нормами технологического и строительного проектирования морских и речных портов, утвержденных в установленном порядке.
10.10. Исключен. -
Приказ МЧС России от 09.03.2017 N 109.
11. Требования к насосным станциям для перекачки нефти и нефтепродуктов (продуктовые насосные станции)
11.1. На складах III категории в здании насосной станции допускается размещение дизельных электрогенераторов. При этом расходные баки для горючих нефтепродуктов емкостью не более суточной потребности следует располагать снаружи здания насосной станции со стороны сплошной (без проемов) противопожарной стены или в пристройке из негорючих материалов.
11.2. Торцы подземных горизонтальных резервуаров для нефтепродуктов с температурой вспышки выше 120 °C и мазутов допускается располагать в помещениях насосной станции, обслуживающей эти резервуары, или пункта контроля и управления.
11.3. При размещении узлов задвижек в отдельном помещении оно должно отделяться от помещения для насосов противопожарной перегородкой 1-го типа и иметь выход непосредственно наружу.
11.4. В зданиях продуктовых насосных станций помещение для электродвигателей насосов (кроме взрывозащищенных) или двигателей внутреннего сгорания должно быть отделено от помещения для насосов противопожарной перегородкой 1-го типа, без проемов.
В местах прохода через эту перегородку валов, соединяющих двигатели с насосами, необходимо устанавливать уплотняющие устройства.
12. Требования к электроснабжению и связи
12.1. Категории электроприемников складов нефти и нефтепродуктов в отношении обеспечения надежности электроснабжения устанавливаются заказчиком в задании на проектирование в соответствии с требованиями
[1]. При этом электроприемники систем противопожарной защиты (включая противопожарные насосные станции) должны обеспечиваться по первой категории.
12.2. В помещениях продуктовых насосных станций площадью более 250 м2, а также в помещениях для операторов и диспетчеров следует предусматривать аварийное освещение.
12.3. Виды применяемых средств связи для зданий и сооружений складов нефти и нефтепродуктов устанавливаются в задании на проектирование по согласованию с заинтересованными организациями.
12.4. Электрооборудование систем противопожарной защиты должно соответствовать требованиям
СП 6.13130 в части, не противоречащей настоящему своду правил.
13. Требования к системам противопожарной защиты
13.1. Системы пожарной сигнализации
13.1.1. Оснащение зданий, сооружений, помещений и оборудования складов нефти и нефтепродуктов автоматическими системами пожарной сигнализации следует выполнять в соответствии с
СП 486.1311500.
(в ред.
Приказа МЧС России от 29.12.2023 N 1384)
Кроме того, на складах нефти и нефтепродуктов системой пожарной сигнализацией должны быть оборудованы:
(в ред.
Приказа МЧС России от 29.12.2023 N 1384)
помещения для насосов и узлов задвижек в зданиях продуктовых насосных станций, канализационных насосных станций для перекачки сточных вод с нефтью и нефтепродуктами и уловленного нефтепродукта площадью каждого менее 300 м2 или при производительности продуктовой насосной станции менее 1200 м3/ч (для резервуарных парков магистральных нефтепроводов);
складские помещения для хранения нефтепродуктов в таре площадью до 500 м2;
разливочные, расфасовочные и другие производственные помещения склада, в которых имеются нефть и нефтепродукты в количестве более 15 кг/м2, площадью до 500 м2.
При проектировании автоматической системы пожарной сигнализации следует руководствоваться требованиями
СП 484.1311500.
(в ред.
Приказа МЧС России от 29.12.2023 N 1384)
13.1.2. Склады нефти и нефтепродуктов должны быть оборудованы электрической пожарной сигнализацией с ручными пожарными извещателями.
Ручные извещатели пожарной сигнализации на территории склада предусматриваются:
для зданий категорий А, Б и В по взрывопожарной и пожарной опасности - снаружи зданий, у входов и по периметру на расстоянии не более чем через 50 м;
для резервуарных парков и открытых площадок хранения нефтепродуктов в таре - по периметру обвалования (ограждающей стенки) не более чем через 150 м при хранении нефтепродуктов с температурой вспышки выше 120 °C и не более 100 м для остальных нефтепродуктов;
на сливоналивных эстакадах - у торцов эстакады и по ее длине не реже чем через 100 м, но не менее двух (у лестниц для обслуживания эстакад);
на наружных технологических установках с взрыво- и пожароопасными производствами - по периметру установки не более чем через 100 м.
Ручные пожарные извещатели устанавливаются на расстоянии не более 5 м от обвалования парка или границы наружной установки и на расстоянии не более 20 м от сливоналивных эстакад.
13.3.3. Приемно-контрольные приборы пожарной сигнализации следует размещать в помещении склада, где находится персонал, ведущий круглосуточное дежурство.
13.1.4. На резервуарах типа РВСПК, ЖБРПК пожарные извещатели пламени следует устанавливать в соответствии с их техническими характеристиками на расстоянии не более 12,5 м друг от друга по периметру.
(п. 13.1.4 введен
Приказом МЧС России от 29.12.2023 N 1384)
13.1.5. На резервуарах типа РВС, РВСП, РВСПА, ЖБРЦ, ЖБРП тепловые пожарные извещатели следует устанавливать на расстоянии не более 12,5 м друг от друга по периметру в стенке верхнего пояса и/или в крыше резервуара на расстоянии не более 3 м от его стенки (чувствительный элемент извещателя при этом должен находиться под крышей резервуара).
(п. 13.1.5 введен
Приказом МЧС России от 29.12.2023 N 1384)
13.1.6. Каждый резервуар должен быть выделен в отдельную зону контроля системы пожарной сигнализации.
(п. 13.1.6 введен
Приказом МЧС России от 29.12.2023 N 1384)
13.1.7. Средства автоматизации стационарных установок пенного пожаротушения (неавтоматических) должны обеспечить включение резервных насосов в случае, если основные неисправны или не обеспечивают расчетный напор.
(п. 13.1.7 введен
Приказом МЧС России от 29.12.2023 N 1384)
13.2. Общие требования к системам пожаротушения и водяного охлаждения
13.2.1. На складах нефти и нефтепродуктов предусматриваются системы пожаротушения и водяного охлаждения.
13.2.2. При проектировании установок пожаротушения и охлаждения для зданий и сооружений складов нефти и нефтепродуктов учитываются требования
СП 8.13130,
СП 10.13130,
СП 485.1311500 к устройству сетей противопожарного водопровода и сооружений на них, если они не установлены настоящим сводом правил.
(п. 13.2.2 в ред.
Приказа МЧС России от 29.12.2023 N 1384)
13.2.3. Для наземных резервуаров нефти и нефтепродуктов объемом 5000 м
3 и более, а также зданий и помещений склада, указанных в
пункте 13.2.5, следует предусматривать системы автоматического пожаротушения.
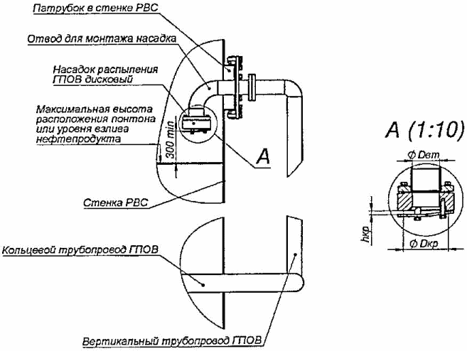
На складах IIIа категории при наличии не более двух наземных резервуаров объемом 5000 м3 допускается предусматривать тушение пожара этих резервуаров мобильными средствами пожаротушения при условии оборудования резервуаров стационарно установленными устройствами для подачи огнетушащего вещества (генераторами пены, пеносливами или насадками для подачи двуокиси углерода, иными устройствами) и сухими трубопроводами (с соединительными полугайками для присоединения пожарной техники и заглушками), выведенными за обвалование.
13.2.4. Для подземных резервуаров объемом 5000 м3 и более, сливоналивных эстакад и устройств для железнодорожных и автомобильных цистерн на складах I и II категорий следует предусматривать стационарные установки пожаротушения (неавтоматические).
При проектировании автоматизированных установок тактового налива светлых нефтепродуктов в железнодорожные цистерны для противопожарной защиты этих цистерн в зоне налива должна быть предусмотрена автоматическая стационарная система газового (например: углекислый газ, азот или др. нейтральный газ) тушения с поступлением огнетушащего вещества непосредственно в горловину цистерны на слой нефтепродукта при закрытой герметичной крышке.
13.2.5. Необходимость оснащения зданий, сооружений, помещений и оборудования складов нефти и нефтепродуктов установками автоматического пожаротушения следует принимать согласно
СП 486.1311500.
(в ред.
Приказа МЧС России от 29.12.2023 N 1384)
Кроме того, на складах нефти и нефтепродуктов установками автоматического пожаротушения должны быть оборудованы здания и помещения, указанные в таблице 12.
Здания склада | Помещения, подлежащие оборудованию установками автоматического пожаротушения |
Здания продуктовых насосных станций (кроме резервуарных парков магистральных нефтепроводов), канализационных насосных станций для перекачки неочищенных производственных сточных вод (с нефтью и нефтепродуктами) и уловленных нефти и нефтепродуктов | Помещения для насосов и узлов задвижек площадью пола 300 м2 и более |
Здания насосных станций резервуарных парков магистральных нефтепроводов | Помещения для насосов и узлов задвижек на станциях производительностью 1200 м3/ч и более |
Складские здания для хранения нефтепродуктов в таре | Складские помещения площадью 500 м2 и более для нефтепродуктов с температурой вспышки 120 °C и ниже, площадью 750 м2 и более - для остальных нефтепродуктов |
Прочие здания склада (разливочные, расфасовочные и др.) | Производственные помещения площадью более 500 м2, в которых имеются нефть и нефтепродукты в количестве более 15 кг/м2 |
13.2.6. Для наземных и подземных резервуаров объемом менее 5000 м
3, продуктовых насосных станций, размещаемых на площадках, сливоналивных эстакад и устройств для железнодорожных и автомобильных цистерн на складах III категории, а также указанных в
пункте 13.2.5 зданий и помещений склада, при площади этих помещений и производительности насосных станций менее приведенных в
таблице 12, следует предусматривать тушение пожара мобильными средствами пожаротушения. При этом на резервуарах объемом от 1000 до 5000 м
3 надлежит устанавливать устройства для подачи огнетушащего вещества (генераторы пены, пеносливы или насадки для подачи двуокиси углерода, иные устройства) с сухими трубопроводами (с соединительными головками и заглушками), выведенными за обвалование.
Внутренний противопожарный водопровод в зданиях и помещениях, оборудованных установками автоматического пожаротушения, допускается не предусматривать.
13.2.7. Для тушения пожаров резервуаров могут применяться системы пожаротушения, приведенные в
приложениях А,
Б,
В и
Г.
Независимо от типа установки пожаротушения нормативный запас пенообразователя, хранящегося на складе объекта, и воды на приготовление раствора следует принимать из условия обеспечения трехкратного расхода раствора на один пожар.
(в ред.
Приказа МЧС России от 29.12.2023 N 1384)
(п. 13.2.7 в ред.
Приказа МЧС России от 09.03.2017 N 109)
13.2.8. Наземные резервуары объемом 5000 м
3 и более должны быть оборудованы стационарными установками охлаждения.
Для резервуаров с теплоизоляцией из негорючих материалов допускается не присоединять стационарную установку охлаждения к противопожарному водопроводу, при этом сухие трубопроводы должны быть выведены за пределы обвалования и оборудованы соединительными головками и заглушками.
Охлаждение наземных резервуаров объемом менее 5000 м3, а также подземных резервуаров объемом более 400 м3 следует предусматривать мобильными средствами пожаротушения.
На складах I и II категории для охлаждения железнодорожных цистерн, сливоналивных устройств на эстакадах следует предусматривать стационарные лафетные стволы. Допускается применение одних и тех же стволов для подачи как пены для тушения (как дополнение к стационарной установке пенного пожаротушения с генераторами или пенными дренчерными оросителями), так и для подачи воды на охлаждение по
п. 13.2.15 настоящего свода правил, для чего к каждому стволу через раздельную запорную арматуру (от разных трубопроводов) может быть предусмотрен подвод огнетушащего вещества и воды.
(в ред.
Приказа МЧС России от 29.12.2023 N 1384)
13.2.9. На складах III категории с резервуарами объемом менее 5000 м3 допускается не устраивать противопожарный водопровод, а предусматривать подачу воды на охлаждение и тушение пожара мобильными средствами пожаротушения из противопожарных емкостей (резервуаров) или открытых искусственных и естественных водоемов.
13.2.10. За расчетный расход воды при пожаре на складе нефти и нефтепродуктов следует принимать один из наибольших расходов:
на пожаротушение и охлаждение резервуаров (исходя из наибольшего расхода при пожаре одного резервуара);
на пожаротушение и охлаждение железнодорожных цистерн, сливоналивных устройств и эстакад или на пожаротушение сливоналивных устройств для автомобильных цистерн;
на наружное и внутреннее пожаротушение одного из зданий склада.
13.2.11. Расходы огнетушащих средств следует определять, исходя из интенсивности их подачи на 1 м
2 расчетной площади тушения нефти и нефтепродуктов.
Расчетную площадь тушения следует принимать равной:
- в наземных вертикальных резервуарах со стационарной крышей, резервуарах с понтоном - площади горизонтального сечения резервуара при расчете установок пожаротушения с подачей пены сверху или в слой;
(в ред.
Приказа МЧС России от 29.12.2023 N 1384)
- в наземных вертикальных резервуарах со стационарной крышей с понтоном при комбинированном способе пожаротушения (одновременная подача пены сверху и под слой) - площади кольцевого пространства между стенкой резервуара и барьером для ограждения пены на понтоне при подаче пены сверху и площади горизонтального сечения резервуара за вычетом площади кольцевого пространства между стенкой резервуара и барьером для ограждения пены на понтоне при подаче пены в слой;
(в ред.
Приказа МЧС России от 29.12.2023 N 1384)
- в наземных вертикальных резервуарах со стационарной крышей с понтоном при комбинированном способе пожаротушения (последовательная подача пены сверху и под слой) - площади горизонтального сечения резервуара при подаче пены сверху и при подаче пены в слой;
(в ред.
Приказа МЧС России от 29.12.2023 N 1384)
- в наземных вертикальных резервуарах с плавающей крышей - площади кольцевого пространства между стенкой резервуара и барьером для ограждения пены (на плавающей крыше) при расчете установок автоматического пожаротушения с подачей пены сверху;
(в ред.
Приказа МЧС России от 29.12.2023 N 1384)
- в наземных вертикальных резервуарах с плавающей крышей при комбинированном способе пожаротушения (одновременной или последовательной подачи пены сверху и под слой) - площади кольцевого пространства между стенкой резервуара и барьером для ограждения пены на плавающей крыше при подаче пены сверху и площади горизонтального сечения резервуара за вычетом площади кольцевого пространства между стенкой резервуара и барьером для ограждения пены при подаче пены в слой;
(в ред.
Приказа МЧС России от 29.12.2023 N 1384)
- в наземных вертикальных резервуарах всех типов - площади горизонтального сечения резервуара при тушении мобильными средствами пожаротушения;
(в ред.
Приказа МЧС России от 29.12.2023 N 1384)
в подземных резервуарах - площади горизонтального сечения резервуара;
в горизонтальных резервуарах - площади резервуара в плане;
для наземных резервуаров объемом до 400 м3, расположенных на одной площадке группой общей вместимостью до 4000 м3 - площади в пределах обвалования этой группы, но не более 300 м2;
для сливоналивных железнодорожных эстакад - площади эстакады по внешнему контуру сооружения, включая железнодорожный путь (пути), но не более 1000 м2;
для сливоналивных устройств для автомобильных цистерн - площади площадки, занимаемой заправочными островками, но не более 800 м2;
в складских зданиях для хранения нефтепродуктов в таре (на внутреннее пожаротушение) - площади пола наибольшего складского помещения;
на внутреннее пожаротушение продуктовых насосных и канализационных насосных станций, разливочных, расфасовочных и других производственных зданий - площади пола наибольшего помещения (из указанных в
таблице 12), в котором имеются нефть и нефтепродукты.
13.2.12. Расход воды на охлаждение наземных вертикальных резервуаров следует определять расчетом, исходя из интенсивности подачи воды, принимаемой по таблице 13. Общий расход воды определяется как сумма расходов на охлаждение горящего резервуара и охлаждение соседних с ним в группе.
Таблица 13
Система охлаждения резервуаров | Интенсивность подачи воды, л/с, на один метр длины |
окружности горящего резервуара | половины окружности соседнего резервуара |
Стационарная установка охлаждения для резервуаров высотой стенки, м: | | |
более 12; | 0,75 | 0,30 |
12 и менее и для резервуаров с плавающей крышей | 0,50 | 0,20 |
Мобильные средства пожаротушения | 0,80 | 0,30 |
При расчете расхода воды допускается не учитывать подачу воды на охлаждение соседних с горящим наземных резервуаров:
с теплоизоляцией из негорючих материалов, при этом на площадке должен предусматриваться неприкосновенный запас воды в объеме не менее 800 м3 для резервуаров объемом до 10 000 м3 (включ.), 2000 м3 - для резервуаров объемом более 10 000 м3, а расстояние между резервуарами объемом более 10 000 м3 в этом случае следует увеличивать до 40 м;
расположенных на расстоянии более двух нормативных расстояний (указанных в
пункте 7.2) от горящего резервуара.
13.2.13. Общий расход воды на охлаждение наземных горизонтальных резервуаров объемом 100 м3 и более (горящего и соседних с ним) следует принимать не менее 20 л/с.
13.2.14. Общий расход воды на охлаждение подземных резервуаров (горящего и соседних с ним) принимается при объеме наибольшего резервуара, л/с:
свыше 400 до 1000 м3 - 10
свыше 1000 до 5000 м3 - 20
свыше 5000 до 30000 м3 - 30
свыше 30000 до 50000 м3 включительно - 50.
13.2.15. Общий расход воды на охлаждение лафетными стволами железнодорожных цистерн, сливоналивных устройств на эстакадах следует принимать из расчета одновременной работы двух лафетных стволов, но не менее 40 л/с.
Число и расположение лафетных стволов следует определять из условия орошения железнодорожных цистерн и каждой точки эстакады в плане двумя компактными струями.
Лафетные стволы следует устанавливать на расстоянии не менее 15 м от железнодорожных путей эстакады.
Абзац исключен с 1 марта 2024 года. -
Приказ МЧС России от 29.12.2023 N 1384.
(п. 13.2.15 в ред.
Приказа МЧС России от 09.03.2017 N 109)
13.2.16. Свободный напор сети противопожарного водопровода при пожаре следует принимать:
при охлаждении резервуаров стационарной или автоматической установкой - по технической характеристике кольца орошения, но не менее 10 м на уровне последнего отверстия кольца (полукольца, секции) орошения;
(в ред.
Приказа МЧС России от 29.12.2023 N 1384)
при охлаждении резервуаров мобильными средствами пожаротушения - по технической характеристике пожарных стволов и другого применяемого оборудования для подачи огнетушащих веществ, но не менее 40 м.
(в ред.
Приказа МЧС России от 29.12.2023 N 1384)
13.2.17. Расчетную продолжительность охлаждения резервуаров (горящего и соседних с ним) следует принимать:
- для наземных резервуаров и сливоналивных железнодорожных эстакад при тушении пожара автоматической или стационарной системой - 4 часа;
- для наземных резервуаров и сливоналивных железнодорожных эстакад, тушение которых предусматривается мобильными средствами пожаротушения, - 6 часов;
- для подземных резервуаров - 3 часа.
(п. 13.2.17 в ред.
Приказа МЧС России от 29.12.2023 N 1384)
13.2.18. Время восстановления неприкосновенного запаса воды в противопожарных емкостях после пожара не должно превышать 96 часов.
13.2.19. На складах нефти и нефтепродуктов с системой автоматического пожаротушения резервуаров, продуктовых насосных станций, складских зданий для хранения нефтепродуктов в таре, разливочных, расфасовочных и при оборудовании резервуаров стационарными установками охлаждения следует предусматривать пожарные посты или помещения для пожарного оборудования:
при общей вместимости склада до 100 тыс. м3 включительно - помещение площадью не менее 20 м2 для пожарного оборудования и пожарных мотопомп;
свыше 100 до 500 тыс. м3 включительно - пожарный пост на один автомобиль с боксом для резервного автомобиля;
свыше 500 тыс. м
3 - пожарный пост на два автомобиля. Для недопущения превышения опасных факторов пожара выше критических значений на личный состав пожарной охраны допускается дополнительное оснащение не менее чем двумя мобильными роботами пожаротушения по
ГОСТ Р 54344. Мобильный робот пожаротушения должен обеспечивать расход воды не менее 40 л/с, водного раствора пенообразователя не менее 30 л/с, с дальностью сплошной струи огнетушащего вещества, обеспечивающей орошение резервуаров и сливоналивных эстакад по всей высоте с учетом орошения стационарными установками.
(в ред.
Приказа МЧС России от 29.12.2023 N 1384)
Для складов нефти и нефтепродуктов, где пожаротушение резервуаров, зданий и сооружений предусматривается с помощью стационарной системы (неавтоматической) и (или) мобильных средств пожаротушения, пожарные депо, посты или помещения для пожарного оборудования и техники должны предусматриваться из расчета размещения этой техники. При этом расположение пожарных депо и постов принимаются с учетом требований
СП 11.13130.
13.2.20. Стационарные пожарные лафетные стволы с ручным управлением должны быть оборудованы стационарными теплозащитными экранами по
ГОСТ Р 59440 или иными техническими средствами, обеспечивающими при пожаре снижение интенсивности теплового воздействия пламени на ствольщика в специальной защитной одежде пожарного до допустимых значений (не более 4,2 кВт/м
2).
(п. 13.2.20 введен
Приказом МЧС России от 29.12.2023 N 1384)
13.2.21. Для защиты пожарных, выполняющих действия по тушению и охлаждению резервуаров (горящего и соседнего с ним) с помощью мобильных средств пожаротушения, рекомендуется обеспечить предприятие экранами теплозащитными индивидуальными переносными, соответствующие требованиям
ГОСТ 34713, или иными техническими устройствами для создания противопожарных водяных завес в количестве, достаточном для обеспечения защиты личного состава пожарного подразделения.
(п. 13.2.21 введен
Приказом МЧС России от 29.12.2023 N 1384)
(Рекомендуемое)
ОСОБЕННОСТИ ПРОЕКТИРОВАНИЯ УСТАНОВОК ПЕННОГО ПОЖАРОТУШЕНИЯ
| | Список изменяющих документов (в ред. Приказов МЧС России от 09.03.2017 N 109, от 29.12.2023 N 1384) | |
А.1.1. На складах нефти и нефтепродуктов необходимо предусматривать пожаротушение воздушно-механической пеной низкой и/или средней кратности.
Применяемые пенообразователи должны быть сертифицированы в установленном порядке.
А.1.2. Для наземных вертикальных резервуаров (кроме резервуаров, предназначенных для хранения масел и мазутов) объемом 5000 м3 и более наряду с подачей пены сверху или в слой допускается применять комбинированный способ подачи пены (кроме подачи СГП).
При применении СГП способ подачи пены регламентируется приложением Г.
А.1.3. Автоматические установки для реализации способа комбинированного пожаротушения включают в себя одновременную или последовательную подачу пены сверху и в слой. Для подачи пены в слой и для подачи пены сверху необходимо предусматривать отдельную запорную арматуру и генераторы пены.
А.1.4. При расчете установок автоматического пенного пожаротушения расчетную площадь следует принимать по
п. 13.2.11 настоящего свода правил.
А.1.5. Пена высокой кратности может предусматриваться для закрытых зданий и помещений, связанных: с обращением ЛВЖ и ГЖ. Тушение таких зданий и помещений пеной низкой или средней кратности допускается при невозможности применения высоко кратной пены, обусловленной конструктивными особенностями здания.
(пункт в ред.
Приказа МЧС России от 29.12.2023 N 1384)
А.2. Расчетные расходы раствора пенообразователя, а также воды и пенообразователя на тушение пожара определяются исходя из нормативной интенсивности подачи раствора пенообразователя, принимаемой по
таблице А.1 (для пены средней кратности) и по
таблице А.2 (для пены низкой кратности) на 1 м
2 расчетной площади тушения и рабочей концентрации пенообразователя.
Таблица А.1 - Нормативные интенсивности подачи раствора пенообразователя по
ГОСТ Р 50588 пены средней кратности для тушения пожаров нефти и нефтепродуктов
(в ред.
Приказа МЧС России от 29.12.2023 N 1384)
Вид нефтепродукта | Нормативная интенсивность подачи раствора пенообразования, л x м-2 x с-1 |
тип S | Типы AFFF, AFFF/AR, AFFF/AR-LV |
Нефть и нефтепродукты с Tвсп 28 °C и ниже и горючие жидкости, нагретые выше Tвсп | 0,08 | 0,05 |
Нефть и нефтепродукты с Tвсп более 28 °C | 0,05 | 0,04 |
Стабильный газовый конденсат | - | 0,10 |
Примечание - Для нефти с примесями газового конденсата и для нефтепродуктов, полученных из газового конденсата, а также нефтепродуктов с содержанием полярных жидкостей, судового топлива, топлива для реактивных двигателей и т.п. необходимо определение нормативной интенсивности в соответствии с действующими методиками. При подачи на поверхность - кратность пены из пенообразователей типа S не ниже 60, из пенообразователей типов AFFF, FFFP, AFFF/AR, AFFF/AR-LV не ниже 40 |
Таблица А.2 - Нормативная интенсивность подачи раствора пенообразователя по
ГОСТ Р 50588 пены низкой кратности для тушения нефти и нефтепродуктов
(в ред.
Приказа МЧС России от 29.12.2023 N 1384)
Вид нефтепродукта | Нормативная интенсивность подачи раствора пенообразования, л x м-2 x с-1 |
Типов AFFF, AFFF/AR, AFFF/AR-LV, Тип FFFP |
На поверхность | В слой и комбинированным способом |
Нефть и нефтепродукты с Tвсп 28 °C и ниже | 0,07 | 0,10 |
Нефть и нефтепродукты с Tвсп более 28 °C | 0,05 | 0,08 |
Стабильный газовый конденсат | 0,10 | 0,14 |
Для определения нормативной интенсивности при использовании конкретного типа пенообразователя и нефтепродукта могут быть использованы нормативные документы по пожарной безопасности, методики и рекомендации, разработанные и утвержденные в установленном порядке.
А.3. Расчетное время тушения пожара для систем автоматического пенного пожаротушения - 10 мин., для мобильной пожарной техники - 15 мин.
А.4. Инерционность стационарных систем пожаротушения не должна превышать 3 минут.
А.5. Концентрация примесей нефти и нефтепродуктов в воде для приготовления раствора пенообразователя не должна превышать 0,1 мг/л.
Допускается использование воды для приготовления раствора пенообразователя с превышением вышеуказанной концентрации примесей нефти и нефтепродуктов при условии наличия записи в технической документации производителя на пенообразователь с указанием конкретных значений.
(п. А.5 в ред.
Приказа МЧС России от 29.12.2023 N 1384)
А.6. При гидравлическом расчете необходимо учитывать влияние вязкости пенообразователя на величину потерь.
(п. А.6 в ред.
Приказа МЧС России от 09.03.2017 N 109)
А.7. Для системы пожаротушения следует применять пеногенераторы, пеносливы и пенокамеры, прошедшие огневые промышленные испытания и рекомендованные к применению в установленном порядке.
А.8. Количество пеногенераторов (пеносливов) следует принимать по расчету.
Расчетное число пеногенераторов (пеносливов) определяется исходя из расчетного расхода раствора пенообразователя, по средней производительности применяемого пеногенератора и округляется в большую сторону.
На резервуаре должно быть не менее двух пеногенераторов (пеносливов).
Пеногенераторы (пеносливы) должны быть установлены равномерно по периметру резервуара. На резервуарах с плавающей крышей расстояние по периметру резервуара между пеногенераторами (пеносливами) следует принимать не более 25 м.
А.9. Запас пенообразователя и воды на приготовление его раствора (расход раствора на один пожар) рассчитывается исходя из того количества раствора пенообразователя, которое необходимо на расчетное время тушения при максимальной производительности принятых к установке пеногенераторов.
Для стационарных установок пожаротушения с сухими растворопроводами следует учитывать потребность в дополнительном количестве раствора пенообразователя для первоначального наполнения сухих растворопроводов.
А.10. Хранение пенообразователя для систем пожаротушения следует предусматривать в концентрированном виде. Запрещается смешение пенообразователей различных типов и производителей в емкостях хранения и/или дозирования пенообразователя.
(в ред.
Приказа МЧС России от 29.12.2023 N 1384)
Для хранения запаса пенообразователя следует предусматривать не менее двух резервуаров. Допускается предусматривать один резервуар для запаса пенообразователя в количестве до 10 м3.
Для хранения запаса пенообразователя в количестве более 10 м3 допускается предусматривать один резервуар при условии разделения его перегородками на отсеки вместимостью каждого не более 10 м3.
А.11. При выборе пенообразователя необходимо учитывать качество и жесткость воды, которую планируется использовать для приготовления рабочих растворов.
А.12. Для повышения надежности тушения пожаров на складах нефти и нефтепродуктов рекомендуется применять пенообразователи, заявленные свойства которых предусматривают использование воды различной жесткости в соответствии с
ГОСТ Р 50588.
А.13. Исключен с 1 марта 2024 года. -
Приказ МЧС России от 29.12.2023 N 1384.
А.14. К наземным резервуарам объемом 10000 м3 и более, а также к зданиям и сооружениям склада, расположенным далее 200 м от узлов управления (управляемой запорной арматуры), для подачи раствора пенообразователя к защищаемым объектам следует предусматривать не менее двух тупиковых ответвлений (питающих растворопроводов).
При использовании кольцевых сетей трубопроводов необходимо предусматривать технические решения, обеспечивающие возможность ремонта их отдельных участков без вывода из эксплуатации установок пожаротушения, или следует предусматривать по два тупиковых ответвления (ввода) от разных участков кольцевой сети для подачи каждым из них полного расчетного расхода на тушение пожара.
Кольцевые сети трубопроводов следует прокладывать за пределами внешнего обвалования (или ограждающих стен) резервуарного парка и на расстоянии не менее 10 м от железнодорожных путей эстакады.
(п. А.14 в ред.
Приказа МЧС России от 29.12.2023 N 1384)
А.15. При применении задвижек с электроприводом в районах с возможным затоплением колодцев грунтовыми водами электропривод задвижки должен быть поднят над уровнем земли и накрыт защитным кожухом.
В районах с суровым климатом задвижки с электроприводом следует размещать в утепленных укрытиях.
А.16. На территории резервуарных парков допускается применять вместо пожарных гидрантов узлы для подключения пожарной техники.
В состав узлов для подключения пожарной техники должны входить не менее двух патрубков, оборудованных запорной арматурой, муфтовыми пожарными соединительными головками и пожарными соединительными головками-заглушками по
ГОСТ Р 53279.
(п. А.16 введен
Приказом МЧС России от 29.12.2023 N 1384)
(Рекомендуемое)
ПРОЕКТИРОВАНИЯ УСТАНОВОК ГАЗОВОГО ПОЖАРОТУШЕНИЯ
С ПРИМЕНЕНИЕМ МОДУЛЯ ИЗОТЕРМИЧЕСКОГО С ДВУОКИСЬЮ УГЛЕРОДА
| | Список изменяющих документов (в ред. Приказов МЧС России от 09.03.2017 N 109, от 29.12.2023 N 1384) | |
Б.1.1. Для тушения вертикальных стальных резервуаров с нефтью и нефтепродуктами объемом до 10000 м3 включительно допускается применять установки газового пожаротушения с использованием модулей изотермических для жидкой двуокиси углерода.
При проектировании установок газового пожаротушения с использованием модулей изотермических для жидкой двуокиси углерода для резервуаров объемом более 10000 м3 следует руководствоваться СТО, согласованными с федеральным органом исполнительной власти, осуществляющим функции по нормативно-правовому регулированию в области пожарной безопасности, при подтверждении положительными результатами огневых испытаний применительно к группе однородных объектов либо к группе однородной пожарной нагрузки.
Б.1.2. Для железнодорожных и автомобильных эстакад и технологического оборудования допускается применять неавтоматические установки газового пожаротушения с двуокисью углерода.
Б.1.3. Применение установок газового пожаротушения с использованием модулей изотермических для жидкой двуокиси углерода возможно только при выполнении условия по обеспечению мер предотвращения отравления двуокисью углерода персонала, находящегося на складах нефти и нефтепродуктов, а также людей, находящихся на территории, прилегающей к данным складам.
(пункт в ред.
Приказа МЧС России от 29.12.2023 N 1384)
Б.2. Установка газового тушения может состоять из нескольких модулей изотермических для жидкой двуокиси углерода, при этом выпуск CO2 из всех модулей должен производиться одновременно.
(п. Б.2 в ред.
Приказа МЧС России от 09.03.2017 N 109)
Б.3. Изотермические резервуары допускается устанавливать вне помещений с устройством навеса для защиты от осадков и солнечной радиации с ограждением по периметру площадки с учетом требований
ГОСТ 15150. При этом следует:
предусмотреть в месте установки резервуара аварийное освещение;
выполнить мероприятия, исключающие несанкционированный доступ людей к резервуару, узлам его управления (пуска) и распределительным устройствам;
предусмотреть подъездные пути к резервуару.
МИЖУ следует устанавливать за обвалованием резервуаров в местах, где они не могут быть подвергнуты воздействию опасных факторов пожара, но на расстояниях от резервуаров, не менее указанных в
пункте 4 таблицы 3 настоящего свода правил.
Б.4. Расчетное количество (масса) CO
2 в АУГП должно обеспечивать подачу не менее 13 кг CO
2 на 1 м
2 горизонтальной поверхности (площади основания) резервуара независимо от его конструкции.
Расчетное количество (масса) CO2 в установках локального по объему пожаротушения должно обеспечить подачу не менее 6 кг/м3.
Расчетный объем при локальном по объему пожаротушении определяется произведением высоты защищаемого агрегата или оборудования на площадь проекции на поверхность основания. При этом все расчетные габариты (длина, ширина и высота) агрегата или оборудования должны быть увеличены на 1 м.
Б.5. Время выпуска расчетной массы CO2 (Мр) из насадков:
в резервуар не должно превышать 90 с учетом инерционности;
при локальном по объему пожаротушении не более 60 с учетом инерционности.
Б.6. Пожарные извещатели, применяемые в АУГП, должны обеспечивать инерционность срабатывания не более 15 с.
Б.7. Задержка выпуска CO2 для установок поверхностного пожаротушения резервуаров не предусматривается.
Б.8. Резервуары, оснащенные АУГП, должны иметь проемы для сброса избыточного давления и для исключения образования вакуума. Площадь проемов, тип и требуемые технические характеристики применяемых для этих целей клапанов или иных технических устройств, а также требования к их монтажу определяются нормативными документами по пожарной безопасности.
(п. Б.8 в ред.
Приказа МЧС России от 29.12.2023 N 1384)
Б.9. Распределительные устройства следует размещать в станции пожаротушения или в отдельно стоящих укрытиях высотой не менее 2,0 м.
Б.10. Выбор типа насадков определяется их техническими характеристиками.
Б.11. Насадки должны быть изготовлены из коррозионностойкого материала.
Б.12. Насадки АУГП должны быть размещены и ориентированы в пространстве в соответствии с проектом на установку и технической документацией на насадки. При расположении в местах возможного механического повреждения они должны быть защищены.
Б.13. Гидравлический расчет АУГП должен выполняться из условия обеспечения давления перед насадком не менее 1,0 МПа.
Б.14. В установках поверхностного пожаротушения расстояние между насадками по периметру резервуара не должно превышать 10 м.
Допускается установка блока насадков для подачи жидкой двуокиси углерода в существующие в конструкции РВС окна для установки генераторов пены.
(абзац введен
Приказом МЧС России от 29.12.2023 N 1384)
Б.15. Насадки должны устанавливаться на расстоянии, равном половине расстояния от верхней кромки обечайки резервуара до максимального уровня взлива, но не менее 250 мм до верхней кромки обечайки резервуара.
Б.16. Конструкция насадков для резервуара должна исключать попадание в систему трубопроводов АУГП взрывоопасной газо-воздушной среды за счет применения герметизирующих устройств.
Б.17. Выбор диаметров трубопроводов осуществляется на основе гидравлического расчета.
Б.18. Трубопроводы АУГП должны прокладываться с уклоном.
Б.19. Прокладку трубопроводов по территории предприятий можно выполнять как надземным, так и подземным способом.
Б.20. Расчетное количество Мг (масса) CO2, которая должна храниться в установке, определяется по формуле:
Мг = (Мосн + Мрез) (Б.1)
где Мосн - основной запас (масса) CO2, определяется по формуле:
Мосн = (Мр + Мтр) (Б.2)
где Мр - масса CO2, предназначенная для создания в зоне горения огнетушащей концентрации, определяется по формуле:
для резервуаров: Мр = Кн · Sр (Б.3)
где Кн = 13 кг/м2 - количество (масса) CO2 (кг), подаваемая на 1 м2 горящей поверхности;
Sр - площадь поперечного сечения резервуара, м2;
для локального по объему пожаротушения: Мр = Кл · Vл (Б.4)
где Кл = 6 кг/м3 - количество (масса) CO2 (кг), подаваемая на 1 м3 объема;
V
л - расчетный объем, определяемый произведением расчетной площади тушения
(п. Б.4) на высоту, при этом высота оборудования должна быть увеличена на 1 м.
Мтр - масса остатка CO2 в трубопроводе, при выпуске основного запаса (массы) CO2 определяется по формуле:

(Б.5)
где Vтр - объем трубопроводной разводки наиболее удаленного направления тушения;

- плотность жидкой CO
2 при температуре ее хранения в модуле.
(в ред.
Приказа МЧС России от 09.03.2017 N 109)
Мрез - резервный запас (масса) CO2, определяется по формуле:
Мрез = Мр + М'тр (Б.6)
где М'тр - масса остатка ГОТВ в трубопроводе при выпуске резервного запаса (массы) CO2 определяется по формуле:

, (Б.7)
где Vp - объем модуля;
(в ред.
Приказа МЧС России от 09.03.2017 N 109)

- плотность газовой фазы CO
2 при давлении, которое имеется в трубопроводе после окончания истечения расчетного запаса М
р CO
2 в зону горения.
Б.21. Гидравлический расчет установки газового пожаротушения с применением модуля изотермического для жидкой двуокиси углерода следует выполнять в соответствии с методикой, изложенной в
приложении Е СП 485.1311500.2020, с учетом
формулы Ж.4,
таблицы Б.1 и
рисунка Б.1.
(в ред.
Приказа МЧС России от 29.12.2023 N 1384)

(Ж.4)
pm, Мпа | 1,2 | 1,4 | 1,6 | 1,8 | 2,0 | 2,4 | 2,7 | 3,0 |
Множитель k4 | 0,68 | 0,79 | 0,85 | 0,92 | 1,0 | 1,09 | 1,14 | 1,17 |
Рисунок Б.1. Зависимость давления p
2 в изотермическом резервуаре в конце выпуска расчетного количества двуокиси углерода m от относительной массы двуокиси углерода m
4
1 - при p1 = 1,8 МПа; 2 - при p1 = 2,2 МПа; 3 - при p1 = 2,4 МПа; 4 - при p1 = 2,7 МПа; 5 - при p1 = 3,0 МПа.
Примечание - Относительная масса двуокиси углерода m4 определяется по формуле:
где m5 - начальная масса двуокиси углерода, кг.
(рекомендуемое)
ПРОЕКТИРОВАНИЯ АВТОМАТИЧЕСКИХ УСТАНОВОК
ГАЗОПОРОШКОВОГО ПОЖАРОТУШЕНИЯ
| | Список изменяющих документов (в ред. Приказа МЧС России от 29.12.2023 N 1384) | |
В.1. АУГПП допускается применять для тушения вертикальных стальных резервуаров с нефтью и нефтепродуктами емкостью до 10000 м3 включительно.
При проектировании АУГПП для резервуаров объемом более 10000 м3 следует руководствоваться СТО, согласованными с федеральным органом исполнительной власти, осуществляющим функции по нормативно-правовому регулированию в области пожарной безопасности, при подтверждении положительными результатами огневых испытаний применительно к группе однородных объектов либо к группе однородной пожарной нагрузки.
Применение АУГПП возможно только при выполнении условия по обеспечению мер предотвращения отравления газопорошковой смесью персонала, находящегося на складах нефти и нефтепродуктов, а также людей, находящихся на территории, прилегающей к данным складам.
В.2. АУГПП должна состоять из:
- системы пожарной сигнализации;
- средств электроуправления установкой;
- двух батарей с ГПОВ - основной и резервной;
- трубопроводов подачи ГПОВ;
- распределительных устройств;
- обратных клапанов;
- системы ввода ГПОВ в РВС;
- насадков;
- системы подачи пены от мобильной пожарной техники.
В.3. Требования к системе пожарной сигнализации.
В.3.1. Система пожарной сигнализации должна соответствовать требованиям
СП 484.1311500 и требованиям настоящего свода правил.
В.3.2. Пожарные извещатели должны монтироваться в стационарной крыше резервуара и в верхнем поясе резервуара.
В.3.3. В верхнем поясе резервуара должно размещаться не менее 3 пожарных извещателей. Предпочтительное место расположения пожарных извещателей в верхнем поясе резервуара - зона площадок обслуживания насадков распыления ГПОВ.
В.3.4. При использовании точечных тепловых пожарных извещателей расстояние между двумя соседними извещателями не должно превышать 12,5 м.
В.4. Требования к средствам электроуправления установкой.
В.4.1. Средства электроуправления установкой должны соответствовать требованиям
СП 484.1311500 и требованиям настоящего свода правил.
В.4.2. Открытие распределительного устройства и запуск ЗПУ газовых баллонов основной батареи (приведение установки автоматического пожаротушения в действие) производится при одновременном сигнале "Пожар" не менее чем от двух пожарных извещателей.
В.4.3. Командный импульс на пуск ЗПУ газовых баллонов основной батареи подается после получения от распределительного устройства сигнала, соответствующего его положению "Открыто".
В.4.4. Резервная батарея запускается в ручном режиме в случае необходимости.
В.4.5. Промежуток времени между запуском первого и последнего газового баллона каждой батареи не должен превышать 1 с.
В.4.6. Отключение автоматического пуска основной батареи допускается только при проведении регламентных и ремонтных работ внутри резервуара.
В.5. В качестве распределительных устройств следует использовать прямоточную, полнопроходную, нормально закрытую, с классом герметичности по ГОСТ Р 9544 не ниже Д трубопроводную арматуру с электромагнитным приводом с инерционностью не более 2 с, способную обеспечивать выдачу сигнала о своем состоянии (закрыто/открыто) по запросу аппаратуры управления пожаротушением.
В.6. Установки должны обеспечивать инерционность не более 30 с.
В.7 Продолжительность подачи ГПОВ должна соответствовать требованиям проектной документации на установку.
В.8. Наполнение сосудов ГПОВ по массе (давлению) должно соответствовать требованиям проекта на установку и технической документации на сосуды ГПОВ, а также условиям их эксплуатации. Для баллонов одного типоразмера в установке расчетные значения по наполнению компонентами ГПОВ и газом-вытеснителем должны быть одинаковые.
В.9. Масса компонентов ГПОВ установки должна составлять не менее 95% их расчетных значений. Технические средства контроля сохранности ГПОВ и газовытеснителя в установках должны соответствовать технической документации изготовителя.
В.10. Трубопроводы подачи ГПОВ и их соединения в установках должны сохранять прочность при давлении не менее P = 1,25 Pр, где Pр - максимальное рабочее давление в сосуде с ГПОВ.
В.11. Сечение трубопровода не должно меняться на всем протяжении от коллектора до насадка. В случаях, когда используется несколько насадков, суммарная площадь сечения распределительных трубопроводов к насадкам не должна отличаться более чем на 10% от площади сечения магистрального трубопровода.
В.12. Ввод насадков осуществляется в верхнем поясе резервуара в зоне площадок обслуживания через патрубки соответствующего диаметра.
В.13. На резервуаре монтируется не менее трех насадков, расположенных в верхнем поясе резервуара равномерно по окружности (рисунок В.1).
Рисунок В.1 - Схема расположения насадков распыления ГПОВ
В.14. Расстояние от насадка до отметки максимального уровня взлива горючего или максимального уровня подъема понтона должно составлять не менее 300 мм (рисунок В.2).
Рисунок В.2 - Схема ввода дискового насадка в резервуар.
В.15. Методика расчета массы огнетушащего вещества и геометрических параметров АУГПП РВС.
В.5.1. Тушение возгорания в резервуаре достигается за счет образования в пограничном слое над поверхностью горючего сплошного огнетушащего слоя из газопорошкового огнетушащего вещества, блокирующего тепловой поток от пламени к поверхности горючего, доступ воздуха к поверхности горючего, охлаждающего поверхность горючего и гасящего пламя в зоне своего распространения.
В.15.2. Огнетушащий порошок, применяемый в АУГПП, должен соответствовать требованиям
[3].
В.15.3. В качестве огнетушащего газа в АУГПП используется диоксид углерода по
ГОСТ 8050-85.
В.15.4. Оптимальное соотношение и типы огнетушащего порошка и огнетушащего газа, а также минимальный расход ГПОВ, при котором происходит тушение пожара в резервуаре, следует определять по результатам экспериментальных исследований.
В.15.5. Масса ГПОВ в батарее АУГПП, кг.
M = 1,38 x Kн x Vрез x (1 + 0,005 x L) (В.1),
где K
н = 0,2 кг/м
3 - огнетушащая концентрация ГПОВ (Значение K
н подтверждается в соответствии с
п. В.15.4);
L - длина трубопровода от батареи до ввода в резервуар, уменьшенная на 5м, м;
Vрез - полный объем незаполненного резервуара с учетом пространства под крышей, м3.
В.15.6. Диаметр магистрального трубопровода от батареи к резервуару, м:

(В.2),
где Gmin = 7900 кг/м2 * сек - минимальный расход ГПОВ через насадки, при котором происходит тушение возгорания в резервуаре (определяется по экспериментальным данным);
t = 10 сек - расчетное время работы батареи до выхода 85% массы ГПОВ, необходимой для тушения пожара в резервуаре".
В.15.7. Максимальная длина трубопровода не должна превышать предельно допустимое значение:
Lmax = 1500 x D (В.3)
В.15.8. Площадь сечения магистрального трубопровода, м2:

(В.4)
В.15.9. Площадь сечения кольцевого трубопровода вокруг резервуара, м2:

(В.5)
В.15.10. Площадь сечения вертикального трубопровода, м2:

(В.6)
В.15.11. Расчет установки, состоящей из модулей газопорошкового пожаротушения.
В.15.11.1. Количество модулей по
ГОСТ 56028 газопорошкового пожаротушения:

(В.7),
где Mм - масса ГПОВ в модуле.
Значение N округляется до целого числа в большую сторону".
В.15.12. "Расчет установки, состоящей из газовых баллонов и емкости для хранения порошка".
В.15.12.1. Масса огнетушащего порошка в батарее, кг
Mп = 0,73 x M (В.8)
В.15.12.2. Объем емкости с огнетушащим порошком, м3:

(В.9)
В.15.12.3. Масса огнетушащего газа в батарее, кг:
Mг = 0,27 x M (В.10)
В.15.12.4. Суммарный объем газовых баллонов, л:
Vг = 1,52 x Mг (В.11)
В.15.12.5. Количество газовых баллонов, шт:

(В.12)
В.15.13. Площадь критического сечения насадка, м2:
Sкр.НД = 0,7 x Sв (В.13)
В.16. Резервуары, оснащенные АУГГП, должны иметь проемы для сброса избыточного давления и для исключения образования вакуума. Площадь проемов, тип и требуемые технические характеристики применяемых для этих целей клапанов или иных технических устройств, а также требования к их монтажу должны определяться документами по стандартизации.
В.17. С целью обеспечения возможности тушения резервуаров с помощью низкократной пены от мобильной пожарной техники в случае повторного возгорания установка оборудуется системой подачи пены от мобильной пожарной техники.
В.18. Пеногенератор подключается к магистральному трубопроводу установки через обратный клапан.
В.19. Пеногенераторы должны соответствовать требованиям
ГОСТ Р 53290.
В.20. Пункт подключения мобильной пожарной техники должен быть оборудован площадкой для развертывания необходимого по расчету количества техники и соединительной арматурой по
ГОСТ Р 53279.
В.21. Расчет необходимого количества техники, типа пеногенератора, нормативного времени тушения, нормативного расхода пенного раствора производится в соответствии с
приложением А.
В.22. Установка должна быть работоспособна в диапазоне температур от (минус) 50 °C до (плюс) 50 °C.
(рекомендуемое)
ПРОЕКТИРОВАНИЯ УСТАНОВОК ИМПУЛЬСНОГО ПОЖАРОТУШЕНИЯ
САМОВСПЕНИВАЮЩЕЙСЯ ГАЗОАЭРОЗОЛЕНАПОЛНЕННОЙ ПЕНОЙ
| | Список изменяющих документов (в ред. Приказов МЧС России от 09.03.2017 N 109, от 29.12.2023 N 1384) | |
Г.1. Для тушения резервуаров, указанных в
таблице Г.1 с нефтью и нефтепродуктами, допускается применять в качестве основного средства пожаротушения автоматические УИП.
В качестве резервного средства пожаротушения следует применять мобильные УИП для подачи самовспенивающейся газоаэрозоленаполненной пены, при условии оборудования резервуаров сухими трубопроводами (с соединительными полугайками с заглушками для присоединения УИП), выведенными за обвалование для подачи огнетушащего вещества согласно
п. Г.11.
(п. Г.1 в ред.
Приказа МЧС России от 29.12.2023 N 1384)
Г.2. Автоматические УИП следует размещать в наземных или подземных сооружениях, с поддержанием температуры не ниже +5 °C.
Г.3. Расстояние от сооружения с размещением автоматических УИП до резервуара, должно быть не менее значений, приведенных в
пункте 4 таблицы 3 настоящего свода правил.
Г.4. Расчетное количество раствора пенообразователя в УИП должно обеспечивать удельный расход огнетушащего вещества на горизонтальной поверхности (площади основания) резервуара независимо от его конструкции 12 л x м
-2 с продолжительностью подачи не более 40 секунд.
(п. Г.4 в ред.
Приказа МЧС России от 29.12.2023 N 1384)
Г.5. Инерционность автоматических УИП не должна превышать 60 сек.
Г.6. Кроме расчетного количества огнетушащего вещества должен быть предусмотрен его 100% резерв. Автоматические УИП с хранением резерва должны запускаться отдельно от УИП с хранением расчетного количества огнетушащего вещества.
Г.7. Допускается использование для одного резервуара нескольких автоматических УИП одинакового типа при условии обеспечения требуемого удельного расхода огнетушащего вещества.
(п. Г.7 в ред.
Приказа МЧС России от 29.12.2023 N 1384)
Г.8. Допускается использование автоматических УИП для защиты нескольких резервуаров одновременно, при условии обеспечения требуемой интенсивности подачи.
Г.9. Автоматические УИП должны срабатывать в автоматическом режиме и иметь возможность ручного пуска.
Устройства ручного пуска должны быть защищены от случайного приведения их в действие и механического повреждения и должны находиться вне возможной зоны горения.
Г.10. Система пожаротушения должна иметь резервное питание, необходимое для запуска автоматических УИП, и обеспечивать автоматическое переключение электропитания с основного источника на резервный. Кабельные линии и электропроводка должны сохранять работоспособность в условиях пожара в течение времени, необходимого для выполнения функций по запуску автоматических УИП в соответствии с
ГОСТ Р 53316.
(в ред.
Приказа МЧС России от 29.12.2023 N 1384)
Г.11. Подачу СГП от УИП в резервуары по
ГОСТ 31385 следует осуществлять через подающую трубу, равную диаметру сухотруба, согласно таблице Г.1 либо подслойным способом подачи СГП, либо подачей сверху.
Объем резервуара РВС, РВСП, РВСПК, м3 | Диаметр сухотруба, не менее, мм |
1 000 | 89 |
2 000 | 89 |
3 000 | 159 |
5 000 | 159 |
10 000 | 159 |
20 000 | 159 |
30 000 | 159 |
40 000 | 159 |
50 000 | 159 |
100 000 | 159 |
При подслойном способе подача СГП осуществляется по следующей схеме: |
- УИП; - подающая труба согласно таблице Г.1; - обвалование; - обратный клапан; - разрывная мембрана; - коренная задвижка; - труба, подающая СГП в слой нефтепродуктов |
(п. Г.11 в ред.
Приказа МЧС России от 29.12.2023 N 1384)
Г.12. Для предотвращения попадания взрывоопасной среды в подающую трубу, она должна быть оборудована заглушкой.
Г.13. Подающая труба должна быть вмонтирована в верхнем поясе в борт резервуара и сориентирована в горизонтальной плоскости с углом отклонения от центра резервуара на (20

5) градусов.
Г.14. Место крепления подающей трубы определяется проектной организацией исходя из конструктивных особенностей резервуара и располагаться выше максимального уровня заполнения резервуара.
Г.15. Конструкция и крепление подающей трубы должны исключать срыв или ее повреждение при возникновении пожара в резервуаре.
Г.16. Исключен с 1 марта 2024 года. -
Приказ МЧС России от 29.12.2023 N 1384.
Г.17. Максимальная длина сухотрубов от расположения автоматических УИП до выхода подающей трубы не должна превышать 160 м. Допускается увеличение длины сухотрубов более 160 м при условии обеспечения требуемого удельного расхода подачи СГП в резервуар не ниже указанного в
п. Г.4.
(п. Г.17 в ред.
Приказа МЧС России от 29.12.2023 N 1384)
Г.18. Прокладка сухотрубов может осуществляться подземным способом на глубине не менее 0,8 м от поверхности, допускается уменьшение до 0,6 м в местах, где нет проезда транспорта. Местонахождение подземных коммуникаций должно быть обозначено соответствующими знаками или надписями.
Г.19. Сухотрубы для подачи СГП должны сохранять установленные в проектной документации технические характеристики при рабочем давлении УИП, создаваемом твердотопливными генераторами давления.
Г.20. Сечение сухотруба не должно меняться на всем протяжении от установки до подающей трубы. Углы поворотов сухотруба не должны превышать 90° при их прокладке.
Г.21. В системе сухотрубов автоматических УИП следует предусматривать обратные клапаны или распределительные устройства для предотвращения попадания огнетушащего вещества в УИП с резервом и наоборот.
Г.22. В УИП должен применяться фторсинтетический пленкообразующий пенообразователь по
ГОСТ Р 50588.
Г.23. Минимальное расчетное количество раствора, хранящегося в автоматических УИП для подачи СГП в резервуар объемом 20000 м3 и площадью зеркала 1256 м2 <*>, определяется по формуле:
--------------------------------
<*> 1256 - площадь резервуара объемом 20000 м3, на котором проводились огневые эксперименты.
V = 12 л x м-2 x Sр
(Г.1)
где V - минимальное расчетное количество раствора огнетушащего вещества, необходимого для тушения резервуара, л;
Sр = 1256 м2;
Учитывать дополнительный запас раствора для заполнения сухих трубопроводов не требуется.
Минимальное расчетное количество раствора Vр для тушения пожара в резервуаре объемом, отличающегося от объема резервуара 20000 м3 с площадью основания 1256 м2, определяется по формуле:
Vр = K x V (Г.2),
где K

(Г.3),
где S1 - площадь основания резервуара, отличного от резервуара объемом 20000 м3.
(п. Г.23 в ред.
Приказа МЧС России от 29.12.2023 N 1384)
Г.24. С целью обеспечения возможности тушения резервуаров, оснащенных автоматическими установками согласно
п. 13.2.7, оборудованных системой сухотрубов с соблюдением требований
Г.11 -
Г.20 в случае повторного возгорания допускается применение передвижной УИП для подачи СГП.
Сухотрубы для подключения передвижных УИП должны быть оборудованы быстросъемным соединением с заглушкой для подключения гибкого металлорукава высокого давления, выведенными за обвалование.
| | Список изменяющих документов (в ред. Приказа МЧС России от 29.12.2023 N 1384) | |
| ПУЭ | Правила устройства электроустановок. 7-е издание. |
| РД 34.21.122-03 | Инструкция по устройству молниезащиты зданий, сооружений и промышленных коммуникаций |
(введено Приказом МЧС России от 29.12.2023 N 1384) |
| | Технический регламент Евразийского экономического союза "О требованиях к средствам обеспечения пожарной безопасности и пожаротушения" |
(введено Приказом МЧС России от 29.12.2023 N 1384) |
УДК 614.622.692:614.84 | ОКС 13. 220. 01 |
Ключевые слова: склады нефти и нефтепродуктов, технологическое оборудование, требования пожарной безопасности. |
(в ред. Приказа МЧС России от 29.12.2023 N 1384) |