Скачать ГОСТ 6786-80 Плиты парапетные железобетонные для производственных зданий. Технические условия

Дата актуализации: 01.01.2021

ГОСТ 6786-80

Плиты парапетные железобетонные для производственных зданий. Технические условия

Обозначение: ГОСТ 6786-80
Обозначение англ: GOST 6786-80
Статус:отменен в рф
Название рус.:Плиты парапетные железобетонные для производственных зданий. Технические условия
Название англ.:Coping units of precast concrete for industrial buildings. Specifications
Дата добавления в базу:01.09.2013
Дата актуализации:01.01.2021
Дата введения:01.01.1982
Дата окончания срока действия:01.01.2010
Область применения:Стандарт распространяется на парапетные железобетонные плиты, изготовляемые из тяжелого бетона и бетона на пористых заполнителях и предназначаемые для покрытия парапетов из кирпича, искусственных и естественных камней, бетонных блоков и железобетонных панелей производственных и вспомогательных зданий промышленных и сельскохозяйственных предприятий, в том числе зданий с расчетной сейсмичностью до 8 баллов включительно, возводимых на всей территории СССР, а также зданий с расчетной сейсмичностью 9 баллов, возводимых в 1-4 районах по весу снегового покрова.
Оглавление:1 Типы, основные параметры и размеры
2 Технические требования
3 Правила приемки
4 Методы контроля и испытаний
5 Маркировка, хранение и транспортирование
6 Гарантии изготовителя
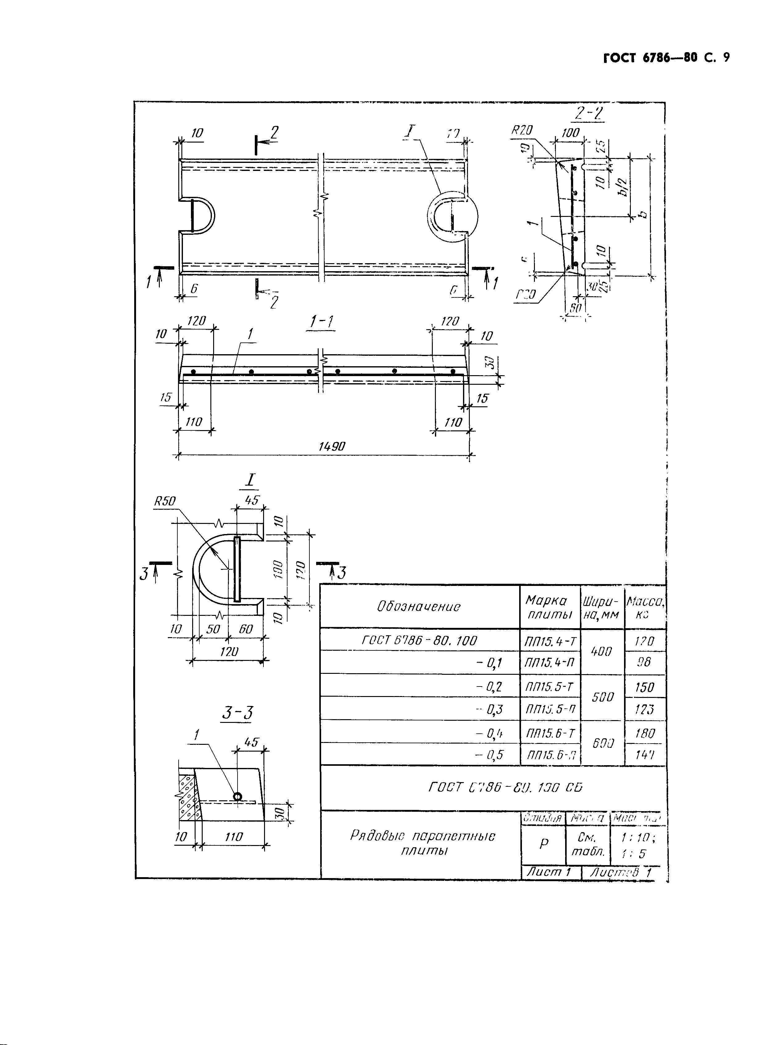
Приложение Рабочие чертежи парапетных плит
Разработан: ЦНИИпромзданий
Утверждён:18.11.1980 Государственный комитет Совета Министров СССР по делам строительства (180)
Издан: Издательство стандартов (1987 г. )
Заменяет собой:
  • ГОСТ 6786-71 «Плиты парапетные железобетонные для производственных зданий»
Нормативные ссылки:
ГОСТ 6786-80ГОСТ 6786-80ГОСТ 6786-80ГОСТ 6786-80ГОСТ 6786-80ГОСТ 6786-80ГОСТ 6786-80ГОСТ 6786-80ГОСТ 6786-80ГОСТ 6786-80ГОСТ 6786-80ГОСТ 6786-80ГОСТ 6786-80ГОСТ 6786-80ГОСТ 6786-80ГОСТ 6786-80ГОСТ 6786-80