Скачать Проектирование железнодорожных станций и узлов. Справочное и методическое руководствоДата актуализации: 01.01.2021 |
| Статус: | действует |
| Название рус.: | Проектирование железнодорожных станций и узлов. Справочное и методическое руководство |
| Название англ.: | Design of Railroad Stations and Hubs - Reference and Procedural Guidelines |
| Дата добавления в базу: | 01.09.2013 |
| Дата актуализации: | 01.01.2021 |
| Область применения: | В Руководстве приводятся нормы и технические требования, которым необходимо следовать при проектировании всего комплекса устройств станций и узлов на новых железнодорожных линиях, при строительстве вторых путей и усилении (реконструкции) существующих железных дорог колеи 1520 мм общей сети Союза ССР и внешних железнодорожных подъездных путей колеи 1520 мм. |
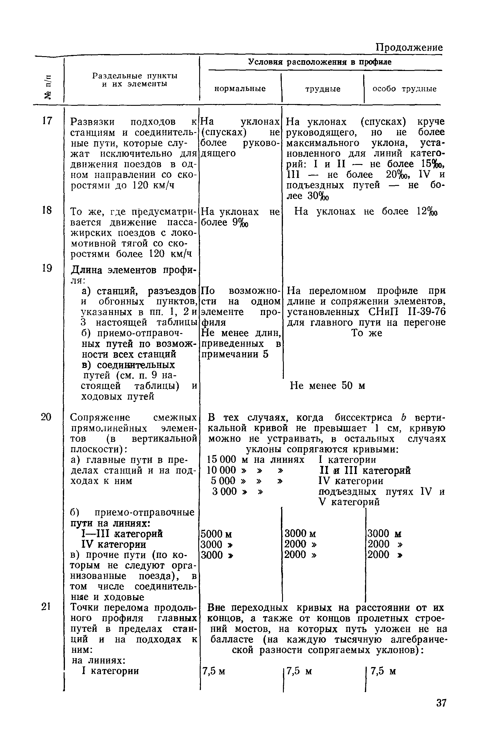
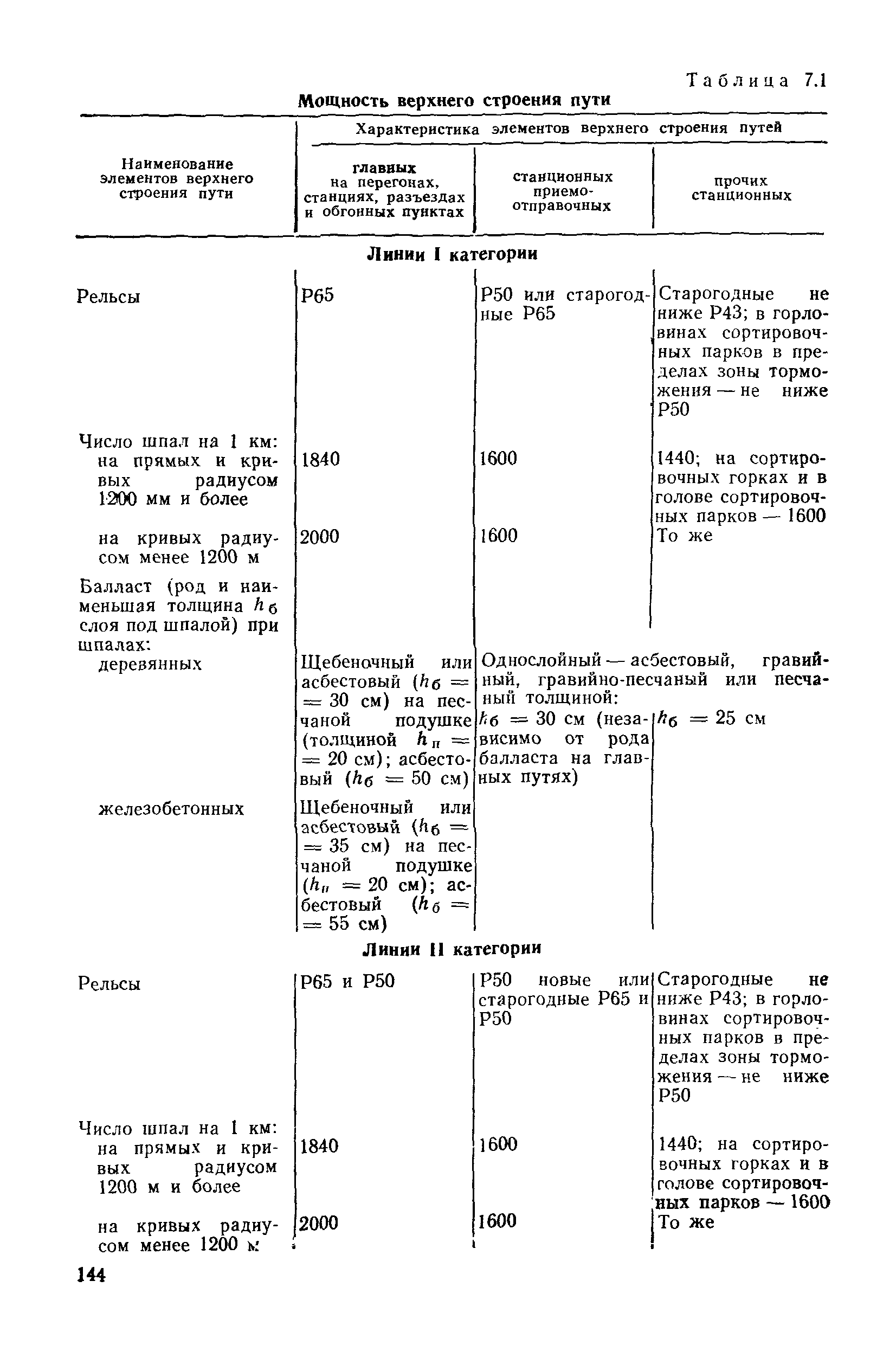
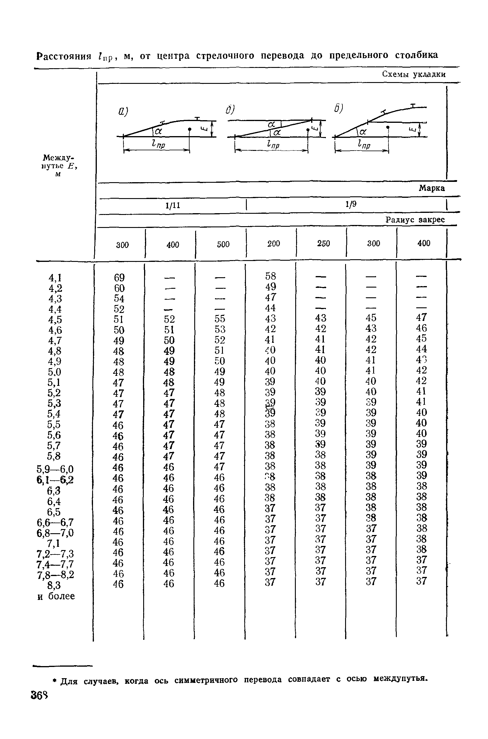
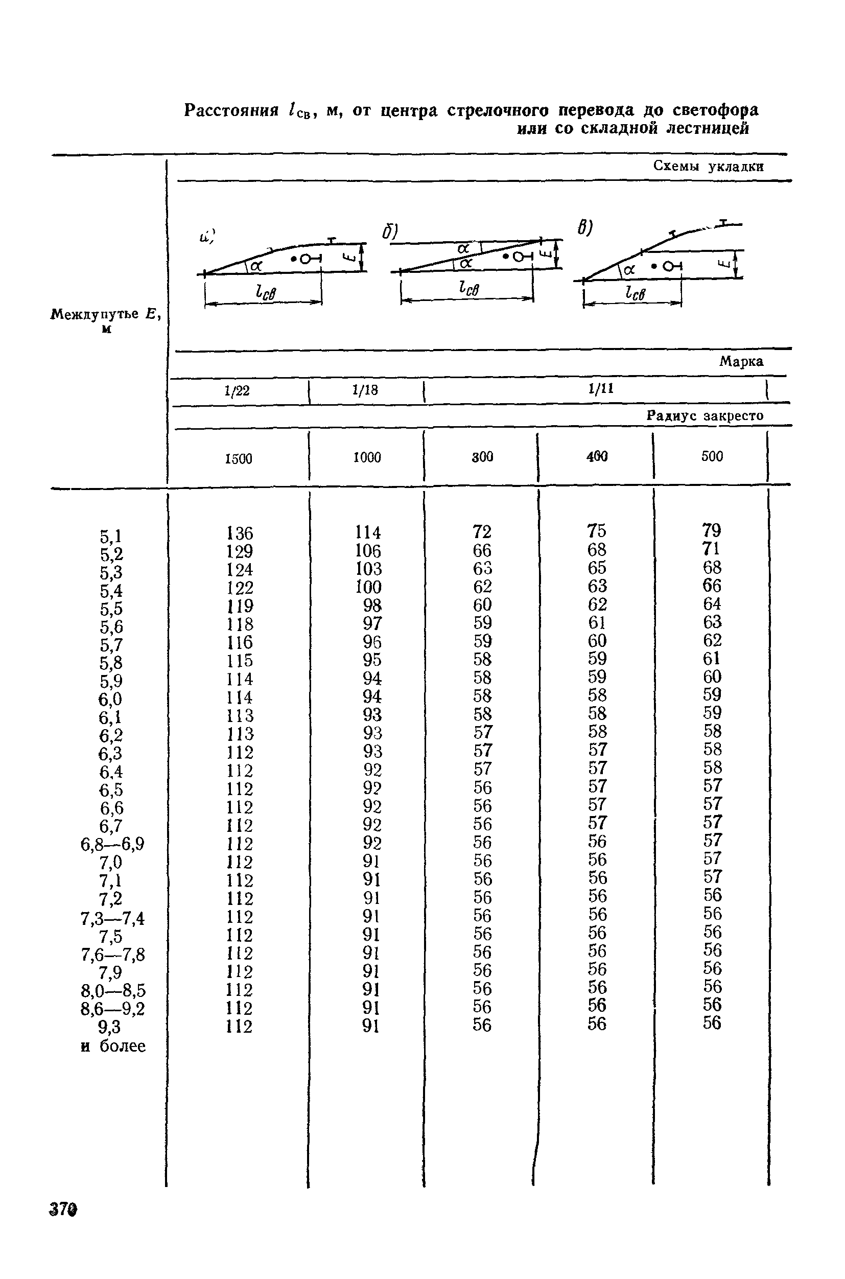
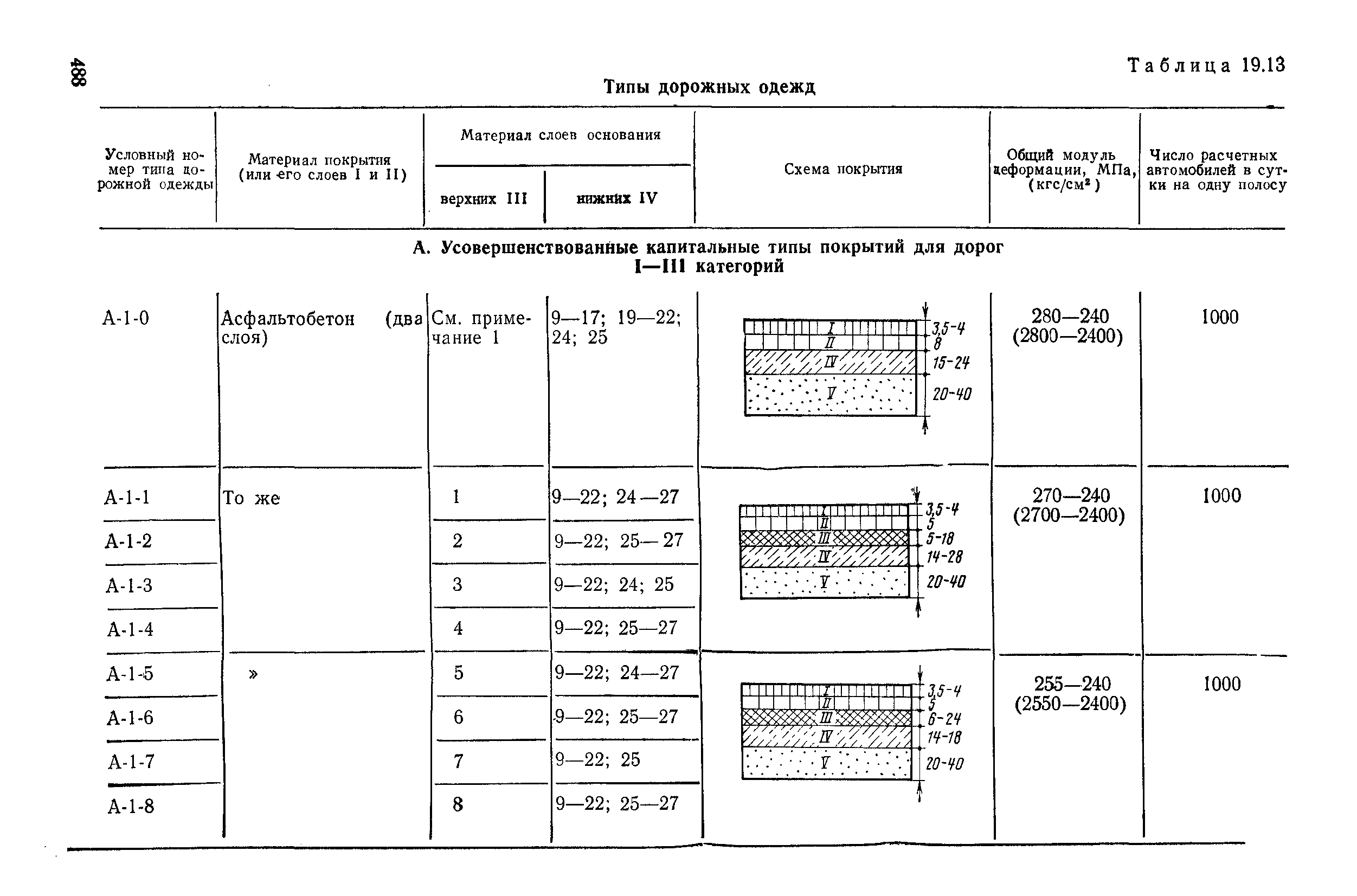
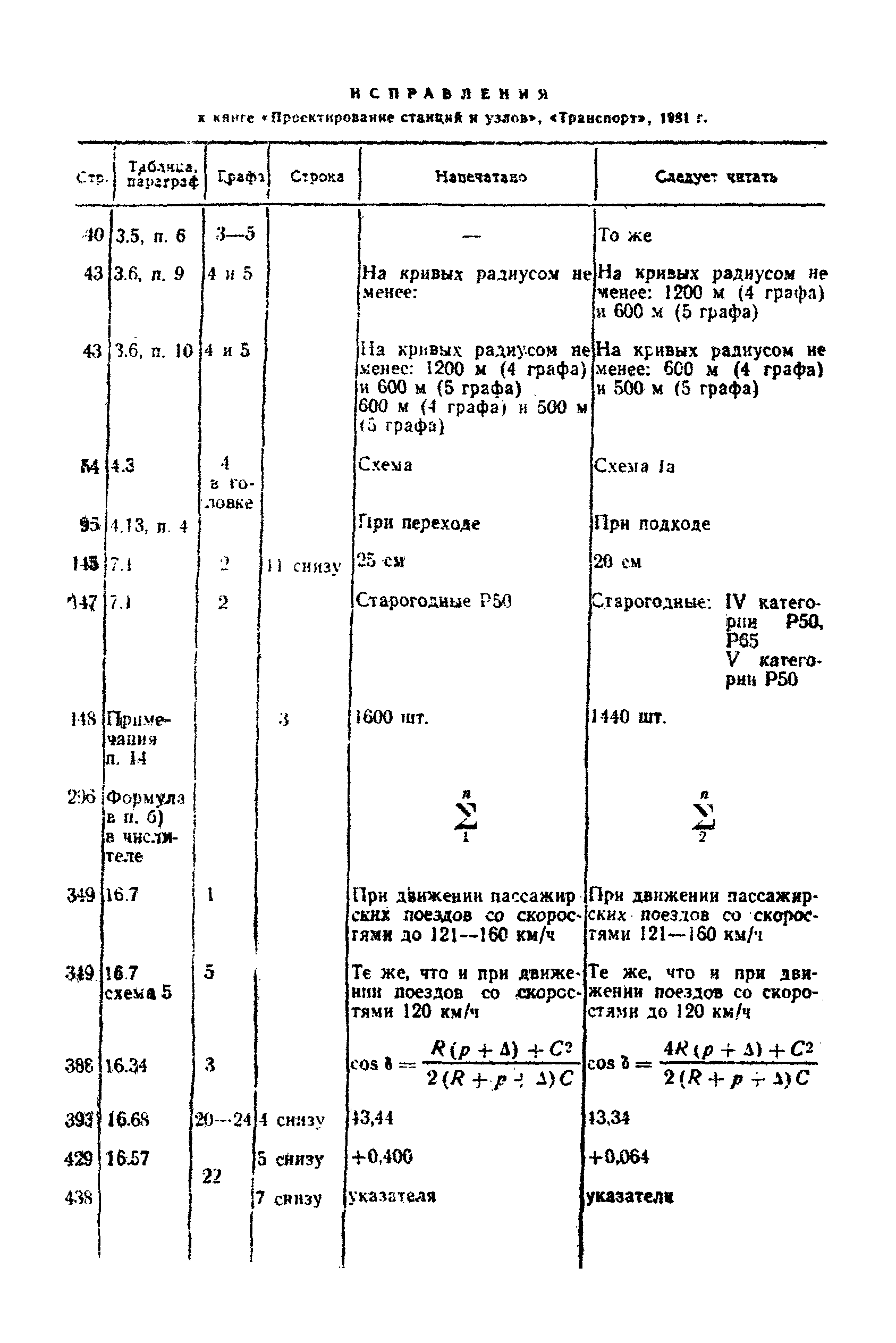
| Оглавление: | Предисловие Глава 1 Основы проектирования станций и узлов на железнодорожных дорогах Союза ССР 1.1 Общие положения 1.2 Задание на проектирование Глава 2 Экономические данные проекта Глава 3 Станционные площадки, профиль и план раздельных пунктов 3.1 Выбор станционной площадки 3.2 Длина станционных площадок 3.3 Длина станционных путей 3.4 Профиль и план путей на раздельных пунктах 3.5 Полоса отвода земель Глава 4 Схемы раздельных пунктов и условия их применения 4.1 Общие указания 4.2 Разъезды, обгонные пункты и промежуточные станции 4.3 Участковые станции 4.4 Сортировочные станции 4.5 Пассажирские и пассажирские технические станции 4.6 Зонные станции и пассажирские остановочные пункты 4.7 Грузовые, перегрузочные, портовые станции и районные парки 4.8 Железнодорожные узлы Глава 5 Расстояния от оси пути до ближайших зданий, сооружений и устройств и между осями путей 5.1 Габариты 5.2 Габариты приближения строений 5.3 Габариты подвижного состава 5.4 Расстояния от осей путей до зданий, сооружений или устройств и от верха головки рельса до сооружения или устройства 5.5 Расстояния между осями смежных путей 5.6 Габариты приближения строений и подвижного состава железных дорог колеи 750 мм (ГОСТ 9720-76) 5.7 Расстояния между осями путей на станциях железных дорог колеи 750 мм Глава 6 Земляное полотно, водоотводные устройства и искусственные сооружения 6.1 Земляное полотно 6.2 Водоотводные устройства 6.3 Искусственные сооружения Глава 7 Верхнее строение пути 7.1 Мощность верхнего строения пути 7.2 Рельсы 7.3 Стрелочные переводы и глухие пересечения 7.4 Шпалы и переводные брусья 7.5 Закрепление пути от угон 7.6 Балласт 7.7 Путевые упоры 7.8 Нормы допускаемых скоростей движения локомотивов и вагонов по железнодорожным путям нормальной колеи Глава 8 Локомотивное хозяйство 8.1 Размещение устройств локомотивного хозяйства 8.2 Локомотивные и моторвагонные депо 8.3 Устройства для экипировки локомотивов 8.4 Устройства для обмывки, обдувки и поворота локомотивов 8.5 Устройства водоснабжения, канализации, теплоснабжения Глава 9 Вагонное хозяйство 9.1 Размещение устройств вагонного хозяйства 9.2 Вагонные депо, депо для ремонта контейнеров 9.3 Механизированные вагоноремонтные пункты (МВРП) 9.4 Пункты подготовки вагонов к перевозкам 9.5 Пункты технического обслуживания вагонов 9.6 Пункты контрольно-технического обслуживания вагонов 9.7 Устройства для технического обслуживания и экипировки пассажирских поездов 9.8 Экипировочные устройства для рефрижераторного подвижного состава 9.9 Специальные предприятия вагонного хозяйства Глава 10 Электроснабжение 10.1 Источники и устройства электроснабжения 10.2 Линии электропередачи 10.3 Наружное освещение станций и узлов 10.4 Контактная сеть Глава 11 СЦБ и связь на раздельных пунктах 11.1 Устройства СЦБ 11.2 Расстановка сигналов 11.3 Служебно-технические здания 11.4 Кабельные сети и рельсовые цепи 11.5 Устройства связи и их размещение 11.6 Устройства для пересылки грузовых документов и сортировочных листков 11.7 Воздухопроводные сети Глава 12 Устройства для грузовых операций 12.1 Схемы грузовых дворов 12.2 Грузовые устройства и сооружения 12.3 Грузовые склады и фронты погрузочно-выгрузочных работ 12.4 Служебно-технические здания и устройства на грузовом дворе 12.5 Устройства для обслуживания перевозок скоропортящихся грузов 12.6 Дезинфекционно-промывочные устройства 12.7 Перегрузочные устройства Глава 13 Пассажирские устройства 13.1 Вокзалы 13.2 Пассажирские здания вокзалов 13.3 Пассажирские платформы 13.4 Переходы 13.5 Планировка привокзальной площади Глава 14 Сортировочные устройства 14.1 Типы сортировочных устройств 14.2 План спускной части головы сортировочного парка 14.3 Высота горки 14.4 Тормозные средства 14.5 Профиль сортировочных устройств 14.6 Оборудование горок Глава 15 Развязки подходов и пересечения 15.1 Общие указания 15.2 Пересечения железнодорожных путей 15.3 Пересечения железных дорог с автомобильными дорогами Глава 16 Данные для проектирования путевого развития станций 16.1 Общие положения 16.2 Основные размеры и перечень эпюр стрелочных переводов, глухих пересечений, перекрестных и одиночных съездов 16.3 Укладка прямых вставок между смежными стрелочными переводами 16.4 Укладка двух смежных стрелочных переводов при устройстве между ними кривой 16.5 Расстояния между центрами смежных стрелочных переводов 16.6 Расстояния от центров стрелочных переводов и начала остряков до предельных столбиков, изолирующих стыков и сигналов 16.7 Приращение координат центров стрелочных переводов 16.8 Параллельное смещение прямого пути 16.9 Укладка стрелочных переводов на кривых участках пути Глава 17 Расчеты соединений, пересечений и сплетений путей 17.1 Основные положения 17.2 Конечные соединения путей 17.3 Съезды 17.4 Сплетение путей 17.5 Расстояние между осями путей в кривых 17.6 Сдвижка путей 17.7 Вспомогательные данные для расчетов соединений путей Глава 18 Состав и содержание проекта организации строительства 18.1 Основные положения 18.2 Особенности организации строительства станций 18.3 Основные документы проекта организации строительства 18.4 Выбор организационно-технологических схем возведения основных сооружений и методов выполнения основных работ Глава 19 Автомобильные дороги 19.1 Условия проектирования автомобильных дорог в узлах и на станциях 19.2 Основные нормы проектирования автомобильных дорог общей сети 19.3 Основные нормы проектирования внутренних автомобильных дорог промышленных предприятий 19.4 Внутризаводские дороги для малогабаритных моторных тележек 19.5 Велосипедные дорожки и тротуары 19.6 Земляное полотно и дорожные одежды проезжей части 19.7 Полоса отвода земель и площадки для стоянки автомобилей Глава 20 Водные порты и их взаимодействие с железнодорожным транспортом 20.1 Общие сведения 20.2 Железнодорожные устройства в водных портах 20.3 Погрузочно-выгрузочные работы и маневровые пути в портах Глава 21 Технология проектно-изыскательских работ 21.1 Общие положения 21.2 Разработка технико-экономических обоснований (ТЭО) 21.3 Разработка техно-рабочего (технического) проекта 21.4 Рабочие чертежи Глава 22 Сравнение вариантов проектных решений 22.1 Выбор и оценка вариантов проектных решений 22.2 Основные расчетные формулы Глава 23 Определение основных технико-эксплуатационных показателей проектов станций и узлов 23.1 Расчет продолжительности занятия устройств станции отдельными операциями 23.2 Время задержек у пересечений на станциях и в узлах 23.3 Основные нормативы технологических процессов работы сортировочных, участковых и грузовых станций 23.4 Пропускная и перерабатывающая способность и загрузка станционных устройств Приложения 1 Правила нумерации путей и стрелок при проектировании станций 2 Нормы увеличения горизонтальных расстояний между осями путей и от оси пути до внутреннего края опор, мачт и столбов в кривых участках 3 Перечень некоторых программ и алгоритмов для ЭВМ БЭСМ-4, ЕС-1020 и "Наири", разработанных институтами Главтранспроекта 4 Математические формулы 5 Методика определения габаритных расстояний при устройстве пассажирских платформ в кривых участках пути 6 Характеристики основных серий локомотивов и моторвагонного подвижного состава 7 Характеристики основных типов железнодорожных вагонов 8 Условные обозначения для планов станций и узлов Список литературы Указатель таблиц |
| Разработан: | ГипротрансТЭИ МПС ВНИИ транспортного строительства Киевгипротранс Гипротранссигналсвязь ПТКБ ЦП МПС |
| Утверждён: | 01.01.1980 Минтрансстрой СССР (USSR Mintransstroy ) |
| Издан: | Транспорт (1981 г. ) |
| Нормативные ссылки: |
|


















































































































































































































































































































































































































































































































































































































