Скачать ГОСТ 21804-94 Устройства запорные баллонов для сжиженных углеводородных газов на давление до 1,6 МПа. Общие технические условияДата актуализации: 01.01.2021 ГОСТ 21804-94
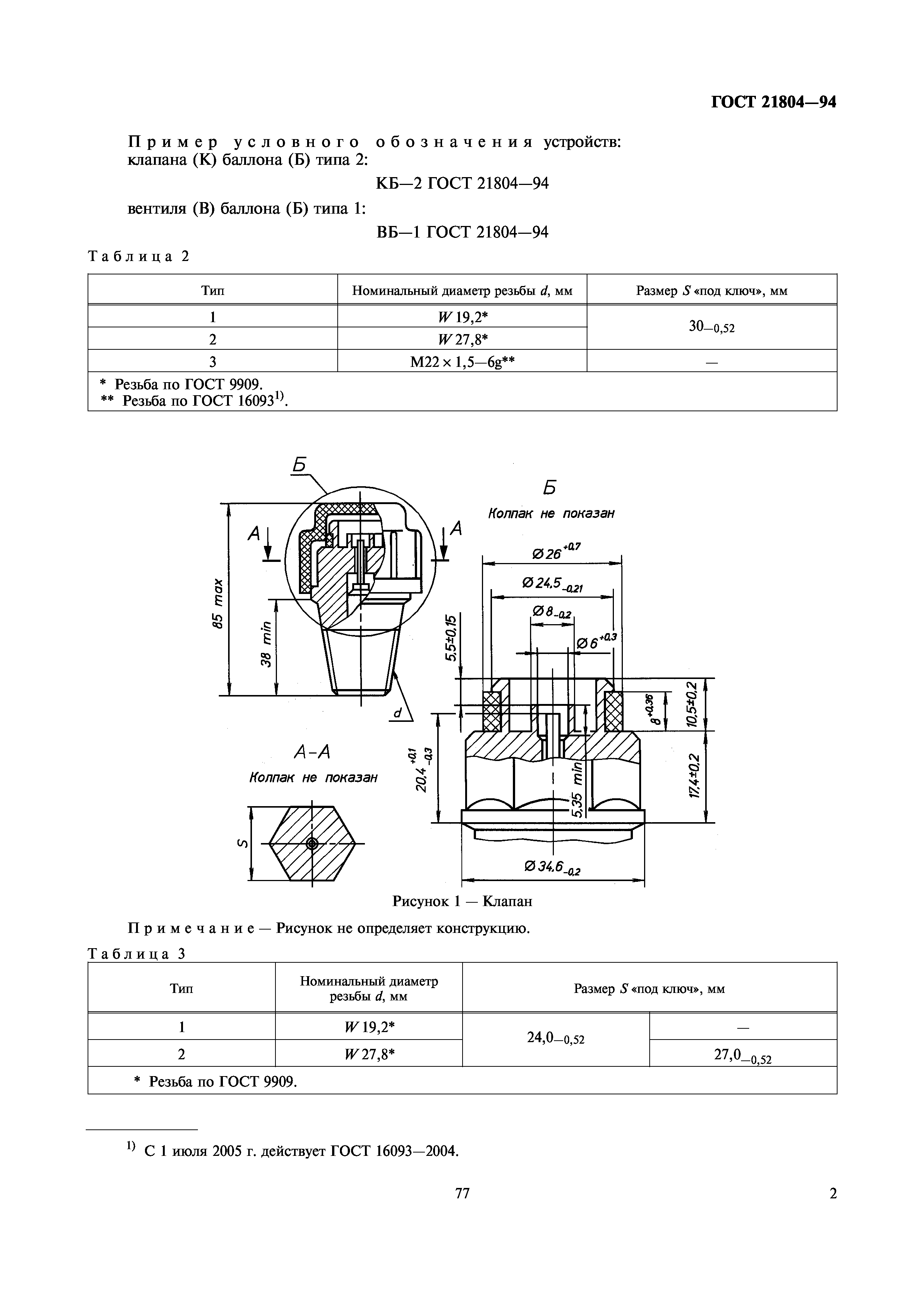
Устройства запорные баллонов для сжиженных углеводородных газов на давление до 1,6 МПа. Общие технические условия| Обозначение: | ГОСТ 21804-94 | | Обозначение англ: | GOST 21804-94 | | Статус: | действует | | Название рус.: | Устройства запорные баллонов для сжиженных углеводородных газов на давление до 1,6 МПа. Общие технические условия | | Название англ.: | Shut-off devices for cylinders with liquated gas of pressur 1,6 MPaGeneral specificatios | | Дата добавления в базу: | 01.09.2013 | | Дата актуализации: | 01.01.2021 | | Дата введения: | 01.01.1996 | | Область применения: | Стандарт распространяется на устройства запорные баллонов для сжиженных углеводородных газов на давление до 1,6 МПа, устанавливаемые на баллонах. | | Оглавление: | 1 Классификация 2 Основные параметры и размеры 3 Технические требования 4 Приемка 5 Методы испытаний 6 Транспортирование и хранение 7 Указания по эксплуатации 8 Гарантии изготовителя | | Разработан: | ТК Бытовая аппаратура, работающая на газовом, жидком и твердом видах топлива
| | Утверждён: | 16.11.1995 Госстандарт России (Russian Federation Gosstandart 572) 21.10.1994 Межгосударственный Совет по стандартизации, метрологии и сертификации (Inter-Governmental Council on Standardization, Metrology, and Certification 6)
| | Издан: | ИПК Издательство стандартов (1996 г. ) Стандартинформ (2005 г. )
| | Заменяет собой: | | | Нормативные ссылки: | |
         
|