Скачать ГОСТ 24823-81 Протяжки для десятишлицевых отверстий с прямобочным профилем с центрированием по наружному диаметру комбинированные переменного резания. Двухпроходные. Конструкция и размеры

Дата актуализации: 01.01.2021

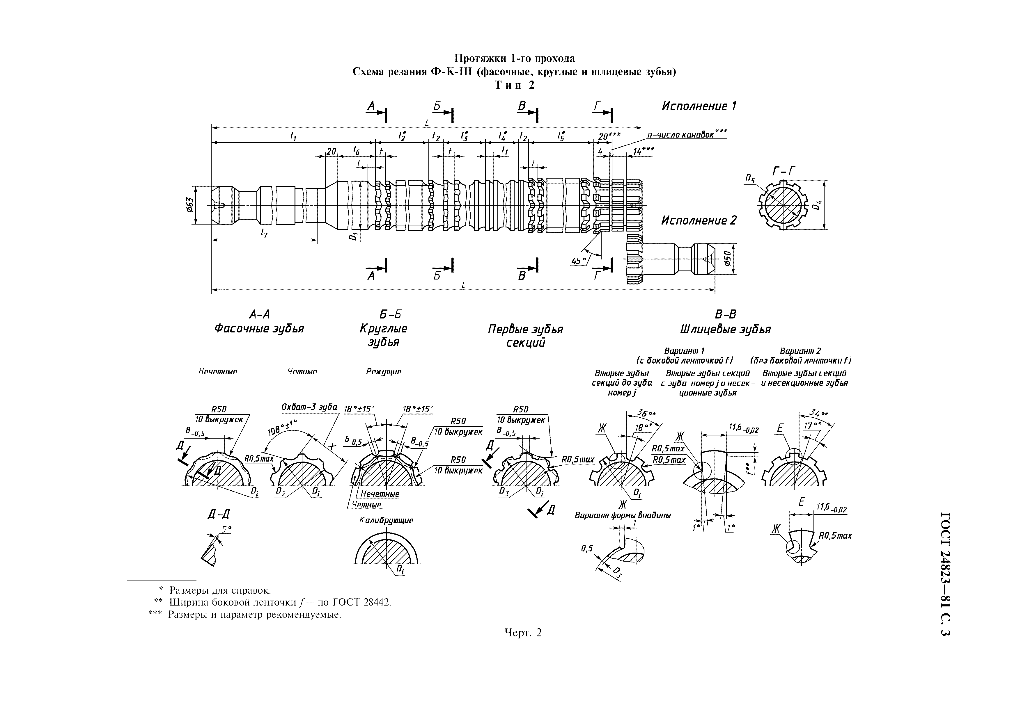
ГОСТ 24823-81

Протяжки для десятишлицевых отверстий с прямобочным профилем с центрированием по наружному диаметру комбинированные переменного резания. Двухпроходные. Конструкция и размеры

Обозначение: ГОСТ 24823-81
Обозначение англ: GOST 24823-81
Статус:взамен
Название рус.:Протяжки для десятишлицевых отверстий с прямобочным профилем с центрированием по наружному диаметру комбинированные переменного резания. Двухпроходные. Конструкция и размеры
Название англ.:Broaches combined for 10-slitting holes with straightside profile diameter, alternatives. Double driven. Design and dimension
Дата добавления в базу:01.09.2013
Дата актуализации:01.01.2021
Дата введения:01.01.1983
Область применения:Стандарт распространяется на комбинированные двухпроходные протяжки переменного резания универсального назначения, предназначенные для обработки десятишлицевых втулок с прямобочным профилем по ГОСТ 1139 с центрированием по наружному диаметру.
Разработан: Министерство станкостроительной и инструментальной промышленности СССР
Утверждён:05.06.1981 Государственный комитет СССР по стандартам (USSR National Committee on Standards 2856)
Издан: Издательство стандартов (1981 г. )
ИПК Издательство стандартов (2004 г. )
Список изменений:
Заменяет собой:
  • МН 4255-63 (ИУС 8-81)
Нормативные ссылки:
ГОСТ 24823-81ГОСТ 24823-81ГОСТ 24823-81ГОСТ 24823-81ГОСТ 24823-81ГОСТ 24823-81ГОСТ 24823-81ГОСТ 24823-81ГОСТ 24823-81ГОСТ 24823-81ГОСТ 24823-81ГОСТ 24823-81ГОСТ 24823-81ГОСТ 24823-81ГОСТ 24823-81ГОСТ 24823-81ГОСТ 24823-81ГОСТ 24823-81ГОСТ 24823-81ГОСТ 24823-81ГОСТ 24823-81ГОСТ 24823-81ГОСТ 24823-81ГОСТ 24823-81

Текстовое изменение № 2 от 01.02.1988

№ 2№ 2

Текстовое изменение № 1 от 01.09.1986

№ 1№ 1