Скачать ГОСТ 25056-81 Клюзы палубные и бортовые литые. Технические условия

Дата актуализации: 01.01.2021

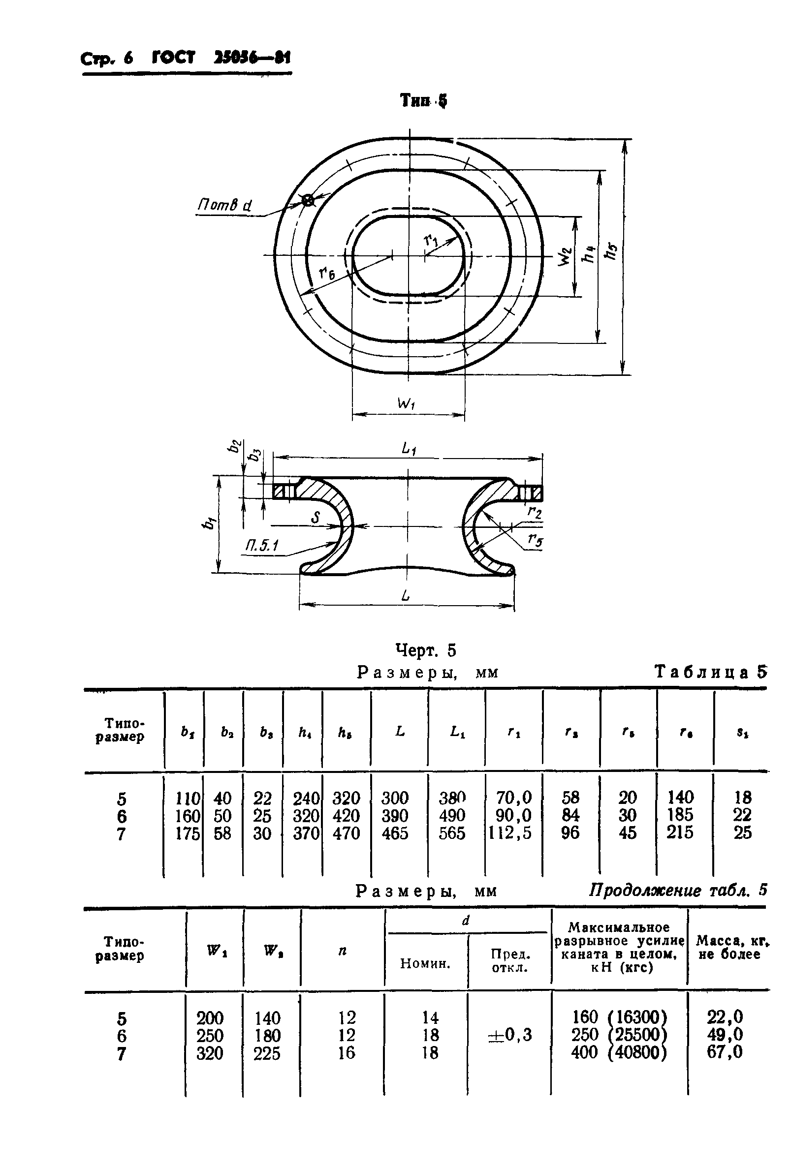
ГОСТ 25056-81

Клюзы палубные и бортовые литые. Технические условия

Обозначение: ГОСТ 25056-81
Обозначение англ: GOST 25056-81
Статус:действует
Название рус.:Клюзы палубные и бортовые литые. Технические условия
Название англ.:Cast deck and ship hawses. Specifications
Дата добавления в базу:01.09.2013
Дата актуализации:01.01.2021
Дата введения:01.07.1982
Область применения:Стандарт распространяется на палубные и бортовые клюзы для швартовых устройств, применяемые на надводных кораблях, судах и плавучих средствах. Стандарт не распространяется на клюзы, применяемые на специальных быстроходных катерах и кораблях с динамическими принципами поддержания.
Оглавление:1. Типы, основные параметры и размеры
2. Технические требования
3. Правила приемки
4. Методы контроля
5. Маркировка, упаковка, транспортирование и хранение
6. Гарантии изготовителя
Приложение 1(справочное) Информационные данные соответствия ГОСТ 25056-81 СТ СЭВ 1586-79
Приложение 2 (справочное) Коды ОКП
Утверждён:22.12.1981 Государственный комитет СССР по стандартам (USSR National Committee on Standards 5571)
Издан: Издательство стандартов (1982 г. )
Список изменений:
Нормативные ссылки:
ГОСТ 25056-81ГОСТ 25056-81ГОСТ 25056-81ГОСТ 25056-81ГОСТ 25056-81ГОСТ 25056-81ГОСТ 25056-81ГОСТ 25056-81ГОСТ 25056-81ГОСТ 25056-81ГОСТ 25056-81ГОСТ 25056-81ГОСТ 25056-81ГОСТ 25056-81ГОСТ 25056-81ГОСТ 25056-81ГОСТ 25056-81ГОСТ 25056-81ГОСТ 25056-81ГОСТ 25056-81ГОСТ 25056-81ГОСТ 25056-81ГОСТ 25056-81

Текстовое изменение № 1 от 01.07.1987

№ 1№ 1

Текстовое изменение № 2 от 01.01.1990

№ 2№ 2

Текстовое изменение № 3 от 01.01.1992

№ 3№ 3№ 3№ 3№ 3