Скачать ГОСТ Р 50765-95 Аппаратура радиорелейная. Классификация. Основные параметры цепей стыкаДата актуализации: 01.01.2021
|
| Обозначение: | ГОСТ Р 50765-95 |
| Обозначение англ: | GOST R 50765-95 |
| Статус: | введен впервые |
| Название рус.: | Аппаратура радиорелейная. Классификация. Основные параметры цепей стыка |
| Название англ.: | Radiorelay equipment. Classification. Interface basic parameters |
| Дата добавления в базу: | 01.09.2013 |
| Дата актуализации: | 01.01.2021 |
| Дата введения: | 01.07.1996 |
| Область применения: | Стандарт распространяется на вновь разрабатываемую аппаратуру радиорелейных систем передачи прямой видимости диапазонов УВЧ, СВЧ и КВЧ с числом каналов более 12, в которой модуляция несущей осуществляется цифровыми или аналоговыми сигналами. Стандарт нормирует общие характеристики и параметры цепей в точках соединения по звуковым сигналам, видиосигналам, а также по групповому, цифровому, промежуточной частоты сигналам. |
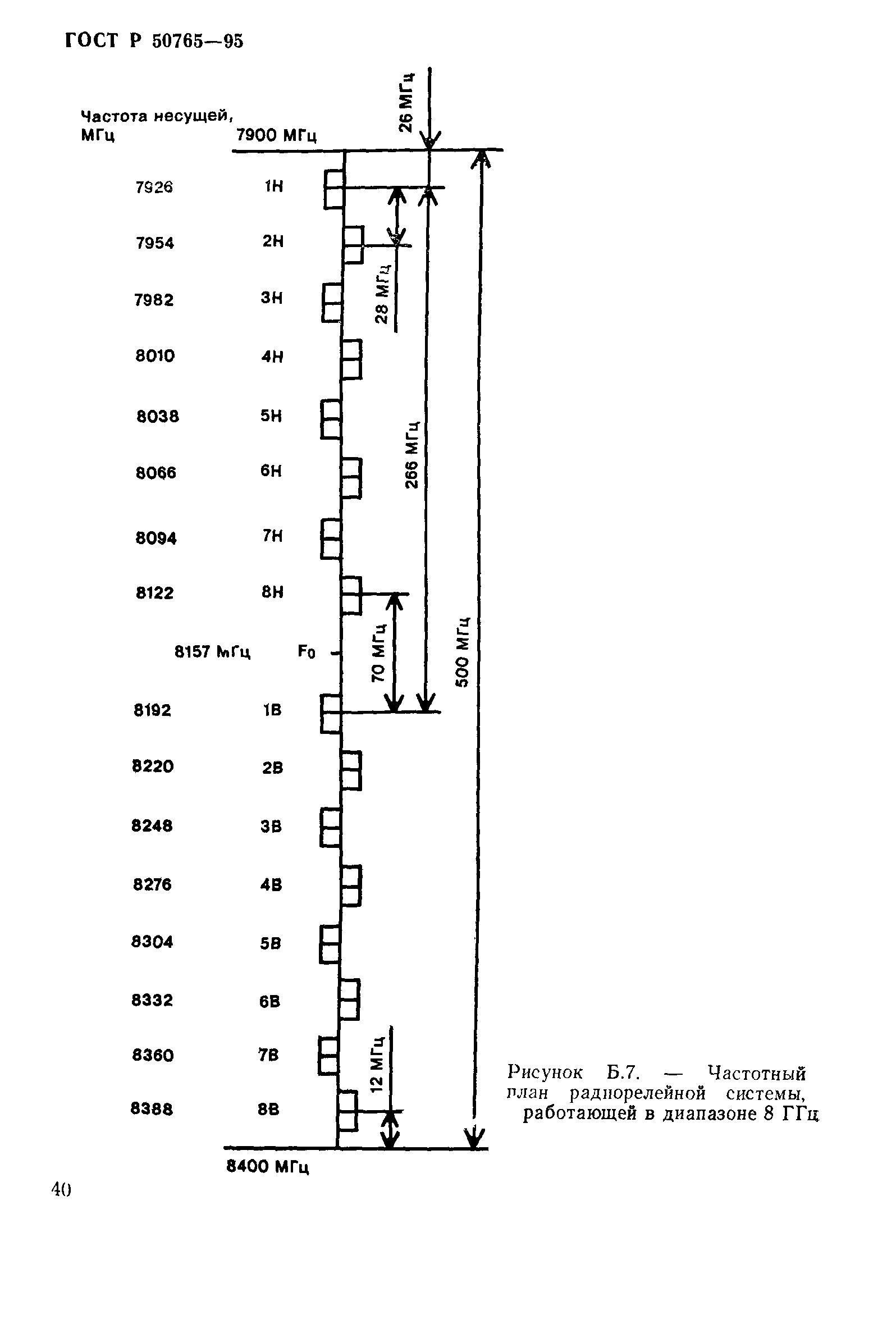
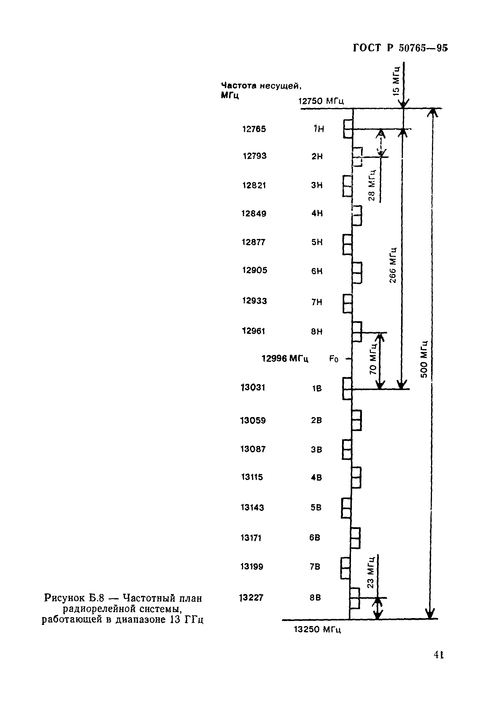
| Оглавление: | 1 Область применения 2 Нормативные ссылки 3 Классификация 4 Основные параметры цепей стыка 4.1 Общие параметры 4.2 Параметры цепей стыка аппаратуры аналоговых радиорелейных систем передачи 4.2.1 Параметры цепей стыка по промежуточной частоте аппаратуры с ЧРК 4.2.2 Параметры цепей стыка аппаратуры образования аналоговых многоканальных линейных трактов 4.2.3 Параметры цепей стыка аппаратуры образования каналов передачи сигналов изображения и звука 4.3 Параметры цепей стыка аппаратуры цифровых радиорелейных систем передачи 4.3.1 Параметры цепей стыка на выходе цифрового радиорелейного линейного тракта 4.3.2 Параметры цепей стыка на входе цифрового радиорелейного линейного тракта Приложение А (обязательное) Термины, определения и сокращения Приложение Б (справочное) Планы размещения частот радиостволов в полосах частот от 0,5 до 40,5 ГГц Приложение В (справочное) Характеристика предыскажений в аналоговой телефонной радиорелейной системе Приложение Г (справочное) Характеристика предыскажений для канала передачи сигналов изображения Приложение Д (информационное) Библиография |
| Разработан: | Министерство связи РФ |
| Утверждён: | 06.04.1995 Госстандарт России (Russian Federation Gosstandart 203) |
| Издан: | ИПК Издательство стандартов (1995 г. ) |
| Нормативные ссылки: |
|





























































