Скачать ОСТ 108.104.10-82 Тройники сварные равнопроходные для паропроводов ТЭС. Конструкция и размерыДата актуализации: 01.01.2021
|
| Обозначение: | ОСТ 108.104.10-82 |
| Обозначение англ: | OST 108.104.10-82 |
| Статус: | не действует |
| Название рус.: | Тройники сварные равнопроходные для паропроводов ТЭС. Конструкция и размеры |
| Дата добавления в базу: | 01.09.2013 |
| Дата актуализации: | 01.01.2021 |
| Дата введения: | 01.01.1985 |
| Дата окончания срока действия: | 01.05.2010 |
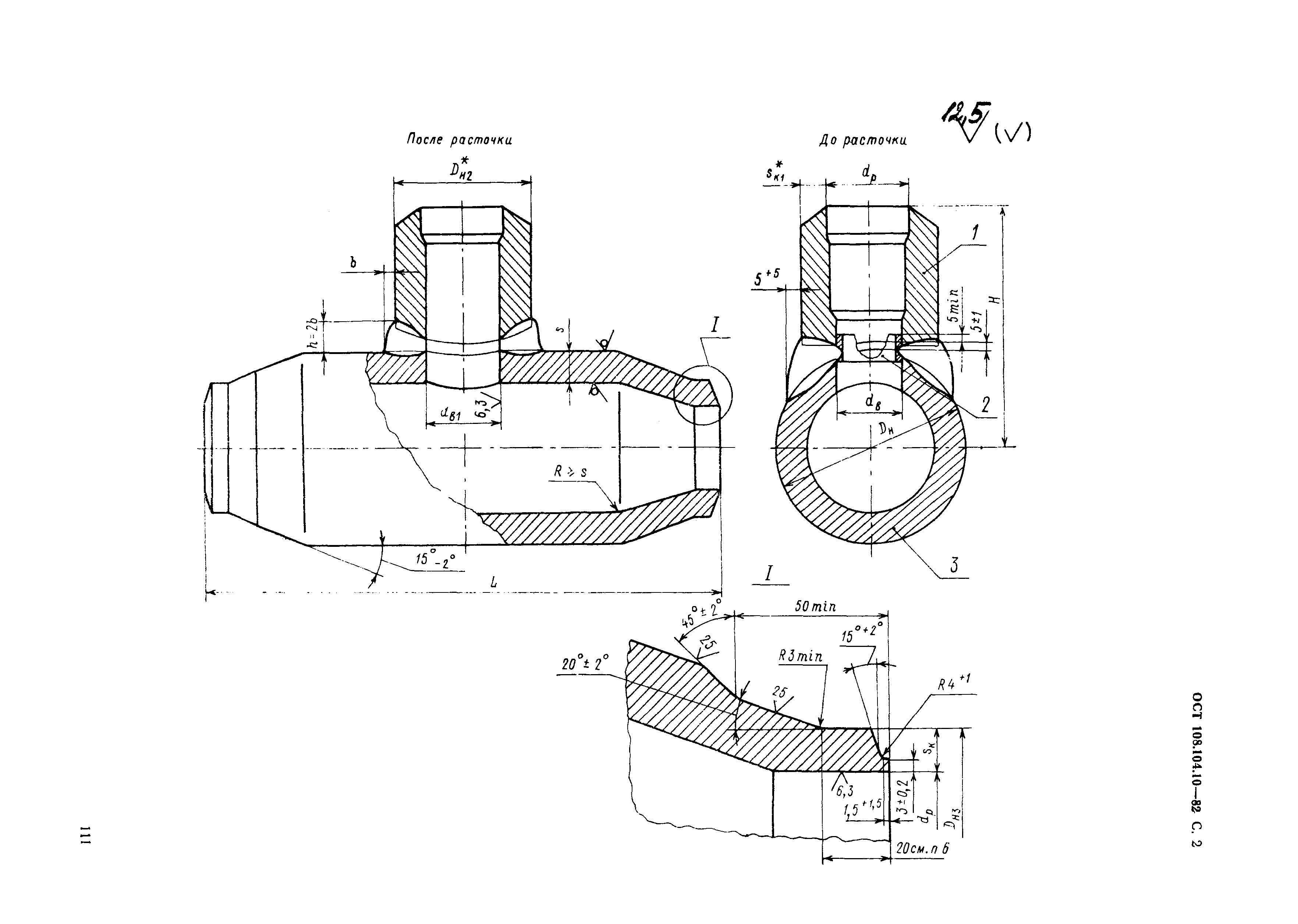
| Область применения: | Стандарт распространяется на тройники сварные равнопроходные для паропроводов тепловых электростанций с абсолютным давлением и температурой пара: p=25,01 МПа (255 кгс/см2), t= 545° C; p=13,73 МПа (140 кгс/см2), t= 560° C; p=13,73 МПа (140 кгс/см2), t= 545° C. |
| Утверждён: | 04.06.1982 Министерство энергетического машиностроения (Ministry of Energy Machinery Manufacturing ВВ-002/4628) |
| Принят: | Министерство энергетики и электрификации СССР (USSR Ministry of Energy and Electrical Power ) |
| Издан: | НПО ЦКТИ (1993 г. ) |
| Список изменений: | |
| Заменяет собой: |
|
| Нормативные ссылки: |









Текстовое изменение № от 15.02.1994


