ОТРАСЛЕВЫЕ СТАНДАРТЫ
ДЕТАЛИ И СБОРОЧНЫЕ ЕДИНИЦЫ
ИЗ ХРОМОМОЛИБДЕНОВАНАДИЕВЫХ СТАЛЕЙ
ДЛЯ ПАРОПРОВОДОВ ТЕПЛОВЫХ
ЭЛЕКТРОСТАНЦИЙ
ТИПЫ, КОНСТРУКЦИЯ, РАЗМЕРЫ
И ТЕХНИЧЕСКИЕ ТРЕБОВАНИЯ
ПАРАМЕТРЫ:
р = 25,01 МПа (255 кгс/см2), t = 545 °С
ТРОЙНИКИ СВАРНЫЕ РАВНОПРОХОДНЫЕ ДЛЯ ПАРОПРОВОДОВ ТЭС
КОНСТРУКЦИЯ И РАЗМЕРЫ
ОСТ 108.104.10-82
Срок действия стандартов не ограничен в соответствии
с указанием Госстандарта РФ № 1/28-332 от 15.02.94
УТВЕРЖДЕН И ВВЕДЕН В ДЕЙСТВИЕ указанием Министерства энергетического машиностроения от 04.06.82 № ВВ-002/4628
СОГЛАСОВАН с Главным управлением по проектированию и научно-исследовательским работам Министерства энергетики и электрификации СССР
Л.М. ВОРОНИН
Отраслевые стандарты
на детали и сборочные единицы
с расчетным ресурсом 200 тыс. ч
ОСТ 108.104.10-82
ОТРАСЛЕВОЙ СТАНДАРТ
|
ТРОЙНИКИ СВАРНЫЕ РАВНОПРОХОДНЫЕ ДЛЯ ПАРОПРОВОДОВ ТЭС КОНСТРУКЦИЯ И РАЗМЕРЫ |
ОСТ 108.104.10-82Взамен НО 1076-66 в части |
Указанием Министерства энергетического машиностроения от 04.06.82 № ВВ-002/4628 срок действия установлен
с 01.01.85
до 01.01.96
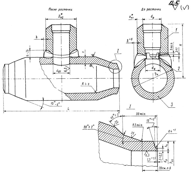
1. Настоящий стандарт распространяется на тройники сварные равнопроходные для паропроводов тепловых электростанций с абсолютным давлением и температурой пара:
p = 25,01 МПа (255 кгс/см2), t = 545 °С;
p = 13,73 МПа (140 кгс/см2), t = 560 °С;
p = 13,73 МПа (140 кгс/см2), t = 545 °С;
2. Конструкция и размеры тройников должны соответствовать указанным на чертеже и в табл. 1 и 2.
3. Сварочные материалы - по ОСТ 108.940.02.
4. После сварки штуцер (поз. 1) растачивается напроход до диаметра dв1 с целью удаления подкладного кольца и корня шва (см. чертеж).
5. Материал корпуса (поз. 3) - см. табл. 2.
6. Рекомендуемый размер прямого участка уточняется при разработке технологического процесса.
Допускается изготовление подкатанной части без прямых участков.
7. Остальные технические требования - по ОСТ 24.125.60.
8. Масса наплавленного металла уточняется технологическим процессом.
9. Исполнение, указанное в скобках, применять по согласованию с предприятием-изготовителем.
10. Пример условного обозначения тройника равнопроходного исполнения 01 с условным проходом Dy = 100 мм:
ТРОЙНИК РАВНОПРОХОДНЫЙ 100 02 ОСТ 108.104.10.
11. Пример маркировки: 02 ОСТ 108.104.10 
Размеры, мм
|
Условный проход Dy |
Присоединяемые трубы |
DH |
DH2* |
DH3 |
dв |
dв1 |
|||||
|
Наружный диаметр |
Толщина стенки |
Номин. |
Пред. откл. |
Номин. |
Пред. откл. |
Номин. |
Пред. откл. |
||||
|
p = 25,01 МПа (255 кгс/см2), t = 545 °С |
|||||||||||
|
(01) |
65 |
108 |
22 |
159 |
120 |
108 |
+ 2 - 1 |
50 |
+ 0,62 |
56 |
+ 0,46 |
|
02 |
100 |
159 |
32 |
245 |
180 |
159 |
71 |
+ 0,74 |
79 |
||
|
03 |
125 |
194 |
38 |
210 |
194 |
+ 3 - 1 |
90 |
+ 0,87 |
98 |
+ 0,54 |
|
|
04 |
150 |
245 |
48 |
325 |
260 |
245 |
+ 4 - 1 |
120 |
125 |
+ 0,63 |
|
|
p = 13,73 МПа (140 кгс/см2), t = 560 °С; p = 13,73 МПа (140 кгс/см2), t = 545 °С |
|||||||||||
|
05 |
100 |
133 |
20 |
219 |
154 |
133 |
+ 2 - 1 |
84 |
+ 0,87 |
90 |
+ 0,54 |
Продолжение табл. 1
|
Исполнение |
dp |
L |
H |
S |
Sк, не менее |
Sк1* |
b, не менее |
Масса наплавленного металла, кг |
Масса, кг |
|
|
Номин. |
Пред. откл. |
Пред. откл. ± 5 |
||||||||
|
p = 25,01 МПа (255 кгс/см2), t = 545 °С |
||||||||||
|
(01) |
67 |
+ 0,46 |
450 |
232 |
32 |
18,7 |
23,3 |
26 |
0,6 |
58 |
|
02 |
97 |
+ 0,54 |
650 |
304 |
48 |
27,5 |
33,3 |
34 |
5,8 |
193 |
|
03 |
120 |
341 |
33,0 |
40,1 |
42 |
8,6 |
213 |
|||
|
04 |
151 |
+ 0,63 |
700 |
438 |
60 |
42,0 |
49,8 |
44 |
13,2 |
388 |
|
p = 13,73 МПа (140 кгс/см2), t = 560 °С; p = 13,73 МПа (140 кгс/см2), t = 545 °С |
||||||||||
|
05 |
94 |
+ 0,54 |
550 |
290 |
32 |
17,3 |
17,6 |
23 |
1,1 |
103 |
* Размеры для справок.
|
Штуцер (поз. 1) 1 шт. |
Кольцо подкладное (поз. 2) 1 шт. |
Корпус (поз. 3) 1 шт. |
|
|
Обозначение |
Материал - труба (марка, ТУ) |
||
|
(01) ОСТ 108.104.10 |
Сталь 15Х1М1Ф ТУ 14-3-460 |
||
|
02 ОСТ 108.104.10 |
|||
|
03 ОСТ 108.104.10 |
|||
|
04 ОСТ 108.104.10 |
|||
|
05 ОСТ 108.104.10 |
Сталь 12Х1МФ ТУ 14-3-460 |
||
ИНФОРМАЦИОННЫЕ ДАННЫЕ
1. УТВЕРЖДЕН И ВВЕДЕН В ДЕЙСТВИЕ указанием Министерства энергетического машиностроения от 04.06.82 № ВВ-002/4628
2. ИСПОЛНИТЕЛИ
П.М. Христюк, канд. техн. наук; Д.Д. Дорофеев, канд. техн. наук (руководитель темы); Г.Н. Смирнов (руководитель темы); Л.Н. Жылюк; В.Н. Шанский; Н.В. Москаленко; Д.Ф. Фомина; Г.А. Мисирьянц; В.Ф. Логвиненко; Ф.А. Гловач; А.З. Гармаш; Н.Г. Мазин; А.С. Шестернин
3. ЗАРЕГИСТРИРОВАН Государственным комитетом СССР по стандартам за № 8257021 от 09.09.82
4. ВЗАМЕН НО 1076-66
5. ССЫЛОЧНЫЕ НОРМАТИВНО-ТЕХНИЧЕСКИЕ ДОКУМЕНТЫ
|
Номер пункта, подпункта, перечисления, приложения |
|
|
ОСТ 24.125.60-89 |
|
|
ОСТ 108.940.02-82 |
|
|
ТУ 14-3-460-75 |
|
6. ПЕРЕИЗДАНИЕ (1992 г.) с Изменениями № 1, 2, 3, 4
Срок действия продлен до 1996 г. Изменением № 4, утвержденным письмом Минтяжмаша СССР от 27.12.90 № ВА-002-1-12060.