Скачать Технологическая карта Технологические карты на устройство кровель из рулонных полимерных кровельных материалов

Дата актуализации: 01.01.2021

Технологическая карта

Технологические карты на устройство кровель из рулонных полимерных кровельных материалов

Обозначение: Технологическая карта
Статус:не установлен срок действия
Название рус.:Технологические карты на устройство кровель из рулонных полимерных кровельных материалов
Дата добавления в базу:01.09.2013
Дата актуализации:01.01.2021
Дата введения:01.01.1987
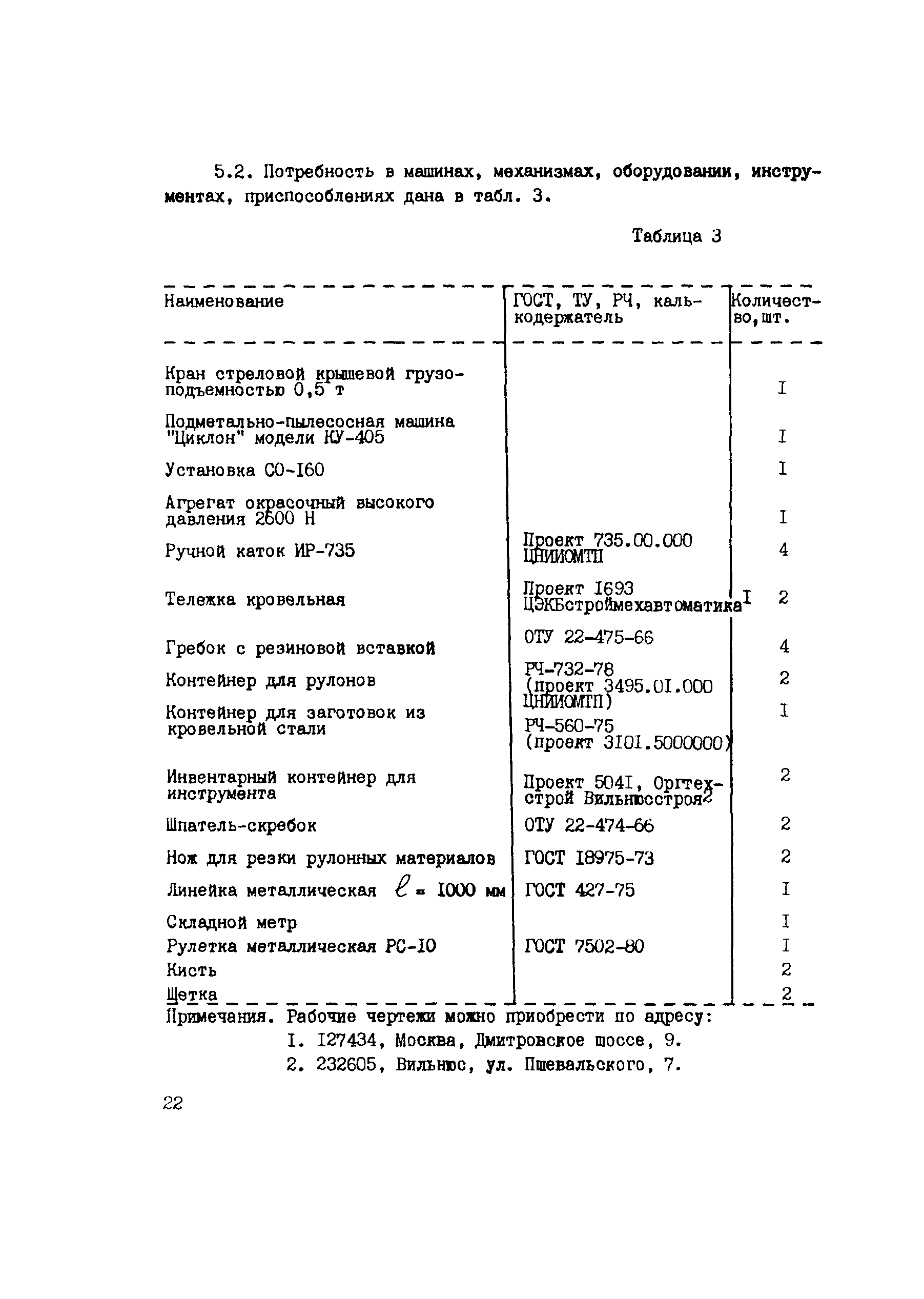
Область применения:В трех технологических картах рассматривается организация и технология устройства кровель из новых рулонных полимерных материалов. Даются организационно-технологические решения по рациональному ведению работ; приведены технико-экономические показатели и рассчитаны материально-технические ресурсы на устройство кровли из этих материалов.
Оглавление:Технологическая карта 1 Устройство кровельного ковра сплошной и полосовой приклейкой полотнищ
Технологическая карта 2 Устройство сборной ковровой кровли из армогидробутила
Технологическая карта 3 Изготовление сборного кровельного ковра из армогидробутила
Разработан: ЦНИИОМТП
Утверждён: ЦНИИОМТП Госстроя СССР (TsNIIOMTP, USSR Gosstroy )
Нормативные ссылки:
Технологическая карта Технологическая карта Технологическая карта Технологическая карта Технологическая карта Технологическая карта Технологическая карта Технологическая карта Технологическая карта Технологическая карта Технологическая карта Технологическая карта Технологическая карта Технологическая карта Технологическая карта Технологическая карта Технологическая карта Технологическая карта Технологическая карта Технологическая карта Технологическая карта Технологическая карта Технологическая карта Технологическая карта Технологическая карта Технологическая карта Технологическая карта Технологическая карта Технологическая карта Технологическая карта Технологическая карта Технологическая карта Технологическая карта Технологическая карта Технологическая карта Технологическая карта Технологическая карта Технологическая карта Технологическая карта Технологическая карта Технологическая карта Технологическая карта Технологическая карта Технологическая карта Технологическая карта Технологическая карта Технологическая карта Технологическая карта Технологическая карта Технологическая карта Технологическая карта Технологическая карта Технологическая карта Технологическая карта Технологическая карта Технологическая карта