МЕЖГОСУДАРСТВЕННЫЙ СТАНДАРТ
|
КЕЛЬМЫ, ЛОПАТКИ И ОТРЕЗОВКИ Технические условия Trowels, tuck pointing tools. Specifications |
ГОСТ |
Дата введения 01.01.82
Настоящий стандарт распространяется на кельмы, лопатки и отрезовки, применяемые при производстве бетонных, каменных, штукатурных, плиточных и других видов отделочных работ.
1.1. Кельмы, лопатки и отрезовки в зависимости от назначения должны изготовляться следующих типов, указанных в табл. 1.
Таблица 1
|
Наименование |
Назначение |
|
|
КБ |
Кельма для бетонных и каменных работ |
Для разравнивания раствора и бетонной смеси, заполнения вертикальных швов и подрезки раствора, выступающего из швов |
|
КП |
Кельма для печных и каменных работ |
Для разравнивания раствора, заполнения вертикальных швов и подрезки раствора, выступающего из швов; для разравнивания раствора при кладке вентиляционных и дымовых каналов |
|
КШ |
Кельма для штукатурных работ |
Для набрасывания и разравнивания раствора |
|
КО |
Кельма для отделочных работ |
Для набрасывания, разравнивания раствора и выполнения других операций при производстве отделочных работ |
|
ЛП |
Лопатка для плиточных работ |
Для нанесения и разравнивания раствора и выполнения других операций при производстве плиточных работ |
|
ЛК |
Лопатка для ксилолитовых работ |
Для разравнивания и заглаживания ксилолитовой массы и выполнения других операций при производстве ксилолитовых работ |
|
ОШ |
Отрезовка для штукатурных и плиточных работ |
Для разделки архитектурных деталей, заделки небольших раковин, трещин и выполнения других операций при производстве штукатурных и плиточных работ |
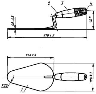
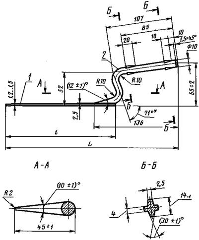
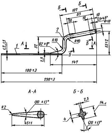
1.2. Основные размеры кельм, лопаток и отрезовок должны соответствовать указанным на черт. 1 - 8 и в табл. 2.
Кельма типа КБ
Исполнение 1
____________
* Размер для справок.
1 - полотно с кронштейном; 2 - колпачок; 3 - ручка; 4 - грибок
Черт. 1
Исполнение 2

____________
* Размер для справок.
1 - полотно с кронштейном; 2 - колпачок; 3 - ручка; 4 - грибок
Черт. 2
Кельма типа КП

____________
* Размер для справок.
1 - полотно с кронштейном; 2 - колпачок; 3 - ручка; 4 - грибок
Черт. 3
Кельма типа КШ

1 - полотно с кронштейном; 2 - колпачок; 3 - ручка
Черт. 4
Кельма типа КО

____________
* Размер для справок.
1 - полотно с кронштейном; 2 - колпачок; 3 - ручка
Черт. 5
Лопатка типа ЛП

Черт. 6
Лопатка типа ЛК

____________
* Размер для справок.
1 - полотно с кронштейном; 2 - колпачок; 3 - ручка
Черт. 7
Отрезовка типа ОШ
Черт. 8
Таблица 2
мм
|
L |
А |
l |
R |
|
|
+5 |
± 3 |
|||
|
-10 |
||||
|
КШ1 |
327 |
150 |
190 |
60 |
|
КШ2 |
312 |
140 |
175 |
45 |
1.3. Конструкции и размеры деталей кельм, лопаток или отрезовок указаны на черт. 1 - 17 и в таблице приложения.
1.4. Условные обозначения кельм, лопаток или отрезовок должны состоять из обозначения типа или типоразмера изделия, его исполнения и обозначения настоящего стандарта.
Пример условного обозначения кельмы типа КБ исполнения 1:
КБ1 ГОСТ 9533-81
2.2. Материалы для изготовления деталей кельм, лопаток и отрезовок должны соответствовать указанным в табл. 3.
Таблица 3
|
Материал |
|
|
Полотно |
Сталь марок У7А, У8А, У9А, У10А по ГОСТ 1435 или сталь марки 65Г по ГОСТ 1050; сортамент - по ГОСТ 21996 (прочность 1П или 2П) или ГОСТ 2283. Сталь марок У7, У7А, У8, У8А, У8ГА, У8Г по ГОСТ 1435 или сталь марки 65Г по ГОСТ 14959, сортамент - по ГОСТ 19903, точность прокатки - нормальная Б, плоскостность - нормальная ПН. |
|
Кронштейн и грибок |
Сталь марок 20, 25, 30 по ГОСТ 1050 или марок Ст2, Ст3 по ГОСТ 380 всех степеней раскисления, сортамент - по ГОСТ 7417 или ГОСТ 2590, точность прокатки - высокая А или повышенная Б. |
|
Колпачок |
Сталь марок 05кп, 08кп, 08пс, 08, 10кп, 10пс, 10, 15кп, 15пс, 15, 20, 20пс или 20кп по ГОСТ 1050 или сталь марок Ст3кп, Ст3пс по ГОСТ 380, сортамент - по ГОСТ 19903 или ГОСТ 19904, точность прокатки - нормальная Б, плоскостность - нормальная ПН. |
|
Ручка |
Древесина твердых лиственных пород и ударопрочные пластмассы типа стекло наполненных полиамидов. |
Примечания:
1. Допускается изготовлять грибки из заклепок по ГОСТ 10299. При этом заклепки должны быть из стали марок, указанных в таблице.
2. Листовая сталь для изготовления колпачков должна соответствовать в части нормируемых показателей - 1-й категории, II группе отделки (для холоднокатаной), III группе отделки (для горячекатаной), вытяжке Г по ГОСТ 16523.
Твердость полотна в зоне сварки полотна с кронштейном не должна быть менее 27 HRCэ на расстоянии до 20 мм по обе стороны от оси полотна.
2.4. Древесина для ручек должна быть здоровой, без трещин, гнили и прорости.
На поверхности ручки допускается не более двух здоровых вполне сросшихся сучков диаметром до 10 мм.
Остальные дефекты и пороки не должны превышать норм, установленных для пиломатериалов 1-го сорта по ГОСТ 2695.
2.5. Влажность древесины для ручек не должна быть более 12 %.
Кронштейны отрезовок допускается соединять с полотнами контактно-рельефной сваркой.
Полотна кельм с кронштейнами могут быть изготовлены цельнокованными.
2.7. Сварное соединение должно выдерживать статическую нагрузку P не менее:
2450 Н (250 кгс) - для кельм и лопаток;
1176 Н (120 кгс) - для отрезовок.
Примечание. Колпачки не устанавливают на ручки, изготавливаемые из пластмассы.
2.9. Колпачки должны быть плотно насажены на ручки.
Превышение поверхности колпачка над ручкой не допускается.
- для кельм и лопаток:
735 Н (75 кгс) - с деревянной ручкой;
490 Н (50 кгс) - с пластмассовой ручкой;
- для отрезовок:
294 Н (30 кгс) - с деревянной ручкой;
196 Н (20 кгс) - с пластмассовой ручкой.
2.12. Отклонение от перпендикулярности кронштейна в заданном направлении относительно плоскости полотна не должно быть более 1 мм.
2.13. Отклонение от плоскостности полотна не должно быть более 2 мм.
2.15. Полотна и кронштейны кельм, лопаток и отрезовок должны иметь лакокрасочное покрытие.
Допускается применять покрытия других видов, обеспечивающие антикоррозионную защиту изделий.
Полотна, изготовленные из термообработанной полированной ленты, должны иметь покрытие в зоне сварки.
2.16. Колпачки и грибки должны иметь покрытие Ц12хр или Хим. Окс. прм по ГОСТ 9.306.
Металлические и окисные покрытия должны соответствовать ГОСТ 9.301, условия эксплуатации - группе Ж по ГОСТ 9.303.
Допускается применять покрытия других видов по ГОСТ 9.303.
2.17. Деревянные ручки должны быть окрашены эмалями ярких тонов или покрыты лаком НЦ-218, НЦ-221, НЦ-222 или НЦ-228 по ГОСТ 4976.
2.18. Лакокрасочные покрытия должны соответствовать классу V по ГОСТ 9.032, условия эксплуатации - группе У1 по ГОСТ 9.104.
2.19. Ручки, изготовленные из пластмассы, на поверхности должны иметь рельефную насечку.
3.1. Кельмы, лопатки и отрезовки должны быть приняты техническим контролем предприятия-изготовителя.
3.2. Приемку и поставку кельм, лопаток и отрезовок производят партиями.
Размер партии устанавливают соглашением сторон. Партия должна состоять из изделий одного наименования и типа или типоразмера, изготовленных из одинакового материала и по одной технологии.
3.3. Потребитель имеет право проводить контрольную проверку качества кельм, лопаток и отрезовок, применяя при этом порядок отбора образцов и методы испытаний, указанные в настоящем стандарте.
3.4. При проверке кельм, лопаток и отрезовок на соответствие требованиям пп. 1.2, 2.1 (в части соответствия рабочим чертежам), 2.3 - 2.5, 2.11 - 2.14 применяют двухступенчатый контроль, для чего от партии отбирают кельмы, лопатки или отрезовки в выборку в соответствии с табл. 4.
3.5. Партию кельм, лопаток или отрезовок принимают, если количество дефектных кельм, лопаток или отрезовок в первой выборке меньше или равно приемочному числу, и бракуют без назначения второй выборки, если количество дефектных кельм, лопаток или отрезовок больше или равно браковочному числу.
Таблица 4
|
Ступени контроля |
Объем одной выборки кельм, лопаток или отрезовок, шт. |
Объем двух выборок кельм, лопаток или отрезовок, шт. |
Приемочное число |
Браковочное число |
|
|
91 - 150 |
Первая |
13 |
26 |
0 |
3 |
|
Вторая |
3 |
4 |
|||
|
151 - 280 |
Первая |
20 |
40 |
1 |
4 |
|
Вторая |
4 |
5 |
|||
|
281 - 500 |
Первая |
32 |
64 |
2 |
5 |
|
Вторая |
6 |
7 |
|||
|
501 - 1200 |
Первая |
50 |
100 |
3 |
7 |
|
Вторая |
8 |
9 |
|||
|
1201 - 3200 |
Первая |
80 |
160 |
5 |
9 |
|
Вторая |
12 |
13 |
|||
|
3201 - 10000 |
Первая |
125 |
250 |
7 |
13 |
|
Вторая |
13 |
19 |
Если количество дефектных кельм, лопаток или отрезовок в первой выборке больше приемочного числа, но меньше браковочного, проводят вторую выборку.
Партию кельм, лопаток или отрезовок принимают, если количество дефектных кельм, лопаток или отрезовок в двух выборках меньше или равно браковочному числу, и бракуют, если количество дефектных изделий в двух выборках больше или равно браковочному числу.
3.6. Проверка кельм, лопаток и отрезовок на соответствие требованиям, приведенным в пп. 2.1 (в части соответствия образцам-эталонам), 2.6, 2.8, 2.9, 2.15 - 2.19, должна проводиться методом сплошного контроля.
3.7. Для проверки кельм, лопаток и отрезовок на соответствие требованиям, приведенным в пп. 2.7 или 2.10, от партии отбирают не менее 5 шт. каждого изделия.
Если при проверке отобранных для проверки образцов хотя бы одна кельма, лопатка или отрезовка не будет удовлетворять требованиям, приведенным в пп. 2.7 и 2.10, следует проводить повторные испытания удвоенного количества изделий, отобранных от той же партии.
При неудовлетворительных результатах повторной проверки кельмы, лопатки или отрезовки приемке не подлежат.
- значений, указанных в ГОСТ 8.051, - для линейных размеров;
- 35 % от допуска на контролируемый размер - для угловых размеров;
- 25 % от допуска на контролируемый размер - для отклонения формы и расположения поверхностей.
4.2. Сплошной контроль должен осуществляться визуально - методом сравнения с образцами-эталонами.
4.3. Определение твердости термически обработанных полотен кельм, лопаток и отрезовок - по ГОСТ 9013.
4.4. Влажность древесины ручек определяют по ГОСТ 16483.7 или при помощи влагомера.
4.5. Прочность соединения кронштейна с полотном (п. 2.7) проверяют на специальном приспособлении при помощи динамометра общего применения 2-го класса точности методом статического изгиба в течение 2 мин по схеме, указанной на чертеже.

4.6. Сопротивление прокручиванию ручки и прочность соединения ручки с кронштейном (п. 2.10) проверяют на специальных приспособлениях при помощи динамометра общего применения 2-го класса точности методом статической нагрузки в течение 2 мин. При проверке изделий на прочность соединения ручки с кронштейном нагрузка должна быть приложена вдоль оси ручки.
4.7. Определение качества сварных соединений - методом сравнения с образцом-эталоном.
4.8. Контроль металлических и окисных покрытий - по ГОСТ 9.302. Требования к внешнему виду лакокрасочного покрытия - по ГОСТ 22133.
5.1. На поверхности каждой кельмы, лопатки или отрезовки, за исключением рабочей поверхности, должны быть нанесены:
- товарный знак предприятия-изготовителя;
- тип или типоразмер изделия.
Примечание. Способ нанесения указанных маркировочных знаков должен обеспечивать их сохранность в течение всего срока службы кельм, лопаток или отрезовок.
5.2. Упаковка и транспортирование кельм, лопаток и отрезовок - по ГОСТ 18088.
Допускается другая упаковка, обеспечивающая сохранность кельм, лопаток и отрезовок от механических повреждений и воздействия влаги во время транспортирования и хранения.
5.3. Условия хранения кельм, лопаток и отрезовок - по группе условий хранения С ГОСТ 15150.
Полотно с кронштейном кельмы типа КБ
Исполнение 1
1 - полотно; 2 - кронштейн
Масса - не более 0,36 кг.
Черт. 1
Полотно с кронштейном цельнокованные кельмы тепа КБ
Исполнение 2

Черт. 2
____________
* Размеры для справок.
Полотно с кронштейном кельмы типа КБ
Исполнение 3

____________
* Размеры для справок.
1 - полотно; 2 - кронштейн
Масса - не более 0,31 кг.
Черт. 3
Полотно с кронштейном кельмы типа КП

____________
* Размеры для справок.
1 - полотно; 2 - кронштейн
Масса - не более 0,30 кг.
Черт. 4
Полотно с кронштейном цельнокованные кельмы типа КП

____________
* Размеры для справок.
Масса - не более 0,30 кг.
Черт. 5
Полотно с кронштейном кельмы типа КШ

____________
* Размеры для справок.
мм
|
Типоразмер кельмы |
L |
l |
Масса, кг, не более |
|
± 3 |
|||
|
КШ1 |
286 |
190 |
0,30 |
|
КШ2 |
271 |
175 |
0,27 |
Черт. 6
Полотно с кронштейном кельмы типа КО
Исполнение 1

1 - полотно; 2 - кронштейн
Масса - не более 0,27 кг.
Черт. 7
Полотно с кронштейном цельнокованные кельмы типа КО
Исполнение 2

Масса - не более 0,27 кг.
Черт. 8
Полотно с кронштейном кельмы типа ЛП

1 - полотно; 2 - кронштейн
Масса - не более 0,30 кг.
Черт. 9
Полотно с кронштейном лопатки типа ЛК

____________
* Размеры для справок.
1 - полотно; 2 - кронштейн
Масса - не более 0,26 кг.
Черт. 10
Полотно с кронштейном отрезовки типа ОШ

1 - полотно; 2 - кронштейн
Масса - не более 0,09 кг.
Черт. 11
Ручка для кельм типов КБ и КТТ

Масса - не более 0,045 кг.
Черт. 12
Грибок для кельм типов КБ и КП

Масса - не более 0,015 кг.
Черт. 13
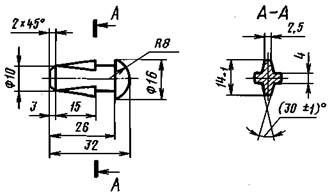
Ручка для кельм типов КШ, КО и лопаток типов ЛК и ЛП

Масса - не более 0,05 кг.
Черт. 14
Колпачок для кельм и лопаток

Масса - не более 0,016 кг.
Черт. 15
Ручка для отрезовки

Масса - не более 0,023 кг.
Черт. 16
Колпачок для отрезовки
Масса - не более 0,012 кг.
Черт. 17
ИНФОРМАЦИОННЫЕ ДАННЫЕ
1. РАЗРАБОТАН И ВНЕСЕН Министерством строительного, дорожного и коммунального машиностроения
РАЗРАБОТЧИКИ
А.И. Полунин (руководитель темы), Э.В. Зайцева, Н.И. Федоров
2. УТВЕРЖДЕН И ВВЕДЕН В ДЕЙСТВИЕ Постановлением Государственного комитета СССР по делам строительства от 18.12.80 № 197
3. ВЗАМЕН ГОСТ 9533-71
4. ССЫЛОЧНЫЕ НОРМАТИВНО-ТЕХНИЧЕСКИЕ ДОКУМЕНТЫ
|
Обозначение НТД, на который дана ссылка |
Номер пункта |
Обозначение НТД, на который дана ссылка |
Номер пункта |
5. ПЕРЕИЗДАНИЕ
СОДЕРЖАНИЕ