Скачать Серия 1.141-1 Выпуск 60. Панели с круглыми пустотами длиной 4180, 3580, 2980, 2680 и 2380 мм, шириной 1790, 1490, 1190 и 990 мм, армированные стержнями из стали класса А-III и Вр-I. Рабочие чертежиДата актуализации: 01.01.2021
|
| Обозначение: | Серия 1.141-1 |
| Обозначение англ: | Series 1.141-1 |
| Статус: | действует |
| Название рус.: | Выпуск 60. Панели с круглыми пустотами длиной 4180, 3580, 2980, 2680 и 2380 мм, шириной 1790, 1490, 1190 и 990 мм, армированные стержнями из стали класса А-III и Вр-I. Рабочие чертежи |
| Дата добавления в базу: | 01.09.2013 |
| Дата актуализации: | 01.01.2021 |
| Дата введения: | 04.02.1983 |
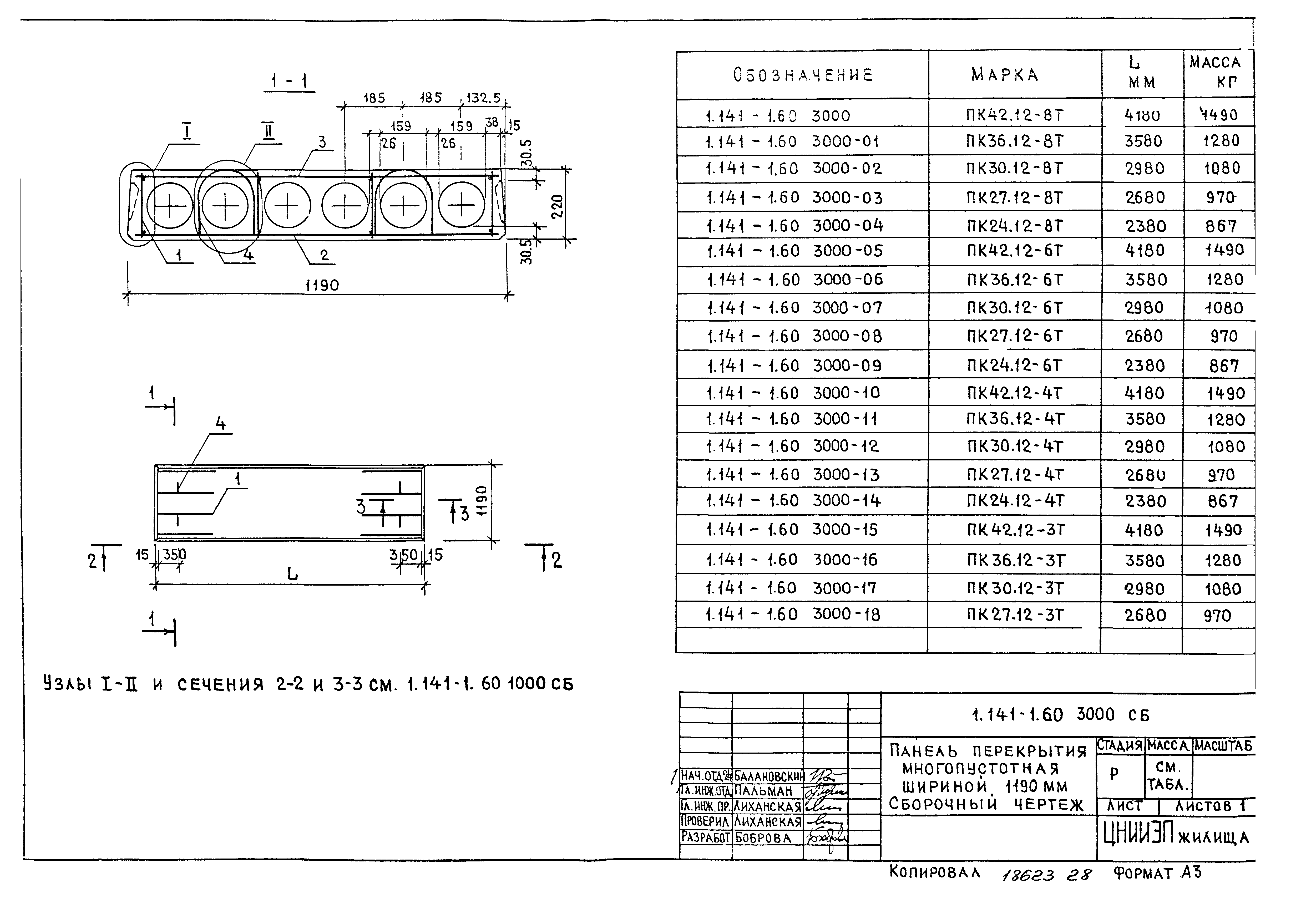
| Оглавление: | 1.141-1.60 0000 ТО Техническое описание 1.141-1.60 1000 Панель перекрытия многопустотная шириной 1790 мм 1.141-1.60 1000 СБ Панель перекрытия многопустотная шириной 1790 мм. Сборочный чертеж 1.141-1.60 2000 Панель перекрытия многопустотная шириной 1490 мм 1.141-1.60 2000 СБ Панель перекрытия многопустотная шириной 1490 мм. Сборочный чертеж 1.141-1.60 3000 Панель перекрытия многопустотная шириной 1190 мм 1.141-1.60 3000 СБ Панель перекрытия многопустотная шириной 1190 мм. Сборочный чертеж 1.141-1.60 4000 Панель перекрытия многопустотная шириной 990 мм 1.141-1.60 4000 СБ Панель перекрытия многопустотная шириной 990 мм. Сборочный чертеж 1.141-1.60 1100 Каркас плоский КР (КР1 - КР4) 1.141-1.60 1100 СБ Каркас плоский КР (КР1 - КР4). Сборочный чертеж 1.141-1.60 1200 Сетка С (С1 - С13) 1.141-1.60 1200 СБ Сетка С (С1 - С13). Сборочный чертеж 1.141-1.60 1300 Сетка С (С14 - С33) 1.141-1.60 1300 СБ Сетка С (С14 - С33). Сборочный чертеж 1.141-1.60 1400 Сетка С (С34 - С58) 1.141-1.60 1400 СБ Сетка С (С34 - С58). Сборочный чертеж 1.141-1.60 1500 Сетка С (С59 - С75) 1.141-1.60 1500 СБ Сетка С (С59 - С75). Сборочный чертеж 1.141-1.60 1600 Сетка С (С76 - С95) 1.141-1.60 1600 СБ Сетка С (С76 - С95). Сборочный чертеж 1.141-1.60 1001 Петля П1 1.141-1.60 0000 ВМС Ведомость расхода стали |
| Разработан: | НИИЖБ Госстроя СССР ЦНИИЭП жилища |
| Утверждён: | 04.02.1983 Госгражданстрой (Gosgrazhdanstroy 45) |
| Заменяет собой: |
|
| Нормативные ссылки: |
|



















































