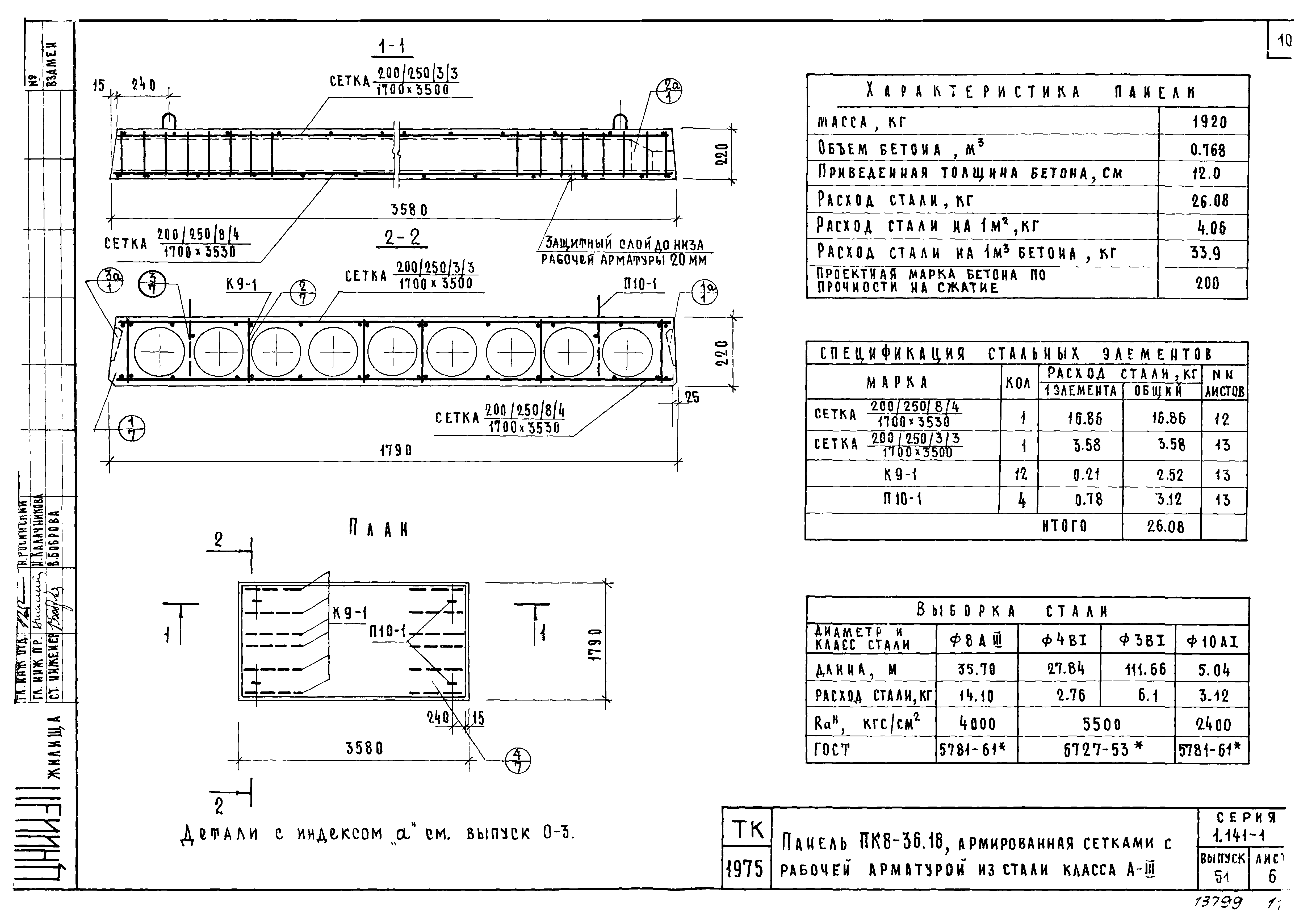
Скачать Серия 1.141-1 Выпуск 51. Панели с круглыми пустотами длиной 388 и 358 см, шириной 179 см, армированные сетками с рабочей арматурой из стали класса А-IIIДата актуализации: 01.01.2021 Серия 1.141-1
Выпуск 51. Панели с круглыми пустотами длиной 388 и 358 см, шириной 179 см, армированные сетками с рабочей арматурой из стали класса А-III| Обозначение: | Серия 1.141-1 | | Обозначение англ: | Series 1.141-1 | | Статус: | не действует | | Название рус.: | Выпуск 51. Панели с круглыми пустотами длиной 388 и 358 см, шириной 179 см, армированные сетками с рабочей арматурой из стали класса А-III | | Дата добавления в базу: | 01.09.2013 | | Дата актуализации: | 01.01.2021 | | Дата введения: | 01.07.1976 | | Дата окончания срока действия: | 01.05.1983 | | Разработан: | НИИЖБ Госстроя СССР ЦНИИЭП жилища
| | Утверждён: | 16.06.1976 Госгражданстрой (Gosgrazhdanstroy 139)
|
                 
|