Скачать Серия 1.011.1-10 Выпуск 8. Сваи составные сплошного квадратного сечения с ненапрягаемой арматурой. Рабочие чертежиДата актуализации: 01.01.2021
|
| Обозначение: | Серия 1.011.1-10 |
| Обозначение англ: | Series 1.011.1-10 |
| Статус: | не определен законодательством |
| Название рус.: | Выпуск 8. Сваи составные сплошного квадратного сечения с ненапрягаемой арматурой. Рабочие чертежи |
| Дата добавления в базу: | 01.09.2013 |
| Дата актуализации: | 01.01.2021 |
| Дата введения: | 01.03.1990 |
| Дата окончания срока действия: | 30.06.2003 |
| Область применения: | Настоящий выпуск содержит рабочие чертежи забивных железобетонных составных свай сплошного квадратного сечения с ненапрягаемой арматурой со стаканным и сварным стыками, предназначенных для свайных фундаментов зданий и сооружений |
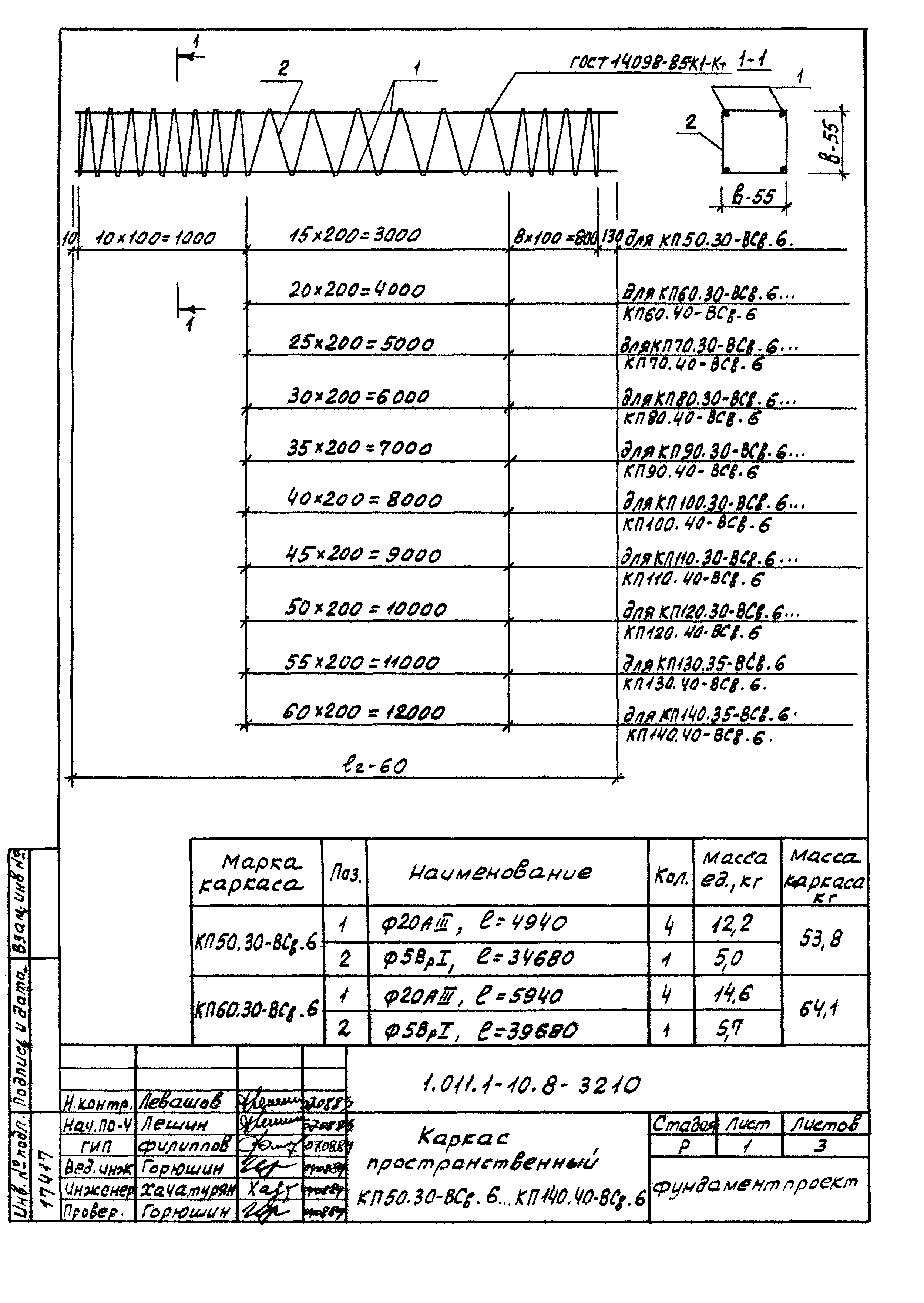
| Оглавление: | 1.011.1-10.8-ПЗ Пояснительная записка 1.011.1-10.8-1000 НИ Свая составная С140.30 - С… С280.40 - С 1.011.1-10.8-2000 НИ Свая составная С140.30 - Св… С280.40 - Св 1.011.1-10.8-3000 НИ Свая составная С140.30 - Св.ВП… С280.40 - Св.ВП 1.011.1-10.8-1100 Секция нижняя С80.30 - НС.1… С140.40 - НС.5 1.011.1-10.8-1110 Каркас пространственный КП80.30 - НС.1… КП140.40 - НС.5 1.011.1-10.8-1120 Каркас пространственный КПо1… КПо3 1.011.1-10.8-1102 Петля П1… П9 1.011.1-10.8-1130 Изделие закладное МН1… МН3 1.011.1-10.8-1131 Каркас пространственный КПс1… КПс3 1.011.1-10.8-1132 Стакан Ст… Ст3 1.011.1-10.8-1200 Секция верхняя С50.30 - ВС.1… С140.40 - ВС.5 1.011.1-10.8-1201 Спираль СПг1… СПг3 1.011.1-10.8-1210 Каркас пространственный КП50.30 - ВС.1… КП120.30 - ВС.3 1.011.1-10.8-1220 Каркас пространственный КП60.35 - ВС.2… КП140.35 - ВС.4 1.011.1-10.8-1230 Каркас пространственный КП60.40 - ВС.2… КП140.40 - ВС.5 1.011.1-10.8-1240 Каркас пространственный КПн1… КПн10 1.011.1-10.8-2100 Секция нижняя С80.30 - НСв.1… С140.40 - НСв.5 1.011.1-10.8-2110 Каркас пространственный КП80.30 - НС.в1… КП140.40 - НСв.5 1.011.1-10.8-2001 Изделие закладное МН4… МН8 1.011.1-10.8-2002 Накладная Н1… Н5. Прокладка ПС 1.011.1-10.8-2200 Секция верхняя С50.30 - ВСв.1… С140.40 - ВСв.5 1.011.1-10.8-2210 Каркас пространственный КП50.30 - ВСв.1… КП140.40 - ВСв.5 1.011.1-10.8-3100 Секция нижняя С80.30 - НСв.6… С140.40 - НСв.6 1.011.1-10.8-3110 Каркас пространственный КП80.30 - НСв.6… КП140.40 - НСв.6 1.011.1-10.8-3200 Секция верхняя С50.30 - ВСв.6… С140.40 - ВСв.6 1.011.1-10.8-3210 Каркас пространственный КП50.30 - ВСв.6… КП140.40 - ВСв.6 1.011.1-10.8-РС Ведомость расхода стали, кг 1.011.1-10.8-Петля П1… П9. Варианты |
| Разработан: | ВНИИОСП им. Н.М. Герсеванова Фундаментпроект НИИЖБА |
| Утверждён: | 23.02.1989 Госстрой СССР (Государственный комитет Совета Министров СССР по делам строительства) (USSR Gosstroy ) |
| Издан: | ЦИТП Госстроя СССР (CITP, Gosstroy (USSR) 1989 г. ) |
| Нормативные ссылки: |
|











































































































