Скачать Серия 1.432.1-33.93 Выпуск 0-1. Материалы для проектирования стен. Монтажные узлы и соединительные изделия. Рабочие чертежи

Дата актуализации: 01.01.2021

Серия 1.432.1-33.93

Выпуск 0-1. Материалы для проектирования стен. Монтажные узлы и соединительные изделия. Рабочие чертежи

Обозначение: Серия 1.432.1-33.93
Обозначение англ: Series 1.432.1-33.93
Статус:не определен законодательством
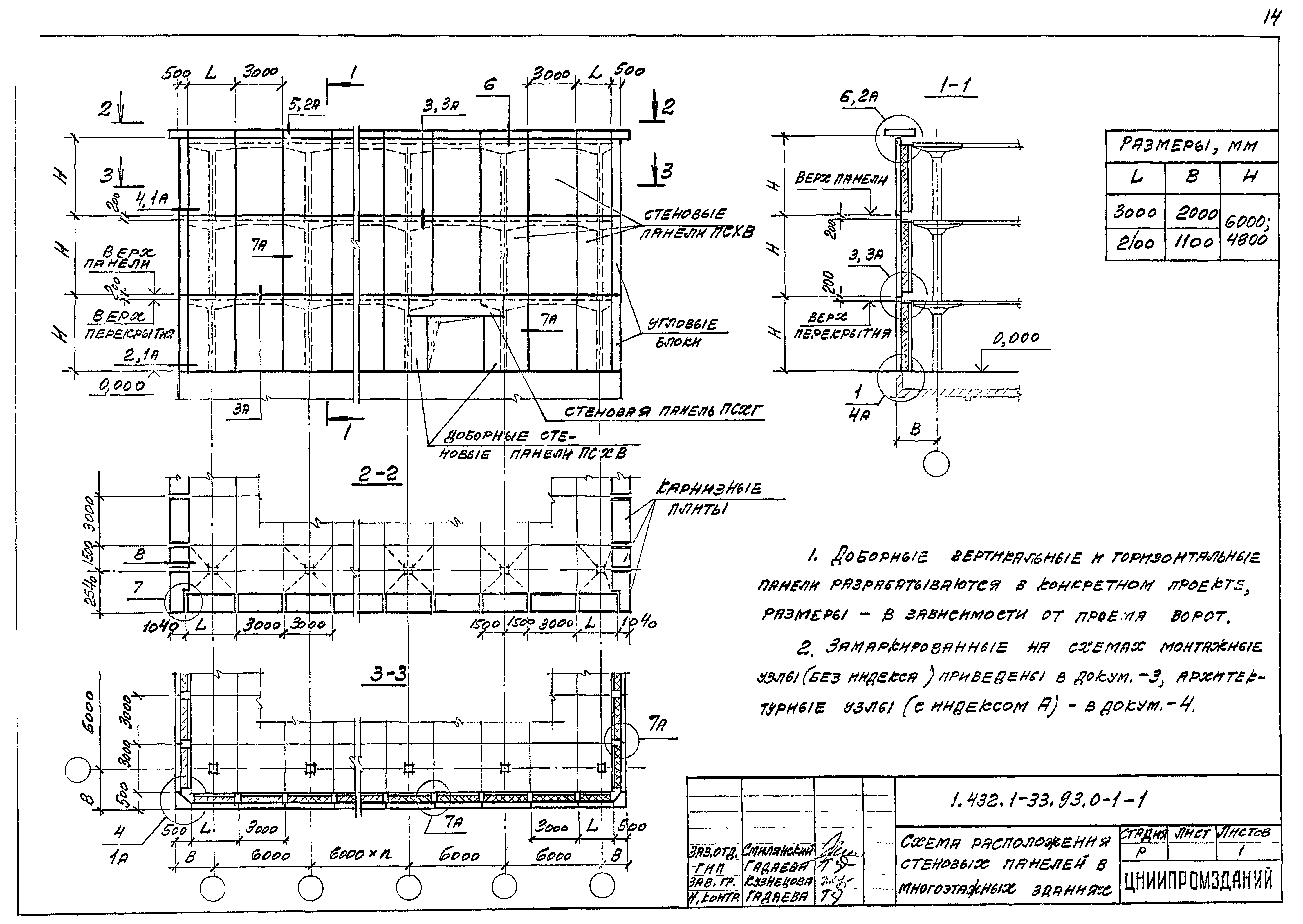
Название рус.:Выпуск 0-1. Материалы для проектирования стен. Монтажные узлы и соединительные изделия. Рабочие чертежи
Дата добавления в базу:01.09.2013
Дата актуализации:01.01.2021
Дата введения:01.05.1994
Дата окончания срока действия:30.06.2003
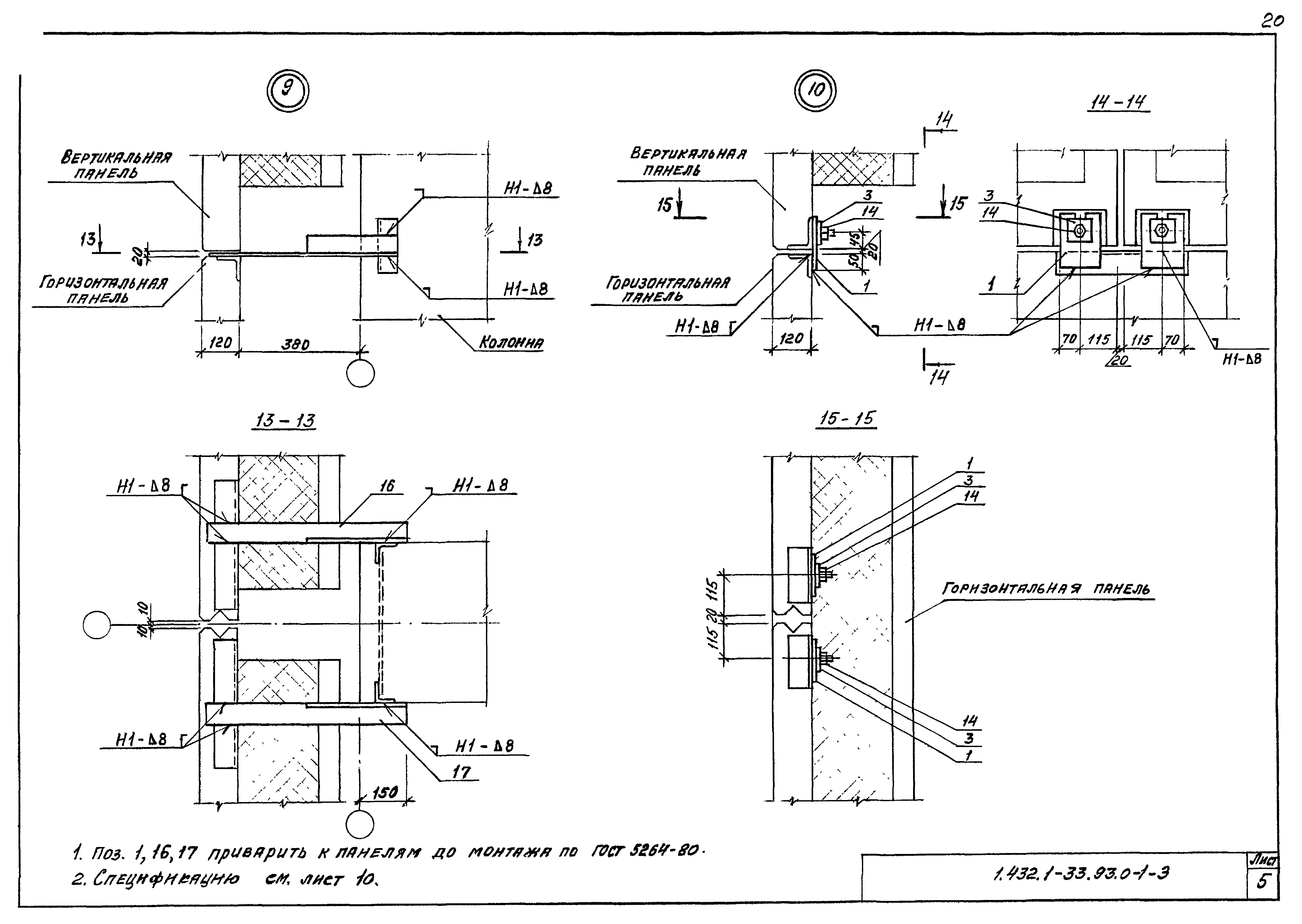
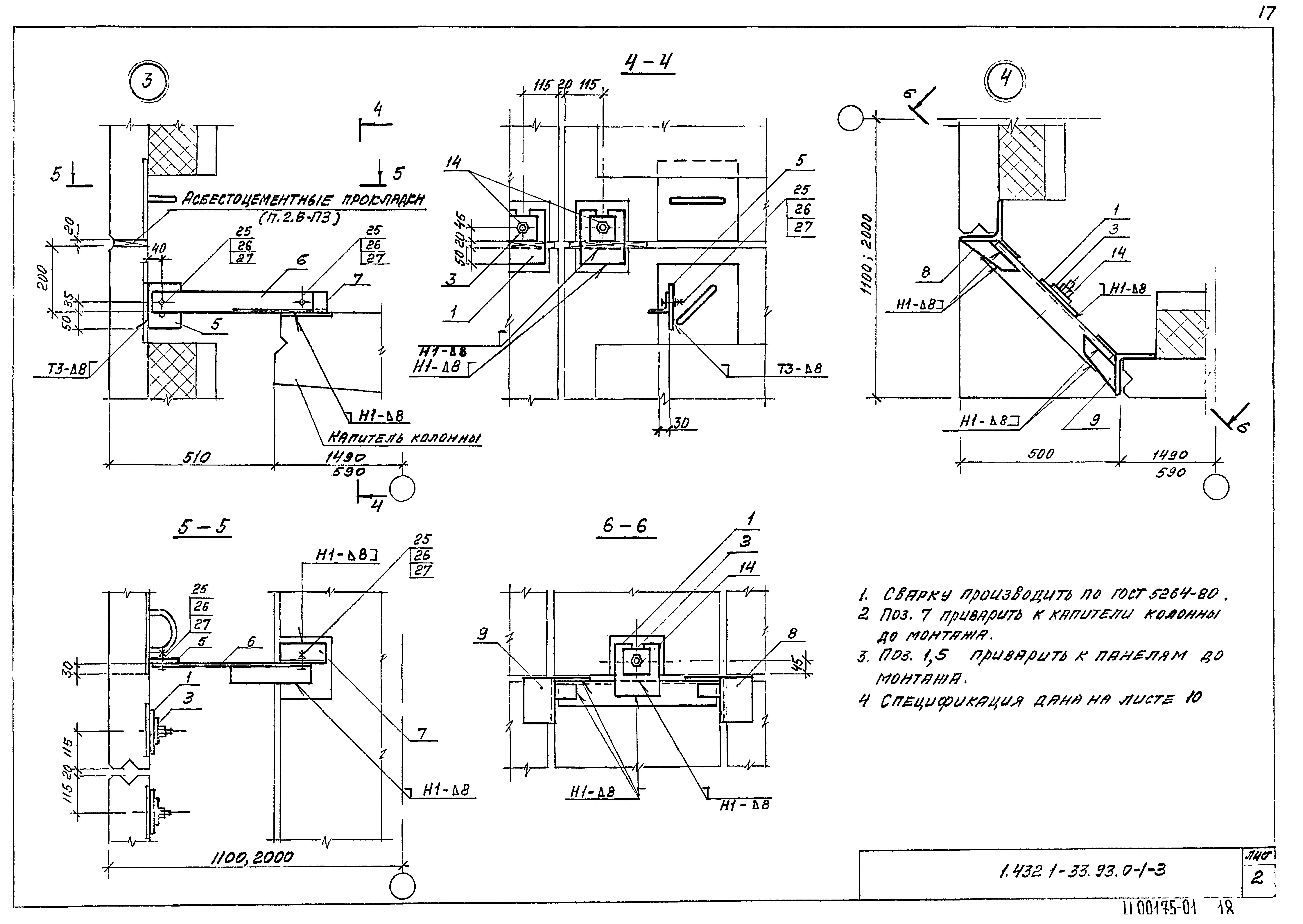
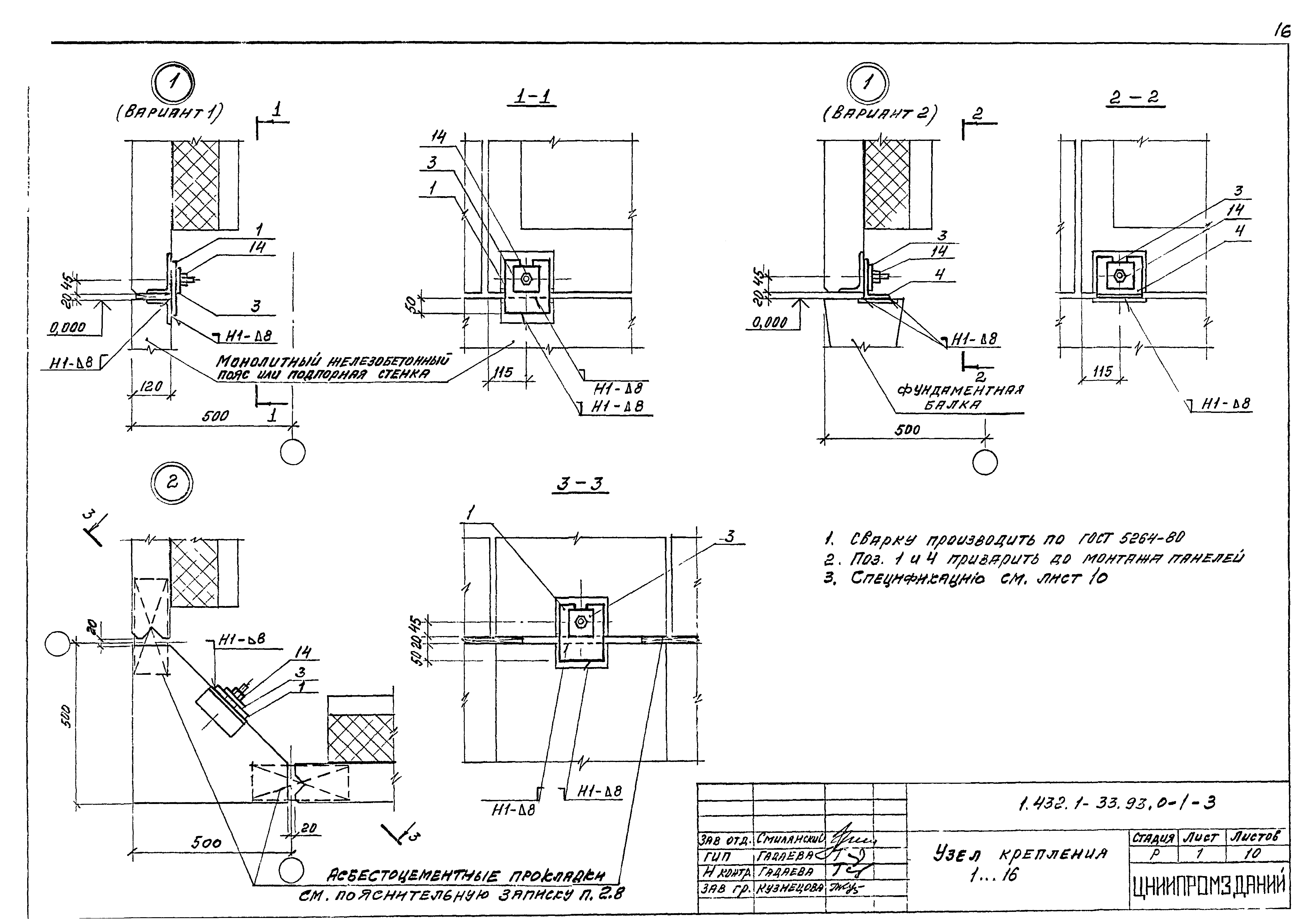
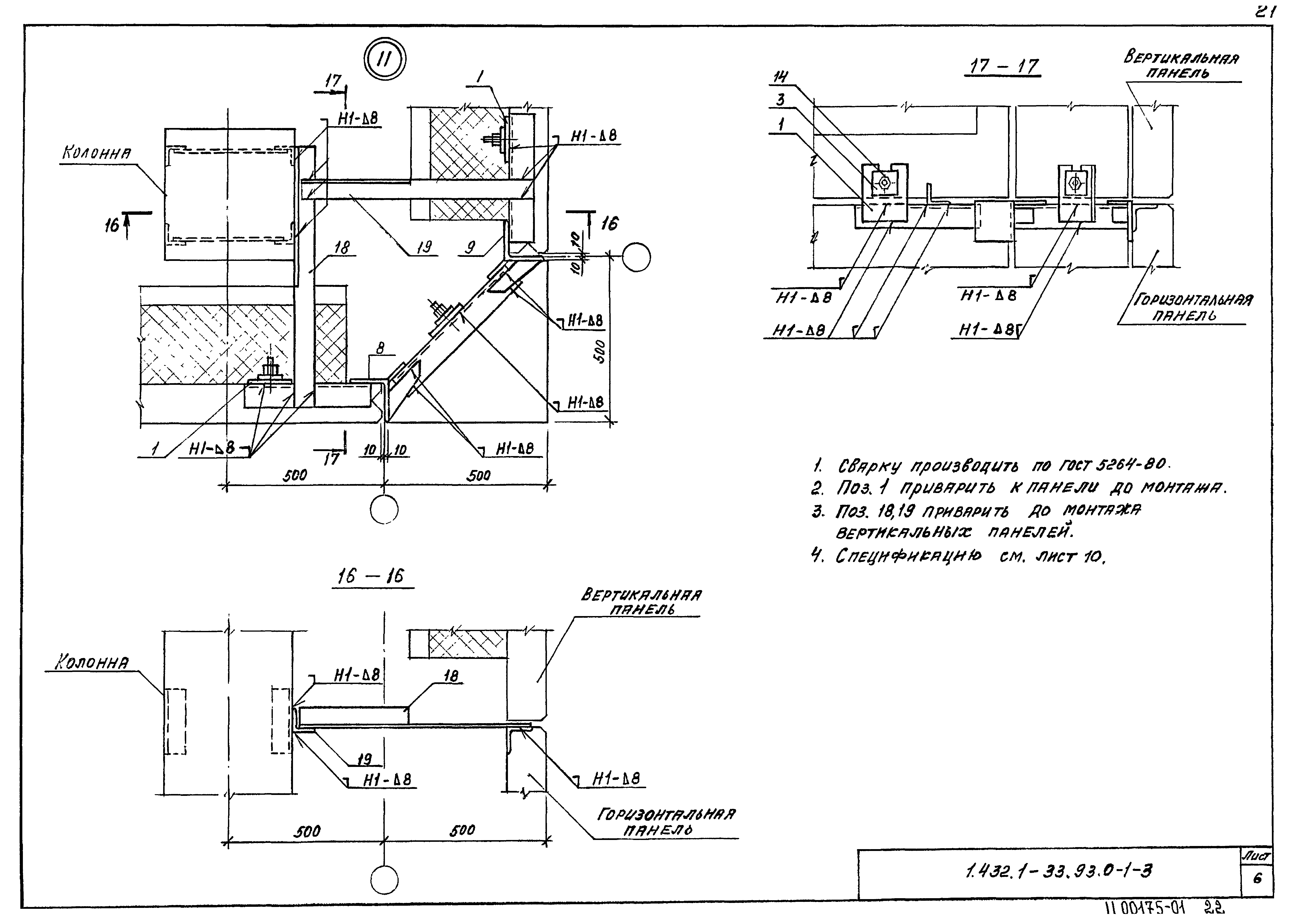
Область применения:Конструкции стен разработаны для одно- и многоэтажных зданий холодильников с внутренними температурами от минус 30 градусов Цельсия до плюс 12 градусов Цельсия для применения на всей территории страны, кроме районов с расчетной сейсмичностью выше 6 баллов и районов с нормативным ветровым давлением (с учетом высоты здания) более 0,9 кПа (90 кгс/кв. м)
Разработан: ЦНИИпромзданий
Утверждён:06.12.1993 Госстрой СССР (Государственный комитет Совета Министров СССР по делам строительства) (USSR Gosstroy 9-3-2/261)
Нормативные ссылки:
Серия 1.432.1-33.93Серия 1.432.1-33.93Серия 1.432.1-33.93Серия 1.432.1-33.93Серия 1.432.1-33.93Серия 1.432.1-33.93Серия 1.432.1-33.93Серия 1.432.1-33.93Серия 1.432.1-33.93Серия 1.432.1-33.93Серия 1.432.1-33.93Серия 1.432.1-33.93Серия 1.432.1-33.93Серия 1.432.1-33.93Серия 1.432.1-33.93Серия 1.432.1-33.93Серия 1.432.1-33.93Серия 1.432.1-33.93Серия 1.432.1-33.93Серия 1.432.1-33.93Серия 1.432.1-33.93Серия 1.432.1-33.93Серия 1.432.1-33.93Серия 1.432.1-33.93Серия 1.432.1-33.93Серия 1.432.1-33.93Серия 1.432.1-33.93Серия 1.432.1-33.93Серия 1.432.1-33.93Серия 1.432.1-33.93Серия 1.432.1-33.93Серия 1.432.1-33.93Серия 1.432.1-33.93Серия 1.432.1-33.93Серия 1.432.1-33.93