Скачать Серия 1.432.2-24 Выпуск 3. Узлы. Рабочие чертежиДата актуализации: 01.01.2021
|
| Обозначение: | Серия 1.432.2-24 |
| Обозначение англ: | Series 1.432.2-24 |
| Статус: | не определен законодательством |
| Название рус.: | Выпуск 3. Узлы. Рабочие чертежи |
| Дата добавления в базу: | 01.09.2013 |
| Дата актуализации: | 01.01.2021 |
| Дата введения: | 01.11.1991 |
| Дата окончания срока действия: | 30.06.2003 |
| Область применения: | Настоящий выпуск содержит монтажные узлы установки фахверка и стеновых панелей для глухих участков стен |
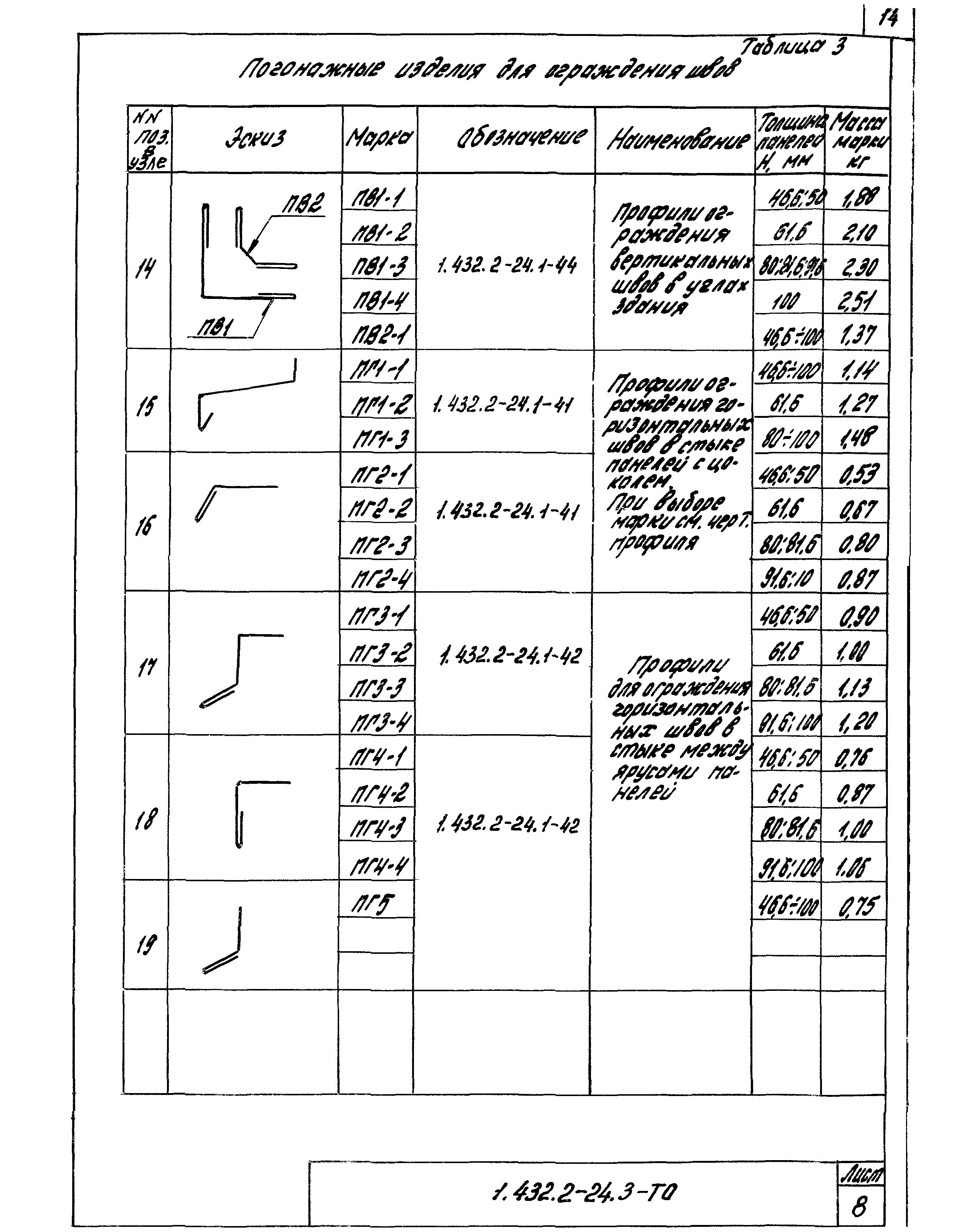
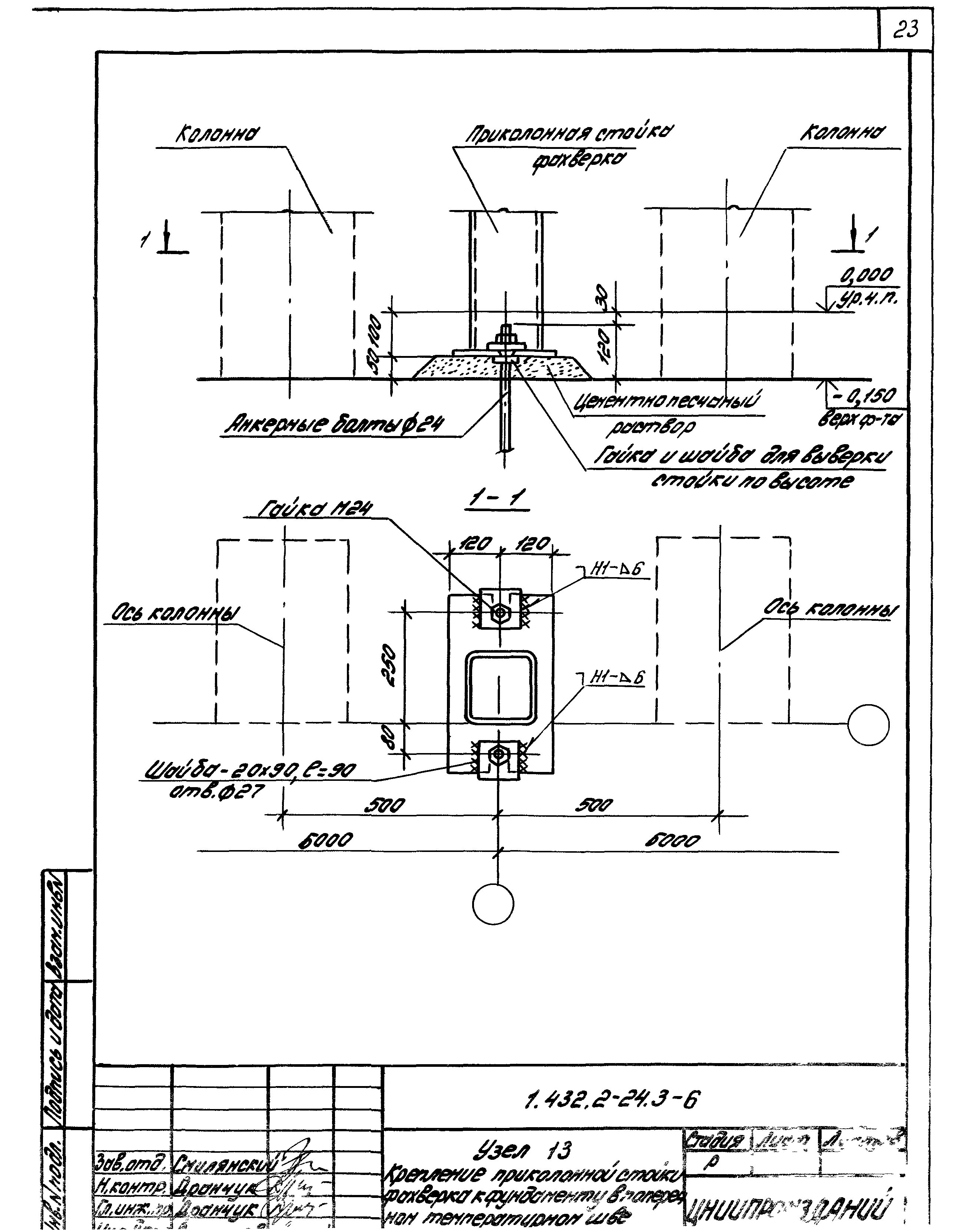
| Оглавление: | 1.432.2-24.3-ТО Техническое описание 1.432.2-24.3-1 Узлы 1, 2, 3. Крепление опорных консолей к приколонной угловой стойке 1.432.2-24.3-2 Узлы 4, 5, 6. Крепление опорных консолей к колоннам и стойкам фахверка двухтаврового сечения 1.432.2-24.3-3 Узлы 7, 8, 9. Крепление опорных консолей к колонне с ветвью двухтаврового сечения 1.432.2-24.3-4 Узлы 10, 11. Крепление опорных консолей к приколонным стойкам фахверка в продольном температурном шве 1.432.2-24.3-5 Узел 12. Крепление приколонной угловой стойки фахверка к фундаменту 1.432.2-24.3-6 Узел 13. Крепление приколонной стойки фахверка к фундаменту в поперечном температурном шве 1.432.2-24.3-7 Узел 14. Крепление приколонной стойки к фундаменту у торцовой колонны среднего ряда 1.432.2-24.3-8 Узел 15. Крепление приклонных стоек фахверка к фундаменту в продольном температурном шве 1.432.2-24.3-9 Узел 16. Укрупнительный монтажный стык составных приклонных стоек фахверка 1.432.2-24.3-10 Узел 17. Крепление цокольных ригелей к легкобетонных панелям 1.432.2-24.3-11 Узел 18. Установка рядовых ригелей в углах здания при нулевой привязке стен 1.432.2-24.3-12 Узел 19. Установка рядовых ригелей в углах здания при привязка продольных стен 250 мм 1.432.2-24.3-13 Узел 20. Установка и крепление стыков ригелей в углах здания 1.432.2-24.3-14 Узел 21. Установка и крепление опорных ригелей в углах здания 1.432.2-24.3-15 Узел 22. Установка и крепление опорных ригелей у рядовых осей 1.432.2-24.3-16 Узел 23. Установка и крепление рядовых и надоконных ригелей к приколонной стойке 1.432.2-24.3-17 Узел 24. Установка и крепление подоконных ригелей 1.432.2-24.3-18 Узел 25. Установка и крепление стыковых и надоконных ригелей 1.432.2-24.3-19 Узел 26. Установка и крепление рядовых ригелей 1.432.2-24.3-20 Узел 27. Установка и крепление ригелей в поперечном температурном шве 1.432.2-24.3-21 Узел 28. Установка ригелей в продольном температурном шве 1.432.2-24.3-22 Узел 29. Установка стыков ригелей РСЗ 1.432.2-24.3-23 Узел 30. Крепление панелей к цоколю на глухом участке стены 1.432.2-24.3-24 Узел 31. Крепление панелей к цоколю в простенках между окнами 1.432.2-24.3-25 Узел 32. Крепление панелей к цоколю в простенках примыкающих к дверям и воротам 1.432.2-24.3-26 Узел 33. Крепление панелей к стыковом ригелю РС1 1.432.2-24.3-27 Узел 34. Крепление панелей к ригелям 1.432.2-24.3-28 Узел 35. Крепление панелей в углах здания с нулевой привязкой стен 1.432.2-24.3-29 Узел 36. Крепление панелей в углах здания с привязкой продольных стен 250 мм 1.432.2-24.3-30 Узел 37. Уплотнение стыков между панелями Н1 ПТС 1.432.2-24.3-31 Узел 38. Уплотнение стыков между панелями Н2 ПТС 1.432.2-24.3-32 Узел 39. Уплотнение стыков между панелями С3 ПТС 1.432.2-24.3-33 Узел 40. Уплотнение стыков между панелями С4 ПТС 1.432.2-24.3-34 Узел 41. Уплотнение стыков между панелями С5 ПТС 1.432.2-24.3-35 Узел 42. Уплотнение стыков между панелями С5а ПТС 1.432.2-24.3-36 Узел 43. Сопряжение продольной стены с покрытием 1.432.2-24.3-37 Узел 44. Крепление панелей к опорному ригелю в стенах зданий для районов с сейсмичностью 7… 9 баллов 1.432.2-24.3-38 Узел 45. Крепление панелей к рядовому ригелю в стенах зданий для районов с сейсмичностью 7… 9 баллов 1.432.2-24.3-39 Узел 46. Крепление панелей к цоколю в стенах зданий для районов с сейсмичностью 7… 9 баллов 1.432.2-24.3-40 Узел 47. Крепление панелей к ригелю в простенках между окнами в стенах зданий для районов с сейсмичностью 7… 9 баллов 1.432.2-24.3-41 Узел 48. Крепление панелей к стыковому ригелю на глухом участке стены здания для районов с сейсмичностью 7… 9 баллов 1.432.2-24.3-42 Узел 49. Крепление панелей к ригелю в простенке неподвижного яруса стены в уровне горизонтального антисейсмического шва 1.432.2-24.3-43 Узел 50. Сопряжение верха окна с одинарным переплетом со стеной в уровне горизонтального антисейсмического шва 1.432.2-24.3-44 Узел 51. Сопряжение низа окна с одинарным переплетом со стеной в зданиях для районов с сейсмичностью 7… 9 баллов 1.432.2-24.3-45 Узел 52. Крепление панелей к стыковому ригелю в стенах здания для районов с сейсмичностью 7… 9 баллов 1.432.2-24.3-46 Узел 53. Сопряжение верха деревянной двери со стеной в уровне горизонтального антисейсмического шва 1.432.2-24.3-47 Узел 54. Расположение горизонтального антисейсмического шва над распашными воротами по серии 1.435.2-28 1.432.2-24.3-48 Узел 55. Расположение горизонтального антисейсмического шва над подъемно-складчатыми воротами 1.432.2-24.3-49 Узел 56. Устройство вертикального антисейсмического шва в углах здания при нулевой привязке стен 1.432.2-24.3-50 Узел 57. Устройство вертикального антисейсмического шва в углах здания при нулевой привязке продольных стен 250 мм 1.432.2-24.3-51 Узел 58. Устройство вертикального температурного шва 1.432.2-24.3-52 Узел 59. Устройство вертикального антисейсмического шва 1.432.2-24.3-53 Узел 60. Крепление изделия МС1 к панелям для их подвески к опорным ригелям |
| Разработан: | ЦНИИпромзданий |
| Утверждён: | 10.12.1990 Госстрой СССР (Государственный комитет Совета Министров СССР по делам строительства) (USSR Gosstroy 5/6-938) |
| Издан: | ЦИТП Госстроя СССР (CITP, Gosstroy (USSR) 1991 г. ) |
| Заменяет собой: |
|
| Нормативные ссылки: |
|











































































