Скачать ГОСТ 14624-84 Двери деревянные для производственных зданий. Типы, конструкция и размеры

Дата актуализации: 01.01.2021

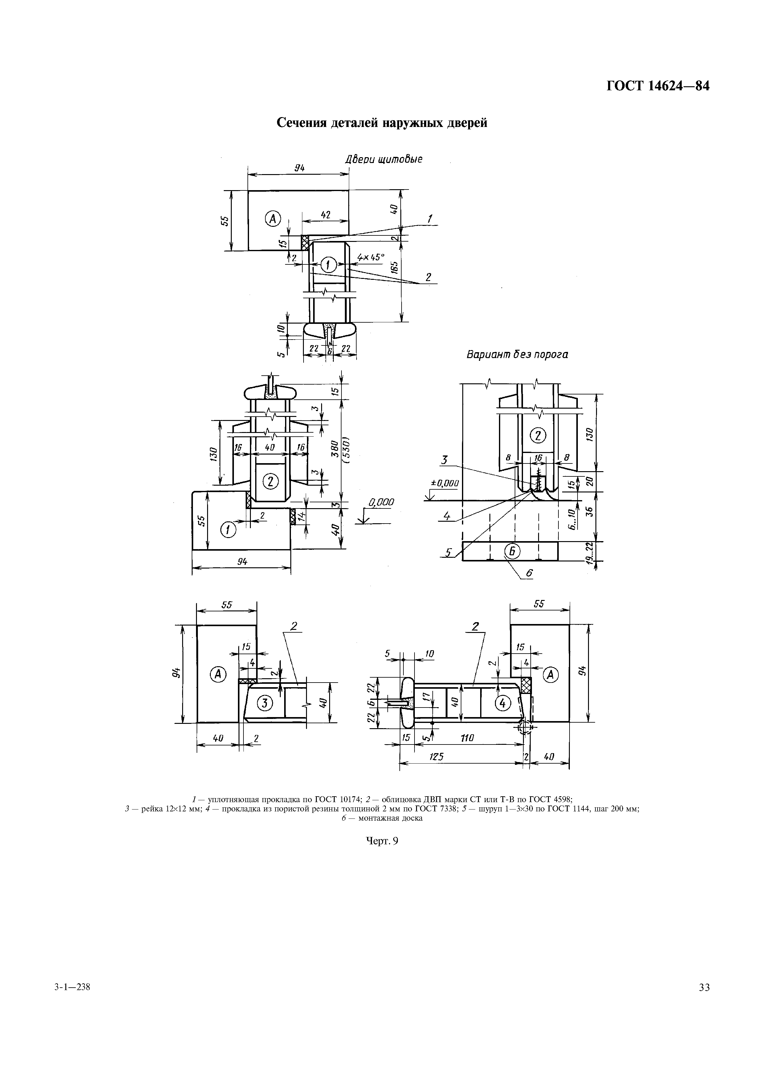
ГОСТ 14624-84

Двери деревянные для производственных зданий. Типы, конструкция и размеры

Обозначение: ГОСТ 14624-84
Обозначение англ: GOST 14624-84
Статус:заменен
Название рус.:Двери деревянные для производственных зданий. Типы, конструкция и размеры
Название англ.:Wooden doors for industrial buildings. Types, structure and dimensions
Дата добавления в базу:01.09.2013
Дата актуализации:01.01.2021
Дата введения:01.07.1985
Дата окончания срока действия:01.07.2017
Область применения:Стандарт распространяется на деревянные внутренние и наружные двери для производственных зданий промышленных и сельскохозяйственных предприятий. Стандарт не распространяется на двери специального исполнения (трудносгораемые, несгораемые, звукоизоляционные).
Оглавление:1 Типы и размеры
2 Требования к конструкции
Приложение 1 (справочное) Размеры дверных проемов в стенах
Приложение 2 (обязательное) Расположение приборов
Разработан: ЦНИИпромзданий
Утверждён:13.03.1984 Государственный комитет СССР по делам строительства (22)
Издан: Издательство стандартов (1991 г. )
Издательство стандартов (1984 г. )
ИПК Издательство стандартов (2002 г. )
Список изменений:
Заменяет собой:
Нормативные ссылки:
ГОСТ 14624-84ГОСТ 14624-84ГОСТ 14624-84ГОСТ 14624-84ГОСТ 14624-84ГОСТ 14624-84ГОСТ 14624-84ГОСТ 14624-84ГОСТ 14624-84ГОСТ 14624-84ГОСТ 14624-84ГОСТ 14624-84

Текстовое изменение поправка

поправка

Текстовое изменение поправка

поправка