Скачать Серия 1.232.5-9 Выпуск 3. Карты технического уровня и качества продукцииДата актуализации: 01.01.2021
|
| Обозначение: | Серия 1.232.5-9 |
| Обозначение англ: | Series 1.232.5-9 |
| Статус: | не действует |
| Название рус.: | Выпуск 3. Карты технического уровня и качества продукции |
| Дата добавления в базу: | 01.09.2013 |
| Дата актуализации: | 01.01.2021 |
| Дата введения: | 01.02.1987 |
| Дата окончания срока действия: | 01.05.1999 |
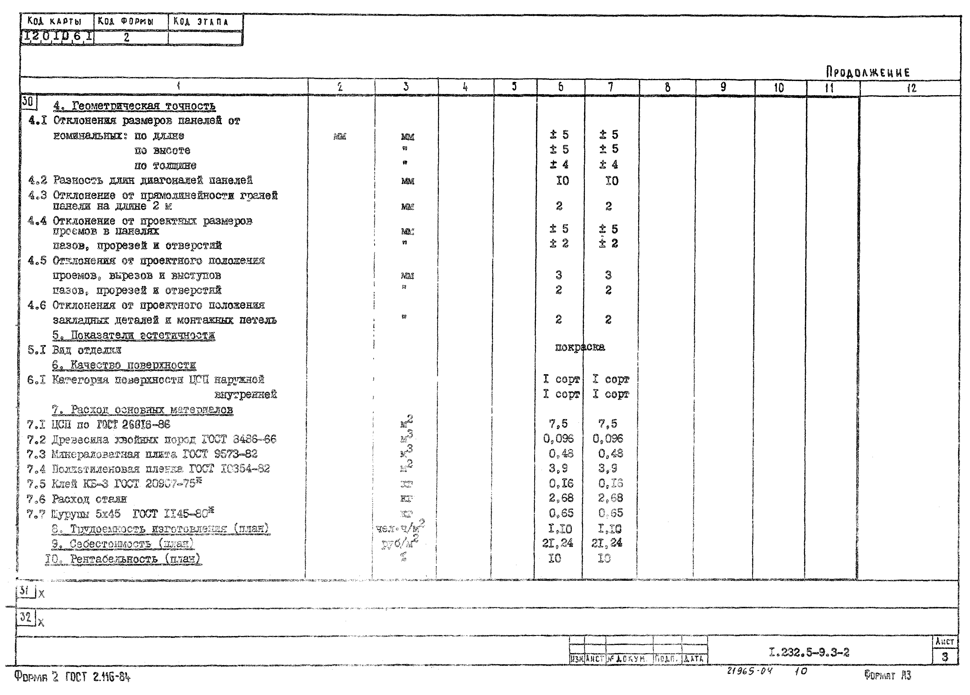
| Область применения: | В настоящем выпуске содержатся "Карты технического уровня и качества продукции" наружных стеновых панелей из цементностружечных плит для общественных зданий марок ПРI-12.33.12 и ПРI-12.33.17 по серии 1.232.5-9 |
| Оглавление: | 1.232.5-9.3-0 ПЗ Пояснительная записка 1.232.5-9.3-1 Карта технического уровня и качества продукции. Панель ПР1-12.33.12 1.232.5-9.3-2 Карта технического уровня и качества продукции. Панель ПР1-12.33.17 |
| Разработан: | ЦНИИЭП торгово-бытовых зданий и туристских комплексов |
| Утверждён: | 29.12.1986 Государственный комитет по гражданскому строительству и архитектуре при Госстрое СССР (457) |
| Нормативные ссылки: |
|









