Скачать Серия 1.432-5 Выпуск 0. Материалы для проектирования

Дата актуализации: 01.01.2021

Серия 1.432-5

Выпуск 0. Материалы для проектирования

Обозначение: Серия 1.432-5
Обозначение англ: Series 1.432-5
Статус: заменен
Название рус.: Выпуск 0. Материалы для проектирования
Дата добавления в базу: 01.09.2013
Дата актуализации: 01.01.2021
Дата введения: 01.01.1973
Дата окончания срока действия: 01.12.1979
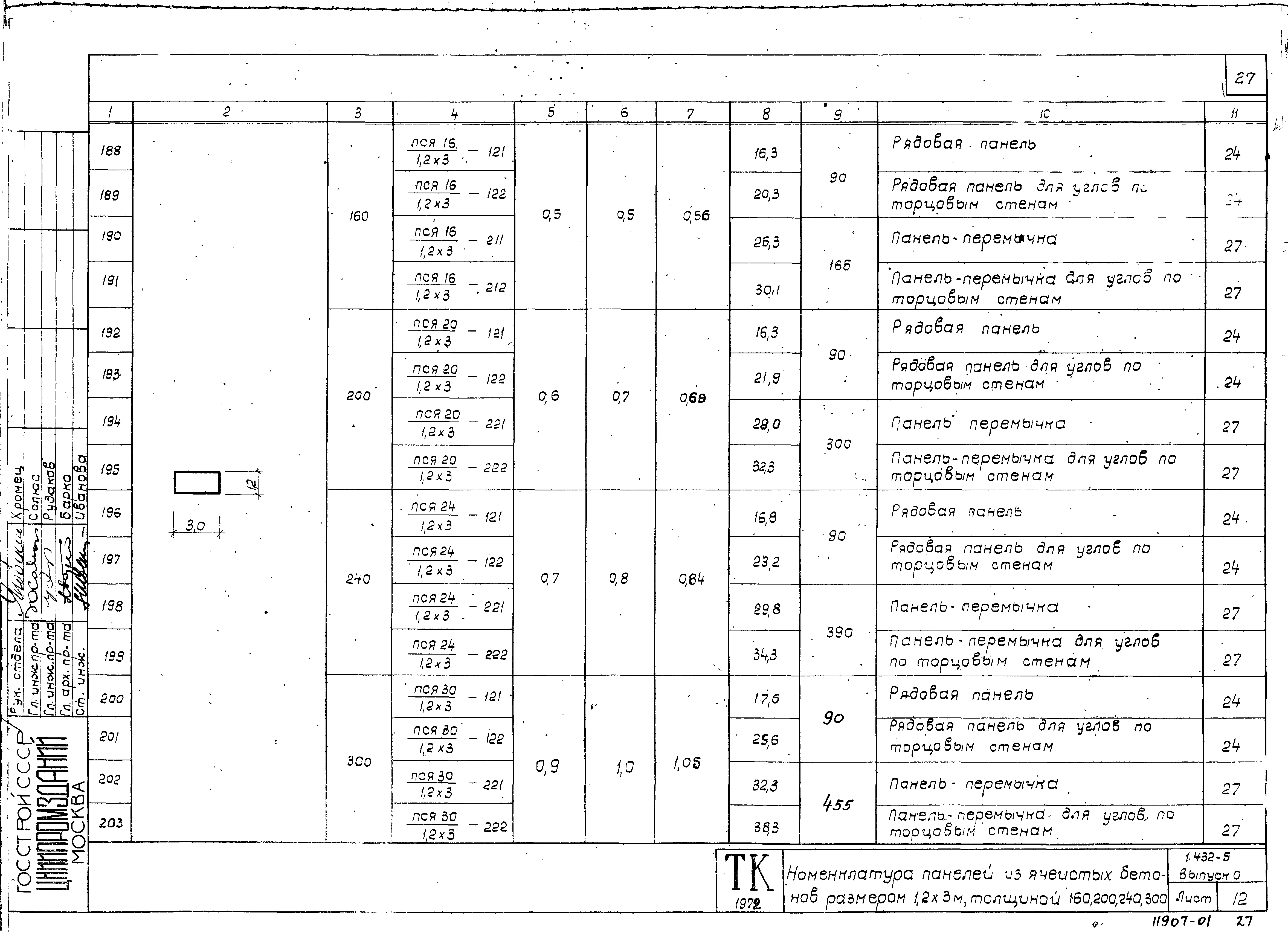
Область применения: В настоящей серии даны рабочие чертежи стеновых панелей длиной 6 м для одноэтажных и многоэтажных производственных зданий
Разработан: ЦНИИпромзданий
Ленинградский Промстройпроект
Уральского Промстройниипроект Госстроя СССР
НИИЖБ
НИИСФ
Утверждён: 08.08.1972 Госстрой СССР (Государственный комитет Совета Министров СССР по делам строительства) (USSR Gosstroy 158)
Чем заменён:
  • Серия 1.432-14
  • Серия 1.432-15
Нормативные ссылки:
Серия 1.432-5Серия 1.432-5Серия 1.432-5Серия 1.432-5Серия 1.432-5Серия 1.432-5Серия 1.432-5Серия 1.432-5Серия 1.432-5Серия 1.432-5Серия 1.432-5Серия 1.432-5Серия 1.432-5Серия 1.432-5Серия 1.432-5Серия 1.432-5Серия 1.432-5Серия 1.432-5Серия 1.432-5Серия 1.432-5Серия 1.432-5Серия 1.432-5Серия 1.432-5Серия 1.432-5Серия 1.432-5Серия 1.432-5Серия 1.432-5Серия 1.432-5Серия 1.432-5Серия 1.432-5Серия 1.432-5Серия 1.432-5Серия 1.432-5Серия 1.432-5Серия 1.432-5Серия 1.432-5Серия 1.432-5Серия 1.432-5Серия 1.432-5Серия 1.432-5Серия 1.432-5Серия 1.432-5Серия 1.432-5Серия 1.432-5Серия 1.432-5Серия 1.432-5Серия 1.432-5Серия 1.432-5Серия 1.432-5Серия 1.432-5Серия 1.432-5Серия 1.432-5Серия 1.432-5Серия 1.432-5Серия 1.432-5Серия 1.432-5Серия 1.432-5Серия 1.432-5Серия 1.432-5Серия 1.432-5Серия 1.432-5Серия 1.432-5Серия 1.432-5Серия 1.432-5Серия 1.432-5Серия 1.432-5Серия 1.432-5Серия 1.432-5Серия 1.432-5Серия 1.432-5Серия 1.432-5Серия 1.432-5Серия 1.432-5Серия 1.432-5Серия 1.432-5