Скачать ОСТ 66-14-86 Плиты железобетонные комплексные. Технические условия

Дата актуализации: 01.01.2021

ОСТ 66-14-86

Плиты железобетонные комплексные. Технические условия

Обозначение: ОСТ 66-14-86
Обозначение англ: OST 66-14-86
Статус:не определен законодательством
Название рус.:Плиты железобетонные комплексные. Технические условия
Дата добавления в базу:01.09.2013
Дата актуализации:01.01.2021
Дата введения:01.09.1986
Дата окончания срока действия:30.06.2003
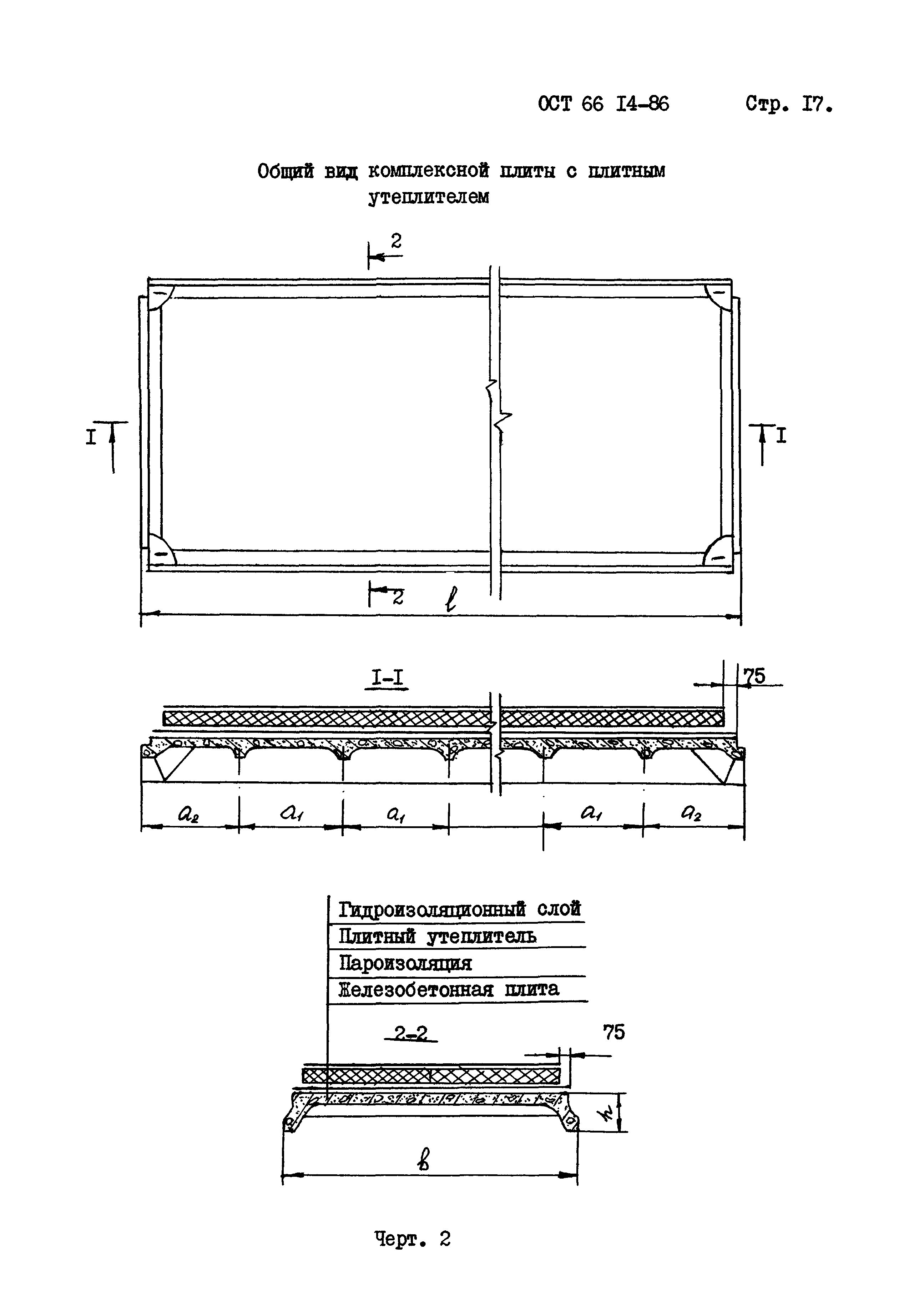
Область применения:Стандарт распространяется на плиты железобетонные комплексные размером 6Х1,5 м; 6Х3 м;. 12Х3 м, изготовляемые в виде многослойной конструкции, выполняющей несущие и ограждающие функции, и предназначенные для покрытий отапливаемых зданий с относительной влажностью внутри помещений не выше 75 %, внутренней температурой плюс 18 градусов Цельсия с неагрессивной газовой средой.
Оглавление:1. Типы и размеры
2. Технические требования
3. Правила приемки
4. Методы контроля
5. Хранение и транспортирование
6. Гарантии изготовителя
Перечень документов, на которые даны ссылки
Разработан: ПТИОМЭС
Утверждён:22.07.1986 Министерство строительства СССР
Принят: ЦНИИпромзданий (TsNIIpromzdaniy )
Главное техническое управление Минстроя СССР
Главстройконструкция Минстроя СССР
Заменяет собой:
  • ОСТ 66 14-78
Нормативные ссылки:
ОСТ 66-14-86ОСТ 66-14-86ОСТ 66-14-86ОСТ 66-14-86ОСТ 66-14-86ОСТ 66-14-86ОСТ 66-14-86ОСТ 66-14-86ОСТ 66-14-86ОСТ 66-14-86ОСТ 66-14-86ОСТ 66-14-86ОСТ 66-14-86ОСТ 66-14-86ОСТ 66-14-86ОСТ 66-14-86ОСТ 66-14-86ОСТ 66-14-86ОСТ 66-14-86ОСТ 66-14-86ОСТ 66-14-86ОСТ 66-14-86ОСТ 66-14-86ОСТ 66-14-86