Скачать ВСН 34-94 МО РФ Планировка и застройка военных городковДата актуализации: 01.01.2021
|
| Обозначение: | ВСН 34-94 МО РФ |
| Обозначение англ: | VSN 34-94 МО РФ |
| Статус: | действует |
| Название рус.: | Планировка и застройка военных городков |
| Дата добавления в базу: | 01.09.2013 |
| Дата актуализации: | 01.01.2021 |
| Дата введения: | 01.01.1995 |
| Область применения: | Документ распространяется на проектирование новых, расширение и реконструкцию существующих военных городков, гарнизонами которых являются воинские части всех видов и родов войск Вооруженных Сил Российской Федерации. |
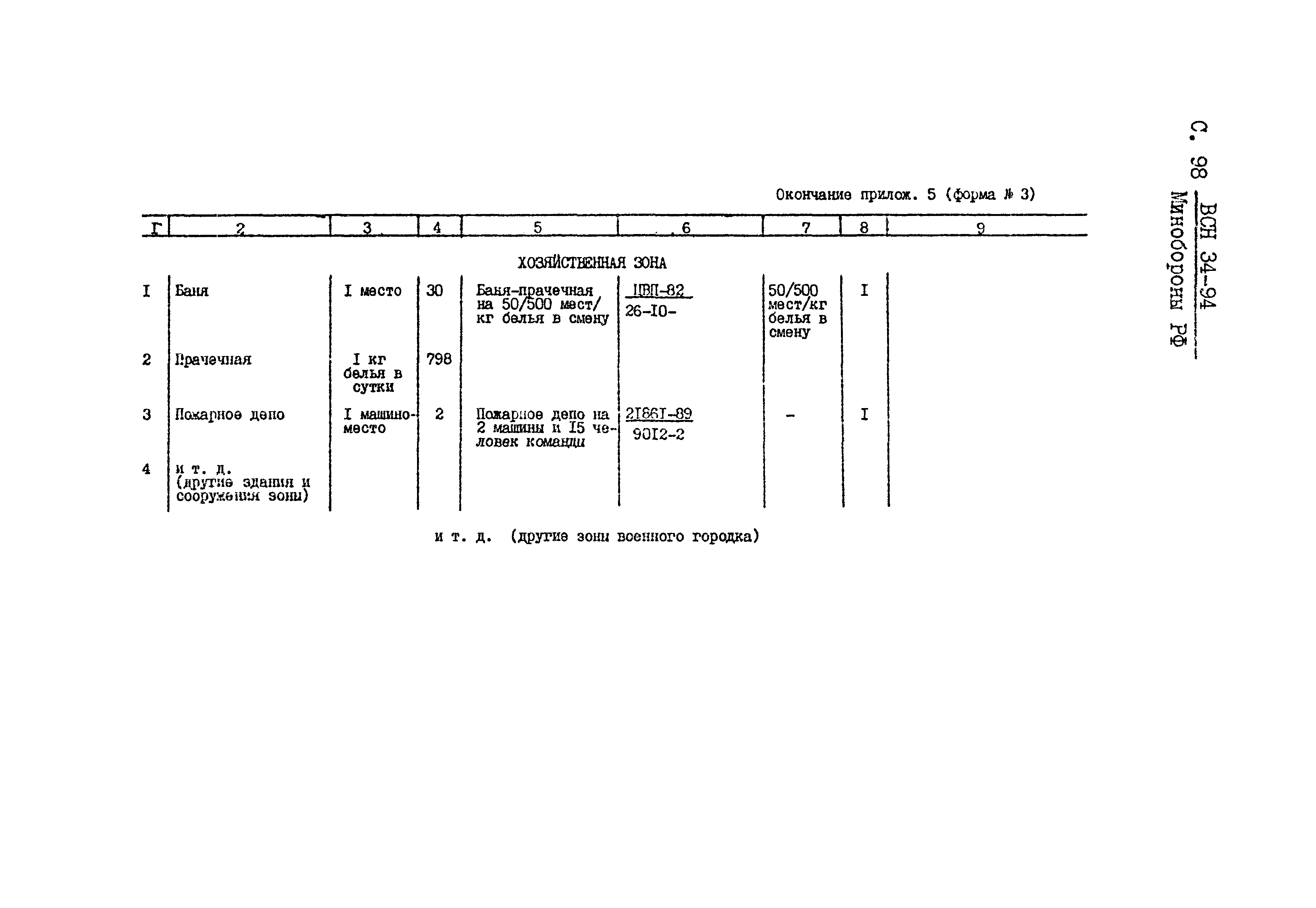
| Оглавление: | 1. Общие положения 2. Организация территории военных городков Расчет проектной численности населения Расчет фондов Выбор территории для строительства Функциональное зонирование и организация территории Казарменная зона Зона парка(ов) техники и вооружения Жилая зона Хозяйственная зона Складская зона 3. Автомобильные дороги, тротуары и пешеходные дороги. Благоустройство военных городков Спортивные и детские площадки. Площадки для отдыха взрослых Хозяйственные площадки Вертикальная планировка и озеленение территории военного городка Ограждение территории военного городка 4. Инженерное оборудование Водоснабжение и канализация Санитарная очистка Теплоснабжение Электроснабжение Связь, сигнализация и диспетчеризация инженерного оборудования Газоснабжение Инженерные сети Приложение 1. Перечень нормативных и других документов Российской Федерации и бывшего ССР. Действующих по состоянию на 1 января 1995 года и используемых при проектировании военных городков Приложение 2. Разрывы внешней безопасности для артиллерийских баз и складов боеприпасов Приложение 3. Удельные площади и расчетные показатели зданий и сооружений военного городка Приложение 4. Комплекс спортивных площадок для военного городка на 3000 человек Комплекс спортивных площадок для военного городка на 1000 человек Примерная схема технологической линии парка техники и вооружения (ТВ) Приложение 5. Расчет потребных фондов военного городка Приложение 5 (форма 1). Пример расчета потребных фондов военного городка для населения казарменной и жилой зон Приложение 5 (форма 2). Пример расчета потребных фондов, общих для населения казарменной и жилой зон военного городка Приложение 5 (форма 3). Пример подбора типовых проектов, соответствующих потребному фонду военного городка Приложение 6. Схема оформления чертежа генерального плана военного городка |
| Разработан: | 53 ЦПИ МО РФ |
| Утверждён: | 15.02.1994 Министерство обороны РФ (Russian Federation Ministry of Defense ) |
| Заменяет собой: |
|
| Нормативные ссылки: |
|






































































































