Скачать ГОСТ Р 54574-2011 Барабаны стальные для лакокрасочных материалов. Технические условия

Дата актуализации: 01.01.2021

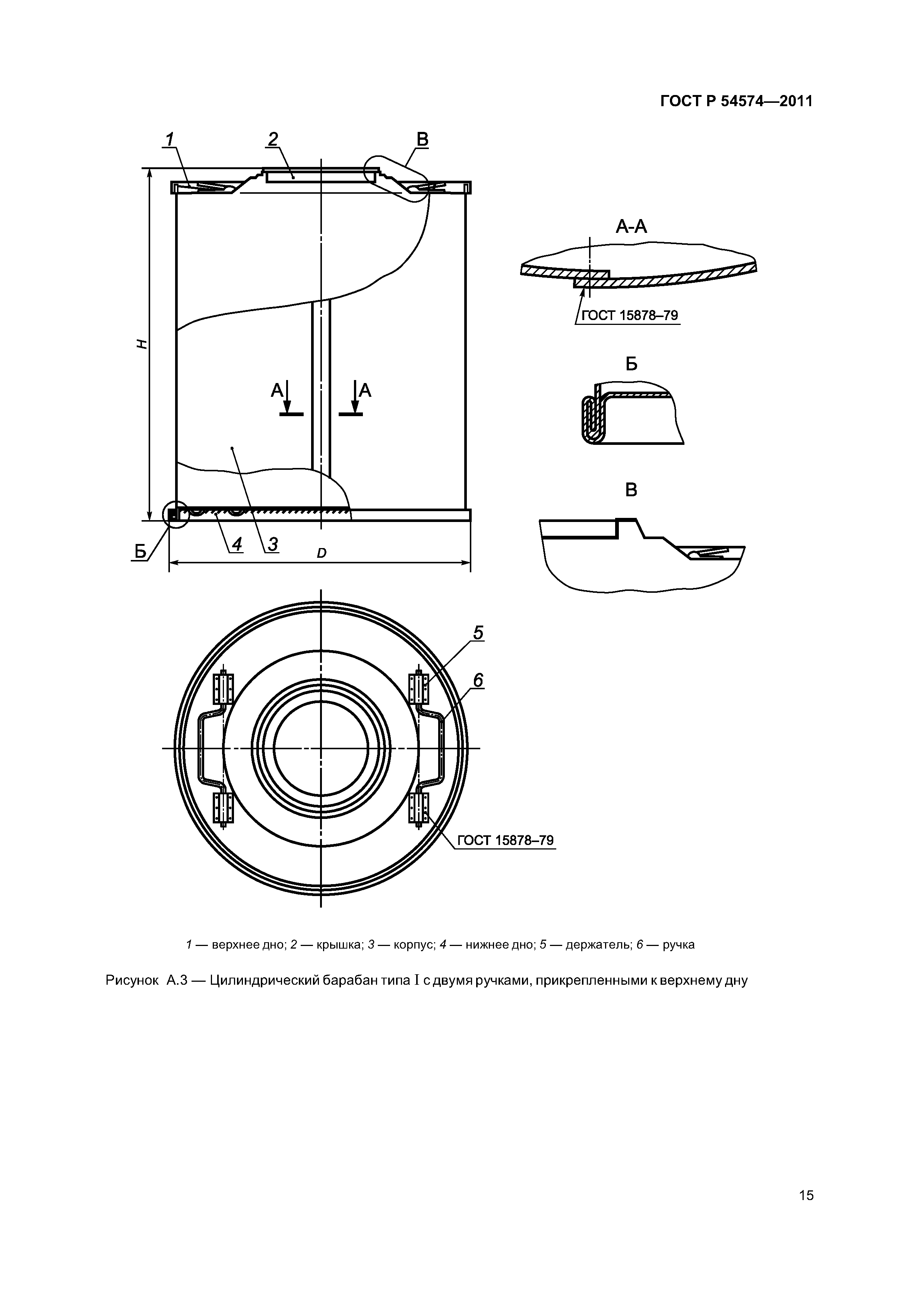
ГОСТ Р 54574-2011

Барабаны стальные для лакокрасочных материалов. Технические условия

Обозначение: ГОСТ Р 54574-2011
Обозначение англ: GOST R 54574-2011
Статус:введен впервые
Название рус.:Барабаны стальные для лакокрасочных материалов. Технические условия
Название англ.:Steel drums for paint materials. Specifications
Дата добавления в базу:01.09.2013
Дата актуализации:01.01.2021
Дата введения:01.07.2012
Область применения:Стандарт распространяется на стальные барабаны одноразового использования, предназначенные для упаковывания, транспортирования и хранения лакокрасочных материалов, поставляемых в различные районы страны, в том числе в районы Крайнего Севера и приравненные к ним местности. Стандарт не распространяется на барабаны, предназначенные для транспортирования продукции воздушным транспортом.
Оглавление:1 Область применения
2 Нормативные ссылки
3 Термины и определения
4 Классификация, основные параметры и размеры
5 Технические требования
6 Требования безопасности и утилизация
7 Правила приемки
8 Методы контроля
9 Транспортирование и хранение
10 Указания по эксплуатации
11 Гарантии изготовителя
Приложение А (рекомендуемое) Конструкция барабанов
Приложение Б (рекомендуемое) Материалы для изготовления барабанов
Разработан: ТК 385 Материалы лакокрасочные на природных связующих. Растворители. Сиккативы. Вспомогательные вещества. Тара, упаковка, маркировка и транспортирование лакокрасочных материалов
Утверждён:30.11.2011 Федеральное агентство по техническому регулированию и метрологии (667-ст)
Издан: Стандартинформ (2012 г. )
Нормативные ссылки:
ГОСТ Р 54574-2011ГОСТ Р 54574-2011ГОСТ Р 54574-2011ГОСТ Р 54574-2011ГОСТ Р 54574-2011ГОСТ Р 54574-2011ГОСТ Р 54574-2011ГОСТ Р 54574-2011ГОСТ Р 54574-2011ГОСТ Р 54574-2011ГОСТ Р 54574-2011ГОСТ Р 54574-2011ГОСТ Р 54574-2011ГОСТ Р 54574-2011ГОСТ Р 54574-2011ГОСТ Р 54574-2011ГОСТ Р 54574-2011ГОСТ Р 54574-2011ГОСТ Р 54574-2011ГОСТ Р 54574-2011ГОСТ Р 54574-2011ГОСТ Р 54574-2011ГОСТ Р 54574-2011ГОСТ Р 54574-2011ГОСТ Р 54574-2011ГОСТ Р 54574-2011