Скачать Руководство по организации труда при производстве строительно-монтажных работ. Глава 10. Монтаж крупнопанельных домовДата актуализации: 01.01.2021 |
| Статус: | справочные материалы, мп, тпр |
| Название рус.: | Руководство по организации труда при производстве строительно-монтажных работ. Глава 10. Монтаж крупнопанельных домов |
| Дата добавления в базу: | 01.10.2014 |
| Дата актуализации: | 01.01.2021 |
| Область применения: | Руководство составлено на основе обобщения передового опыта организации труда при монтаже крупнопанельных домов и содержит рекомендации по рациональному составу звеньев и бригад, оснащению их механизмами и приспособлениями, разделению, методам и приемам труда. Руководством рекомендуется пользоваться при разработке технологических карт, составлении производственных инструкций для бригадиров и рабочих непосредственно при монтаже крупнопанельных домов. Руководство рассчитано на инженерно-технических работников строительных и проектных организаций, занимающихся вопросами организации труда, а также на бригадиров и звеньевых комплексных бригад. |
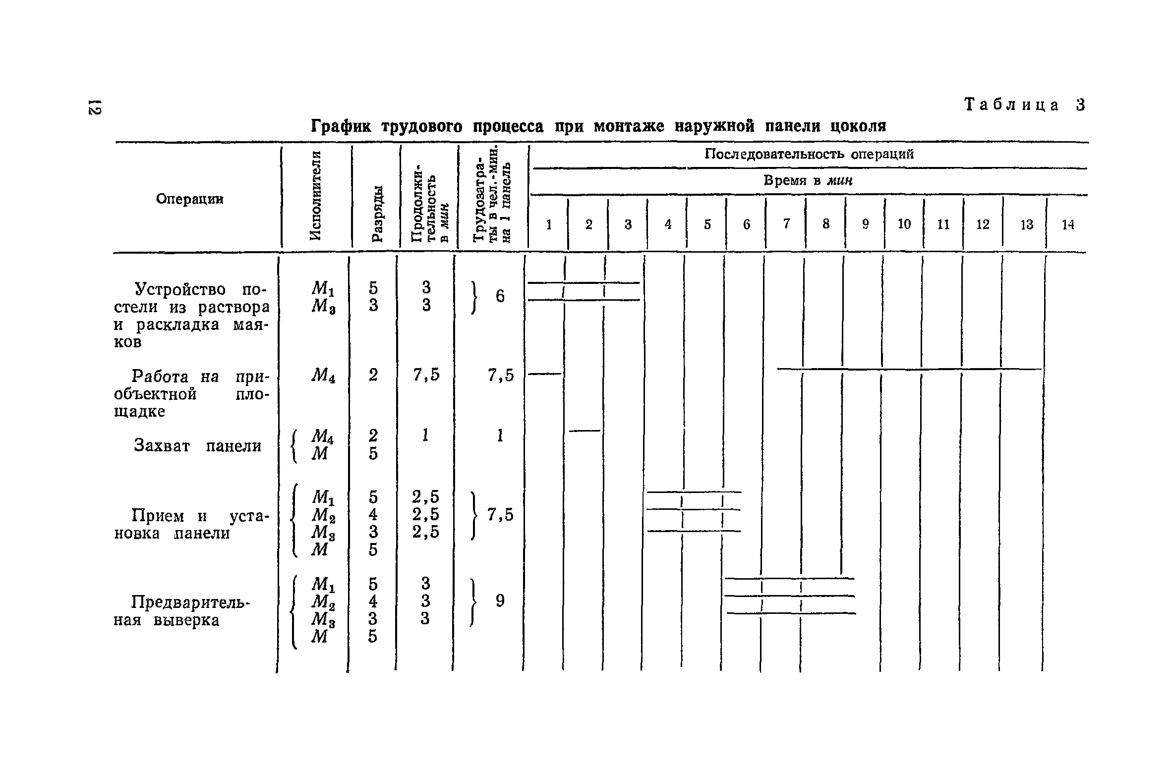
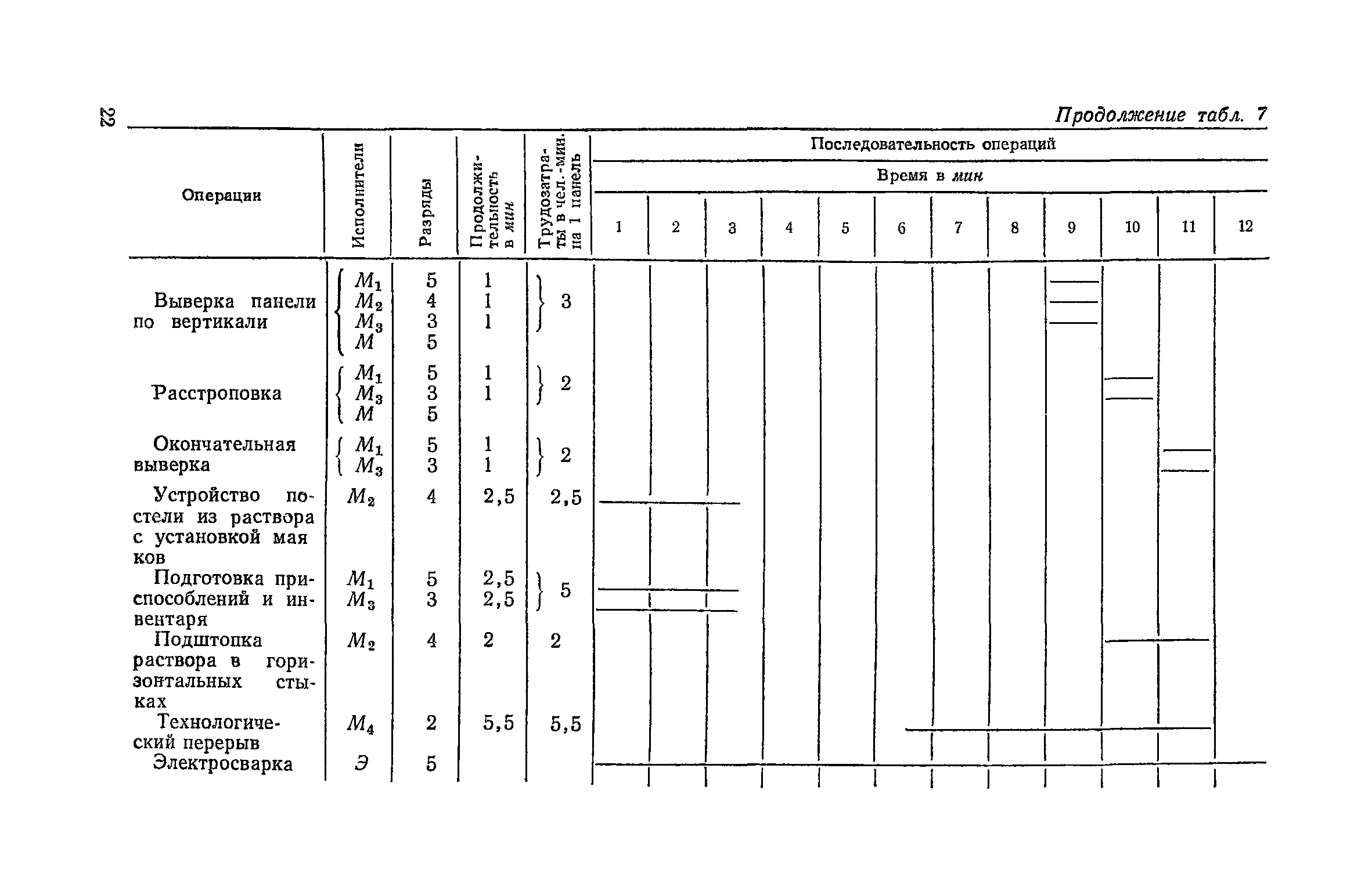
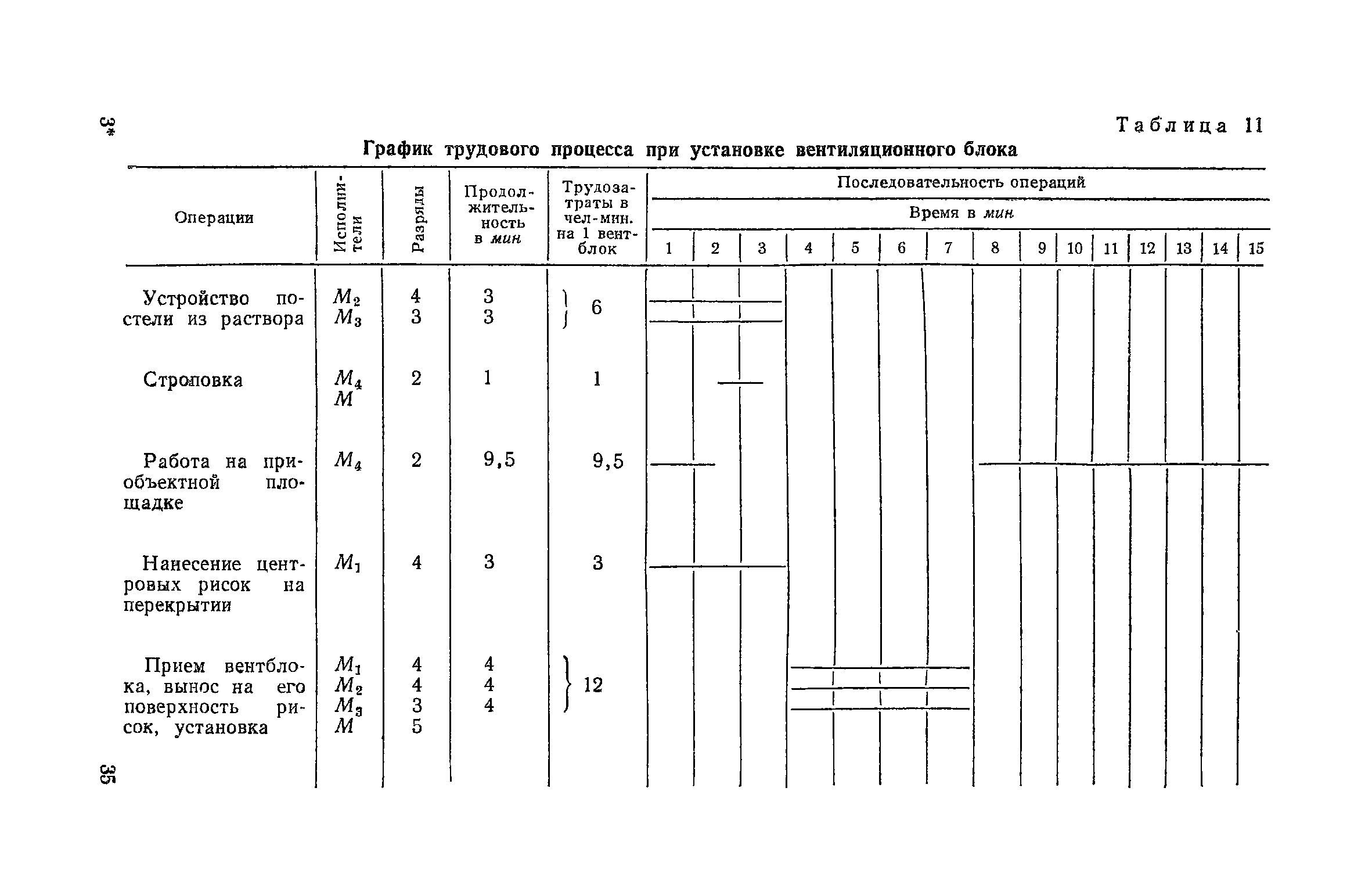
| Оглавление: | Предисловие 1. Общие положения 2. Монтаж подземной части здания А. Организация труда в бригадах Б. Организация труда в звеньях а) Монтаж фундаментных блоков б) Монтаж стеновых панелей цокольного этажа в) Монтаж панелей внутренних стен технического подполья г) Монтаж панелей перекрытия цокольного этажа 3. Монтаж надземной части здания А. Организация труда в бригадах Б. Организация труда в звеньях а) Монтаж наружных стеновых панелей б) Монтаж внутренних стеновых панелей в) Монтаж санитарно-технических кабин г) Монтаж вентиляционных блоков д) Монтаж лестничных площадок и маршей е) Монтаж панелей перекрытия ж) Монтаж балконных плит и) Монтаж панелей покрытия к) Монтаж совмещенных крыш 4. Специальные работы при монтаже крупнопанельных домов а) Антикоррозионная защита стальных деталей стыковых соединений б) Механизированная заделка стыков в) Гидроизоляция и теплоизоляция вертикальных стыков наружных стеновых панелей г) Герметизация стыков Приложение. Рекомендуемое оборудование, инструменты, приспособления и инвентарь для комплексной бригады монтажников |
| Разработан: | ЦНИИОМТП Госстроя СССР |
| Утверждён: | ЦНИИОМТП Госстроя СССР (TsNIIOMTP, USSR Gosstroy ) |
| Издан: | Издательство литературы по строительству (1971 г. ) |
| Нормативные ссылки: |
|
































































