Скачать М10-566 Рекомендации по проектированию низковольтных комплектных устройств в исполнении IP54Дата актуализации: 01.01.2021
|
| Обозначение: | М10-566 |
| Обозначение англ: | М10-566 |
| Статус: | справочные материалы, мп, тпр |
| Название рус.: | Рекомендации по проектированию низковольтных комплектных устройств в исполнении IP54 |
| Название англ.: | Alphanumeric Designations in Electrical and Engineering Design Documentation |
| Дата добавления в базу: | 01.10.2014 |
| Дата актуализации: | 01.01.2021 |
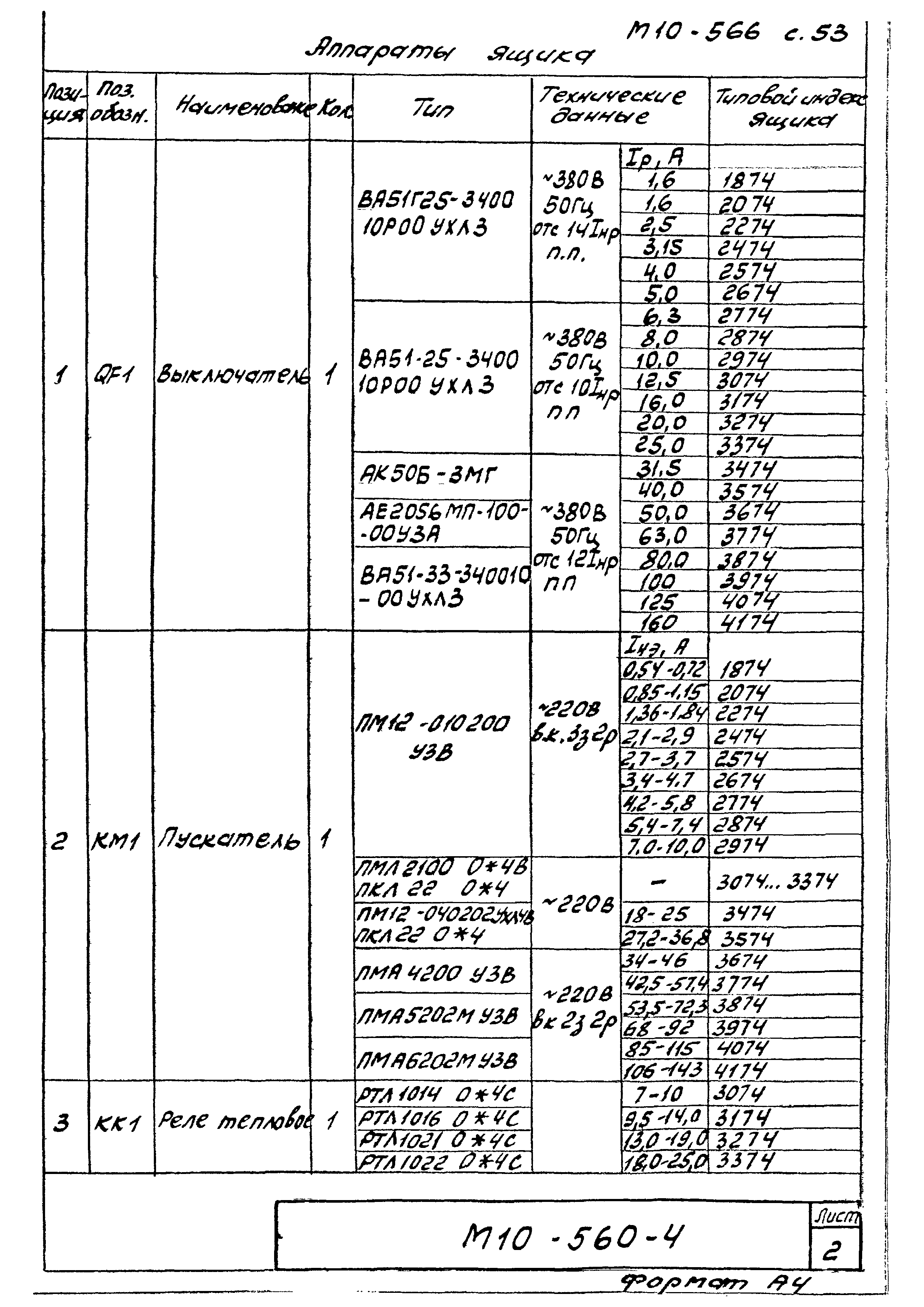
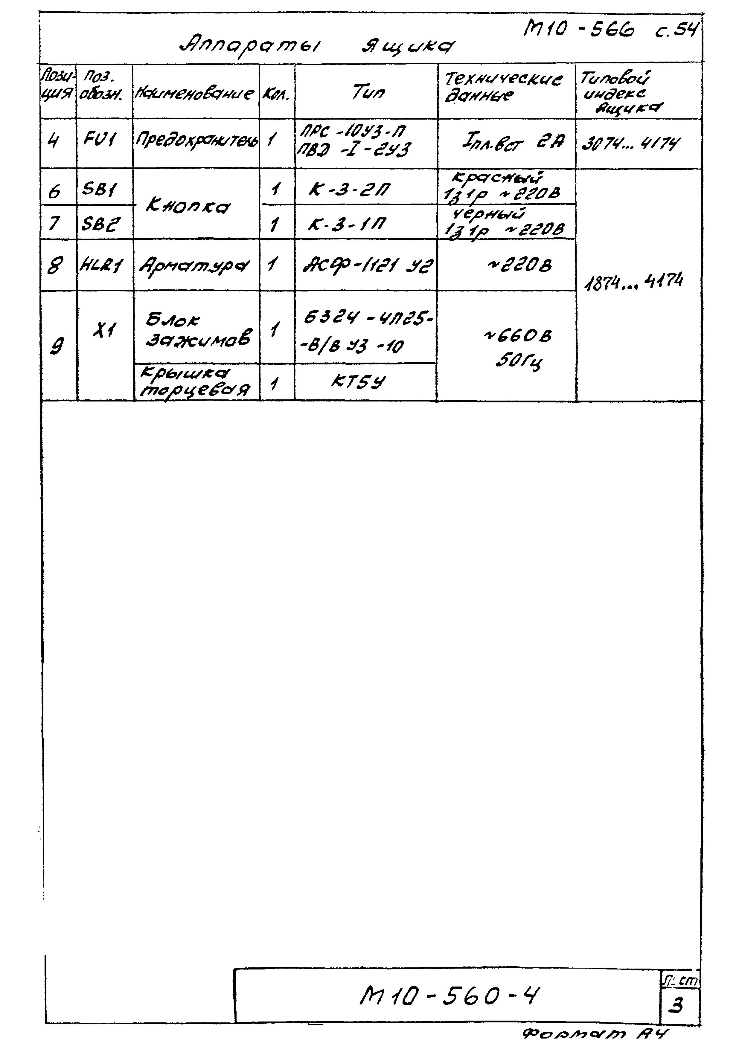
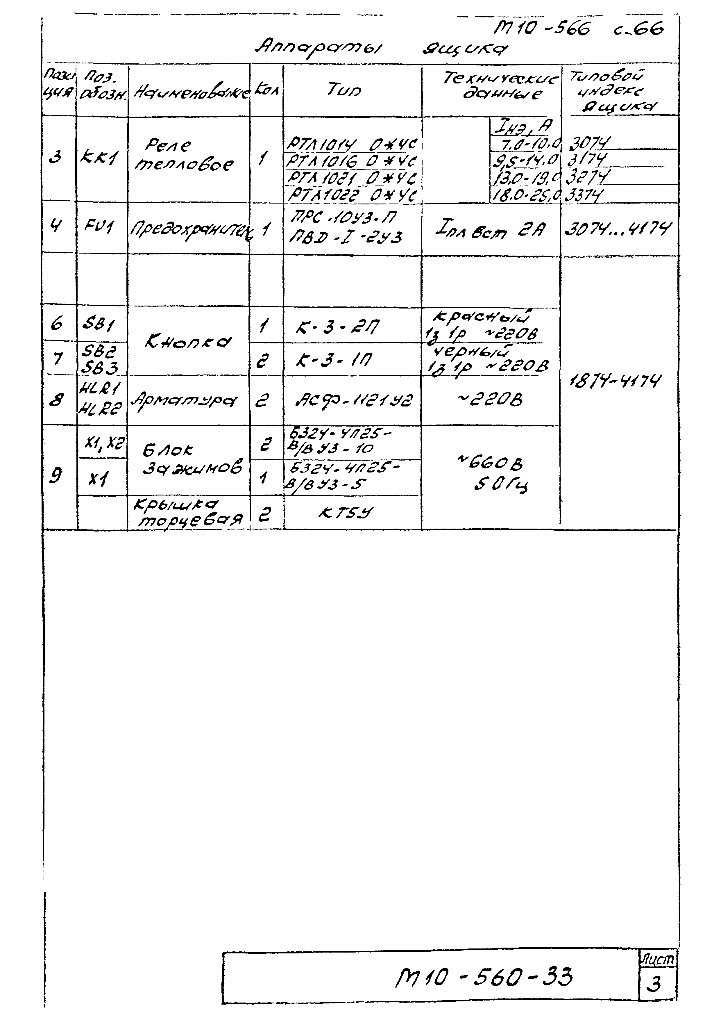
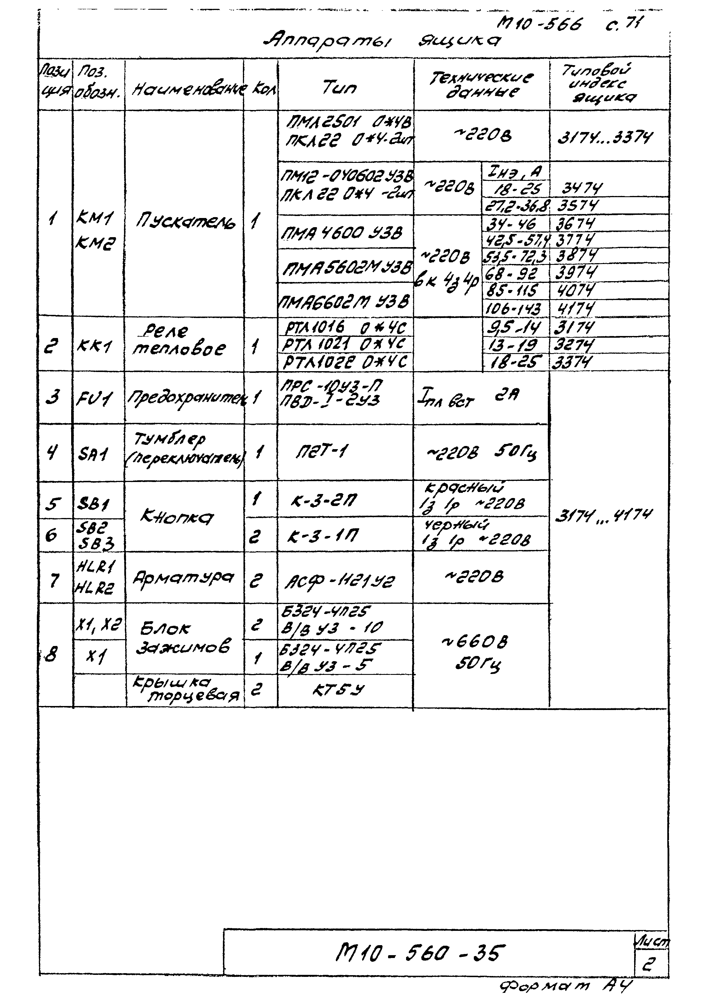
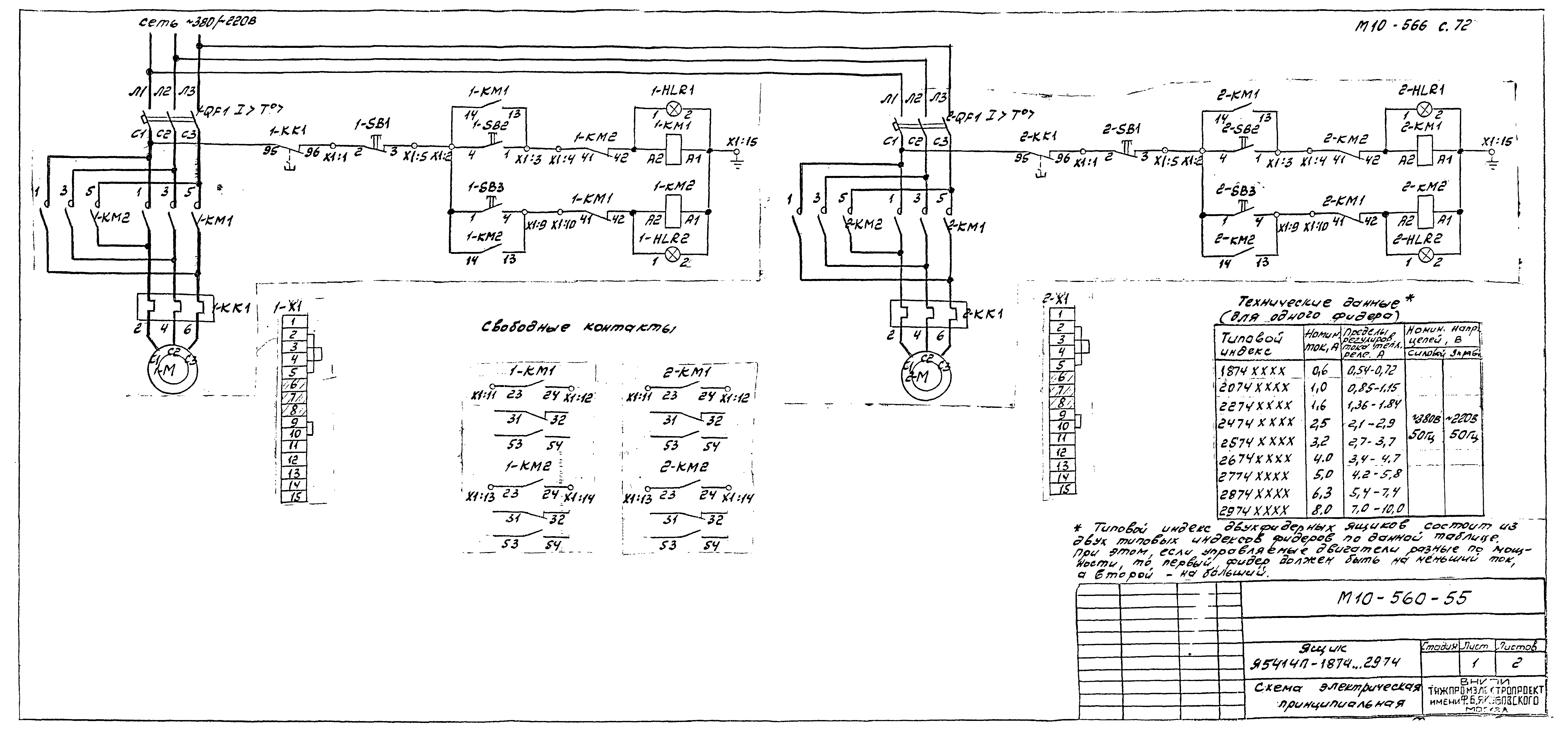
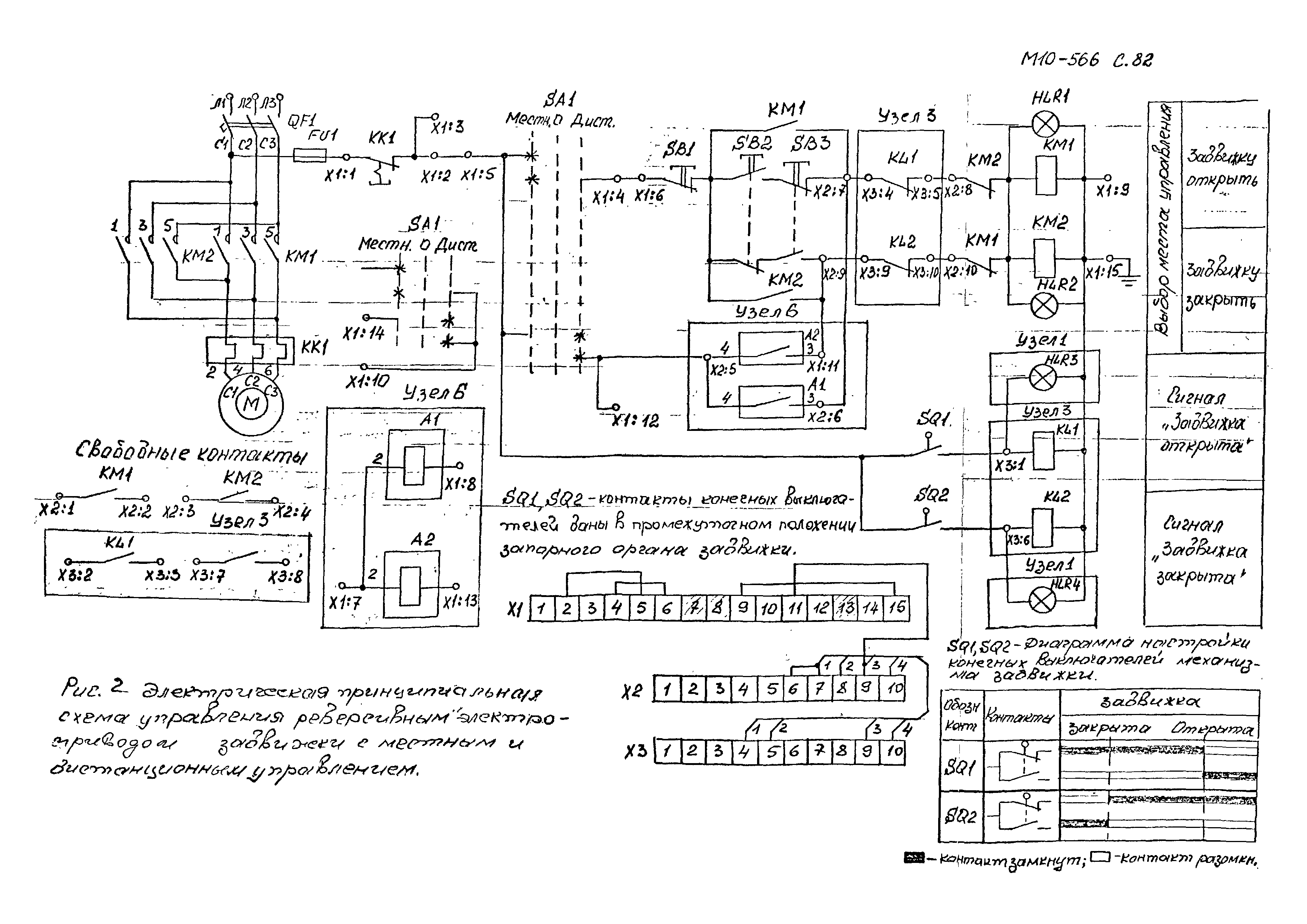
| Оглавление: | 1 Введение 2 Техническое описание серии низковольтных комплектных устройств в исполнении IР54 3 Рекомендации по применению типовых ящиков Я5000П 4 Рекомендации по применению типовых ящиков Я8000П 5 Рекомендации по проектированию нетиповых НКУ Приложение 1. Сравнение низковольтных комплектных устройств управления серии РУСМ5000 с устройствами аналогичного назначения серии Я5000П Приложение 2. Сравнение низковольтных комплектных устройств ввода и распределения энергии серии РУСМ8000 с устройствами аналогичного назначения серии Я8000П Приложение 3. Структура условного обозначения комплектных устройств Приложение 4. Схемы электрические принципиальные ящиков Я5000П и узлов дополнительных Приложение 5. Примеры использования ящиков Я5000П с дополнительными узлами Приложение 6. Технические данные автоматических выключателей используемых в типовых ящиках Я5000П и Я8000П и рекомендуемые к применению в нетиповых устройствах Приложение 7. Структура условного обозначения автоматических выключателей Приложение 8. Перечень аппаратов, предназначенных для установки на дверях комплектных устройств и имеющих степень защиты IР54 со стороны управляющего элемента и светофильтра Приложение 9. Тепловая мощность, выделяемая через оболочку устройств в зависимости от их габаритных размеров Приложение 10. Мощность, потребляемая катушками пускателей при удержании Приложение 11. Пример расчета снижения нагрузки на пускатели при встраивании их в комплектные устройства со степенью защиты IР54 |
| Разработан: | ВНИПИ Тяжпромэлектропроект |
| Утверждён: | ВНИПИ Тяжпромэлектропроект им. Ф.Б. Якубовского (F.B.Yakubovskiy Tyazhpromelektroproject VNIPI ) |
| Заменяет собой: | |
| Нормативные ссылки: |
|





































































































