Скачать ГОСТ 32484.3-2013 Болтокомплекты высокопрочные для предварительного натяжения конструкционные. Система HR - комплекты шестигранных болтов и гаекДата актуализации: 01.01.2021
|
| Обозначение: | ГОСТ 32484.3-2013 |
| Обозначение англ: | GOST 32484.3-2013 |
| Статус: | введен впервые |
| Название рус.: | Болтокомплекты высокопрочные для предварительного натяжения конструкционные. Система HR - комплекты шестигранных болтов и гаек |
| Название англ.: | High-strength structural bolting assemblies for preloading. System HR-hexagon bolt and nut assemblies |
| Дата добавления в базу: | 21.05.2015 |
| Дата актуализации: | 01.01.2021 |
| Дата введения: | 01.07.2015 |
| Область применения: | Стандарт совместно с ГОСТ 32484.1 устанавливает требования для комплектов высокопрочных болтов и гаек системы HR для соединений с предварительным натяжением с увеличенным размером под ключ, с резьбой от М12 до М36 классов прочности 8.8/8 и 10.9/10, применяемых в болтовых соединениях металлических конструкций в строительстве и машиностроении, эксплуатируемых в различных макроклиматических районах по ГОСТ 15150. Болт и гайка в этом стандарте были разработаны так, чтобы достигать усилия предварительного натяжения не менее 0,7fub x As (0,7 от номинального предела прочности на площадь сечения болта) и получить податливость за счет преимущественной пластической деформации стержня болта. Для этой цели компоненты болтокомплекта имеют следующие характеристики: - высота гайки соответствует, в среднем, 0,85 диаметра резьбы; - болт с нормальной длиной резьбы. Болт и гайка согласно этому документу применяют совместно с шайбами по ГОСТ 32484.6 или ГОСТ 32484.5 (только под гайку). Метод испытания на предварительное натяжение установлен в ГОСТ 32484.2. |
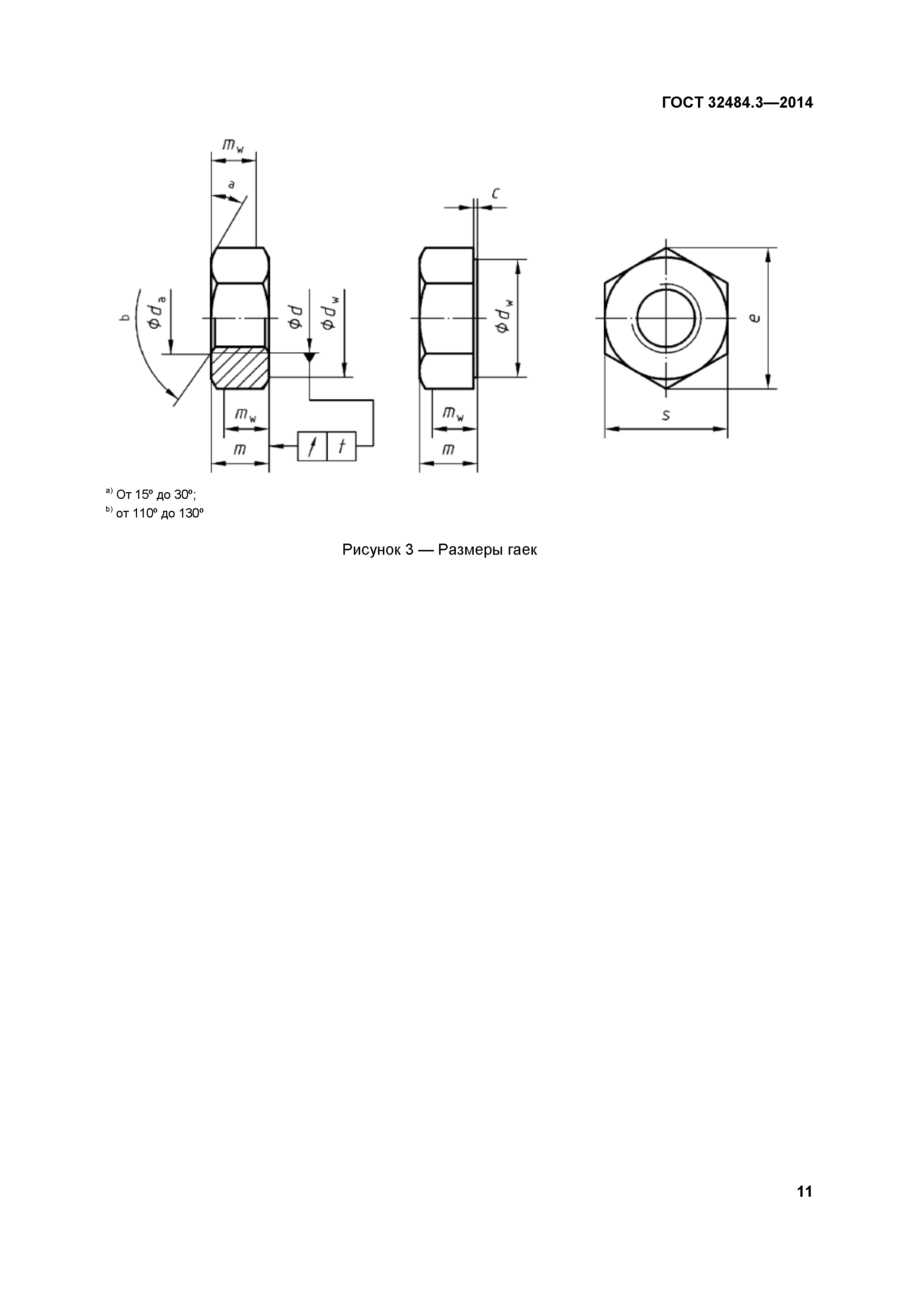
| Оглавление: | 1 Область применения 2 Нормативные ссылки 3 Болты 3.1 Конструкция и размеры болтов 3.2 Требования к болтам и ссылочные стандарты 3.3 Обезуглероживание резьбы болтов 3.4 Маркировка болтов 4 Гайки Конструкции и размеры гаек 4.2 Требования к гайкам и ссылочные стандарты 4.3. Пробная нагрузка для гаек 4.4 Обезуглероживание резьбы гайки 4.5 Маркировка гаек 5 Обозначение болтокомплекта 6 Комплектуемые шайбы 7 Технологические характеристики болтокомплекта 7.1 Общие положения 7.2 Максимальное усилие в болте во время испытания на коэффициент закручивания (Fbi max) 7.3. Угол, на который поворачивают гайки (или болт) начиная от предварительного натяжения 0,7 fub x As до достижения Fbi max (Дельта Тета2) 7.4. Угол, на который поворачивают гайки (или болт) начиная от предварительного натяжения 0,7 fub x As до тех пор, пока Fbi снова снизится до 0,7 Fbi x As (Дельта Тета2) 7.5 Индивидуальные значения, среднее значение и коэффициент вариации коэффициента закручивания (k-фактор) Приложение ДА (рекомендуемое) Рекомендуемые усилия натяжения болтокомплектов для определения коэффициента закручивания Приложение ДБ (справочное) Разделы международного стандарта EN 14399-3:2005, которые применены в настоящем стандарте с модификацией их содержания для учета особенностей межгосударственной стандартизации |
| Разработан: | ООО Научно-производственный центр мостов |
| Утверждён: | 14.11.2013 Межгосударственный Совет по стандартизации, метрологии и сертификации (Inter-Governmental Council on Standardization, Metrology, and Certification 44-2013) 07.04.2014 Федеральное агентство по техническому регулированию и метрологии (316-ст) |
| Издан: | Стандартинформ (2013 г. ) |
| Список изменений: |
|
| Нормативные ссылки: |
|
































Текстовое изменение Поправка от 04.03.2015