Скачать ГОСТ Р МЭК 60810-2015 Лампы для дорожных транспортных средств. Эксплуатационные требованияДата актуализации: 01.01.2021
|
| Обозначение: | ГОСТ Р МЭК 60810-2015 |
| Обозначение англ: | GOST R IEC 60810-2015 |
| Статус: | введен впервые |
| Название рус.: | Лампы для дорожных транспортных средств. Эксплуатационные требования |
| Название англ.: | Lamps for road vehicles. Performance requirements |
| Дата добавления в базу: | 01.02.2017 |
| Дата актуализации: | 01.01.2021 |
| Дата введения: | 01.01.2016 |
| Область применения: | Стандарт распространяется на источники света (лампы накаливания, разрядные лампы и светодиодные источники света), используемые как фарные, противотуманные и светосигнальные для дорожных транспортных средств. |
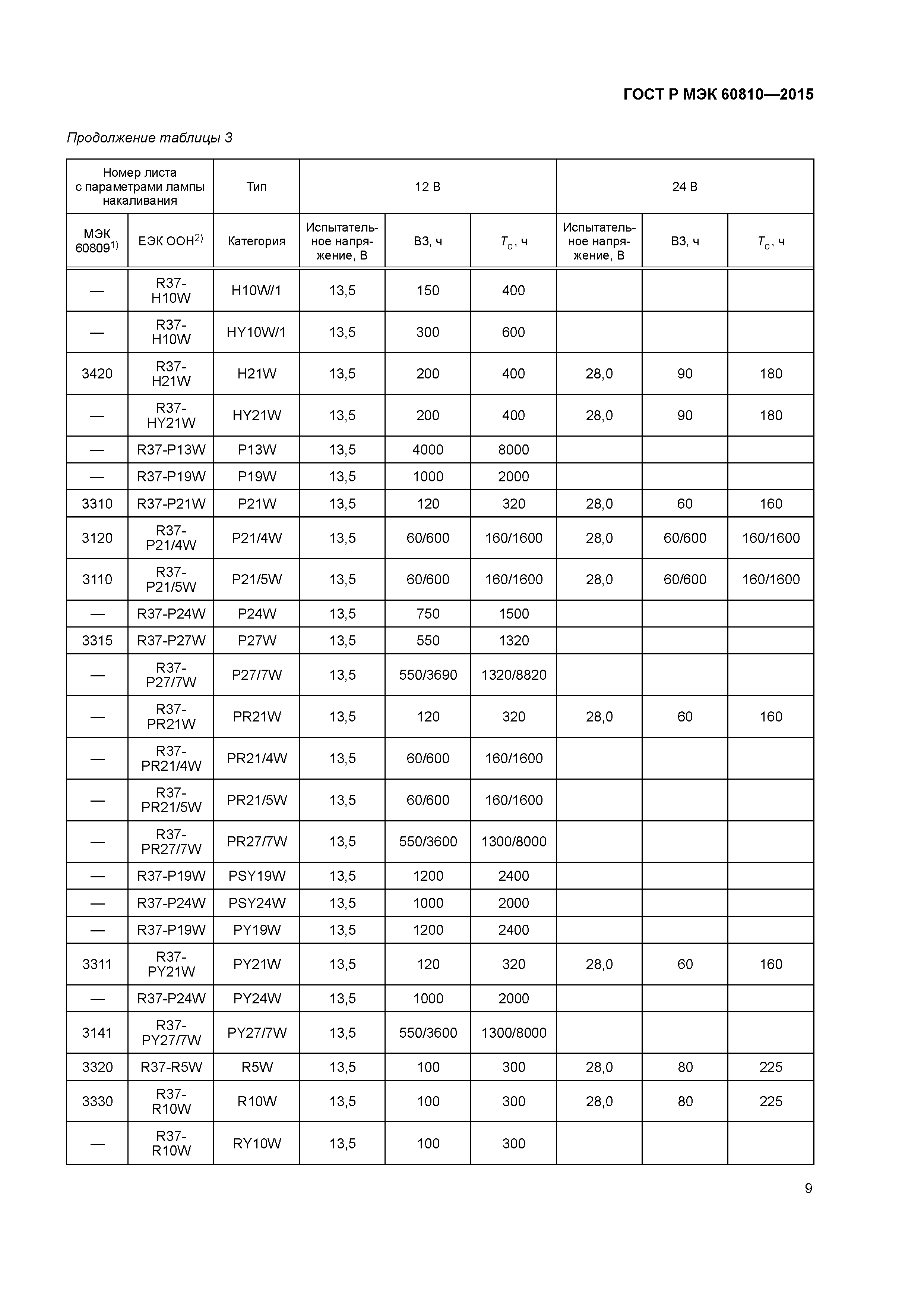
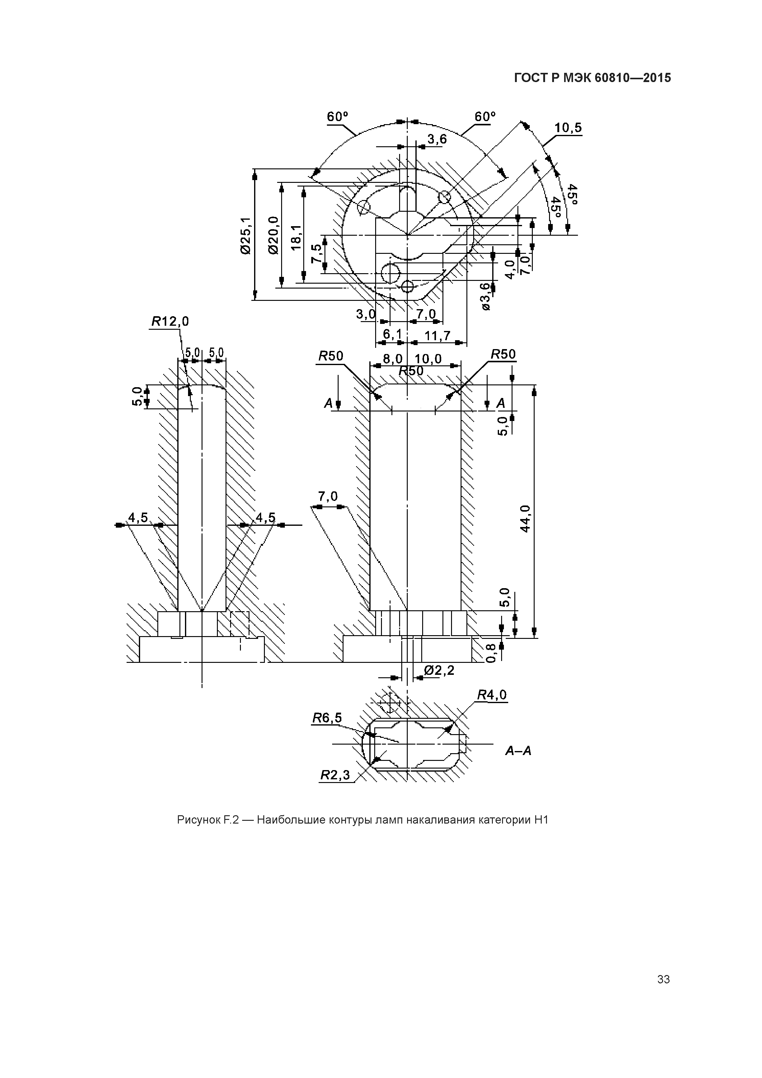
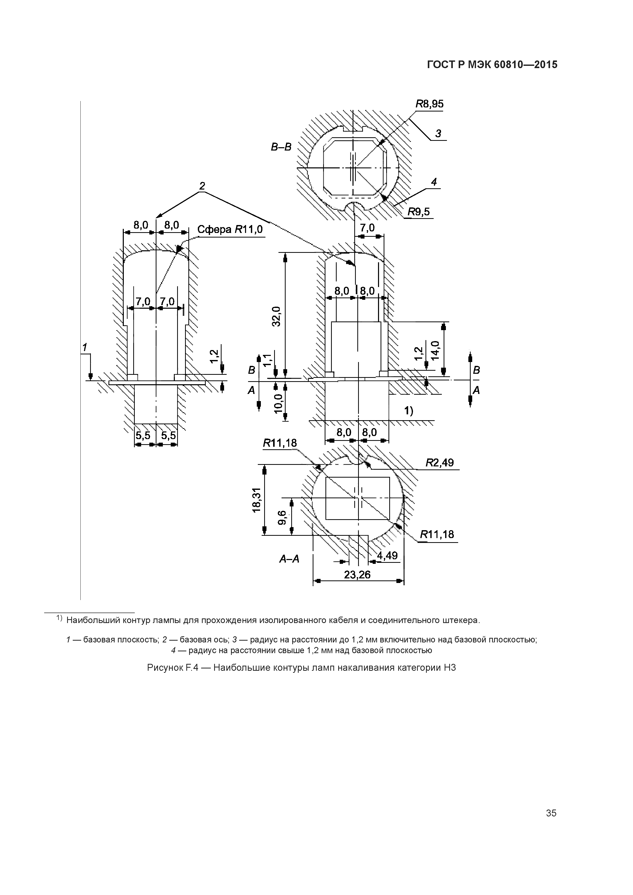
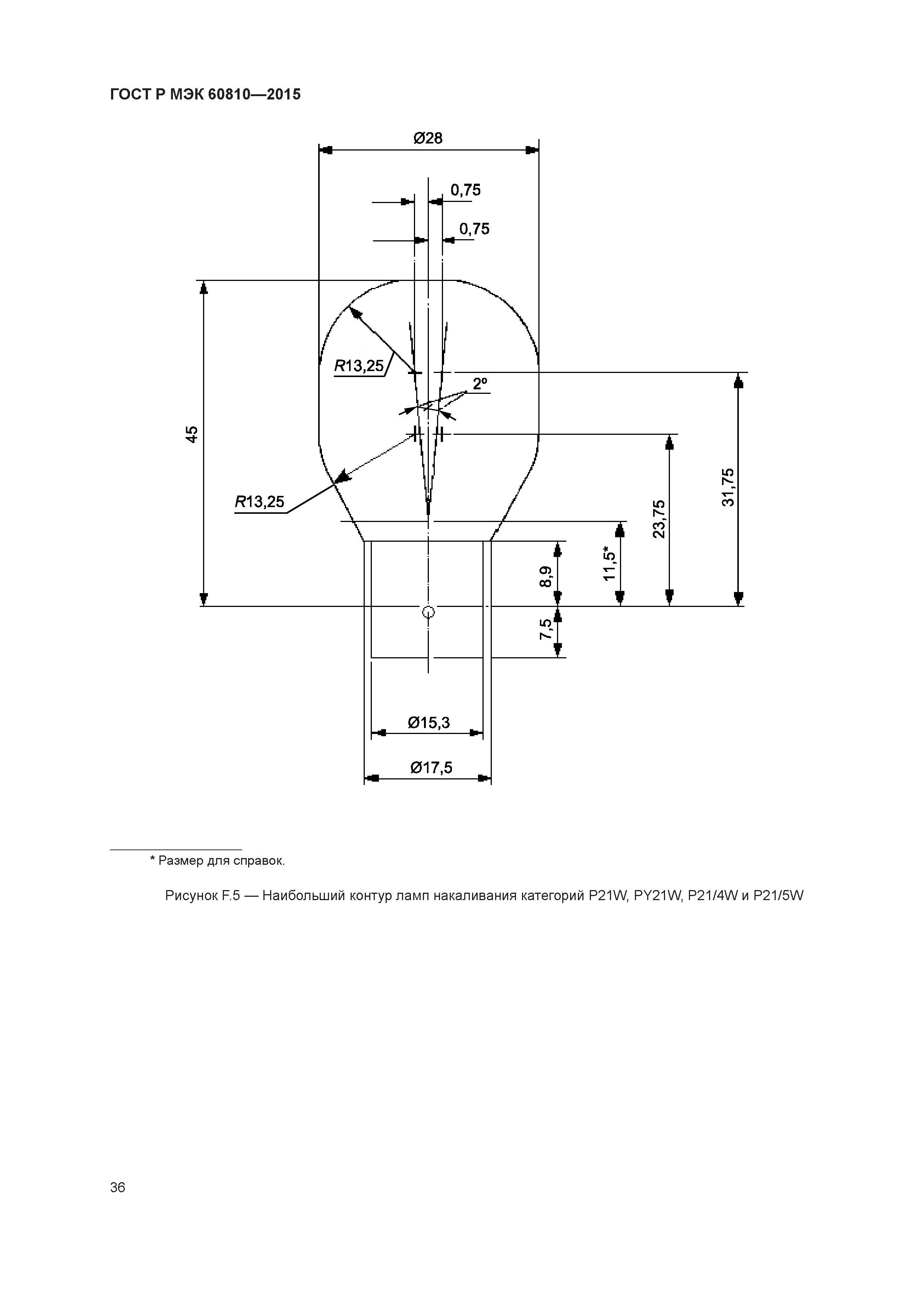
| Оглавление: | 1 Область применения 2 Нормативные ссылки 3 Термины и определения 4 Требования и методы испытаний для ламп накаливания 4.1 Основная функция и взаимозаменяемость 4.2 Стойкость к крутящему моменту 4.3 Характеристическая продолжительность горения Т 4.4 Продолжительность горения В3 4.5 Сохранение светового потока 4.6 Стойкость к вибрации и механическому удару 4.7 Прочность стеклянной колбы 5 Параметры ламп накаливания 6 Требования и методы испытаний для разрядных ламп 6.1 Основная функция и взаимозаменяемость 6.2 Механическая прочность 6.3 Характеристическая продолжительность горения Т 6.4 Продолжительность горения В3 6.5 Сохранение светового потока 6.6 Стойкость к вибрации и механическому удару 6.7 Разрядные лампы с несъемными зажигающими устройствами 6.8 Разрядные лампы с несъемными зажигающими устройствами и несъемными пускорегулирующими аппаратами 7 Требования и методы испытаний для светодиодных источников света 7.1 Основная функция и взаимозаменяемость 7.2 Ультрафиолетовое излучение 7.3 Сохранение светового потока и цвета 7.4 Стойкость к вибрации и механическому удару 7.5 Электромагнитная совместимость 7.6 Испытание на термоциклирование 8 Требования и методы испытаний для корпусированных светодиодов 8.1 Квалификация корпусированных светодиодов по результатам испытаний на воздействие внешних факторов 8.2 Образцы для испытаний 8.3 Определение критериев отказа 8.4 Выбор условий испытаний 8.5 Критерии прохождения квалификации/переквалификации 8.6 Определение квалификационных испытаний Приложение А (обязательное) Методы испытания ламп накаливания на продолжительность горения Приложение В (обязательное) Испытания на вибрацию Приложение С (обязательное) Испытание стеклянной колбы на прочность Приложение D (обязательное) Методы испытаний разрядных ламп на продолжительность горения и сохранение светового потока Приложение Е (обязательное) Испытание колбы на прогиб Приложение F (справочное) Руководство по расчету оборудования Приложение G (справочное) Информация для расчета пускорегулирующего аппарата Приложение Н (справочное) Символы Приложение I (обязательное) Методы испытаний светодиодных источников света на сохранение светового потока Приложение J (обязательное) Разрушающий физический анализ корпусированных светодиодов Приложение К (справочное) Информационный лист по испытаниям корпусированных светодиодов Приложение L (обязательное) Матрица повторных испытаний корпусированных светодиодов Приложение ДА (справочное) Сведения о соответствии ссылочных международных стандартов национальным стандартам Российской Федерации (и действующим в этом качестве межгосударственным стандартам) Библиография |
| Разработан: | ГУП Республики Мордовия НИИИС им. А.Н. Лодыгина |
| Утверждён: | 29.04.2015 Федеральное агентство по техническому регулированию и метрологии (309-ст) |
| Издан: | Стандартинформ (2015 г. ) |
| Нормативные ссылки: |
|


























































