Скачать ГОСТ Р 56788-2015 Композиты полимерные. Метод определения прочности при сжатии образцов ламинатов с открытым отверстиемДата актуализации: 01.01.2021
|
| Обозначение: | ГОСТ Р 56788-2015 |
| Обозначение англ: | GOST R 56788-2015 |
| Статус: | введен впервые |
| Название рус.: | Композиты полимерные. Метод определения прочности при сжатии образцов ламинатов с открытым отверстием |
| Название англ.: | Polymer composites. Test method open-hole compressive strength of polymer matrix composite laminates |
| Дата добавления в базу: | 01.02.2017 |
| Дата актуализации: | 01.01.2021 |
| Дата введения: | 01.01.2017 |
| Область применения: | Стандарт распространяется на полимерные композиты (ПК), армированные непрерывными или дискретными волокнами. Стандарт устанавливает метод определения прочности при сжатии образцов материалов с открытым отверстием. |
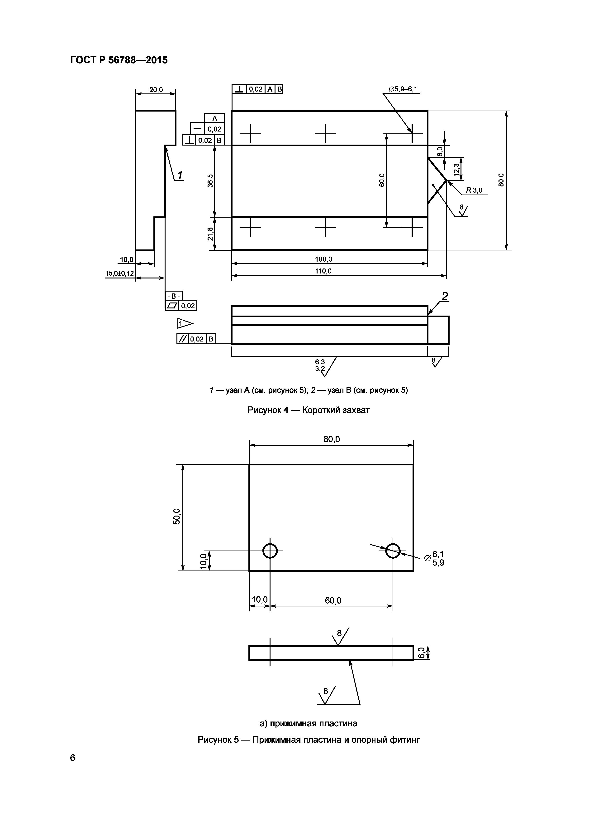
| Оглавление: | 1 Область применения 2 Нормативные ссылки 3 Термины и определения 4 Сущность метода 5 Оборудование 6 Образцы 7 Подготовка к испытаниям 8 Проведение испытаний 9 Обработка результатов 10 Протокол испытаний Приложение ДА (справочное) Оригинальный текст невключенных структурных элементов Приложение ДБ (справочное) Сравнение структуры настоящего стандарта со структурой примененного стандарта ASTM Приложение ДВ (справочное) Сведения о соответствии ссылочных национальных и межгосударственных стандартов стандартам АСТМ, использованным в качестве ссылочных в примененном стандарте АСТМ |
| Разработан: | Объединение юридических лиц Союз производителей композитов ОАО НПО Стеклопластик ФГУП Всероссийский научно-исследовательский институт авиационных материалов ТК 497 |
| Утверждён: | 27.11.2015 Федеральное агентство по техническому регулированию и метрологии (2045-ст) |
| Издан: | Стандартинформ (2016 г. ) Стандартинформ (2019 г. ) |
| Нормативные ссылки: |
|






















