Скачать ГОСТ Р 57270-2016 Материалы строительные. Методы испытаний на горючестьДата актуализации: 01.01.2021
|
| Обозначение: | ГОСТ Р 57270-2016 |
| Обозначение англ: | GOST R 57270-2016 |
| Статус: | введен впервые |
| Название рус.: | Материалы строительные. Методы испытаний на горючесть |
| Название англ.: | Building materials. Methods for combustibility tests |
| Дата добавления в базу: | 01.02.2017 |
| Дата актуализации: | 01.01.2021 |
| Дата введения: | 01.05.2018 |
| Область применения: | Стандарт устанавливает методы испытаний строительных материалов на горючесть и классификацию их по группам горючести. Стандарт не распространяется на лаки и краски в жидком виде, а также другие строительные материалы в виде растворов и порошков. |
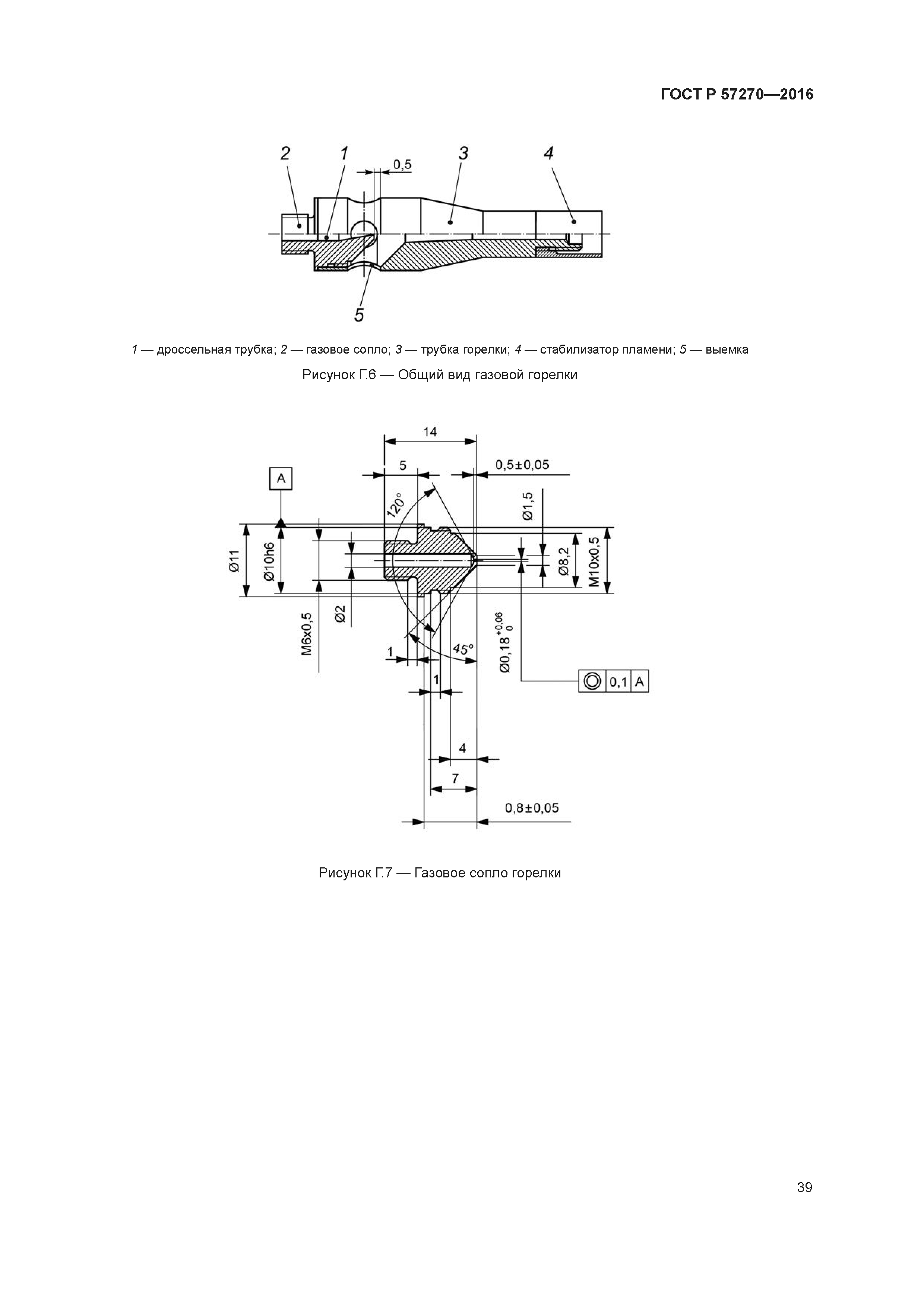
| Оглавление: | 1 Область применения 2 Нормативные ссылки 3 Термины и определения 4 Основные положения 5 Классификация строительных материалов по группам горючести 6 Метод испытания на негорючесть (метод I) 6.1 Область применения 6.2 Образцы для испытания 6.3 Оборудование для испытания 6.4 Условия проведения испытания 6.5 Калибровка установки 6.6 Проведение испытания 6.7 Обработка результатов 6.8 Протокол испытания 6.9 Требования по безопасности 7. Метод испытания горючих строительных материалов для определения их групп горючести (метод II) 7.1 Область применения 7.2 Образцы для испытания 7.3 Оборудование для испытания 7.4 Подготовка к испытанию 7.5 Проведение испытания 7.6 Обработка результатов испытания 7.7 Протокол испытания 7.8 Требования безопасности 8 Метод испытания горючих строительных материалов при прямом воздействии пламени от малой горелки (метод III) 8.1 Область применения 8.2 Образцы для испытания 8.3 Оборудование для испытания 8.4 Подготовка и проведение испытания 8.5 Оценка результатов испытания 8.6 Классификация 8.7 Протокол испытания 8.8 Требования безопасности 9 Метод испытания строительных материалов по определению теплоты сгорания (метод IV) 9.1 Область применения 9.2 Образцы для испытания 9.3 Оборудование и материалы для испытания 9.4 Подготовка и проведение испытания 9.5 Оценка результатов испытания 9.6 Классификация 9.7 Протокол испытания 9.8 Требования безопасности Приложение А (обязательное) Установки для испытаний строительных материалов на негорючесть по методу I Приложение Б (справочное) Примеры расчета начальной и конечной температур стабилизации при испытании по методу I Приложение В (обязательное) Установка для испытаний строительных материалов на горючесть по методу II Приложение Г (обязательное) Установка для испытаний строительных материалов при прямом воздействии пламени малой горелки по методу III Приложение Д (обязательное) Общий вид установки для определения теплоты сгорания строительных материалов по методу IV Приложение Е (обязательное) Определение низшей теплоты сгорания Приложение Ж (рекомендуемое) Пример определения теплоты сгорания многослойного материала |
| Разработан: | ЦНИИСК им. В.А. Кучеренко ФГБУ ВНИИПО МЧС России АО НИЦ Строительство |
| Утверждён: | 18.11.2016 Федеральное агентство по техническому регулированию и метрологии (1713-ст) |
| Издан: | Стандартинформ (2016 г. ) |
| Список изменений: |
|
| Нормативные ссылки: |
|



















































Текстовое изменение № 