Скачать СП 268.1325800.2016 Транспортные сооружения в сейсмических районах. Правила проектированияДата актуализации: 01.01.2021
|
| Обозначение: | СП 268.1325800.2016 |
| Обозначение англ: | SP 268.1325800.2016 |
| Статус: | введен впервые |
| Название рус.: | Транспортные сооружения в сейсмических районах. Правила проектирования |
| Название англ.: | Transport structures in seismic zones. Specifications for earthquake-resistant design |
| Дата добавления в базу: | 05.05.2017 |
| Дата актуализации: | 01.01.2021 |
| Дата введения: | 17.06.2017 |
| Область применения: | Свод правил следует соблюдать при проектировании скоростных магистралей, магистралей с преимущественно пассажирским движением, особогрузонапряженных магистралей и железных дорог категорий I - IV, автомобильных дорог общего пользования категорий I - IV, метрополитенов, скоростных городских дорог и магистральных улиц, пролегающих в районах сейсмичностью 6 - 10 баллов. Свод правил не распространяется на железнодорожные пути с повышенными по сравнению с предусмотренными СП 119.13330 нагрузками от железнодорожного транспорта и на высокоскоростные железные дороги (свыше 200 км/ч). |
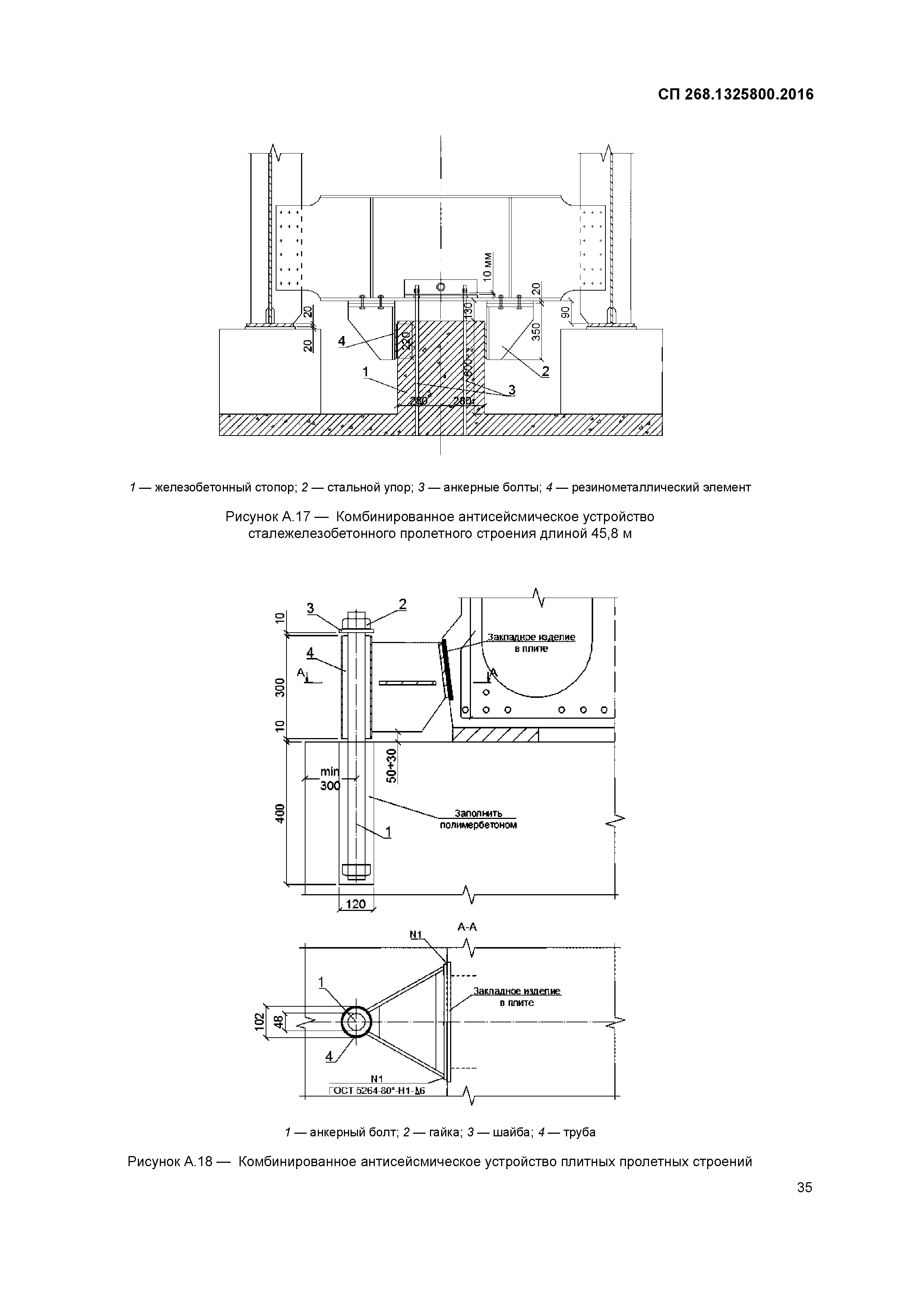
| Оглавление: | 1 Область применения 2 Нормативные ссылки 3 Термины и определения 4 Основные положения 5 Трассирование дорог 6 Земляное полотно 7 Верхнее строение пути и дорожная одежда 8 Мосты 8.1 Расположение мостов 8.2 Основные требования к конструкции 8.3 Нагрузки и воздействия 8.4 Расчеты на сейсмостойкость 9 Транспортные тоннели и метрополитены 9.1 Трассирование тоннелей 9.2 Основные требования к конструкции 9.3 Расчеты на сейсмостойкость 10 Водопропускные трубы 11 Подпорные стены 12 Электрификация и электроснабжение железных дорог Приложение А (справочное) Антисейсмические устройства мостов Приложение Б (справочное) Гашение энергии колебаний мостов Приложение В (справочное) Определение сейсмической нагрузки от масс сооружения в случае неравномерного распределения переносных ускорений Приложение Г (справочное) Определение срока службы стальных гофрированных водопропускных труб в агрессивных средах Приложение Д (справочное) Ремонт стальных гофрированных водопропускных труб Приложение Е (справочное) Расчет замкнутых монолитных обделок произвольного очертания тоннелей глубокого заложения Приложение Ж (справочное) Нормальные и касательные напряжения в массиве пород (грунтов) при землетрясении Библиография |
| Разработан: | АО ЦНИИС ОАО Метрогипротранс ОАО Ленметрогипротранс ООО ПОИСК ФГБОУ ВО Тульский государственный университет |
| Утверждён: | 16.12.2016 Министерство строительства и жилищно-коммунального хозяйства Российской Федерации (986/пр) |
| Издан: | Стандартинформ (2017 г. ) |
| Нормативные ссылки: |
|
























































