Скачать Методические указания по наладке и эксплуатации дифференциально-фазной защиты ДФЗ-503Дата актуализации: 01.01.2021
Методические указания по наладке и эксплуатации дифференциально-фазной защиты ДФЗ-503| Статус: | действует | | Название рус.: | Методические указания по наладке и эксплуатации дифференциально-фазной защиты ДФЗ-503 | | Дата добавления в базу: | 01.01.2019 | | Дата актуализации: | 01.01.2021 | | Область применения: | Методические указания составлены на основании технической информации Чебоксарского электроаппаратного завода по модифицированной защите ДФЗ-503, материалов ВНИИЭ и института "Энергосетьпроект", опыта наладки и эксплуатации этих защит в энергосистемах.
В Методических указаниях учтены дополнения и уточнения существующих методов проверок, изложена методика проверок новых устройств и элементов, приведены рекомендуемый объем и сроки эксплуатационных проверок.
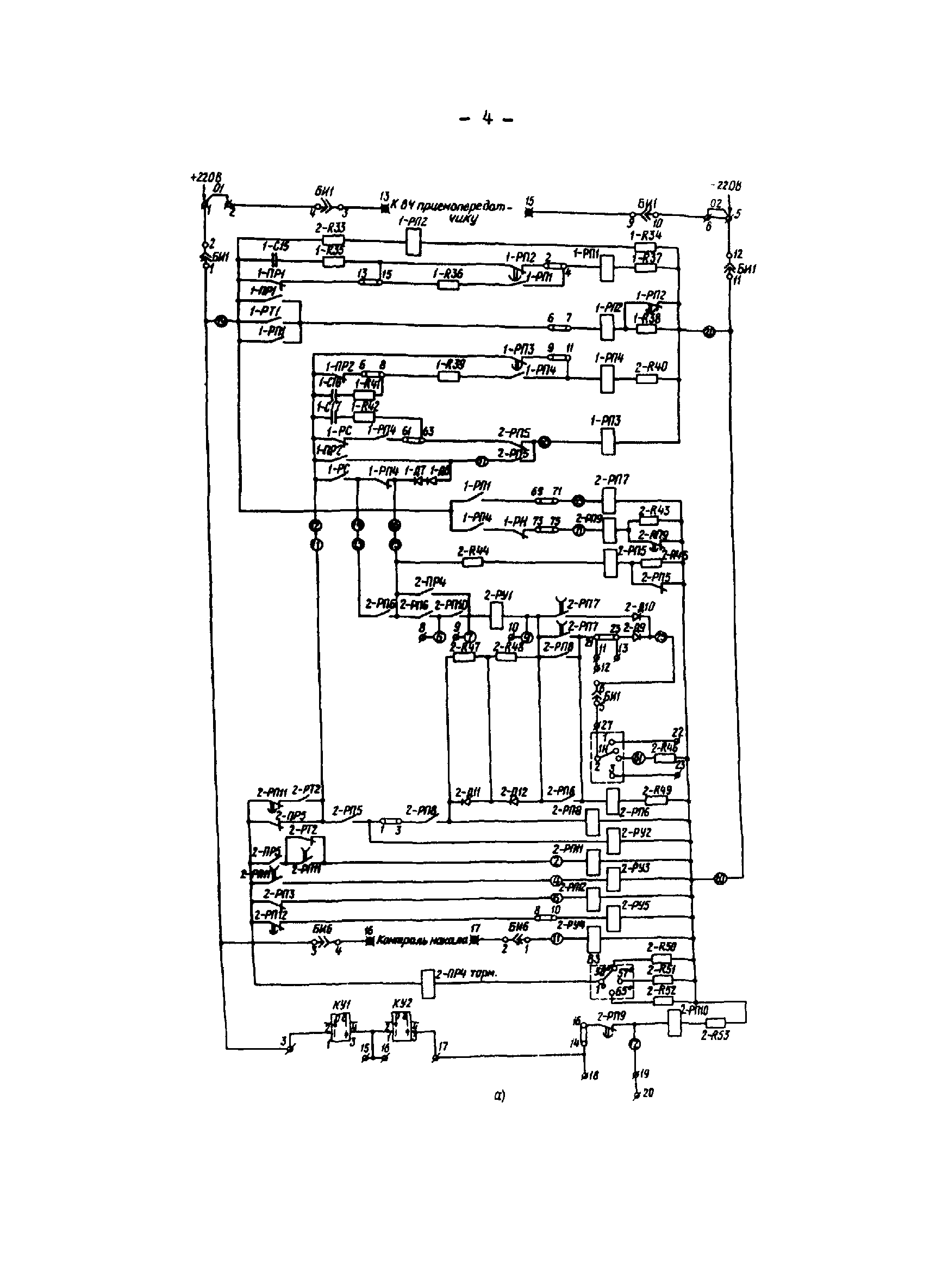
Методические указания рекомендуются для персонала служб релейной защиты энергосистем и наладочных организаций, занимающихся наладкой устройств релейной защиты | | Оглавление: | 1. Подготовительные работы 1.1. Подготовка технической документации 1.2. Подготовка приборов, инструмента и приспособлений 1.3. Оформление работ и допуск к работе 2. Осмотр панели, регулирование механической части аппаратуры и проверка изоляции 2.1. Внешний и внутренний осмотры и проверка качества монтажа 2.2. Регулирование механической части аппаратуры 2.2.1. Регулирование поляризованных реле РП-7 2.2.2. Регулирование кодовых реле КДР-I, КДР-IМ, КДР-3М 2.2.3. Регулирование реле сопротивления 2.3. Измерение сопротивления изоляции цепей панели 2.3.1. Условия проверки 2.3.2. Объем проверки 2.3.3. Измерение сопротивления изоляции поляризованного реле 3. Проверка аппаратуры постоянного тока 3.1. Объем проверки 3.2. Последовательность проверки 4. Проверка пускового органа 4.1. Условия проверки 4.3. Проверка фильтра напряжения обратной последовательности 4.4. Проверка правильности включения трансреакторов I-ТКП 4.5. Проверка фильтра третьей гармонической составляющей 4.6. Проверка фильтра пятой гармонической составляющей 4.7. Проверка напряжений и токов срабатывания и возврата реле I—ПРI и I—ПР2 4.8. Проверка четкости работы контактных систем реле I—ПРI и I—ПР2 4.9. Проверка правильности настройки компенсирующего устройства 4.10. Проверка токов срабатывания и возврата реле I-ПРI и I-ПР2 при подведении к пусковому органу тока нулевой последовательности 4.11. Проверка чувствительности пускового органа при одновременной подаче тока и напряжения 4.12. Проверка стабилизирующего действия трансформатора I-СТП и I-ТН при совместной подаче на пусковой орган напряжения обратной и тока нулевой последовательностей 4.13. Проверка действия безынерционного пуска ВЧ передатчика 4.14. Проверка токового реле I-РТI и реле напряжения I-РН 4.15. Проверка реле сопротивления 4.15.1. Расчет отпаек автотрансформатора 4.15.2. Определение угла максимальной чувствительности 4.15.3. Проверка заданной уставки по сопротивлению срабатывания при заданном угле между векторами тока и напряжения и определение коэффициента возврата 4.15.4. Снятие угловой характеристики реле 4.15.5. Снятие характеристики сопротивления срабатывания реле от тока 4.15.6. Проверка срабатывания реле сопротивления при закороченных цепях напряжения 4.15.7. Проверка четкости работы контактной системы реле 5. Проверка органа управления ВЧ передатчиком 5.1. Условия проверки 5.2. Проверка действия стабилизаторов напряжения 5.3. Проверка частотного фильтра 5.4. Проверка настройки комбинированного фильтра токов 5.5. Проверка угла между векторами тока на входе панели и напряжения на выходе органа управления 5.6. Проверка чувствительности органа управления ВЧ передатчиком 5.7. Проверка устройства компенсации емкостных токов 5.7.1. Определение проводимости устройства 5.7.2. Проверка правильности включения обмоток трансреактора 2-ТКМ 6. Проверка органа сравнения фаз токов 6.1. Определение зависимости длительности импульсов тока на выходе приемника от значения управляющего напряжения 6.2. Снятие фазной характеристики 6.3. Определение углов и токов срабатывания и возврата реле 2-ПР4 6.4. Проверка токов срабатывания и возврата реле органа сравнения фаз токов при питании его переменным напряжением 7. Проверка блокировки при нарушениях в цепях напряжения 7.1. Проверка токов срабатывания и возврата реле 2-ПР5 7.2. Проверка правильности включения обмоток трансформатора 2-ТБ 7.3. Проверка времени срабатывания блокировки 7.4. Проверка токового реле 2-РТ2 8. Проверка взаимодействия реле 8.1. Условия проверки 8.2. Порядок проверки 9. Испытание изоляции панели 9.1. Условия испытания 10. Комплексная проверка защиты 10.1. Проверка времени срабатывания защиты при имитации различных КЗ в защищаемой зоне 10.2. Проверка поведения защиты при КЗ вне защищаемой зоны 10.3. Проверка взаимодействия защиты с другими устройствами РЗА 11. Проверка защит рабочим током и напряжением 11.1. Условия проверки 11.2. Проверка правильности подключения цепей напряжения 11.3. Проверка правильности подключения токовых цепей защиты 11.4. Проверка правильности включения реле сопротивления 11.5. Проверка фильтра напряжения обратной последовательности 11.6. Проверка правильности включения компенсирующего устройства пускового органа 11.7. Проверка правильности включения комбинированного фильтра токов 11.8. Проверка правильности включения блокировки при нарушениях в цепях напряжения 11.9. Проверка устройства компенсации емкостных токов 11.9.1. Проверка правильности включения обомоток WBC и WAO 11.9.2. Проверка правильности включения обмоток WO и WAO 11.9.3. Проверка устройства компенсации при включении линии под напряжение с одной стороны 11.10. Проверка совпадения фаз токов между подстанциями 11.11. Проверка совпадения фазировки цепей напряжения на подстанциях 11.12. Проверка фазировки органа управления 11.13. Проверка правильности включения органа управления 11.14. Обмен ВЧ сигналами между приемопередатчиками обоих полукомплектов защиты 11‚15. Подготовка защиты к включению 12. Указания по эксплуатации защиты 12.1. Виды технического обслуживания 12.2. Объем технического обслуживания 12.3. Периодичность технического обслуживания 12.4. Указания оперативному персоналу Приложение 1. Особенности выполнения защиты Приложение 2. Протокол наладки релейной части ВЧ дифференциально-фазной защиты ДФЗ-503 Приложение 3. Способы повышения дальности действия дифференциально-фазных защит за счет специального включения органа управления Приложения 4. Проверка правильности включения органа управления Приложение 5. Перечень приборов и устройств, необходимых для наладки и эксплуатационных проверок защиты Список использованной литературы | | Разработан: | Сибтехэнерго
| | Утверждён: | 01.09.1981 Союзтехэнерго
| | Издан: | Сибтехэнерго (1981 г. )
| | Нормативные ссылки: | |
                                                                                                                        
|