МИНИСТЕРСТВО ЭНЕРГЕТИКИ И ЭЛЕКТРИФИКАЦИИ СССР
ГЛАВНОЕ ТЕХНИЧЕСКОЕ УПРАВЛЕНИЕ ПО ЭКСПЛУАТАЦИИ ЭНЕРГОСИСТЕМ
ИНСТРУКЦИЯ
ПО ПРОВЕРКЕ И НАЛАДКЕ
РЕЛЕ ТОКА И НАПРЯЖЕНИЯ
СЕРИЙ ЭТ, РТ, ЭН, РН
![]()
СОЮЗТЕХЭНЕРГО
МОСКВА 1979
Проект инструкции составлен инж. С.А. ПТИЦЫНЫМ
Инструкция предназначена для персонала электростанций, электрических сетей и наладочных организаций, занимающихся обслуживанием, монтажом и наладкой реле максимального (минимального) тока и напряжения серий ЭТ, РТ, ЭН, РН.
В Инструкции рассматриваются принцип действия реле, их конструкция, приводятся основные технические характеристики различных модификаций, указываются последовательность, объем и методика проверки и регулировки реле.
УТВЕРЖДАЮ:
Заместитель начальника
Главтехуправления
К.М. АНТИПОВ
1 февраля 1979 г.
Настоящая Инструкция распространяется на реле максимального (минимального) тока и напряжения серий ЭТ, РТ, ЭН, РН (ГОСТы 3698-65 и 3699-65), монтируемые на вертикальное плоскости в стационарных устройствах релейной защиты и электроавтоматики, реагирующие на изменение тока или напряжения и воздействующие на электрические цепи включающих, отключающих или сигнальных устройств.
Реле серия ЭТ и ЭН сняты с производства, взамен их выпускаются реле РТ и РН. Обе серии имеют общий принцип действия, а различаются они формой магнитопровода и расположением поворотного якоря относительно магнитной системы. Это позволяет разработать общую инструкцию на обе серии.
Данная Инструкция устанавливает методику и последовательность регулировки и наладки реле, а также объем различных видов технического обслуживания и является руководящим материалом для работников служб релейной защиты, электроавтоматики, измерений (РЗАИ).
В Инструкции кратко освещен принцип действия реле и дан анализ основных факторов, влияющих на их надежную работу. Описаны конструкции различных модификаций реле и приведены технические характеристики как выпускаемых, так и снятых с производства, но находящихся в эксплуатации реле.
Инструкция не распространяется на реле специального назначения (например, РТ-80; РТ-90; дифференциальные РНТ и т.п.).
При производстве работ, кроме данной Инструкции, следует руководствоваться [Л.1 - 3].
1.1.1. Реле ЭН-520 должны удовлетворять требованиям ГОСТ 3699-47; ЭТ-520 - ГОСТ 3698-47; РН - ГОСТ 3699-65; РТ - ГОСТ 3698-65. Отдельные серии или типы реле, поставляемые по соглашению с заказчиком, должны удовлетворять требованиям технических условий, утвержденных на них в установленном порядке (например, реле ЭН-524/М удовлетворяет ТУ ЭОВВ 523.037-57).
1.1.2. В документации на первые серии реле некоторые эксплуатационные и технические характеристики были не оговорены; эти реле должны удовлетворять требованиям последних стандартов.
1.2.1. Реле пригодны для работы в стационарных: установках в следующих условиях:
а) при установке на вертикальной плоскости;
б) при установке на высоте до 1000 м над уровнем моря;
в) при температуре окружающего воздуха от -20 до +40 °С в общепромышленном исполнении и от -10 до +45 °С в тропическом исполнении;
г) при относительной влажности воздуха не более 80 в общепромышленном исполнении и не более 95 % в тропическом исполнении.
Реле не пригодны для работы:
а) в условиях вибрации и тряски;
б) во взрывоопасной среде;
в) в среде, насыщенной пылью (мучной, угольной, древесной, абразивной);
г) в среде, насыщенной водяными парами, и в местах, не защищенных от попадания воды;
д) в среде, содержащей активные химические газы и пары, разрушающие металлы и изоляцию.
1.3.I. На шкале уставок должны быть отчетливо указаны:
а) товарный знак предприятия-изготовителя;
б) наименование и тип реле.
Число, находящееся в знаменателе в обозначении типа реле, указывает на максимальную уставку тока срабатывания при параллельно соединенных обмотках реле тока ЭТ, РТ или максимально возможное напряжение срабатывания реле напряжения ЭН, РН при последовательном соединении обмоток;
в) род тока;
г) номинальный ток в амперах или номинальное напряжение в вольтах, соответствующий току (напряжению), длительно допустимому для данного реле;
д) принципиальная схема реле и шкала уставок, соответствующая току (напряжению) срабатывания, указанному возле каждой уставки.
Шкала реле ЭТ, РТ проградуирована в амперах при последовательно соединенных обмотках. Шкала реле ЭН, РН проградуирована в вольтах при включении в цепь обмоток только одного добавочного резистора (для реле РН-50 напряжение подается на выводы 8; 12).
Схема внутренних электрических соединений реле соответствует виду, приведенному на реле спереди. Для увеличения шкалы уставок вдвое необходимо установить перемычки на выводах реле РТ-40 так, как это показано справа на шкале, а для реле РН-50 необходимо напряжение подвести к выводам 6, 12;
е) год и месяц выпуска реле;
ж) номер стандарта.
Если в маркировке реле дополнительно указан индекс «Т» например, РН-53/60-Т, то оно пригодно для работы в условиях тропического климата. Тропическое исполнение реле отличается от общепромышленного применением соответствующих условиям тропического климата материалов, покрытий и отделок.
1.4.1. По исполнению контактов серии реле Э-520 делятся на три группы:
а) ЭТ-521 - с одним замыкающим контактом;
б) ЭТ-522, ЭН-528 - с одним размыкающим контактом;
в) ЭТ-523, ЭН-526 - с одним замыкающим и одним размыкающим контактами. В эту группу также входят все серии реле РТ и РН (кроме РН-51/М, оно относится в группе 1.4.1, а).
Принципиальные электрические схемы внутренних соединений реле ЭТ, РТ, ЭН, РН представлены на рис. 1 и 2.
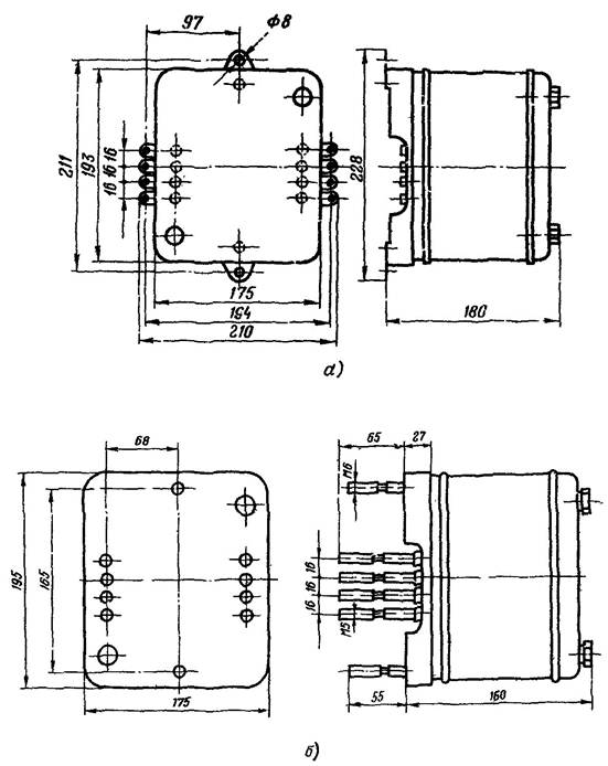
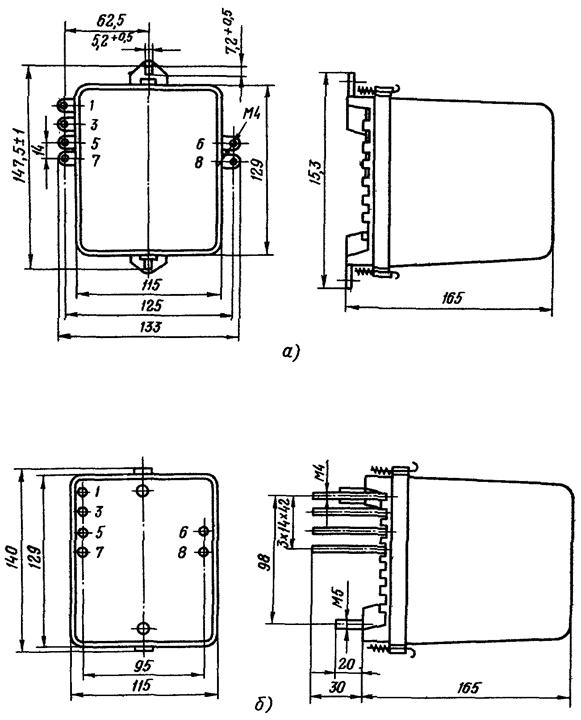
На рис. 3 - 7 даны габаритные и установочные размеры основных типов реле.
1.4.3. Реле устанавливается на металлической панели толщиной 5 мм. Оно должно быть надежно закреплено, выводы изолированы от панели. При заднем присоединении на шпильки реле рекомендуется надевать изолирующие хлорвиниловые трубки. Ширина отверстий в панели должна быть на 4 - 5 мм больше диаметра шпилек.
При переднем монтаже на металлической панели под выводы реле должны быть подложены изолирующие прокладки, обеспечивающие зазор между токоведущими частями и панелью не менее 3 мм.
1.4.4. Состояние уплотнений внутри реле должно обеспечивать его пыленепроницаемость.
Удаление пыли снаружи реле при его эксплуатации не должно приводить к неправильному его срабатыванию или к замыканию его токопроводящих частей.
1.4.7. Якорь реле должен поворачиваться свободно, без трения, имея поперечный и продольный зазор в осях в пределах 0,15 - 0,2 мм. Зазор между плоскостью якоря и полюсами магнитопровода должен быть равномерным, при втянутом якоре - 0,6 - 0,7 мм.
Рис. 1. Схемы внутренних соединений реле:
а - ЭТ-521, ЭН-524 и ЭН-524/М; б - ЭТ-522, ЭН-528; в - ЭТ-523, ЭН-526, ЭН-529, ЭН-526/60Д-М; г - РТ-40; д - РН-53, РН-54, РН-53/60Д; е - РТ-40/1Д; ж - РТ-40/Ф; з - РТ-40/Р; и - РН-51/M34, РН-51/М56; к - PН-51/М78
Рис. 2. Схемы внутренних соединений:
а - реле РНН-57; б - РН-58
ВМ - выпрямительный мост; Ф - фильтр 50 Гц; П - потенциометр; Д1 - Д4 - стабилитроны
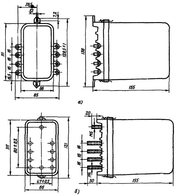
Рис. 3. Габаритные и установочные размеры реле ЭТ-520:
а - переднее присоединение; б - заднее присоединение

Рис. 4. Габаритные и установочные размеры реле ЭТ-523/1Д:
а - переднее присоединение; б - заднее присоединение
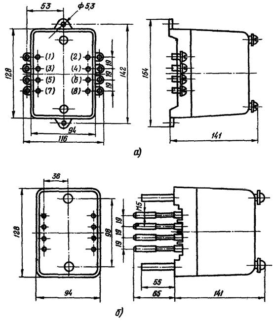
Рис. 5. Габаритные и установочные размеры реле РТ-40, РН-51M, РН-53, РН-54, РН-53/60Д:
а - переднее присоединение; б - заднее присоединение
Рис. 6. Габаритные и установочные размеры реле РТ-40/1Д, РТ-40/Ф, РТ-40/Р:
а - переднее присоединение; б - заднее присоединение
Рис. 7. Габаритные и установочные размеры реле РНН-57, РН-58:
а - переднее присоединение; б - заднее присоединение
1.4.8. Упоры должны быть надежно зафиксированы и правильно установлены, позволяя пружинам неподвижных контактов под действием мостика прогибаться не менее чем на 0,5 мм.
1.4.9. Плоскость спиральной пружины должна быть строго перпендикулярна оси якоря, между витками пружины должен сохраняться равномерный зазор при изменении уставки во всем диапазоне.
1.4.10. Указатель уставки должен ходить по шкале с некоторым трением и не сдвигаться самопроизвольно с заданной уставки.
Пластмассовая колодка с неподвижными контактами должна быть установлена так, чтобы зазор между мостиком с подвижными контактами и замыкающими контактами (ход контактов до замыкания) составлял 1,8 - 2 мм, а прогиб пружин размыкающих контактов был бы не менее 0,5 мм на начальной уставке шкалы.
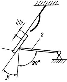
Угол встречи b якоря в точке касания и плоскостью неподвижных контактов (рис. 8) составляет 25 - 30° для реле серий ЭТ, ЭН.
Рис. 8. Угол встречи b якоря и совместный ход неподвижных контактов:
1 - серебряная пластинка неподвижного контакта; 2 - мостик
1.4.13. Величина совместного хода контактов должна составлять не менее 1 - 1,5 мм. Встреча мостика с серебряным контактом должна происходить на расстоянии 1/3 длины от переднего края (см. рис. 8) и не доходить на 1/3 до заднего края серебряного контакта во избежание заскакивания контактов.
1.5.1. Сопротивление изоляции между токоведущими электрически не связанными частями реле, а также между ними и металлическими частями корпуса реле в обесточенном состоянии должно быть не менее 50 МОм.
Это условие выполняется при соответствии магнитодвижущей силы срабатывания Iср · n (Iср - ток срабатывания в амперах; n - число витков обмотки реле) заводским данным.
Для реле Э-520 и Э-60* магнитодвижущая сила равна 50 А на начальной и 100 А на конечной уставке по шкале, а для реле Э-70 - соответственно 45 и 90 А.
____________
* При обозначении одинаковых параметров реле тока ЭТ и напряжения ЭН одной серии в дальнейшем принято общее обозначение реле только буквой «Э», например, ЭТ-520 и ЭН-520 обозначаются Э-520.
Подвижная система реле Э-520, Э-60, Э-70 насыщается при магнитодвижущей силе, равной 500 А, т.е. при кратности тока в обмотке реле порядка 10 по отношению к начальной уставке или 5 по отношению к конечной уставке по шкале.
Для реле серий Р-40/0,2 - РТ-40/50 магнитодвижущая сила равна 150 А, а для реле РТ-40/100 и РТ-40/200 равна 200 А на конечной уставке по шкале.
Значения напряжений (токов) срабатывания основных типов реле приведены в табл. 1 - 8, а характеристики специальных реле указаны в приложениях 2 - 3.
Таблица 1
|
Последовательное соединение обмоток |
Параллельное соединение обмоток |
|||||
|
Ток срабатывания, А |
Термическая устойчивость при протекании тока |
Ток срабатывания, А |
Термическая устойчивость при протекании тока |
|||
|
длительно, А |
в течение 1 с, А |
длительно, А |
в течение 1 с, А |
|||
|
ЭТ-521/0,2 ЭТ-522/0,2 ЭТ-523/0,2 |
0,05 - 0,1 |
0,3 |
12 |
0,1 - 0,2 |
0,6 |
24 |
|
ЭТ-521/0,6 ЭТ-522/0,6 ЭТ-523/0,6 |
0,15 - 0,3 |
1 |
45 |
0,3 - 0,6 |
2 |
90 |
|
ЭТ-521/2 ЭТ-522/2 ЭТ-523/2 |
0,5 - 1 |
4 |
100 |
1 - 2 |
8 |
200 |
|
ЭТ-521/6 ЭТ-522/6 ЭТ-523/6 |
1,5 - 3 |
10 |
300 |
3 - 6 |
20 |
600 |
|
ЭТ-521/10 ЭТ-522/10 ЭТ-523/10 |
2,5 - 5 |
10 |
300 |
5 - 10 |
20 |
600 |
|
ЭТ-521/20 ЭТ-522/20 ЭТ-523/20 |
5 - 10 |
15 |
300 |
10 - 20 |
30 |
600 |
|
ЭТ-521/50 ЭТ-522/50 ЭТ-523/50 |
12,5 - 25 |
20 |
450 |
25 - 50 |
40 |
900 |
|
ЭТ-521/100 ЭТ-522/100 ЭТ-523/100 |
25 - 50 |
20 |
450 |
50 - 100 |
40 |
900 |
|
ЭТ-521/200 |
50 - 100 |
20 |
450 |
100 - 200 |
40 |
900 |
Таблица 2
|
Тип реле |
Напряжение срабатывания, В |
Длительно допустимое напряжение, В, при |
|
|
последовательном соединении обмоток |
параллельном соединении обмоток |
||
|
ЭН-524/60, ЭН-526/60 |
15 - 60 |
66 |
33 |
|
ЭН-528/48, ЭН-529/48 |
12 - 48 |
66 |
33 |
|
ЭН-528/160; ЭН-529/160 |
40 - 160 |
220 |
110 |
|
ЭН-528/320; ЭН-529/320 |
80 - 320 |
440 |
220 |
|
ЭН-524/200, ЭН-526/200; ЭН-65/200 |
50 - 200 |
220 |
110 |
|
ЭН-524/400; ЭН-526/400 |
100 - 400 |
440 |
220 |
|
ЭН-65/400; ЭН-66/400 |
100 - 400 |
550 |
275 |
Таблица 3
|
Тип реле (постоянного тока) |
Параллельное соединение обмоток |
Последовательное соединение обмоток |
Коэффициент возврата, не менее |
|||||
|
уставка, В |
номинальное напряжение, В |
сопротивление, Ом |
уставка, В |
номинальное напряжение, В |
сопротивление, Ом |
|||
|
ЭН-524/М34 |
3,2 |
30 |
500 |
6,4 |
60 |
2000 |
|
0,25 |
|
ЭН-524/М56 |
0,7 |
4 |
10 |
1,4 |
8 |
40 |
||
|
ЭН-524/М78 |
16 |
50 |
3750 |
32 |
100 |
15000 |
||
|
ЭН-524/МР |
- |
- |
- |
1,7 |
4 |
25 |
||
Таблица 4
|
Тип реле |
Присоединение реле (номер выводов) |
Пределы уставок, А |
Полное сопротивление, Ом, при токе |
Термическая устойчивость при протекании тока |
||||||
|
минимальной уставки |
5 А |
30 А |
длительно, А |
в течение 1 с, А |
||||||
|
ЭТ-523/1Д |
2 - 8 |
0,15 - 0,3 |
12 |
3,5 |
0,9 |
|
6 |
300 |
||
|
ЭТ-523/1Д |
2 - 6 |
0,3 - 0,6 |
3 |
0,8 |
0,25 |
|||||
|
ЭТ-63/1Д |
2 - 4 |
0,5 - 1,0 |
1 |
0,3 |
0,08 |
|||||
Таблица 5
|
Тип реле |
Пределы регулировки уставки тока срабатывания, мА |
Последовательное соединение обмоток |
Параллельное соединение обмоток |
||
|
уставка тока срабатывания, мА |
сопротивление, Ом |
уставка тока срабатывания, мА |
сопротивление, Ом |
||
|
ЭТД-551/40 |
10 - 40 |
10 - 20 |
80 |
20 - 40 |
20 |
|
ЭТД-551/50 |
12,5 - 50 |
12,5 - 25 |
52 |
25 - 50 |
13 |
|
ЭТД-551/60 |
15 - 60 |
15 - 30 |
36 |
30 - 60 |
9 |
Таблица 6
|
Тип реле |
Последовательное соединение обмоток |
Параллельное соединение обмоток |
Потребляемая мощность при токе уставки, Вт |
Число витков |
Диаметр провода по меди, мм |
||||
|
ток срабатывания, А |
термическая устойчивость при протекании тока |
ток срабатывания, А |
термическая устойчивость при протекании тока |
||||||
|
длительно, А |
в течение 1 с, А |
длительно, А |
в течение 1 с, А |
||||||
|
РТ-40/0,2 |
0,05 - 0,1 |
0,55 |
15 |
0,1 - 0,2 |
1,1 |
30 |
0,2 |
780 |
0,44 |
|
РТ-40/0,6 |
0,15 - 0,3 |
1,75 |
50 |
0,3 - 0,6 |
3,5 |
100 |
0,2 |
250 |
0,8 |
|
РТ-40/2 |
0,5 - 1 |
4,15 |
100 |
1 - 2 |
8,3 |
200 |
0,2 |
75 |
1,16 |
|
РТ-40/6 |
1,5 - 3 |
11 |
300 |
3 - 6 |
22 |
600 |
0,5 |
25 |
2,02 |
|
РТ-40/10 |
2,5 - 5 |
17 |
400 |
5 - 10 |
34 |
800 |
0,5 |
15 |
2,26 |
|
РТ-40/20 |
5 - 10 |
19 |
400 |
10 - 20 |
38 |
800 |
0,5 |
8 |
2,26 |
|
РТ-40/50 |
12,5 - 25 |
27 |
500 |
25 - 50 |
54 |
1000 |
0,8 |
3 |
2,63 |
|
РТ-40/100 |
25 - 50 |
27 |
500 |
50 - 100 |
54 |
1000 |
1,8 |
2 |
2,63 |
|
РТ-40/200 |
50 - 100 |
27 |
500 |
100 - 200 |
54 |
1000 |
8 |
1 |
2,63 |
Таблица 7
|
Тип реле |
Номинальное напряжение, В |
I диапазон уставок |
II диапазон уставок |
Коэффициент возврата реле |
Потребляемая мощность |
||||
|
I диапазон |
II диапазон |
напряжение срабатывания, В |
длительно допустимое напряжение, В |
напряжение срабатывания, В |
длительно допустимое напряжение, В |
||||
|
РН-53/60 |
30 |
60 |
15 - 30 |
33 |
30 - 60 |
66 |
Не менее 0,8 на любой уставке шкалы |
|
Около 1 Вт при напряжении на минимальной уставке |
|
РН-53/200 |
100 |
200 |
50 – 100 |
110 |
100 – 200 |
220 |
|||
|
РН-53/400 |
200 |
400 |
100 – 200 |
200 |
200 – 400 |
440 |
|||
|
РН-54/48 |
30 |
60 |
12 – 24 |
33 |
24 – 48 |
66 |
Не более 1,25 на любой уставке шкалы |
||
|
PH-54/160 |
100 |
200 |
40 – 80 |
110 |
80 – 160 |
220 |
|||
|
РН-54/320 |
200 |
400 |
80 – 160 |
220 |
160 – 320 |
440 |
|||
|
РН-53/60Д |
100 |
200 |
15 – 30 |
110 |
30 – 60 |
220 |
Не менее 0,8 на любой уставке шкалы |
Не более 5 Вт при Uном на I диапазоне уставок |
|
Таблица 8
|
Тип реле |
Данные обмоток1 |
Значение сопротивления добавочного резистора в цепи обмоток реле, Ом |
|||
|
число витков каждой обмотки |
диаметр провода по меди, мм |
I диапазон уставок |
II диапазон уставок |
||
|
РН-53/60 РН-54/48 РН-51/М56 |
|
2000 |
0,25 |
560 |
1380 |
|
РН-53/200 РН-54/160 |
|
6500 |
0,13 |
6800 |
15900 |
|
РН-53/60Д |
6500 |
0,13 |
1300 |
4600 |
|
|
РН-53/400 РН-54/320 |
|
1400 |
0,09 |
24000 |
57000 |
|
1 Вид изоляции обмоток для всех типов реле - два слоя высокопрочной эмали. |
|||||
1.5.5. Коэффициент возврата для максимальных реле должен быть не менее 0,82 на конечной уставке и 0,92 на начальной уставке. Соответственно у минимальных реле не более 1,12 - 1,20. В других специальных случаях коэффициент возврата должен быть задан в зависимости от конкретной схемы защиты и применяемых типов реле.
1.5.6. Размыкающие контакты при отсутствии внешних толчков и вибраций на любой уставке по току (напряжению) срабатывания должны надежно без вибрации размыкать цепь:
а) при снижении тока (напряжения) в обмотке сработавшего минимального реле - до 0,9 от тока возврата,
б) при повышении тока (напряжения) в обмотке максимального реле - до 0,9 от тока срабатывания.
1.5.7. Замыкающие контакты при отсутствии внешних толчков и вибрации на любой уставке по току (напряжению) срабатывания должны надежно без вибрации замыкать цепь:
а) для максимальных реле от 1,05 тока (напряжения) срабатывания до наибольшей возможной в условиях эксплуатации, но не выше допустимого значения термической устойчивости обмоток реле;
б) для минимальных реле при сбросе напряжения от 1,1 Uн до 1,1 напряжения срабатывания.
1.5.8. Разрывная мощность контактов:
а) для реле ЭТ и ЭН всех типов на постоянном токе составляет 50 Вт при напряжении 220 В и токе до 2 А (для реле ЭТД-551 - 20 Вт и до 0,5 А).
На переменном токе составляет 250 В · А при напряжении до 220 В и токе до 2 А для реле Э-500 (100 В · А; 0,5 А - для реле ЭТД-551),
б) для реле РТ и РН всех типов в цепи постоянного тока с индуктивной нагрузкой, постоянная времени которой не более 0,005 с - 60 Вт при напряжении до 220 В и токе до 2 А. В цепи переменного тока до 300 В · А при напряжении до 220 В и токе до 2 А.
1.5.9. Собственное время срабатывания максимальных реле от момента включения обмотки до момента замыкания замыкающих контактов не превосходит 0,15 с для реле ЭТ и ЭН и 0,1 с для РТ и РН при токе (напряжении), равном 1,2 значения уставки. Для минимальных реле ЭН-500, РН - не более 0,15 с при снижении напряжения до 0,8 значения уставки.
Специальные типы реле имеют другие значения времени срабатывания, указанные в приложениях 2, 3.
1.5.10. Термическая устойчивость реле приведена в табл. 1, 4, 6. Протекание односекундного тока не должно вызывать повреждения реле и изменения его характеристики.
Полное сопротивление обмотки реле ЭН и РН определяется по формуле
|
|
(1) |
где Uср - напряжение срабатывания на начальной уставке.
Потребляемая мощность реле ЭТ при начальной уставке на шкале определяется по данным, приведенным в табл. 9.
Полное сопротивление обмотки реле ЭТ и РТ можно вычислить по формуле
|
|
(2) |
где Iср - ток срабатывания на начальной уставке по шкале.
Таблица 9
|
ЭТ-520/0,2, ЭТ-520/0,6, ЭТ-520/2, ЭТ-520/6; ЭТ-520/10 |
ЭТ-520/20 |
ЭТ-520/50 |
ЭТ-520/100 |
ЭТ-520/200 |
|
|
Потребляемая мощность (около), В · А |
0,1 |
0,2 |
0,8 |
2 |
8 |
2.1.1. В соответствии с данной Инструкцией проверяются все реле серий ЭТ, РТ, ЭН, РН независимо от установки и способов их включения, т.е. как включенные непосредственно на измерительные трансформаторы тока и напряжения, так и через быстронасыщающиеся трансформаторы, фильтры симметричных составляющих, магнитные усилители, устройства отбора напряжения, выпрямители и т.п.
В табл. 10 перечислены наименования всех операций, необходимых при наладке и проверке реле, указаны номера пунктов технических требований, методов испытаний и регулировок характеристик реле.
Таблица 10
|
Номера пунктов |
||
|
технических требований |
методов испытаний |
|
|
1. Внешний осмотр. Проверка маркировки, конструктивного исполнения, монтажа |
По п. 2.6 |
|
|
2. Внутренний осмотр, проверка механической части реле: |
|
|
|
2.1. Пыленепроницаемости |
||
|
2.2. Состояния деталей реле |
||
|
2.3. Подвижной системы (якоря) |
||
|
2.4. Упоров |
||
|
2.5. Спиральной пружины |
||
|
2.6. Указателя уставки |
||
|
2.7. Неподвижных контактов |
||
|
2.8. Мостика якоря |
||
|
2.9. Величины совместного хода контактов |
||
|
3. Разборка реле |
- |
|
|
4. Ревизия отдельных деталей реле |
- |
|
|
5. Проверка электрических характеристик реле: |
|
|
|
5.1. Сопротивления изоляция |
||
|
5.2. Электрической прочности изоляции |
||
|
5.3. Диапазона шкалы |
||
|
5.4. Тока (напряжения) срабатывания |
||
|
5.5. Коэффициента возврата |
||
|
5.6. Размыкающих контактов |
||
|
5.7. Замыкающих контактов |
||
|
6. Повторная проверка реле |
- |
|
|
7. Оформление паспорта-протокола |
- |
|
2.2.1. Проверка при новом включении
Механическое состояние и основные электрические характеристики реле находятся, как правило, в соответствии с техническими условиями, однако при транспортировке новых реле, последующем хранении на складе, а также при монтаже реле могут быть повреждены, загрязнены, а изоляция токоведущих частей нарушена за счет ее увлажнения.
Таким образом, новое реле, прежде чем оно будет введено в эксплуатацию, проверяется в объеме, указанном в табл. 10. Исключение составляют пп. 3 и 4 табл. 10, если электрические характеристики отличаются не более чем на ±5 % от требований на данный тип реле.
Если наладка при новом включении выполнена с высоким качеством, то объем проверок, как правило, значительно сокращается. Наладка при новом включении определяет длительную безотказную эксплуатацию устройства. Проверка при новом включении может производиться как наладочной организацией, так и службой РЗАИ.
2.2.2. Профилактический контроль, профилактическое восстановление, опробование
При профилактическом контроле работы по пп. 3, 4, 5.2 табл. 10 не выполняются, а объем работ по пп. 1, 2 сокращается (исключается проверка маркировки, конструктивного исполнения и п. 2.4). Осмотр реле происходит без снятия кожуха. Проверяется затяжка всех внешних резьбовых соединений. При профилактическом восстановлении работы производят по всем пунктам табл. 10.
Первый профилактический контроль рекомендуется производить через год после включения в эксплуатацию. Последующие проверки выполняются в соответствии с [Л.2, 9].
При опробовании проверяется реле по пп. 5.4; 5.5 табл. 10.
Профилактический контроль и опробование выполняются с целью дополнительного контроля наименее надежных элементов реле и в значительной степени определяются условиями эксплуатации. Например, при сильной запыленности особое внимание нужно уделять проверке по п. 2.1 табл. 10, сильной вибрации - проверкам по пп. 5.6; 5.7, при повышенной влажности - проверкам по пп. 5.1, 5.2 и т.д.
Периодичность частичного профилактического контроля и опробования при нормальных условиях эксплуатации устанавливается не реже одного раза между полным профилактическим контролем.
Профилактический контроль, опробование и восстановление, как правило, должны выполняться персоналом местных служб РЗАИ (МС РЗАИ).
2.2.3. Внеочередные и послеаварийные проверки.
Внеочередные и послеаварийные проверки выполняются при необходимости перестройки уставок, выяснения причин неправильного действия или отказа реле при частичных изменениях схем.
Внеочередные и послеаварийные проверки выполняются в объеме, соответствующем назначению проверки по программе, составленной для каждого конкретного случая службой релейной защиты.
При всех видах проверок для предварительной оценки общего состояния реле до его вскрытия и проверки наружных контактных соединений проверяется ток (напряжение) срабатывания и возврата реле в соответствии с пп. 5.4, 5.5 табл. 10.
Объем проверки механической части реле устанавливается по результатам предварительно измеренного тока (напряжения) срабатывания (отклонение этих величин от заданных указывает на наличие неисправностей) и результатам внешнего осмотра.
Внеочередные проверки выполняются персоналом МС РЗАИ. Послеаварийные проверки по решению службы, ведающей выбором схем и уставок данного устройства, проводятся с участием представителей этой службы.
2.3.1. Рабочие места для регулировки и проверки реле должны удовлетворять следующим требованиям:
а) содержать измерительную аппаратуру, позволяющую проверять все параметры, предусмотренные данной Инструкцией.
Для измерения электрических параметров необходимо применять приборы электромагнитной системы.
Класс точности приборов не ниже 0,5 (ГОСТ 1845-59) при регулировке и не ниже 1,0 при контроле. При выборе прибора надо учитывать, что кроме основной погрешности имеют место дополнительные (изменения температуры, частоты, влияние внешних магнитных полей и т.д.), поэтому суммарная действительная погрешность должна подсчитываться с учетом группы прибора и внешних факторов.
Рекомендуется применять приборы 1-й категории группы В или Б (ГОСТ 1845-59). Пределы измерения приборов выбираются так, чтобы показания измеряемой величины находились в конце или во второй половине шкалы. Этим обеспечивается уменьшение основной погрешности измерения.
Для измерения сопротивления изоляции применяется мегаомметр M1101M на 1000 В (ГОСТ 8038-60 и ТУ 25-04-800-71).
Вся измерительная аппаратура должна проверяться по графику в установленные сроки и иметь паспорт, в который вносятся даты проверок;
б) принципиальная и монтажная схемы всего проверяемого устройства; рабочие уставки, заданные службой РЗАИ, паспорта-протоколы с результатами проверки реле и устройства в целом.
Объем документации определяется согласно разд. 3 «Организация работ» и разд. 6 «Подготовка к проведению работы» [Л.1].
2.3.2. Ниже праведен перечень инструментов и материалов, необходимых для проверки и регулировки реле:
а) щупы с допуском на толщину по 2-му классу точности (рекомендуются проволочные щупы от 0,1 до 0,5 мм);
б) термометр (ГОСТ 2823-73 или ГОСТ 9177-59) с ценой деления, равной 1 °С;
в) паяльник электрический, припой ПОС-40 и канифоль;
г) монтажный провод;
д) набор:
- отверток (простых и часовых);
- плоских гаечных ключей (под гайки М3, М4, М5 и М6);
- торцевых ключей М4 и М6;
- деревянных чурок для чистки подпятников;
- надфилей и воронило для чистки контактов;
е) пинцет хирургический 130 мм;
ж) плоскогубцы, кусачки, круглогубцы,
з) лупа с семикратным увеличением,
л) мягкая чистая ткань и жесткая щеточка для очистки и удаления пыли и грязи.
2.4.1. Работы по проверке и регулировке реле тока и напряжения выполняются с соблюдением правил техники безопасности при обслуживании электроустановок напряжением до 1000 В.
Исключение составляют операции, указанные в п. 5.2 табл. 10, если испытание электрической прочности изоляции осуществляется мегаомметром на 2500 В в течение 1 мин.
2.5.1. Все операции по наладке и испытанию реле должны проводиться при:
а) температуре окружающего воздуха 25 ± 10 °С (298 ± 10 °К);
б) относительной влажности воздуха 65 ± 15 %;
в) атмосферном давлении 750 ± 30 мм рт.ст. (100000 ± 4000 H/м2).
Допускается проведение испытаний при уменьшении относительной влажности до 40 % и уменьшении давления до 650 мм рт.ст. (86700 Н/м2).
2.5.2. Вновь установленное реле должно находиться перед началом испытаний в нормальных климатических условиях не менее 4 ч.
2.5.3. Для реле, находящихся в эксплуатации в среде, где в течение года климатические условия меняются незначительно (температура ±10 °К, влажность ±25 %, давление ±12000 Н/м2 от номинального значения условий эксплуатации), необходимо проводить наладку и испытание реле при этих условиях.
2.6.1. Проверку внешнего вида, наличия пломб, маркировки и конструктивного исполнения по пп. 1.3; 1.4.2, 1.4.3; 1.4.5 производят внешним осмотром и сличением с заводскими чертежами и рис. 3 - 7.
Производится очистка от пыли и грязи кожуха и цоколя реле, а также внешних токоведущих частей от различных налетов. Проверяется плотность прилегания кожуха реле к цоколю, состояние уплотнения и целость кожуха и цоколя, надежность крепления реле и изоляции его выводов от панели.
Для реле серий ЭТ и ЭН проверяется целость стекла и плотность прилегания его к кожуху.
2.6.2. При осмотре реле без вскрытия защиты дополнительно проверяется состояние контактов и других деталей, просматриваемых через стекло.
2.6.3. При полностью снятом в схеме напряжении проверяется надежность всех наружных контактных соединений, в том числе затяжки контргаек, фиксирующих шпилек заднего присоединения на цоколе реле. Затяжку и ослабление гаек производят гаечными ключами.
Для затяжки винтов, крепящих пластины переднего присоединения к цоколю с тыльной стороны, реле необходимо снимать с панели.
2.6.4. В ряде случаев наблюдается покачивание и незначительное поворачивание шпилек заднего присоединения из-за слабой запрессовки контактных втулок в пластмассе цоколя. В таких случаях необходимо вскрыть кожух реле и убедиться в том, что шпилька покачивается и поворачивается вместе с втулкой, т.е. существует надежный контакт.
2.6.5. Проверку схемы расположения выводов контактов и обмоток производят совместно с проверкой токов срабатывания и отпускания в соответствия с п. 2.13.
2.7.1. Проверку на отсутствие посторонних частиц по п. 1.4.4 производят внешним осмотром при семикратном увеличении.
Надежность пайки проводников проверяется с помощью пинцета, приложением силы растяжения, направленной вдоль оси вывода.
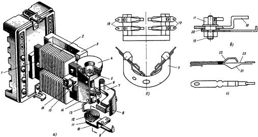
Проверяется обязательно надежность контактов между проводниками внутреннего монтажа и проходными втулками. Если шпильки для заднего присоединения (или винты, крепящие пластины переднего присоединения) ввернуты слишком глубоко, то винты, крепящие проводники с внутренней стороны реле, могут упираться в торцы этих шпилек или винтов. При этом надежного контакта между внутренними проводниками и наружным монтажом не будет, хотя винты с внутренней стороны цоколя подтяжке уже не поддаются (рис. 9,а).
Установка шпилек должна производиться на снятом с панели реле в следующей последовательности. С внутренней стороны цоколя под винты устанавливаются кольца или наконечники проводников внутреннего монтажа с необходимыми плоскими и пружинящими шайбами. Винты до предела ввинчиваются в проходные втулки цоколя. Затем с наружной стороны цоколя до упора ввинчиваются шпильки с ослабленными контргайками, делается 1,5 - 2 оборота назад и в этом положении шпильки закрепляются контргайками (рис. 9,б).
Рис. 9. Установка на реле шпилек заднего присоединения:
а - неправильно, б - правильно
2.7.3. Отсутствие трения проверяется следующим образом:
а) установить указатель на первой уставке шкалы и повернуть якорь в сторону магнитопровода, при этом размыкающие контакты должны разомкнуться, а замыкающие - замкнуться,
б) отпустить подвижную систему - она должна четко вернуться в исходное положение.
Наличие поперечного и продольного зазора в осях, а также равномерность зазора между плоскостью втянутого якоря и полюсами магнитопровода проверяется на ощупь с помощью щупов.
Равномерность зазора определяется положением магнитопровода и правильным изгибом полочек якоря.
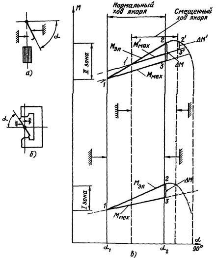
Допускается применение самодельных щупов, если их рабочий размер измерен с точностью ±0,01 мм. Угол поворота якоря должен изменяться (рис. 10) для серий ЭТ и ЭН от 78 до 85°, для серий РТ и РН от 62 до 75°.
2.7.4. Для определения надежной фиксации левого упора п. 1.4.8 запоминают положение шлица, после чего, медленно вращая винт по часовой стрелке на 1 - 2 оборота, а затем против часовой стрелки, определяют достаточность трения, с которым упор поворачивается в резьбе. После такой проверки упор устанавливается в прежнее положение. В случае свободного вращения в резьбе (без трения) упор вывертывается, снимается бронзовая пружинящая пластинка. Придав необходимый изгиб бронзовой пластинке и прижав ее к основанию так, чтобы она прогнулась, ввертывают упор. Правильную установку левого упора определяют по току срабатывания на конечной уставке реле п. 2.13.
При проверке фиксации правого упора подтяжку контрагайки производят с одновременным придерживанием упора отверткой.
2.7.5. Перпендикулярность плоскости спиральной пружины оси якоря п. 1.4.9 достигается правильной припайкой внешнего конца пружины к хвостовику якоря.
В реле серий ЭТ и ЭН ранее изготовленных, если это требование не выполнено, следует ослабить винты, крепящие втулку на оси, сместить втулку (к которой крепится внутренний конец пружины) в нужное положение и снова закрепить винтами.
Рис. 10. Диаграмма электромагнитного и механического моментов, воздействующих на якорь реле при изменении угла поворота якоря:
а - начальное положение якоря относительно магнитопровода реле РТ, РН, б - то же реле ЭТ, ЭН, в - характеристики электромагнитного и механического моментов реле от угла поворота якоря,
I зона - моменты при наименьшей уставке в конце шкалы реле; II зона - моменты при наибольшей уставке в конце шкалы реле,
Ммех - при нормальном положении якоря, М'мех - при смещенном положении якоря
Равномерность зазора между витками достигается изгибом внешнего конца пружины у места его крепленая к хвостовику. Регулировку пружины нужно делать осторожно с помощью пинцета.
Если производилась перепайка пружины, то необходимо удалить с пружины остатки канифоли. Все операции с пружиной - это нарушение гарантий завода-изготовителя.
2.7.6. Для реле РТ и РН проверяется надежность затяжки гайки, обеспечивающей необходимость трения при перемещении указателя по шкале. Для реле ЭТ и ЭН в случае слабой затяжки указателя необходимо ослабить стопорный винт 6 в теле фасонного винта 1 регулировочной головки (рис. 11) и повернуть винт до тех пор, пока крепление указателя не будет достаточно надежным.
Если при затяжке фасонного винта до отказа указатель продолжает самопроизвольно сдвигаться, следует установить еще фасонную пружинящую шайбу (желательно заводскую) между указателем и стойкой.
На реле Э-520 нового образца плотность прилегания указателя к шкале регулируется прогибом лапок фасонной удерживающей планки, прижимающей указатель к алюминиевой стойке (рис. 12).
Если серебряные полоски неподвижных контактов покрыты незначительным налетом окисла и не имеют подгаров и выбоин, то их достаточно почистить плоской деревянной чуркой нехвойных пород, придерживая контактную пластинку с тыльной стороны лезвием часовой отвертки.
Отсутствие давления бронзовой контактной пластины с наваренной серебряной полоской при разомкнутых контактах (п. 1.4.11) проверяется незначительным отводом на 1 - 1,5 мм переднего упора от контактной пластинки, которая должна остаться неподвижной. В случае давления контактной пластинки на упор ее следует исправить изгибом в месте обжимки всего контактного узла.

Рис. 11. Регулировочная головка:
а - реле Э-60; б - реле Э-520 (старого выпуска);
1 - винт фасонный; 2 - винт стопорный; 3 - поводок спиральной пружины; 4 - шайба; 5 - гайка; 6 - винт стопорный; 7 - ось; 8 - шайба пружинная; 9 - указатель; 10 - винты крепежные; 11 - винт подпятника
Одинаковый изгиб, одновременность замыкания мостиком неподвижных контактов, зазор между контактной пластиной и задним гибким упором, ход контактов до замыкания и прогиб размыкающих контактов контролируются с помощью щупов поворотом якоря от руки.
Рис. 12. Регулировочная головка реле Э-520 (нового выпуска):
1 - указатель пластмассовый; 2 - стопорная шайба; 3 - винт поводка (М-5); 4 - поводок спиральной пружины; 5 - фасонная удерживающая планка; 6 - шайба (кольцо) латунная; 7 - стойка подвижной системы; 8 - гайка; 9 - винт подпятниковый
Ход контактов до замыкания не должен быть больше 2,5 мм, так как это вызывает их отброс при срабатывании и затягивает время действия реле. При необходимости вся изоляционная колодка с неподвижными контактами (рис. 13, б) или отдельный контактный узел (рис. 13, г) можно перемещать в пазу на значение около 1,5 мм. Для этого нужно ослабить винты, с помощью которых они жестко закреплены.
2.7.8. Угол поворота серебряного мостика определяется упорами, имеющимися на якоре, и может изменяться посредством отгибания упоров.
Поверхность серебряного мостика подвижного контакта зачищается и полируется воронилом. Если нет осевого люфта (п. 1.4.12) или он превышает допустимое значение, следует заменить весь контактный мостик. Это объясняется тем, что при токах, незначительно превышающих ток срабатывания, и разной упругости пружин неподвижных контактов мостик может остановиться, коснувшись только одной пружины неподвижного контакта. Замыкания в цепи реле при этом не произойдет.
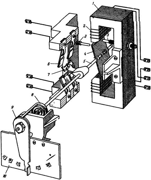
Рис. 13. Общий вид реле РТ-40 (РН-50):
а - конструкция реле РТ-40; б - изоляционная колодка с неподвижными контактами; в - регулировочный узел; г - контактный узел;
1 - сердечник; 2 - каркас с обмоткой; 3 - алюминиевая стойка; 4 - гаситель колебаний; 5 - верхняя полуось; 6 - подвижный контакт; 7 - изоляционная колодка; 8 - шкала уставок; 9 - указатель уставки; 10 - пружинодержатель; 11 - шестигранная втулка; 12 - спиральная пружина; 13 - хвостовик; 14 - якорь; 15 - фасонная пластинка; 16 - левый упор; 17 - правая пара неподвижных контактов; 18 - левая пара неподвижных контактов; 19 - фасонный винт; 20 - пружинящая шайба; 21 - задний гибкий упор; 22 - передний упор; 23 - бронзовая пластинка с серебряной полоской
2.7.9. Угол встречи мостика и совместный ход контактов (п. 1.4.13) проверяются с помощью поворота якоря от руки. Чем больше совместный ход и меньше угол встречи, тем больше притирание контактов, тем четче их работа при малых кратностях момента на реле и меньше отбросы при больших кратностях. Однако возврат реле, особенно при коммутировании большой индуктивной нагрузки, значительно замедляется, и контакты быстрее изнашиваются.
Контактный мостик должен при этом касаться неподвижных контактов немного дальше их внешнего края и скользить примерно по их средней линии. При повороте якоря в крайнее положение подвижный контактный мостик не должен во избежание его заскакивания доходить до края серебряных пластинок неподвижных контактов.
Регулировка совместного хода может повлиять на расположение упоров неподвижных контактов и прогиб размыкающих контактов, поэтому их следует проконтролировать вновь. Особенно нужно обратить внимание на (п. 1.4.8) зазор между якорем и упором на начальной уставке.
У реле с замыкающими контактами зазор между контактными пружинами и ограничительными упорами (0,2 - 0,3 мм при уставке в начале шкалы) должен заметно изменяться при изменении затяжки пружины.
2.8.2. Для реле серий ЭТ и ЭН:
а) установить реле в строго вертикальном положении, вывести указатель шкалы влево за начальную уставку и проследить за поведением контактного мостика якоря. У исправного реле при повороте указателя примерно на 20 - 30° влево от первой точки шкалы пружина будет иметь нулевой момент и контакты разомкнутся. Дальнейшее изменение положения движка будет плавно изменять положение подвижного контакта.
Вялый или резкий, с рывком, переход подвижного мостика из одного положения в другое указывает на наличие затирания подвижной системы.
Наиболее вероятной причиной вялой работы реле обычно является загрязнение или неисправность подпятников и концов осей;
б) отвернуть стопорный винт 2 в фасонном винте головки для осмотра и проверки переднего подпятника у реле Э-520 старого выпуска, после чего подпятник свободно вывертывается часовой отверткой (рис. 11). У реле Э-520 нового выпуска для осмотра переднего подпятника необходимо вывернуть винт поводка 3 и специальным торцовым ключом отвернуть гайку 8 (рис. 12);
в) отвернуть обе гайки, крепящие алюминиевую стойку к магнитопроводу реле и отогнуть влево, подав на себя, всю стойку вместе со шкалой и подвижной системой, вынуть всю подвижную систему реле, снять задний подпятник. Снять стойку полностью у реле Э-520 препятствуют выводные концы от неподвижных контактов к зажимам на цоколе реле. В случае необходимости вся пластмассовая колодка, на которой укреплены неподвижные контакты, может без труда отделяться от стойки реле. Для этого достаточно отвернуть два винта, крепящих колодку.
Отведя стойку и отвернув крепящую гайку заднего подпятника, можно вывернуть и осмотреть его.
У всех реле ЭТ и ЭН установлены бронзовые подпятники с коническим кратером. У реле Э-520 ось имеет острую заточку (угол 30 - 35°), а подпятник соответственно более глубокий кратер.
Бронзовые подпятники перед осмотром необходимо прочистить конической деревянной чуркой диаметром 3 - 4 мм. Осмотр подпятников следует производить через часовую лупу с семикратным увеличением.
В случае обнаружения выбоин, эксцентриситета или выработки кратера подпятник необходимо заменить новым;
г) осмотреть концы оси. Для этого необходимо немного отвернуть часовой отверткой оба стопорных винта, крепящих втулки пружины к оси реле, и затем, приподняв пинцетом втулку с пружиной вплотную к телу алюминиевой стойки, осторожно вывести вниз и в сторону ось из втулки, после чего вся подвижная система, т.е. ось с якорем и контактным мостиком, аккуратно, чтобы не повредить неподвижные контакты, извлечь наружу.
Концы оси следует зачистить плоской деревянной чуркой и осмотреть в часовую лупу. Ось должна быть с обеих сторон заточена на конус; концы оси должны иметь блестящую полированную поверхность. Заточка должна иметь радиус 0,1 мм. Угол конуса оси должен быть острее кратера подпятников, чтобы ось опиралась на подпятник в одной точке, а не по всей окружности.
При осмотре в лупу нужно обращать внимание на отсутствие выбоин, царапин и ржавчины на вершинах конуса оси. При обнаружении каких-либо дефектов в заточке концов оси их надо отполировать на станке либо в ручной дрели с помощью деревянной чурки и крокуса. После полировки концы оси следует промыть в бензине и тщательно протереть мягкой чистой тканью;
д) произвести сборку реле после осмотра и правки подпятников и концов осей в следующем порядке: ввести на место подвижную систему и втулку пружины насадить на ось, затем установить на место подпятники, отрегулировать зазор оси и закрепить на оси втулку пружины с нормальной начальной затяжкой порядка 25 - 30°.
2.8.3. Для реле серий РТ и РН:
а) отсоединить от выводов на цоколе реле монтажные провода, идущие к неподвижным контактам;
б) отвернуть два винта и снять шкалу и подшкальник;
в) отвернуть винт, крепящий пластмассовую колодочку, снять последнюю со стойки. Для того, чтобы снять со стойки подвижную систему, необходимо отпаять наружный конец спиральной пружины от хвостовика;
г) ослабить стопорные винты, крепящие верхнюю и нижнюю полуось; верхнюю полуось опускают, нижнюю - поднимают, после чего легко вынимают подвижную систему;
д) отвернуть два винта и снять стальную пластинку (пружинодержатель) с укрепленными на ней указателем и пружиной. Отвернуть гайку М5, снять указатель шкалы и вынуть из отверстия в пружинодержателе фасонный винт с шестигранной втулкой и укрепленной на ней спиральной пружиной.
2.9.1. Ревизию реле ЭТ и ЭН производят непосредственно в процессе разборки по п. 2.8.1. Ревизию реле серий РТ и РН производят следующим образом: осматривают полуоси реле. Стальную запрессованную в латунный цилиндр шпильку очищают от грязи деревянной чуркой и полируют воронилом. Поверхность стальной шпильки не должна иметь следов ржавчины, царапин или выбоин. Проверяют соосность латунного цилиндра и стальной шпильки, для этого латунный цилиндр зажимают в цанге часового токарного станка либо в патроне ручной дрели и при вращении наблюдают за биением стальной шпильки. Деревянной чуркой очищают отверстия для полуосей в латунной П-образной скобе. Полочка якоря должна быть параллельна П-образной скобе и иметь ровный изгиб на всем своем протяжении. Проверяют надежность крепления гасителя колебаний к латунной скобе и изоляционной колодки с подвижным контактом к якорю, надежность закрепления внутреннего конца спиральной пружины в шестигранной втулке. Проверяют, с достаточным ли трением поворачивается шестигранная втулка на фасонном винте.
Ревизию контактной системы производят описанным выше методом.
2.9.2. После ревизии производят оборку реле. Для этого необходимо:
- установить полуоси на место и слегка прижать их стопорными винтами;
- установить на место подвижную систему реле. Положение ее по отношению к стойке определяется верхней полуосью. Установить подвижную систему таким образом, чтобы воздушный зазор между П-образной скобой и алюминиевой стойкой был одинаковым сверху и снизу и находился бы в пределах 1 мм;
- закрепить нижнюю полуось в таком положении, чтобы осевой люфт подвижной системы составлял 0,2 - 0,3 мм;
- установить на место пластмассовую колодочку с неподвижными контактами. Регулировку контактной системы производят методом, описанным выше;
- собрать регулировочный узел: фасонный винт с шестигранной втулкой и спиральной пружиной установить на пружинодержатель, снизу на винт надевают бронзовую пружинящую шайбу, указатель шкалы; затем фасонный винт закрепить гайкой на пружинодержателе. Гайка должна быть завернута до отказа, при этом указатель шкалы вместе с фасонным винтом и шестигранной втулкой должен с достаточным трением поворачиваться в отверстии пружинодержателя;
- регулировочный узел установить на алюминиевую стойку;
- установить на место шкалу. Шестигранную втулку на фасонном винте установить таким образом, чтобы наружный конец спиральной пружины свободно, без натяжки вплотную подходил к хвостовику якоря. При необходимости хвостовик якоря может быть изогнут;
- припаять наружный конец спиральной пружины к хвостовику таким образом, чтобы сохранялось горизонтальное положение плоскости спиральной пружины;
- установить начальную затяжку пружины в пределах 25 - 30°. Для этого указатель шкалы отводят влево от конца шкалы на расстояние 5 - 6 мм и удерживают в этом положении. Шестигранную втулку спиральной пружины плоским ключом поворачивают так, чтобы подвижные контакты заняли нейтральное положение, после чего указатель возвращают на первую уставку шкалы. Уточнение начальной величины закручивания пружины производится по величине срабатывания на первой уставке при электрической проверке реле. Витки спиральной пружины не должны касаться друг друга при любом положении указателя на шкале. При необходимости можно изгибать наружный конец спиральной пружины. Поправлять положение пружины надо осторожно с помощью пинцета;
- проверить правильность сборка подвижной системы и отсутствие затирания, для этого указатель шкалы выводят влево до полного раскручивания спиральной пружины. Дальнейший поворот указателя влево или вправо на небольшой угол (2 - 3°) повлечет за собой свободный поворот подвижной системы на тот же угол в направлении движения указателя. Вялое или резкое движение подвижной системы указывает на неправильную сборку подвижной системы либо на плохую ревизию полуосей и отверстий под них в П-образной латунной скобе.
Проверяют положение указателя по отношению к шкале - расстояние между стрелкой и шкалой должно быть по всей шкале примерно одинаковым. Необходимую подрегулировку осуществляют изменением положения пружинодержателя за счет люфта в отверстиях либо подгибанием указателя в местах изгиба.
2.10.1. Измерение сопротивления изоляции (п. 1.5.1) производят при новом включении и при всех проверках с погрешностью измерения не более ±20 % с помощью мегаомметра на напряжение 1000 В. Сопротивление изоляции реле на номинальное напряжение не более 36 В измеряют омметром на напряжение 500 В.
2.10.2. Во избежание пробоя диодов и стабилитронов на реле, где они установлены, рекомендуется шунтировать их тонкими (диаметром не менее 0,1 - 0,15 мм) проводниками.
2.11.1. Испытание электрической прочности изоляции (п. 1.5.2) производят с помощью испытательного трансформатора синусоидальным переменным током частоты 50 Гц.
2.11.2. Номинальная мощность испытательного трансформатора, применяемого для испытания электрической прочности изоляции, должна быть 1 кВ · А.
Если в реле имеются цепи, рассчитанные на меньшее испытательное напряжение, то они должны быть отключены и подвергнуты испытанию отдельно (например, конденсаторы).
Методика и сроки испытания реле определяются действующими правилами [Л.1, 9].
2.12.1. Проверку диапазона шкалы (кратность уставок) п. 1.5.3, т.е. проверку тока (напряжения) срабатывания при положении указателя на крайних уставках шкалы проводят на месте установка или в лаборатории.
При этом нужно соблюдать общие правила, указанные в п. 2.13.1, при проверке электрических характеристик реле.
Проверка диапазона шкалы производится при любых проверках, когда имела место перемотка обмоток, разборка механизма и изменение затяжки пружины реле.
Для правильной регулировки реле необходимо ясно представить себе принципы действия реле, изложенные в настоящей Инструкции и обратить внимание на следующее:
а) начальное, конечное положение и ход (угол поворота) якоря (п. 1.4.7), определяющие ток срабатывания, возврата и расстояния между контактами (п. 1.4.11) должны устанавливаться в соответствии м характеристиками моментов, приведенных на рис. 10;
б) противодействующий механический момент создается в основном пружиной (п. 1.4.9), но в начале шкалы при слабой затяжке пружины, составляющая момента от массы якоря заметно влияет на работу реле, поэтому регулировку реле всегда следует начинать с наибольшей (крайне правой, если смотреть сверху на реле) уставки шкалы;
в) ток (напряжение) срабатывания максимальных реле с замкнутыми контактами и минимальных реле (при отсутствии тока) зависит от упругости и предварительной затяжки пружин неподвижных контактов (п. 1.4.11).
2.12.2. При регулировке реле необходимо:
а) отрегулировать ток срабатывания реле на максимальной уставке по шкале. Упорными винтами, не трогая пружины, для увеличения тока увеличить зазор между якорем и полюсами, а для уменьшения тока соответственно уменьшить. После этого, подрегулировав контакт, проверить начальную точку шкалы и, если ток срабатывания на ней изменился, отрегулировать его затяжкой пружины. Регулировка пружиной производится следующим образом: отверткой (для реле ЭТ и ЭН) ослабить винты 10 (рис. 11), либо винт 3 (рис. 12) на регулировочной головке, связывающие поводок пружины с указателем шкалы, и затем, придерживая одной рукой указатель, второй рукой незначительно сдвинуть поводок пружины относительно указателя: вправо для уменьшения тока срабатывания, влево для увеличения его. Добившись совпадения тока срабатывания с уставкой, нужно закрепить винты на головке и повторно проверить токи срабатывания в начале и в конце шкалы.
Для реле РТ и РН затяжка пружины производится поворотом шестигранной втулка II (рис. 13, в) при помощи плоского ключа. Указатель шкалы при этом удерживается в неподвижном положении;
б) если ток (напряжение) срабатывания на конечной уставке по шкале совпал со значением, указанным на шкале, а в начальной точке расходится со значением, указанным на шкале, то регулировку произвести сначала пружиной, не меняя начального положения якоря под полюсами. После того, как начальная уставка отрегулирована, необходимо повторно проверить ток срабатывания в конце шкале. Как правило, в этом случае конечная уставка остается почти без изменения и возможные расхождения лежат в пределах точности работы реле;
в) для оценки правильности согласования начальной затяжки пружины с величиной воздушного зазора между якорем и полосами руководствоваться следующими признаками:
если диапазон шкалы реле (нормально 90°) увеличился, т.е. двукратный ток срабатывания получается за пределами шкалы, - это означает, что пружина ослаблена. Если же кратность шкалы стала больше двух, то это свидетельствует о чрезмерной затяжке пружины или ее несоответствии данному реле.
При градуировке шкалы реле заново подгонку шкалы следует производить вначале на конечной уставке изменением начального положения якоря под полюсами, как указывалось выше;
г) если при крайних положениях указателя ток (напряжение) срабатывания реле резко отличается от уставки по шкале, проверить правильность соединения между собой обмоток реле. Если одна из обмоток была по ошибке перевернута, то соединение обмоток вместо последовательного или параллельного может оказаться встречным;
д) при отклонении величин срабатывания в конце и начале шкалы на одинаковое незначительное значение при сохранении нормальной кратности передвигают только шкалу реле. Положение указателя на начальной уставке должно составлять примерно 25 - 30° и на конечной - соответственно 115 - 120° относительно плоскости крепления реле.
2.13.1. Проверка и настройка реле на заданную уставку п. 1.5.4 является самой важной и основной операцией.
По результатам предварительно измеренного тока (напряжения) срабатывания и возврата определяется объем проверки всего реле.
Допустимое значение максимальных отклонений от измеренных при предыдущей проверке и от заданных по рекомендации [Л.1] составляет:
- для тока и напряжения срабатывания реле ±5 %;
- для коэффициента возврата реле ±0,05.
2.13.2. Общие правила определения электрических характеристик реле.
Определение величин срабатывания реле производят в рабочем положении согласно пп. 1.2 и 2.5.
Допускается проверять реле со снятым кожухом. Предварительно рекомендуется измерять в холодном состоянии активные сопротивления обмоток и резисторов.
Все устройства для регулировки значений тока (напряжения) должны обеспечивать:
а) плавное непрерывное изменение значений тока (напряжения) в пределах от 50 % уставки срабатывания до максимальных значений в условиях эксплуатации;
б) независимость значений установленного тока (напряжения) от нагрева регулирующих устройств и положения якоря;
в) правильную синусоидальную форму напряжения на обмотках проверяемого реле.
Измерение тока (напряжения) срабатывания и возврата на каждой проверяемой уставке должно повториться не менее 3 раз. Оценку производят по среднеарифметическому между результатами измерений и значением уставки. Определяют погрешность срабатывания реле - отношение (выраженное в процентах) наибольшей разности между результатами измерений и значением уставки к значению уставки по шкале. Определяют разброс тока (напряжения) срабатывания реле - отношение (выраженное в процентах) наибольшей разности между измеренными значениями к полусумме этих значений.
Для предотвращения подгорания контактов настройка реле производится при отключенном оперативном токе.
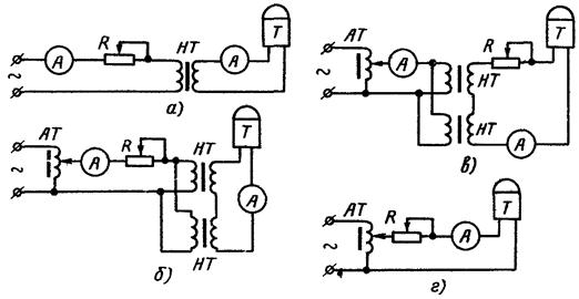
2.13.3. Перед настройкой заданной уставки обмотки реле соединяются между собой последовательно или параллельно (в зависимости от уставки). Собирается электрическая схема для проверки реле тока ЭТ, РТ по рис. 14 и 15.
Рис. 14. Схема регулирования значения тока реле при помощи резисторов:
а - простого; б - комбинированного
Рис. 15. Схемы регулирования тока реле с нагрузочными трансформаторами и автотрансформаторами:
R - резистор; AT - автотрансформатор ЛАТР-1 на 9 А; НТ - трансформатор ОСО-0,25, 127/12 В; А - амперметр; Т - реле
Недостатком схемы (см. рис. 14, а) является трудность изготовления резистора R на большие токи.
В схемах на рис. 14 плавное регулирование значения тока осуществляется резистором R. Резистор R0 предотвращает короткое замыкание при переводе ползунка резистора R в крайнее положение. Выключателями B1, В2, ... Вn параллельно резисторам R и R0 подключаются резисторы R1, R2, ..., Rn для увеличения тока в обмотке реле (рис. 14, б).
Наименьшее значение тока Ip равно
|
|
где Uпит - напряжение источника питания;
R - сопротивление резистора;
R0 - сопротивление добавочного резистора;
Zр - полное сопротивление реле.
Расчет параметров параллельных резисторов выполняется так, чтобы максимальное значение тока, получаемое на каждой ступени регулирования с учетом изменения положений резистора R, отличалось одно от другого в 1,2 - 1,3 раза. Отношение минимального значения тока к максимальному на нескольких первых ступенях регулирования должно быть не более 0,7, чтобы можно было проверить коэффициент возврата реле, пользуясь только резистором R.
Применяемые на практике секционные резисторы позволяют регулировать токи в пределах от 0,4 до 70 А.
Для получения больших токов применяются схемы с нагрузочными трансформаторами (рис. 15). В этом случае надо обратить внимание на форму кривой тока, так как питание реле РТ и ЭТ несинусоидальным током вызывает вибрацию якоря. Чтобы форма кривой в реле была синусоидальной, последовательно с реле включается добавочный резистор с сопротивлением в 3 - 5 раз больше сопротивления реле, он также уменьшает влияние изменения сопротивления общей цепи при перемещении якоря реле.
Для питания схемы проверки реле следует использовать междуфазные напряжения.
Амперметры должны быть многопредельными или подключаться через измерительный многопредельный трансформатор тока.
Измерительные трансформаторы применяются: И54 (ТУ 25-04-799-70), И55/1 (ТУ 25-04-793-69), И515 (ТУ 25-04-804-70), УТТ-5 (ТУ 25-04-796-69) на номинальные первичные токи от 0,5 до 600 А и вторичные от 0,5 до 5 А класса не ниже 0,1 - 0,5 в соответствии с ГОСТ-9032-69.
В схемах, приведенных на рис. 15, рекомендуется использовать нагрузочные трансформаторы с коэффициентом трансформации 127/12; 127/36, мощностью не менее 250 - 500 В · А, например, ОСО-0,25, 127/12 В. Преимущество этих трансформаторов - возможность применения для регулирования тока сравнительно маломощного резистора с сопротивлением 50 - 100 Ом на ток 3 - 5 А.
Схемы на рис. 15, б, в и г применяются при больших первичных токах. В качестве автотрансформатора применяется ЛАТР-2 на ток до 2 А и ЛATP-1 на ток до 9 А. В схеме на рис. 15, а, б нужен резистор на небольшой ток с большим сопротивлением; в схеме на рис. 15, в, г с малым сопротивлением, но на большой ток. Вместо резистора с переменным значением сопротивления в этих схемах могут применяться резисторы с постоянным значением сопротивления, например ПЭ.
Для регулирования значения напряжения при испытании реле ЭН и РН собираются схемы согласно рис. 16 и 17.
Во всех схемах нужно применять потенциометры, обеспечивающие плавное регулирование напряжения через 0,5 - 1 В и длительно выдерживающие ток, равный сумме токов потребляемым самим потенциометром и проверяемым реле (см. табл. 7 и п. 1.5.11).
Схемы на рис. 16, а, в и рис. 17, а, б используются при регулировании напряжения постоянного и переменного тока, поэтому их удобно применять в переносных устройствах для уменьшения их размеров и массы.
Схема, приведенная на рис. 16, в, позволяет в зависимости от положения выключателей B1 и В2, шунтирующих добавочные резисторы R1 и R2, изменять участок плавного регулирования, который может быть в начале, середине или конце диапазона регулирования. Схема на рис. 16, б применяется, когда требуется особо плавное регулирование. Если пределы уставок реле небольшие (например, РН-53/Д, РНН-57 и др.), следует применять схему с двумя потенциометрами (рис. 17, а) или с потенциометром и добавочным резистором Rд (рис. 17, б). Все схемы подключаются к источникам напряжения с помощью рубильника Р. Желательно включить в схему для защиты от короткого замыкания плавкий предохранитель Пр, взятый с учетом максимально возможного рабочего тока в цепи.
Рис. 16. Схемы регулирования напряжения:
а - с потенциометром П; б - с автотрансформатором AT; в - с двумя резисторами и потенциометром
Рис. 17. Схемы для настройки реле ЭН и РН с малыми пределами уставок:
а - с двумя потенциометрами П1 и П2; б - с потенциометром П в добавочным резистором Rд; в - с автотрансформатором AT и потенциометром П
2.13.4. Настройка реле на заданную уставку. Указатель устанавливается на точку шкалы, соответствующую значению заданному току (напряжению) срабатывания и плавно изменяется ток (напряжение) до срабатывания реле.
Результаты трех измерений записываются, подсчитываются среднеарифметическое трех измерений. Вычисляется разница между током (напряжением) срабатывания и уставкой на шкале.
По такой же схеме определяется коэффициент возврата, измеряется ток (напряжение) возврата реле.
Если коэффициент возврата равен номинальному, а ток (напряжение) срабатывания немного не совпадает с уставкой по шкале, то соответствие достигается незначительным смещением указателя уставки в нужную сторону.
Для совпадения тока (напряжения) срабатывания с соответствующей уставкой шкалы можно изменить на нужную величину затяжку спиральной пружины (п. 2.12.2).
В случаях, когда коэффициент возврата отличается от нормы, его необходимо отрегулировать по п. 2.14 и после этого положением указателя или затяжкой пружины установить заданный ток (напряжение) срабатывания.
2.14.1. Проверка коэффициента возврата (п. 1.5.5) производится измерением тока (напряжения) возврата реле по методике, указанной в п. 2.13.
Регулировка коэффициента возврата производится, если он отличается от заданного на значение более ±0,03 заданного.
Изменение коэффициента возврата происходит из-за подгорания контактов, загрязнения упоров и якоря испарениями от смол, выделяющихся из изоляции нагретых обмоток. Поэтому при наладке и проверках следует настраивать коэффициент возврата с запасом на изменение его на значение равное 0,04 номинального, но не выше рекомендованных в п. 1.5.5, так как это обязательно приведет к ухудшению работы контактов.
Исключение составляют специально оговоренные случаи в схемах защиты и автоматики.
2.14.2. На коэффициент возврата Кв влияют:
а) трение в полуосях;
б) механическое состояние контактов;
в) величина воздушного зазора между полюсами и полками подтянутого к упору якоря;
г) начальное и конечное положение якоря;
д) упругость и угол встречи пружины неподвижных контактов с контактным мостиком.
2.14.3. В тех случаях, когда у реле предварительно отрегулированы диапазон шкалы и уставки тока (напряжения) срабатывания по шкале и нарушение их регулирования недопустимо (например, в схемах, где требуется частая перестройка реле указателем), Кв рекомендуется регулировать изменением воздушного зазора путем перемещения сердечника, предварительно ослабив винты, крепящие сердечник к стойке.
В незначительных пределах Кв регулируется конечным положением якоря путем изменения положения правого упора и правых неподвижных контактов. Для повышения Кв воздушный зазор увеличивается, для снижения - уменьшается.
В большинстве случаев, когда не требуется частая перестройка реле указателем, Кв регулируется начальным положением якоря.
2.14.4. Если значение Кв ниже допустимого, нужно изменить начальное положение якоря, приблизив его упором к полюсам. Уменьшение воздушного зазора между полюсами и находящимся в начальном положении якорем приводит к довольно резкому уменьшению тока (напряжения) срабатывания. В то же время ток (напряжение) возврата не изменяется, так как он зависит от конечного положения втянутого под полюсы якоря.
2.14.5. Для снижения Кв якорь следует выводить из-под полюсов. Изменяя упорами начальное и конечное положения якоря, нужно для сохранения правильной регулировки контактов корректировать положение мостика. Кроме того, получив нужное значение Кв, необходимо установить заданную уставку, переместив указатель по шкале.
При регулировании Кв начальным положением якоря диапазон шкалы, а также начальная и конечная уставки по шкале могут не сохранить своего первоначального значения.
2.15.1. Проверка вибрации размыкающих (п. 1.5.6) и замыкающих (п. 1.5.7) контактов производится подачей напряжения на обмотку реле плавно и включением толчком через 0,1 от максимального значения напряжения.
Контакты реле регулируют на отсутствие вибрации без нагрузки, а проверяются на замыкание или размыкание цепи с включением нагрузки по схеме защиты. При отсутствии этих данных контакты реле должны проверяться на номинальную нагрузку по данным завода (п. 1.5.8). Работа контактов должна быть четкой, без искрения и вибрации во всем диапазоне токов (напряжения).
2.15.2. Для реле, замыкающих контакты при повышении тока (напряжения) проверка ведется от 1,05 тока (напряжения) срабатывания до максимального в условиях эксплуатации, но не выше допустимого по термической устойчивости обмоток реле (см. п. 1.5.10).
2.15.3. Особое внимание следует обратить на минимальные реле, размыкающие контакт при снижении тока или напряжения. Реле должно четко, без искрений и вибрации держать этот контакт замкнутым при изменениях напряжения от Uмакс до напряжения срабатывания (или от Iмакс до тока срабатывания).
2.15.4. Проверка отсутствия вибрации контактов максимальных реле ведется увеличением тока (или напряжения) плавно и включением толчком через 0,1 от максимального значения тока (или напряжения), так как вибрация может проявиться при различных токах (напряжениях).
2.15.5. Для минимальных реле отсутствие вибрации контактов проверяется при плавном и резком снижении тока (напряжения) до величины трогания и через промежутки до нуля.
2.15.6. Для уменьшения вибрации контактов реле минимального напряжения, нормально находящихся в эксплуатации под напряжением, следует вводить якорь глубже под полюса.
При этом за счет уменьшения электромагнитного момента на якоре вибрация контактов, как правило, уменьшается. Коэффициент возврата реле при этом должен быть не более 1,22.
Такой способ уменьшения вибрации контактов может применяться только у реле с контактами, замыкающимися при понижении напряжения.
Проверяется и устраняется вибрация при больших кратностях тока в реле.
2.15.7. При сильно искаженной форме кривой вторичного тока трансформатора тока длительность бестоковой паузы в течение значительной части каждого полупериода увеличивается. Электромагнитная сила притяжения в эти части полупериода отсутствует. В то же время противодействующая сила пружины имеет постоянное значение. Инерция подвижной системы вместе с тем становится недостаточной, чтобы удержать якорь в подтянутом положении и вследствие этого появляется вибрация.
Как показали испытания, опасность вибрации, приводящей к отказу реле из-за насыщения трансформаторов тока, возникает при токовой погрешности трансформаторов тока для реле ЭТ-520 более 35 %, а для реле РТ-40 более 40 %, если кратность тока в реле превышает 3,5.
2.15.8. Для снижения вибрации при кратностях тока в реле, равных 20 - 25 току срабатывания и сильно искаженной форме кривой тока, необходимо увеличить совместный ход контактов до 2 мм. При этом наблюдалась такая вибрация подвижной системы, которая не приводила к разрыву цепи реле.
2.15.9. Для уменьшения искрообразования на контактах реле в момент разрыва цепи рекомендуется шунтировать индуктивности или замыкающие контакты в этой электрической цепи.
2.16.1. Причины возникновения вибрации контактов:
а) излишняя жесткость, неодинаковая толщина или упругость контактных пружин, вызывающая разную частоту вибрации пружин. Вибрация устраняется сменой контактных пружин;
б) неправильный изгиб контактных пружин, что вызывает «отбрасывание» мостика от неподвижных контактов при срабатывании реле. Устраняется регулировкой изгиба контактных пружин п. 2.7.7;
в) слишком тугой ход серебряного контактного мостика из-за недостаточного продольного и поперечного зазоров на оси, что вызывает разброс токов срабатывания и вибрацию. Устраняется отгибанием упоров от затылка мостика и регулировкой продольного зазора п. 2.7.8;
г) выступы серебряного контактного мостика скользят не по центру осевой линии неподвижных контактов. Устраняется смещением контактов п. 2.7.9.
2.16.2. Вибрация и искрение контактов при больших токах (напряжениях) могут возникнуть по следующим причинам:
а) слабость и чрезмерная эластичность контактных пружин вследствие малой толщины. При срабатывании реле пружины прогибаются настолько, что якорь ударяется о вилку фиксатора и отскакивает, в результате чего получается прерывистый контакт.
Возможна также остаточная деформация пружин при больших токах, протекающих через реле.
Вибрация устраняется установкой противовибрационных рессоров;
б) слишком большой зазор между пружинами и упорами неподвижных контактов у реле Э-520. Устраняется регулировкой зазоров;
в) большой зазор контактного мостика на своей оси, что приводит к неустойчивому, прерывистому контакту из-за колебаний мостика п. 2.7.8;
г) большой поперечный зазор оси якоря в подпятниках. Устраняется переточкой оси или подбором подпятников по размеру конца оси; для ЭТ и ЭН и регулированием по п. 2.7.3;
д) перекос оси, эксцентриситет подпятников, неодинаковые зазоры между якорем и верхним и нижним полюсами, перекос лепестков якоря в зазорах относительно плоскости полюсов или упорных винтов у реле Э-520.
Устраняется проверкой механической части реле или заменой подвижной системы.
2.16.3. В случае, если перечисленные выше дефекты изготовления и регулирования обнаружены не будут, а вибрация контактов имеется, следует увеличить совместный ход контактов и небольшим смещением фиксаторов изменить ход якоря, добиваясь прекращения вибрации при токе, близком к току срабатывания, после чего проверить отсутствие вибрации при больших токах на всем диапазоне.
2.16.4. Вибрация неподвижных контактов реле может вызываться внешними причинами, не зависящими от самого реле, как-то: сильная вибрация здания, недостаточная жесткость конструкция панели и т.д. Для устранения такой вибрации реле серии ЭН-500 снабжены заводскими ограничительными упорами обратного хода неподвижного контакта.
2.17.1. После окончания наладки реле зачищаются контакты и повторно проверяется: затяжка всех гаек и винтов, начальное и конечное положение якоря и контактов, зазоры и люфты, положение спиральной пружины.
По окончания повторного осмотра реле закрывается кожухом и производится контрольное измерение токов (напряжений) срабатывания п. 2.13 и возврата п. 2.14. После чего реле пломбируется.
2.18.1. Результаты проверки реле и все электрические характеристики, сведения о механической регулировке и изменениях с указанием, кем, когда и каким документом они заданы, заносятся в протокол.
2.18.2. Примерная форма паспорта-протокола дана в приложения 1.
3.1.1. Исполнительный орган - реле РТ-40 налаживается и проверяется в соответствии с изложенной выше методикой. Схема проверки показана на рис. 18. Для проверки реле отключается от вторичной обмотки трансформатора Тр и от конденсаторов C1, C2 с помощью перемычки П.
Дополнительная проверка, обусловленная особенностями схемы и конструкции реле, должна проводиться в следующей последовательности.
Рис. 18. Схемы для проверки и настройки реле РТ-40/Ф:
а - схема для проверки токов и напряжения срабатывания и возврата при подаче тока в обмотку; б - схема для проверки реле РТ-40/Ф при подаче питания в первичную обмотку трансформатора реле
3.1.3. Проверяется исправность конденсаторов C1 и С2. Конденсаторы, отсоединенные от обмоток реле и трансформатора, заряжаются источником напряжения постоянного тока примерно до 100 В и по истечения нескольких минут разряжаются. Если конденсаторы исправны, то разряд сопровождается сухим щелчком и искрой.
3.1.4. При новом включении снимается зависимость тока в обмотке реле от тока в первичной обмотке трансформатора по схеме, приведенной на рис. 18, б.
Для этого на выводы 4 и 8 трансформатора подается напряжение частоты 50 Гц, значение тока изменяется в пределах 0 - 20 А через 1 А. Ток в первичной обмотке трансформатора должен иметь синусоидальную форму, что обеспечивается включением в первичную обмотку трансформатора регулируемого резистора Rд = 15 - 20 Ом.
Ток в обмотке реле рекомендуется измерять прибором с внутренним сопротивлением не более 15 - 20 Ом.
3.1.5. По схеме, приведенной на рис. 18, б, проверяются токи срабатывания и возврата на крайних уставках шкалы при подаче питания на выводы 4 и 8, 6 и 8, 2 и 8; измеряется мощность, потребляемая реле при срабатывании на начальной уставке.
3.1.6. Измеряются токи срабатывания и возврата на заданной уставке. Измерения производятся в первичной обмотке трансформатора и в обмотке реле. Допустимый коэффициент возврата Кв = 0,8 - 0,85. Проверка должна производиться синусоидальным током частоты 50 Гц.
3.1.7. Проверяется работа контактов в полной схеме реле при токах от 1,05 до 10Iср.
3.1.8. Производятся окончательный осмотр и проверяются токи срабатывания и возврата в первичной обмотке трансформатора.
3.2.1. Исполнительный орган - реле РТ-40, включенное через выпрямитель на вторичную обмотку трансформатора (см. рис. 1, д), налаживается и настраивается в соответствии с изложенной выше методикой. Посторонний источник тока подключается на выводы разомкнутой перемычки П. При этом все три первичные обмотки трансформатора Тр должны быть отключены от токовых цепей и разомкнуты.
3.2.2. Проверка изоляции и исправности конденсатора С выполняется по п. 3.1.1 и 3.1.2. Во избежание пробоя диодов при проверке конденсатора необходимо, кроме размыкания перемычки П, отпаять провод, соединяющий вывод конденсатора с диодами моста.
3.2.3. Снимаются характеристики намагничивания всех трех первичных обмоток насыщающегося трансформатора (зависимость напряжения от тока в первичной обмотке при разомкнутой вторичной обмотке).
У обмотки с большим числом витков (выводы реле 5 - 7) характеристика намагничивания должна быть в 2 раза выше, чем у обмоток с меньшим числом витков (выводы 2 - 4, 6 - 8), т.е. при подаче в разные обмотки одинакового по значению тока на выводы 5 - 7 напряжение должно быть примерно в 2 раза большим, чем на выводах 2 - 4 и 6 - 8.
При снятии характеристик намагничивания следует делать по 6 замеров для каждой обмотки в пределах: от 0,05 до 4 А для РТ-40/Р-1 и от 0,25 до 20 А для PT-40/Р-5.
3.2.4. На всех шести точках шкалы настраиваются и проверяются токи срабатывания реле при подаче тока поочередно в каждую из трех первичных обмоток насыщающегося трансформатора. Результаты замеров должны соответствовать значениям, указанным в табл. П2-3, 4.
При увеличении токов срабатывания на 60 - 70 % по сравнению со значениями, указанными в табл. П2-3, 4 следует, что закорочен один из диодов моста (пробит).
При обрыве (разорвана цепь диода) токи срабатывания увеличиваются на 30 - 35 % выше номинального значения. Если нарушения в контактных соединениях схемы реле (пайки, винты) не обнаружены, необходимо проверить исправность диодов выпрямительного моста.
Для этого каждый диод поочередно выпаивается из схемы и с помощью прибора, имеющего шкалу сопротивлений, например Ц-315, определяются прямое и обратное сопротивления диода. Прямое сопротивление диода при напряжении на источнике питания 1 - 1,5 В должно быть равно 150 - 200 Ом, при подключении же к источнику питания диода обратной полярностью показание прибора должно равняться бесконечности.
Сопротивление пробитого диода близко к нулю как в прямом, так и в обратном направлениях. При обрыве цепи в диоде прямое и обратное сопротивления равны бесконечности.
Кроме того, диоды могут иметь дефект, который обнаруживается только при приложении к нему напряжения, близкого к максимально допустимому. Поэтому, если предварительная проверка заменяемого диода омметром показала, что диод исправен, следует сделать дополнительную проверку диода, измерив обратный ток. Проверка производится по схеме, приведенной на рис. 19.
Проверяемый диод должен находиться под напряжением в течение 1 мин, при этом значение обратного тока должно быть стабильным и не превышать 500 мкА. Диод, выдержавший такую проверку, может быть использован в схеме выпрямительного моста.
Рис. 19. Схема для дополнительной проверки диодов типа Д-226
Резистор R'н порядка 5 кОм необходим для защиты измерительного прибора на случай, если диод окажется закороченным.
а) замыкаются между собой выводы 4 - 8, чем обеспечивается встречное последовательное включение двух обмоток с меньшим количеством витков.
На выводы 2 - 6 по схеме, приведенной на рис. 20, а, подается ток, изменяемый от Iср м до 3Icp м, где Icp - ток сращивания реле, полученный при подаче тока в одну обмотку с меньшим количеством витков;
б) замыкается между собой выводы 4 - 6 и 8 - 5, рис. 20, б, чем обеспечивается последовательное включение всех трех первичных обмоток насыщающегося трансформатора со следующим соблюдением полярности обмоток: обмотки с малым числом витков включены согласно, а обмотка с большим числом витков оказывается включенной встречно двум другим обмоткам.
На выводы 2 - 7 по схеме, приведенной на рис. 20, б подается ток, регулируемый в пределах, указанных в п. 3.2.4, а.
Если при проверках по п. 3.2.5, а и б реле не срабатывает, то однополярными являются выводы 2, 6 и 7.
3.2.6. Проверяется надежность работы контактов в полной схеме при подаче токов в каждую первичную обмотку до значений, равных максимальному току короткого замыкания. Вибрация контактов и искрение на них должны отсутствовать.
После окончательной проверки для снятия с магнитной системы реле остаточного намагничивания необходимо снова подать ток, равный (10 - 15)Iср и затем плавно снизить его до нуля.
Уставки, настраиваемые на реле РТ-40/Р, обычно значительно меньше тока нагрузки присоединения, в цепи которого включено реле, поэтому подвижная система реле длительно находится в рабочем состоянии.
Рис. 20. Схемы для проверки полярностей первичных обмоток насыщающегося трансформатора реле РТ-40/Р
В эксплуатации неоднократно наблюдались случаи, когда подвижная система реле РТ-40/Р оставалась в рабочем состоянии после полного снятия тока с его обмоток. До окончательного выяснения причин, способствующих проявлению указанного дефекта, и разработки методики его устранения рекомендуется учащенная - не реже 1 раза в полгода проверка возврата в исходное положение подвижной системы реле при полном снятии тока. Указанную проверку целесообразно совмещать с отключениями присоединения, в токовые цепи которого включено реле.
В некоторых энергосистемах в схемах устройств резервирования отказа выключателей применяют шунтирование вторичной обмотки суммирующего трансформатора РТ-40/Р контактами реле, срабатывающих в момент запуска схемы. В таких схемах подвижная система РТ-40/Р при прохождении по первичным обмоткам суммирующего трансформатора тока нагрузки, превышающего Iср, остается в отпавшем положении, благодаря чему резко снижается возможность проявления рассматриваемого дефекта реле РТ-40/Р.
3.3.1. При проверке элементов реле (см. рис. 1, е): трансформатора Тр, конденсатора С, а также при настройке исполнительного органа, следует руководствоваться рекомендациями пп. 3.1 и 4.2.
3.4.1. Основные технические данные реле приведены в табл. П3-2. Способы проверки конденсатора С и дросселя Д не отличаются от изложенных выше в п. 3.1.
Настройку заданной уставки можно вести при питании реле от любого постороннего источника переменного синусоидального напряжения частоты 50 Гц.
3.4.2. Для оценки загрубления реле при подаче на него напряжения с частотой 150 Гц рекомендуется пользоваться генератором звуковой частоты любого типа, обеспечивающим выходную мощность не менее 35 - 40 В · А.
3.4.3. Реле, настроенное от постороннего источника
частоты 50 Гц на заданную уставку, подключается к выходным выводам генератора
звуковой частоты ЗГ. По встроенному или выносному прибору с высоким входным
сопротивлением проверяется
реле при частоте выходного сигнала
ЗГ 50 Гц. После этого ЗГ перестраивается на частоту 150 Гц и по тому же прибору
фиксируется напряжение срабатывания реле
.
Если отношение
оказалось равным или большим
восьми, резонансный фильтр реле настроен правильно.
3.5.1. Особенностью данного реле является использование в его схеме стабилитронов. При существенном отклонении коэффициента возврата от значения, гарантированного заводом-изготовителем (Кв >> 0,95), целесообразно провести проверку стабилитронов.
3.5.2. Предварительная проверка состоит из замеров прямого и обратного сопротивления с помощью омметра (например, Ц-315).
Прямое сопротивление стабилитрона при этом должно быть равно 150 - 200 Ом, обратное сопротивление должно равняться бесконечности.
Последнее объясняется тем, что напряжение источника питания омметра ниже напряжения стабилизации UCT стабилитрона.
Если предварительная проверка стабилитрона показала его исправность, следует по схеме, приведенной на рис. 21, проверить эффективность стабилизации напряжения. Исправным считается стабилитрон, у которого при токах стабилизации в диапазоне от 1 до 25 мА напряжение не изменяется более чем на 2 - 5 %.
Обычно оказывается достаточной проверка UСТ при токах порядка 5 и 10 мА, для чего в схеме, приведенной на рис. 21, поочередно устанавливаются резисторы RH, значения сопротивлений которых равны 40 и 20 кОм.
Рис. 21. Схема для проверки стабилитрона Д-808
Для измерения напряжений пригодны только вольтметры, имеющие сопротивление не менее 20 кОм.
|
_______________________________ (станция, подстанция) _____________________________________ (защищаемый элемент, наименование) «____» __________ 197_ г. |
Проверка реле ![]()
1. Паспортные данные
|
Тип |
Завод-изготовитель |
Дата изготовления |
Пределы уставок |
|
|
|
|
|
2. Проверка механической части реле
|
Объем произведенных работ |
Состояние механической части реле после произведения работ |
|
Ревизия без разборки |
|
|
Ревизия с разборкой реле |
|
|
Ремонт реле (замечания об устранении неисправностей и замене отдельных деталей) |
|
3. Испытание изоляции токоведущих частей реле
|
Измеряемая величина |
Токоведущие части (корпус) |
Между токоведущими частями |
|
Сопротивление изоляции, МОм |
|
|
|
Испытание повышенным напряжением, кВ |
|
|
|
Продолжительность испытания, мин |
|
|
4. Проверка шкалы и регулировка рабочей уставки
|
Измеряемая величина |
Минимальная уставка |
Максимальная уставка |
Рабочая уставка |
|||
|
включение обмоток |
включение обмоток |
включение обмоток |
||||
|
параллельное |
последовательное |
параллельное |
последовательное |
параллельное |
последовательное |
|
|
|
|
|
|
|
|
|
|
|
|
|
|
|
|
|
|
|
|
|
|
|
|
|
|
Коэффициент возврата |
|
|
|
|
|
|
5. Проверка работы контактов
|
Условия проверки |
Работа контактов |
|||
|
Уставка, ток, А; напряжение, В |
Диапазон изменения тока, А; напряжения, В, от ... до ... |
четкая нечеткая |
без искрения с искрением |
без вибрации с вибрацией |
|
|
|
|
|
|
6. Контрольные приборы
|
Наименование |
Пределы измерения |
Класс точности |
Заводской номер |
|
|
|
|
|
7. Примечания:
![]()
![]()
Испытание произвели __________________________________
Проверку механической части проверил ___________________
Протокол проверил ____________________________________
ТЕХНИЧЕСКИЕ ДАННЫЕ ТОКОВЫХ РЕЛЕ РТ-40/Ф, РТ-40Р, РТ-40/1Д
Реле тока мгновенного действия РТ-40/Ф применяются в схемах защиты установок переменного тока в тех случаях, когда требуется загрубление защиты при появлении высших гармоник тока. В частности, они находят применение в схемах поперечной дифференциальной защиты генераторов.
Схема внутренних электрических соединений реле представлена на рис. 1, ж, габаритные размеры - на рис. 6.
Сопротивление обмотки реле и конденсаторов С подобраны так, что большая часть токов высших гармоник замыкается через конденсаторы С; благодаря этому ток срабатывания реле при частоте 150 Гц (третья гармоника) сильно возрастает.
Реле пригодны для работы в цепях переменного тока частоты 50 или 60 Гц.
Пределы уставок на ток срабатывания и значения полного сопротивления реле приведены в табл. П2-1.
Таблица П2-1
|
Пределы уставок, А |
Полное сопротивление, Ом, при токе |
||||||
|
1,75 А |
5 А |
20 А |
|||||
|
50 Гц |
60 Гц |
50 Гц |
60 Гц |
50 Гц |
60 Гц |
||
|
I диапазон, 4 - 8 |
1,75 - 3,5 |
0,086 |
0,084 |
0,090 |
0,085 |
0,090 |
0,085 |
|
II диапазон, 6 - 8 |
2,9 - 5,8 |
0,035 |
0,034 |
0,036 |
0,035 |
0,036 |
0,038 |
|
III диапазон, 4 - 6 |
4,4 - 8,8 |
0,019 |
0,018 |
0,019 |
0,018 |
0,020 |
0,019 |
|
IV диапазон, 2 - 4 |
8,8 - 17,6 |
0,008 |
0,008 |
0,008 |
0,008 |
0,008 |
0,008 |
Токи срабатывания при частоте 150 Гц для исполнения на 50 Гц и частоте 180 Гц для исполнения реле на 60 Гц увеличиваются примерно в 8 раз.
Коэффициент возврата реле на любой уставке составляет не менее 0,8.
Время срабатывания реле (время с момента подачи тока в обмотку трансформатора реле до замыкания замыкающего контакта) составляет при токе 1,2Iуст. не более 0,25 с.
Номинальный ток реле равен 6 А.
Все части реле при продолжительном режиме работы выдерживают без повреждения протекание через первичную обмотку трансформатора тока, равного 110 % номинального.
Реле выдерживает без повреждений протекание в течение 1 с по первичной обмотке трансформатора тока, равного 30Iном.
Мощность, потребляемая реле при токе минимальной уставки каждого диапазона, не превышает 1 В · А.
Изоляция между обмотками трансформатора выдерживает в течение 1 мин испытательное напряжение 500 В частоты 50 Гц.
Технические данные обмоток реле и данные емкости приведены в табл. П2-2.
Масса реле около 3,5 кг.
Таблица П2-2
|
Тип реле |
Обозначение обмоток |
Обмотка |
Выводы |
Число витков |
Диаметр провода, мм |
Вид изоляции |
Данные емкости |
|||
|
на 50 Гц |
на 60 Гц |
|||||||||
|
РТ-40/Ф |
520.951.1 (трансформатор) |
первичная |
4 - 8 6 - 8 4 - 6 2 - 4 |
25 15 10 5 |
|
2,26 |
Два слоя обмотки из хлопчатобумажной пряжи |
Емкость равна 6 мкФ, тип МБТЧ |
Емкость равна 5 мкФ, тип МБТЧ |
|
|
РТ-40/Ф-Т |
520.951.2 (трансформатор) |
вторичная |
- |
3050 |
0,2 |
Два слоя оплетки из бесщелочного стекловолокна с пропиткой теплостойким лаком |
||||
|
РТ-40/Ф РТ-40/Ф-Т |
520.791.1 521.021.1 |
|
- |
- |
2000 |
0,25 |
Два слоя высокопрочной эмали |
Емкость равна 6 мкФ, тип МБТЧ |
Емкость равна 5 мкФ, тип МБТЧ |
|
|
(исполнительного органа) |
||||||||||
Реле РТ-40/P применяется в схемах релейной защиты и электроавтоматики, где требуется контроль наличия или отсутствия тока в устройствах резервирования отказа выключателей.
Благодаря наличию суммирующего трансформатора тока для контроля положения трех фаз выключателя одно реле РТ-40/Р заменяет три однофазных реле.
Схема внутренних соединений реле показана на рис. 1, з, габаритные размеры - на рис. 6.
Реле выпускается на номинальные токи 5 А (РТ-40/Р-5) и 1 A (PT-40/P-1). Пределы уставок тока срабатывания приведены в табл. П2-3. Данные обмоток и параметры элементов схемы в табл. П2-4.
Коэффициент возврата реле на любой уставке - не менее 0,7.
Реле тока PT-40/Д применяется в качестве вторичных реле в схемах защиты, когда требуется большая кратность длительно допустимого тока к току срабатывания.
Схема внутренних соединений реле показана на рис. 1, в, габаритные размеры - на рис. 6.
Параметры трансформатора выбраны так, что при токах в его первичной обмотке, превышающих ток срабатывания реле и опасных для обмотки исполнительного органа по термической устойчивости, сердечник трансформатора Тр насыщается.
Для защиты диодов от импульсов напряжения высоких частот, которые могут возникнуть во вторичной обмотке трансформатора при токах значительной кратности, в реле установлен RС-фильтр.
Таблица П2-3
|
Вывода питания трансформатора |
Уставки на шкале при токах срабатывания, А |
|||||||||||
|
PT-40/P-1 |
РТ-40/Р-5 |
|||||||||||
|
1 |
2 |
3 |
4 |
5 |
6 |
1 |
2 |
3 |
4 |
5 |
6 |
|
|
2 - 4 |
0,13 |
0,15 |
0,18 |
0,2 |
0,23 |
0,26 |
0,65 |
0,75 |
0,9 |
1,0 |
1,15 |
1,3 |
|
6 - 8 |
0,13 |
0,15 |
0,18 |
0,2 |
0,23 |
0,26 |
0,65 |
0,75 |
0,9 |
1,0 |
1,15 |
1,3 |
|
7 - 5 |
0,065 |
0,075 |
0,09 |
0,1 |
0,115 |
0,13 |
0,325 |
0,375 |
0,45 |
0,5 |
0,575 |
0,65 |
Таблица П2-4
|
Наименование обмотки |
Номер вывода |
Число витков |
Диаметр провода |
Вид изоляции |
Данные емкости фильтра |
Данные сопротивления фильтров |
Тип диодов выпрямительного моста |
|||
|
PT-40/Р-1 |
Первичная обмотка трансформатора |
2 - 4 |
115 |
0,93 |
|
Два слоя высокопрочной эмали |
|
|
|
|
|
6 - 8 |
115 |
|
|
|
|
|||||
|
5 - 7 |
230 |
|
|
|
|
|||||
|
Вторичная обмотка трансформатора |
- |
470 |
0,31 |
|
|
|
||||
|
РТ-40/Р-5 |
Первичная обмотка трансформатора |
2 - 4 |
23 |
1,81 |
Два слоя хлопчатобумажной пряжи |
4 мкФ МБГЧ |
100 Ом (МЛТ-2) |
Д226 |
||
|
6 - 8 |
23 |
0,31 |
||||||||
|
5 - 7 |
48 |
|||||||||
|
Вторичная обмотка трансформатора |
|
470 |
|
Два слоя бесщелочного стекловолокна с пропиткой теплостойким лаком |
250 В |
|
|
|||
|
РТ-40/Р-1, РТ-40/Р-5 |
Обмотка реле |
- |
2000 |
0,25 |
Два слоя высокопрочной эмали |
- |
- |
- |
||
Пределы уставок на ток срабатывания и значения полного сопротивления реле приведены в табл. П2-5.
Время срабатывания реле при токе, равном 1,2Iуст, не более 0,15 с, при токе равном Iуст, не более 0,05 с.
Таблица П2-5
|
Пределы уставок, А |
Полное сопротивление, Ом, при токе |
|||
|
минимальные уставки |
5 А |
30 А |
||
|
2-8 (I диапазон) |
0,15 ÷ 0,3 |
10 |
1,7 |
0,45 |
|
2-6 (II диапазон) |
0,3 ÷ 0,6 |
2,5 |
0,65 |
0,25 |
|
2-4 (III диапазон) |
0,5 ÷ 1 |
1 |
0,4 |
0,1 |
Коэффициент возврата реле на любой уставке составляет не менее 0,7. Номинальный ток реле равен 6 А.
Реле выдерживает без повреждений протекание в течение 1 с по первичной обмотке трансформатора тока, равного 30Iном.
Реле предназначены для применения в цепях номинальной частоты 50 Гц.
Реле имеет один замыкающий и один размыкающий контакты.
Изоляция между обмотками трансформатора выдерживает в течение 1 мин испытательное напряжение 500 В частоты 50 Гц.
Число витков обмоток реле и параметры элементов схемы приведены в табл. П2-6.
Масса реле около 3 кг.
Таблица П2-6
|
Обозначение обмотки |
Наименование обмотки |
Номер вывода |
Количество витков |
Диаметр провода, мм |
Вид изоляции |
Давние емкости фильтра |
Данные сопротивления фильтра |
Данные диодов выпрямительного моста |
|||
|
РТ-40/1Д |
520.922.1 (трансформатор) |
Первичная обмотка |
2 - 4 2 - 6 2 - 8 |
30 50 100 |
1,95 |
Два слоя обмотки из хлопчатобумажной пряжи |
|
4 мкФ МБТЧ UН = 250 В |
100 Ом (МЛТ-2) |
Д-226 |
|
|
РТ-40/1Д-Т |
520.922.2 (трансформатор) |
Вторичная обмотка |
- |
470 |
0,31 |
Два слоя обмотки из бесщелочного стекловолокна с пропиткой теплостойким лаком |
|||||
|
РТ-40/1Д |
520.791.1 (исполнительный орган) |
- |
- |
|
2000 |
0,25 |
Два слоя высокопрочной эмали |
- |
- |
- |
|
|
РТ-40/1Д-Т |
521.021.1 |
- |
- |
- |
- |
- |
|||||
ТЕХНИЧЕСКИЕ ДАННЫЕ РЕЛЕ НАПРЯЖЕНИЯ РН-51/М, РНН-57, РН-58
Реле PH-51/M реагирует на появление или повышение напряжения постоянного тока. Используется в схемах контроля изоляции цепей постоянного тока и т.п.
Схема внутренних соединений реле показана на рис. 1, и, к, габаритные размеры - на рис. 5.
Основные технические данные реле приведены в табл. П3-1.
Коэффициент возврата реле составляет не менее 0,5. Потребляемая мощность реле не превышает 0,15 Вт. Катушки реле длительно выдерживают напряжение 1,1Uном.
На шкале реле имеет только одну уставку напряжения срабатывания, но при необходимости можно поворотом стрелки указателя изменять уставку в небольших пределах.
При монтаже и наладке необходимо соблюдать полярность, указанную на выводах реле.
Реле напряжения РНН-57 нулевой последовательности реагирует на малые значения напряжения частоты 50 Гц.
Схема внутренних соединений показана на рис. 2, а, габаритные размеры - на рис. 7.
Благодаря фильтру из параллельно включенных между собой емкости С и дросселя L, на обмотку реле поступает ток только частоты 50 Гц. При питании реле напряжением частоты 150 Гц (третья гармоника) напряжение срабатывания повышается примерно в 8 раз по сравнению с уставкой на напряжение частоты 50 Гц.
Основные технические данные реле приведены в табл. П3-2, П3-3.
Реле максимального напряжения РН-58 предназначено для применения в схемах, в качестве органа реагирующего на повышение напряжения, когда необходимо иметь повышенный коэффициент возврата реле.
Обмотки наполнительного органа - реле РН-50 присоединены к вторичной обмотке трансформатора Тр (рис. 2, б) через выпрямительный мост ВМ и стабилитроны Д1 - Д4, которые используются для повышения коэффициента возврата реле. Изменение уставки напряжения срабатывания производится потенциометром П, на оси которого укреплен указатель.
Таблица П3-1
|
Данные обмоток |
Соединение обмоток |
|||||||
|
количество витков |
диаметр провода, мм |
последовательное |
параллельное |
|||||
|
Uн, В |
Uср, В |
Сопротивление обмотки, Ом |
Uн, В |
Uср, В |
Сопротивление обмотки, Ом |
|||
|
РН-51/М34 |
9500 |
0,11 |
60 |
6,4 |
2400 |
30 |
3,2 |
600 |
|
РН-51/М56 |
2000 |
0,25 |
8 |
1,4 |
94 |
4 |
0,7 |
23,5 |
|
РН-51/М78 |
1400 |
0,09 |
100 |
32 |
15400* |
50 |
16 |
3850* |
____________
* Сопротивление указано с учетом последовательно включенного с каждой обмоткой реле добавочного сопротивления, равного 5100 0м.
Таблица П3-2
|
Коэффициент возврата |
Потребляемая мощность при напряжении 100 В |
Время срабатывания, с |
Термическая устойчивость в течение 6 с |
|
|
4, 5, 6, 7, 8 |
Не менее 0,8 |
Не более 30 В · А |
t = 0,04 при 2Uуст |
115 В |
Таблица П3-3
|
Обозначение обмотки* |
Количество витков |
Диаметр провода по меди, мм |
Емкость конденсатора |
||
|
РНН-57 РНН-57-1 |
|
520.881 |
1220 |
0,31 |
2 мкФ, МБГ4, Uн = 200 В |
|
РНН-57 PHН-57-1 |
520.791.4 521.021.4 |
5600 |
0,14 |
||
______________
* Вид изоляции для всех обмоток - два слоя высокопрочной эмали.
Габаритные размеры реле приведены на рис. 7, технические данные - в табл. П3-4, П3-5.
Таблица П3-4
|
Коэффициент возврата на любой уставке |
Потребляемая мощность, Вт |
Термическая устойчивость при U = 2Uycт, c |
||
|
на первой уставке |
на последней уставке |
|||
|
50, 60, 70, 80, 90, 100 |
Не менее 0,95 |
Не более 1,5 |
Не более 4 |
Не более 5 |
Таблица П3-5
|
Обозначение обмотки блока реле |
Данные обмоток |
Вид изоляции |
|
|||||
|
количество витков |
диаметр провода, мм |
нерегулируемое |
регулируемое |
|||||
|
РН-58 РН-58-Т |
520.791.4 521.021.4 |
5600 |
0,14 |
|
Два слоя высокопрочной эмали |
|
560 |
1000 |
|
Трансформатор |
Первичная обмотка |
1700 |
0,19 |
|||||
|
Вторичная обмотка |
1000 |
0,21 |
||||||
ПРИНЦИП ДЕЙСТВИЯ РЕЛЕ, ОТЛИЧИЕ РЕЛЕ ТОКА ОТ РЕЛЕ НАПРЯЖЕНИЯ, КОНСТРУКЦИИ РЕЛЕ ЭТ, ЭН, РТ И РН
Принцип действия реле
Все серии реле ЭТ, РТ и ЭН, РН являются электромагнитными, принцип работы которых основан на взаимодействии магнитного потока, создаваемого управляющим током, протекающим по обмотке, с подвижным якорем.
На рис. 22 дан общий вид электромагнитных систем реле серий ЭТ-520 и ЭН-500 (рис. 22, а). Как видно из рисунка, они отличаются от выпускаемых в настоящее время серий РТ и РН (рис. 22, б) формой магнитопровода 1 и расположением поворотного якоря 2 относительно магнитной системы. Реле включает в себя: спиральную противодействующую пружину 3, закрепленный на якоре подвижной контактный мостик 4, неподвижные контакты 5 и упоры 6.
Если обмотки реле обесточены, спиральная пружина прижимает подвижной контактный мостик к одной паре неподвижных размыкающих контактов. В этом положении якорь фиксируется упором.
При прохождении по обмотке реле тока 1 создается магнитный поток Ф, который замыкается через сердечник, якорь и воздушные зазоры, образованные между телом магнитопровода и якорем. В результате сердечник и намагниченный якорь оказываются обращенными друг к другу разноименными полюсами, возникает электромагнитная сила Fэл, которая притягивает якорь к полюсам сердечника. Причем при изменении направления тока изменится полярность, как якоря, так и сердечника, и направление электромагнитной силы притяжения останется прежним. Это позволяет работать электромагнитным реле как на постоянном, так и на переменном токе.
Под действием Fэл якорь начнет вращаться вокруг своей оси, т.е. возникает вращающий момент
Электромагнитная сила Fэл пропорциональна квадрату магнитного потока Ф
Рис. 22. Общий вид электромагнитных систем реле
а - серий ЭТ-520 и ЭН-500; б - серий РТ-40 и РН-50;
1 - магнитопровод, 2 - поворотный якорь, 3 - спиральная противодействующая пружина, 4 - подвижной контактный мостик, 5 - неподвижные контакты, 6 – упоры
Магнитный поток зависит от тока I и числа витков обмотки n
где l - воздушный зазор между якорем и магнитопроводом.
Подставляя в формулу (1) выражения (2) и (3), получим
|
|
(4 |
где к1, к2, к3, к4 - коэффициенты пропорциональности.
Из выражения (4) видно, что при увеличении тока или числа витков обмоток значение Мэл возрастает в квадрате.
Увеличение воздушного зазора, наоборот, уменьшает значение в квадрате.
Такое сильное влияние величины воздушного зазора неблагоприятно сказывается на некоторых характеристиках реле, оно объясняется тем, что сталь сердечника и якоря обладает в сотни раз меньшим сопротивлением магнитному потоку, чем воздух. Г-образный профиль якоря позволяет уменьшить колебания величины воздушного зазора в различных положениях якоря.
Коэффициент пропорциональности к4 зависит от угла поворота a (см. рис. 10) якоря относительно его горизонтального положения. При a = 90° плечо силы Fэл равно нулю, соответственно электромагнитный момент Мэл также равен нулю.
Вращательному движению якоря под действием Мэл противодействует момент механический Ммех. Он создается спиральной пружиной, силами трения в подпятниках оси, а также массой подвижной системы.
Механический момент, создаваемый пружиной, прямо пропорционален углу поворота якоря, а момент, создаваемый массой и силами трения подвижной системы, можно практически считать постоянным и незначительным по величине.
Подвижная система реле начнет свое вращение при условии
|
Мэл > Ммех. |
Такое состояние реле, при котором происходит переход якоря из начального (спокойного) состояния в конечное (полное притяжение), а также замыкания замыкающих, размыкание размыкающих контактов называется срабатыванием реле.
Этому состоянию соответствует ток или напряжение срабатывания - минимальное значение тока или напряжения, подаваемого в обмотку, при котором происходит срабатывание реле.
При движении якоря угол закручивания спиральной пружины изменяется и механический момент противодействия увеличивается. Для того, чтобы подвижная система не остановилась в промежуточном положении, значение Мэл должно нарастать быстрее Ммех, т.е. должен существовать избыточный момент
|
DМ = Мэл - Ммех. |
(5) |
Диаграмма Мэл и Ммех при изменении угла поворота якоря приведена на рис. 10.
В точках 1 и 1' Мэл = Mмex (DM = 0), а в точках 2 и 2' Мэл имеет максимальное значение и избыточный момент DM также имеет максимальное значение.
При приближении к углу поворота a = 90° Мэл резко уменьшается и становится равным нулю.
Избыточный момент обеспечивает надежное нажатие подвижной системы на контакты.
Предельные изменения углов поворота якоря устанавливаются упорами. Возврат якоря в первоначальное положение (точки 1/1') происходит под действием Ммех, причем для этого нужно, чтобы избыточный момент был равен нулю. Осуществляется это путем снижения тока в обмотках (точки 3/3', рис. 10,в)
|
Мэл ≤ Ммех. |
(6) |
Ток (напряжение) возврата Iв - ток (напряжение) в обмотке реле, при котором происходит возврат реле.
Из рис. 10, в также видно, что коэффициент возврата реле определяется соотношением Мэл и Ммех при конечном положении якоря. Следует поэтому иметь в виду, что избыточный момент, увеличивая давление на контакты, одновременно снижает коэффициент возврата реле, так как для компенсации избыточного момента требуется значительное снижение тока в обмотке реле.
Наилучшее соотношение значений давления якоря на контакты и коэффициентов возврата получается при сближении характеристик электромагнитного и противодействующего ему механического моментов, т.е. при ходе якоря в пределах от a1 до a2 рис. 10, в.
Для серий реле ЭТ, ЭН-520 и ЭТ, ЭН-60 a1 изменяется от 78° (начальное положение) до a2 = 85° (конечное положение). Для серии РТ-40 и РН-50 a1 имеет значение от 62 до 75°.
При смещении хода якоря в сторону увеличения a резко снижается избыточный момент DМ, что уменьшает давление на контакты.
Если уменьшить начальный угол a1, то резко уменьшится коэффициент возврата. Это произойдет за счет увеличения начального воздушного зазора, что повлечет за собой повышение тока срабатывания (при неизменном токе возврата).
Отличие реле тока от реле напряжения, реле максимального от минимального
Обмотки реле тока включаются последовательно в фазы сети, имеют небольшое сопротивление и хорошую термическую устойчивость.
Реле напряжения включаются параллельно на междуфазное или фазное напряжение сети и их сопротивление обмотки должно быть значительно больше общего сопротивления сети. Поэтому обмотки реле напряжения изготавливаются из провода небольшого диаметра и имеют большое число витков.
Полное сопротивление обмотки любого реле
|
|
где х = wL - реактивное сопротивление;
r - активное сопротивление,
w = 2pf - угловая частота переменного тока сети,
L - индуктивность катушки.
Если цепь состоит только из обмотки катушки, то в момент срабатывания реле напряжения из-за уменьшения воздушного зазора l и соответствующего уменьшения магнитного сопротивления реле индуктивное сопротивление обмотки х увеличивается. Это приводит к снижению тока в обмотке и, как следствие, к уменьшению Мэл.
Избыточный момент получается недостаточным для надежного замыкания контактов и подвижная система реле начинает «плавать». Для устранения этого недостатка, а также для устранения влияния на уставку реле напряжения изменений температуры и частоты, последовательно с обмоткой включается добавочный резистор Rд. Активное сопротивление резистора Rд в несколько раз больше сопротивления обмотки и конструктивно он устанавливается внутри реле.
Таким образом, применительно к реле напряжения можно записать
|
|
где к5 - коэффициент пропорциональности;
U - подведенное напряжение сети;
I - ток.
Так как значение Z при наличии Rд изменяется мало, то Мэл реле напряжения имеет характеристику аналогично токовым реле (см. рис. 10).
У максимальных реле ток (напряжение) возврата Iв(Uв) меньше тока (напряжения) срабатывания Iср(Uср), поэтому коэффициент возврата Кв у них меньше единицы.
У минимальных реле тока (напряжения) Iв(Uв) больше Iср(Uср), поэтому Кв у них больше единицы.
Конструкция реле ЭТ и ЭН
Кинематические схемы реле серий Э-60, Э-70 и Э-520 различаются незначительно (рис. 23). На полюсах неподвижного сердечника 1 расположены две обмотки 2, Z-образный стальной поворотный якорь 4, укрепленный на оси 5, под действием магнитного потока, создаваемого током обмоток, стремится повернуться к полюсам сердечника. Этому противодействует спиральная пружина 8, внутренним концом связанная с осью якоря, а наружным - с поводком указателя уставки 9.
На оси 5 укреплен изолированный от нее серебряный контактный мостик 7, который при срабатывании реле замыкает (размыкает) неподвижные контакты 6, укрепленные на фигурной пластмассовой колодке. Для регулирования начального и конечного положения якоря служат упорные винты 3.
Конструкция регулировочных головок серий Э-60 и Э-520 старого выпуска рис. 11 отличается от конструкции головок реле Э-520 нового выпуска рис. 12. Модернизация головок была произведена для исключения случаев самопроизвольного перемещения указателя с заданной уставки по шкале.
Рис. 23. Кинематическая схема реле Э-520:
1 - сердечник, 2 - обмотки; 3 - упорные винты, 4 - поворотный якорь, 5 - ось; 6 - неподвижные контакты, 7 - подвижный контактный мостик, 8 - спиральная пружина, 9 - регулировочная головка, 10 - шкала
Вращая указатель, а с ним поводок спиральной пружины, плавно регулируют затяжку пружины.
Начальный угол затяжки пружины равен 25 - 30, конечный 120°. У реле Э-520 предусмотрена возможность переключения обмоток с последовательного на параллельное соединение, что изменяет пределы шкалы уставок в два раза.
Реле монтируется на пластмассовом цоколе и закрывается пластмассовым кожухом, передняя стенка которого застеклена. Уплотнение защищает реле от проникновения пыли.
Конструкция реле РТ и РН
Токовые реле РТ-40 отличаются от реле напряжения РН-50 тем, что имеют дополнительно гаситель колебаний 4 (рис. 13, а). В реле РТ-40 отсутствует дополнительно подключаемый резистор и обмотки имеют меньшее число витков, которые намотаны проводом гораздо большего диаметра, чем у реле РН-50. По конструкции они практически идентичны и состоят из следующих основных элементов: из П-образного, собранного из пластин электротехнической стали, сердечника 1, подвижной системы, состоящей из якоря 14, подвижного контакта 6 и гасителя колебаний 4, алюминиевой стойки 3, упоров левого 16 и правого (на рис. 13, а, не показан); изоляционной колодки 7 с расположенными на ней двумя парами неподвижных контактов (рис. 13, в): левыми 18 и правыми 17, регулировочного узла (рис. 13, в), состоящего из пружинодержателя 10, фасонного винта 19 с насаженной на него разрезной шестигранной втулкой 11 и противодействующей спиральной пружиной 12, шкалы уставок 8 и указателя уставки 9.
Реле смонтировано в корпусе, состоящем из пластмассового цоколя и кожуха из прозрачного материала.
Алюминиевая стойка 3 крепится к пластмассовому цоколю двумя винтами М4. Пластмассовый цоколь имеет восемь выводов - по четыре с каждой стороны. На левую сторону (вид спереди) выводятся замыкающие (выводы 5 - 7) и размыкающие контакты (вывода 9 - 11), на правую сторону цоколя выводятся обмотки каждой катушки, на выводы 6 - 10 верхняя, на выводы 8 - 12 нижняя обмотка.
На алюминиевой стойке с помощью трех винтов М3 укреплен П-образный сердечник 1. Отверстия в сердечнике под крепящие винты имеют диаметр несколько больший, чем диаметр винтов, что позволяет перемещать сердечник на 1 - 1,2 мм, приближая либо удаляя его от якоря.
Спереди на алюминиевой стойке расположена пластмассовая изоляционная колодка 7, несущая на себе одну пару замыкающих и одну пару размыкающих контактов (см. рис. 13, б). Колодка имеет возможность перемещаться в горизонтальной плоскости в пределах 2 мм. Это перемещение позволяет изменять в сравнительно небольших пределах расстояние между контактами, совместный ход (провал) контактов, а также угол встречи подвижного контакта по отношению к неподвижным (см. рис. 8).
Каждый неподвижный контакт вместе с передним 22 и задним 21 упорами представляет собой контактный узел (см. рис. 13, г). Неподвижный контакт представляет собой бронзовую пружинящую пластинку 23, на одном из концов которой приварена серебряная полоска длиной 6 и шириной 2,2 мм.
Передний упор 22 необходим для предупреждения раскачивания контактной пластинки при вибрации панели или щита, на котором установлено данное реле. Задний гибкий упор 21 служит для увеличения жесткости контактной пластинки в конце совместного хода подвижного и неподвижных контактов.
При необходимости контактный узел может перемещаться в пазу пластмассовой колодки на 1,0 - 1,5 мм.
Подвижная система реле опирается на верхнюю полуось 5, нижняя полуось является направляющей. Обе полуоси крепятся стопорными винтами в алюминиевой стойке. Полуось представляет собой латунный цилиндр высотой 9 и диаметром 3 мм, в которой запрессована стальная шпилька диаметром 1 мм. Конец стальной шпильки выполняется в виде полусферы, боковая поверхность ее отполирована.
К верхней части скобы, на которой закреплен якорь 14, приклепан пластмассовый барабанчик гасителя колебаний 4 с алюминиевой крышкой. Нижняя часть этой скобы имеет отверстие под нижнюю полуось и хвостовик 13, к которому припаивается наружный конец спиральной пружины 12. Пластмассовый барабанчик, наполненный чистым просеянным песком, для поглощения вибраций подвижной системы.
К якорю жестко прикреплена изоляционная фасонная колодочка с подвижными контактами 6 мостикового типа.
Серебряные мостики, которые замыкают неподвижные контакты 17 и 18, свободно поворачиваются вокруг своей оси на угол 5 - 8°. Угол поворота серебряного мостика определяется упорами, имеющимися на подвижном контакте, и может изменяться посредством отгибания упоров.
Осевой люфт мостика составляет 0,1 - 0,15 мм.
Поворот якоря ограничивается упорами: левым упором 16 определяется начальное положение якоря, правым - конечное. Упор представляет собой латунную шпильку с резьбой, конец которой заточен на конус.
Для фиксации левого упора используется пружинящее свойство бронзовой фасонной пластинки 15. Правый упор, определяющий конечное положение якоря, фиксируется гайкой М3.
Противодействующая спиральная пружина 12 своим внутренним концом закреплена в шестигранной разрезной втулке 11, которая с достаточным трением посажена на фасонный винт 19 диаметром М5 (рис. 13, в). На фасонном винте между пружинящей шайбой и гайкой крепится указатель уставки 9. Пружинящая шайба 20 обеспечивает перемещение указателя по шкале с достаточным трением.
В реле РН-50 правый и левый упоры фиксируются бронзовыми фасонными пластинками, а изоляционная пластинка с диодами Д226 и резистором крепится с правой стороны стойки 3.
2. - Сборник директивных материалов. Электрическая часть. «Энергия», 1971. 463 с.
4. Жданов Л.С., Овчинников В.В. Электромагнитные реле тока и напряжения РТ и РН. «Энергия», 1971, 73 с.
5. - Министерство энергетики и электрификации СССР. Главное техническое управление по эксплуатации энергосистем. Решение № Э-20/75, СПО ОРГРЭС, 1976.
6. ГОСТ 16121-70. Реле электромагнитные. Общие технические условия.
7. ГОСТ 711-20. Реле защитные электрические вторичные косвенного действия переменного тока. Общие технические условия.
8. ГОСТ 3698-65. Реле максимального тока защитные вторичные косвенного действия. Технические требования.
9. ГОСТ 3699-65. Реле напряжения защитные вторичные косвенного действия. Технические требования.
СОДЕРЖАНИЕ