Скачать Руководство по ревизии, наладке и испытанию подземных электроустановок шахт. Издание второе, переработанное и дополненноеДата актуализации: 01.01.2021 |
| Статус: | справочные материалы, мп, тпр |
| Название рус.: | Руководство по ревизии, наладке и испытанию подземных электроустановок шахт. Издание второе, переработанное и дополненное |
| Дата добавления в базу: | 01.02.2020 |
| Дата актуализации: | 01.01.2021 |
| Область применения: | В документе изложены принципы действия и конструктивные особенности электрооборудования и устройств защиты подземных электроустановок шахт. Приведены объем, нормы, технология, методы проведения работ по техническому обслуживанию, ревизии, наладке и испытанию электрооборудования. Даны указания по организации труда и технике безопасности при выполнении работ. Второе издание дополнено описанием оборудования на напряжение 1140 В. Руководство предназначено для персонала энергомеханических служб объединений, шахт, монтажно-наладочных организаций и ремонтных предприятий |
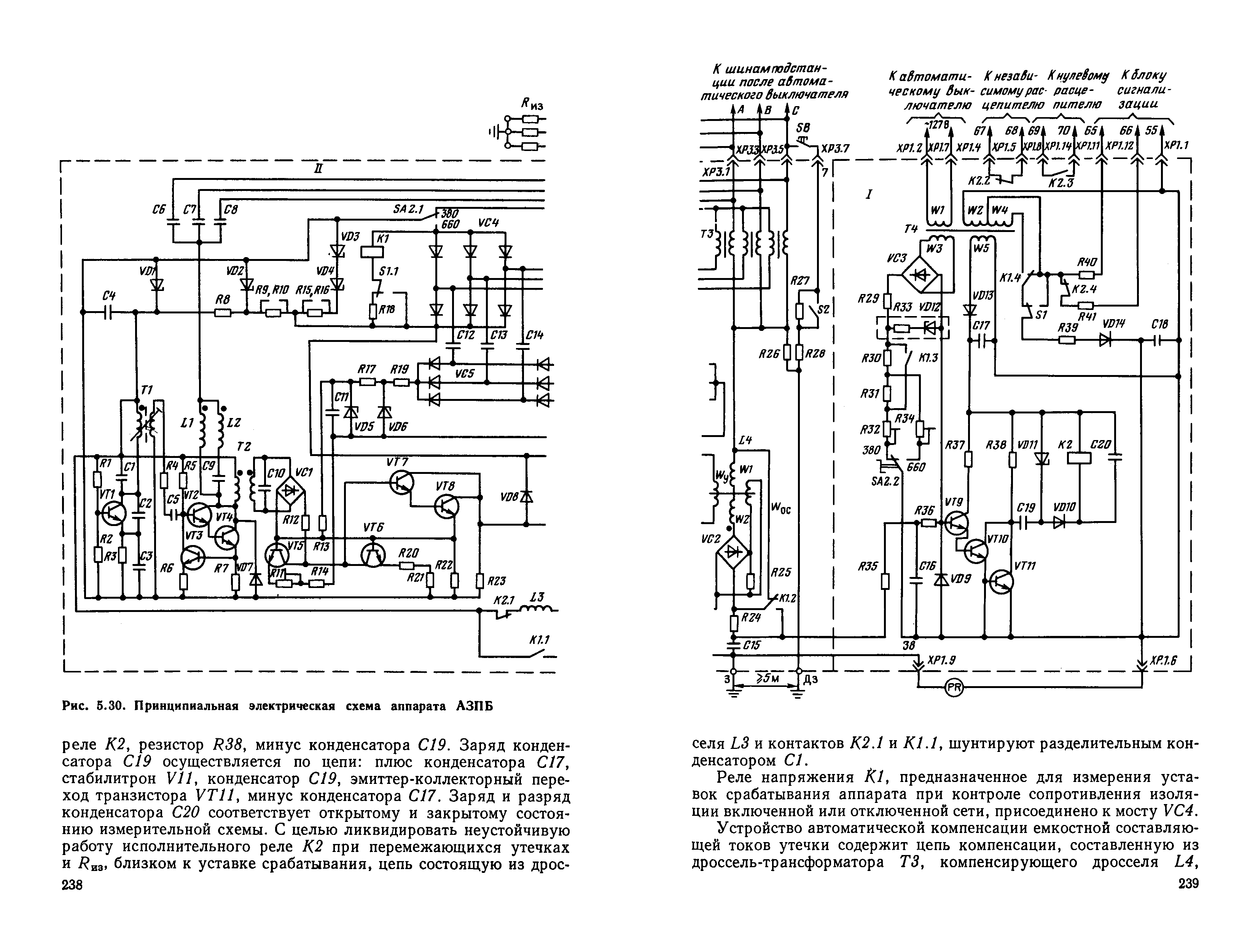
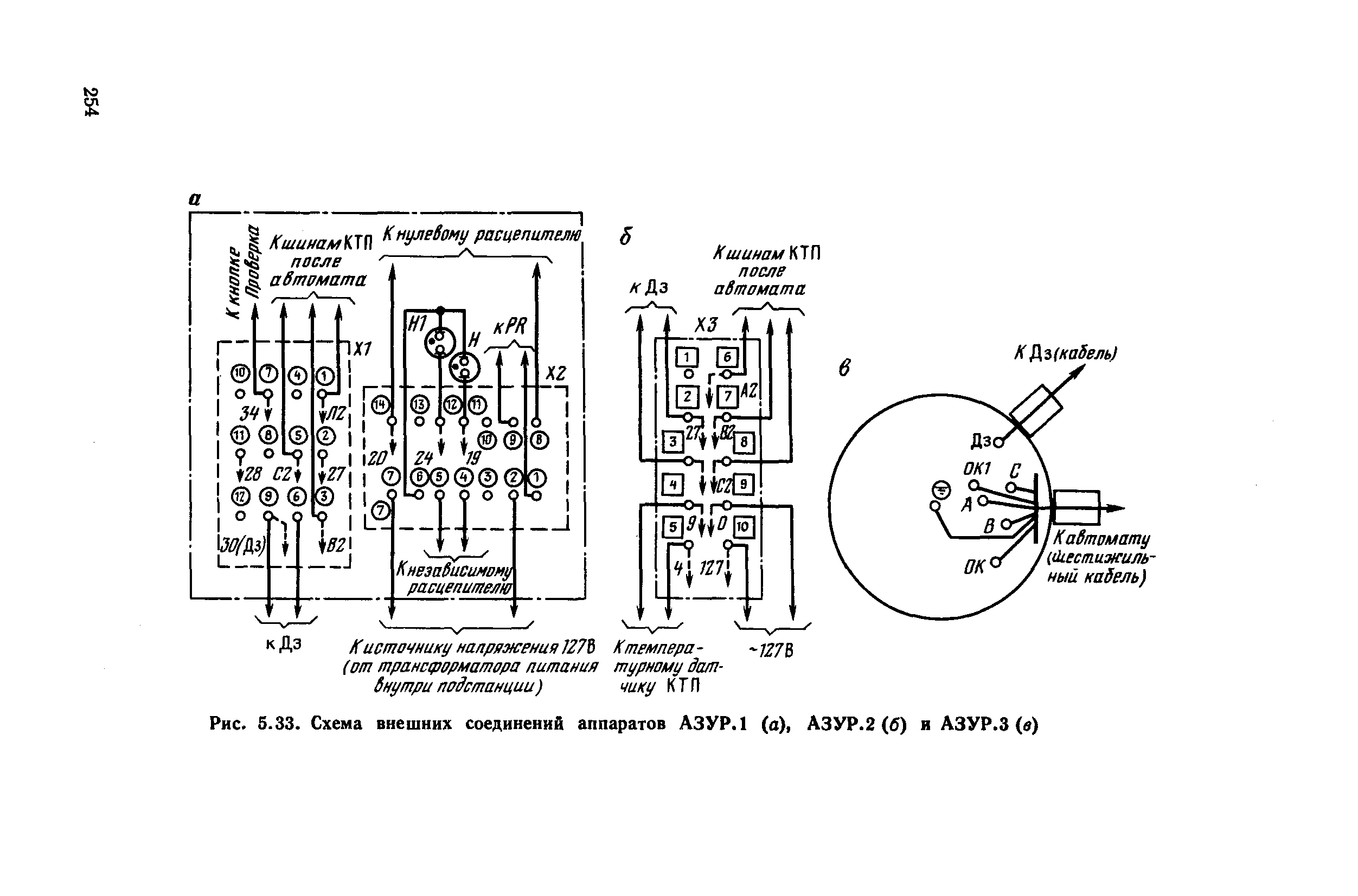
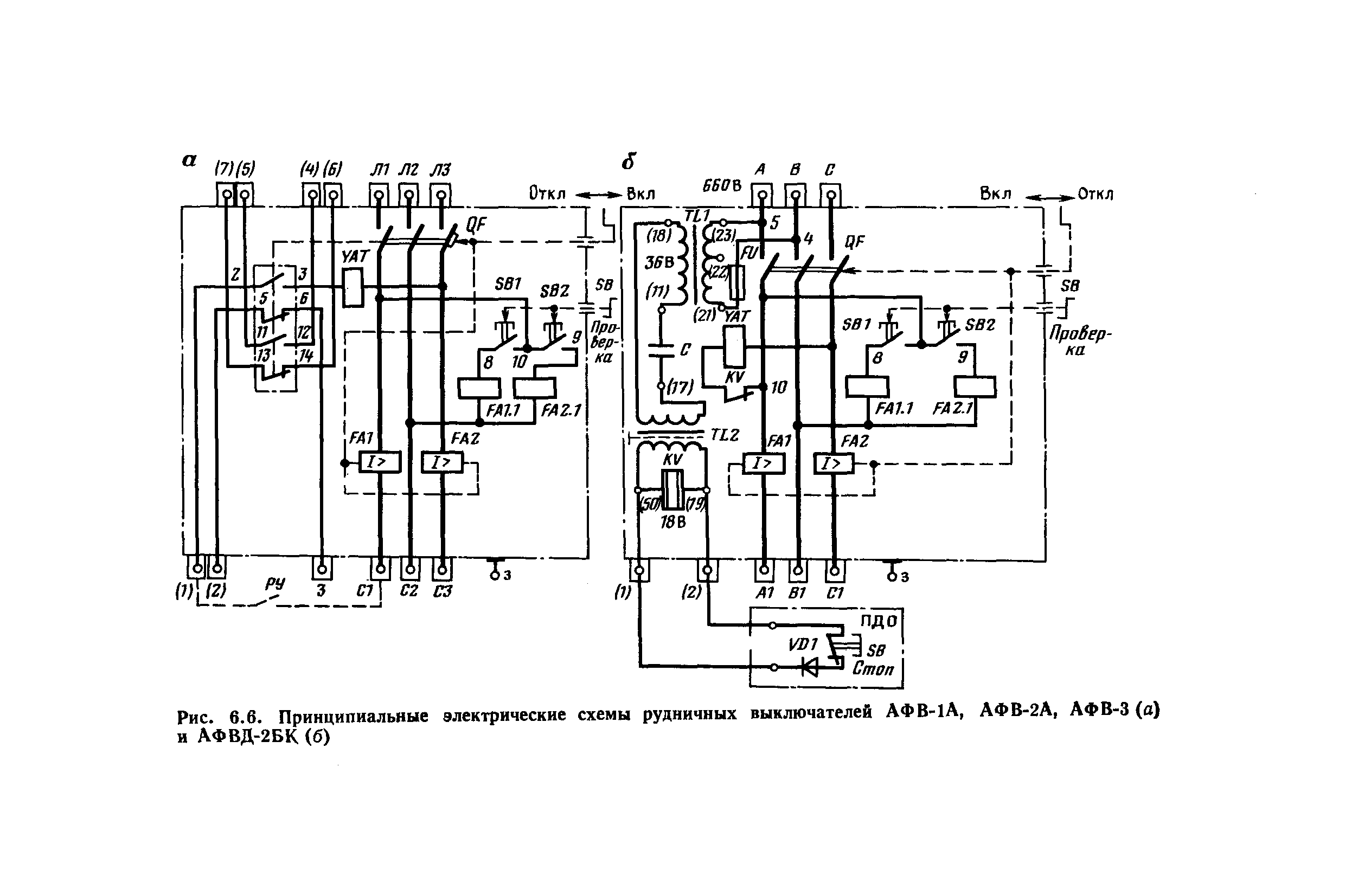
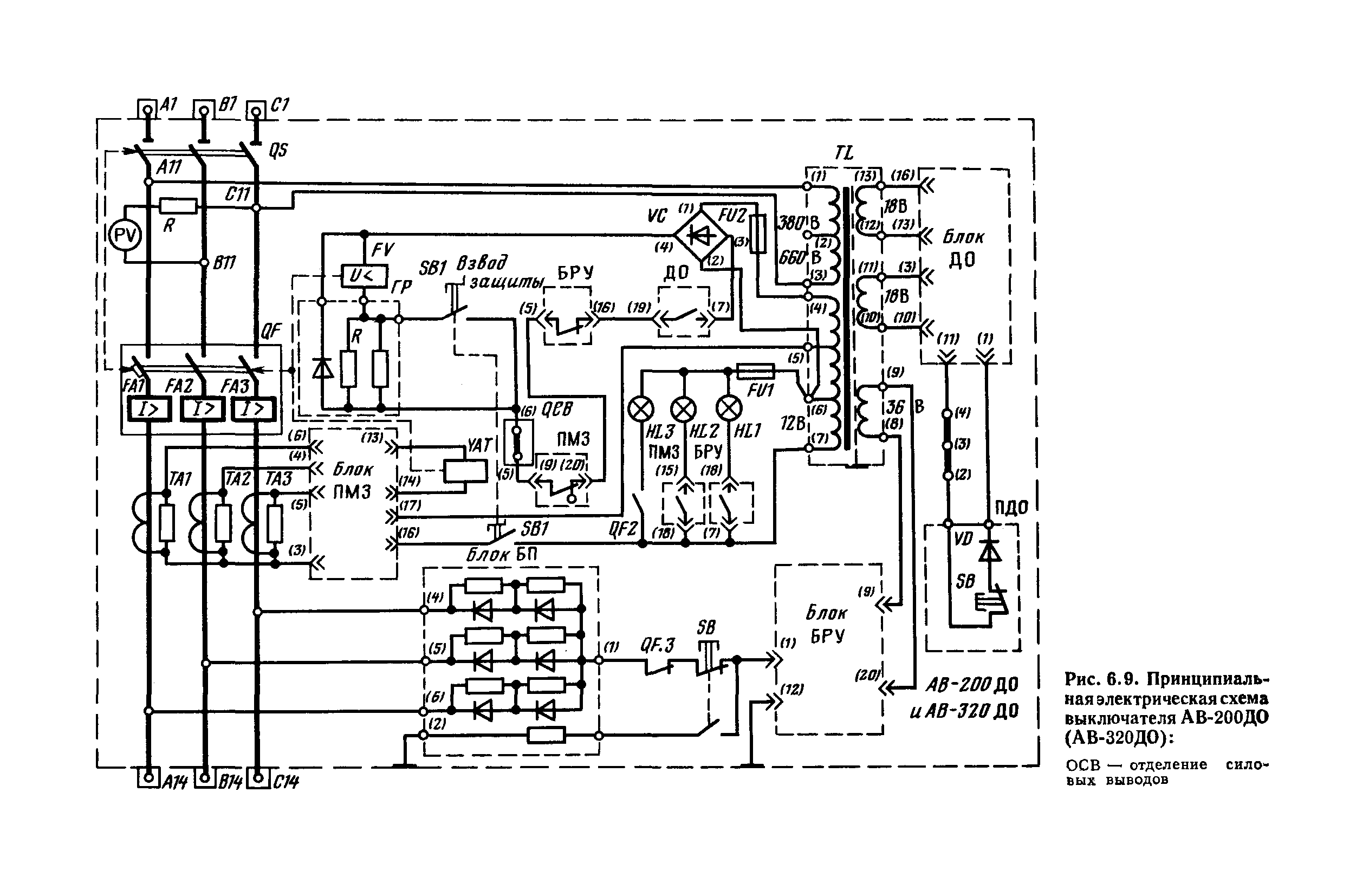
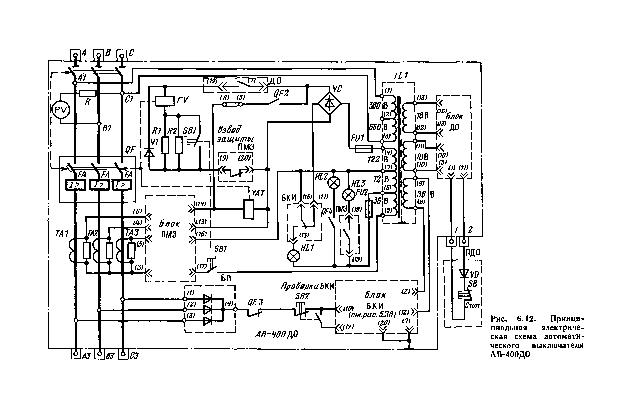
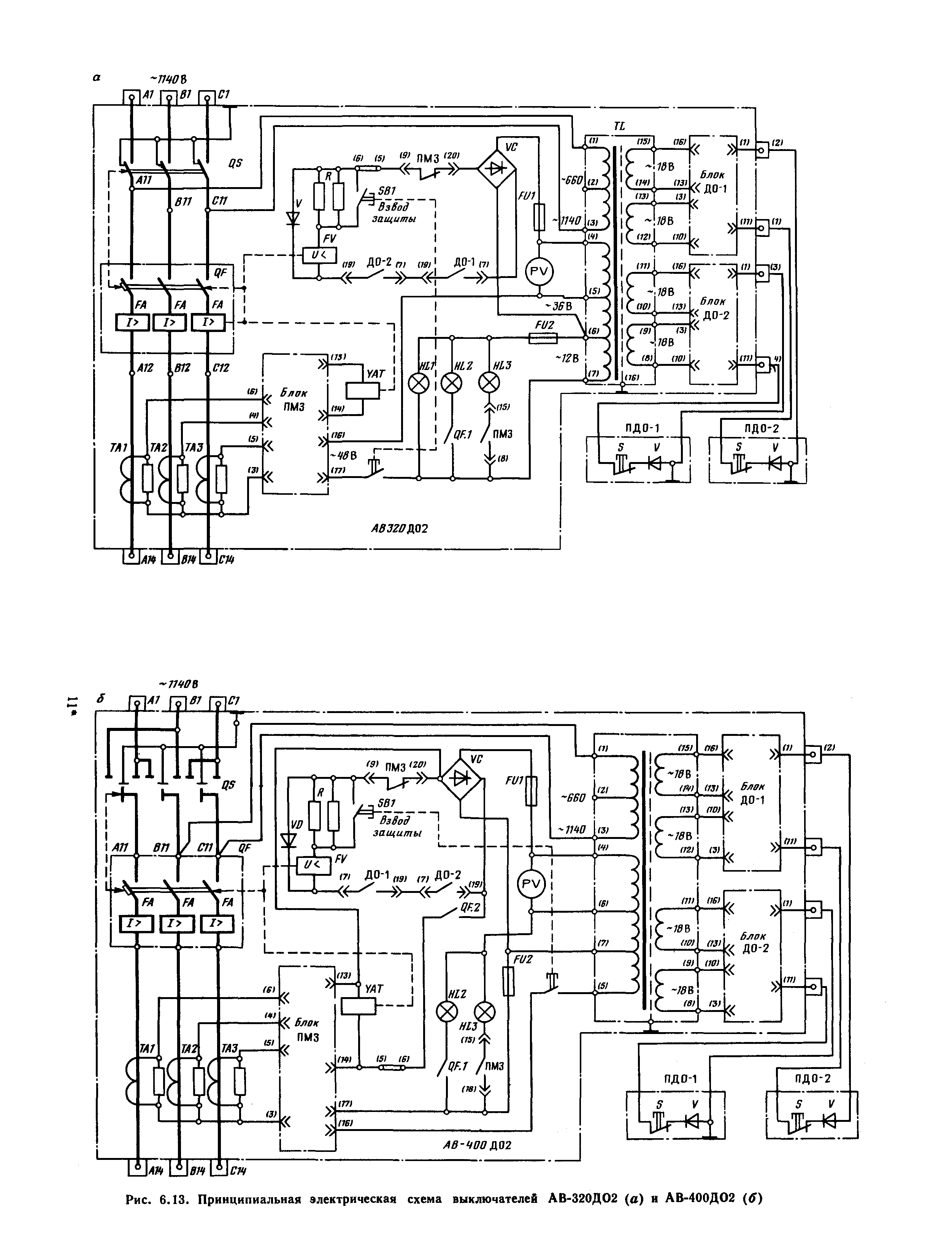
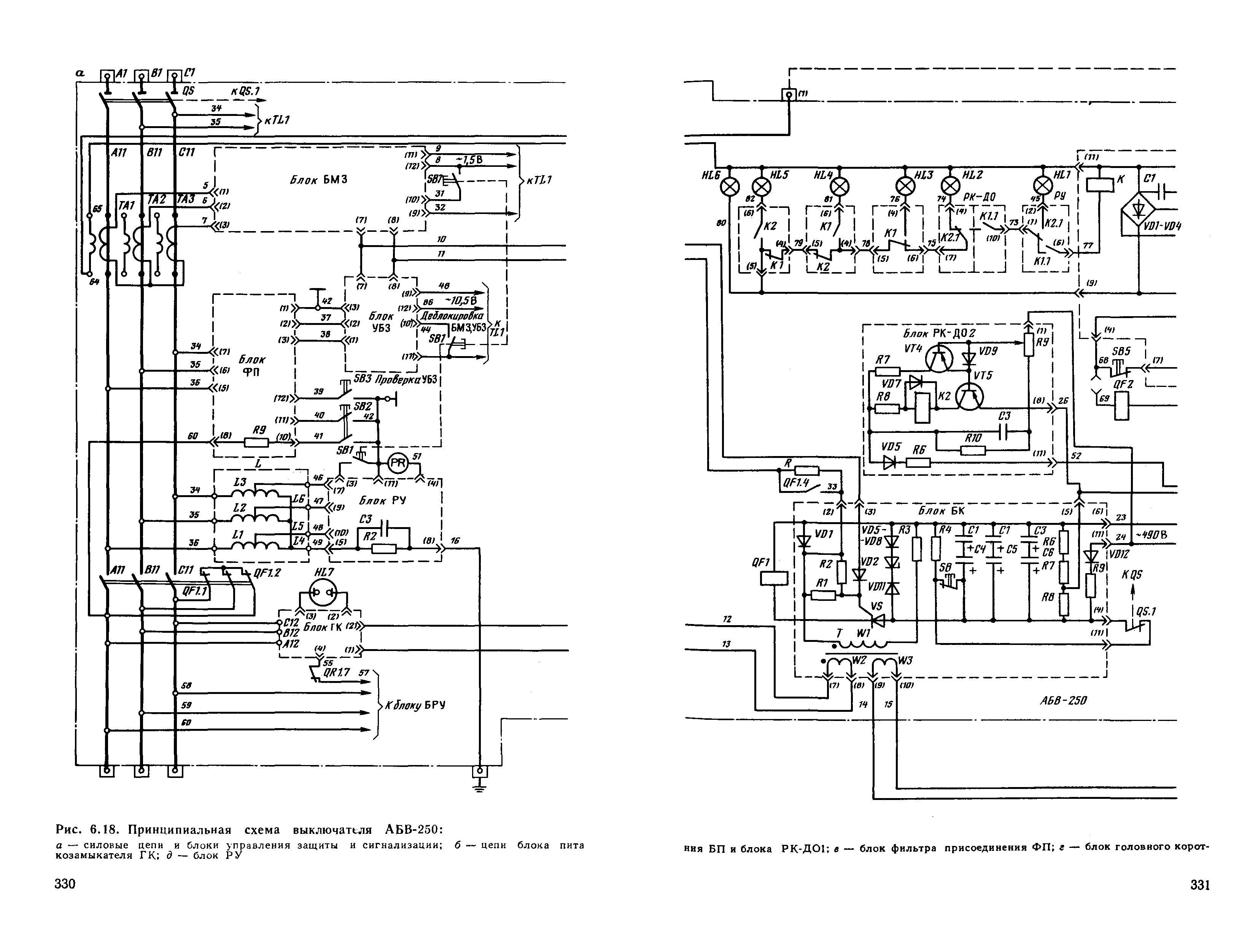
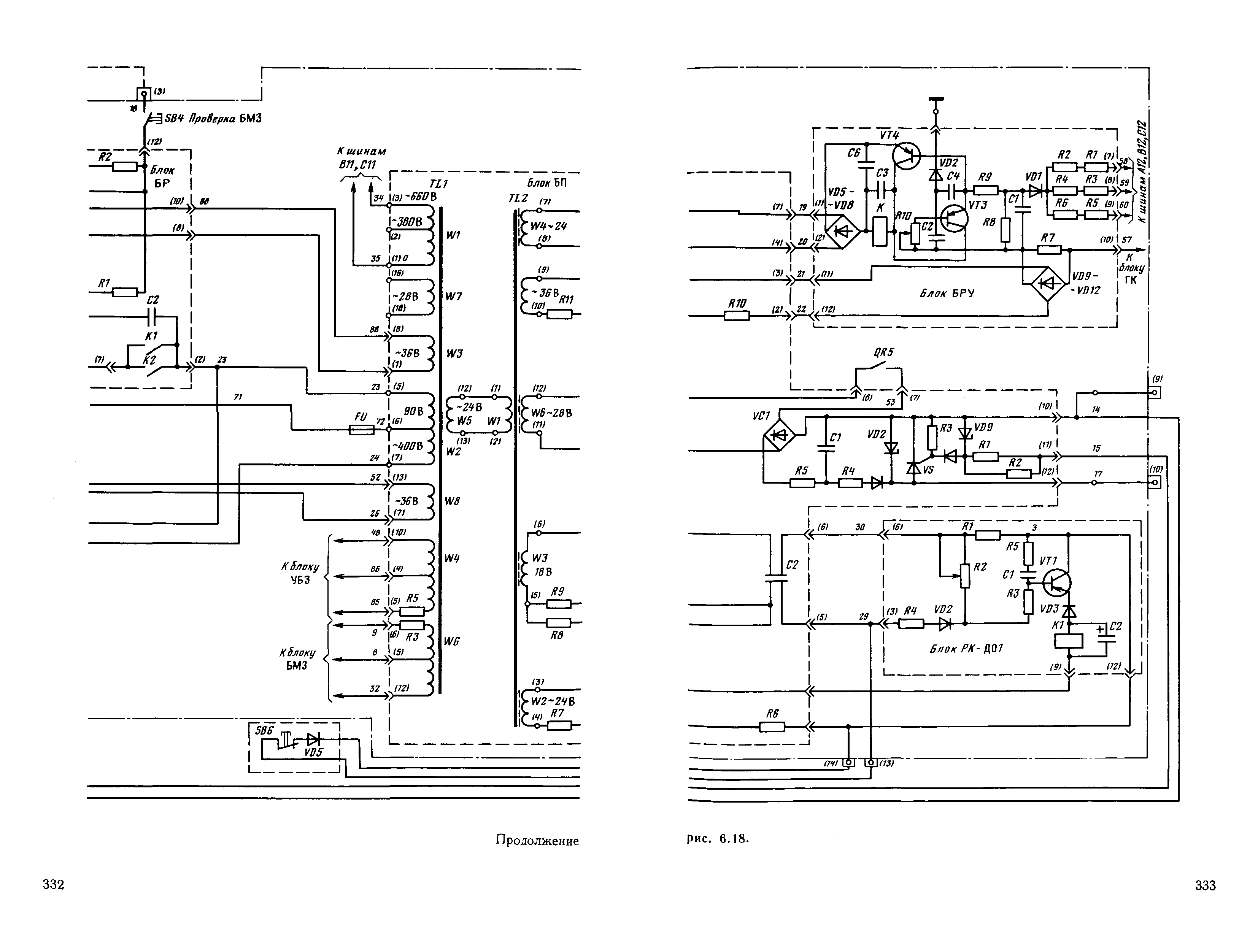
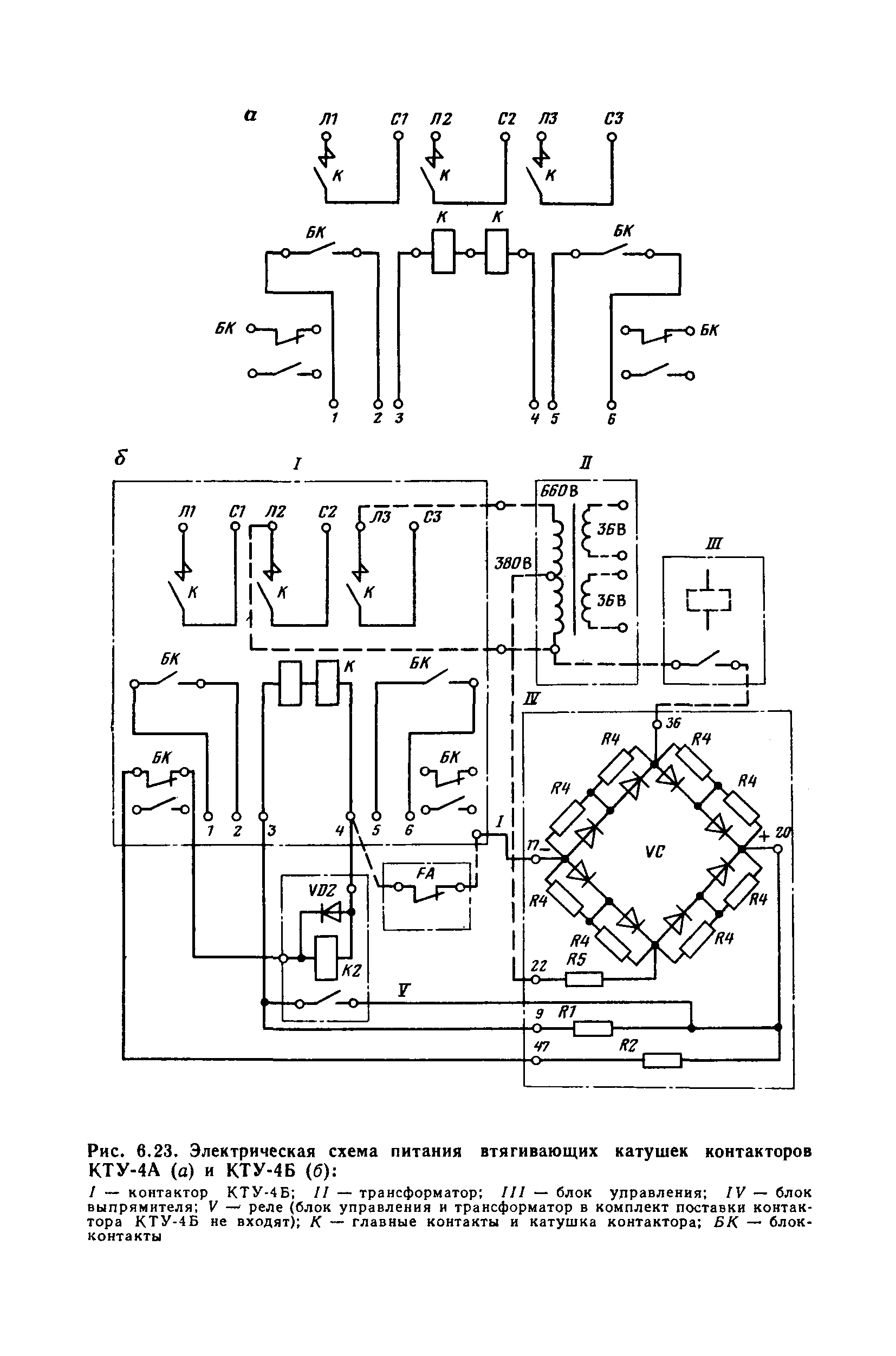
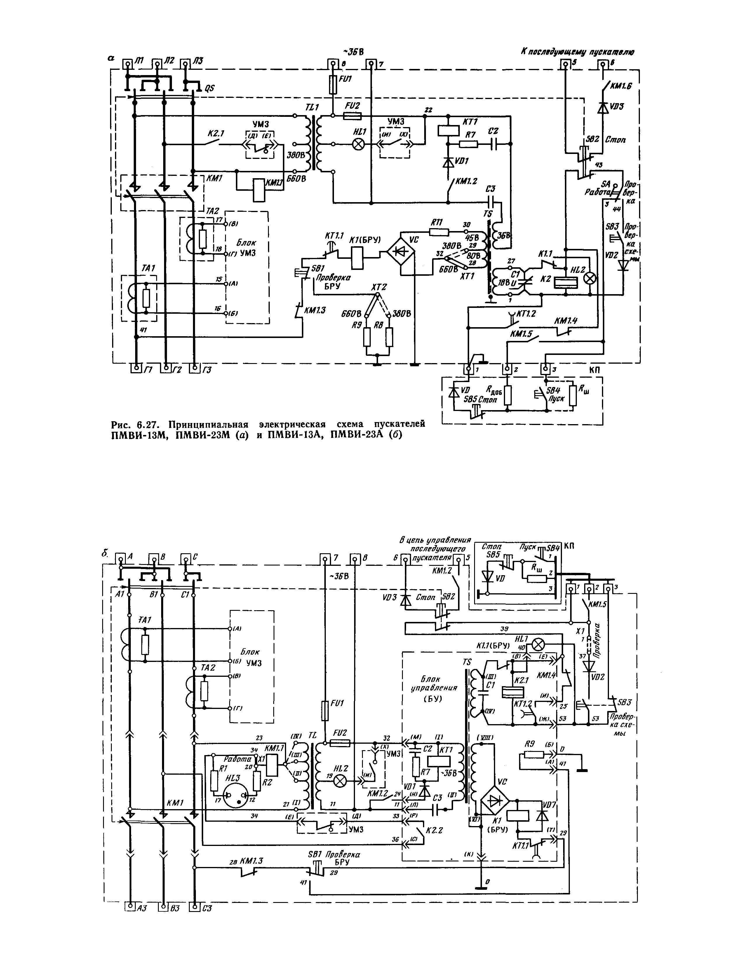
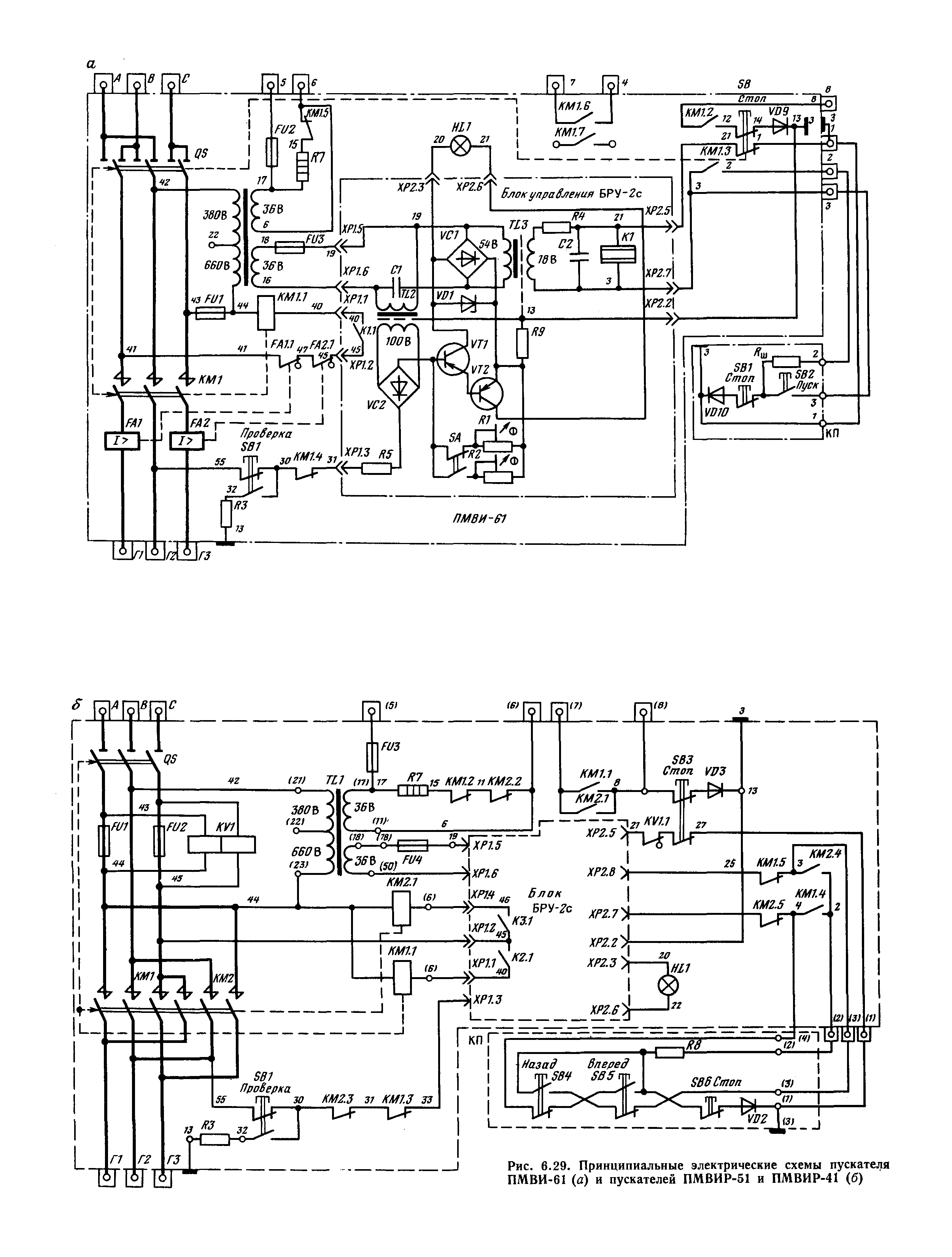
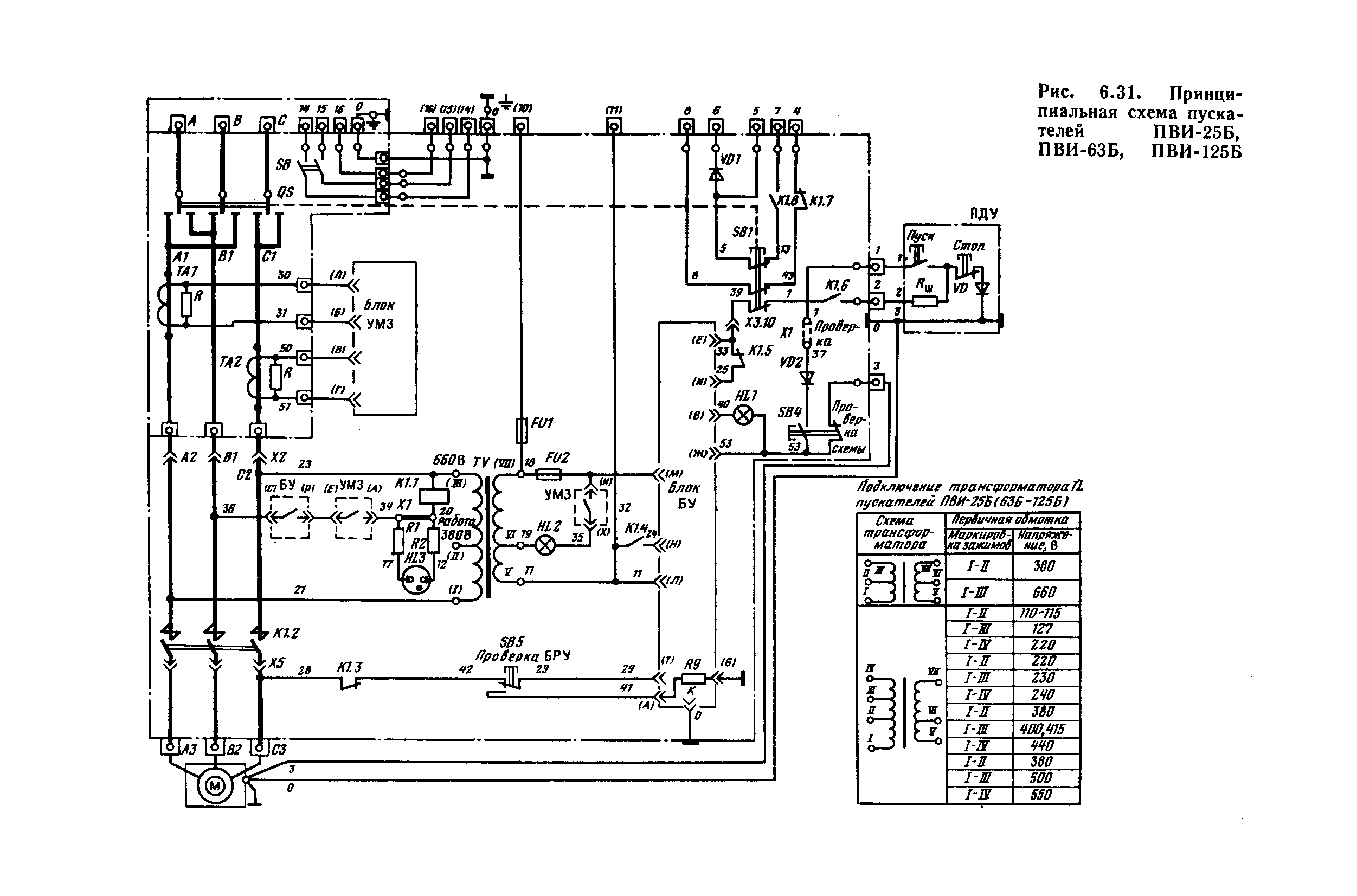
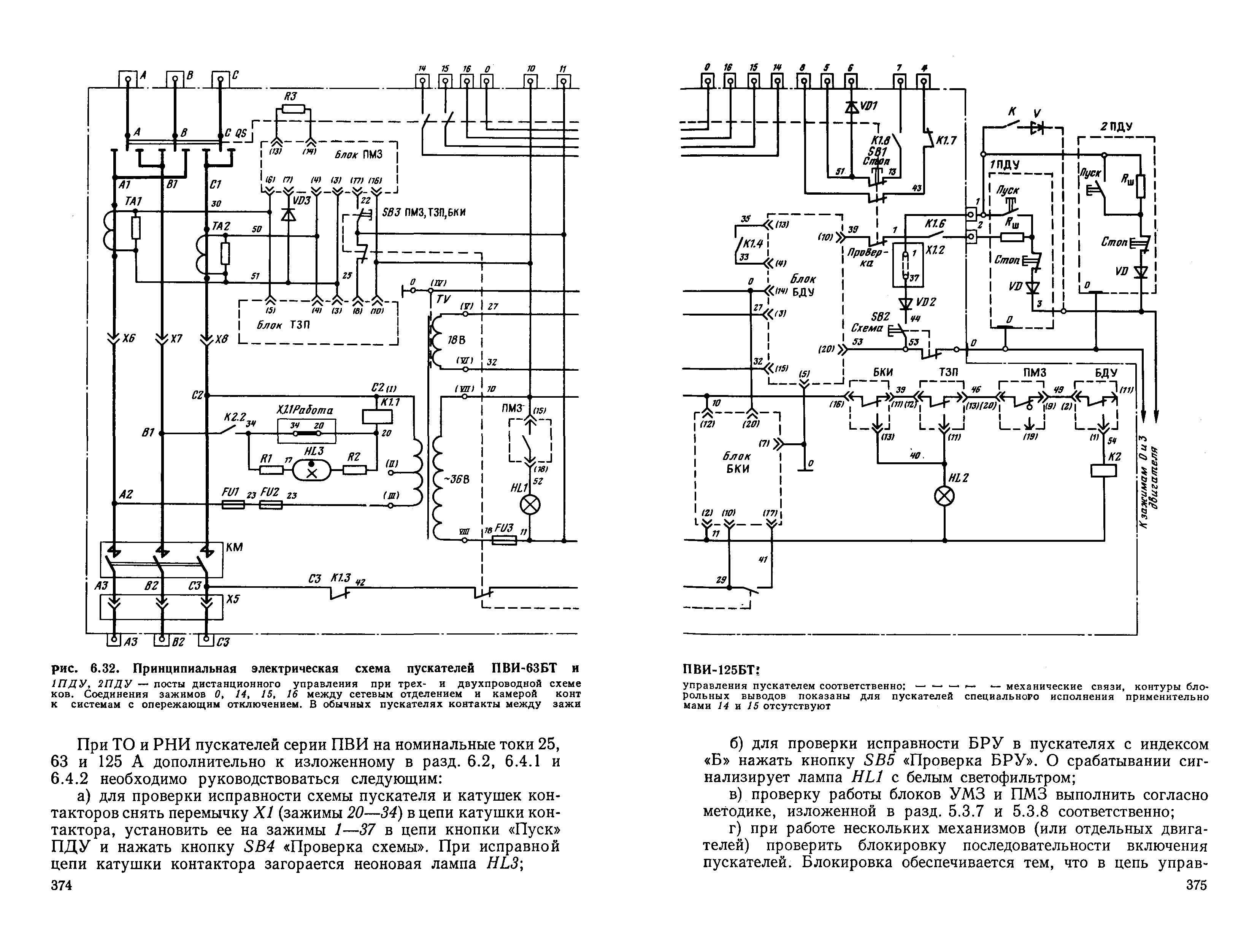
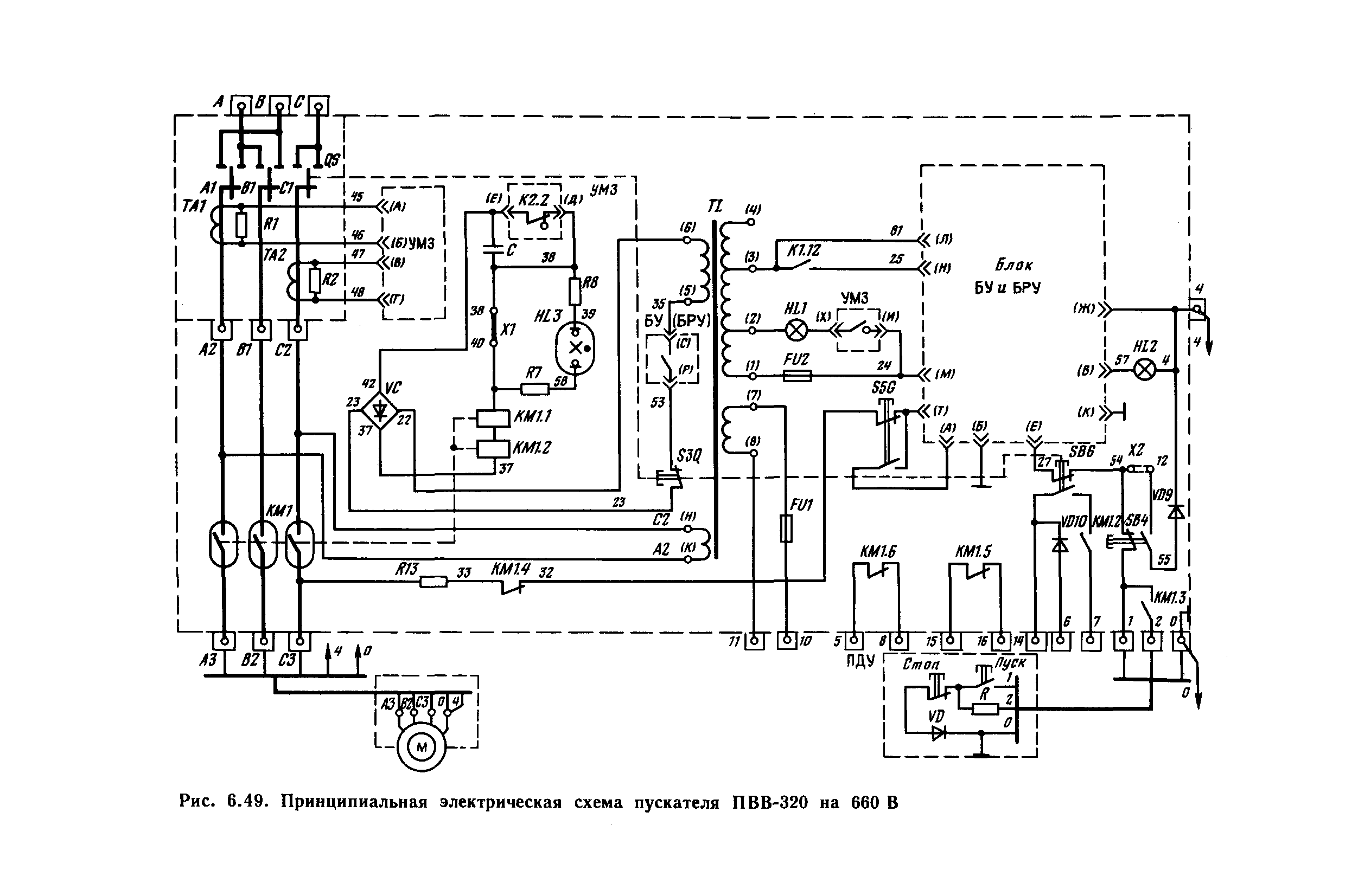
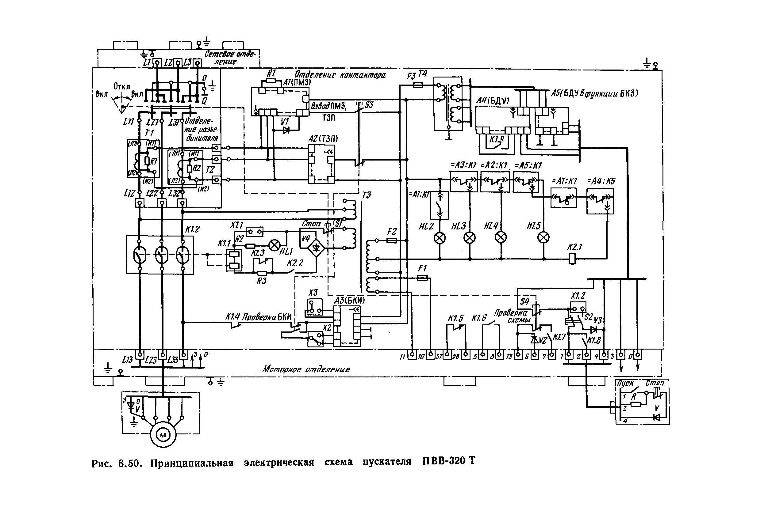
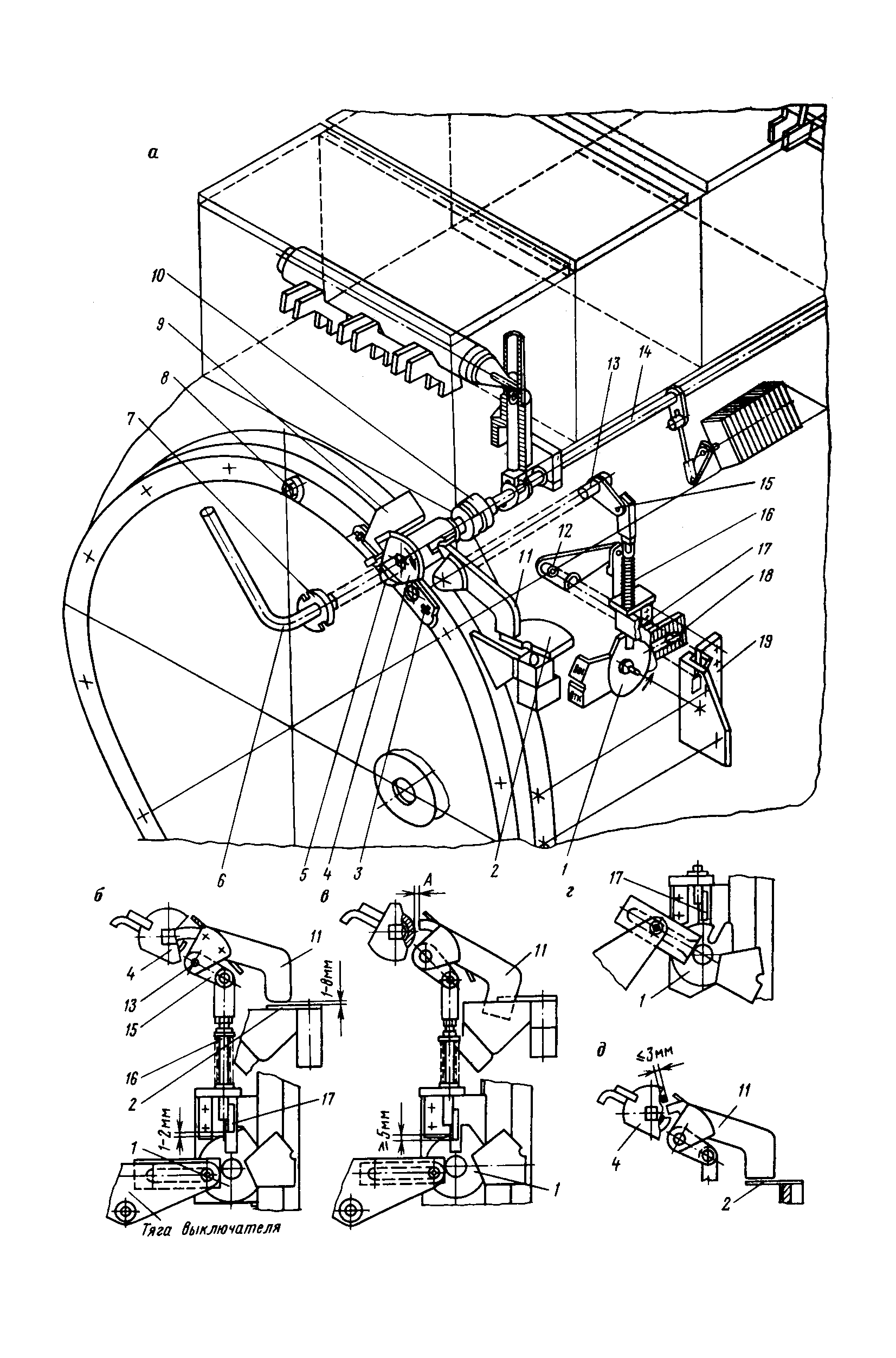
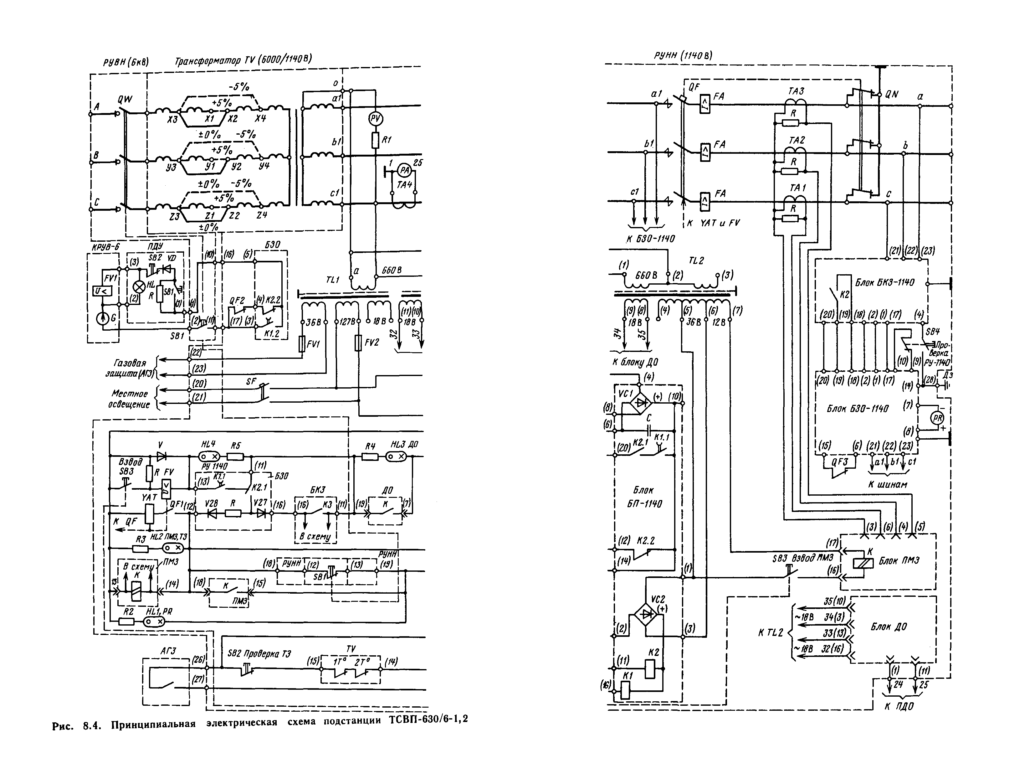
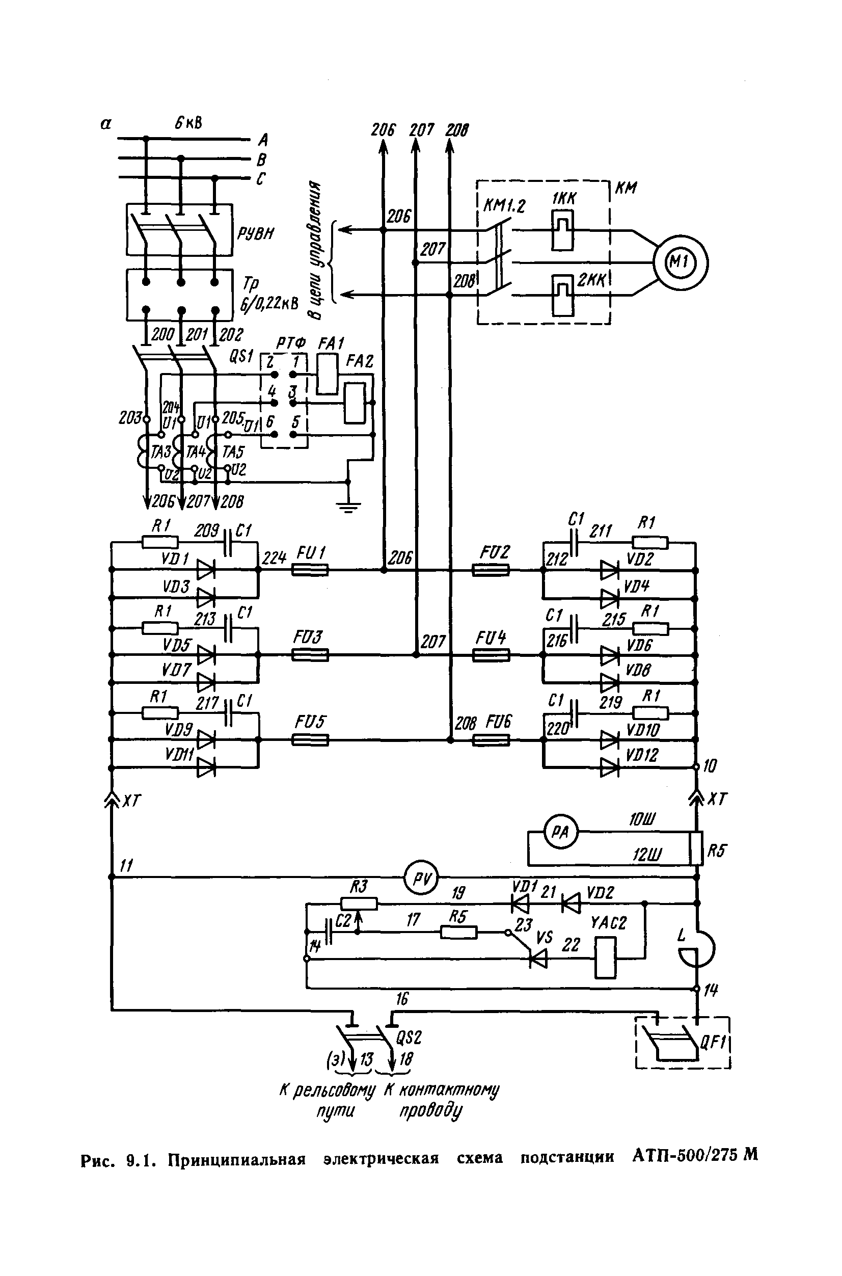
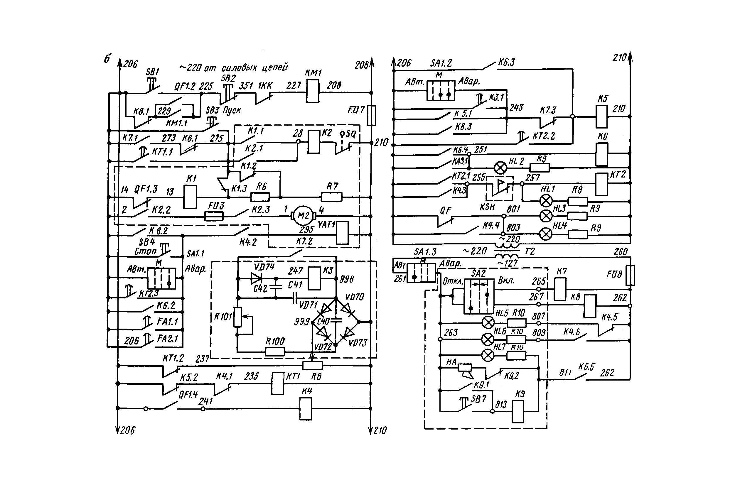
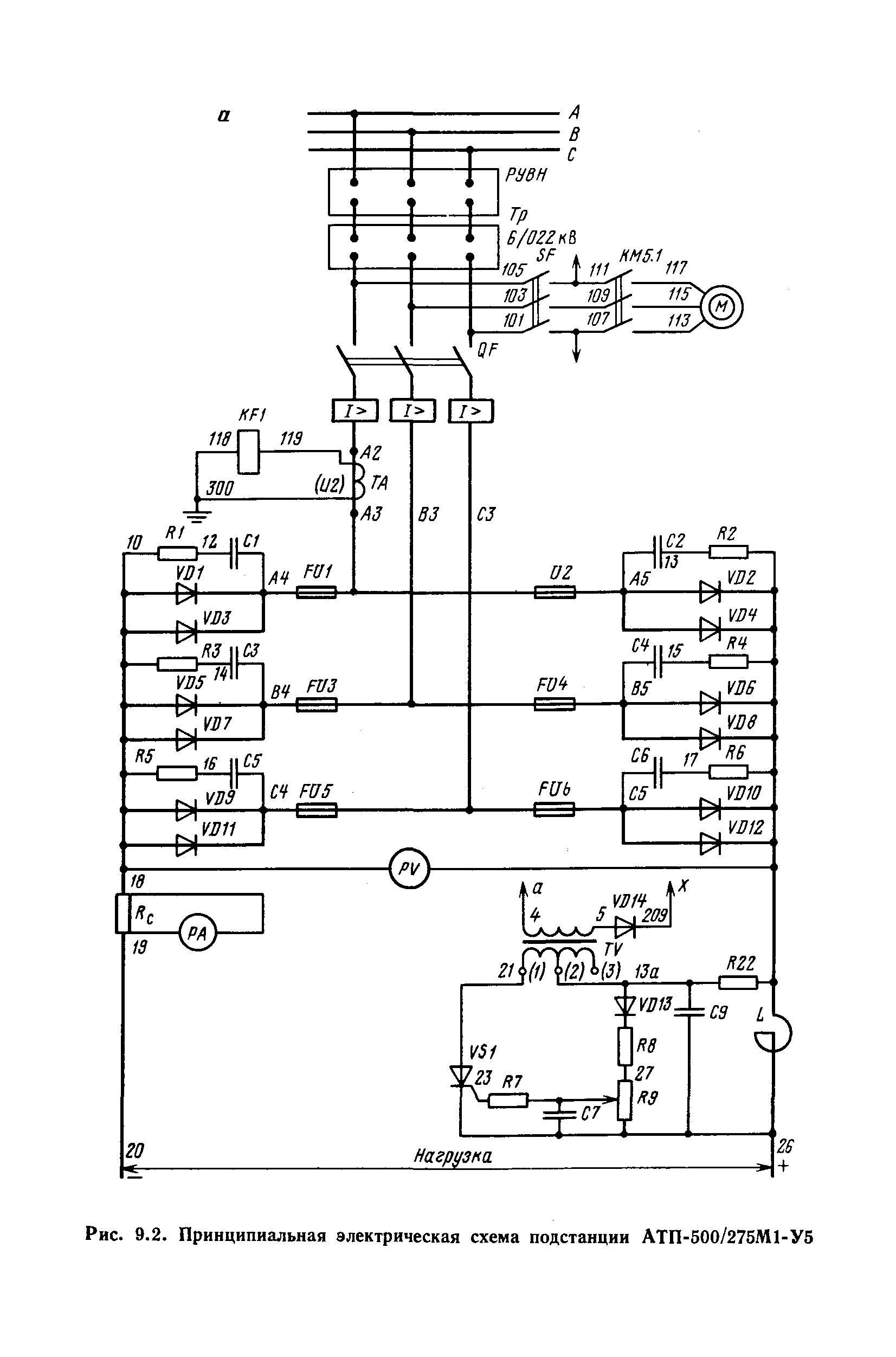
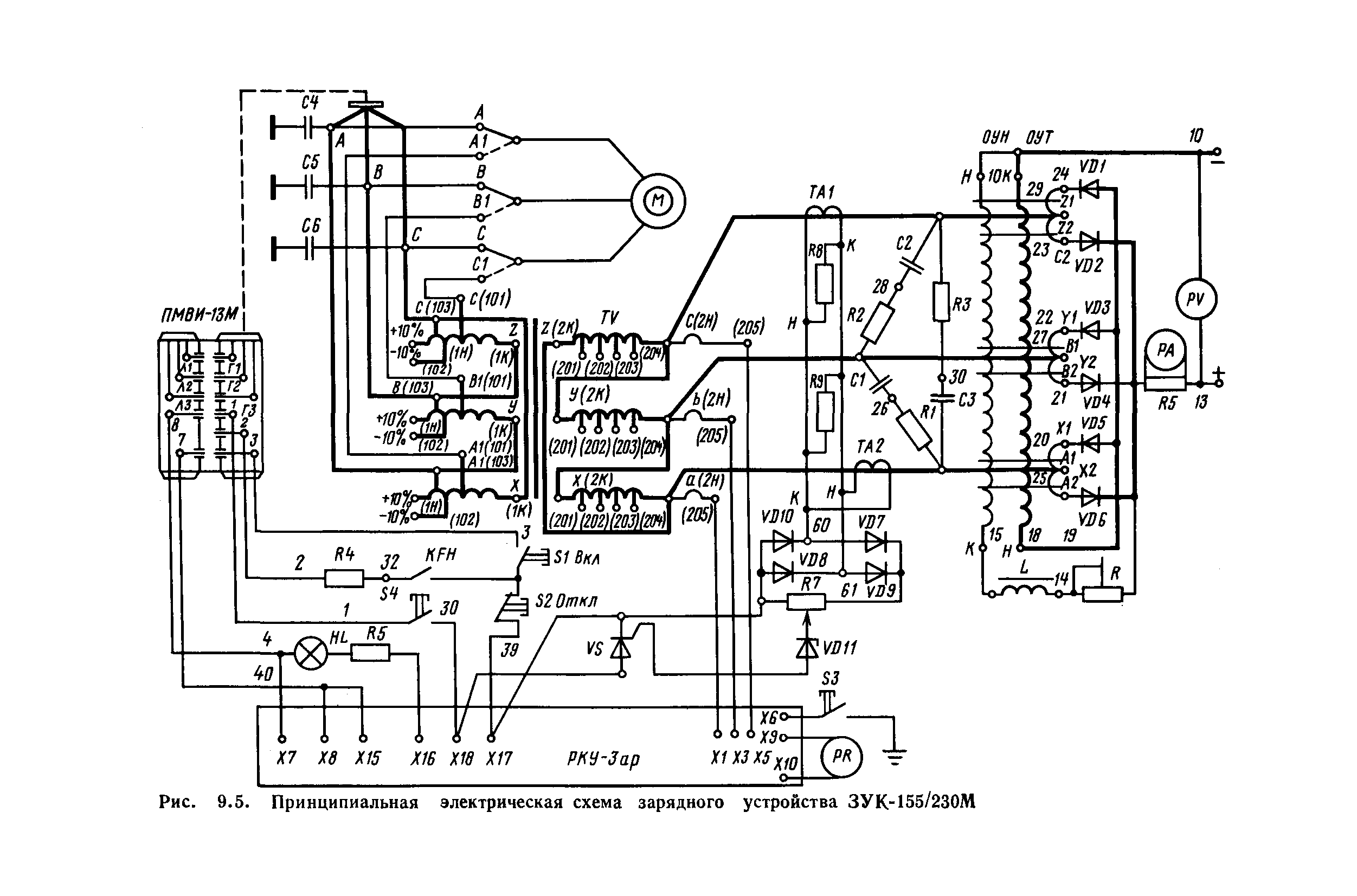
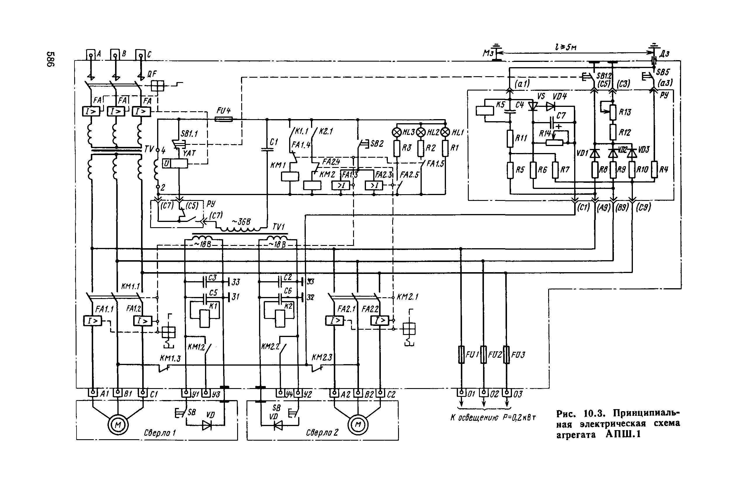
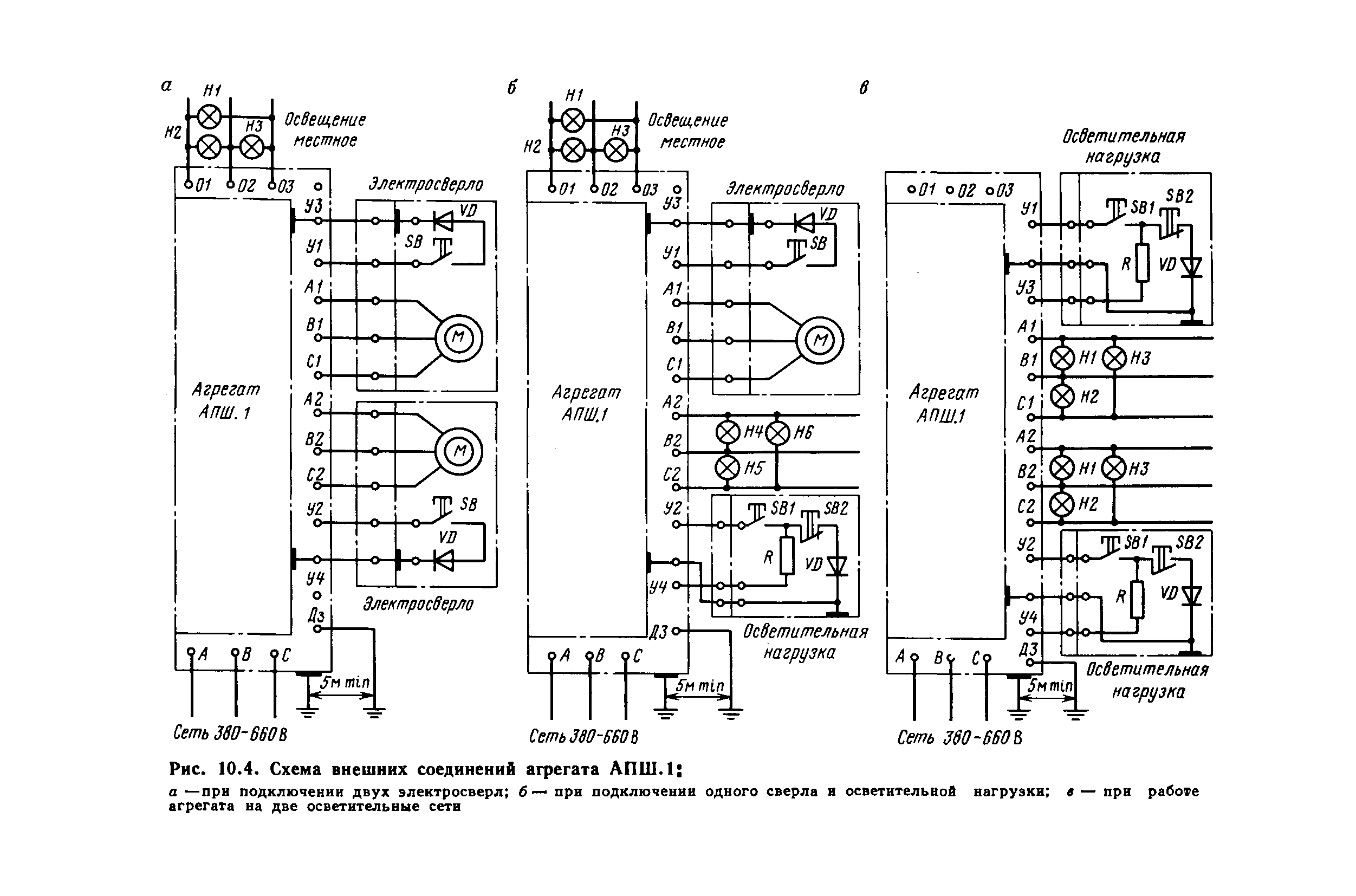
| Оглавление: | Введение Принятые сокращения и термины 1. Общие положения 1.1. Некоторые определения 1.2. Особенности системы технического обслуживания подземных электроустановок 1.3. Ревизия, наладка и испытание подземных электроустановок 1.4. Цели и задачи ТО и РНИ 1.5. Объем и периодичность ТО и РНИ 1.6. Организация и производство ТО и РНИ 1.7. Техника безопасности при производстве РНИ и ТО 2. Электрические измерения и испытания 2.1. Общие указания по проведению электрических измерений 2.2. Общие сведения о приборах и устройствах 2.2.1. Индикатор времени ИВ-1 2.2.2. Индикатор времени ИВ-3 2.2.3. Аппарат АШИК 2.2.4. Устройство "Импульс-2" 2.3. Методы измерения временных интервалов 2.4. Измерение сопротивления изоляции 2.5. Испытание электрической прочности изоляции 2.6. Методы измерения сопротивления заземляющих устройств 2.7. Методы измерения сопротивления постоянному и переменному току 2.8. Методы измерения тока и напряжения 2.9. Методы измерения мощности и определения cos ср 2.10. Методы измерения угла сдвига фаз и снятия векторных диаграмм 2.11. Методы определения полярности обмоток 3. Общие объемы, требования и методы РНИ подземных электроустановок шахт 3.1. Осмотр горной выработки 3.2. Проверка правильности применения электрооборудования 3.3. Проверка правильности монтажа 3.4. Осмотр знаков исполнения и пломб 3.5. Осмотр и проверка разъемных и неразъемных соединений 3.6. Осмотр и проверка корпусов и оболочек 3.7. Осмотр и проверка кабельных вводов (вводных устройств) 3.8. Осмотр, проверка и ревизия средств взрывозащиты 3.9. Осмотр и испытание изоляции токоведущих частей 3.10. Осмотр и испытание кабелей и кабельной арматуры 3.11. Осмотр и проверка полупроводниковых приборов 3.12. Осмотр, проверка и испытание электрических цепей 3.13. Защитное заземление 3.13.1. Устройство заземления 3.13.2. Осмотр и испытание заземляющих устройств 4. Шахтные трансформаторы 4.1. Общие сведения и определения 4.2. Силовые трансформаторы 4.2.1. Трансформаторы серий ТСВ и ТСШВ 4.2.2. Разделительные трансформаторы ТСШВ-630/6-6 4.2.3. Трансформаторы ТСП для тяговых подстанций 4.2.4. Схемы и группы соединения обмоток и методы их определения 4.2.5. Нагрузочная и перегрузочная способности силовых трансформаторов 4.2.6. Параллельная работа силовых трансформаторов 4.2.7. Фазировка трансформаторов 4.2.8. Методы определения коэффициента трансформации силовых трансформаторов 4.2.9. Поверочный расчет силового трансформатора 4.2.10. РНИ и ТО сухих силовых трансформаторов 4.3. Осветительные трансформаторы 4.4. Измерительные трансформаторы 4.4.1. Измерительные трансформаторы напряжения 4.4.2. Измерительные трансформаторы тока 5. Устройства защиты и автоматики 5.1. Основные виды защит и электроавтоматики подземных шахтных электроустановок 5.2. Общие требования и определения 5.3. Защита от токов к.з. 5.3.1. Общие указания по РНИ защит от токов к.з. 5.3.2. Поверочные расчеты защиты от токов к.з. 5.3.3. Защита плавкими предохранителями 5.3.4. Защита первичными токовыми реле прямого действия 5.3.5. Защита вторичными токовыми реле прямого действия (ячейки КРУВ-6 и КРУРН-6) 5.3.6. Защита вторичными токовыми реле косвенного действия 5.3.7. Защита унифицированными блоками УМЗ 5.3.8. Защита полупроводниковыми блоками ПМЗ 5.3.9. Быстродействующая защита блоками БМЗ 5.4. Защита от замыканий на землю 5.4.1. Защита с реле РТЗ-50 5.4.2. Защита с блоком УБЗ 5.5. Защита от перегрузок 5.5.1. Защита токовыми реле РТ-40 5.5.2. Защита блоками ТЗП 5.6. Защита от понижения напряжения (нулевая и минимальная) 5.7. Тепловая (температурная) защита 5.8. Защита от обрыва фаз 5.9. Защита от потери управляемости и самовключения блоками БДУ 5.10. Защита от опасных токов утечки на землю 5.10.1. Общие сведения, требования и определения 5.10.2. Общие указания по РНИ устройств защиты от опасных токов утечки 5.10.3. Особые условия ТО реле утечки 5.10.4. Реле утечки РУ-127/220 5.10.5. Реле утечки РУ-380 5.10.6. Аппарат АЗПБ 5.10.7. Аппарат защиты АЗУР 5.10.8. Реле утечки РУ-1140 5.10.9. Блок контроля изоляции типа БКИ 5.10.10. Блокировочные реле утечки (БРУ) 5.10.11. Реле утечки РУВ-Зар 5.10.12. Реле контроля утечки РКУ-Зар и РКУ-Зар. 1М 5.10.13. Аппарат защитного отключения АЗО-6 6. Распределительные устройства на напряжение до 1140 В 6.1. Поверочный расчет аппаратов 6.2. Общие указания по РНИ контакторно-релейной аппаратуры 6.2.1. Электромагнитные системы КРА 6.2.2. Контактные системы и дугогасительные устройства КРА 6.2.3. Снятие электрических и временных характеристик КРА 6.2.4. Особенности РНИ электромагнитных реле 6.3. Рудничные автоматические фидерные выключатели 6.3.1. Общие указания по РНИ рудничных автоматических выключателей 6.3.2. Выключатели серий АВМУ, А3700У и ВА13-18 6.3.3. Выключатели серии АФВ 6.3.4. Выключатели серии АВ 6.3.5. Быстродействующий выключатель АБВ-250 6.4. Электромагнитные пускатели 6.4.1. Общие указания по ТО и РНИ магнитных пускателей 6.4.2. Особенности РНИ контакторов серий КТ 6000, КТ 7000, КТ 7100, КТУ, КТ 12Р 6.4.3. Пускатели серий ПМВИ и ПМВИР 6.4.4. Пускатели серии ПВИ 6.4.5. Пускатели серии ПН-1140 6.4.6. Пускатели серий ПВВ-320 и ПВВ-320Т 6.5. Ручные пускатели ПРШ-1 7. Распределительные устройства на напряжение выше 1140 В 7.1. Общие сведения 7.1.1. Обследование шахтных подземных подстанций при РНИ 7.1.2. Поверочный расчет аппаратов на напряжение выше 1140 В 7.2. Высоковольтные ячейки РВД-6 7.2.1. Назначение, технические характеристики и конструкции ячеек 7.2.2. Разъединители и их привод 7.2.3. Масляный выключатель ВМ-10 и его привод 7.2.4. Схемы управления 7.2.5. Особенности РНИ ячеек РВД-6 7.2.6. Особые условия применения и ТО ячеек РВД-6 7.3. Комплектные распредустройства КРУВ-6 7.3.1. Общие сведения 7.3.2. Конструкция шкафа и блокировочный комплекс 7.3.3. Разъединители 7.3.4. Воздушный выключатель ВЭВ-6 7.3.5. Привод выключателя ВЭВ-6 7.3.6. РНИ выключателя ВЭВ-6 с приводом 7.3.7. Особенности ТО и РНИ шкафов 7.3.8. Электрические схемы управления, защиты и сигнализации КРУВ-6 7.3.9. Рекомендации по выбору режимов работы шкафов КРУВ-6 7.3.10. Оперативное управление шкафами КРУВ-6 7.3.11. Комплексная проверка электрической схемы шкафа 7.4. Комплектные распредустройства КРУРН-6 7.4.1. Общие сведения 7.4.2. Устройство шкафов и механические блокировки 7.4.3. Электрические схемы ячеек КРУРН-6 7.4.4. Оперативное управление шкафами КРУРН-6 и вывод их в ремонт 7.4.5. РНИ и ТО шкафов КРУРН-6 8. Передвижные комплектные трансформаторные подстанции 8.1. Подстанции серии ТСШВП 8.2. Подстанции серии ТСВП-Х/6 8.3. Особенности подстанций ТСВП-630/6-1,2 8.4. Особенности подстанций для шахт с крутыми пластами ТСВП-Х/6-КП 8.5. ТО и РНИ передвижных подстанций 9. Шахтные тяговые подстанции и зарядные устройства 9.1. Тяговые подстанции 9.1.1. Подстанции с агрегатами АТП-500/275М 9.1.2. Подстанции с агрегатами АТП-500/275М1-У5 и АТП-500/600М1-У5 9.1.3. ТО и РНИ тяговых подстанций 9.2. Зарядные устройства 9.2.1. Зарядные устройства типа ЗУК 9.2.2. Разрядно-зарядное устройство РЗУ 9.2.3. ТО и РНИ зарядных устройств 10. Пусковые и осветительные аппараты 10.1. Пусковые агрегаты АП-4 10.2. Пусковые агрегаты АПШ.1 10.3. Пусковые аппараты серии АПБШ 10.4. Осветительные агрегаты серии АОС |
| Утверждён: | 18.02.1988 Министерство угольной промышленности СССР (USSR Ministry of the Coal Industry ) |
| Издан: | Издательство Недра (1989 г. ) |
| Нормативные ссылки: |
|










































































































































































































































































































































































































































































































































































































