Скачать Методические указания по санитарно-микробиологическому контролю икорного производстваДата актуализации: 01.01.2021 |
| Статус: | действует |
| Название рус.: | Методические указания по санитарно-микробиологическому контролю икорного производства |
| Дата добавления в базу: | 01.02.2020 |
| Дата актуализации: | 01.01.2021 |
| Область применения: | Методические указания по санитарно-микробиологическому контролю икорного производства предназначены для работников производственных лабораторий, центральных лабораторий проектно-конструкторских и технических бюро всесоюзных рыбопромышленных объединений, учреждений санэпидслужбы, осуществляющих санитарно-микробиологический контроль икорного производства |
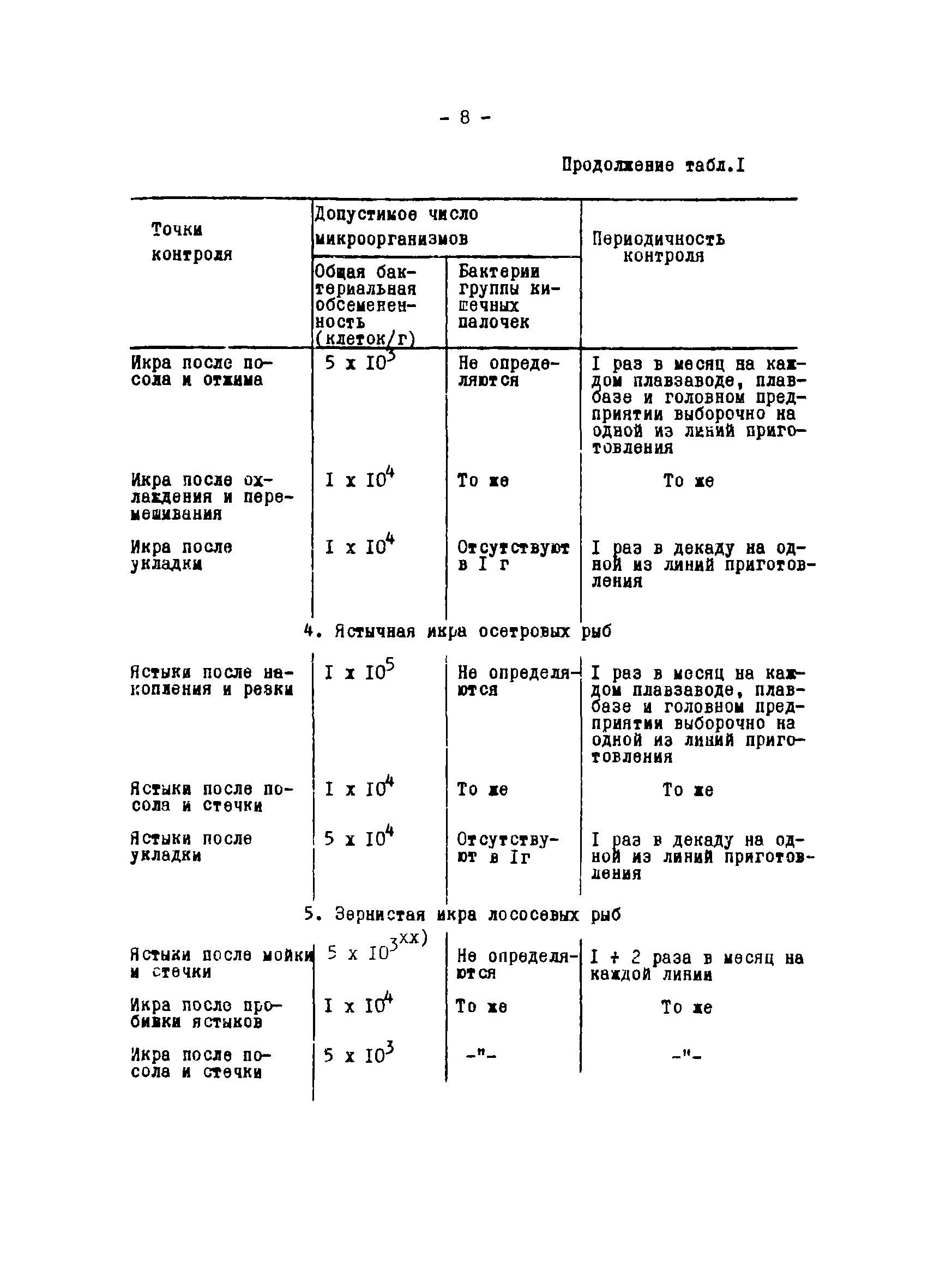
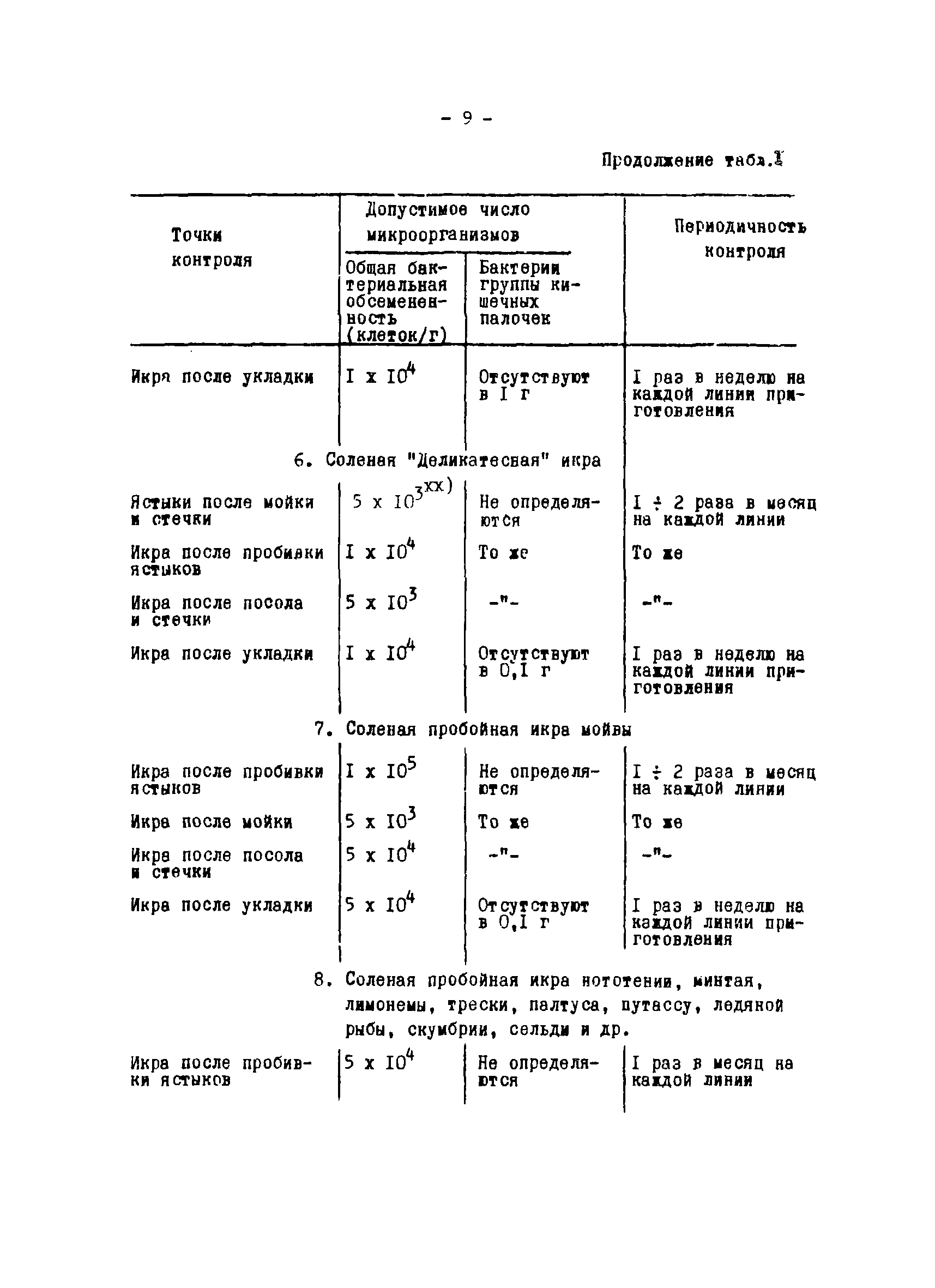
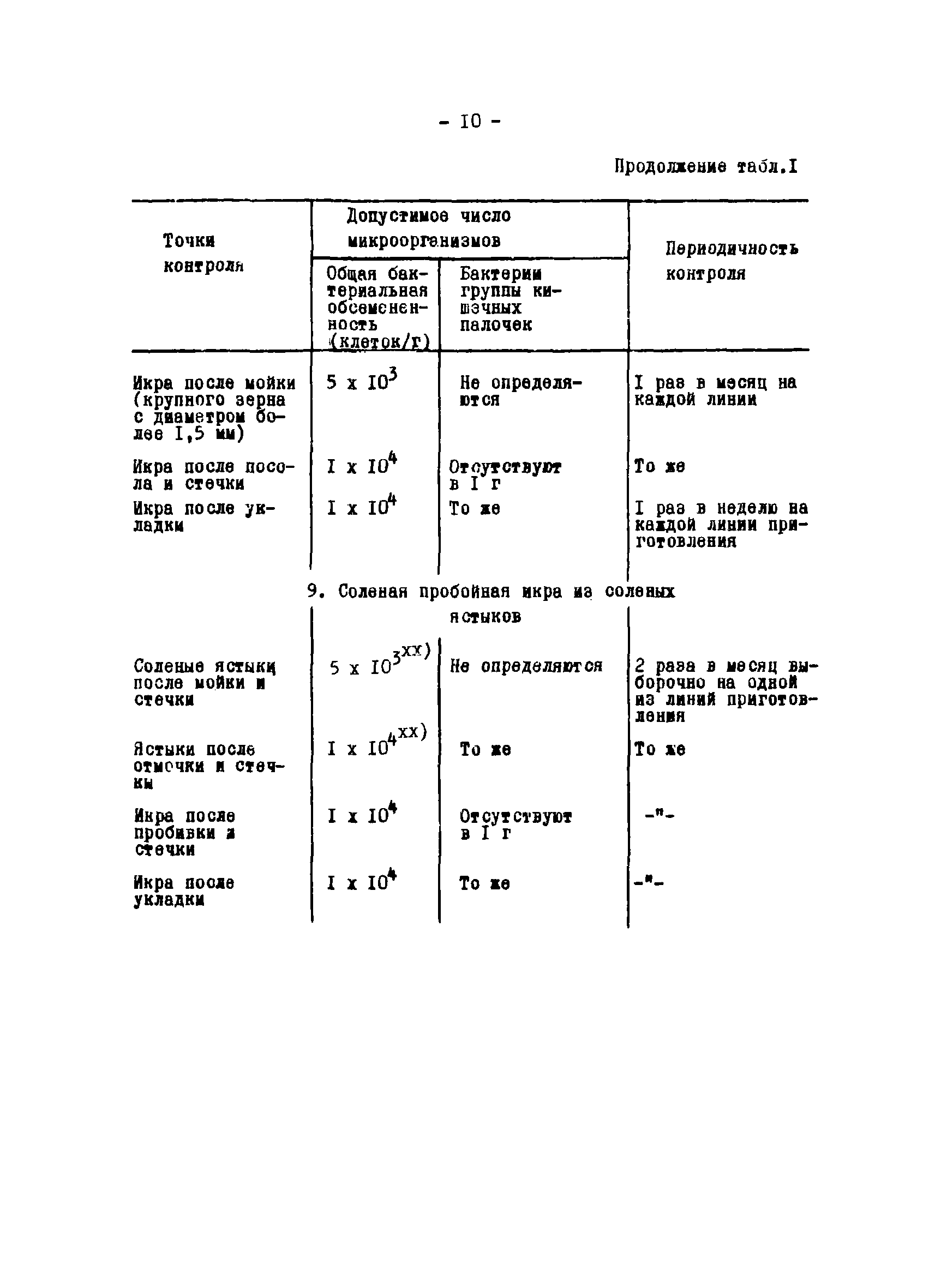
| Оглавление: | I. Профилактический микробиологический контроль производства икры (в том числе белковой) 1.1. Схема и периодичность контроля сырья и полуфабрикатов 1.2. Схема и периодичность контроля готовой продукции 1.3. Схема и периодичность контроля вспомогательных материалов 1.4. Отбор образцов и подготовка проб для анализа 1.5. Микробиологические исследования 1.6. Оценка результатов контроля и рекомендации II. Профилактический санитарно-микробиологический контроль икорного производства 2.1. Схема и периодичность контроля 2.2. Контроль санитарного состояния икорного производства 2.3. Оценка результатов контроля и рекомендации III. Дополнительный микробиологический контроль производства икры IV. Питательные среды, реактивы 4.1. Питательные среды 4.2. Реактивы, растворы V. Формы журналов микробиологического контроля икорного производства Приложение 1. Журнал бактериологического контроля производства икорных продуктов Приложение 2. Журнал бактериологического контроля готовой икорной продукции Приложение 3. Журнал бактериологического санитарного состояния икорного производства Приложение 4. Журнал бактериологического контроля воды Рекомендуемая литература |
| Разработан: | Минрыбхоз СССР Гипрорыбфлот Центральная санитарная инспекция Министерства рыбного хозяйства СССР |
| Утверждён: | 13.05.1985 Заместитель Главного государственного санитарного врача CCCР 27.12.1984 Заместитель министра рыбного хозяйства СССР |
| Принят: | Управление производства рыбной продукции и новой технологии Минрыбхоза СССР |
| Нормативные ссылки: |
|




























































