Скачать СТ РК 1300-2004 Извещатели пламени пожарные. Общие технические требования. Методы испытаний

Дата актуализации: 01.01.2021

СТ РК 1300-2004

Извещатели пламени пожарные. Общие технические требования. Методы испытаний

Обозначение: СТ РК 1300-2004
Обозначение англ: 1300-2004
Статус:применяется в еаэс
Название рус.:Извещатели пламени пожарные. Общие технические требования. Методы испытаний
Дата добавления в базу:01.02.2020
Дата актуализации:01.01.2021
Дата введения:01.01.2006
Область применения:Стандарт распространяется на извещатели пламени пожарные (далее по тексту — извещатели пламени), предназначенные для работы с пожарными приемно-контрольными приборами, на автономные извещатели пламени пожарные и на извещатели пламени пожарные, функционально связанные с сигнально-пусковыми устройствами, и устанавливает общие технические требования и методы их испытаний. Стандарт распространяется на извещатели пламени отечественного и импортного производства, реализуемые на территории Республики Казахстан. Положения стандарта применяются при разработке и постановке продукции на производство, модернизации и реализации продукции. Требования стандарта не распространяются на извещатели пламени, применяемые на объектах специального назначения.
Оглавление:1 Область применения
2 Нормативные ссылки
3 Определения
4 Классификация
5 Общие технические требования
6 Требования безопасности
7 Методы испытаний
Приложение А Объем и последовательность сертификационных испытаний
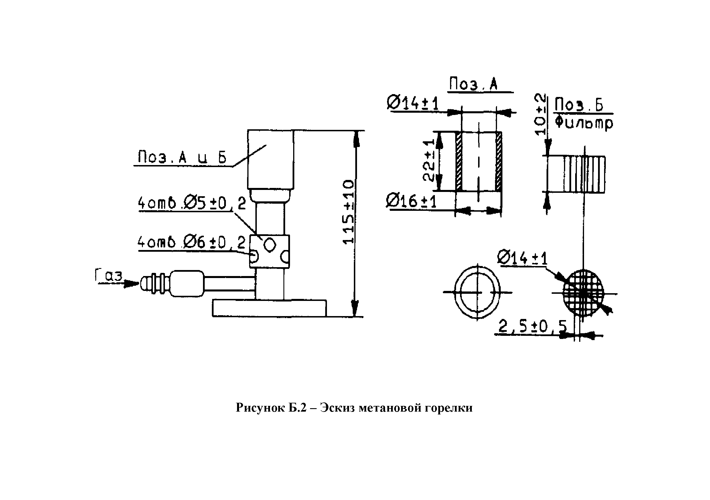
Приложение Б Оптическая скамья. Определение точки отклика и коэффициента неустойчивости k
Приложение В Испытание прямым светом
Разработан: РГКП Специальный научно-исследовательский центр пожарной безопасности и гражданской обороны Министерства Республики Казахстан по чрезвычайным ситуациям
Утверждён:21.12.2004 Комитет по стандартизации, метрологии и сертификации Министерства индустрии и торговли Республики Казахстан (438)
Нормативные ссылки:
СТ РК 1300-2004СТ РК 1300-2004СТ РК 1300-2004СТ РК 1300-2004СТ РК 1300-2004СТ РК 1300-2004СТ РК 1300-2004СТ РК 1300-2004СТ РК 1300-2004СТ РК 1300-2004СТ РК 1300-2004СТ РК 1300-2004СТ РК 1300-2004СТ РК 1300-2004СТ РК 1300-2004СТ РК 1300-2004СТ РК 1300-2004СТ РК 1300-2004СТ РК 1300-2004СТ РК 1300-2004СТ РК 1300-2004СТ РК 1300-2004СТ РК 1300-2004СТ РК 1300-2004СТ РК 1300-2004СТ РК 1300-2004СТ РК 1300-2004СТ РК 1300-2004СТ РК 1300-2004СТ РК 1300-2004СТ РК 1300-2004СТ РК 1300-2004СТ РК 1300-2004СТ РК 1300-2004СТ РК 1300-2004