Скачать Рекомендация. Государственная система обеспечения единства измерений. Методика экспрессного измерения объемной активности 222Rn в воде с помощью радиометра радона типа РРА

Дата актуализации: 01.01.2021

Рекомендация. Государственная система обеспечения единства измерений. Методика экспрессного измерения объемной активности 222Rn в воде с помощью радиометра радона типа РРА

Статус:справочные материалы, мп, тпр
Название рус.:Рекомендация. Государственная система обеспечения единства измерений. Методика экспрессного измерения объемной активности 222Rn в воде с помощью радиометра радона типа РРА
Дата добавления в базу:01.01.2021
Дата актуализации:01.01.2021
Область применения:Рекомендация устанавливает методику выполнения измерений объемной активности радона-222 (ОАР) в воде в диапазоне от 6000 до 800000 Бк м-3.
Оглавление:1 Норма погрешности измерений
2 Средства измерений и вспомогательные устройства
3 Метод измерений
4 Требования безопасности
5 Условия измерений и отбора проб
6 Подготовка к выполнению измерений
7 Выполнение измерений
8 Обработка результатов измерений
9 Оформление результатов измерений
Приложение 1. Рисунок 1. Схема отбора пробы
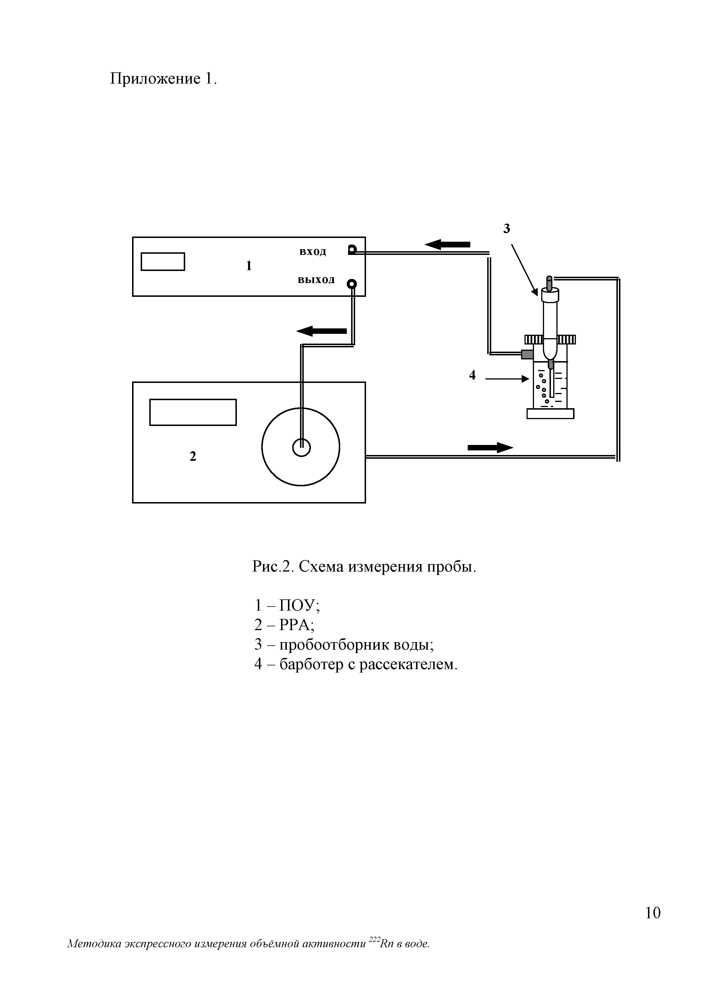
Приложение 1. Рисунок 2. Схема измерения пробы
Приложение 1. Рисунок 3. Общий вид пробоотборного устройства
Приложение 2. Подготовка и инструкция по работе с ПОУ
Приложение 3. Состав пробоотборного устройства
Приложение 4. Форма ведения протокола измерений
Принят:10.07.1998 ЦМИИ ГП ВНИИФТРИ
Нормативные ссылки: