Receivers for maritime mobile service. Basic parameters, technical requirements and measurement methods

ГОСУДАРСТВЕННЫЙ СТАНДАРТ СОЮЗА ССР

 

ПРИЕМНИКИ МОРСКОЙ ПОДВИЖНОЙ
СЛУЖБЫ

ПАРАМЕТРЫ, ОБЩИЕ ТЕХНИЧЕСКИЕ ТРЕБОВАНИЯ
И
МЕТОДЫ ИЗМЕРЕНИЙ

ГОСТ 25792-85

(СТ СЭВ 1805-88)

 

 

 

ГОСУДАРСТВЕННЫЙ КОМИТЕТ СССР ПО СТАНДАРТАМ

Москва

 

ГОСУДАРСТВЕННЫЙ СТАНДАРТ СОЮЗА ССР

ПРИЕМНИКИ МОРСКОЙ ПОДВИЖНОЙ СЛУЖБЫ

Параметры, общие технические требования и методы измерений

Receivers for maritime mobile service.
Parameters, general technical requirements and measurement methods

ГОСТ
25792-85

[СТ СЭВ 1805-88]

Взамен
ГОСТ 25792-83

Постановлением Государственного комитета СССР по стандартам от 24 апреля 1985 г. № 1177 срок действия установлен

с 01.07.86

до 01.07.96

(Измененная редакция, Изм. № 4).

Несоблюдение стандарта преследуется по закону

Настоящий стандарт распространяется на приемники морской подвижной службы (далее - приемники), работающие в диапазонах километровых, гектометровых и декаметровых волн, которые входят в радиооборудование судов всех категорий.

Стандарт не распространяется на приемники, предназначенные исключительно для приема сигналов тревоги, вызова и бедствия и на специализированные приемники с ограниченным диапазоном принимаемых частот и классов излучений, предназначенные для использования на малых судах.

(Измененная редакция, Изм. № 2).

1. ПАРАМЕТРЫ

(Измененная редакция, Изм. № 4).

1.1. В зависимости от требований к электрическим параметрам приемники подразделяют на две категории сложности: первую и вторую.

1.2. Приемники должны обеспечивать прием в диапазоне рабочих частот 14 - 29999,99 кГц.

Допускается изготовлять приемники диапазоном частот 14 - 1605 кГц для выполнения функций главного приемника и диапазоном частот 1500 - 29999,99 кГц для выполнений функций эксплуатационного приемника.

Перестройка частоты приемника должна быть дискретной и (или) квазиплавной. Дискретная перестройка должна осуществляться с помощью тастатуры. Допускается применение декадных переключателей.

Шаг сетки рабочих частот должен быть 10 Гц.

(Измененная редакция, Изм. № 4).

1.3. Ширина полосы пропускания приемника по промежуточной частоте должна выбираться из ряда, приведенного в табл. 1.

Таблица 1

Наименование полосы пропускания

Ширина полосы пропускания по уровню ослабления

3 дБ, Гц, номинальное значение

60 дБ, Гц, не более

Предельно узкая

±60

±400

Узкая 1

±135

±550

Узкая 2

±150

±650

Средняя

±600

±1600

Широкая 1

±1100

±2600

Широкая 2

±3000

±8500

Канал ОБП 1

От 350 до 2700

От -300 до +3500

Канал ОБП 2

От 300 до 3400

От -300 до +5100

Примечания:

1. Полоса пропускания указана относительно частоты настройки приемника.

2. Допускается дополнять номенклатуру полос пропускания.

3. Допускаемое отклонение полосы пропускания по уровню 3 дБ от номинального значения устанавливают в технических условиях (ТУ) на приемники конкретного типа.

(Новая редакция, Изм. № 4).

1.4. Значения электрических параметров приемников должны соответствовать данным, указанным в табл. 2.

Таблица 2

Параметр

Значение параметра для категорий сложности

первая

вторая

1. Коэффициент шума, дБ, не более, в диапазоне рабочих частот

14 - 50 кГц

25, 40*

45

50 - 160 кГц

25, 35*

40

160 - 1500 кГц

22

25

1500 - 29999,99 кГц

15, 16*

20

2. Чувствительность при приеме класса излучения J3E (A3J) для отношения сигнал/шум 20 дБ**, дБмкВ, э.д.с., не более

10

15

3. Избирательность по побочным каналам приема, дБ, не менее

86

80

4. Избирательность по соседнему каналу, дБ, не менее, при отстройке помехи на:

±3 кГц

50, 55*

40

±6 кГц

60, 65*

50

±10 кГц

70, 75*

60

5. Интермодуляционная избирательность относительно 1 мкВ, дБ, не менее, при отстройке ближайшей помехи на:

±50 кГц

85

78

±3 % (или ±100 кГц)

95

85

6. Уровень блокирующей помехи***, дБмкВ, не менее, при отстройке помехи относительно сигнала на:

±20 кГц

100

±3 %

120

±10 % и более

150

7. Диапазон автоматической регулировки усиления (АРУ) при изменении выходного уровня на 6 дБ, дБ, не менее

100

80

8. Диапазон ручной регулировки усиления, дБ, не менее

100

80

9. Уровень излучения гетеродинов, мкВ, не более:

на эквивалент антенны 75 (50) Ом

9

на эквивалент электросети

По «Общесоюзным нормам допускаемых индустриальных радиопомех» Нормы 15 - 78, группа 1.3.1

10. Относительное отклонение частоты настройки приемника от номинального значения в нормальных условиях через 15 мин после включения генератора опорной частоты, не более

±1 × 10-7

11. Относительное отклонение частоты настройки приемника от номинального значения в нормальных условиях в течение суток:

через 4 ч после включения генератора опорной частоты приемника, не более

±2,5 × 10-8

±5 × 10-8

долговременная нестабильность частоты за год (старение), не более

±1,5 × 10-7

±3 × 10-7

при действии дестабилизирующих факторов, не более

5 × 10-8

1 × 10-7

12. Неравномерность амплитудно-частотной характеристики (АЧХ) в полосе частот однополосного канала приемника, дБ, не более

3

6

13. Ослабление составляющих интермодуляции внутри полосы пропускания приемника, дБ, не менее

45

40

14. Номинальный уровень выходного сигнала в линию, дБм

0

15. Максимальный уровень выходного сигнала в линию, дБм, не менее

10

16. Время перестройки, с, не более

0,2; 0,05

1,0

* Конкретные нормы устанавливают в ТУ на приемники конкретного типа, по согласованию с заказчиком.

** Нормы распространяются на диапазон рабочих частот 1500 - 29999,99 кГц для полосы пропускания канала 2350 Гц и эквивалента антенны 50 Ом.

*** Нормы распространяются в диапазоне частот 3000 - 29999,99 кГц. Нормы в диапазоне 14 - 2999,99 кГц устанавливают в технических условиях на приемники конкретного типа.

(Измененная редакция, Изм. № 3, 4).

1.5. В приемниках, у которых первая промежуточная частота ниже 90 МГц, допускается снижение уровня внеполосных помех, образующих составляющую интермодуляции вида f1 + f2 = fп4, до 80 и 70 дБ мкВ и ослабление побочного канала вида fп = fп4/2 до 76 и 66 дБ соответственно для приемников первой и второй категорий сложности.

(Введен дополнительно, Изм. № 4).

2. ОБЩИЕ ТЕХНИЧЕСКИЕ ТРЕБОВАНИЯ

(Новая редакция, Изм. № 4).

2.1. Требования назначения

(Новая редакция, Изм. № 4).

2.1.1. Приемники должны изготовляться в соответствии с требованиями настоящего стандарта и «Правилами по конвенционному оборудованию морских судов» Регистра СССР по рабочим чертежам, утвержденным в установленном порядке.

2.1.2. Приемники должны обеспечивать прием следующих классов излучения: A1A (A1), A1B (A1), J2E (A2J), A2A (A2), А2В (А2), Н2А (А2Н), Н2В (А2Н), J3E (A3J), Н3Е (А3Н), J7B (A7J), R7B (A7A), F1B (F1), F2C (F4), G1B (F9) и А3Е (А3).

Классы принимаемых излучений выбирают по согласованию с заказчиком и указывают в технических условиях на приемники конкретного типа.

Прием однополосных классов излучения должен обеспечиваться на верхней боковой полосе.

2.1.2. (Измененная редакция, Изм. № 4).

2.1.3. Приемники должны быть предназначены для работы с несимметричным антенным фидером волновым сопротивлением 75 (50) Ом при коэффициенте стоячей волны (КСВ) не более 3. Возможность работы приемника с другими видами антенн должна быть указана в технических условиях на приемники конкретного типа.

2.1.4. Входные цепи приемника должны обеспечивать сохранность всех деталей при подведении к приемнику через эквивалент антенны сигнала немодулированной радиочастоты с уровнем не более 100 В, в том числе, на частоте настройки.

2.1.5. Постоянная времени цепи заряда системы АРУ в пределах диапазона регулирования, указанного в п. 1.4 (табл. 2, п. 7), относительно скачка уровня входного сигнала 20 дБ должна быть в пределах 1 - 100 мс. Постоянная времени цепи разряда, переключаемая не менее чем в двух ступенях, должна быть в пределах 0,1 - 10 с. Конкретные значения постоянных времени заряда и разряда устанавливают в технических условиях на приемники конкретного типа.

2.1.6. Уровень собственных мешающих сигналов на выходе приемника в полосе звуковых частот однополосного канала не должен ухудшать чувствительность, указанную в п. 1.4 (табл. 2, п. 2), более чем на 3 дБ. Рабочие частоты, на которых собственные мешающие сигналы ухудшают чувствительность приемника более чем на 3 дБ, должны быть указаны в технических условиях на приемники конкретного типа.

(Измененная редакция, Изм. № 4).

2.1.7. (Исключен, Изм. № 4).

2.1.8. Отклонение отдельных параметров от номинальных значений, указанных в табл. 2, при крайних рабочих значениях внешних климатических факторов и напряжения электросети, а также параметры, нормы и технические требования к приемникам, не указанные в настоящем стандарте, должны быть указаны в технических условиях на приемники конкретного типа.

2.1.9. Должна быть обеспечена возможность совместной работы приемника с устройствами дистанционного и (или) программного управления, параметры сопряжения по линиям обмена с управляющими устройствами должны быть указаны в технических условиях на приемники конкретного типа. Допускается включать устройства сопряжения в состав приемника.

2.1.10. Нормы на чувствительность приемников и краевые искажения телеграфных сигналов, вносимые приемником при приеме излучений классов F1B (F1) и G1B (F9) по ГОСТ 14663-83, устанавливают по согласованию с заказчиком и указывают в технических условиях на приемники конкретного типа.

2.1.9, 2.1.10. (Измененная редакция, Изм. № 4).

2.1.10а. Приемники в режиме приема излучения Е1В должны обеспечивать вероятность ошибки не более 10-2 при отношении сигнал + шум/шум в канале 12 дБ.

(Введен дополнительно, Изм. № 2).

2.1.11. В приемниках должна быть предусмотрена коррекция генератора опорной частоты, обеспечивающая точность установки не менее 1,0 × 10-8 по отношению к эталонной частоте.

2.1.12. Приемники в режиме приема излучения F1B должны обеспечивать вероятность ошибки не более 10-2 при отношении сигнал/шум в канале 12 дБ.

(Новая редакция, Изм. № 4).

2.1.13. Приемники должны иметь выходы и входы, выбираемые из нижеприведенного ряда:

выход на симметричную линию (600 ± 120) Ом с коэффициентом нелинейных искажений не более 3 % для класса принимаемого излучения J3E (A3J) при номинальном выходном уровне;

два выхода для подключения головных телефонов с уровнем не менее 6 мВт;

выход на внешний громкоговоритель мощностью не менее 2,0 Вт;

выход для подключения магнитофона напряжением 200 мВ на сопротивлении нагрузки 10 кОм;

выход опорной частоты напряжением не менее 350 (280) мВ на нагрузке 75 (50) Ом;

вход опорной частоты для синхронизации приемника от внешнего источника опорной частоты напряжением не менее 200 (150) мВ на нагрузке 75 (50) Ом;

выходы для дистанционного и программного управления приемником;

выходы сигнала последней промежуточной частоты, местной несущей и других сигналов с параметрами, указанными в технических условиях на приемники конкретного типа;

антенный вход с номинальным значением сопротивления 75 (50) Ом;

выход на электронную регистрирующую аппаратуру при скорости телеграфирования до 1200 Бод с параметрами на нагрузке (4500 ± 450) Ом:

«посылка» - плюс (10 ± 2,5) В;

«пауза» - минус (0,6 ± 0,5) В;

выход на буквопечатающую аппаратуру при скорости телеграфирования до 200 Бод с параметрами на нагрузке (1000 ± 100) Ом:

«посылка» - плюс (20 ± 5) В;

«пауза» - минус (20 ± 5) В;

выход на буквопечатающую аппаратуру при скорости телеграфирования до 200 Бод с параметрами на нагрузке (3000 ± 300) Ом:

«посылка» - плюс () В,

«пауза» - минус () В.

выход на буквопечатающую аппаратуру со скоростью телеграфирования до 200 Бод с параметрами на нагрузке £ 200 Ом:

«посылка» - (40 ± 4) мА,

«пауза» - 0 мА;

выход сигнала J2B, принимаемого в полосе пропускания «Узкая 1» на звуковой частоте 1700 Гц с уровнем 0 дБм;

входы и выходы, обеспечивающие работу с аппаратурой цифрового селективного вызова и автоматической телеграфии - в соответствии с рекомендациями МККР.

Перечень выходов и входов приемника, а также наличие инверсии спектра сигнала по внешнему выходу последней промежуточной частоты должны быть указаны в технических условиях на приемники конкретного типа.

(Измененная редакция, Изм. № 4).

2.1.14. Приемник должен иметь встроенный громкоговоритель мощностью не менее 0,5 Вт и выключатель для отключения громкоговорителя.

2.1.15 - 2.1.17. (Исключены, Изм. № 4).

2.1.15а. Система декодирования радиосигналов при приеме излучения класса F1B должна соответствовать приведенной в табл. .

Таблица 2а

Частота принимаемого излучения

Аппараты телеграфные и устройства перфорирующие

Оборудование использующее код Морзе

Международный телеграфный алфавит № 2

Сигнал с семью знаками*

Передача данных

Телетайп

Верхняя

Пауза

Старт

Без перфорации

А**

В

0

Линия свободна

Посылка

Нижняя

Посылка

Стоп

Перфорация

Z**

Y

1

Линия в состоянии покоя

Пауза

* В радиоканале.

** В проводной цепи.

2.1.16а. Система декодирования радиосигналов относительной фазовой телеграфии (класс излучения G1B) должна удовлетворять следующим требованиям:

при приеме радиосигнала, в котором фаза последующей посылки изменяется на 180° по сравнению с предыдущей, на телеграфном выходе приемника должно обеспечиваться состояние «Посылка» (посылка положительной полярности для электронной регистрирующей и буквопечатающей аппаратуры;

при приеме радиосигнала, в котором фаза последующей посылки остается неизменной по сравнению с предыдущей, на телеграфном выходе приемника должно обеспечиваться состояние «Пауза» (нулевая посылка для электронной регистрирующей аппаратуры и отрицательной полярности для буквопечатающей аппаратуры).

2.1.15а, 2.1.16а. (Введены дополнительно, Изм. № 4).

2.1.18. Должны быть приняты меры для удобной и быстрой настройки приемника на частоты бедствия.

2.2. Требования к электропитанию

2.2.1. Основным источником электропитания приемников должна быть сеть однофазного переменного тока напряжением (220 ± 22) В и частотой сети 45 - 65 Гц.

Режим работы и частота настройки приемника должны сохраняться при кратковременном (до 60 с) пропадании электропитания для приемников, у которых предусмотрена совместная работа с устройствами дистанционного и (или) программного управления. Требования сохранения режима работы и частоты настройки приемника при пропадании электропитания на больший период времени должны быть установлены в ТУ на приемники конкретных типов.

Приемник должен сохранять работоспособность после кратковременного (не более 1,5 с) изменения напряжения на плюс 20 и минус 30 %.

Электропитание приемников должно также обеспечиваться от источников постоянного тока напряжением () В.

Система питания должна обеспечивать автоматический переход на питание от сети 24 В при пропадании напряжения в сети 220 В и автоматическое возвращение на питание от сети 220 В при появлении этого напряжения.

(Измененная редакция, Изм. № R9311.htm1, 4).

2.2.2. Потребляемая мощность не должна превышать 60/75 В×А для первой и второй категорий сложности.

Примечание. В знаменателе приведена потребляемая мощность для приемников с внешним преселектором и для приемников со встроенным преселектором, обеспечивающим ослабление помех при отстройке 10 %.

(Новая редакция, Изм. № 4).

2.3. Требования к конструкции

2.3.1. Требования к конструкции приемника должны соответствовать «Правилам по конвенционному оборудованию морских судов» Регистра СССР.

2.3.2. Масса приемника должна быть не более 25/30 кг.

Примечание. В знаменателе приведена масса для приемников со встроенным преселектором.

(Новая редакция, Изм. № 4).

2.3.3. Объем приемника с внешним преселектором не должен превышать 50 дм3.

2.3.4. Узлы, подвергающиеся уходу, должны быть легко доступными и заменяемыми.

2.3.3, 2.3.4. (Введены дополнительно, Изм. № 4).

2.4. Требования стойкости к климатическим и механическим воздействиям

2.4.1. Требования стойкости к климатическим и механическим воздействиям должны соответствовать «Правилам по конвенционному оборудованию морских судов» Регистра СССР.

2.4.2. Параметры приемника при воздействии дестабилизирующих факторов следует измерять теми же методами, что и в нормальных условиях. Объем контролируемых при этом параметров и допускаемые отклонения должны быть указаны в ТУ на приемники конкретного типа.

2.4 - 2.4.2. (Новая редакция, Изм. № 4).

2.5. Требования к надежности

2.5.1. Приемник должен быть рассчитан на непрерывную 24-часовую работу. Средний срок службы должен быть не менее 15 лет.

2.5.2. Средняя наработка на отказ должна быть не менее 5000 ч.

2.5.1, 2.5.2. (Новая редакция, Изм. № 4).

2.5.3. Среднее время восстановления приемника должно быть не более 30 мин.

2.5а. Требования по техническому обслуживанию и ремонту

2.5а.1. Конкретные требования по средней стоимости технического обслуживания (ТО), средней трудоемкости и средней стоимости ТО приемников устанавливают в эксплуатационной документации.

2.5а.2. Время готовности приемника от момента включения источника питания не должно превышать 15 мин. При предварительно прогретом генераторе опорной частоты время готовности приемника не должно превышать 1 мин.

2.5а.3. Выбранная частота приема должна четко индицироваться на передней панели приемника.

2.5а - 2.5а.3. (Введены дополнительно, Изм. № 4).

2.6. Требования безопасности

2.6.1. Конструкция приемника и его составных частей должна соответствовать требованиям ГОСТ 12.2.007.0-75, а также «Правилам устройства электроустановок» (ПУЭ-85), утвержденным Минэнерго СССР.

(Измененная редакция, Изм. № 4).

2.6.2. Требования к организации и проведению испытаний, к помещениям для испытаний, к рабочим местам и средствам защиты работающих и их применению - по ГОСТ 12.3.019-80.

(Измененная редакция, Изм. № 4).

2.6.3. Требования к обеспечению электробезопасности с помощью защитного заземления, зануления - по ГОСТ 12.1.030-81.

2.6а. Требования по транспортированию

Транспортирование упакованных приемников допускается авиационным, водным, железнодорожным (в крытых вагонах) и автомобильным (в закрытых автомобилях) транспортом без ограничения расстояния.

(Введен дополнительно, Изм. № 4).

2.7. Термины, применяемые в настоящем стандарте, и их пояснения приведены в справочном приложении 1.

2.7а. Требования к радиоэлектронной защите

2.7а.1. Напряженность поля от излучения гетеродинов приемника не должна превышать значений, установленных в «Общесоюзных нормах допускаемых индустриальных помех» (Нормы 15-78, группа 1.3.1).

2.7а.2. Приемник должен обеспечивать работоспособность во внешних электромагнитных полях в соответствии с «Общесоюзными нормами внешней помехозащищенности радиоприемников фиксированной и подвижной служб декаметрового диапазона волн» (Нормы 22-86).

2.7а.3. Помехозащищенность приемников по цепям питания должна быть не менее 80 дБ в диапазоне рабочих частот.

2.7а - 2.7а.3. (Введены дополнительно, Изм. № 4).

3. МЕТОДЫ ИЗМЕРЕНИЙ

3.1. Средства измерений

3.1.1. Электрические параметры приемника следует измерять с помощью стандартных средств измерения, основные технические характеристики которых приведены в табл. 3.

Таблица 3

Наименование

Характеристика

Норма

Низкочастотный анализатор спектра

Диапазон частот, кГц

0,02 - 2,0

Ширима полосы пропускания на уровне минус 3 дБ, Гц, не более

5; 150

Уровень входных напряжений, В

10-3 - 10

Входное сопротивление, кОм, не менее

10

Основная погрешность измерения отношения амплитуд, дБ, не более

±1

Вольтметр переменного тока

Диапазон частот, кГц

0,05 - 20

Пределы измерений,

В

0,003 - 300

(дБ×В)

(от -50 до +50)

Входное сопротивление, кОм, не менее

20

Основная погрешность измерения, %, не более

±2,5

Универсальный вольтметр

Диапазон частот, МГц

0,01 - 400

Пределы измерений, В

0,1 - 300

Входное сопротивление, кОм, не менее

100

Входная емкость, пФ, не более

7

Основная погрешность измерения, %, не более

±5

Милливольтметр

Диапазон частот, МГц

0,01 - 300

Пределы измерений, В

0,003 - 3

Входное сопротивление, кОм, не менее

50

Входная емкость, пФ, не более

1,5

Основная погрешность измерения, %, не более

±5

Селективный микровольтметр (измерительный приемник)

Диапазон частот, МГц

0,1 - 300

Пределы измерений, мкВ

1 - 1000000

Ширина полосы пропускания, кГц

1; 3; 10; 20

Входное сопротивление, Ом

50; 75

Основная погрешность измерения в диапазоне частот от 0,15 до 300 МГц, дБ, не более

±4

Высокочастотный генератор сигналов

Диапазон частот, МГц

0,1 - 300

Выходное сопротивление, Ом

50; 75

Выходное калиброванное напряжение на сопротивлении нагрузки 50 Ом, мкВ (дБмкВ)

0,1 - 2 × 106

(от -20 до +126)

Основная, погрешность установки выходного напряжения, дБ, не более

±1,5

Основная погрешность установки частоты, %, не более

±1

Виды модуляции:

НГ, AM, ИМ, ЧМ, ОФТ

-

Паразитное отклонение частоты, не более

±(1 × 10-6f0 + 5 Гц)

Спектральная плотность мощности шума при отстройке на 10 (20) кГц, дБГц, не более

-140

Уровень побочных излучений, дБ, не более

-80

Высокочастотный генератор сигналов

Диапазон частот, МГц

0,1 - 40

Выходное сопротивление, Ом

50; 75

Выходное некалиброванное напряжение, В

0,001 - 30

Виды модуляции:

НГ, AM

-

Уровень побочных излучений, дБ, не более

-100

Низкочастотный генератор сигналов

Диапазон частот, кГц

0,05 - 20

Пределы регулировки выходного напряжения, В

0 - 3

Основная погрешность установки частоты, %, не более

+(2 + 50/f)

Коэффициент гармоник, %, не более

0,5

Выходное сопротивление, Ом

50; 600

Генератор шумовых сигналов

Диапазон частот спектра шума, МГц

1 - 100

Диапазон значений измеряемого коэффициента шума, дБ

1 - 20

Выход:

несимметричный, Ом

симметричный, Ом

50; 75

200

Основная погрешность установки уровня шумового сигнала, %, не более

±15

Измеритель нелинейных искажений

Диапазон частот, кГц

0,05 - 10

Диапазон входных напряжений, В

0,1 - 10

Входное сопротивление, кОм, не менее

10

Пределы измерения коэффициента гармоник:

%

0,1 - 50

(дБ)

(от -60 до -10)

Основная погрешность измерения коэффициента гармоник, не более

±(0,1Кг + 0,1 %)

Универсальный осциллограф

Диапазон частот, МГц

0 - 30

Диапазон калиброванных длительностей развертки, мс/см

1 - 2000

Диапазон входных напряжений, В

0,01 - 10

Входное сопротивление, МОм, не менее

1

Входная емкость, пФ, не более

30

Основная погрешность измерения длительности, %, не более

±10

Электронно-счетный частотомер

Диапазон частот, Гц

10 - 1 × 108

Минимальный уровень измеряемого напряжения, В

0,05

Входное сопротивление, Ом

50; 75

Погрешность измерения, не более

1 × 10-8

плюс единица счета

Нестабильность собственного опорного генератора

±1 × 10-8

Должен быть предусмотрен вход для подачи внешней опорной частоты

-

Датчик испытательных телеграфных сигналов

Скорость работы, Бод

2 - 1200

Выходное напряжение телеграфных посылок постоянного тока, В, не менее:

на нагрузке 1 кОм ± 100 Ом

±20

на нагрузке 3 кОм ± 300 Ом

±60

Число однотипных независимых выходов

2

Собственные краевые искажения телеграфных сигналов, %, не более

±0,5

Вид испытательного сигнала

Посылка; пауза; 1:1, 1:2, 1:3, 1:6, 2:1, 3:1, 6:1, рекуррентная последовательность импульсов

Измеритель краевых искажений телеграфных сигналов

Пределы измерения краевых искажений, %

0,5 - 45

Скорость телеграфирования, Бод

2 - 1200

Входное сопротивление, кОм, не менее

25

Основная погрешность измерения, %, не более

±0,5

Эквивалент сети типа 4

По ГОСТ 11001-80

-

Прерыватель сигнала

Диапазон частот, МГц

0,01 - 30

Минимальное затухание, дБ, не более

30

Разность между минимальным и максимальным затуханием, дБ

20

Время установки затухания, с

от (0,1 - 0,2)

до (0,2 - 0,5)

В момент включения только минимального или только максимального затухания должен выделяться синхронизирующий импульс для запуска горизонтальной развертки осциллографа

3.1.2. Для перекрытия диапазонов частот и уровней входных и выходных напряжений, допускается использовать несколько типов измерительных приборов.

3.1.1, 3.1.2. (Измененная редакция, Изм. № 4).

3.1.3. Вольтметры переменного тока должны обеспечивать измерение среднего квадратического значения напряжения периодических сигналов произвольной формы.

3.1.4. В комплект высокочастотного вольтметра должен входить специальный тройник для проведения измерения в коаксиальных линиях. Коэффициент стоячей волны (КСВ) тройника с включенным в него пробником вольтметра должен быть не более 1,4 в рабочем диапазоне частот.

3.1.5. Для измерения электрических параметров приемников допускается использовать измерительную аппаратуру с номинальными значениями параметров, отличающимися от норм, указанных в табл. 3 при условии обеспечения необходимой точности измерений параметров.

(Новая редакция, Изм. № 4).

3.1.6. Измерительные приборы должны эксплуатироваться в условиях, указанных в стандартах, или технической документации на эти приборы.

При условиях эксплуатации, отличных от указанных, следует учитывать дополнительную погрешность.

3.1.7. При использовании фильтров, предназначенных для дополнительного ослабления гармоник измерительных генераторов, их ослабление в полосе задерживания и потери в полосе пропускания должны быть указаны в технических условиях на приемники конкретного типа.

3.1.8. КСВ согласующих устройств в диапазоне частот, указанном в технических условиях на приемники конкретного типа, не должен быть более 1,2 по входу одного вывода при нагрузке одного (двух) других выводов на номинальные значения нагрузочных сопротивлений.

3.1.9. Вспомогательные средства измерений, перечисленные в пп. 3.1.7 и 3.1.8, должны соответствовать требованиям ГОСТ 8.326-78.

3.1.10. При отсутствии централизованной поставки вспомогательных средств измерений допускается изготовлять их на предприятиях-изготовителях изделий с аттестацией в поверочных лабораториях этих предприятий.

3.1.11. При значениях допуска на измеряемые физические величины, соизмеримые с погрешностью используемых средств измерений, следует вводить поправку в показания прибора.

3.2. Подготовка к измерениям

3.2.1. Параметры приемника следует измерять в нормальных климатических условиях при отклонениях от номинального значения напряжения и частоты электросети, не превышающих ±5 и ±1 % соответственно.

За нормальные значения климатических условий принимают следующие:

температура окружающего воздуха 288 - 308 К (15 - 35 °С);

относительная влажность 45 - 80 %;

атмосферное давление 84 - 107 кПа (630 - 800 мм рт. ст.).

(Измененная редакция, Изм. № 4).

3.2.2. (Исключен, Изм. № 4).

3.2.3. Параметры приемников следует измерять на рабочих частотах, число, распределение по диапазону или номинальные значения которых должны быть указаны в технических условиях на приемники конкретного типа. При отсутствии указаний в технических условиях частоты измерений выбирают по ГОСТ 14663-83.

3.2.4. При наличии внешних помех измерения следует выполнять в экранированном помещении, оборудование которого исключает их влияние на результаты измерений.

3.2.5. При наличии помех на измеряемой рабочей частоте допускается выполнять измерения на любых соседних, свободных от помех, частотах рабочего диапазона.

3.2.6. Параметры приемника следует измерять без выдвижения блоков и приборов из приемника. Для параметров, измерение которых может быть выполнено только при выдвинутых блоках и приборах, способ подключения средств измерения указывают в технических условиях на приемники конкретного типа.

3.2.7. Если в приемнике имеются отдельные узлы, которые требуют для нормальной работы предварительный прогрев (например, генератор опорной частоты), то их следует включить и прогреть в соответствии с указаниями технических условий на приемники конкретного типа.

3.2.8. Измерительные приборы должны быть прогреты до начала измерения в течение времени, указанного в технической документации на эти приборы.

3.2.9. Измерительные сигналы следует подавать на вход приемника через эквивалент антенны, представляющий собой безындукционный резистор, номинальное значение сопротивления которого равно 50 (75) Ом, или согласующие устройства, электрические принципиальные схемы которых приведены в ГОСТ 14663-83.

(Измененная редакция, Изм. № 4).

3.2.10. При проведении измерений выходы приемника по звуковой и промежуточной частотам, а также импульсные выходы следует нагружать экранированными эквивалентами реальных нагрузок.

3.2.11. Номиналы элементов, входящих в эквиваленты антенн, согласующих устройств и нагрузок должны быть подобраны с отклонением не более ±1 %, если иное не указано в технических условиях на приемники конкретного типа.

3.2.12. Источники измерительных сигналов, подаваемых на вход приемника, следует соединять в согласующей схеме таким образом, чтобы обеспечивались требуемые номинальные значения сопротивления нагрузки для генераторов сигналов и сопротивление источника сигнала для измеряемого приемника.

3.2.13. При многосигнальных методах измерения следует обеспечивать развязку генераторов сигналов при помощи резистивных согласующих устройств, фильтрами или другими методами с целью снижения погрешности результатов измерения, обусловленной возникновением составляющих взаимной модуляции генераторов сигналов.

До начала измерения следует убедиться в достаточности принятых мер.

3.2.14. Уровни сигналов, подаваемых в процессе измерения на вход приемника через эквивалент антенны или согласующее устройство, следует оценивать значением электродвижущей силы (э.д.с.) в микровольтах (милливольтах, вольтах) или децибелах относительно одного микровольта (дБмкВ).

3.2.15. При использовании согласующего устройства с коэффициентом затухания 6 дБ э.д.с. входного сигнала приемника численно равна показанию калиброванного аттенюатора выходного напряжения генератора на согласованной нагрузке.

3.2.16. При измерении параметров приемника односигнальным методом в случаях, указанных в технических условиях на приемники конкретного типа, допускается подключать генератор сигналов к антенному входу приемника без согласующего устройства (эквивалента антенны) при условии выполнения требования п. 3.2.12. Э.д.с. входного сигнала приемника в этом случае определяют как показание калиброванного аттенюатора выходного напряжения генератора сигналов, умноженное на 2.

3.2.17. При использовании согласующих устройств с коэффициентом затухания, отличным от 6 дБ, следует учитывать поправку на значение дополнительного затухания.

3.2.18. Параметры приемника следует измерять при максимальном усилении по звуковой частоте и ручной регулировке усиления по радио- и (или) промежуточной частотам, если в конкретном методе измерения нет иных указаний.

3.2.19. Параметры приемника следует измерять при номинальном уровне выходного сигнала звуковой частоты в линию 0 дБм, что соответствует выходному напряжению 0,775 В на нагрузке 600 Ом или мощности 1 мВт.

3.2.20. Стандартное отношение сигнал/шум на нагрузке по звуковой частоте должно быть 20 дБ, если иное не указано в технических условиях на приемники конкретного типа.

3.2.21. Если другие условия не установлены в настоящем стандарте, то на вход приемника следует подавать немодулированный сигнал выше частоты настройки на 1000 Гц и измерять в режиме приема излучения класса J3E через канал верхней боковой полосы шириной полосы пропускания порядка 3 кГц.

3.2.22. Параметры приемника, не установленные в настоящем стандарте и указанные в технических условиях на приемники конкретного типа, следует измерять по методам, приведенным в этих технических условиях.

3.3. Проведение измерений

3.3.1. Диапазон рабочих частот приемника (п. 1.1) проверяют по схеме, приведенной на черт. 1, на частотах настройки, соответствующих началу и концу каждого поддиапазона при включенной АРУ.

Приемник настраивают на частоту измерения. Частоту генератора сигналов устанавливают на 1000 Гц и выше по отношению к частоте настройки приемника. На вход приемника подают немодулированный сигнал уровнем 60 дБмкВ (1 мВ). Настройке на каждой измеряемой частоте должны соответствовать тон порядка 1000 Гц в телефонах.

3.3.2. Возможность перестройки приемника через 10 Гц проверяют по схеме, приведенной на черт. 1, с переключением частотомера от генератора сигналов к внешнему выходу последней промежуточной частоты приемника.

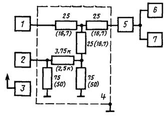
1 - электронно-счетный частотомер; 2 - генератор сигналов; 3 - согласующее устройство; (эквивалент антенны); 4 - приемник; 5 - головные телефоны; 6 - эквивалент нагрузки; 7 - вольтметр переменного тока

Черт. 1

Немодулированный сигнал уровнем 60 дБмкВ (1 мВ) подают на вход приемника на частоте настройки. Перестраивают приемник через 10 Гц и по частотомеру отмечают соответствующее изменение промежуточной частоты.

3.3.3. Коэффициент шума приемника (п. 1.4 табл. 2, п. 1) измеряют по ГОСТ 14663-83.

Допускается измерять коэффициент шума по схеме, приведенной на черт. 2.

1 - генератор сигналов; 2 - согласующее устройство (эквивалент антенны); 3 - приемник; 4 - эквивалент нагрузки; 5 - вольтметр переменного тока

Черт. 2

При этом измеряют чувствительность приемника по схеме, приведенной на черт. 2, по методике, указанной в технических условиях на приемники конкретного типа. Коэффициент шума определяют по формулам, приведенным в обязательном приложении 2.

3.3.4. Чувствительность при приеме излучения класса J3E (п. 1.4, табл. 2, п. 2) измеряют по схеме, приведенной на черт. 1.

Приемник настраивают на частоту измерения. Регулировкой усиления приемника устанавливают на выходе приемника уровень шумов на 20 дБ ниже номинального значения выходного сигнала.

От генератора 2 подают немодулированный сигнал уровнем, обеспечивающим на выходе приемника на частоте 1000 Гц отношение сигнал + шум + искажения/шум + искажения или сигнал + шум + искажения/шум, равное 20 дБ, и выходной уровень не ниже номинального значения.

Отношение сигнал + шум + искажения/шум + искажения определяют по формуле

                                                     (1)

где  - среднее квадратическое значение напряжения полезного сигнала, измеренного измерителем нелинейных искажений без узкополосного фильтра (узкополосный фильтр входит в состав измерителя нелинейных искажений);

 - среднее квадратическое значение напряжения сигнала, измеренного измерителем нелинейных искажений с узкополосным фильтром, исключающим полезный сигнал;

Uс - напряжение полезного сигнала;

Uш - напряжение собственных шумов приемника;

Uи - напряжение искажений, возникающих в приемнике при прохождении полезного сигнала.

Полученный уровень сигнала от генератора 2 определяет чувствительность приемника при приеме излучения класса J3E.

3.3.5. Избирательность по побочным каналам приема (п. 1.4, табл. 2, п. 3) измеряют по схеме, приведенной на черт. 1.

Приемник настраивают на частоту измерения. От генератора подают немодулированный сигнал уровнем 0 дБмкВ (1 мкВ), если иной уровень не указан в технических условиях на приемники конкретного типа. Частоту генератора и усиление приемника регулируют до получения номинального уровня выходного сигнала на частоте 1000 Гц.

Далее увеличивают сигнал от генератора до уровня, достаточного для обнаружения побочных каналов приема, и, непрерывно перестраивая генератор сигналов в интервалах частот, указанных в технических условиях на приемники конкретного типа, находят частоты, на которых появляется выходное напряжение побочных сигналов, в том числе:

каналы каждой промежуточной частоты fпч;

зеркальные каналы на частотах f0 ± 2fпч;

побочные каналы на частотах f0 ± fпч/2;

другие возможные побочные каналы на частотах (fп), определяемых по формуле

                                                         (2)

где fп - частота побочного канала;

fг - частота первого гетеродина приемника;

f0 - частота настройки приемника;

fпч - промежуточная частота приемника;

m = 0, 1, 2 ...; n = 1, 2, 3 ...

На этих частотах определяют избирательность по побочным каналам приема, изменяя уровень сигнала от генератора до тех пор, пока уровень выходного сигнала приемника на частоте 1000 Гц не достигнет номинального значения.

Побочные каналы, являющиеся следствием наличия гармоник выходного сигнала генератора, не учитывают. Эти гармоники исключают, используя соответствующие фильтры.

Отношение наименьшего уровня сигнала от генератора на обнаруженных частотах побочных каналов приема к уровню полезного сигнала, выраженное в децибелах, определяет избирательность по побочным каналам приема.

3.3.2 - 3.3.5. (Измененная редакция, Изм. № 4).

3.3.6. Избирательность по соседнему каналу (п. 1.4, табл. 2, п. 4) измеряют по схеме, приведенной на черт. 3.

1, 2 - генераторы высокочастотных сигналов; 3 - согласующее устройство (эквивалент антенны); 4 - приемник; 5 - вольтметр переменного тока; 6 - эквивалент нагрузки; 7 - измеритель нелинейных искажений; 8 - электронно-счетный частотомер

Черт. 3

На вход приемника от генератора высокочастотных сигналов 1 подают полезный сигнал уровнем, равным номинальной чувствительности приемника, при котором на выходе приемника обеспечивается номинальная выходная мощность, равная 0 дБм, и отношение сигнал + шум + искажения/шум + искажения, равное 20 дБ (или нелинейные искажения не превышают 10 %).

Включают генератор высокочастотных сигналов 2. Частоту модуляции помехи устанавливают равной 400 Гц, глубину модуляции - 30 %. Затем уровень помехи от генератора 2, настроенной на частоту соседнего канала, увеличивают до значения, при котором отношение сигнал + шум + искажения/шум + искажения на выходе приемника уменьшится на 6 дБ (или нелинейные искажения увеличатся в два раза).

Частоты помех устанавливают согласно (п. 1.4, табл. 2, п. 4) выше или ниже по отношению к середине полосы пропускания канала.

Отношение уровня помех на частоте соседнего канала к уровню полезного сигнала в децибелах определяет избирательность по соседнему каналу.

3.3.7. Интермодуляционную избирательность (пп. 1.4, табл. 2, п. 5) измеряют по схеме, приведенной на черт. 3.

При измерении используют два однотипных генератора сигналов.

От генератора 1 подают немодулированный сигнал уровнем 0 дБмкВ (1 мкВ). При выключенном генераторе 2 частоту генератора 1 и усиление приемника регулируют до получения номинального уровня выходного сигнала на частоте 1000 Гц.

Затем на вход приемника подают немодулированные помехи от генераторов 1 и 2 с одинаковыми уровнями и частотами f1 и f2 в соответствии с табл. 4.

Таблица 4

Комбинация частот

Условие выбора частот

f1 + f2 = fпч

f1 = 1/2fпч ± Df

f1 - f2 = fпч

f2 = f0 ± Df

f1 + f2 = f0

f1 = 1/2f0 ± Df

f1 - f2 = f0

f2 = f0 ± Df

2f1 - f2 = f0

f1 = f0 + Df; f2 = f0 + 2Df

2f2 - f1 = f0

f2 = f0 - Df; f1 = f0 - 2Df

Условные обозначения, принятые в табл. 4:

fпч - промежуточная частота приемника;

f0 - частота настройки приемника плюс 1000 Гц;

Df - значение отстройки, равное 50 кГц, если иное не указано в технических условиях на приемники конкретного типа.

Уровни помех повышают одновременно до тех пор, пока уровень выходного сигнала приемника на частоте 1000 Гц не достигнет номинального значения.

При измерении составляющих взаимной модуляции по наиболее опасным видам комбинации частот 2f1 - f2 и 2f2 - f1 частоту ближайшей помехи устанавливают по отношению к f0 с отстройкой, равной 50 кГц, а частоту другой помехи подстраивают до получения на выходе приемника максимального уровня выходного сигнала при одновременном действии обеих помех.

Этот уровень выходного сигнала при отключении любой из помех должен уменьшаться по крайней мере на 20 дБ или до уровня шумов на выходе приемника.

1 и 2 - генераторы сигналов; 3 - вольтметр универсальный; 4 - согласующее устройство; 5 - приемник; 6 - эквивалент нагрузки; 7 - вольтметр переменного тока

Черт. 4

Наименьшее из полученных значений уровня помех в децибелах относительно 1 мкВ определяет допускаемый уровень помех, образующих составляющие взаимной модуляции, эквивалентные сигналу 1 мкВ. Аналогичные измерения проводят для отстроек ближайшей помехи ±3 % (±100 кГц) в зависимости от того, какая из них большая.

3.3.8. Уровень блокирующей помехи при отстройке помехи относительно сигнала на ±20 кГц (п. 1.4, табл. 2, п. 6) измеряют по схеме, приведенной на черт. 3.

От генератора 1 подают немодулированный сигнал уровнем 20 дБмкВ (10 мкВ). При выключенном генераторе 2 частоту генератора 1 и усиление приемника регулируют до получения номинального уровня выходного сигнала на частоте 1000 Гц.

Включают генератор 2, имитирующий помеху. Частоту помехи устанавливают на 20 кГц выше по отношению к частоте сигнала, а ее уровень увеличивают до тех пор, пока уровень выходного сигнала не изменится на 3 дБ (в 1,41 раза).

Затем измерения проводят при отстройке помехи на 20 кГц ниже частоты полезного сигнала.

Наименьшее из полученных значений уровня помехи в децибелах относительно 1 мкВ определяет допускаемый уровень блокирующей помехи при отстройке относительно сигнала на ±20 кГц.

Измерение уровня блокирующей помехи при отстройке на ±3 % и ±10 % относительно частоты сигнала (п. 1.4, табл. 2, п. 4) проводят по схеме, приведенной на черт. 4.

От генератора 2 подают напряжение немодулированного сигнала уровнем 100 дБмкВ (100 мВ). Частоту генератора 2 и усиление приемника регулируют до получения номинального уровня выходного сигнала на частоте 1000 Гц.

Включают генератор 1, имитирующий помеху. Частоту помехи устанавливают на 3 или 10 % выше по отношению к частоте сигнала, а ее уровень увеличивают до тех пор, пока уровень сигнала на выходе приемника не изменится на 3 дБ.

Затем измерение выполняют при отстройке помехи на 3 или 10 % ниже частоты сигнала.

Наименьшее из измеренных значений уровня помехи в децибелах относительно 1 мкВ принимают за допустимый уровень блокирующей помехи при заданной отстройке.

Допускается измерять уровень блокирующей помехи для заданной отстройки ±3 или ±10 % по частоте относительно сигнала при фиксированном значении уровня помехи 120 или 150 дБмкВ соответственно.

Предварительно отстраивают генератор 1 относительно частоты сигнала на ±25 % или более. Частоту генератора 2 и усиление приемника регулируют до получения номинального уровня выходного сигнала на частоте 1000 Гц.

Приближая частоту генератора помехи к частоте сигнала, добиваются изменения уровня выходного сигнала приемника на 3 дБ.

В этом случае оценивают значение отстройки помехи относительно сигнала, которая не должна превышать ±3 или ±10 % соответственно.

3.3.9. Диапазон АРУ (п. 1.4, табл. 2, п. 7) измеряют в режимах приема излучений классов J3E по схеме, приведенной на черт. 3.

Приемник устанавливают в режим приема излучения класса, J3E с АРУ по спектру сигнала боковой полосы.

От генератора сигналов 1 подают немодулированный сигнал, обеспечивающий на выходе приемника на частоте 1000 Гц отношение сигнал + шум + искажения/шум, равное 10 дБ. Генератор сигналов 2 должен быть выключен. Регулировкой усиления по звуковой частоте устанавливают номинальный выходной уровень,

Увеличив уровень входного сигнала на 2 дБ, проверяют степень увеличения сигнала на выходе. Если уровень выходного сигнала увеличится более чем на 1,5 дБ, то вновь регулировкой усиления по звуковой частоте устанавливают номинальный уровень выходного сигнала и вновь увеличивают сигнал на входе на 2 дБ. Эту операцию проводят до тех пор, пока увеличению входного уровня на 2 дБ будет соответствовать увеличение выходного уровня менее чем на 1,5 дБ.

Среднее арифметическое между двумя уровнями разностью 2 дБ, которые вызывают изменение выходного уровня менее чем на 1,5 дБ, принимают за порог срабатывания АРУ.

Далее устанавливают уровень генератора сигналов 1, равный порогу срабатывания АРУ. По звуковой частоте устанавливают номинальный уровень выходного сигнала и увеличивают уровень входного сигнала до тех пор, пока выходной уровень не возрастает на 6 дБ.

Отношение уровня входного сигнала, соответствующего изменению выходного сигнала при действии АРУ на 6 дБ, к уровню входного сигнала, соответствующего порогу срабатывания, выраженное в децибелах, определяет диапазон работы АРУ по спектру сигнала боковой полосы.

Допускается измерять диапазон АРУ при установке уровня входного сигнала, превышающего порог срабатывания АРУ на значение, указанное в технических условиях на приемники конкретного типа. В этом случае фиксируют увеличение уровня выводного сигнала приемника, которое не должно превышать 6 дБ.

3.3.7 - 3.3.9. (Измененная редакция, Изм. № 4).

3.3.10. Диапазон ручной регулировки усиления (п. 1.4, табл. 2; п. 8) измеряют по схеме, приведенной на черт. 1.

Приемник настраивают на частоту измерения. Уровень сигнала от генератора устанавливают таким, чтобы при максимальном усилении по радио- и (или) промежуточной частотам на выходе приемника обеспечивался номинальный уровень.

Далее регулятор усиления по радио- и (или) промежуточной частотам устанавливают в положение минимального усиления. Уровень сигнала от генератора увеличивают до получения того же уровня сигнала на выходе приемника.

Отношение уровней входных сигналов при минимальном и максимальном усилениях приемника в децибелах определяет диапазон ручной регулировки усиления.

Примечание. При наличии антенного аттенюатора дополнительно учитывают диапазон его регулирования.

3.3.11. Уровень излучения гетеродинов приемника на эквивалент антенны и эквивалент электросети (п. 1.4, табл. 2, п. 9) измеряют по схемам, приведенным на черт. 5 и 6 соответственно.

Селективный микровольтметр подключают непосредственно к эквиваленту антенны, подключенному к антенному входу приемника. Микровольтметр настраивают на частоту, превышающую частоту настройки приемника на номинальное значение первой промежуточной частоты. Подстраивают микровольтметр в небольших пределах до получения максимального отклонения стрелки измерительного прибора и проводят отсчет уровня излучения на эквивалент антенны.

При измерениях убеждаются, что показания микровольтметра вызваны излучением первого гетеродина. Для этого приемник отстраивают на 20 - 50 кГц, показания микровольтметра при этом уменьшаются.

1 - селективный микровольтметр; 2 - приемник

Черт. 5

1 - приемник; 2 - эквивалент сети типа 4 по ГОСТ 11001-80; 3 - селективный микровольтметр

Черт. 6

Аналогичным образом измеряют излучения на эквивалент антенны других гетеродинов приемника, в том числе и фиксированных, а также прочих источников радиопомех в диапазоне 0,15 - 300 МГц по методике ГОСТ 16842-82.

Измерение излучения гетеродинов приемника на эквивалент электросети проводят по методике, аналогичной методике измерения на эквивалент антенны, руководствуясь указаниями технической документации на селективный микровольтметр.

Наибольшее из измеренных значений излучения на эквивалент антенны или любой из проводов электросети в микровольтах определяет значение излучения гетеродинов приемника в соответствующую цепь на заданных частотах.

3.3.11а. Измерение отклонения частоты настройки приемника от номинального значения (п. 1.4, табл. 2, пп. 10, 11) проводят в соответствии с черт. .

1 - источник эталонного сигнала со стабильностью 1´10-9; 2 - приемник; 3 - электронно-счетный частотомер: 4 - эквивалент нагрузки

Черт. 6а

Отклонение частоты настройки приемника измеряют на выходе звуковой частоты приемника в режиме J3E.

Частоту настройки приемника устанавливают ниже частоты источника эталонного сигнала на 1000 Гц.

Относительное отклонение частоты настройки приемника определяют как Df/f, где Df - отклонение частоты по отношению к 1000 Гц;

f - частота источника эталонного сигнала.

(Введен дополнительно, Изм. № 4).

3.3.12. Неравномерность АЧХ однополосных телефонных каналов (п. 1.4, табл. 2, п. 12) измеряют по ГОСТ 14663-83.

3.3.13. Ослабление составляющих интермодуляции внутри полосы пропускания приемника (п. 1.4, табл. 2, п. 13) измеряют по схеме, приведенной на черт. 7, на одной частоте диапазона приемника.

Измерение выполняют при включенной АРУ по спектру сигнала боковой полосы по методу двух тонов при уровне каждого входного сигнала 54 дБмкВ (500 мкВ), если иной уровень не указан в технических условиях на приемники конкретного типа.

Генераторы 1 и 2 настраивают таким образом, чтобы на выходе приемника в канале верхней боковой полосы установились частоты f1 и f2, равные 1100 и 1700 Гц соответственно.

При выключенном генераторе 2 регулятором усиления по звуковой частоте устанавливают выходной уровень на частоте 1100 Гц, равный 1 В.

Затем при выключенном генераторе 1 проверяют, что уровень выходного сигнала на частоте F2 также равен 1 В.

1 и 2 - генераторы сигналов; 3 - согласующее устройство (эквивалент антенны); 4 - приемник; 5 - эквивалент нагрузки; 6 - анализатор спектра; 7 - электронно-счетный частотомер

Черт. 7

Включают оба генератора и анализатором спектра на выходе приемника измеряют комбинационные составляющие второго и третьего порядков, определяемые по формулам:

F1 + F2 = 2800 Гц, 2F1 - F2 = 500 Гц,                                   (3)

F1 - F2 = 600 Гц, 2F2 - F1 = 2300 Гц,

где F1 - частота, равная 1100 Гц;

F2 - частота, равная 1700 Гц.

Отношение напряжения комбинационной составляющей, имеющей максимальный уровень, к выходному напряжению одного из двух тонов в децибелах определяет ослабление составляющих интермодуляции внутри полосы пропускания приемника.

Примечания:

1. Для выравнивания уровней частот F1 и F2 на выходе измеряемого канала допускается изменять уровень одного из генераторов в пределах 20 %.

(Измененная редакция, Изм. № 4).

3.3.14. Номинальный уровень выходного сигнала в линию (п. 1.4, табл. 2, п. 14) измеряют по схеме, приведенной на черт. 1.

При уровне входного сигнала 0 дБмкВ (1 мкВ), поданного через согласующее устройство (эквивалент антенны) с коэффициентам передачи по мощности минус 6 дБ в линии должно обеспечиваться номинальное выходное напряжение 0,775 В. Это напряжение устанавливают с помощью ручной регулировки усиления по радио- и (или) промежуточной частоте.

3.3.15. Максимальный уровень выходного сигнала в линию (п. 1.4, табл. 2, п. 15) измеряют по схеме, приведенной на черт. 3, по методу п. 3.3.9 при включенной АРУ в режимах приема излучения классов J3E.

При подаче уровня входного сигнала, превышающего на 10 дБ порог срабатывания АРУ, регулировкой усиления по звуковой частоте проверяют возможность получения выходного напряжения не менее 2,4 В.

3.3.16. Время перестройки приемника (п. 1.4, табл. 2, п. 16) измеряют по схеме, приведенной на черт. 8.

1 - приемник; 2 - универсальный осциллограф

Черт. 8

На вход приемника подают гармоники сигнала опорной частоты, когерентной частоте внутреннего генератора опорной частоты приемника. Подключают осциллограф к выходу последней промежуточной частоты. Перестраивают приемник с одной рабочей частоты, соответствующей поданной на его вход гармонике, на другую. По калиброванной длительности развертки луча осциллографа фиксируют время отсутствия сигнала на выходе промежуточной частоты во время перестройки приемника.

Наибольшее из полученных значений определяет время перестройки приемника.

1 - генератор сигналов; 2 - универсальный вольтметр; 3 - приемник; Rэ - эквивалент антенны мощностью не менее 200 Вт

Черт. 9

3.3.17. Сохранность входных цепей (п. 2.1.4) проверяют по схеме, приведенной на черт. 9.

Измерения выполняют во всем диапазоне приемника на частотах, указанных в технических условиях на приемники конкретного типа.

Генератор сигналов и приемник настраивают на измеряемую частоту. Уровень немодулированного сигнала от генератора устанавливают равным 100 В. Приемник выдерживают под действием э.д.с. сигнала в течение 15 мин.

После выключения генератора сигналов измеряют коэффициент шума приемника по методу п. 3.3.3.

Перед измерением коэффициента шума при подаче входного сигнала уровнем от 30 до 100 В допускается замена перегоревших элементов защиты приемника.

3.3.18. Постоянные времени цепей заряда t3 и разряда tр системы АРУ приемника (п. 2.1.5) измеряют по схеме, приведенной на черт. 10, на одной частоте диапазона приемника для всех ступеней постоянной времени АРУ.

1 - генератор высокочастотных сигналов; 2 - прерыватель сигнала; 3 - приемник; 4 - вольтметр переменного тока; 5 - эквивалент нагрузки; 6 - осциллограф

Черт. 10

Осциллограф и вольтметр для измерения напряжения переменного тока подключают к выходу приемника по звуковой частоте. Устанавливают минимальное затухание прерывателя сигнала. На вход приемника от генератора высокочастотного сигнала подают сигнал уровнем, превышающим на 30 дБ чувствительность приемника.

Включают максимальное затухание прерывателя сигнала. Определяют в миллисекундах постоянную времени разряда АРУ (tр) как время от момента включения максимального затухания до такого момента, когда мгновенное значение выходного напряжения приемника отличается от установившегося значения на ±2 дБ (черт. 11).

Включают минимальное затухание прерывателя. Определяют в миллисекундах постоянную времени заряда АРУ (t3) как время от момента включения минимального затухания до такого момента, когда мгновенное значение выходного напряжения приемника отличается от установившегося значения на 2 дБ (черт. 11). Измерения повторяют при входном уровне 60 дБмкВ.

Допускается измерять постоянные времени цепи заряда t3 и разряда tр системы АРУ приемника (п. 2.1.5) по ГОСТ 14663-83.

3.3.15 - 3.3.18. (Измененная редакция, Изм. № 4).

3.3.19. Уровень собственных мешающих сигналов на выходе приемника по звуковой частоте (п. 2.1.6) измеряют по схеме, приведенной на черт. 12.

Черт. 11

1 - эквивалент антенны; 2 - приемник; 3 - вольтметр переменного тока

Черт. 12

Измерения выполняют во всем диапазоне частот приемника. На частоте настройки приемника, где нет собственных мешающих сигналов, ручной регулировкой усиления устанавливают на выходе приемника уровень шумов, указанный в технических условиях на приемники конкретного типа.

При настройке приемника на собственный мешающий сигнал выходной уровень не должен изменяться больше чем на значение, указанное в п. 2.1.6. Превышение уровня определяют в децибелах.

3.3.20. Проверку приемника на непрерывную работу (п. 2.5.1) проводят в течение двух суток в нормальных климатических условиях.

В начале испытаний и в конце вторых суток измеряют параметры в объеме, указанном в технических условиях на приемники конкретного типа.

В процессе испытаний периодически проверяют работоспособность приемника по системе встроенного контроля.

За время испытаний на непрерывную работу приемник должен работать безотказно. В случае отказа приемника испытание прекращают, проводят его ремонт, после чего испытание повторяют.

3.3.21. Наработку на отказ приемника (п. 2.5.2) проверяют по ГОСТ 17676-81.

3.3.22. Испытание приемника на соответствие показателю среднего времени восстановления (п. 2.5.3) проводят путем фиксирования времени восстановления приемника после отказа ti, включая время поиска отказа и замены неисправного блока на заведомо исправный.

Отказы и время восстановления должны фиксироваться в журнале учета работы или формуляра приемника для накопления статистических данных. При наличии этих данных для m отказов, имеющих разные причины, время восстановления  в часах вычисляют по формуле

                                                                (4)

Число отказов для определения среднего времени восстановления приемника не должно быть менее 10.

3.3.23. Испытание приемника по пп. 2.1.1 - 2.1.3, 2.1.8 - 2.1.11, 2.1.13 - 2.1.14, 2.1.18, 2.2.1, 2.2.2, 2.3.1 - 2.3.3, 2.4.1, 2.4.2. проводят в объеме и по методам, указанным в технических условиях на приемники конкретного типа.

(Измененная редакция, Изм. № 4).

3.3.24. Соответствие приемника требованиям электробезопасности (пп. 2.6.1 - 2.6.3) проводят по методам, указанным в технических условиях на приемники конкретного типа и по ГОСТ 12.3.019-80 и ГОСТ 12.1.030-81.

3.3.25. Напряженность поля от излучения гетеродинов приемника (п. 2.7а.1) измеряют методами, указанными в Нормах 15-78.

3.3.26. Параметры внешней помехозащищенности приемников (п. 2.7а.2) и помехозащищенности по цепям питания (п. 2.7а.3) измеряют методами, указанными в Нормах 22-86.

3.3.25, 3.3.26. (Введены дополнительно, Изм. № 4).

ПРИЛОЖЕНИЕ 1

Справочное

ТЕРМИНЫ И ПОЯСНЕНИЯ

Термин

Пояснение

Наработка на отказ

Отношение наработки восстанавливаемого объекта к математическому ожиданию числа его отказов в течение этой наработки

Среднее время восстановления

Математическое ожидание времени восстановления работоспособного состояния

Работоспособность приемника

Состояние объекта, при котором значения параметров, характеризующих способность выполнять заданные функции, соответствуют требованиям конструкторской документации

Квазиплавная настройка

Настройка приемника в диапазоне рабочих частот, осуществляемая одной плавно вращающейся ручкой. При этом происходит перестройка приемника с минимальным шагом сетки используемого синтезатора

Класс излучения

По ГОСТ 24375-80

(Новая редакция, Изм. № 4).

ПРИЛОЖЕНИЕ 2

Обязательное

ФОРМУЛЫ, УСТАНАВЛИВАЮЩИЕ СООТНОШЕНИЕ МЕЖДУ ЧУВСТВИТЕЛЬНОСТЬЮ И КОЭФФИЦИЕНТОМ ШУМА ПРИЕМНИКА

1. При приеме излучений классов A1A, A1B (A1); A2A, А2В (А2); Н2А, Н2В (А2Н); А3Е (A3) - амплитудная модуляция

                                                    (1)

где Е - э.д.с. несущей, включенной последовательно с эквивалентным сопротивлением источника, мкВ;

F - коэффициент шума (отношение мощностей);

R - эквивалентное сопротивление источника (эквивалента антенны), Ом;

п - отношение сигнала к шуму по мощности на выходе;

m - коэффициент модуляции (модуляция синусоидальная). Для излучений классов А1А, А1В и Н2В принимают m = 1;

k - постоянная Больцмана, равная 1,37×10-23 Дж/К;

Т - термодинамическая (абсолютная) температура, К (Т обычно принимают равной 293 К, тогда kT ≈ 400×10-23 Дж);

В - ширина эффективной полосы шума, Гц, взятая как меньшая из двух следующих значений:

ширина полосы после детектирования;

половина ширины полосы до детектирования.

2. При приеме излучений классов J3E (A3J); Н3Е (А3Н); R3E (A3A) - однополосная амплитудная модуляция

E2 = 4kTBRnF´1012,                                                  (2)

где Е - э.д.с. компонента сигнала боковой полосы, мкВ, включенного последовательно с эквивалентным сопротивлением источника сигнала, мкВ;

F, R, п, k, Т - то же, что в п. 1;

В - ширина эффективной полосы шума, Гц, взятая как меньшая из двух следующих значений:

ширина полосы после детектирования;

ширина полосы до детектирования.

3. Коэффициент шума в децибелах определяют по следующей формуле

F [дБ] = 10lgF,                                                         (3)

где F - то же, что и в пп. 1 и 2 в относительных безразмерных единицах.

 

СОДЕРЖАНИЕ

1. Параметры.. 1

2. Общие технические требования. 3

3. Методы измерений. 8

Приложение 1 Термины и пояснения. 22

Приложение 2 Формулы, устанавливающие соотношение между чувствительностью и коэффициентом шума приемника. 22