Electromagnetic compatibility of technical equipment. Maritime navigation and radiocommunication equipment and systems. Requirements and test methods

ФЕДЕРАЛЬНОЕ АГЕНТСТВО
ПО ТЕХНИЧЕСКОМУ РЕГУЛИРОВАНИЮ И МЕТРОЛОГИИ

НАЦИОНАЛЬНЫЙ
СТАНДАРТ
РОССИЙСКОЙ
ФЕДЕРАЦИИ

ГОСТ Р
52691-2006

 

Совместимость технических средств
электромагнитная

ОБОРУДОВАНИЕ И СИСТЕМЫ
МОРСКОЙ НАВИГАЦИИ И РАДИОСВЯЗИ

Требования и методы испытаний

 

 

Москва

Стандартинформ

2007

Предисловие

Цели и принципы стандартизации в Российской Федерации установлены Федеральным законом от 27 декабря 2002 г. № 184-ФЗ «О техническом регулировании», а правила применения национальных стандартов Российской Федерации - ГОСТ Р 1.0-2004 «Стандартизация в Российской Федерации. Основные положения»

Сведения о стандарте

1 РАЗРАБОТАН ООО «Научно-производственная фирма «ГЕЙЗЕР» и Техническим комитетом по стандартизации ТК 30 «Электромагнитная совместимость технических средств»

2 ВНЕСЕН Техническим комитетом по стандартизации ТК 30 «Электромагнитная совместимость технических средств»

3 УТВЕРЖДЕН И ВВЕДЕН В ДЕЙСТВИЕ Приказом Федерального агентства по техническому регулированию и метрологии от 27 декабря 2006 г. № 473-ст

4 Настоящий стандарт разработан с учетом основных положений международного стандарта МЭК 60945:2002 «Оборудование и системы морской навигации и радиосвязи. Общие требования. Методы испытаний и необходимые результаты испытаний» (IEC 60945:2002 «Maritime navigation and radiocommunication - General requirements - Methods of testing and required test results») в части требований по электромагнитной совместимости

5 ВВЕДЕН ВПЕРВЫЕ

 

Информация об изменениях к настоящему стандарту публикуется в ежегодно издаваемом информационном указателе «Национальные стандарты», а текст изменений и поправок - в ежемесячно издаваемых информационных указателях «Национальные стандарты». В случае пересмотра (замены) или отмены настоящего стандарта соответствующее уведомление будет опубликовано в ежемесячно издаваемом информационном указателе «Национальные стандарты». Соответствующая информация, уведомления и тексты размещаются также в информационной системе общего пользования - на официальном сайте Федерального агентства по техническому регулированию и метрологии в сети Интернет

 

СОДЕРЖАНИЕ

1 Область применения. 3

2 Нормативные ссылки. 3

3 Термины и определения. 4

4 Общие положения. 4

5 Условия проведения испытаний. 4

6 Результаты испытаний. 5

7 Нормы помехоэмиссии и методы испытаний. 5

7.1 Кондуктивные индустриальные радиопомехи. 6

7.2 Излучаемые индустриальные радиопомехи. 8

8 Требования помехоустойчивости и методы испытаний. 10

8.1 Критерии качества функционирования. 10

8.2 Радиоприемная аппаратура. 12

8.3 Устойчивость к кондуктивным помехам, наведенным радиочастотными электромагнитными полями. 12

8.4 Устойчивость к радиочастотному электромагнитному полю.. 14

8.5 Устойчивость к наносекундным импульсным помехам.. 15

8.6 Устойчивость к микросекундным импульсным помехам большой энергии. 16

8.7 Устойчивость к кратковременным изменениям параметров системы электроснабжения. 17

8.8 Устойчивость к прерываниям напряжения электропитания. 18

8.9 Устойчивость к электростатическим разрядам.. 19

Приложение А (справочное). Объяснение требований к судовому оборудованию по обеспечению ЭМС.. 21

Приложение Б (справочное). Протокол испытаний. 26

Введение

В настоящий стандарт включены требования и методы испытаний по электромагнитной совместимости (ЭМС) оборудования и систем морской навигации и радиосвязи в части ограничения индустриальных радиопомех и обеспечения устойчивости к внешним электромагнитным помехам, установленные в МЭК 60945:2002 «Оборудование и системы морской навигации и радиосвязи - Общие требования - Методы испытаний и необходимые результаты испытаний».

Международный стандарт МЭК 60945:2002 применительно к вопросам электромагнитной совместимости имеет статус стандарта в области ЭМС для группы однородной продукции в соответствии с Руководством МЭК 107:1998. В МЭК 60945:2002 установлены специфические требования ЭМС и методы испытаний, предназначенные для конкретной группы продукции, основывающиеся на применении базовых международных стандартов в области ЭМС.

Настоящий стандарт входит в комплекс национальных стандартов в области ЭМС и разработан для применения при оценке соответствия оборудования и систем морской навигации и радиосвязи требованиям ЭМС.

 

НАЦИОНАЛЬНЫЙ СТАНДАРТ РОССИЙСКОЙ ФЕДЕРАЦИИ

Совместимость технических средств электромагнитная

ОБОРУДОВАНИЕ И СИСТЕМЫ МОРСКОЙ НАВИГАЦИИ И РАДИОСВЯЗИ

Требования и методы испытаний

Electromagnetic compatibility of technical equipment.
Maritime navigation and radioco
mmunication equipment and systems.
Requirements and test methods

Дата введения - 2007-07-01

1 Область применения

Настоящий стандарт устанавливает требования к судовым навигационному и радиотехническому оборудованию и средствам радиосвязи по обеспечению электромагнитной совместимости, включая нормы помехоэмиссии и требования устойчивости к электромагнитным помехам, а также соответствующие методы испытаний.

Настоящий стандарт распространяется на электрические и радиоэлектронные изделия, аппараты и системы, входящие в состав судовых навигационного, радиотехнического оборудования и средств радиосвязи (далее - технические средства), в том числе на:

а) судовую радиоаппаратуру, являющуюся частью глобальной системы оповещения о бедствиях и обеспечения безопасности на море, подлежащую установке на судах в соответствии с [1], [2], принятыми Международной морской организацией;

б) судовое навигационное оборудование, подлежащее установке на судах в соответствии с [1] и [2] и другие навигационные средства;

в) другое оборудование, устанавливаемое на судовом мостике, размещаемое в непосредственной близости к передающим антеннам и оборудованию, способное создавать помехи безопасной навигации судна и радиосвязи.

Требования настоящего стандарта распространяются на конструктивно завершенные технические средства (ТС), предназначенные для установки на судах.

Настоящий стандарт не устанавливает требований к побочным и внеполосным радиоизлучениям судовых радиопередатчиков и избирательности радиоприемных устройств.

Требования настоящего стандарта не должны препятствовать использованию новых методов испытаний оборудования и систем морской навигации и радиосвязи.

2 Нормативные ссылки

В настоящем стандарте использованы нормативные ссылки на следующие стандарты:

ГОСТ Р 51317.4.2-99 (МЭК 61000-4-2-95) Совместимость технических средств электромагнитная. Устойчивость к электростатическим разрядам. Требования и методы испытаний

ГОСТ Р 51317.4.3-2006 (МЭК 61000-4-3:2006) Совместимость технических средств электромагнитная. Устойчивость к радиочастотному электромагнитному полю. Требования и методы испытаний

ГОСТ Р 51317.4.4-99 (МЭК 61000-4-4-95) Совместимость технических средств электромагнитная. Устойчивость к наносекундным импульсным помехам. Требования и методы испытаний

ГОСТ Р 51317.4.5-99 (МЭК 61000-4-5-95) Совместимость технических средств электромагнитная. Устойчивость к микросекундным импульсным помехам большой энергии. Требования и методы испытаний

ГОСТ Р 51317.4.6-99 (МЭК 61000-4-6-96) Совместимость технических средств электромагнитная. Устойчивость к кондуктивным помехам, наведенным радиочастотными электромагнитными полями. Требования и методы испытаний

ГОСТ Р 51317.4.11-99 (МЭК 61000-4-11-94) Совместимость технических средств электромагнитная. Устойчивость к динамическим изменениям напряжения электропитания. Требования и методы испытаний

ГОСТ Р 51317.4.28-2000 (МЭК 61000-4-28-99) Совместимость технических средств электромагнитная. Устойчивость к изменениям частоты питающего напряжения. Требования и методы испытаний

ГОСТ Р 51319-99 Совместимость технических средств электромагнитная. Приборы для измерения индустриальных радиопомех. Технические требования и методы испытаний

ГОСТ Р 51320-99 Совместимость технических средств электромагнитная. Радиопомехи индустриальные. Методы испытаний технических средств - источников индустриальных радиопомех

ГОСТ 14777-76 Радиопомехи индустриальные. Термины и определения

ГОСТ 30372-95/ГОСТ Р 50397-92 Совместимость технических средств электромагнитная. Термины и определения

Примечание - При пользовании настоящим стандартом целесообразно проверить действие ссылочных стандартов в информационной системе общего пользования - на официальном сайте Федерального агентства по техническому регулированию и метрологии в сети Интернет или по ежегодно издаваемому информационному указателю «Национальные стандарты», который опубликован по состоянию на 1 января текущего года, и по соответствующим ежемесячно издаваемым информационным указателям, опубликованным в текущем году. Если ссылочный стандарт заменен (изменен), то при пользовании настоящим стандартом следует руководствоваться замененным (измененным) стандартом. Если ссылочный стандарт отменен без замены, то положение, в котором дана ссылка на него, применяется в части, не затрагивающей эту ссылку.

3 Термины и определения

В настоящем стандарте применены термины, установленные в ГОСТ 14777, ГОСТ 30372, [3], а также следующие термины с соответствующими определениями:

3.1 порт: Граница между ТС и внешней электромагнитной средой (зажим, разъем, клемма, стык связи и т.п.) (см. рисунок 1).

Рисунок 1 - Примеры портов ТС

3.2 порт корпуса: Физическая граница ТС, через которую могут излучаться создаваемые ТС или проникать внешние электромагнитные поля.

4 Общие положения

Нормы помехоэмиссии и требования помехоустойчивости установлены в разделах 7, 8 настоящего стандарта к ТС следующих категорий:

- переносным;

- защищенным от воздействия атмосферных факторов;

- подверженным воздействию атмосферных факторов;

- погружаемым в воду или находящимся в постоянном контакте с водой.

Объяснение установленных в настоящем стандарте требований к ТС по обеспечению ЭМС приведено в приложении А.

При установке ТС на борту судна следует учитывать требования [4]. Требования по заземлению конкретного ТС должны быть включены в инструкции по его установке и соответствовать [4].

5 Условия проведения испытаний

При проведении оценки соответствия ТС подлежат испытаниям на помехоустойчивость и помехоэмиссию, требования к которым установлены в разделах 7, 8 настоящего стандарта.

Испытания должны подтвердить способность ТС функционировать по назначению в ожидаемой на судне электромагнитной обстановке и не оказывать на нее недопустимого воздействия.

Испытания ТС на соответствие требованиям настоящего стандарта проводят в испытательной лаборатории.

Конкретные испытания на помехоэмиссию и помехоустойчивость, указанные в разделах 7, 8, могут быть проведены в любом удобном порядке либо объединены.

Расположение испытуемого ТС (далее ИТС), функционально взаимодействующих с ним технических средств и кабелей, должно соответствовать требованиям, приведенным в технических документах на ТС конкретного вида. Если расположение технических средств и кабелей не указано, то при испытаниях выбирают такое, которое соответствует типичному применению и при котором проявляются наибольшие уровни эмиссии помех и восприимчивости ТС к воздействию помехи конкретного вида.

Технические средства, функционально взаимодействующие с ИТС, или источники сигналов, необходимые для обеспечения функционирования ТС при проведении испытаний, могут быть заменены имитаторами.

Испытания на соответствие требованиям настоящего стандарта проводят при нормальных климатических условиях:

- температуре окружающего воздуха (25 ± 10) °С;

- относительной влажности воздуха 45 % - 80 %;

- атмосферном давлении 84 - 106,7 кПа (630 - 800 мм рт. ст.).

Если соблюдение указанных выше климатических условий не представляется возможным, в протоколе испытаний следует отразить фактические условия испытаний.

Напряжение питания, генерируемое источником постоянного напряжения, используемым при проведении испытаний, не должно отличаться более чем на 3 % от номинального напряжения. Частота переменного напряжения не должна отличаться более чем на 1 Гц от номинальной частоты.

6 Результаты испытаний

Результаты конкретных испытаний должны быть отражены в протоколе испытаний.

При оценке соответствия установленным требованиям, полученные при выполнении измерений значения величин и определенные по результатам испытаний характеристики свойств ТС сравнивают с соответствующими нормированными значениями величин и характеристик, приведенными в разделах 7, 8. ТС считают соответствующим установленным требованиям, если сумма значений результата измерения и расширенной неопределенности этого измерения не превышает предельно допускаемого значения величины.

Примечание - Коэффициент расширения K зависит от требуемой достоверности контроля (как правило, K = 2).

По результатам испытаний оформляют протокол. Перечень сведений, которые должны содержаться в протоколе испытаний, приведен в приложении Б.

7 Нормы помехоэмиссии и методы испытаний

Нормы помехоэмиссии, установленные в настоящем стандарте, применяют для ТС различных категорий в соответствии с таблицей 1.

При измерении помехоэмиссии ИТС должно функционировать при нормальных условиях, при этом органы управления устанавливают так, чтобы уровень кондуктивной или излучаемой помехи был максимальным. Если ИТС имеет несколько режимов функционирования (например рабочий, ждущий режимы), выбирают режим, при котором достигается максимальный уровень помехоэмиссии, и все измерения проводят в указанном режиме.

К разъему антенны ИТС (при наличии) должен быть подключен неизлучающий эквивалент антенны.

Испытания на излучаемые помехи ТС, включающего в себя радиопередатчик, работающий на частотах, соответствующих полосе частот, на которых выполняются измерения, проводят при включенном радиопередатчике, не находящемся в режиме излучения.

При проведении испытаний на кондуктивные помехи ТС, включающего в себя радиопередатчик, из полосы частот измерений исключают полосы частот шириной 200 кГц с центром на основной частоте и частотах гармоник радиопередатчика.

Таблица 1 - Применение норм помехоэмиссии для ТС различных категорий

Вид электромагнитных помех

Порт ТС

Категория ТС

Номер пункта настоящего стандарта

переносных

защищенных от воздействия атмосферных факторов

подверженных воздействию атмосферных факторов

погружаемых в воду или находящихся в постоянном контакте с водой

Кондуктивные индустриальные радиопомехи

Входной порт электропитания переменного и постоянного тока

Нормы не применяют

Нормы применяют

7.1

Излучаемые индустриальные радиопомехи

Порт корпуса

Нормы применяют

Нормы не применяют

7.2

7.1 Кондуктивные индустриальные радиопомехи

7.1.1 Назначение испытаний

При испытаниях оценивают уровень кондуктивных индустриальных радиопомех в полосе частот от 10 кГц до 30 МГц на входных портах электропитания переменного и постоянного тока ТС, которые могут через цепи электропитания оказать воздействие на функционирование других ТС.

7.1.2 Нормы

Напряжение кондуктивных индустриальных радиопомех на входных портах электропитания переменного и постоянного тока ИТС должно соответствовать нормам, приведенным в таблице 2, и зависимости значений норм напряжения индустриальных помех, приведенной на рисунке 2.

Таблица 2 - Нормы напряжения кондуктивных индустриальных радиопомех для входных и выходных портов электропитания переменного и постоянного тока ТС

Полоса частот, МГц

Норма напряжения индустриальных помех, мВ (дБ (мкВ)) (квазипиковое значение)

0,01 - 0,15

63 - 0,3 (96 - 50)

0,15 - 0,35

1 - 0,3 (60 - 50)

0,35 - 30

0,3 (50)

Примечание - На граничной частоте нормой является меньшее значение напряжения.

Рисунок 2 - Зависимость значения норм напряжения индустриальных помех от частоты

7.1.3 Метод испытаний

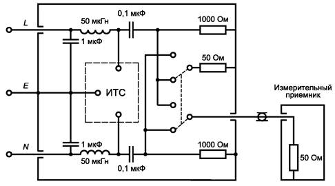
Уровень кондуктивных индустриальных радиопомех измеряют с использованием измерителя радиопомех по ГОСТ Р 51319 с квазипиковым детектором. Для обеспечения установленного значения полного сопротивления между зажимами электропитания ИТС и пластиной заземления, а также для обеспечения развязки ИТС от высокочастотных помех в сети электропитания используют V-образный эквивалент сети по ГОСТ Р 51319. Схемы эквивалентов сети приведены на рисунке 3. Ширина полосы пропускания измерителя радиопомех в полосе частот от 10 до 150 кГц должна быть 200 Гц, в полосе частот от 150 кГц до 30 МГц - 9 кГц.

Кабели электропитания постоянного и переменного тока между портами электропитания ИТС и эквивалентом сети должны быть экранированы и их длина не должна превышать 0,8 м. Если ИТС состоит более чем из одного элемента с индивидуальными портами электропитания, порты электропитания с одинаковым номинальным напряжением могут быть соединены с эквивалентом сети питания параллельно.

ИТС и измерительная аппаратура должны быть установлены на пластине заземления. В тех случаях, когда выполнить это условие не представляется возможным, применяют эквивалентное размещение, при котором вместо пластины заземления используют металлическую раму или корпус ИТС.

а) V-образный эквивалент сети (50 Ом/50 мкГн + 5 Ом) для полосы частот 10 - 150 кГц

б) V-образный эквивалент сети (50 Ом/50 мкГн) для полосы частот 150 кГц - 30 МГц

L - фазный провод; Е - защитное заземление; N - нейтральный провод

Рисунок 3 - Схемы эквивалентов сети для измерения кондуктивных индустриальных радиопомех

7.2 Излучаемые индустриальные радиопомехи

7.2.1 Назначение испытаний

При испытаниях оценивают уровень напряженности поля индустриальных радиопомех в полосе частот от 150 кГц до 2000 МГц, создаваемых ИТС (кроме излучения через антенну), которые могут оказать потенциальное воздействие на другое оборудование на судне, например радиоприемники.

7.2.2 Нормы

Напряженность поля индустриальных радиопомех, создаваемых ИТС при расстоянии измерения 3 м, должна соответствовать нормам, приведенным в таблице 3, и зависимости значений норм напряженности поля индустриальных помех, приведенной на рисунке 4.

Таблица 3 - Нормы напряженности поля индустриальных радиопомех, создаваемых ИТС при расстоянии измерения 3 м

Полоса частот, МГц

Норма напряженности поля индустриальных помех1, мкВ/м (дБ (мкВ/м)) (квазипиковое значение)

0,15 - 0,3

10 000 - 316 (80 - 52)

0,3 - 30

316 - 50 (52 - 34)

30 - 156

500 (54)

156 - 165

16 (24)2)

165 - 2000

500 (54)

1) На граничной частоте нормой является меньшее значение напряженности поля.

2) В полосе частот 156 - 165 МГц допускается применение нормы 32 мкВ/м (30 дБ (мкВ/м)) при измерении пикового значения напряженности поля.

Примечание - В полосе частот 156 - 165 МГц применяют норму квазипикового значения напряженности поля индустриальных радиопомех 24 дБ (мкВ/м) при расстоянии измерения 3 м. При измерении пикового значения напряженности поля допускается применение нормы 30 дБ (мкВ/м).

В - ширина полосы частот измерительного приемника

Рисунок 4 - Зависимость норм напряженности поля индустриальных помех от частоты при расстоянии измерения 3 м

7.2.3 Метод испытаний

Уровень излучаемых индустриальных радиопомех измеряют:

а) с использованием измерителя радиопомех по ГОСТ Р 51319 с квазипиковым детектором. Ширина полосы пропускания измерителя радиопомех в полосе частот от 150 кГц до 30 МГц должна быть 9 кГц, в полосе частот от 30 МГц до 2 ГГц - 120 кГц.

В полосе частот от 150 кГц до 30 МГц проводят измерения магнитного поля индустриальных радиопомех. Для этого применяют электрически экранированную рамочную антенну, имеющую такие размеры, при которых ее рамка полностью помещается в квадрат со стороной 60 см, или ферритовую антенну по ГОСТ Р 51319. Поправочный коэффициент для пересчета напряженности магнитного поля в эквивалентную напряженность электрического поля равен 51,5 дБ.

Для частот свыше 30 МГц проводят измерения электрического поля. В качестве измерительной антенны применяют симметричный вибратор резонансной длины или эквивалентный укороченный вибратор, или измерительную антенну с высоким коэффициентом направленного действия по ГОСТ Р 51319. Длина измерительной антенны в направлении ИТС не должна превышать 20 % измерительного расстояния. На частотах свыше 80 МГц может быть необходимо изменение высоты центра симметрии измерительной антенны относительно пластины заземления в пределах от 1 до 4 м.

Измерительная площадка должна соответствовать требованиям ГОСТ Р 51320 при использовании пластины заземления размерами, достаточными для выполнения измерений на расстоянии 3 м.

ИТС должно быть полностью собрано, соединено соответствующими кабелями и смонтировано на штатном рабочем месте.

Если ИТС состоит более чем из одного элемента, длина кабелей соединения (кроме фидеров антенны) между главным и остальными элементами должна быть 20 м или быть максимальной, определенной изготовителем. К незадействованным портам сигналов управления должны быть подключены кабели длиной 20 м или максимальной длины, установленной изготовителем, с соответствующими нагрузками, полное сопротивление которых эквивалентно полному сопротивлению вспомогательного оборудования, с которым обычно порты ТС соединяются.

Кабели, длина которых превышает указанную изготовителем, должны быть уложены в бухты длиной 30 - 40 см приблизительно по центру кабеля, в одной горизонтальной плоскости с портом и местом подключения. При невозможности такой укладки из-за объема или жесткости кабеля, длина которого превышает указанную изготовителем, кабель располагают возможно ближе к ИТС, что должно быть отражено в протоколе испытаний.

Измерительную антенну размещают на расстоянии 3 м от ИТС. Центр симметрии антенны должен быть расположен, по крайней мере, на 1,5 м выше уровня пластины заземления, на которой она размещена. Конструкция антенны для измерения напряженности электрического поля должна обеспечивать возможность плавного изменения высоты центра симметрии над землей от 1 до 4 м и поворота ее вокруг горизонтальной оси применительно к электромагнитным излучениям горизонтальной и вертикальной поляризации. При определении максимального уровня помехоэмиссии антенну вначале устанавливают параллельно уровню ИТС, а затем перемещают вокруг ИТС. В качестве альтернативы ИТС помещают на плоскости, ортогональной измерительной антенне в ее середине, и вращают при неподвижной антенне;

б) в полосе частот от 156 до 165 МГц измерения проводят с применением измерителя радиопомех с шириной полосы пропускания 9 кГц. Остальные условия испытаний соответствуют изложенным в перечислении а);

в) в некоторых случаях в полосе частот от 156 до 165 МГц по соглашению между изготовителем ТС и пользователем измерения проводят с применением измерителя радиопомех с пиковым детектором или анализатора спектра.

8 Требования помехоустойчивости и методы испытаний

8.1 Критерии качества функционирования

Результаты испытаний на помехоустойчивость оценивают с применением критериев качества функционирования ТС при данных испытаниях.

Если после испытаний на помехоустойчивость в соответствии с требованиями настоящего стандарта ТС становится опасным или ненадежным, данное ТС считают не соответствующим требованиям настоящего стандарта.

Описания выполняемых функций, а также критериев качества функционирования ТС при испытаниях на помехоустойчивость в период или после прекращения воздействия помехи, должны быть отражены в протоколе каждого испытания.

Критерий качества функционирования А

В период и после прекращения воздействия помехи ТС должно продолжать функционировать в соответствии с назначением. Не допускается ухудшение качества функционирования ТС по сравнению с уровнем качества функционирования, установленным изготовителем применительно к использованию ТС в соответствии с назначением, или прекращение выполнения функции ТС.

Критерий качества функционирования В

После прекращения воздействия помехи ТС должно продолжать функционировать в соответствии с назначением. Не допускается ухудшение качества функционирования ТС по сравнению с уровнем качества функционирования, установленным изготовителем применительно к использованию ТС в соответствии с назначением, или прекращение выполнения функции ТС.

В период воздействия помехи допускается ухудшение рабочих характеристик ТС или прекращение выполнения функции ТС. При этом изменение данных, хранимых в памяти ТС, не допускается.

Критерий качества функционирования С

Допускается временное ухудшение качества функционирования или прекращение выполнения функции ТС во время испытания при условии, что функционирование является самовосстанавливаемым или может быть восстановлено после испытания с помощью операций управления, выполняемых пользователем.

Применение требований помехоустойчивости для ТС различных категорий, установленных в настоящем стандарте, представлено в таблице 4.

Таблица 4 - Применение требований помехоустойчивости для ТС различных категорий

Вид электромагнитных помех

Порт ТС

Категория ТС

Номер пункта настоящего стандарта

переносных

защищенных от воздействия атмосферных факторов

подверженных воздействию атмосферных факторов

погружаемых в воду или находящихся в постоянном контакте с водой

Кондуктивные помехи, наведенные радиочастотными электромагнитными полями

Порты электропитания, сигнальные порты/порты управления

Требования не применяют

Требования применяют

8.3

Радиочастотное электромагнитное поле

Порт корпуса

Требования применяют

Требования не применяют

8.4

Наносекундные импульсные помехи

Порты электропитания переменного тока, сигнальные порты/порты управления

Требования не применяют

Требования применяют

8.5

Микросекундные импульсные помехи большой энергии

Порты электропитания переменного тока

Требования не применяют

Требования применяют

8.6

Кратковременные изменения параметров системы электроснабжения

Входные порты электропитания переменного тока

Требования не применяют

Требования применяют

8.7

Прерывания напряжения электропитания

Входные порты электропитания переменного тока

Требования не применяют

Требования применяют

8.8

Электростатические разряды

Порт корпуса

Требования применяют

Требования не применяют

8.9

8.2 Радиоприемная аппаратура

Если в состав ТС входит радиоприемная аппаратура, то при ее испытаниях на устойчивость к радиочастотным помехам (излучаемым радиочастотным электромагнитным полям и радиопомехам, наведенным радиочастотными электромагнитными полями) применяют ограничение полос частот воздействующих помех. Исключаемая полоса частот для радиоприемной аппаратуры представляет собой рабочий диапазон частот, установленный изготовителем и расширенный от минимального до максимального значения частоты на 5 %. К исключаемой полосе частот добавляют также частоты любого узкополосного отклика радиоприемной аппаратуры (ложного отклика).

Допустимые узкополосные отклики (ложные отклики) идентифицируют следующим образом. Если при испытаниях на устойчивость к радиочастотным помехам отмечается несоответствие радиоприемной аппаратуры установленному критерию качества функционирования (см. 8.1), необходимо установить, чем вызвано указанное несоответствие - узкополосной или широкополосной реакцией. Для этого увеличивают частоту испытательного сигнала на значение, равное значению удвоенной номинальной ширины полосы пропускания фильтра промежуточной частоты радиоприемной аппаратуры, непосредственно предшествующего демодулятору, или, если это значение неизвестно, на значение, равное значению ширины полосы пропускания радиоприемной аппаратуры, заявленной изготовителем. Затем испытание повторяют при уменьшении частоты на такое же значение. Если радиоприемная аппаратура при одном или обоих сдвигах частоты соответствует установленному критерию качества функционирования, отклик классифицируют как узкополосный.

Несоответствие радиоприемной аппаратуры установленному критерию качества функционирования может быть вызвано тем, что в результате отстройки частота испытательного сигнала стала равна частоте другого узкополосного отклика. В этом случае процедуру повторяют при значении сдвига частоты испытательного сигнала, в два с половиной раза превышающем значение ширины полосы пропускания, указанное выше. Если несоответствие радиоприемной аппаратуры установленному критерию качества функционирования не исчезает при одном или обоих сдвигах частоты, отклик классифицируют как широкополосный и, следовательно, радиоприемную аппаратуру считают не выдержавшей испытаний.

Узкополосные отклики радиоприемной аппаратуры, отмеченные при испытаниях на помехоустойчивость, не рассматривают как нарушение нормальной работы ТС.

8.3 Устойчивость к кондуктивным помехам, наведенным радиочастотными электромагнитными полями

8.3.1 Назначение испытаний

При испытаниях оценивают способность ТС функционировать в соответствии с назначением при воздействии помех, наведенных в цепях электропитания, сигналов и управления радиопередатчиками судна на частотах ниже 80 МГц.

8.3.2 Требования

ИТС должно соответствовать критерию качества функционирования А в соответствии с 8.1 при испытательных уровнях по ГОСТ Р 51317.4.6, раздел 4:

3 В (среднеквадратическое значение испытательного сигнала) (в отсутствие модуляции) в полосе частот от 150 кГц до 80 МГц (степень жесткости испытаний 2);

10 В (среднеквадратическое значение испытательного сигнала) (в отсутствие модуляции) на дискретных частотах 2; 3; 4; 6,2; 8,2; 12,6; 16,5; 18,8; 22 и 25 МГц (степень жесткости испытаний 3).

8.3.3 Метод испытаний

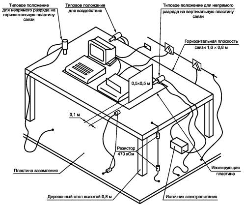
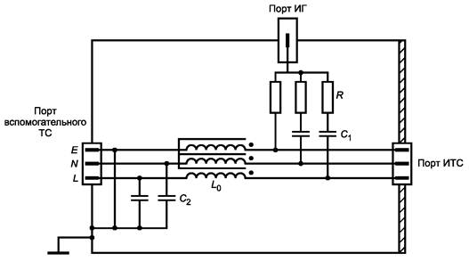
ИТС размещают на изолирующей подставке высотой 0,1 м, расположенной на пластине заземления (в соответствии со схемой, представленной на рисунке 5). Вспомогательное оборудование, необходимое для обеспечения электропитания испытуемого ТС и подачи сигналов для нормального функционирования и проверки параметров, соединяют с ИТС кабелями, снабженными соответствующими устройствами связи/развязки и размещенными от него на расстоянии 0,1 - 0,3 м (в соответствии со схемой, представленной на рисунке 6).

Если применение устройств связи/развязки не представляется возможным, используют клещи связи по ГОСТ Р 51317.4.6. Испытательный генератор подключают по очереди к каждому из устройств связи/развязки. При этом разъемы «испытательный генератор» устройств связи/развязки, на которые не подают испытательный сигнал, должны быть нагружены сопротивлением 50 Ом. Уровни помех в испытательном генераторе для каждого устройства связи/развязки устанавливают при отключенных ИТС и вспомогательной аппаратуре, которые заменяют нагрузкой сопротивлением 150 Ом. Испытательный генератор должен обеспечивать подачу на вход ИТС немодулированного сигнала, соответствующего заданной степени жесткости испытания.

При проведении испытания применяют амплитудную модуляцию испытательного сигнала частотой 400 Гц ± 10 % при глубине модуляции (80 ± 5) %. Для выявления любых нарушений функционирования ИТС скорость перестройки частоты не должна превышать 1,5 · 10-3 декада/с. Контроль функционирования ИТС проводят в период и после окончания подачи помех.

УСР - устройство связи/развязки; Т1 - нагрузка 50 Ом; Т2 - нагрузка 150 Ом

Рисунок 5 - Схема испытаний ТС на устойчивость к кондуктивным помехам, наведенным радиочастотными электромагнитными полями

Е - защитное заземление; N - нейтральный провод; L - фазный провод

Примечание - для УСР - С1: C1 = 22 нФ, С2 = 47 нФ, R = 100 Ом, L ≥ 280 мкГн на частоте 150 кГц; для УСР - С2: C1 = 10 нФ, С2 = 47 нФ, R = 200 Ом, L ≥ 280 мкГн на частоте 150 кГц; для УСР - С3: C1 = 10 нФ, С2 = 47 нФ, R = 300 Ом, L ≥ 280 мкГн на частоте 150 кГц.

Рисунок 6 - Упрощенная схема устройств связи/развязки типов УСР-С1, УСР-С2, УСР-С3, применяемых при вводе помехи в неэкранированные кабели электропитания

8.4 Устойчивость к радиочастотному электромагнитному полю

8.4.1 Назначение испытаний

При испытаниях оценивают способность ТС функционировать в соответствии с назначением при воздействии излучений радиопередатчиков, расположенных поблизости от ТС, работающих на частотах свыше 80 МГц, например судовых передатчиков диапазона ОВЧ и ручных переносных радиостанций.

8.4.2 Требования

ИТС должно соответствовать критерию качества функционирования А в соответствии с 8.1 при испытательном уровне 10 В/м по ГОСТ Р 51317.4.3 (степень жесткости испытаний 3) в полосе частот 80 - 2000 МГц.

8.4.3 Метод испытаний

ИТС должно быть установлено в полубезэховой камере и размещено в плоскости однородного поля на изолированном от пола неметаллическом основании (см. рисунок 7). Калибровку испытательного электромагнитного поля в плоскости однородного поля проводят без ИТС. Размещение ИТС и подключенных кабелей должно быть отражено в протоколе испытаний.

Если расположение подключаемых к ИТС кабелей не определено, при испытаниях применяют неэкранированные проводники, проложенные параллельно плоскости однородного поля.

Длина частей кабелей, подключенных к ИТС, подвергаемых воздействию электромагнитного поля, должна быть 1 м.

При испытаниях используют антенну, облучающую каждую из четырех сторон ИТС, в соответствии с ГОСТ Р 51317.4.3.

Если предусмотрена эксплуатация ТС в вертикальном и горизонтальном положении испытания ТС должны быть проведены при установке ТС в каждом из указанных положений.

Частота модуляции должна быть 400 Гц ± 10 % при глубине модуляции (80 ± 5) %.

При проведении испытаний ТС вначале размещают так, чтобы одна из его сторон совпадала с плоскостью однородного поля. Частоту сигнала, подаваемого на излучающую антенну, перестраивают в полосе от 80 МГц до 1 ГГц со скоростью 1,5 · 10-3 декада/с и в полосе от 1 до 2 ГГц - 0,5 · 10-3 декада/с. Медленная перестройка частоты связана с необходимостью обнаружить любое нарушение функционирования ИТС. Дополнительно проводят испытание ТС на частотах, на которых ожидается или проявляется повышенная восприимчивость к помехе.

Рисунок 7 - Схема испытаний ТС на устойчивость к радиочастотному электромагнитному полю

8.5 Устойчивость к наносекундным импульсным помехам

8 5.1 Назначение испытаний

При испытаниях оценивают способность ТС функционировать в соответствии с назначением при воздействии низкоэнергетических импульсных помех наносекундной длительности, вызываемых искрением контактов при коммутации аппаратуры.

8.5.2 Требования

ИТС должно соответствовать критерию качества функционирования В в соответствии с 8.1 при следующих испытательных уровнях по ГОСТ Р 51317.4.4:

2 кВ - для линий питания переменного тока (степень жесткости испытаний 3);

1 кВ - для линий сигналов и управления (степень жесткости испытаний 3).

8.5.3 Метод испытания

При проведении испытаний применяют испытательный генератор, устройства связи/развязки для портов электропитания переменного тока и емкостные клещи связи для цепей сигнала и управления, соответствующие требованиям ГОСТ Р 51317.4.4, пункт 6.1.1, подразделы 6.2, 6.3 соответственно. Схема испытаний ТС на устойчивость к наносекундным импульсным помехам приведена на рисунке 8. Продолжительность подачи помехи должна составлять от 3 до 5 мин для каждой серии импульсов положительной и отрицательной полярности.

ИГ - испытательный генератор наносекундных импульсных помех; ИГ(А) - размещение ИГ при подаче помехи на порты электропитания; ИГ(Б) - размещение ИГ при подаче помехи на порты сигналов и управления

Рисунок 8 - Схема испытаний ТС на устойчивость к наносекундным импульсным помехам

8.6 Устойчивость к микросекундным импульсным помехам большой энергии

8 6.1 Назначение испытаний

При испытаниях оценивают способность ТС функционировать в соответствии с назначением при воздействии относительно медленных высокоэнергетических колебаний напряжения, обусловленных работой таких переключающих приборов, как тиристоры.

8.6.2 Требования

ИТС должно соответствовать критерию качества функционирования В в соответствии с 8.1 при воздействии на порты электропитания переменного тока импульсных помех со следующими испытательными уровнями по ГОСТ Р 51317.4.5:

1 кВ - по схеме «провод - земля» (степень жесткости испытаний 2);

0,5 кВ - по схеме «провод - провод» (степень жесткости испытаний 1).

8.6.3 Метод испытания

При проведении испытаний применяют комбинированный испытательный генератор микросекундных импульсных помех и устройства связи/развязки, соответствующие требованиям ГОСТ Р 51317.4.5 (подраздел 6.1, подпункт 6.3.1.1 соответственно) (см. схему испытаний ТС на устойчивость к микросекундным импульсным помехам, представленную на рисунке 9). Частота повторения импульсов должна быть один импульс в минуту, продолжительность испытания - 5 мин для каждой серии импульсов положительной и отрицательной полярности.

а) Подача помех по схеме «провод - провод» с использованием емкостной связи, выход ИГ не заземлен

б) Подача помех по схеме «провод - земля» с использованием емкостной связи, выход ИГ не заземлен

L - фазный провод; N - нейтральный провод; Е - защитное заземление; ИГ - испытательный генератор микросекундных импульсных помех

Рисунок 9 - Схема испытаний ТС на устойчивость к микросекундным импульсным помехам большой энергии

8.7 Устойчивость к кратковременным изменениям параметров системы электроснабжения

8.7.1 Назначение испытаний

При испытаниях оценивают способность ТС функционировать в соответствии с назначением при воздействии изменений напряжения и частоты электропитания переменного тока из-за резких изменений нагрузки.

8.7.2 Требования

ИТС должно соответствовать критерию качества функционирования В в соответствии с 8.1 при воздействии на порты электропитания переменного тока изменений напряжения и частоты относительно номинального значения двух видов (см. рисунок 10):

а) напряжение: увеличение относительно номинального значения на (20 ± 1) % продолжительностью (1,5 ± 0,2) с; увеличение частоты относительно номинального значения на (10 ± 0,5) % продолжительностью (5 ± 0,5) с;

б) напряжение: уменьшение относительно номинального значения на (20 ± 1) % продолжительностью (1,5 ± 0,2) с; частота: уменьшение относительно номинального значения на (10 ± 0,5) % продолжительностью (5 ± 0,5) с.

Напряжение и частоту источника электропитания в соответствии с перечислениями а) и б) меняют пять раз в течение 10 мин.

а) Увеличение напряжения относительно номинального значения на (20 ± 1) %; увеличение частоты относительно номинального значения на (10 ± 0,5) %

б) Уменьшение напряжения относительно номинального значения на (20 ± 1) %; уменьшение частоты относительно номинального значения на (10 ± 0,5) %

Рисунок 10 - Изменения напряжения Vном и частоты fном источника питания при испытаниях ТС на устойчивость к кратковременным изменениям параметров системы электроснабжения

8.7.3 Метод испытаний

Изменения напряжения электропитания должны проводиться при помощи программируемого источника питания. Время увеличения и уменьшения напряжения и частоты в пределах от 10 % до 90 % установленных значений должно быть (0,2 ± 0,1) с. Дополнительные сведения о методах испытаний приведены в ГОСТ Р 51317.4.11, ГОСТ Р 51317.4.28.

8.8 Устойчивость к прерываниям напряжения электропитания

8 8.1 Назначение испытаний

При испытаниях оценивают способность ТС функционировать в соответствии с назначением при кратковременных прерываниях электропитания судна для смены источника питания на аварийный или замены предохранителя. Настоящее требование не применяют к ТС, получающим питание от батарей.

8.8.2 Требования

ИТС должно соответствовать критерию качества функционирования С в соответствии с 8.1 при воздействии на порты электропитания переменного тока трех прерываний напряжения источника питания продолжительностью 60 с каждый.

8.8.3 Метод испытаний

Испытания проводят по ГОСТ Р 51317.4.11.

8.9 Устойчивость к электростатическим разрядам

8.9.1 Назначение испытаний

При испытаниях оценивают способность ТС функционировать в соответствии с назначением при воздействии электростатических разрядов от персонала, который может получить электростатический заряд при взаимодействии с покрытиями из искусственного волокна или предметами одежды из винила.

8.9.2 Требования

ИТС должно соответствовать критерию качества функционирования В в соответствии с 8.1 при воздействии на порт корпуса электростатических разрядов по ГОСТ Р 51317.4.2 со следующими параметрами:

- воздушных электростатических разрядов напряжением 8 кВ (степень жесткости испытаний 3);

- контактных электростатических разрядов напряжением 6 кВ (степень жесткости испытаний 3).

8.9.3 Метод испытаний

При проведении испытаний применяют испытательный генератор электростатических разрядов, включающий в себя накопительный конденсатор емкостью 150 пФ и разрядное сопротивление 330 Ом, связанные с разрядным электродом (см. ГОСТ Р 51317.4.2).

ИТС устанавливают на изолирующую прокладку, уложенную поверх металлической заземленной пластины, выступающей за контур ИТС с каждой стороны не менее чем на 0,5 м (см. рисунки 11 и 12). Электростатические разряды от генератора подаются на все точки и поверхности, доступные обслуживающему персоналу при штатном использовании ТС.

Рисунок 11 - Схема испытаний напольного ТС на устойчивость к электростатическим разрядам, показывающая возможные положения испытательного генератора электростатических разрядов

Рисунок 12 - Схема испытаний настольного ТС на устойчивость к электростатическим разрядам, показывающая возможные положения испытательного генератора электростатических разрядов

Генератор электростатических разрядов располагают перпендикулярно к поверхности, а точки, на которые должны подаваться разряды, могут быть выбраны с помощью предварительных испытаний, проводимых при частоте повторения 20 разрядов в секунду. Затем каждую точку проверяют 10 разрядами положительной и отрицательной полярности с интервалами не менее 1 с между разрядами для того, чтобы заметить любое отклонение от нормального функционирования ИТС. Воздушные разряды подают на те поверхности и точки ИТС, на которых контактные разряды не могут быть произведены, например на окрашенные поверхности, заявленные изготовителем ТС как изолирующие.

Для имитации разрядов на предметах, помещаемых или устанавливаемых рядом с испытуемым техническим средством на расстоянии 0,1 м от него, на каждой стороне заземленной пластины должны быть произведены 10 одиночных контактных разрядов положительной и отрицательной полярности. Кроме того, 10 разрядов должны быть поданы на центр вертикального ребра пластины связи при ее размещении напротив каждой из четырех сторон ИТС.

Приложение А
(справочное)

Объяснение требований к судовому оборудованию по обеспечению ЭМС

Электромагнитная обстановка на судах отличается от электромагнитной обстановки в других местах размещения ТС.

Судно должно быть оборудовано машинами для движения, маневрирования и перемещения грузов, которые могут использовать большие электрические мощности. Судно также должно быть оборудовано навигационной аппаратурой, аппаратурой связи и приборами управления машинами.

Радиочастоты, которые могут использоваться на судне, охватывают широкий диапазон от 90 кГц (для системы навигации ЛОРАН) до 9 ГГц (для радиолокационных станций (РЛС).

Мостик судна - место особенно плотной концентрации средств радионавигации, радиосвязи и приборов управления машинами, которые должны функционировать совместно.

Для оборудования судов должны быть установлены более жесткие требования электромагнитной совместимости, чем для бытового и промышленного оборудования, что определяется более сложными условиями эксплуатации и необходимостью обеспечения меньшей вероятности нарушения его функционирования.

Вместе с тем, обстановку вне судна с точки зрения ЭМС можно считать благоприятной, поскольку судно не связано с внешней средой кабелями электропитания или связи, которые могут являться источниками электромагнитных помех. Судно также удалено и от других источников помех, находящихся за его пределами. Даже находясь в порту, где многие системы фактически не функционируют или где их функционирование запрещено, судно с малой вероятностью может оказаться на расстоянии менее 500 м от жилых, коммерческих или промышленных зон и менее 1 км - от радиопередающих станций. Поэтому при разработке настоящего стандарта было принято, что все ТС - источники помех и ТС, обладающие повышенной восприимчивостью к внешним помехам, должны находиться непосредственно на судне и функционировать с соблюдением требований ЭМС.

Главным источником помех на судне является собственная радиопередающая аппаратура, а наиболее восприимчивой к помехам является радиоприемная аппаратура. Настоящий стандарт устанавливает такие нормы эмиссии индустриальных радиопомех и требования устойчивости к внешним помехам, при выполнении которых радиопередающая и радиоприемная аппаратура судна может функционировать по назначению как совместно друг с другом, так и с источниками электропитания, устанавливаемыми на судах. Другая аппаратура судов, соответствующая нормам и требованиям настоящего стандарта, может считаться совместимой, поскольку требования к ограничению помехоэмиссии и обеспечению помехоустойчивости являются менее жесткими.

Основные характеристики примерного комплекта судовой радиоаппаратуры приведены в таблице А.1.

Таблица А.1 - Основные характеристики примерного комплекта судовой радиоаппаратуры

Диапазон частот

Тип оборудования

Чувствительность приемника

Мощность передатчика

90 - 110 кГц

Система навигации ЛОРАН

20 мкВ/м

-

285,5 - 315 кГц

Дифференциальная контрольно-корректирующая станция

5 мкВ/м

-

415 - 535 кГц

Радиостанция

50 мкВ/м

150 Вт

490 - 518 кГц

Автоматический приемник метеорологических и навигационных изменений NAVTEX

2 мкВ

-

1605 - 3800 кГц

Радиостанция

25 мкВ/м

400 Вт (пиковая мощность огибающей)

4 - 27,5 МГц

Радиостанция

25 мкВ/м

1500 Вт (пиковая мощность огибающей)

121,5 - 243 МГц

Маяки - указатели места бедствия ELD

-

0,5 Вт

156 - 165 МГц

Радиостанция

2 мкВ

25 Вт

406,025 МГц

Маяки - указатели места бедствия COSPAS-SARSAT

-

5 Вт

1525 - 1544 МГц

Система спутниковой связи «Инмарсат»

0,03 мкВ (-167 дБ (Вт))

-

(1575,42 ± 1,023) МГц

Система навигации NAVSTAR/GPS

0,07 мкВ (-160 дБ (Вт))

-

1602 - 1615 МГц

Система навигации ГЛОНАСС

0,07 мкВ (-160 дБ (Вт))

-

1626,5 - 1646,5 МГц

Система спутниковой связи «Инмарсат»

-

25 Вт

2,9 - 3,1 ГГц

РЛС s-диапазона

1,4 мкВ (-134 дБ (Вт))

25 кВт (пиковая мощность)

9,3 - 9,5 ГГц

РЛС х-диапазона

1,4 мкВ (-134 дБ (Вт))

25 кВт (пиковая мощность)

9,3 - 9,5 ГГц

Радиолокационный ответчик SART

-80 дБ (Вт)

400 мВт

А.1 Помехоэмиссия

Настоящий стандарт рассматривает два вида помех - кондуктивные индустриальные радиопомехи в цепях питания и излучаемые индустриальные радиопомехи, эмитируемые от корпусов ТС.

В общем случае излучение функционирующих радиопередатчиков через антенны будет иметь большую разрешенную мощность, чем помехи, рассматриваемые в настоящем стандарте. Это не должно ухудшать электромагнитную совместимость ТС на судне, поскольку при планировании распределения частот при разработке и использовании судовых радиоэлектронных средств учитывают требования Международного союза электросвязи. Тем не менее, при проведении испытаний (см. 7.1, 7.2) работа радиопередатчиков на излучение не допускается, поскольку нежелательная эмиссия от «неизлучающих» нагрузок, используемых вместе с передатчиками, скорее всего превышает разрешенный уровень.

Кондуктивная помехоэмиссия - индустриальные радиопомехи, действующие в цепях электропитания судовых ТС в полосе частот от 10 кГц до 30 МГц, соответствующей диапазону частот судовых радиоприемников.

Нормы напряжения кондуктивных индустриальных радиопомех и их зависимость от частоты на входных портах электропитания переменного и постоянного тока ТС приведены в таблице 2 и на рисунке 2 соответственно.

Нормы напряженности поля индустриальных радиопомех, создаваемых испытуемым ТС, и их зависимость от частоты приведены в таблице 3 и на рисунке 4 соответственно.

Установленные в настоящем стандарте нормы и методы испытаний - в соответствии с ГОСТ Р 51319 и ГОСТ Р 51320.

Эмиссия индустриальных радиопомех не оказывает существенного влияния на радиоприемники, находящиеся вне судна, в связи с их значительной удаленностью от судна. Однако должно быть исследовано влияние индустриальных радиопомех на радиоприемники, работающие в составе бортового оборудования системы КОСПАС - САРСАТ, предназначенные для получения сигналов от радиомаяков - указателей места бедствия. Мощность сигнала, который может отражаться от поверхности Земли, не мешая работе бортового оборудования спутников, составляет 1 мВт на частотах 121,5 и 243 МГц и 0,1 мВт - на частоте 406 МГц. Предельное значение напряженности поля излучаемых индустриальных радиопомех 54 дБ (мкВ/м)/500 мкВ/м, измеренное на расстоянии 3 м от источника излучения, соответствует мощности 75 нВт, что не потребует применения каких-либо мер предосторожности при использовании любой из этих частот.

На частотах ниже 30 МГц на судне могут работать связные радиоприемники в диапазоне частот 0,5 - 30 МГц, а также навигационные приемники, работающие на более низких частотах. Напряженности поля полезного сигнала на низких частотах увеличиваются при увеличении уровня космического и атмосферного шума, что позволяет снизить предельные значения индустриальных радиопомех, в соответствии с таблицей 3 и рисунком 4.

На частотах свыше 30 МГц (в диапазоне 156 - 165 МГц) на судах работают ОВЧ приемники. Для приемника ОВЧ диапазона Международная морская организация рекомендует чувствительность 2 мкВ, что соответствует напряженности поля 3 мкВ/м в месте расположения антенны. Учитывая, что стандартное расстояние между мостиком и антенной составляет 15 м, напряженность поля на расстоянии 3 м от источника помех должна быть 15 мкВ/м 23,5 дБ (мкВ/м) с тем, чтобы в свободном пространстве в месте расположения антенны была создана напряженность поля, равная 3 мкВ/м. Это обстоятельство определяет более жесткие нормы индустриальных радиопомех на частотах связи ОВЧ диапазона, приведенные в таблице 3 и на рисунке 4.

В УВЧ диапазоне на судне обычно применяют приемники, работающие в диапазоне 430 - 450 МГц (бортовой приемник) и около 900 МГц (мобильные телефоны). Указанные полосы не содержат частот бедствия и безопасности. Ответственность за использование диапазона частот 430 - 450 МГц полностью возложена на команду судна, которая может проводить локальные мероприятия, направленные на устранение помех, и поэтому в указанных диапазонах частот не представляется необходимым применение специальных мер защиты. Мобильные телефоны разработаны для условий с низким уровнем помех и не требуют специальной защиты.

На частотах свыше 1 ГГц на судах могут работать приемники систем «Инмарсат» (1525 - 1544 МГц), GPS (1575,42 ± 1,023 МГц), ГЛОНАСС (1602 - 1615 МГц). Диапазон частот 1525 - 1544 МГц используется для глобальной морской системы связи при бедствии и для безопасности. Наличие оборудования глобальных навигационных спутниковых систем является требованием Международной морской организации; диапазоны частот около 1575,42 МГц и 1602 - 1615 МГц нуждаются в защите. Поэтому нормы, указанные в таблице 3 и на рисунке 4, распространяются на приемные устройства, работающие на частотах до 2 ГГц.

На частотах свыше 2 ГГц на судах могут работать радиолокационные приемники (частоты 3 и 9 ГГц). Такие приемники являются специализированными, с антеннами очень высокой направленности, для которых реальные проблемы, связанные с воздействием излучаемых индустриальных радиопомех, отсутствуют. Поэтому предполагается, что на частотах свыше 2 ГГц нет необходимости контролировать индустриальные радиопомехи.

А.2 Помехоустойчивость

Требования к помехоустойчивости устанавливаются в настоящем стандарте применительно к воздействию на ТС сигналов, излучаемых радиопередатчиками судна и наводимых электромагнитными излучениями этих радиопередатчиков в подключенных кабелях, а также воздействию непрерывных и переходных помех в сетях электропитания судна и электростатических разрядов.

Результаты измерения напряженности поля на мостиках 12 судов различного типа и вблизи них, приведенные в таблице А.2, показывают, что, хотя в среднем некоторое экранирование ТС и обеспечивается судовой надстройкой, максимальное значение напряженности поля является почти одинаковым на мостике, в непосредственной близости от него и на палубе. Поэтому при установлении требований помехоустойчивости в настоящем стандарте не вводятся различия между местами установки ТС. При определении норм устойчивости ТС к излученным электромагнитным полям следует исходить из значения 100 В/м в полосе 0,5 - 30 МГц.

Таблица А.2 - Результаты измерения напряженности поля, создаваемого судовыми радиопередатчиками

Место измерения

Напряженность поля, В/м

Диапазон СЧ/ВЧ

Диапазон УВЧ

Мобильные средства связи

Мостик

0 - 80, средний уровень 17

1

10

Крылья мостика

4 - 100, средний уровень 27

1

10

Палуба

8 - 75, средний уровень 37

1

10

В УВЧ диапазоне экспериментальные значения уровня напряженности поля от передатчиков судов являются намного меньшими, не превышая 1 В/м. Более высокий уровень напряженности поля создается мобильными радиопередатчиками. Так как мобильные радиостанции теперь широко используются всеми членами экипажей судов, применительно для них принят уровень напряженности поля 10 В/м.

Как показывает опыт, судовое радиоэлектронное оборудование, относящееся к области применения настоящего стандарта, в достаточной степени устойчиво к гармоническим составляющим питающих напряжений, возникающим при преобразовании переменного тока в постоянный. Кроме того, существует практика использования электрических батарей для питания постоянным током, которая исключает требования к устойчивости и нестабильности генератора. Поэтому настоящий стандарт не предусматривает проведение испытаний на устойчивость к кондуктивным низкочастотным помехам.

Настоящий стандарт устанавливает метод проведения испытания на устойчивость ТС к кондуктивным помехам, наведенным радиочастотными электромагнитными полями в диапазоне от 150 кГц до 80 МГц в соответствии с ГОСТ Р 51317.4.6, а также предусматривает применение испытательного сигнала со среднеквадратическим значением уровня напряжения, равным 3 В. Однако очевидно, что напряженность поля 100 В/м, создаваемая судовыми передатчиками диапазона СЧ/ВЧ, требует более высокого уровня имитируемого испытательного сигнала. Зависимость между реальной напряженностью поля и напряженностью при проведении испытаний является объектом дальнейших исследований. В настоящее время по результатам экспериментов для определенных значений частот принят среднеквадратический уровень напряжения немодулированного сигнала, создаваемого испытательным генератором на разъемах ИТС, равный 10 В.

Требования устойчивости ТС к наносекундным импульсным помехам и методы испытаний установлены в 8.5. Помехи, создаваемые источниками электропитания судов, являются объектом дальнейшего исследования. В настоящее время для проверки взаимного влияния между линиями в кабельных магистралях судна принято значение амплитуды испытательных импульсов, равные 2 кВ для портов электропитания и 1 кВ - для портов сигнала и управления.

Требования устойчивости ТС к микросекундным импульсным помехам большой энергии и методы испытаний, имитирующие возможные помехи при тиристорном переключении, представлены в 8.6. Так как медленные нестационарные процессы не могут повлиять на линии передачи сигналов и управления, проведение испытания ограничено портами электропитания. Частота повторения импульсов - один импульс в минуту. Процессы образования микросекундных импульсных помех большой энергии от удара молнии не рассматриваются, так как на судне нет внешних кабелей, способных провести импульсные помехи внутрь судна.

Установленные в 8.7 требования устойчивости ТС к кратковременным изменениям параметров системы электроснабжения и методы испытаний основаны на экспериментальной проверке реакции источников питания судна на изменения нагрузки.

Требования устойчивости к прерыванию электропитания длительностью 60 с, происходящему при переключении с основного источника электропитания на резервный, основаны на технических требованиях Международной морской организации.

Для проверки влияния на ТС возможных электростатических разрядов в настоящем стандарте применены требования и методы испытаний, установленные ГОСТ Р 51317.4.2.

Приложение Б
(справочное)

Протокол испытаний

Протокол испытаний должен содержать следующие сведения:

а) наименование и адрес испытательной лаборатории или место проведения испытаний, если они проводились вне испытательной лаборатории.

б) идентификацию протокола испытания (например порядковый номер), номер каждой страницы и число страниц отчета;

в) наименование и адрес заявителя;

г) описание ИТС;

д) дату получения и дату проведения испытаний;

е) требования к испытаниям, выбору метода или процедуры;

ж) описание выбора процедуры;

и) любые отклонения, дополнения или исключения из требований к испытаниям, а также другие сведения, относящиеся к конкретному испытанию;

к) описание нестандартного метода испытаний или используемого технологического процесса;

л) требуемые результаты измерений, экспертизы и полученные результаты, подкрепленные соответствующими таблицами, графиками и фотографиями, а также любые выявленные отклонения от функционирования в соответствии с назначением;

м) неопределенность измерений;

н) должность специалиста, ответственного за оформление протокола испытаний, подпись и дату окончания испытаний;

п) сведения о том, что результаты испытаний действительны только для испытанных ТС;

р) сведения о том, что протокол испытаний не может быть полностью воспроизведен без разрешения руководителя испытательной лаборатории.

Библиография

[1]

Международная конвенция по охране человеческой жизни на море, принятая Международной морской организацией, 1997

[2]

Международная конвенция по безопасности рыболовных судов, принятая Международной морской организацией, 1997, с Изменением, 1993

[3] МЭК 60050-161:1990

Международный электротехнический словарь - Глава 161: Электромагнитная совместимость

[4] МЭК 60533:1999

Судовые электрические и электронные установки - Электромагнитная совместимость

 

 

Ключевые слова: электромагнитная совместимость, судовые средства навигации и радиосвязи, электромагнитные помехи, нормы помехоэмиссии, индустриальные радиопомехи, требования устойчивости к электромагнитным помехам, методы испытаний