ОТРАСЛЕВОЙ СТАНДАРТ
УСТРОЙСТВА ДЛЯ
УСТАНОВКИ
ПРИБОРОВ ИЗМЕРЕНИЯ ТЕМПЕРАТУРЫ
НА Ру от 0,6
до 16 МПа
Типы, конструкция, размеры
и общие технические требования
ОСТ 26.260.462-99
Предисловие
1 РАЗРАБОТАН Дочерним открытым акционерным обществом «Центральное конструкторское бюро нефтеаппаратуры» (ДАО «ЦКБН»)
2 ПРИНЯТ И ВВЕДЕН В ДЕЙСТВИЕ Техническим комитетом 260 «Оборудование химическое и нефтеперерабатывающее»
3 ВВЕДЕН ВПЕРВЫЕ
|
ОАО «НИИхиммаш» Зарегистрировано 99.08.31 № 144 Заместитель Генерального директора В.В. Раков |
ОСТ 26.260.462-99
ОТРАСЛЕВОЙ СТАНДАРТ
УСТРОЙСТВА ДЛЯ
УСТАНОВКИ
ПРИБОРОВ ИЗМЕРЕНИЯ ТЕМПЕРАТУРЫ
НА Ру от
0,6 до 16 МПа
Типы, конструкция, размеры и
общие технические требования
Дата введения 1999.09.01
Настоящий стандарт устанавливает типы, пределы применения, конструкцию и основные размеры устройств для установки приборов измерения температуры на сосудах, аппаратах и трубопроводах, применяемых в газовой, нефтехимической, химической и других отраслях промышленности на условное давление от 0,6 до 16,0 МПа и температуру не ниже минус 60 °С.
В настоящем стандарте использованы ссылки на следующие стандарты:
ГОСТ 495-92 Листы и полосы медные. Технические условия.
ГОСТ 1050-88 Прокат сортовой, калиброванный, со специальной отделкой поверхности из углеродистой качественной конструкционной стали. Общие технические требования.
ГОСТ 4543-71 Сталь легированная конструкционная. Марки и технические требования.
ГОСТ 5264-80 Ручная дуговая сварка. Соединения сварные. Основные типы, конструктивные элементы и размеры.
ГОСТ 8479-70 Поковка из конструкционной углеродистой и легированной стали. Общие технические требования.
ГОСТ 10549-80 Выход резьбы, сбеги, недорезы, проточки и фаски.
ГОСТ 12815-80 Фланцы арматуры, соединительных частей и трубопроводов на Ру от 0,1 до 20,0 МПа (от 1 до 200 кгс/см2). Типы, присоединительные размеры и размеры уплотнительных поверхностей.
ГОСТ 12816-80 Фланцы арматуры, соединительных частей и трубопроводов на Ру от 0,1 до 20,0 МПа (от 1 до 200 кгс/см2). Общие технические требования.
ГОСТ 12820-80 Фланцы стальные плоские приварные на Ру от 0,1 до 2,5 МПа (от 1 до 25 кгс/см2). Конструкция и размеры.
ГОСТ 12821-80 Фланцы стальные приварные встык на Ру от 0,1 до 20,0 МПа (от 1 до 200 кгс/см2). Конструкция и размеры.
ГОСТ 16037-80 Соединения сварные стальных трубопроводов. Основные типы, конструктивные элементы и размеры.
ГОСТ 21631-76 Листы из алюминия и алюминиевых сплавов. Технические условия.
ГОСТ 24705-81 Резьба метрическая. Основные размеры.
OCT 26-291-94 Сосуды и аппараты стальные сварные. Общие технические условия.
ОСТ 26-18-5-88 Блоки технологические газовой и нефтяной промышленности. Общие технические требования.
ОСТ 26.260.460-99 Бобышки, пробки и прокладки. Конструкция, размеры и общие технические требования.
ТУ 14-1-3332-82 Сталь горячекатаная сортовая, стойкая к коррозионному растрескиванию. Опытная партия.
ТУ 14-3-1652-89 Трубы холоднодеформированные из стали 20ЮЧ.
ТУ 26-0303-1532-84 Поковки из стали 20ЮЧ. Опытная партия.
РД 26-02-63-83 Технические требования к конструированию и изготовлению сосудов, аппаратов и технологических блоков, установок подготовки нефти и газа, работающих в средах, вызывающих сероводородное коррозионное растрескивание.
3.1 Типы, основные параметры и назначение устройств для установки приборов измерения температуры должны соответствовать указанным в таблице 1.
Таблица 1
|
Исполнение |
Эскиз |
Диаметр резьбы, мм |
Давление условное Ру, МПа |
Назначение |
|
|
1 |
1 |
|
М18´1,5 M18´2,0 M20´1,5 М27´1,5 М27´2,0 М30´1,5 М33´2,0 |
0,6 2,5 |
Для установки терморегулирующих устройств дилатометрических, электрических; термопреобразователей сопротивления; преобразователей термоэлектрических; термометров стеклянных технических, термометров манометрических и других измерительных приборов |
|
2 |
|
||||
|
3 |
|
||||
|
4 |
|
То же, с фторопластовой прокладкой |
|||
|
2 |
1 |
|
М18´1,5 M18´2,0 M20´1,5 М27´1,5 М27´2,0 М30´1,5 М33´2,0 |
0,6 2,5 |
То же что для типа 1 исполнений 1; 2; 3 |
|
2 |
|
||||
|
3 |
|
||||
|
4 |
|
То же с фторопластовой прокладкой |
|||
|
3 |
1 |
|
М18´1,5 M18´2,0 M20´1,5 М27´1,5 М27´2,0 М30´1,5 М33´2,0 |
4,0 6,3 |
То же, что для типа 1 исполнений 1; 2; 3 |
|
2 |
|
То же, что для типа 1 исполнений 1; 2; 3 |
|||
|
3 |
|
То же с фторопластовой прокладкой |
|||
|
4 |
1 |
|
М18´1,5 M18´2,0 M20´1,5 М27´1,5 М27´2,0 М30´1,5 М33´2,0 |
4,0 6,3 |
То же, что для типа 1 исполнений 1; 2; 3 |
|
2 |
|
То же, что для типа 1 исполнений 1; 2; 3 |
|||
|
3 |
|
То же с фторопластовой прокладкой |
|||
|
4 |
|
Ду 50 M20´1,5 М27´2,0 М33´2,0 |
4,0 |
||
|
5 |
|
Ду 50 M20´1,5 М18´1,5 |
6,3 10,0
16,0 |
То же, что для типа 1 исполнений 1; 2; 3 |
|
|
5 |
Для Ду 25 |
|
М18´1,5 |
Не более 16,0 |
Для установки термометров технических, стеклянных и других измерительных приборов |
|
6 |
М20´1,5 |
||||
|
7 |
М27´2,0 |
||||
|
8 |
М33´2,0 |
||||
|
9 |
Для Ду 50 |
|
М18´1,5 |
||
|
11 |
М27´2,0 |
||||
|
12 |
М33´2,0 |
4.1 Устройства для установки приборов измерения температуры (в дальнейшем устройства) по конструкции и размерам предусматриваются двенадцати типов:
Тип 1 - устройства с фланцами стальными плоскими приварными на условное давление 0,6 и 2,5 МПа (рисунки 1 - 4, таблица 2)
Тип 2 - устройства - фланцы стальные плоские приварные на условное давление 0,6 и 2,5 МПа с резьбой в центре под приборы (рисунки 5 - 8, таблица 3)
Тип 3 - устройства с фланцами приварными встык на условное давление 4,0 и 6,3 МПа (рисунки 9 - 11, таблица 4)
Тип 4 - устройства - фланцы приварные встык на условное давление от 4,0 до 16,0 МПа с резьбой в центре под приборы (рисунки 12 - 16, таблицы 5; 6)
Тип 5 - устройства с резьбой M18´1,5 для трубопровода с условным проходом Ду 25 мм (рисунок 17, таблица 7)
Тип 6 - устройства с резьбой М20´1,5 для трубопровода с условным проходом Ду 25 мм (рисунок 18, таблица 7)
Тип 7 - устройства с резьбой М27´2,0 для трубопровода с условным проходом Ду 25 мм (рисунок 19, таблица 7)
Тип 8 - устройства с резьбой М33´2,0 для трубопровода с условным проходом Ду 25 мм (рисунок 20, таблица 7)
Тип 9 - устройства с резьбой M18´1,5 для трубопровода с условным проходом Ду 50 мм (рисунок 21, таблица 7)
Тип 10 - устройства с резьбой М20´1,5 для трубопровода с условным проходом Ду 50 мм (рисунок 22, таблица 7)
Тип 11 - устройства с резьбой М27´2,0 для трубопровода с условным проходом Ду 50 мм (рисунок 23, таблица 7)
Тип 12 - устройства с резьбой М33´2,0 для трубопровода с условным проходом Ду 50 мм (рисунок 24, таблица 7).
Устройства типов 1 - 4 применяются для сред, вызывающих скорость проникновения коррозии не более 0,2 мм в год, устройства типов 5 - 12 могут применяться как для сред вызывающих скорость проникновения коррозии не более 0,2 мм в год, так и для сред, вызывающих скорость проникновения коррозии более 0,2 мм в год, а также для сред, вызывающих коррозионное растрескивание металла.
Устройства типов 5 - 12 предназначены для установки термометров на трубопроводах с диаметром Ду 25 и 50 мм.
На трубопроводах диаметром более Ду 50 мм термометры рекомендуется устанавливать через бобышки. Бобышки принимать по ОСТ 26.260.460-99.
На аппаратах термометры рекомендуется устанавливать через штуцера, штуцер должен иметь ответный фланец с резьбой для присоединения термометра.
4.2 Конструкция и размеры устройств типа 1 исполнений 1 - 4 должны соответствовать указанным на рисунках 1 - 4 и в таблице 2.
Тип 1
Исполнение 1
1. Фланец 1-Ду-Ру ГОСТ 12820
2. Бобышка 2-1-d-50 OCT 26.260.460
Рисунок 1
Тип 1
Исполнение 2

1. Фланец 2-Ду-Ру ГОСТ 12820
2. Бобышка 2-1-d-50 OCT 26.260.460
Рисунок 2
Тип 1
Исполнение 3

1. Фланец 4-Ду-Ру ГОСТ 12820
2. Бобышка 2-1-d-50 OCT 26.260.460
Рисунок 3
Тип 1
Исполнение 4
1. Фланец 8-Ду-Ру ГОСТ 12820
2. Бобышка 2-1-d-50 OCT 26.260.460
Рисунок 4
Таблица 2
Размеры в миллиметрах
|
Dy |
Ру, МПа |
D |
D1 |
d1 |
Н |
Масса, кг |
|||||||
|
Исполнение |
Исполнение |
||||||||||||
|
1 |
2 |
3 |
4 |
1 |
2 |
3 |
4 |
||||||
|
M27´1,5 |
25 |
0,6 |
100 |
75 |
11 |
54 |
- |
56 |
56 |
1,04 |
- |
1,03 |
1,03 |
|
М27´2,0 |
|||||||||||||
|
М30´1,5 |
32 |
120 |
90 |
14 |
55 |
- |
57 |
57 |
1,44 |
- |
1,39 |
1,38 |
|
|
М33´2,0 |
|||||||||||||
|
М18´1,5 |
20 |
2,5 |
105 |
75 |
58 |
60 |
60 |
60 |
1,29 |
1,28 |
1,27 |
1,26 |
|
|
М18´2,0 |
|||||||||||||
|
М20´1,5 |
1,27 |
1,26 |
1,25 |
1,24 |
|||||||||
|
М27´1,5 |
25 |
115 |
85 |
1,57 |
1,57 |
1,55 |
1,54 |
||||||
|
М27´2,0 |
|||||||||||||
|
М30´1,5 |
32 |
135 |
100 |
18 |
60 |
62 |
62 |
62 |
2,20 |
2,19 |
2,17 |
2,16 |
|
|
М33´2,0 |
2,13 |
2,12 |
2,10 |
2,09 |
|||||||||
Примечание - Масса рассчитана из условия плотности материала 7,85 г/см3.
Пример условного обозначения устройства типа 1 исполнения 3 с условным проходом Ду 25 с присоединительной резьбой М27´1,5 на Ру 2,5 МПа из стали 10Г2:
Устройство для измерения температуры 1-3-25-М27´1,5-2,5-10Г2 ОСТ 26.260.462-99.
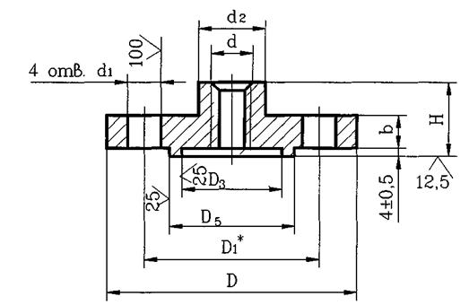
4.3 Конструкция и размеры устройств типа 2 исполнений 1 - 4 должны соответствовать указанным на рисунках 5 - 8 и в таблице 3.
Тип 2
Исполнение 1
Рисунок 5
Тип 2
Исполнение 2

Рисунок 6
Тип 2
Исполнение 3

Рисунок 7
Тип 2
Исполнение 4
Рисунок 8
* Присоединительные размеры фланцев по ГОСТ 12815.
Таблица 3
Размеры в миллиметрах
|
Dy |
Ру, МПа |
D |
D1 |
D2 |
D3 |
D4 |
D5 |
D6 |
D7 |
d1 |
d2 |
b |
Н |
Macсa, кг |
|||||||
|
Исполнение |
Исполнение |
||||||||||||||||||||
|
1 |
2 |
3 |
4 |
1 |
2 |
3 |
4 |
||||||||||||||
|
M27´1,5 |
25 |
0,6 |
100 |
75 |
60 |
41 |
- |
51 |
40 |
52 |
11 |
42 |
12 |
35 |
- |
35 |
35 |
0,71 |
- |
0,70 |
0,70 |
|
М27´2,0 |
|||||||||||||||||||||
|
М30´1,5 |
32 |
120 |
90 |
70 |
49 |
- |
59 |
48 |
60 |
14 |
48 |
13 |
35 |
- |
35 |
35 |
1,14 |
- |
1,23 |
1,23 |
|
|
М33´2,0 |
|||||||||||||||||||||
|
М18´1,5 |
20 |
2,5 |
105 |
75 |
58 |
36 |
50 |
50 |
35 |
51 |
14 |
32 |
16 |
28 |
28 |
28 |
28 |
1,06 |
1,05 |
1,04 |
1,04 |
|
М18´2,0 |
|||||||||||||||||||||
|
М20´1,5 |
1,05 |
1,04 |
1,03 |
1,03 |
|||||||||||||||||
|
М27´1,5 |
25 |
115 |
85 |
68 |
43 |
57 |
57 |
42 |
58 |
14 |
42 |
16 |
35 |
35 |
35 |
35 |
1,32 |
1,30 |
1,28 |
1,29 |
|
|
М27´2,0 |
|||||||||||||||||||||
|
М30´1,5 |
32 |
135 |
100 |
78 |
51 |
65 |
65 |
50 |
66 |
18 |
48 |
18 |
35 |
35 |
35 |
35 |
1,98 |
1,95 |
1,93 |
1,94 |
|
|
М33´2,0 |
|||||||||||||||||||||
Примечание - Масса рассчитана из условия плотности материала 7,85 г/см3.
Пример условного обозначения устройства типа 2 исполнения 3 с условным проходом Ду 25 с присоединительной резьбой М27´2,0 на Ру 2,5 МПа из стали 10Г2:
Устройство для измерения температуры 2-3-25-М27´2,0-2,5-10Г2 ОСТ 26.260.462-99.
4.4 Конструкция и размеры устройств типа 3 исполнений 1 - 3 должны соответствовать указанным на рисунках 9 - 11 и в таблице 4.
Тип 3
Исполнение 1
1. Фланец 2-Ду-Ру ГОСТ 12821
2. Бобышка 2-1-d-50 OCT 26.260.460
Рисунок 9
Тип 3
Исполнение 2

1. Фланец 4-Ду-Ру ГОСТ 12821
2. Бобышка 2-1-d-50 OCT 26.260.460
Рисунок 10
Тип 3
Исполнение 3
1. Фланец 8-Ду-Ру ГОСТ 12821
2. Бобышка 2-1-d-50 OCT 26.260.460
Рисунок 11
Таблица 4
Размеры в миллиметрах
|
Dy |
Ру, МПа |
D |
D1 |
d1 |
Н |
Мacca, кг |
|||||
|
Исполнение |
Исполнение |
||||||||||
|
1 |
2 |
3 |
1 |
2 |
3 |
||||||
|
M18´1,5 |
20 |
4,0 |
105 |
75 |
14 |
88 |
88 |
88 |
1,39 |
1,37 |
1,37 |
|
М18´2,0 |
1,35 |
1,33 |
1,33 |
||||||||
|
M20´1,5 |
1,37 |
1,35 |
1,35 |
||||||||
|
М27´1,5 |
25 |
115 |
85 |
90 |
90 |
90 |
1,75 |
1,72 |
1,72 |
||
|
М27´2,0 |
|||||||||||
|
М30´1,5 |
32 |
135 |
100 |
18 |
97 |
97 |
97 |
2,28 |
2,24 |
2,24 |
|
|
М33´2,0 |
2,32 |
2,28 |
2,28 |
||||||||
|
М18´1,5 |
20 |
6,3 |
125 |
90 |
108 |
108 |
108 |
2,21 |
2,18 |
2,18 |
|
|
M18´2,0 |
2,17 |
2,14 |
2,14 |
||||||||
|
M20´1,5 |
2,19 |
2,16 |
2,16 |
||||||||
|
М27´1,5 |
25 |
135 |
100 |
110 |
110 |
110 |
2,84 |
2,82 |
2,82 |
||
|
М27´2,0 |
|||||||||||
|
М30´1,5 |
32 |
150 |
110 |
22 |
114 |
114 |
114 |
3,37 |
3,34 |
3,34 |
|
|
М33´2,0 |
3,41 |
3,38 |
3,38 |
||||||||
Примечание - Масса рассчитана из условия плотности материала 7,85 г/см3.
Пример условного обозначения устройства типа 3 исполнения 2, с условным проходом Ду 25 с присоединительной резьбой М27´1,5 на Ру 6,3 МПа из стали 10Г2:
Устройство для измерения температуры 3-2-25-М27´1,5-6,3-10Г2 ОСТ 26.260.462-99.
4.5 Конструкция и размеры устройств типа 4 исполнений 1 - 3 должны соответствовать указанным на рисунках 12 - 14 и в таблице 5, а исполнений 4 и 5 - на рисунках 15, 16 и в таблице 6.
Тип 4
Исполнение 1
Рисунок 12
Тип 4
Исполнение 2
Рисунок 13
Тип 4
Исполнение 3
Остальное см. исполнение 2
Рисунок 14
* Присоединительные размеры фланцев по ГОСТ 12815
Тип 4
Исполнение 4
Рисунок 15
Тип 4
Исполнение 5
Остальное см. исполнение 4
Рисунок 16
Таблица 5
Размеры в миллиметрах
|
Ру, МПа |
Dy |
D |
D1 |
D3 |
D4 |
D5 |
D6 |
Dn |
Dm |
d1 |
b |
h |
l |
Масса, кг |
|||
|
Исполнение |
|||||||||||||||||
|
1 |
2 |
3 |
|||||||||||||||
|
M18´1,5 |
4,0 |
20 |
105 |
75 |
36 |
50 |
35 |
51 |
26 |
38 |
14 |
14 |
34 |
- |
0,99 |
0,97 |
0,96 |
|
М18´2,0 |
|||||||||||||||||
|
М20´1,5 |
|||||||||||||||||
|
М27´1,5 |
25 |
115 |
85 |
43 |
57 |
42 |
58 |
33 |
45 |
14 |
14 |
36 |
- |
1,19 |
1,16 |
1,15 |
|
|
М27´2,0 |
|||||||||||||||||
|
М30´1,5 |
32 |
135 |
100 |
51 |
65 |
50 |
66 |
39 |
56 |
18 |
16 |
43 |
- |
1,85 |
1,81 |
1,80 |
|
|
М33´2,0 |
|||||||||||||||||
|
М18´1,5 |
6,3 |
20 |
125 |
90 |
36 |
50 |
35 |
51 |
26 |
48 |
18 |
18 |
54 |
28 |
1,81 |
1,78 |
1,77 |
|
М18´2,0 |
|||||||||||||||||
|
М20´1,5 |
|||||||||||||||||
|
М27´1,5 |
25 |
135 |
100 |
43 |
57 |
42 |
58 |
33 |
52 |
18 |
20 |
56 |
35 |
2,28 |
2,26 |
2,25 |
|
|
М27´2,0 |
|||||||||||||||||
|
М30´1,5 |
32 |
150 |
110 |
51 |
65 |
50 |
66 |
39 |
64 |
22 |
21 |
60 |
35 |
2,94 |
2,91 |
2,90 |
|
|
М33´2,0 |
|||||||||||||||||
Примечание - Масса рассчитана из условия плотности материала 7,85 г/см3.
Пример условного обозначения устройства типа 4 исполнения 1 с условным проходом Ду 25, с присоединительной резьбой М27´1,5, на Ру 6,3 МПа из стали 10Г2:
Устройства для измерения температуры 4-1-25-М27´1,5-6,3-10Г2 ОСТ 26.260.462-99.
Таблица 6
Размеры в миллиметрах
|
Исполнение |
Ру, МПа |
Dy |
D |
D1 |
D2 |
D3 |
h |
h1 |
h2 |
с |
d |
d2 |
d3 |
Dm |
Dn |
b |
b1 |
R |
h3 |
Масса, кг |
|
|
M20´1,5 |
4 |
4,0 |
50 |
160 |
125 |
102 |
- |
45 |
25 |
3 |
1,6 |
18 |
33 |
18,4 |
76 |
58 |
17 |
- |
- |
- |
3,1 |
|
М27´2,0 |
2,0 |
41 |
24,9 |
3,0 |
|||||||||||||||||
|
М33´2,0 |
44 |
30,9 |
2,9 |
||||||||||||||||||
|
М20´1,5 |
5 |
6,3 |
175 |
135 |
102 |
85 |
67 |
30 |
3 |
1,6 |
22 |
33 |
18,4 |
86 |
58 |
23 |
12 |
4 |
8 |
5,3 |
|
|
М27´2,0 |
2,0 |
41 |
24,9 |
5,1 |
|||||||||||||||||
|
М33´2,0 |
44 |
30,9 |
5,0 |
||||||||||||||||||
|
М20´1,5 |
10,0 |
195 |
145 |
68 |
1,6 |
33 |
18,4 |
25 |
5,3 |
||||||||||||
|
М27´2,0 |
2,0 |
26 |
41 |
24,9 |
6,5 |
||||||||||||||||
|
М33´2,0 |
44 |
30,9 |
6,3 |
||||||||||||||||||
|
М20´1,5 |
16,0 |
115 |
95 |
75 |
1,6 |
33 |
18,4 |
27 |
7,0 |
||||||||||||
|
М27´2,0 |
2,0 |
41 |
24,9 |
6,9 |
|||||||||||||||||
|
М33´2,0 |
44 |
30,9 |
6,7 |
||||||||||||||||||
|
М18´1,5 |
25 |
135 |
100 |
68 |
50 |
56 |
18 |
2 |
1,6 |
18 |
27 |
16,4 |
52 |
33 |
22 |
9 |
2,8 |
6,5 |
2,4 |
||
|
М20´1,5 |
18,4 |
Примечание - Масса рассчитана из условия плотности материала 7,85 г/см3.
Пример условного обозначения устройства типа 4 исполнения 5 с условным проходом Ду 50, с присоединительной резьбой М27´2,0, на Ру 6,3 МПа из стали 10Г2:
Устройства для измерения температуры 4-5-50-М27×2-6,3-10Г2 ОСТ 26.260.462.99.
(Измененная редакция, Изм. № 1).
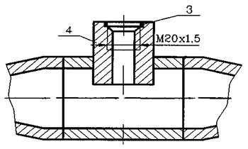
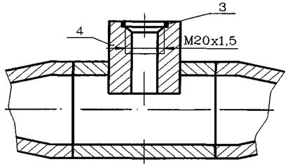
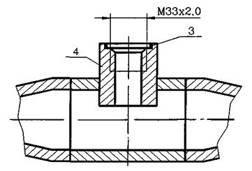
4.6 Конструкция и размеры устройств типов 5 - 12 должны соответствовать указанным на рисунках 17 - 24 и в таблице 7.
Тип 5
1. Переход концентрический 80´25 - ОСТ 26.260.462
2. Корпус ОСТ 26.260.462
3. Прокладка 19´30 - ОСТ 26.260.462
4. Бобышка М18´1,5 - ОСТ 26.260.462
Рисунок 17
Тип 6
Остальное см. тип 5
3. Прокладка 21´30 - ОСТ 26.260.462
4. Бобышка М20´1,5 - ОСТ 26.260.462
Рисунок 18
Тип 7
Остальное см. тип 5
3. Прокладка 28´38 - ОСТ 26.260.462
4. Бобышка М27´2,0 - ОСТ 26.260.462
Рисунок 19
Тип 8
Остальное см. тип 5
3. Прокладка 34´43 - ОСТ 26.260.462
4. Бобышка М33´2,0 - ОСТ 26.260.462
Рисунок 20
Тип 9
1. Переход концентрический 80´50 - ОСТ 26.260.462
2. Корпус - ОСТ 26.260.462
3. Прокладка 19´30 - ОСТ 26.260.462
4. Бобышка M18´1,5 - ОСТ 26.260.462
Рисунок 21
Тип 10
Остальное см. тип 9
3. Прокладка 21´30 - ОСТ 26.260.462
4. Бобышка М20´1,5 - ОСТ 26.260.462
Рисунок 22
Тип 11
Остальное см. тип 9
3. Прокладка 28´38 - ОСТ 26.260.462
4. Бобышка М27´2,0 - ОСТ 26.260.462
Рисунок 23
Тип 12
Остальное см. тип 9
3. Прокладка 34´43 - ОСТ 26.260.462
4. Бобышка М33´2,0 - ОСТ 26.260.462
Рисунок 24
Таблица 7
Размеры в миллиметрах
|
Давление условное Ру, МПа |
Проход условный Ду |
Диаметр резьбы бобышки, d |
H1 |
Н2 |
Н |
Масса, кг |
|||||||||
|
Исполнение |
Исполнение |
Исполнение |
Исполнение |
||||||||||||
|
1 |
2 |
3 |
1 |
2 |
3 |
1 |
2 |
3 |
1 |
2 |
3 |
||||
|
5 |
16 |
25 |
M18´1,5 |
45 |
105 |
145 |
100 |
160 |
200 |
135 |
195 |
235 |
6,0 |
6,6 |
7,2 |
|
6 |
M20´1,5 |
||||||||||||||
|
7 |
М27´2,0 |
5,9 |
6,4 |
6,9 |
|||||||||||
|
8 |
М33´2,0 |
5,7 |
6,1 |
6,5 |
|||||||||||
|
9 |
50 |
М18´1,5 |
6,7 |
7,3 |
7,9 |
||||||||||
|
10 |
М20´1,5 |
||||||||||||||
|
11 |
М27´2,0 |
6,6 |
7,1 |
7,6 |
|||||||||||
|
12 |
М33´2,0 |
6,4 |
6,9 |
7,3 |
|||||||||||
Примечание - Масса рассчитана из условия плотности материала 7,85 г/см3.
Пример условного обозначения устройства типа 6 исполнения 2 с условным проходом Ду 25, на Ру 16,0 МПа, материального исполнения 2:
Устройство для измерения температуры 6-2-25-16,0-2 ОСТ 26.260.462-99.
4.6.1 Конструкция и размеры перехода концентрического должны соответствовать указанным на рисунке 25 и в таблице 8.
Рисунок 25
Таблица 8
|
Проход условный Dv´dv, мм |
S |
D |
Масса, кг |
|
м |
м |
||
|
80´25 |
4,0 |
33 |
1,21 |
|
80´50 |
6,5 |
58 |
1,58 |
Пример условного обозначения перехода концентрического Ду 80´25 материального исполнения 1:
Переход концентрический 80´25-1 ОСТ 26.260.462-99.
4.6.2 Конструкция и размеры корпуса должны соответствовать указанным на рисунке 26.

Рисунок 26
Примечание - Масса корпуса - 2,7 кг.
Пример условного обозначения корпуса материального исполнения 2:
Корпус 2 ОСТ 26.260.462-99.
4.6.3 Конструкции и размеры прокладки должны соответствовать указанным на рисунке 27 и в таблице 9.
Рисунок 27
Таблица 9
|
d |
Масса, кг |
|
|
м |
м |
|
|
30 |
19 |
0,008 |
|
30 |
21 |
0,007 |
|
38 |
28 |
0,009 |
|
43 |
34 |
0,010 |
Примечание - Масса прокладок изготовленных из меди марки M1 рассчитана из условия плотности материала 8,9 г/см3.
Пример условного обозначения прокладки с внутренним диаметром d 21 мм, наружным диаметром D 30 мм из меди марки M1:
Прокладка 21´30-М1 ОСТ 26.260.462-99.
4.6.4 Конструкция и размеры бобышки должны соответствовать указанным на рисунке 28 и в таблице 10.
Рисунок 28
Таблица 10
Размеры в миллиметрах
|
D1 |
d1 |
Пред. откл. |
С |
Н |
|||
|
70 |
120 |
170 |
|||||
|
Масса, кг |
|||||||
|
M18´1,5 |
31 |
16,43 |
+0,3 |
1,6 |
0,86 |
1,50 |
2,13 |
|
М20´1,5 |
18,43 |
0,84 |
1,44 |
2,03 |
|||
|
М27´2,0 |
39 |
24,90 |
+0,4 |
2,0 |
0,73 |
1,24 |
1,76 |
|
М33´2,0 |
44 |
30,90 |
0,58 |
0,99 |
1,41 |
||
Пример условного обозначения бобышки с резьбой М20´1,5, высотой Н = 120, материального исполнения 2:
Бобышка М20´1,5-120-2 ОСТ 26.260.462-99.
5.1 Устройства для установки приборов измерения температуры должны изготавливаться в соответствии с требованиями настоящего стандарта по чертежам, утвержденным в установленном порядке.
5.2 Технические требования к изготовлению в соответствии с ОСТ 26 291.
5.3 Фланцы устройств должны изготавливаться с уплотнительными поверхностями исполнений 1; 2; 4; 7; 8 по ГОСТ 12815.
5.4 Материал фланцев и технические требования к их изготовлению должны соответствовать ГОСТ 12816; ГОСТ 12820; ГОСТ 12821 и ОСТ 26 291.
5.5 Материал бобышек и технические требования к их изготовлению должны соответствовать ОСТ 26.260.460 и ОСТ 26 291.
5.6 Материальное исполнение устройств типов 5 - 12 должно соответствовать таблице 11.
5.7 Требования к материалам, пределы применения, назначение и виды испытаний должны соответствовать требованиям ОСТ 26 291.
5.8 Резьба метрическая по ГОСТ 24705, поле допусков 7Н; 7h по ГОСТ 16093.
Размеры сбегов, недорезов, проточек и фасок по ГОСТ 10549.
5.9 Резьба должна иметь полный чистый и гладкий профиль.
На резьбе не должно быть надорванных или смятых витков, препятствующих ввинчиванию проходного калибра.
5.10 Конструктивные элементы подготовленных кромок под сварку должны соответствовать ГОСТ 5264 и ГОСТ 16037, а сварочный материал должен соответствовать ОСТ 26 291.
Контроль качества сварных соединений производить в соответствии с требованиями ОСТ 26 291.
5.11 Неуказанные предельные
отклонения размеров: отверстий - Н14, валов h -14,
остальных -
.
5.12 Для устройств типа 5 - 12 материального исполнения 3 учитывать технические требования к изготовлению в соответствии с РД 26-02-63.
5.13 Пробное гидравлическое испытание устройств производить совместно с аппаратом в соответствии с ОСТ 26 291 и блоком в соответствии с ОСТ 26-18-5.
5.14 Маркировать: условное обозначение без наименования и товарный знак предприятия-изготовителя.
Допускается не маркировать товарный знак предприятия-изготовителя если изделия не являются товарной продукцией.
Маркировку производить способами, принятыми на предприятии-изготовителе.
Таблица 11
|
Исполнение по материалам |
|||
|
1 |
2 |
3 |
|
|
Температура рабочей среды, °С |
|||
|
от минус 30 до 475 |
от минус 60 до 475 |
от минус 40 до 475 |
|
|
Марка стали, обозначение |
|||
|
Бобышка |
Сталь 20 |
Сталь 10Г2 |
20ЮЧ ТУ 14-1-3332 |
|
Корпус |
20ЮЧ ТУ 14-3-1652 |
||
|
Переход концентрический |
20 ГОСТ 1050 |
10Г2 ГОСТ 4543 |
20ЮЧ ТУ 26-0303-1532 |
|
Гр. IV-КП215 ГОСТ 8479 |
Гр. IV-КП215 ГОСТ 8479 |
||
|
Прокладка* |
Алюминий ГОСТ 21631 |
Медь ГОСТ 495 |
|
|
* Материал прокладки выбирается в зависимости от условий эксплуатации. |
|||
СОДЕРЖАНИЕ