Symmetrical telecommunication cables for digital communication. General specification

ФЕДЕРАЛЬНОЕ АГЕНТСТВО
ПО ТЕХНИЧЕСКОМУ РЕГУЛИРОВАНИЮ И МЕТРОЛОГИИ

НАЦИОНАЛЬНЫЙ
СТАНДАРТ
РОССИЙСКОЙ
ФЕДЕРАЦИИ

ГОСТ Р
54429-2011

КАБЕЛИ СВЯЗИ СИММЕТРИЧНЫЕ
ДЛЯ ЦИФРОВЫХ СИСТЕМ ПЕРЕДАЧИ

Общие технические условия

Москва

Стандартинформ

2012

Предисловие

Цели и принципы стандартизации в Российской Федерации установлены Федеральным законом от 27 декабря 2002 г. № 184-ФЗ «О техническом регулировании», а правила применения национальных стандартов Российской Федерации - ГОСТ Р 1.0-2004 «Стандартизация в Российской Федерации. Основные положения»

Сведения о стандарте

1 РАЗРАБОТАН Открытым акционерным обществом «Всероссийский научно-исследовательский, проектно-конструкторский и технологический институт кабельной промышленности» (ОАО «ВНИИКП») и Закрытым акционерным обществом «Фирма «АйТи»

2 ВНЕСЕН Техническим комитетом по стандартизации ТК 046 «Кабельные изделия»

3 УТВЕРЖДЕН И ВВЕДЕН В ДЕЙСТВИЕ Приказом Федерального агентства по техническому регулированию и метрологии от 28 сентября 2011 г. № 363-ст

4 ВВЕДЕН ВПЕРВЫЕ

Информация об изменениях к настоящему стандарту публикуется в ежегодно издаваемом информационном указателе «Национальные стандарты», а текст изменений и поправок - в ежемесячно издаваемых информационных указателях «Национальные стандарты». В случае пересмотра (замены) или отмены настоящего стандарта соответствующее уведомление будет опубликовано в ежемесячно издаваемом информационном указателе «Национальные стандарты». Соответствующая информация, уведомление и тексты размещаются также в информационной системе общего пользования - на официальном сайте Федерального агентства по техническому регулированию и метрологии в сети Интернет

СОДЕРЖАНИЕ

1 Область применения. 2

2 Нормативные ссылки. 2

3 Термины и определения. 4

4 Классификация, основные параметры и размеры.. 5

5 Технические требования. 7

6 Требования безопасности и охраны окружающей среды.. 18

7 Правила приемки. 19

8 Методы контроля. 21

9 Транспортирование и хранение. 40

10 Указания по эксплуатации. 40

11 Гарантии изготовителя. 41

Приложение А (справочное) Дополнительные термины и определения. 41

Приложение Б (обязательное) Расцветка изоляции жил и пучков. 42

Приложение В (рекомендуемое) Параметры симметрирующих трансформаторов. 44

Библиография. 44

ГОСТ Р 54429-2011

НАЦИОНАЛЬНЫЙ СТАНДАРТ РОССИЙСКОЙ ФЕДЕРАЦИИ

КАБЕЛИ СВЯЗИ СИММЕТРИЧНЫЕ ДЛЯ ЦИФРОВЫХ СИСТЕМ ПЕРЕДАЧИ

Общие технические условия

Symmetrical telecommunication cables for digital communication. General specifications

Дата введения - 2012 - 07- 01

1 Область применения

Настоящий стандарт распространяется на симметричные кабели связи для цифровых систем передачи (далее - кабели), предназначенные для эксплуатации в структурированных кабельных системах по международному стандарту ИСО/МЭК 11801 [1] и в сетях широкополосного доступа в частотном диапазоне до 1000 МГц при рабочем напряжении не более 145 В переменного тока частотой 50 Гц.

Настоящий стандарт устанавливает основные требования к конструкции и техническим характеристикам кабелей, их эксплуатационные свойства и методы испытаний.

2 Нормативные ссылки

В настоящем стандарте использованы нормативные ссылки на следующие стандарты:

ГОСТ Р 27.403-2009 Надежность в технике. Планы испытаний для контроля вероятности безотказной работы

ГОСТ Р 53315-2009 Кабельные изделия. Требования пожарной безопасности

ГОСТ Р МЭК 60332-1-2-2007 Испытания электрических и оптических кабелей в условиях воздействия пламени. Часть 1-2. Испытание на нераспространение горения одиночного вертикально расположенного изолированного провода или кабеля. Проведение испытания при воздействии пламенем газовой горелки мощностью 1 кВт с предварительным смешением газов

ГОСТ Р МЭК 60332-2-2-2007 Испытания электрических и оптических кабелей в условиях воздействия пламени. Часть 2-2. Испытание на нераспространение горения одиночного вертикально расположенного изолированного провода или кабеля небольших размеров. Проведение испытания диффузионным пламенем

ГОСТ Р МЭК 60332-3-22-2005 Испытания электрических и оптических кабелей в условиях воздействия пламени. Часть 3-22. Распространение пламени по вертикально расположенным пучкам проводов или кабелей. Категория А

ГОСТ Р МЭК 60332-3-23-2005 Испытания электрических и оптических кабелей в условиях воздействия пламени. Часть 3-23. Распространение пламени по вертикально расположенным пучкам проводов или кабелей. Категория В

ГОСТ Р МЭК 60332-3-24-2005 Испытания электрических и оптических кабелей в условиях воздействия пламени. Часть 3-24. Распространение пламени по вертикально расположенным пучкам проводов или кабелей. Категория С

ГОСТ Р МЭК 60332-3-25-2005 Испытания электрических и оптических кабелей в условиях воздействия пламени. Часть 3-25. Распространение пламени по вертикально расположенным пучкам проводов или кабелей. Категория D

ГОСТ Р МЭК 60754-1-99 Испытания материалов конструкции кабелей при горении. Определение количества выделяемых газов галогенных кислот

ГОСТ Р МЭК 60754-2-99 Испытания материалов конструкции кабелей при горении. Определение степени кислотности выделяемых газов измерением рН и удельной проводимости

ГОСТ Р МЭК 60811-1-1-98 Общие методы испытаний материалов изоляции и оболочек электрических и оптических кабелей. Измерение толщины и наружных размеров. Методы определения механических свойств

ГОСТ Р МЭК 60811-1-2-2006 Общие методы испытаний материалов изоляции и оболочек электрических и оптических кабелей. Часть 1-2. Методы общего применения. Методы теплового старения

ГОСТ Р МЭК 60811-1-3-2007 Общие методы испытаний материалов изоляции и оболочек электрических и оптических кабелей. Часть 1-3. Методы общего применения. Методы определения плотности. Испытания на водопоглощение. Испытание на усадку

ГОСТ Р МЭК 60811-1-4-2008 Общие методы испытаний материалов изоляции и оболочек электрических и оптических кабелей. Часть 1-4. Методы общего применения. Испытание при низкой температуре

ГОСТ Р МЭК 61034-2-2005 Измерение плотности дыма при горении кабелей в заданных условиях. Часть 2. Метод испытания и требования к нему

ГОСТ 12.1.044-89 (ИСО 4589-84) Система стандартов безопасности труда. Пожаро- взрывоопасность веществ и материалов. Номенклатура показателей и методы их определения

ГОСТ 12.2.007.0-75 Система стандартов безопасности труда. Изделия электротехнические. Общие требования безопасности

ГОСТ 12.2.007.14-75 Система стандартов безопасности труда. Кабели и кабельная арматура. Требования безопасности

ГОСТ 15.309-98 Система разработки и постановки продукции на производство. Испытания и приемка выпускаемой продукции. Основные положения

ГОСТ 20.57.406-81 Комплексная система контроля качества. Изделия электронной техники, квантовой электроники и электротехнические. Методы испытаний

ГОСТ 2990-78 Кабели, провода и шнуры. Методы испытания напряжением

ГОСТ 3345-76 Кабели, провода и шнуры. Метод определения электрического сопротивления изоляции

ГОСТ 7229-76 Кабели, провода и шнуры. Метод определения электрического сопротивления токопроводящих жил и проводников

ГОСТ 10446-80 (ИСО 6892-84) Проволока. Метод испытания на растяжение

ГОСТ 12177-79 Кабели, провода и шнуры. Методы проверки конструкции

ГОСТ 12182.5-80 Кабели, провода и шнуры. Метод проверки стойкости к растяжению

ГОСТ 15150-69 Машины, приборы и другие технические изделия. Исполнения для различных климатических районов. Категории, условия эксплуатации, хранения и транспортирования в части воздействия климатических факторов внешней среды

ГОСТ 15845-80 Изделия кабельные. Термины и определения

ГОСТ 18690-82 Кабели, провода, шнуры и кабельная арматура. Маркировка, упаковка, транспортирование и хранение

ГОСТ 27893-88 Кабели связи. Методы испытаний

Примечание - При пользовании настоящим стандартом целесообразно проверить действие ссылочных стандартов в информационной системе общего пользования - на официальном сайте Федерального агентства по техническому регулированию и метрологии в сети Интернет или по ежегодно издаваемому информационному указателю «Национальные стандарты», который опубликован по состоянию на 1 января текущего года, и по соответствующим ежемесячно издаваемым информационным указателям, опубликованным в текущем году. Если ссылочный стандарт заменен (изменен), то при пользовании настоящим стандартом следует руководствоваться заменяющим (измененным) стандартом. Если ссылочный стандарт отменен без замены, то положение, в котором дана ссылка на него, применяется в части, не затрагивающей эту ссылку.

3 Термины и определения

В настоящем стандарте применены термины по ГОСТ 15845, а также следующие термины с соответствующими определениями:

3.1 пористая изоляция (gas-injected cellular dielectric): Полувоздушная изоляция из пористого материала газового вспенивания, концентрично наложенная на токопроводящую жилу.

3.2 пленко-пористая изоляция (skin-foam insulation): Изоляция, состоящая из слоя пористого диэлектрика и слоя сплошного диэлектрика.

3.3 пленко-пористо-пленочная изоляция (skin-foam-skin insulation): Изоляция, состоящая из слоя сплошного диэлектрика, слоя пористого диэлектрика и слоя сплошного диэлектрика.

3.4 металлополимерная лента (metalized tape): Полимерная лента, покрытая с одной стороны или двух сторон слоем металла.

3.5 сопротивление связи (transfer impedance); ZT: Отношение напряжения, продольно наведенного во внутренней несимметричной цепи, образованной всеми жилами кабеля, соединенными вместе, и экраном, к току, протекающему по экрану - внешней цепи электрически короткого кабеля, или наоборот.

3.6 затухание излучения (coupling attenuation); Ac: Разность между уровнем по мощности сигнала в симметричной цепи пары и уровнем по мощности сигнала, излученного кабелем.

3.7 затухание экранирования (screening attenuation); Аэ: Разность между уровнем по мощности сигнала в несимметричной цепи кабеля, образованной всеми жилами кабеля, соединенными вместе, и экраном, и уровнем наведенного сигнала во внешней цепи кабеля, или наоборот.

3.8 затухание асимметрии на ближнем конце (unbalance attenuation near-end); TCL: Разность между уровнем по мощности (напряжению) сигнала на ближнем конце симметричной цепи пары и уровнем помехи на ближнем конце несимметричной цепи той же пары.

3.9 затухание асимметрии на дальнем конце (unbalance attenuation far-end); TCTL: Разность между уровнем по мощности (напряжению) сигнала на ближнем конце симметричной цепи пары и уровнем помехи по мощности (напряжению) на дальнем конце несимметричной цепи той же пары.

3.10 защищенность от затухания асимметрии на дальнем конце (equal level far-end unbalance attenuation); EL TCTL: Разность между уровнем по мощности (напряжению) сигнала на дальнем конце симметричной цепи пары и уровнем помехи на дальнем конце несимметричной цепи той же пары.

3.11 переходное затухание на ближнем конце (near-end crosstalk); NEXT: Разность между уровнем по мощности (напряжению) сигнала на ближнем конце влияющей пары и уровнем помехи на ближнем конце подверженной влиянию пары кабеля.

3.12 переходное затухание на дальнем конце (far-end crosstalk); FEXT: Разность между уровнем по мощности (напряжению) сигнала на ближнем конце влияющей пары и уровнем помехи на дальнем конце подверженной влиянию пары кабеля.

3.13 защищенность на дальнем конце (equal level far-end crosstalk); EL FEXT или ACR-F: Разность между уровнем по мощности (напряжению) сигнала на дальнем конце влияющей пары и уровнем помехи на дальнем конце подверженной влиянию пары кабеля.

3.14 переходное затухание суммарной мощности влияния на ближнем конце (power sum near-end crosstalk); PS NEXT: Переходное затухание на ближнем конце суммарной мощности влияния всех влияющих пар кабеля на подверженную влиянию пару.

3.15 защищенность от суммарной мощности влияния на дальнем конце (power sum equal level far-end crosstalk); PS EL FEXT или PS ACR-F: Защищенность на дальнем конце от суммарной мощности влияния всех влияющих пар кабеля на подверженную влиянию пару.

3.16 переходное затухание на ближнем конце между кабелями (alien near-end crosstalk); ANEXT: Переходное затухание на ближнем конце при влиянии влияющей пары одного кабеля на подверженную влиянию пару другого кабеля.

3.17 переходное затухание на дальнем конце между кабелями (alien far-end crosstalk); AFEXT: Переходное затухание на дальнем конце при влиянии влияющей пары одного кабеля на подверженную влиянию пару другого кабеля.

3.18 защищенность на дальнем конце между кабелями (equal level alien far-end crosstalk); EL AFEXT или AACR-F: Защищенность на дальнем конце при влиянии влияющей пары одного кабеля на подверженную влиянию пару другого кабеля.

3.19 переходное затухание суммарной мощности влияния на ближнем конце между кабелями (power sum alien near-end crosstalk); PS ANEXT: Переходное затухание на ближнем конце суммарной мощности влияния всех влияющих пар одного или нескольких кабелей на подверженную влиянию пару другого кабеля.

3.20 переходное затухание суммарной мощности влияния на дальнем конце между кабелями (power sum alien far-end crosstalk); PS AFEXT: Переходное затухание на дальнем конце суммарной мощности влияния всех влияющих пар одного или нескольких кабелей на подверженную влиянию пару другого кабеля.

3.21 защищенность на дальнем конце от суммарной мощности влияния между кабелями (power sum equal level alien far-end crosstalk); PS EL AFEXT или PS AACR-F: Защищенность на дальнем конце от суммарной мощности влияния всех влияющих пар одного или нескольких кабелей на подверженную влиянию пару другого кабеля.

3.22 входное сопротивление (input impedance); Zвх: Комплексная величина, равная отношению амплитуды напряжения к амплитуде тока на входе пары кабеля.

3.23 волновое сопротивление (characteristic impedance); Zc: Среднее геометрическое значение модулей входных сопротивлений пары кабеля, измеренных в режимах «холостого хода» и «короткого замыкания».

3.24 среднее волновое сопротивление (mean characteristic impedance); Z: Асимптотическое значение волнового сопротивления на высоких частотах (~ 100 МГц), когда его мнимая часть (угол волнового сопротивления) незначительна.

3.25 затухание отражения (return loss); RL: Разность между уровнем по напряжению (по мощности) гармонической падающей волны и суммарным уровнем волн, отраженных от всех неоднородностей волнового сопротивления при сопротивлениях генератора и нагрузки, равных номинальному волновому сопротивлению кабеля.

Дополнительные термины с соответствующими определениями приведены в приложении А.

4 Классификация, основные параметры и размеры

4.1 Кабели подразделяют:

а) по рабочему диапазону частот:

- категории 3 - до 16 МГц;

- категории 5 - до 100 МГц;

- категории 5е - до 100 МГц;

- категории 6 - до 250 МГц;

- категории 6А - до 500 МГц;

- категории 7 - до 600 МГц;

- категории 7А - до 1000 МГц;

б) по типу скрутки элементов:

- парной скрутки (ТР);

- четверочной скрутки (ТQ);

в) по конструкции кабеля - в соответствии с международным стандартом ИСО/МЭК 11801 [1]:

- U/UTP - кабели неэкранированные (кабели без общего экрана и без индивидуального экрана по элементам скрутки);

- F/UTP или S/UTP - кабели в общем экране из металлополимерной или металлической ленты или фольги F, или оплетки из металлических проволок S (кабели в общем экране и без индивидуального экрана по элементам скрутки);

- SF/UTP - кабели в общем экране из металлополимерной или металлической ленты или фольги F и оплетки из металлических проволок S (кабели в общем экране и без индивидуального экрана по элементам скрутки);

- U/FTP и U/STP или U/SFTP - кабели с отдельно экранированными элементами скрутки без общего экрана;

- S/FTP или SF/FTP, или S/STP, или SF/STP - кабели в общем экране с отдельно экранированными элементами скрутки.

Примечание - В обозначениях кабелей четверочной скрутки допускается вместо символа «Q» указывать символ «Р»;

г) по конструкции токопроводящей жилы:

- однопроволочные;

- многопроволочные;

д) по материалу оболочки:

- светостабилизированный полиэтилен РЕ;

- поливинилхлоридный пластикат PVC;

- поливинилхлоридный пластикат пониженной пожарной опасности PVC LS;

- полимерная композиция, не содержащая галогенов ZH;

- фторполимеры PTFE;

е) по области применения:

- в структурированных кабельных системах СКС;

- в сетях широкополосного доступа ШПД;

ж) по исполнению в части показателей пожарной безопасности:

- не распространяющие горение при одиночной прокладке (без обозначения);

- не распространяющие горение при групповой прокладке, с пониженным дымо- и газовыделением нг (А, В, С, D)-LS:

по категории А - нг(A)-LS;

по категории В - нг(B)-LS;

по категории С - нг(C)-LS;

по категории D - нг(D)-LS;

- не распространяющие горение при групповой прокладке и не выделяющие коррозионно-активных газообразных продуктов при горении и тлении нг (A,B,C,D)-HF:

по категории А - нг(A)-HF;

по категории В - нг(B)-HF;

по категории С - нг(C)-HF;

по категории D - нг(D)-HF.

4.2 Номинальный диаметр однопроволочных и наружный диаметр многопроволочных токопроводящих жил кабелей для СКС должен быть от 0,5 до 0,65 мм, кабелей для ШПД - от 0,4 до 0,8 мм.

4.3 Диаметр по изоляции жил кабелей для СКС должен быть не более 1,6 мм, кабелей для ШПД - не более 2,3 мм.

Допускается выбирать другое значение диаметра по изоляции жил кабелей. При этом кабели для СКС должны обеспечивать возможность использования стандартных соединителей, предназначенных для СКС.

4.4 Обозначение марки кабелей должно состоять из последовательно расположенных букв латинского алфавита, указывающих конструктивное исполнение кабелей в соответствии с международным стандартом ИСО/МЭК 11801 [1], категорию кабеля, материал оболочки, исполнение по ГОСТ 53315 (при предъявлении требований пожарной безопасности).

Примеры обозначений марок кабеля:

- кабель связи симметричный парной скрутки, в общем экране из металлополимерной ленты, категории 5, в оболочке из светостабилизированного полиэтилена - F/UTP Cat 5 РЕ;

- кабель связи симметричный четверочной скрутки, неэкранированный, категории 6, в оболочке из поливинилхлоридного пластиката - U/UTQ Cat 6 PVC;

- кабель связи симметричный парной скрутки, с отдельно экранированными металлополимерной лентой парами, в общем экране из металлополимерной ленты и оплетки из металлических проволок, категории 7, в оболочке из полимерной композиции, не содержащей галогенов, не распространяющий горение при групповой прокладке по категории С и не выделяющий коррозионно-активных газообразных продуктов при горении и тлении - SF/FTP Cat 7 ZH нг (С)-НF.

4.5 В условное обозначение кабелей должны входить: марка кабеля, число элементов и тип их скрутки, диаметр токопроводящих жил, обозначение товарного знака (при наличии указывают перед обозначением марки кабеля или перед обозначением технических условий на кабель конкретной марки) и обозначение технических условий на кабель конкретной марки (через интервал).

Примеры условных обозначений:

- кабеля марки F/UTP Cat 5 РЕ с числом пар 10, с однопроволочными токопроводящими жилами номинальным диаметром 0,51 мм:

F/UTP Cat 5 РЕ 10´2´0,51 ТУ*;

- кабеля марки U/UTQ Cat 6 PVC с двумя четверками, с однопроволочными токопроводящими жилами номинальным диаметром 0,56 мм, с товарным знаком АБВ:

АБВ U/UTQ Cat 6 PVC 2´4´0,56 ТУ*;

- кабеля марки SF/UTP Cat 7 ZH нг(C)-HF с четырьмя парами многопроволочных токопроводящих жил наружным диаметром 0,58 мм, с товарным знаком АБВ:

SF/FTP Cat 7 ZH нг(C)-HF 4´2´0,58 АБВ ТУ*, или

АБВ SF/FTP Cat 7 ZH нг(C)-HF 4´2´0,58 ТУ*.

_________

* Обозначение технических условий на кабель конкретной марки.

5 Технические требования

5.1 Общие требования

5.1.1 Кабели должны быть изготовлены в соответствии с требованиями настоящего стандарта и технических условий на кабели конкретных марок по технологической документации, утвержденной в установленном порядке.

5.1.2 Кабели в оболочке из полиэтилена должны соответствовать климатическому исполнению УХЛ, категорий размещения 1, 2 по ГОСТ 15150, кабели в оболочках из других материалов - У, категорий размещения 3, 4.

5.2 Характеристики

5.2.1 Требования к конструкции

5.2.1.1 Марки, конструкция и конструктивные размеры кабелей должны быть указаны в технических условиях на кабели конкретных марок.

5.2.1.2 В таблицу (таблицы, текст) основных конструктивных размеров кабелей конкретных марок должны входить:

- номинальный или наружный диаметр токопроводящей жилы, мм;

- номинальный диаметр по изоляции и предельные отклонения, мм;

- плотность оплетки и минимальное значение коэффициента перекрытия фольги или металлополимерных или металлических лент, %;

- номинальный диаметр проволок оплетки и номинальная толщина фольги или металлополимерных или металлических лент, мм;

- номинальная толщина оболочки и номинальный диаметр по оболочке и их предельные отклонения, мм.

5.2.1.3 Токопроводящая жила должна быть однопроволочной или многопроволочной из медной мягкой или медной луженой проволоки.

5.2.1.4 Поверх токопроводящей жилы должна быть концентрично наложена сплошная или полувоздушная, или пористая, или пленко-пористая, или пленко-пористо-пленочная изоляция из полимерного материала.

Изоляция должна быть герметичной, без посторонних включений.

На наружной поверхности сплошной, полу воздушной, пленко-пористой или пленко-пористо-пленочной изоляции не должно быть вмятин, пузырей и трещин, выводящих диаметр по изоляции за предельные отклонения.

Материал и тип изоляции должны быть указаны в технических условиях на кабели конкретных марок.

5.2.1.5 Изолированные жилы кабелей должны быть скручены в элементы (пары или четверки). В кабелях парной скрутки две изолированные жилы («а» и «b») разного цвета должны быть скручены в пару. В кабелях четверочной скрутки четыре изолированные жилы («а», «с», «b» и «d») разного цвета должны быть скручены в звездную четверку. В четверке две жилы, расположенные по диагонали («а» и «b») и («с» и «d»), образуют рабочую пару.

Расцветка изоляции жил должна соответствовать указанной в таблицах Б.1 и Б.2 (приложение Б). Допускается в паре нанесение цвета изоляции жилы «b» на изоляцию жилы «а» в виде поперечной или спиральной, продольной сплошной или прерывистой одной или более полосы.

5.2.1.6 В кабелях с отдельно экранированными элементами на скрученные пары или четверки накладывают индивидуальный экран следующих типов:

- металлополимерная лента;

- металлополимерная лента и контактная проволока из медной или медной луженой проволоки;

- оплетка из металлических проволок;

- металлополимерная лента и оплетка из металлических проволок.

Допускается наложение защитной обмотки или оболочки из полимерного материала под и/или поверх индивидуального экрана.

Материал, тип экрана и защитной обмотки или оболочки должны быть указаны в технических условиях на кабели конкретных марок.

5.2.1.7 Неэкранированные или отдельно экранированные пары (четверки) скручивают в элементарные пучки или сердечники с числом не более 10 пар (5 четверок). Допускается применять профильные элементы из полимерного материала для разделения скрученных пар кабеля.

Шаги скрутки пар (четверок) в элементарных пучках или сердечнике с числом не более 10 пар (5 четверок) должны быть различными.

Расцветка изоляции жил в каждом элементарном пучке или сердечнике, скрученном из пар (четверок) с числом не более 10 пар (5 четверок), должна соответствовать указанной в таблицах Б.1 и Б.2 (приложение Б).

На каждый элементарный пучок должна быть наложена скрепляющая обмотка из синтетических нитей или лент разного цвета.

5.2.1.8 Элементарные пучки скручивают в 25-парные пучки или главные 50-парные (25-четверочные) или 100-парные (50-четверочные) пучки или сердечники.

Допускается скрутка сердечника с другим числом пар (четверок).

Допускается скрутка 25-парного или 25-четверочного главного пучка или сердечника концентрическими повивами.

Система скрутки 25-парных и главных пучков и сердечника кабелей должна быть указана в технических условиях на кабели конкретных марок.

Расцветка изоляции жил в каждом 25-парном пучке и 25-четверочном главном пучке или сердечнике кабелей повивной скрутки должна соответствовать указанной в таблицах Б.1 и Б.2 (приложение Б).

На каждый 25-парный пучок и главные пучки должна быть наложена скрепляющая обмотка из синтетических нитей или лент разного цвета.

Расцветка скрепляющих элементов элементарных пучков должна соответствовать указанной в таблице Б.3 (приложение Б).

5.2.1.9 Главные или 25-парные пучки скручивают в сердечник кабеля.

Система скрутки сердечника кабелей должна быть указана в технических условиях на кабели конкретных марок.

Расцветка скрепляющих элементов 25-парных и главных пучков должна соответствовать указанной в таблице Б.4 (приложение Б).

Допускается применение заполнителей из полимерных материалов для придания кабелю практически круглой формы.

5.2.1.10 Поверх сердечника кабелей допускается наложение с перекрытием скрепляющей обмотки лентой из негигроскопичного материала.

5.2.1.11 В кабелях с общим экраном поверх сердечника должен быть наложен экран следующих типов:

- металлополимерная лента;

- металлополимерная лента и контактная проволока из медной или медной луженой проволоки;

- оплетка из металлических проволок;

- металлополимерная лента и оплетка из металлических проволок;

- медная или алюминиевая лента или фольга.

Допускается наложение защитной обмотки под и/или поверх общего экрана.

Материал, тип экрана и защитной обмотки должны быть указаны в технических условиях на кабели конкретных марок.

5.2.1.12 Поверх сердечника или скрепляющей обмотки неэкранированных кабелей или общего экрана, или защитной обмотки экранированных кабелей должна быть наложена оболочка из полимерного материала.

На наружной поверхности оболочки не должно быть пор, трещин, раковин, вмятин, вздутий и наплывов, выводящих толщину оболочки за предельные отклонения.

Оболочка должна быть сплошной.

Материал и цвет оболочки должны быть указаны в технических условиях на кабели конкретных марок.

Под оболочкой допускается прокладывать разрывающий кордель из негигроскопичного материала.

5.2.1.13 Строительная длина кабелей для СКС должна быть (500 ± 10) м или (305 ± 5) м при поставке на катушках; (305 ± 5) м - при поставке в коробках и не менее 100 м - при поставке в бухтах.

Строительная длина кабелей для ШПД должна быть не менее 300 м.

По согласованию с потребителем допускается поставка кабелей с другими строительными длинами.

5.2.1.14 В кабеле не должно быть обрыва жил, экранов, контактной проволоки, а также контактов между жилами и между жилами и экранами.

5.2.1.15 Расчетная масса 1 км кабелей должна быть указана в технических условиях на кабели конкретных марок в качестве справочных данных.

5.2.1.16 Материалы, применяемые для изготовления кабелей, должны быть указаны в технических условиях и/или в конструкторской документации (при ее наличии) на кабели конкретных марок.

5.2.2 Требования к электрическим параметрам

5.2.2.1 Электрическое сопротивление жилы постоянному току, пересчитанное на длину 1000 м и температуру 20 °С, должно быть:

- не более 95 Ом - для кабелей для СКС с однопроволочной жилой;

- не более 145 Ом - для кабелей для СКС с многопроволочной жилой;

- не более значения, указанного в технических условиях на кабели конкретных марок для ШПД.

5.2.2.2 Омическая асимметрия жил в рабочей паре должна быть не более 3 % для кабелей категорий 3 и 5 и не более 2 % - для кабелей категорий 5е, 6, 6А, 7 и 7А.

5.2.2.3 Омическая асимметрия жил между парами в кабелях категорий 5е, 6, 6А, 7 и 7А должна быть не более 4 %.

5.2.2.4 Электрическое сопротивление изоляции жил, пересчитанное на длину 1000 м и температуру 20 °С, должно быть не менее 5000 МОм.

5.2.2.5 Кабели должны выдерживать испытательное напряжение между жилами и между всеми жилами и экранами:

- 1 кВ постоянного тока в течение 1 мин или

- 2,5 кВ постоянного тока в течение 2 с, или

- 0,7 кВ переменного тока частотой 50 Гц в течение 1 мин, или

- 1,7 кВ переменного тока частотой 50 Гц в течение 2 с.

5.2.2.6 Рабочая емкость на частоте 0,8 или 1,0 кГц, пересчитанная на длину 1000 м, должна быть указана в технических условиях на кабели конкретных марок.

5.2.2.7 Емкостная асимметрия пар по отношению к земле для неэкранированных кабелей и по отношению к экрану для экранированных кабелей на частоте 0,8 или 1,0 кГц, пересчитанная на длину 1000 м, должна быть не более 3400 пФ для кабелей категорий 3 и 5 и не более 1600 пФ - для кабелей категорий 5е, 6, 6А, 7 и 7А.

5.2.2.8 Сопротивление связи ZТ, мОм/м, экранированных кабелей должно соответствовать одному из двух уровней экранирования, указанных в таблице 1.

Таблица 1

Частота, МГц

Сопротивление связи ZT, мОм/м, не более

Уровень экранирования

1

2

1

10

50

10

100

30

30

200

100

100

1000

5.2.2.9 Затухание излучения Ас, дБ, неэкранированных* и экранированных кабелей категорий 5е, 6, 6А, 7 и 7А должно соответствовать одному из трех уровней, указанных в таблице 2.

Таблица 2

Уровень затухания излучения

Диапазон частот, МГц

Затухание излучения, Ас, дБ, не менее

1

30 - 100

85

100 - 1000

85 - 20 lg (f/100)

2

30 - 100

55

100 - 1000

55 - 20 lg (f/100)

3

30 - 100

40

100 - 1000

40 - 20 lg (f/100)

___________

* Значение затухания излучения неэкранированных кабелей введено факультативно на срок, который указывают в технических условиях на кабели конкретных марок.

5.2.2.10 Допустимый ток нагрузки* кабелей для СКС должен быть не более 175 мА, кабелей для ШПД должен быть установлен в технических условиях на кабели конкретных марок.

_______

* Значение допустимого тока нагрузки приведено в качестве справочного материала.

5.2.2.11 Скорость распространения сигнала vp, м/с, не нормируют, но ее значение допускается указывать в технических условиях на кабели конкретных марок.

5.2.2.12 Время задержки сигнала τр, нс/100 м, кабелей категорий 3 и 5 в диапазоне частот от 2 до 100 МГц должно быть не более 567 нс/100 м, кабелей категорий 5е, 6, 6А, 7 и 7А в диапазоне частот от 4 МГц до максимальной установленной частоты должно быть не более определяемого по формуле

                                                        (1)

где f - частота, МГц.

5.2.2.13 Максимальная разность времен задержки сигнала Δτр, нс/100 м, между двумя любыми парами при температуре 20 °С в диапазоне частот от 4 МГц до максимальной установленной частоты должна быть не более 45 нс/100 м для кабелей категорий 3, 5, 5е, 6, 6А и не более 25 нс/100 м - для кабелей категорий 7 и 7А.

5.2.2.14 Коэффициент затухания α20, дБ/100 м, кабелей, пересчитанный на температуру 20 °С, должен быть не более определяемого по формуле

                                                 (2)

где а1, b1, c1 - коэффициенты аппроксимации.

Коэффициенты аппроксимации кабелей с однопроволочными и многопроволочными жилами должны соответствовать указанным в таблицах 3 и 4 соответственно.

Таблица 3

Обозначение категории кабеля

Диапазон частот, МГц

Коэффициенты аппроксимации

a1

b1

с1

3

1 - 16

2,32

0,238

0

5

1 - 100

1,967

0,023

0,05

0,100

6

1 - 250

1,820

0,0169

0,250

6A

1 - 500

0,0091

7

1 - 600

1,800

0,010

0,200

7A

1 - 1000

0,005

0,250

Таблица 4

Обозначение категории кабеля

Диапазон частот, МГц

Коэффициенты аппроксимации

a1

b1

с1

3

1 - 16

3,48

0,43

0

5

1 - 100

2,95

0,034

0,075

1 - 100

2,866

0,033

0,300

6

1 - 250

2,730

0,026

0,375

6А

1 - 500

0,01365

7

1 - 600

2,700

0,015

0,300

7А

1 - 1000

0,0075

Значения коэффициента затухания α20, дБ/100 м, кабелей с однопроволочными жилами на фиксированных частотах указаны в таблице 5 для информации.

Таблица 5

Частота, МГц

Коэффициент затухания при температуре 20 °С, дБ/100 м, не более

Категория кабеля

3

5

6

6А

7

7А

1

2,6

2,1

2,1

2,1

2,1

2,0

2,0

4

5,6

4,3

4,1

3,8

3,8

3,7

3,7

10

9,8

6,6

6,5

6,0

5,9

5,9

5,8

16

13,1

8,2

8,3

7,6

7,5

7,4

7,3

20

-

9,2

9,3

8,5

8,4

8,3

8,2

31,25

11,8

11,7

10,8

10,5

10,4

10,3

62,5

17,1

17,0

15,5

15,0

14,9

14,8

100

22,0

22,0

19,9

19,1

19,0

18,5

250

-

33,0

31,1

31,0

29,7

500

-

45,3

45,3

42,8

600

-

50,1

47,1

1000

-

61,9

Значения коэффициента затухания кабелей с многопроволочными жилами не должны превышать более чем на 50 % соответствующие значения для кабелей с однопроволочными жилами соответствующей категории.

5.2.2.15 Температурный коэффициент затухания должен быть не более:

- для неэкранированных кабелей - 0,4 % на один градус Цельсия в диапазоне температур от 20 °С до 40 °С и 0,6 % на один градус Цельсия в диапазоне температур от 40 °С до 60 °С;

- для экранированных кабелей - 0,2 % на один градус Цельсия в диапазоне температур от 20 °С до 60 °С.

5.2.2.16 Затухание асимметрии на ближнем конце TCL, дБ/100 м, кабелей категорий 5е, 6, 6А, 7 и 7А должно быть не менее определяемого по формуле (3) (уровень 1) или по формуле (4) (уровень 2) для диапазона частот, указанного в таблице 6.

TCL = 40 - 10 lg(f);                                                       (3)

TCL = 50 - 10 lg(f).                                                       (4)

Таблица 6

Обозначение категории кабеля

Диапазон частот, МГц

1 - 100

6

1 - 250

6A

7

7A

Защищенность от затухания асимметрии на дальнем конце EL TCTL, дБ/100 м, для кабелей категорий 5е, 6, 6А, 7 и 7А должна быть не менее определяемой по формуле (5) для диапазона частот от 1 до 30 МГц.

EL TCTL = 35 - 20 lg (f).                                                 (5)

5.2.2.17 Переходное затухание суммарной мощности влияния на ближнем конце PS NEXT, дБ/100 м, кабелей должно быть не менее определяемого по формуле (6) с использованием значения PS NEXT (1) для диапазона частот, указанного в таблице 7

PS NEXT = PS NEXT (1) - 15 lg (f).                                      (6)

Для частот, при которых рассчитанное по формуле (6) значение PS NEXT более 75,0 дБ/100 м, требованием должно быть - не менее 75,0 дБ/100 м.

Таблица 7

Обозначение категории кабеля

Диапазон частот, МГц

PS NEXT (1), дБ/100 м

3

1 - 16

41,0

5

1 - 100

62,0

1 - 100

62,3

6

1 - 250

72,3

6A

1 - 500

7

1 - 600

99,4

7A

1 - 1000

102,4 (105,4)*

* Для кабелей с многопроволочными жилами.

Значения переходного затухания суммарной мощности влияния на ближнем конце PS NEXT на фиксированных частотах указаны в таблице 8 для информации.

Таблица 8

Частота, МГц

Переходное затухание суммарной мощности влияния на ближнем конце, дБ/100 м, не менее

Категория кабеля

3

5

6

6A

7

7A

1

41,0

62,0

62,3

72,3

72,3

75,0

75,0 (75,0)

4

32,0

53,0

53,3

63,3

63,3

10

26,0

47,0

47,3

57,3

57,3

16

23,0

44,0

44,3

54,3

54,3

20

-

42,5

42,8

52,8

52,8

31,25

39,6

39,9

49,8

49,8

62,5

35,1

35,4

45,3

45,3

72,4

100

32,0

32,3

42,3

42,3

69,4

72,4 (75,0)*

250

-

36,3

36,3

63,4

66,4 (69,4)*

500

-

31,8

58,9

61,9 (64,9)*

600

-

57,7

60,7 (63,7)*

1000

-

57,4 (60,4)*

* Для кабелей с многопроволочными жилами.

5.2.2.18 Переходное затухание на ближнем конце для любой комбинации пар NEXT, дБ/100 м, должно быть не менее определяемого по кривой, построенной по значениям, указанным в таблице 9.

Таблица 9

Частота, МГц

Переходное затухание на ближнем конце, дБ/100 м, не менее

Категория кабеля

3

5

6

6A

7

7A

1

41,0

62,0

65,3

75,3

75,3

78,0

78,0

4

32,0

53,0

56,3

66,3

66,3

10

26,0

47,0

50,3

60,3

60,3

16

23,0

44,0

47,3

57,3

57,3

20

42,5

45,8

55,8

55,8

31,25

39,6

42,9

52,8

52,8

62,5

35,1

38,4

48,3

48,3

75,4

100

32,0

35,3

45,3

45,3

72,4

75,4 (78,0)*

250

-

39,3

39,3

66,4

69,4 (72,4)*

500

-

34,8

61,9

64,9 (67,9)*

600

-

60,7

63,7 (66,7)*

1000

-

60,4 (63,4)*

* Для кабелей с многопроволочными жилами.

5.2.2.19 Защищенность от суммарной мощности влияния на дальнем конце PS EL FEXT, дБ/100 м, для кабелей категорий 5е, 6, 6А, 7 и 7А должна быть не менее определяемой по формуле (7) с использованием значения PS EL FEXT (1) в диапазоне частот, указанном в таблице 10.

PS EL FEXT = PS EL FEXT (1) - 20 lg(f).                                    (7)

Для частот, при которых рассчитанное по формуле (7) значение PS EL FEXT более 75,0 дБ/100 м, требованием должно быть - не менее 75,0 дБ/100 м.

Таблица 10

Категория кабеля

Диапазон частот, МГц

PS EL FEXT (1), дБ/100 м

1 - 100

61,0

6

1 - 250

65,0

6A

1 - 500

7

1 - 600

92,3 (91,0)*

7A

1 - 1000

* Для кабелей с многопроволочными жилами.

Значения защищенности от суммарной мощности влияния на дальнем конце PS EL FEXT, дБ/100 м, на фиксированных частотах приведены в таблице 11 для информации.

Таблица 11

Частота, МГц

Защищенность от суммарной мощности влияния на дальнем конце, дБ/100 м, не менее

Категория кабеля

6

6A

7

7A

1

61,0

65,0

75,0 (75,0)*

4

49,0

53,0

10

41,0

45,0

72,3 (71,0)*

16

36,9

41,0

68,2 (66,9)*

20

35,0

39,0

66,3 (65,0)*

31,25

31,1

35,0

62,4 (61,1)*

62,5

25,0

29,0

56,4 (55,1)*

100

21,0

25,0

52,3 (51,0)*

250

-

17,0

44,3 (43,0)*

500

-

11,0

38,3 (37,0)*

600

-

36,7 (35,4)*

1000

-

32,3 (31,0)*

* Для кабелей с многопроволочными жилами.

5.2.2.20 Защищенность на дальнем конце для любой комбинации пар EL FEXT, дБ/100 м, кабелей всех категорий должна быть не менее определяемой по кривой, построенной по значениям, указанным в таблице 12.

Таблица 12

Частота, МГц

Защищенность на дальнем конце, дБ/100 м, не менее

Категория кабеля

3

5

6

6A

7

7A

1

39,0

61,0

64,0

68,0

78,0 (78,0)*

4

27,0

49,0

52,0

56,0

10

19,0

41,0

44,0

48,0

75,3 (74,0)*

16

15,0

37,0

39,9

44,0

71,2 (69,9)*

20

-

35,0

38,0

42,0

69,3 (68,0)*

31,25

31,0

34,1

38,0

65,4 (64,1)*

62,5

25,0

28,0

32,0

59,4 (58,1)*

100

21,0

24,0

28,0

55,3 (54,0)*

250

-

20,0

47,3 (46,0)*

500

-

14,0

41,3 (40,0)*

600

-

39,7 (38,4)*

1000

-

35,3 (34,0)*

* Для кабелей с многопроволочными жилами.

5.2.2.21 Переходное затухание суммарной мощности влияния на ближнем конце между неэкранированными кабелями PS ANEXT, дБ/100 м, категорий 6А и 7А должно быть не менее определяемого по соответствующей формуле, указанной в таблице 13.

Таблица 13

Категория кабеля

Диапазон частот, МГц

PS ANEXT, дБ/100 м, не менее, для кабелей

с однопроволочными жилами

с многопроволочными жилами

6A

1 - 500

92,5 - 15,0 lg (f)

92,5 - 15,0 lg (f)

7A

1 - 1000

107,5 - 15,0 lg (f)

105,0 - 15,0 lg (f)

Примечание - Для частот, при которых расчетное значение PS ANEXT более 67,0 дБ/100 м, требованием должно быть - не менее 67,0 дБ/100 м.

5.2.2.22 Защищенность от суммарной мощности влияния на дальнем конце между неэкранированными кабелями PS EL AFEXT, дБ/100 м, категорий 6А и 7А должна быть не менее определяемой по соответствующей формуле, указанной в таблице 14.

Таблица 14

Категория кабеля

Диапазон частот, МГц

PS EL AFEXT, дБ/100 м, не менее, для кабелей

с однопроволочными жилами

с многопроволочными жилами

6A

1-500

78,2 - 20,0 lg (f)

78,2 - 20,0 lg (f)

7A

1-1000

93,2 - 20,0 lg (f)

92,0 - 20,0 lg (f)

Примечание - Для частот, при которых расчетное значение PS EL AFEXT более 67,0 дБ/100 м, требованием должно быть - не менее 67,0 дБ/100 м.

5.2.2.23 Переходное затухание между скрученными кабелями не нормируют, но его значение допускается указывать в технических условиях на кабели конкретных марок.

5.2.2.24 Затухание отражения RL, дБ, должно быть не менее определяемого по соответствующей формуле, указанной в таблице 15.

Таблица 15

Категория кабеля

Диапазон частот, МГц

RL, дБ, не менее, для кабелей

 

с однопроволочными жилами

с многопроволочными жилами

 

3

1 - 10

12,0

 

10 - 16

12,0 - 10,0 lg (f/20)

 

5

1 - 10

23,0

 

10 - 20

 

20 - 100

23,0 - 10,0 lg (f/20)

 

5е, 6, 6A, 7, 7A

1 - 10

20,0 + 5,0 lg (f)

 

10 - 20

25,0

 

20 - 100

25,0 - 7,0 lg (f/20)

25,0 - 8,6 lg (f/20)

 

6

20 - 250

 

6A

20 - 500

25,0 - 7,0 lg (f/20)*

25,0 - 8,6 lg (f/20)**

 

7

20 - 600

 

7A

600 - 1000

17,3 - 10,0 lg (f/600)

15,6 - 8,6 lg (f/20)

 

* Для частот, при которых расчетное значение RL менее 17,0 дБ, требованием должно быть - не менее 17,0 дБ.

** Для частот, при которых расчетное значение RL менее 15,6 дБ, требованием должно быть - не менее 15,6 дБ.

 

(Поправка).

5.2.2.25 Волновое сопротивление Zc, Ом, кабелей категорий 3 и 5 в диапазоне частот от 1 МГц до максимальной установленной частоты должно быть (100 ± 15) Ом.

Волновое сопротивление Zc, Ом, кабелей категорий 5е, 6, 6А, 7 и 7А должно находиться внутри пределов изменения волнового сопротивления верхнего Zu и нижнего Zl, указанных на рисунке 1, во всем диапазоне частот.

Рисунок 1 - Пределы изменения волнового сопротивления

Верхний и нижний пределы изменения волнового сопротивления Zu и Zl, Ом, определяют по формулам

                                                       (8)

                                                       (9)

где Z0 = 100 Ом - номинальное волновое сопротивление;

|р| - коэффициент отражения, вычисляемый по формуле

                                                         (10)

(Поправка).

Кабели, соответствующие требованиям по волновому сопротивлению, соответствуют требованиям по затуханию отражения, и его измерение проводить не требуется, и наоборот, кабели, соответствующие требованиям по затуханию отражения, соответствуют требованиям по волновому сопротивлению, и его измерение проводить не требуется.

5.2.3 Требования к механическим параметрам

5.2.3.1 Относительное удлинение при разрыве изолированной однопроволочной токопроводящей жилы должно быть не менее 8 %.

5.2.3.2 Относительное удлинение при разрыве изоляции должно быть не менее 100 %.

5.2.3.3 Усадка изоляции должна быть не более 5 %.

5.2.3.4 Адгезия изоляции к однопроволочной жиле должна быть указана в технических условиях на кабели конкретных марок, если это требование предъявляют.

5.2.3.5 Относительное удлинение при разрыве оболочки должно быть не менее 100 %.

5.2.3.6 Прочность при разрыве оболочки должна быть не менее 9 МПа.

5.2.3.7 Относительное удлинение при разрыве оболочки после теплового старения должно быть не менее 100 % и должно отличаться от исходного не более чем на 50 %.

5.2.3.8 Значение прочности при разрыве оболочки после теплового старения должно быть не менее 70 % исходного значения.

5.2.3.9 Допустимое растягивающее усилие кабелей должно быть указано в технических условиях на кабели конкретных марок.

5.2.3.10 Кабели должны быть стойкими к изгибу.

5.2.3.11 Изолированная жила кабелей должна быть стойкой к изгибу.

5.2.4 Требование стойкости к внешним воздействующим факторам

5.2.4.1 Кабели должны быть стойкими к воздействию повышенной температуры окружающей среды до 60 °С.

5.2.4.2 Кабели должны быть стойкими к воздействию пониженной температуры окружающей среды:

- до минус 60 °С - для кабелей в оболочке из светостабилизированного полиэтилена;

- до минус 40 °С - для остальных кабелей.

5.2.4.3 Кабели должны быть стойкими к воздействию повышенной относительной влажности воздуха до 98 % при температуре до 35 °С.

5.2.4.4 Кабели, которые при эксплуатации подвергаются непосредственному воздействию солнечной радиации, должны быть стойкими к воздействию солнечного излучения.

5.2.5 Требования надежности

Срок службы кабелей должен быть не менее 15 лет. Фактический срок службы не ограничивается указанным сроком службы, а определяется техническим состоянием кабеля.

5.3 Маркировка

5.3.1 Маркировка кабелей должна соответствовать требованиям ГОСТ 18690 с дополнениями, изложенными в настоящем подразделе.

5.3.2 На наружной поверхности оболочки с интервалом не более 1 м должна быть нанесена маркировка, содержащая:

- кодовое обозначение или товарный знак, или наименование предприятия-изготовителя;

- марку кабеля;

- число элементов и тип их скрутки, диаметр жил;

- мерные метки;

- год изготовления кабеля.

Допускается в содержании маркировки включать дополнительную информацию, указанную в технических условиях на кабели конкретных марок. Маркировка должна быть четкой и прочной.

5.3.3 На щеке барабана или на ярлыке, прикрепленном к барабану или катушке, или бухте, или на коробке должны быть указаны:

- товарный знак или наименование предприятия-изготовителя;

- условное обозначение кабеля (включая обозначение технических условий на кабели конкретных марок);

- дата изготовления;

- масса кабеля брутто в килограммах (при поставке на барабанах или катушках);

- длина кабеля в метрах и число отрезков (при поставке на барабанах);

- номер партии или заводской номер барабана (при наличии нумерации);

- знак соответствия (при наличии сертификата).

Допускается включать дополнительную информацию, указанную в технических условиях на кабели конкретных марок.

На ярлыке должно быть проставлено клеймо технического контроля.

5.4 Упаковка

5.4.1 Упаковка кабелей должна соответствовать ГОСТ 18690 с дополнениями, изложенными в настоящем подразделе.

5.4.2 Кабели должны быть намотаны на барабаны или катушки, или смотаны в бухты, или упакованы в коробки. Масса коробки с кабелем или бухты не должна превышать 50 кг. Внутренний диаметр бухты или диаметр шейки барабана (катушки) должен быть указан в технических условиях на кабели конкретных марок.

5.4.3 Концы кабеля, поставляемого на барабанах, катушках или в бухтах, должны быть защищены от проникновения влаги внутрь кабеля.

5.4.4 Этикетка (или паспорт) кабеля для сетей ШПД, содержащая указания по эксплуатации кабелей, должна быть защищена от влаги и прикреплена к щеке барабана или к бухте, или к катушке.

К каждому барабану с кабелем для сетей ШПД должен быть приложен протокол испытаний. В протоколе должен быть указан знак соответствия при наличии сертификата.

5.4.5 Допускается обшивка барабана с интервалом через одну доску, матами или древесно-волокнистыми плитами.

6 Требования безопасности и охраны окружающей среды

6.1 Кабели должны соответствовать требованиям безопасности по ГОСТ 12.2.007.0 и ГОСТ 12.2.007.14.

6.2 Требования электрической безопасности

Требования электрической безопасности обеспечиваются выполнением требований 5.2.1.4, 5.2.1.6, 5.2.1.11, 5.2.1.12, 5.2.1.16, 5.2.2.4, 5.2.2.5.

6.3 Требования пожарной безопасности

6.3.1 Кабели в оболочке из поливинилхлоридного пластиката не должны распространять горение при одиночной прокладке.

6.3.2 Кабели исполнений «нг-LS», «нг-HF» не должны распространять горение при групповой прокладке. Категорию испытания (А, В, С или D) устанавливают в технических условиях на кабели конкретных марок.

6.3.3 Дымообразование кабелей исполнений «нг-LS» и «нг-HF» не должно приводить к снижению светопроницаемости более чем на 40 % и 50 % соответственно.

6.3.4 Значения показателей коррозионной активности продуктов дымо- и газовыделения при горении и тлении полимерных материалов оболочки кабелей из поливинилхлоридного пластиката пониженной пожарной опасности и полимерной композиции, не содержащей галогенов, должны соответствовать указанным в таблице 16.

Таблица 16

Наименование показателя

Значение

для поливинилхлоридного пластиката пониженной пожарной опасности

для полимерной композиции, не содержащей галогенов

1 Количество выделяемых газов галогенных кислот в пересчете на HCl, мг/г, не более

140

5,0

2 Проводимость водного раствора с адсорбированными продуктами дымо- и газовыделения, мкСм/мм, не более

-

10,0

3 рН (кислотное число), не менее

-

4,3

6.3.5 Значение показателя токсичности продуктов горения полимерных материалов оболочки из поливинилхлоридного пластиката пониженной пожарной опасности и полимерной композиции, не содержащей галогенов, должно быть более 40 г/м3.

6.4 Требования охраны окружающей среды

6.4.1 Требования охраны окружающей среды обеспечиваются выполнением:

- общих требований безопасности по 6.1;

- требований электрической безопасности по 6.2;

- требований пожарной безопасности по 6.3.

6.4.2 Материалы конструкции кабелей при предельных температурах хранения и эксплуатации, установленных в технических условиях на кабели конкретных марок, не должны выделять вредных продуктов в концентрациях, опасных для организма человека и загрязняющих окружающую среду.

7 Правила приемки

7.1 Общие требования

Правила приемки кабелей должны соответствовать ГОСТ 15.309, требованиям настоящего стандарта и технических условий на кабели конкретных марок.

7.2 Категории испытаний

Для проверки соответствия кабелей требованиям настоящего стандарта назначают следующие категории контрольных испытаний:

- приемосдаточные;

- периодические;

- типовые.

7.3 Приемосдаточные испытания

7.3.1 Кабели предъявляют к приемке партиями. За партию принимают кабели одной марки, одновременно предъявляемые к приемке. Объем партии - от 3 до 300 строительных длин кабеля.

Время выдержки кабелей после изготовления в нормальных климатических условиях по ГОСТ 15150 до предъявления к приемке должно быть не менее 16 ч.

7.3.2 Состав испытаний, деление состава испытаний на группы и порядок проведения испытаний в пределах каждой группы должны соответствовать указанным в таблице 17.

Таблица 17

Группа испытаний

Вид испытания или проверки

Пункт

технических требований

методов контроля

С1

Проверка конструкции и конструктивных размеров

4.2 - 4.3; 5.2.1.1 - 5.2.1.13

8.2.1

С2

Проверка герметичности изоляции

5.2.1.4

8.2.2

Проверка сплошности оболочки

5.2.1.12

8.2.3

С3

Проверка отсутствия обрывов жил, экранов, контактной проволоки, а также контактов между жилами и между жилами и экраном

5.2.1.14

8.2.4

Испытание напряжением

5.2.2.5

8.3.5

Определение электрического сопротивления жилы

5.2.2.1

8.3.1

Определение омической асимметрии жил в паре

5.2.2.2

8.3.2

Определение омической асимметрии жил между парами

5.2.2.3

8.3.3

С4

Определение электрического сопротивления изоляции жил

5.2.2.4

8.3.4

Определение рабочей емкости

5.2.2.6

8.3.6

Определение емкостной асимметрии

5.2.2.7

8.3.7

Определение времени задержки сигнала

5.2.2.12

8.3.11

Определение разности времен задержки сигнала

5.2.2.13

8.3.11

Определение коэффициента затухания

5.2.2.14

8.3.12

Определение переходного затухания на ближнем конце

5.2.2.18

8.3.15

С5

Определение переходного затухания суммарной мощности влияния на ближнем конце

5.2.2.17

8.3.15

Определение защищенности на дальнем конце

5.2.2.20

8.3.16

Определение защищенности от суммарной мощности влияния на дальнем конце

5.2.2.19

8.3.16

Определение затухания отражения

5.2.2.24

8.3.20

С6

Проверка маркировки и упаковки

5.3; 5.4

8.7

7.3.3 Испытания для групп С1, С4, и С5 проводят по плану выборочного одноступенчатого контроля с объемом выборки, равным 5 % строительных длин, но не менее чем на трех строительных длинах, с приемочным числом С = 0; для групп С2, С3 и С6 - по плану сплошного контроля с приемочным числом С = 0 - для групп С2, С3 и С = 1 - для группы С6.

Допускается при наличии на предприятии систем автоматического измерения параметров устанавливать объемы выборки в соответствии с технологической документацией на кабели.

Проверку герметичности изоляции (5.2.1.4) и сплошности оболочки (5.2.1.12) по группе С2, а также строительной длины (5.2.1.13) по группе С1 проводят в процессе производства.

7.3.4 При получении неудовлетворительных результатов приемки решение принимают по ГОСТ 15.309 (раздел 6).

7.4 Периодические испытания

7.4.1 Периодические испытания проводят не реже одного раза в год на кабелях, прошедших приемосдаточные испытания. Состав испытаний, деление состава испытаний на группы и порядок проведения испытаний в пределах каждой группы должны соответствовать указанным в таблице 18.

Таблица 18

Группа испытаний

Вид испытания или проверки

Пункт

технических требований

методов контроля

Определение затухания асимметрии на ближнем конце и защищенности от затухания асимметрии на дальнем конце

5.2.2.16

8.3.14

П1

Определение переходного затухания суммарной мощности влияния на ближнем конце между кабелями категорий 6А и 7А

5.2.2.21

8.3.17

Определение защищенности от суммарной мощности влияния на дальнем конце между кабелями категорий 6А и 7А

5.2.2.22

8.3.17

Определение волнового сопротивления

5.2.2.25

8.3.19

П2

Определение относительного удлинения при разрыве изолированной токопроводящей жилы

5.2.3.1

8.4.1

Определение относительного удлинения при разрыве изоляции

5.2.3.2

8.4.2

П3

Определение усадки изоляции

5.2.3.3

8.4.3

Определение относительного удлинения и прочности при разрыве оболочки

5.2.3.5; 5.2.3.6

8.4.5

Испытание на стойкость к изгибу кабеля

5.2.3.10

8.4.8

Испытание на стойкость к воздействию повышенной температуры

5.2.4.1

8.5.1

П4

Испытание на стойкость к воздействию пониженной температуры

5.2.4.2

8.5.2

Испытание на стойкость к воздействию повышенной влажности

5.2.4.3

8.5.3

7.4.2 Испытания проводят по плану выборочного двухступенчатого контроля с объемом выборок n1 = п2 = 3 образца, с приемочным числом C1 = 0 и браковочным числом С2 = 2 для первой выборки и приемочным числом С3 = 1 для суммарной (n1 и п2) выборки. В выборку для испытаний включают кабели любой марки.

Испытаниям подвергают образцы кабеля, взятые от разных строительных длин методом случайного отбора. При получении неудовлетворительного результата испытаний второй выборки приемку кабелей прекращают. После устранения причин дефектов и получения удовлетворительных результатов периодических испытаний на удвоенном количестве образцов приемку возобновляют.

7.5 Типовые испытания

7.5.1 Испытания проводят при изменении конструкции кабелей, замене материалов или при изменении технологических процессов по программе, утвержденной в установленном порядке. По результатам испытаний, оформленных протоколом и актом, принимают решение о возможности и целесообразности внесения изменений в техническую документацию.

7.5.2 Соответствие кабелей требованиям 5.2.2.8; 5.2.2.9; 5.2.2.11; 5.2.2.15; 5.2.2.23; 5.2.3.4; 5.2.3.7 - 5.2.3.9; 5.2.3.11; 5.2.4.4, 6.3.1 - 6.3.4 проверяют методами контроля по 8.3.8; 8.3.9; 8.3.10; 8.3.13; 8.3.18; 8.4.4; 8.4.6; 8.4.7; 8.4.9; 8.5.4; 8.8.1 - 8.8.4 соответственно.

Испытания проводят на типопредставителях кабелей. Результаты испытаний распространяют на всю группу кабелей, по которой проводили испытания.

8 Методы контроля

8.1 Общие требования

8.1.1 Все испытания и измерения проводят в нормальных климатических условиях по ГОСТ 15150, если иное не указано при изложении конкретного метода.

8.1.2 Внешний осмотр проводят без применения увеличительных приборов.

8.1.3 Образцы кабелей при измерении электрических параметров должны быть расположены одним из следующих способов:

а) на диэлектрической поверхности не менее чем в 25 мм от проводящей поверхности;

б) в воздухе с минимальным расстоянием между витками 25 мм;

в) наматывают одним слоем открытой спирали на неметаллический барабан с расстоянием между витками не менее 25 мм.

Способы расположения а), б) и в) необязательны для экранированных кабелей.

Измеренные значения рабочей емкости, переходного затухания, волнового сопротивления и коэффициента затухания могут быть до 10 % выше в случае, если измерения были проведены на кабеле, намотанном на барабан или смотанном в бухту. Это происходит в результате плотной упаковки кабеля на барабане и в бухте и межвитковых эффектов. Упаковка в коробки также может отрицательно повлиять на затухание отражения, переходное затухание, волновое сопротивление при полном или частичном восстановлении параметров кабелей после смотки с барабанов или из бухт и коробок.

При арбитражных проверках измерение электрических параметров кабелей должно быть выполнено на образце кабеля вне барабана, бухты, коробки.

Резисторы несимметричной цепи Rн пары кабеля при измерении электрических параметров должны быть следующими:

- О Ом - для кабелей с отдельно экранированными элементами;

- 25 Ом - для кабелей с общим экраном;

- 45 - 50 Ом - для неэкранированных кабелей.

8.2 Проверка конструкции

8.2.1 Проверку конструкции и конструктивных размеров кабелей (4.2; 4.3; 5.2.1.1 - 5.2.1.13) проводят по ГОСТ 12177 и внешним осмотром.

8.2.2 Проверку герметичности изоляции (5.2.1.4) проводят по ГОСТ 2990 испытанием на проход напряжением переменного тока номинальной частотой не менее 50 Гц следующих пиковых значений: 4 кВ - для сплошной изоляции; 2 кВ - для полувоздушной, пористой, пленко-пористой и пленко-пористо-пленочной изоляции.

8.2.3 Проверку сплошности оболочки (5.2.1.12) экранированных кабелей проводят по ГОСТ 2990 испытанием на проход при пиковом напряжении 4,2 кВ переменного тока номинальной частотой не менее 50 Гц, неэкранированных кабелей - внешним осмотром.

8.2.4 Проверку отсутствия обрывов жил, экранов, контактной проволоки, а также контактов между жилами и между жилами и экраном (5.2.1.14) проводят с помощью любого индикаторного прибора или сигнальной лампы при напряжении не более 42 В постоянного тока или не более 36 В переменного тока.

8.3 Проверка электрических параметров

8.3.1 Определение электрического сопротивления жилы (5.2.2.1) проводят по ГОСТ 7229.

8.3.2 Омическую асимметрию, ΔR, %, в рабочей паре (5.2.2.2) определяют по результатам измерений электрического сопротивления токопроводящих жил по формуле

                                                    (11)

где Rm - максимальное из измеренных значений сопротивления жил в паре, Ом;

Rn - минимальное из измеренных значений сопротивления жил в паре, Ом.

8.3.3 Омическую асимметрию жил ΔR Pik, %, между парами (5.2.2.3) определяют по результатам измерений электрического сопротивления токопроводящих жил по формуле

                         (12)

где Rmi и Rmk - максимальные из измеренных значений сопротивления жил в i-й и k-й парах, Ом;

Rni и Rnk - минимальные из измеренных значений сопротивления жил в i-й и k-й парах, Ом;

i, k - номера пар.

8.3.4 Определение электрического сопротивления изоляции жил (5.2.2.4) проводят по ГОСТ 3345.

8.3.5 Испытание напряжением (5.2.2.5) проводят по ГОСТ 2990.

8.3.6 Измерение рабочей емкости (5.2.2.6) проводят по ГОСТ 27893. Измерение должно быть проведено без погружения кабеля в воду.

8.3.7 Емкостную асимметрию пар ΔС, пФ/км, по отношению к земле (5.2.2.7) определяют по результатам измерения емкости одиночных жил в паре по ГОСТ 27893 (метод 3) по формуле

ΔС = C1 - C2,                                                         (13)

где С1 - емкость между жилой «а» и жилой «b», соединенной со всеми остальными жилами и с экраном, при его наличии, и землей, пФ/км;

С2 - емкость между жилой «b» и жилой «а», соединенной со всеми остальными жилами и с экраном, при его наличии, и землей, пФ/км.

Измерение должно быть проведено без погружения кабеля в воду.

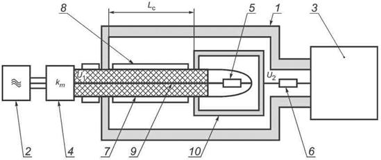
8.3.8 Сопротивление связи (5.2.2.8) экранированных кабелей определяют методом «триаксиальной линии» на образцах кабеля длиной не более 1,5 м.

Схема «триаксиальной линии» приведена на рисунке 2.

1 - металлическая труба с высокой электропроводностью из немагнитного материала;
2 - генератор сигналов; 3 - измерительный приемник; 4 - цепь согласования генератора с измеряемым
кабелем (трансформатор сопротивлений); 5 - экранированный резистор
R1; 6 - резистор R2;
7 - экран (экраны) кабеля; 8 - оболочка кабеля; 9 - токопроводящие жилы кабеля; 10 - экран резистора
R1

Рисунок 2 - Схема «триаксиальной линии»

Все токопроводящие жилы и все экраны кабеля должны быть соединены вместе на обоих концах испытуемого образца, формируя внутреннюю квазикоаксиальную цепь кабеля.

Образец кабеля и металлическая труба из немагнитного материала, короткозамкнутая со стороны генератора с экраном, формирующие соответственно внутреннюю (возбуждающую) и внешнюю (возбуждаемую) квазикоаксиальные цепи, должны быть концентричны. Внутренний диаметр трубы должен быть не менее 40 мм.

Длина Lc образца внутри триаксиальной линии должна быть не более 0,5 м.

Сопротивление связи ZТ, мОм/м, определяют по формуле

                                         (14)

где R1 - резистор, значения сопротивления которого должны отличаться от модуля волнового сопротивления Zк, Ом, внутренней квазикоаксиальной цепи образца кабеля не более чем на 10 %, Ом

                                                      (15)

где Zккз и Zкхх - волновое сопротивление внутренней квазикоаксиальной цепи кабеля, измеренное соответственно в режимах «короткого замыкания» и «холостого хода» на частоте fu, Ом.

Значение частоты fu, МГц, при которой проводят измерение, определяют по формуле

                                                       (16)

где с - скорость света в вакууме, равная 3 × 108 м/с;

εr1 - эквивалентная относительная диэлектрическая проницаемость изоляции внутренней квазикоаксиальной цепи кабеля;

R2 - резистор, значение сопротивления которого определяют по формуле

                                             (17)

где εr2 - эквивалентная относительная диэлектрическая проницаемость внешней квазикоаксиальной цепи;

Dтp - внутренний диаметр трубы, мм;

dвн - наружный диаметр экрана кабеля, мм;

αт - затухание между выходом генератора и входом приемника, дБ;

αk - затухание, вносимое соединительными кабелями, цепью согласования, адаптерами, усилителями мощности и аттенюаторами при их использовании в схеме измерений, измеряемое при калибровке, дБ;

kт - коэффициент передачи цепи согласования по напряжению.

Цепь согласования, состоящую из последовательно включенного Rs и параллельно включенного Rp резисторов, включают в схему измерений, если коэффициент отражения между волновыми сопротивлениями внутренней квазикоаксиальной цепи кабеля и выходным сопротивлением генератора более 0,2.

Если Zк и R1 меньше 50 Ом, то цепь согласования должна соответствовать указанной на рисунке 3.

Рисунок 3 - Цепь согласования при Zк менее 50 Ом

Значения сопротивления резисторов Rs и Rp, Ом, и коэффициента передачи цепи kт определяют по формулам

                                                       (18)

                                                       (19)

                                              (20)

Если Zк и R1 больше 50 Ом, то цепь согласования должна соответствовать указанной на рисунке 4.

Рисунок 4 - Цепь согласования при Zк более 50 Ом

Значения сопротивления резисторов Rs и Rp, Ом, и коэффициента передачи цепи kт определяют по формулам

                                                        (21)

                                                        (22)

                                                         (23)

8.3.9 Определение затухания излучения (5.2.2.9) кабелей проводят одним из нижеуказанных методов.

1) Затухание излучения неэкранированных и экранированных кабелей определяют методом «поглощающих клещей».

Примечание - Метод «поглощающих клещей» позволяет определить затухание излучения неэкранированных и экранированных кабелей, которое в общем случае состоит из затухания асимметрии (максимальное значение из измеренных на ближнем или дальнем конце) и затухания экранирования (при наличии экрана).

Испытание проводят на образцах кабелей длиной не менее 100 м, при этом расстояние между поглощающими клещами должно быть (6,0 ± 0,1) м.

В процессе измерений определяют максимальное из измеренных значений мощности сигнала, излученной несимметричной цепью пары кабеля на ближнем и дальнем концах измеряемого участка образца кабеля.

Схема измерения мощности излучения кабеля на ближнем и дальнем концах измеряемого участка образца кабеля приведена на рисунках 5а и 5б соответственно.

1 - генератор сигналов (ГС); 2 - измеряемый кабель; 3 - внешняя цепь кабеля;
4 - поглощающие клещи; 5 - измерительный приемник; 6 - симметрирующий трансформатор (СТ);
7 - трансформатор тока поглощающих клещей; 8 - кабель измерительного приемника (для измерения и калибровки); 9 - ферритовый фильтр поглощающих клещей;
10 - ферритовый фильтр (или вторые поглощающие клещи); 11 - нагрузка измеряемого кабеля;
12 - экран ГС и СТ; 13 - отражающая металлическая пластина

Рисунок 5 - Схема установки для измерения затухания излучения

Все пары кабеля на обоих концах испытуемого образца должны быть нагружены на экранированные резисторы номинальным сопротивлением 50 Ом.

Все резисторы на обоих концах испытуемого образца кабеля должны быть соединены вместе в центральные точки соединения. В случае экранированных кабелей центральные точки соединения должны быть подсоединены к экранам.

Отражающая металлическая пластина должна быть размерами не менее 0,8´0,8 м.

Затухание излучения Ас, дБ, определяют для каждой симметричной цепи пар измеряемого кабеля по формуле

                               (24)

где Р1 - мощность сигнала, поступившая от генератора в симметричную цепь пары кабеля, Вт;

max (P2N, P2F) - максимальное из значений мощности сигнала, излученной несимметричной цепью пары кабеля, измеренные соответственно на ближнем (P2N) и на дальнем (P2F) концах измеряемого участка кабеля, Вт;

αN - затухание измерительной установки, измеряемое при калибровке, дБ;

kт - коэффициент передачи цепи согласования по напряжению (равен единице, если не применяют).

2) Затухание излучения экранированных кабелей определяют методом «триаксиальной линии» по 8.3.8 на образцах кабеля длиной не более 3,5 м. Длина Lc образца внутри триаксиальной линии должна быть не менее 2,5 м.

Затухание излучения Ас, дБ, экранированных кабелей определяют по формуле

Ac = αm - αk + 6,                                                          (25)

где αm - затухание между выходом генератора и входом приемника, дБ;

αk - затухание, вносимое соединительными кабелями, цепью согласования, адаптерами, усилителями мощности и аттенюаторами при их использовании в схеме измерений, измеряемое при калибровке, дБ.

8.3.10 Скорость распространения сигнала (5.2.2.11) измеряют по схеме, приведенной на рисунке 6. Параметры симметрирующих трансформаторов приведены в приложении В.

1 - анализатор цепей или генератор сигналов (ГС); 2 - симметрирующий трансформатор;
3 - анализатор цепей или измерительный приемник (ИП); 4 - измеряемый кабель;
RH - резистор несимметричной цепи; Rc - резистор симметричной цепи; L - длина измеряемого кабеля;
P0(U0) - мощность (напряжение) сигнала на выходе ГС;
P1(U1) - мощность (напряжение) сигнала на входе ИП

Рисунок 6 - Схема измерения скорости распространения сигнала
и коэффициента затухания

В процессе измерений определяют частотный интервал Δf, Гц, при котором фазы входного и выходного сигналов отличаются на 2π рад.

Скорость распространения сигнала vp, м/с, определяют по формуле

vp = LΔf,                                                              (26)

где L - длина кабеля, м.

8.3.11 Время задержки сигнала, τр, нс/100 м, (5.2.2.12) и разность времен задержки сигнала Δτр, нс/100 м, (5.2.2.13) определяют, исходя из измеренных значений скорости распространения сигнала, по формулам

                                                             (27)

                                               (28)

где vPmax - максимальное из измеренных значений скорости распространения сигнала в паре, м/с;

vPmin - минимальное из измеренных значений скорости распространения сигнала в паре, м/с.

8.3.12 Коэффициент затухания (5.2.2.14) измеряют по схеме, приведенной на рисунке 6.

Коэффициент затухания при температуре измерения αT, дБ/100 м, определяют по формуле

                                      (29)

где Р0 (U0) - мощность (напряжение) сигнала на выходе генератора сигналов, Вт (В);

Р1 (U1) - мощность (напряжение) сигнала на входе приемника анализатора цепей или измерительного приемника, Вт (В).

Для получения коэффициента затухания α20, дБ/100 м, при температуре 20 °С измеренные значения αT при температуре Т пересчитывают по формуле

                                                  (30)

где Кα - температурный коэффициент затухания кабеля, % на один градус Цельсия;

Т - температура окружающей среды при проведении измерения, °С.

Значения коэффициента Кα указывают в технических условиях на кабели конкретных марок.

8.3.13 Температурный коэффициент затухания Кα, % на один градус Цельсия (5.2.2.15) определяют исходя из значений коэффициента затухания образцов кабеля длиной не менее 100 м, измеренных при разных температурах по формуле

                                                  (31)

где  - коэффициент затухания при температуре T1, дБ/100 м;

 - коэффициент затухания при температуре Т2, дБ/100 м;

Т1, Т2 - температура окружающей среды при измерении, °С.

Измерение коэффициента затухания проводят после выдержки кабеля в климатической камере в течение (4 ± 0,1) ч.

Климатическая камера должна обеспечивать поддержание температуры с предельными отклонениями ± 2 °С и иметь отверстия для подсоединения кабеля к измерительным приборам. Длина концов кабеля, выведенных из испытательной камеры, должна быть не более 1 м.

Образцы кабеля должны быть смотаны в бухты с внутренним диаметром не менее 18 мм или намотаны на неметаллический барабан с расстоянием между витками не менее 25 мм.

Сглаженные значения коэффициента затухания αsm, дБ/100 м, математически (методом наименьших квадратов) определяют с использованием уравнения

                                            (32)

где а2, b2, с2, d2 - коэффициенты аппроксимации;

f - частота, МГц.

8.3.14 Затухание асимметрии на ближнем конце TCL (5.2.2.16) определяют по схеме, приведенной на рисунке 7, на образцах кабеля длиной (100 ± 1) м.

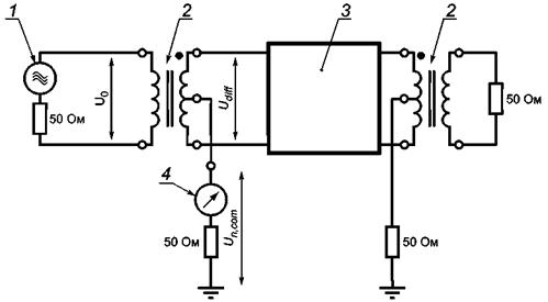
Защищенность от затухания асимметрии на дальнем конце EL TCL (5.2.2.16) определяют по результатам измерения затухания асимметрии на дальнем конце TCTL. Затухание асимметрии на дальнем конце определяют по схеме, приведенной на рисунке 8, на образцах кабеля длиной (100 ± 1) м.

1 - анализатор цепей или временной рефлектометр (ГС); 2 - симметрирующий трансформатор;
3 - измеряемый кабель; 4 - анализатор цепей или временной рефлектометр;
U0 - напряжение сигнала на выходе ГС; Udiff - напряжение сигнала на ближнем конце симметричной цепи
пары кабеля;
Un, com - напряжение сигнала на ближнем конце несимметричной цепи пары кабеля

Рисунок 7 - Схема измерения затухания асимметрии на ближнем конце

1 - анализатор цепей или временной рефлектометр (ГС); 2 - симметрирующий трансформатор;
3 - измеряемый кабель; 4 - анализатор цепей или временной рефлектометр;
U0 - напряжение сигнала на выходе ГС;
Udiff - напряжение сигнала на ближнем конце симметричной цепи пары кабеля;
Ut, com - напряжение сигнала на дальнем конце несимметричной цепи пары кабеля

Рисунок 8 - Схема измерения затухания асимметрии на дальнем конце

Затухание асимметрии на ближнем TCL, дБ/100 м, и дальнем TCTL, дБ/100 м, концах определяют по формулам

                                    (33)

                                   (34)

где U0 - напряжение сигнала на выходе анализатора цепей или временного рефлектометра, В;

Un, сот - напряжение сигнала на ближнем конце несимметричной цепи пары кабеля, В;

Uf, com - напряжение сигнала на дальнем конце несимметричной цепи пары кабеля, В;

Z0 - номинальное волновое сопротивление симметричной цепи пары кабеля, равное 100 Ом;

Zcoт - волновое сопротивление несимметричной цепи пары кабеля, Ом;

Zcom = 75 0м - для неэкранированных кабелей с числом пар не более 25;

Zcom = 50 Ом - для кабелей в общем экране и для неэкранированных кабелей с числом пар более 25;

Zcom = 25 Ом - для кабелей с отдельно экранированными парами;

αст - затухание симметрирующего трансформатора, дБ.

Защищенность от затухания асимметрии на дальнем конце EL TCTL, дБ/100 м, определяют по формуле

EL TCTL = TCTL - αк,                                                 (35)

где αк - затухание измеряемого кабеля, дБ.

8.3.15 Переходное затухание на ближнем конце NEXT (5.2.2.18) между парами кабеля определяют по схеме, приведенной на рисунке 9, на образцах кабеля длиной не менее 100 м.

1 - анализатор цепей или генератор сигналов; 2 - анализатор цепей или измерительный приемник;
3 - симметрирующий трансформатор; 4 - измеряемый кабель;
Rc и RH - нагрузки симметричной и
несимметричной цепей соответственно;
Р1
n (U1n) - мощность (напряжение) сигнала на ближнем конце влияющей пары;
Р2п (
U2n) - мощность (напряжение) сигнала на ближнем конце подверженной влиянию пары

Рисунок 9 - Схема измерения переходного затухания на ближнем конце
между парами кабеля

Переходное затухание на ближнем конце NEXT, дБ, определяют по формуле

                                 (36)

где P1n (U1n) - мощность (напряжение) сигнала на ближнем конце влияющей пары, Вт (В);

P2n (U2n) - мощность (напряжение) сигнала на ближнем конце подверженной влиянию пары, Вт (В);

Z1 и Z2 - номинальные волновые сопротивления влияющей и подверженной влиянию пары соответственно, Ом.

Для кабелей длиной более 100 м результаты измерений должны быть пересчитаны на длину 100 м по формуле

                                       (37)

где NЕХТ100 - переходное затухание на ближнем конце, пересчитанное на длину 100 м;

α - затухание, измеренное на кабеле длиной L, дБ.

Переходное затухание суммарной мощности влияния на ближнем конце PS NEXTj, дБ/100 м, (5.2.2.17) на j-ю пару, подверженную влиянию, определяют по формуле

                                        (38)

где NEXTi, j - переходное затухание на ближнем конце i-й пары на j-ю пару, дБ/100 м;

т - число пар в кабеле.

8.3.16 Защищенность на дальнем конце EL FEXT (5.2.2.20) между парами кабеля определяют по результатам измерения переходного затухания на дальнем конце FEXT между парами кабеля. Переходное затухание на дальнем конце определяют по схеме, приведенной на рисунке 10, на образцах кабелей длиной не менее 100 м, но не более 300 м.

1 - анализатор цепей или генератор сигналов; 2 - анализатор цепей или измерительный приемник;
3 - симметрирующий трансформатор; 4 - измеряемый кабель;
Rc и RH - нагрузки симметричной
и несимметричной цепей соответственно;
L - длина измеряемого кабеля;
Р1
n (U1n) - мощность (напряжение) сигнала на ближнем конце влияющей пары;
P2f (U2f) - мощность (напряжение) сигнала на дальнем конце подверженной влиянию пары

Рисунок 10 - Схема измерений переходного затухания на дальнем конце
между парами кабеля

Переходное затухание на дальнем конце FEXT, дБ, между парами кабеля определяют по формуле

                                 (39)

где P1n (U1n) - мощность (напряжение) сигнала на ближнем конце влияющей пары, Вт (В);

P2f (U2f) - мощность (напряжение) сигнала на дальнем конце подверженной влиянию пары, Вт (В).

Защищенность на дальнем конце EL FEXT, дБ, определяют по формуле

EL FEXT = FEXT - α,                                                    (40)

где α - затухание влияющей пары, дБ.

Для кабелей длиной более 100 м результаты измерений должны быть пересчитаны на длину 100 м по формуле

EL FEXT100 = ELFEXT + 10lg(L/100).                                       (41)

Защищенность от суммарной мощности влияния на дальнем конце PS EL FEXTj, дБ/100 м, (5.2.2.19) на j-ю пару, подверженную влиянию, определяют по формуле

                                    (42)

где EL FEXTi, j - защищенность на дальнем конце при влиянии i-й пары на j-ю пару, дБ/100 м;

т - число пар в кабеле.

8.3.17 Переходное затухание суммарной мощности влияния на ближнем конце между кабелями PS ANEXT (5.2.2.21) и защищенность от суммарной мощности влияния на дальнем конце между кабелями PS AFEXT (5.2.2.22) определяют по результатам измерения переходного затухания на ближнем конце между кабелями ANEXT и переходного затухания на дальнем конце между кабелями AFEXT. ANEXT и AFEXT определяют по схемам, приведенным на рисунках 11 и 12, на образцах кабелей длиной (100 ± 1) м.

Переходное затухание на ближнем конце ANEXT, дБ/100м, и переходное затухание на дальнем конце AFEXT, дБ/100 м, между кабелями определяют по формулам

ANEXT = 10lg|P1n/P2n|;                                                   (43)

AFEXT = 10lg|P1n/P2n|,                                                    (44)

где Р1n - мощность сигнала на ближнем конце влияющей пары влияющего кабеля, Вт;

Р2п - мощность сигнала на ближнем конце подверженной влиянию пары подверженного влиянию кабеля, Вт;

P2f - мощность сигнала на дальнем конце подверженной влиянию пары подверженного влиянию кабеля, Вт.

Переходное затухание суммарной мощности влияния на ближнем конце между кабелями PS ANEXTj, дБ/100 м, на j-ю пару, подверженную влиянию, определяют по формуле

PS ANEXTj = -10lg                                      (45)

где ANEXTi, j, l - переходное затухание на ближнем конце при влиянии i-й пары l-го влияющего кабеля на j-ю пару подверженного влиянию кабеля, дБ/100 м;

j - номер пары, подверженной влиянию в подверженном влиянию кабеле;

i - номер влияющей пары во влияющем кабеле;

l - номер влияющего кабеля;

п - число пар в кабеле;

N - число влияющих кабелей.

1 - анализатор цепей или генератор сигналов; 2 - анализатор цепей или измерительный приемник;
3 - симметрирующий трансформатор; 4 - влияющий кабель; 5 - подверженный влиянию кабель;
Rc и RH - нагрузка симметричной и несимметричной цепей соответственно;
L - длина измеряемых кабелей; Р1n (U1n) - мощность (напряжение) сигнала на ближнем конце влияющей
пары влияющего кабеля; Р2п (
U2n) - мощность (напряжение) сигнала на ближнем конце подверженной
влиянию пары подверженного влиянию кабеля

Рисунок 11 - Схема измерений переходного затухания на ближнем конце
между кабелями

Переходное затухание суммарной мощности влияния на дальнем конце между кабелями PS AFEXTj, дБ/100 м, на j-ю пару, подверженную влиянию, определяют по формуле

                                    (46)

где AFEXTi, j, l - переходное затухание на дальнем конце при влиянии i-й пары l-го влияющего кабеля на j-ю пару подверженного влиянию кабеля, дБ/100 м.

1 - анализатор цепей или генератор сигналов; 2 - анализатор цепей или измерительный приемник;
3 - симметрирующий трансформатор; 4 - влияющий кабель; 5 - подверженный влиянию кабель;
Rc и RH - нагрузка симметричной и несимметричной цепей соответственно;
L - длина измеряемых кабелей; Р1n (U1n) - мощность (напряжение) сигнала на ближнем конце влияющей
пары влияющего кабеля;
P2f (U2f) - мощность (напряжение) сигнала на дальнем конце подверженной
влиянию пары подверженного влиянию кабеля

Рисунок 12 - Схема измерений переходного затухания на дальнем конце
между кабелями

Защищенность от суммарной мощности влияния на дальнем конце между кабелями PS EL AFEXTj, дБ/100 м, на j-ю пару, подверженную влиянию, определяют по формуле

PS EL AFEXTj = PS AFEXTj - αj,                                          (47)

где αj - коэффициент затухания j-й пары, дБ/100 м.

Измеряемые кабели собирают вместе по схеме, указанной в технических условиях на кабели конкретных марок.

Рекомендуется проводить измерения по одному из двух вариантов схем:

а) связка из шести кабелей вокруг одного;

б) спиральная намотка трех слоев кабелей на барабане.

Схема связки из шести кабелей вокруг одного показана на рисунке 13.

Рисунок 13 - Схема связки из шести кабелей вокруг одного

Кабели в связке не скручивают. Для скрепления их используют неметаллический обвязывающий материал. Обвязку проводят так, чтобы кабели без воздушных промежутков между ними прилегали один к другому без видимого деформирования собственно кабелей в связке. Связку кабелей укладывают в виде петель, показанных на рисунке 14, таким образом, чтобы расстояние между петлями было не менее 10 см.

Рисунок 14 - Укладка связки кабелей в виде петель

Кабели должны быть проложены на неметаллическом полу. Переходное затухание пар кабелей с первого по шестой по отношению к парам седьмого кабеля измеряют в диапазоне частот, указанном в технических условиях на кабели конкретных марок. Значения PS ANEXTj и PS EL AFEXTj определяют по формулам (45) и (47).

Спиральная намотка трех слоев кабеля на барабан должна быть проведена по схеме, показанной на рисунке 15. Девять образцов кабеля длиной по 100 м спирально наматывают на барабан, как показано на рисунке 16. Барабан должен быть изготовлен из прочного неметаллического материала. Диаметр шейки барабана должен быть не менее 1,2 м.

Для удобства измерений оба конца кабелей скрепляют липкой лентой шириной не более 10 см, как показано на рисунке 16.

В соответствии с принципом «шесть кабелей вокруг одного» измеряют переходное затухание пар кабелей с первого по шестой по отношению к парам «V» кабеля в диапазоне частот, указанном в технических условиях на кабели конкретных марок. Значения PS ANEXTj и PS EL AFEXTj определяют по формулам (45) и (47).

Рисунок 15 - Схема спиральной намотки трех слоев кабеля на барабан

Рисунок 16 - Схема укладки кабелей на барабане

8.3.18 Измерение переходного затухания между скрученными кабелями (5.2.2.23) проводят непосредственно на скрученных кабелях. Скрученные кабели должны быть уложены на неметаллическом полу согласно рисунку 14 петлями. Минимальные расстояния между соседними петлями должны быть не менее 10 см. Проводят измерения ANEXT и AFEXT каждой пары кабеля, подверженного влиянию, по отношению ко всем парам окружающих кабелей в частотном диапазоне, указанном в технических условиях на кабели конкретных марок. Значения PS ANEXTj и PS EL AFEXTj определяют по формулам (45) и (47).

8.3.19 Определение волнового сопротивления (5.2.2.25) проводят с помощью анализатора цепей, оборудованного схемой для измерения параметров матрицы рассеяния (S-параметров) или измерения входных сопротивлений. Согласующий трансформатор должен иметь параметры, указанные в таблице С.1 (приложение С). Схема измерений приведена на рисунке 17.

1 - анализатор цепей или измеритель S-параметров; 2 - симметрирующий трансформатор;
3 - измеряемый кабель; 4 - резистор

Рисунок 17 - Схема для измерения волнового и входного сопротивлений цепи кабеля
и затухания отражения

Параметр S11 пары кабеля измеряют, подсоединив пару к измерительному прибору через согласующий трансформатор при холостом ходе, при коротком замыкании на конце пары и при сопротивлении нагрузки ZR.

Волновое сопротивление Zc, Ом, при измерении входных сопротивлений определяют по формуле

                                                      (48)

где Zк.з - входное сопротивление, измеренное в режиме «короткого замыкания», Ом;

Zx.x - входное сопротивление, измеренное в режиме «холостого хода», Ом.

Входные сопротивления Zк.з и Zx, Ом, при измерении параметров матрицы рассеяния определяют по формулам

                                        (49)

где ZR - сопротивление нагрузки, Ом;

S11 - коэффициенты отражения, измеренные в режимах «короткого замыкания» и «холостого хода».

Входное сопротивление при сопротивлении нагрузки, равном номинальному волновому сопротивлению Zвх.н, Ом, определяют непосредственно по результатам измерений параметра S11 при сопротивлении нагрузки ZR, равном номинальному волновому сопротивлению кабеля

                                                      (50)

Среднее волновое сопротивление Z, Ом, определяют по формуле

Z = τ/С,                                                             (51)

где τ - время задержки сигнала, с;

С - рабочая емкость образца кабеля, Ф.

8.3.20 Затухание отражения RL (5.2.2.24) определяют по схеме, приведенной на рисунке 17, при сопротивлении нагрузки ZR, равном номинальному волновому сопротивлению кабеля.

Затухание отражения RL, дБ, вычисляют по формуле

RL = -20lg|S11|,                                                        (52)

где S11 - коэффициент отражения, измеренный при сопротивлении нагрузки ZR, равном номинальному волновому сопротивлению кабеля.

8.4 Проверка механических параметров

8.4.1 Определение относительного удлинения при разрыве изолированной однопроволочной токопроводящей жилы (5.2.3.1) проводят по ГОСТ 10446 на трех образцах изолированной жилы с начальной расчетной длиной 200 мм. За окончательный результат принимают среднее арифметическое значение результатов трех измерений.

8.4.2 Определение относительного удлинения при разрыве изоляции (5.2.3.2) проводят по ГОСТ Р МЭК 60811-1-1 на образцах в виде трубочек изоляции жил каждого цвета.

8.4.3 Определение усадки изоляции (5.2.3.3) проводят по ГОСТ Р МЭК 60811-1-3 на изоляции жил каждого цвета после выдержки при температуре (100 ± 2) °С в течение (1 ± 0,1) ч. Расчетная длина образцов - 150 мм.

8.4.4 Проверку адгезии изоляции к жиле (5.2.3.4) проводят на трех образцах длиной (100 ± 1) мм каждый.

Перед испытанием образец выдерживают не менее 2 ч при температуре (20 ± 5) °С.

Испытание проводят с помощью устройства, схема которого приведена на рисунке 18. Размеры, в миллиметрах, подготовленного для испытания образца приведены на рисунке 18.

1 - токопроводящая жила; 2 - изоляция;
3 - металлическая пластина, жестко скрепленная с фиксированным захватом разрывной машины

Рисунок 18 - Схема устройства для испытания на адгезию

Устройство с размещенным в нем образцом закрепляют в зажимах разрывной машины. Скорость раздвижения зажимов должна быть (100 ± 10) мм/мин.

На каждом образце во время испытаний фиксируют усилие сдвига изоляции.

Адгезию изоляции к жиле Fα, МПа, определяют по формуле

                                                              (53)

где F - усилие при сдвиге изоляции относительно жилы, Н;

d - диаметр жилы, мм;

l - длина образца, мм.

8.4.5 Определение относительного удлинения (5.2.3.5) и прочности при разрыве оболочки (5.2.3.6) проводят по ГОСТ Р МЭК 60811-1-1.

8.4.6 Определение относительного удлинения (5.2.3.7) и прочности при разрыве оболочки (5.2.3.8) после теплового старения при температуре (100 ± 2) °С в течение (7 ± 0,01) сут проводят по ГОСТ Р МЭК 60811-1-1. Старение образцов проводят по ГОСТ Р МЭК 60811-1-2.

8.4.7 Определение допустимого растягивающего усилия кабелей (5.2.3.9) проводят по ГОСТ 12182.5.

8.4.8 Определение стойкости к изгибу кабеля (5.2.3.10) проводят по ГОСТ Р МЭК 60811-1-4 на образцах длиной не менее 1,0 м.

Образцы помещают в камеру холода с заранее установленной температурой минус (20 ± 2) °С и закрепляют на стержень испытательного устройства, предварительно охлажденного до указанной температуры в течение не менее 12 ч. Номинальный диаметр стержня испытательного устройства должен быть равен восьми максимальным наружным диаметрам кабеля. Предельные отклонения от номинального диаметра стержня ± 10 %. После выдержки в камере в течение (4 ± 0,1) ч стержень начинают вращать так, чтобы образец кабеля наматывался на него. После извлечения образцов из камеры и выдержки в нормальных климатических условиях не менее 2 ч проводят внешний осмотр образцов на отсутствие трещин.

Кабель считают выдержавшим испытание, если на поверхности образцов, прошедших испытание, не обнаружены трещины.

8.4.9 Определение стойкости к изгибу изолированной жилы (5.2.3.11) проводят по ГОСТ Р МЭК 60811-1-4 на пяти образцах изолированных жил разного цвета длиной не менее 1,0 м.

Образцы помещают в камеру холода с заранее установленной температурой минус (20 ± 2) °С и закрепляют на стержень испытательного устройства, предварительно охлажденного до указанной температуры в течение не менее 12 ч. Номинальный диаметр стержня испытательного устройства должен быть равен шести максимальным диаметрам изолированной жилы кабеля. Предельные отклонения от номинального диаметра стержня ± 10 %. После выдержки в камере в течение (4 ± 0,1) ч стержень начинают вращать так, чтобы образец изолированной жилы наматывался на него. После извлечения образцов из камеры и выдержки в нормальных климатических условиях не менее 2 ч проводят внешний осмотр образцов на отсутствие трещин.

Кабель считают выдержавшим испытание, если на поверхности образцов, прошедших испытание, не обнаружены трещины.

8.5 Проверка стойкости к внешним воздействующим факторам

8.5.1 Испытание кабелей на стойкость к воздействию повышенной температуры среды (5.2.4.1) проводят по ГОСТ 20.57.406 (метод 201-1.1) на образцах кабеля длиной не менее 1,0 м, смотанных в бухты с внутренним радиусом не менее восьмикратного максимального наружного диаметра кабеля.

Образцы помещают в камеру тепла с заранее установленной температурой (60 ± 2) °С и выдерживают при этой температуре (2 ± 0,1) ч.

После извлечения образцов из камеры и выдержки в нормальных климатических условиях не менее 2 ч проводят внешний осмотр образцов на отсутствие трещин и испытывают напряжением по 5.2.2.5. Кабель считают выдержавшим испытание, если на поверхности образцов, прошедших испытание, не обнаружены трещины и образцы соответствуют требованиям 5.2.2.5.

8.5.2 Испытание кабелей на стойкость к воздействию пониженной температуры среды (5.2.4.2) проводят по ГОСТ 20.57.406 (метод 203-1) на образцах длиной не менее 1,0 м, смотанных в бухты с внутренним радиусом не менее восьмикратного максимального наружного диаметра кабеля.

Образцы помещают в камеру холода с заранее установленной температурой минус (60 ± 2) °С для кабелей в оболочке из полиэтилена и минус (40 ± 2) °С - для остальных кабелей и выдерживают в камере при этой температуре в течение (1 ± 0,1) ч.

После извлечения образцов из камеры и выдержки в нормальных климатических условиях не менее 2 ч проводят внешний осмотр образцов на отсутствие трещин и испытывают напряжением по 5.2.2.5.

Кабель считают выдержавшим испытание, если на поверхности образцов, прошедших испытание, не обнаружены трещины и образцы соответствуют требованиям 5.2.2.5.

8.5.3 Испытание кабелей на стойкость к воздействию повышенной влажности воздуха (5.2.4.3) проводят по ГОСТ 20.57.406 (метод 208-2) на образцах кабеля длиной не менее 10 м c герметично заделанными концами, смотанных в бухты с внутренним радиусом не менее восьмикратного максимального наружного диаметра кабеля.

Образцы помещают в камеру влаги с заранее установленной влажностью (98 ± 2) % при температуре (35 ± 2) °С и выдерживают в камере при этих условиях в течение (48 ± 0,5) ч.

После извлечения образцов из камеры и выдержки в нормальных климатических условиях не менее 2 ч образцы испытывают напряжением по 5.2.2.5. Кабель считают выдержавшим испытание, если все образцы соответствуют требованиям 5.2.2.5.

8.5.4 Испытание на стойкость кабелей к воздействию солнечного излучения (5.2.4.4) проводят по ГОСТ 20.57.406 (метод 211-1) на выпрямленных образцах кабеля длиной не менее 0,6 м.

Верхнее значение интегральной плотности теплового потока - 1125 Вт/м2, в том числе плотности потока ультрафиолетовой части спектра - 68 Вт/м2.

До испытания определяют относительное удлинение при разрыве оболочки образцов по 8.4.6. Образцы подвергают воздействию облучения в течение (120 ± 3) ч. После испытания повторно определяют относительное удлинение при разрыве оболочки по 8.4.6.

Кабель считают выдержавшим испытание, если при внешнем осмотре на поверхности оболочки не обнаружено трещин и относительное удлинение при разрыве оболочки изменилось не более чем на ± 20 %.

8.6 Проверка надежности

Проверку срока службы кабелей (5.2.5) проводят по методикам, разработанным в соответствии с ГОСТ Р 27.403 и указанным в технических условиях на кабели конкретных марок.

8.7 Проверка маркировки и упаковки

Проверку маркировки (5.3) и упаковки (5.4) проводят внешним осмотром.

Проверку прочности маркировки (5.3.2) проводят легким десятикратным протиранием (в двух противоположных направлениях) ватным или марлевым тампоном, смоченным водой. Результаты испытаний считают положительными, если после протирания маркировка отчетливо видна, а тампон не окрашен.

8.8 Проверка требований безопасности

8.8.1 Проверку нераспространения горения кабеля при одиночной прокладке (6.3.1) проводят по ГОСТ Р МЭК 60332-1-2 или ГОСТ Р МЭК 60332-2-2, при групповой прокладке (6.3.2) - по ГОСТ Р МЭК 60332-3-22 или ГОСТ Р МЭК 60332-3-23, или ГОСТ Р МЭК 60332-3-24, или ГОСТ Р МЭК 60332-3-25.

При испытании в пучках кабели располагают без зазора.

8.8.2 Проверку кабелей на дымообразование при горении и тлении (6.3.3) проводят по ГОСТ Р МЭК 61034-2.

8.8.3 Проверку количества выделяемых газов галогенных кислот в пересчете на HCl полимерных материалов оболочки (6.3.4, таблица 16, пункт 1) проводят по ГОСТ Р МЭК 60754-1.

8.8.4 Проверку проводимости и рН водного раствора с адсорбированными продуктами дымо- и газовыделения при горении и тлении полимерных материалов оболочки (6.3.4, таблица 16, пункты 2 и 3) проводят по ГОСТ Р МЭК 60754-2.

8.8.5 Проверку показателя токсичности продуктов горения полимерных материалов оболочки (6.3.5) проводят по ГОСТ 12.1.044 (метод по 4.20), время экспозиции 30 мин.

9 Транспортирование и хранение

9.1 Транспортирование и хранение кабелей должны соответствовать требованиям ГОСТ 18690 с дополнениями, изложенными в настоящем разделе.

9.2 Условия транспортирования и хранения кабелей в части воздействия климатических факторов внешней среды должны соответствовать группе 5 (ОЖ4) по ГОСТ 15150.

9.3 При хранении в складских условиях и под навесом кабели должны быть защищены от воздействия солнечного излучения, атмосферных осадков, агрессивных сред и механических воздействий. В воздухе не должны присутствовать пары кислот и другие агрессивные примеси, вредно воздействующие на кабели и тару.

10 Указания по эксплуатации

10.1 Растягивающая нагрузка при прокладке, монтаже и эксплуатации кабелей должна быть не более указанной в технических условиях на кабели конкретных марок.

10.2 Монтаж кабелей должен соответствовать требованиям соответствующих строительных норм, правил и руководящих документов.

10.3 Кабели допускается эксплуатировать при температуре окружающей среды:

- от минус 60 °С до плюс 60 °С - для кабелей в оболочке из светостабилизированного полиэтилена;

- от минус 40 °С до плюс 60 °С - для остальных кабелей.

10.4 Проверка и монтаж кабелей в оболочке из светостабилизированного полиэтилена должны быть проведены при температуре окружающей среды не ниже минус 20 °С, остальных кабелей - не ниже минус 10 °С.

10.5 Радиус изгиба кабелей при монтаже должен быть не менее восьми максимальных наружных диаметров кабеля.

В технически обоснованных случаях в технических условиях на кабели конкретных марок допускается устанавливать меньший радиус изгиба.

10.6 В процессе прокладки, монтажа и эксплуатации кабелей не допускается попадание влаги или почвенных электролитов под оболочку кабеля через его концы. Подача внутрь кабеля и/или нанесение на оболочку кабелей веществ, вредно воздействующих на элементы кабеля, не допускаются.

10.7 Преимущественные области применения кабелей в зависимости от типа исполнения и класса пожарной опасности по ГОСТ Р 53315 должны соответствовать указанным в таблице 19.

Таблица 19

Тип исполнения кабеля

Класс пожарной опасности

Преимущественная область применения

Кабели в оболочке из поливинилхлоридного пластиката

Без исполнения

О1.8.2.3.4

Для одиночной прокладки в кабельных сооружениях и производственных помещениях. Групповая прокладка разрешается только в наружных электроустановках и производственных помещениях, где возможно лишь периодическое присутствие обслуживающего персонала, при этом необходимо применять пассивную огнезащиту

Кабели в оболочке из поливинилхлоридного пластиката пониженной пожарной опасности

Для прокладки во внутренних электроустановках, а также в зданиях, сооружениях и закрытых кабельных сооружениях с учетом объема горючей нагрузки

нг(A)-LS

П1б.8.2.2.2

нг(B)-LS

П2.8.2.2.2

нг(C)-LS

П3.8.2.2.2

нг(D)-LS

П4.8.2.2.2

Кабели в оболочке из полимерных композиций, не содержащих галогенов

Для прокладки во внутренних электроустановках, а также в зданиях и сооружениях с массовым пребыванием людей, в том числе многофункциональных высотных зданиях и зданиях-комплексах с учетом объема горючей нагрузки

нг(A)-HF

П1б.8.1.2.1

нг(B)-HF

П2.8.1.2.1

нг(C)-HF

П3.8.1.2.1

нг(D)-HF

П4.8.1.2.1

11 Гарантии изготовителя

11.1 Изготовитель гарантирует соответствие кабелей требованиям настоящего стандарта и технических условий на кабели конкретных марок при соблюдении условий транспортирования, хранения, монтажа и эксплуатации кабелей.

11.2 Гарантийный срок эксплуатации кабелей - 3 года. Гарантийный срок исчисляют с даты ввода кабеля в эксплуатацию, но не позднее 6 мес с даты изготовления.

Приложение А
(справочное)

Дополнительные термины и определения

В настоящем приложении приведены дополнительные термины с соответствующими определениями, необходимые для инсталляторов структурированных кабельных систем.

А.1 разность переходного затухания на ближнем конце и коэффициента затухания (attenuation near-end crosstalk ratio); ACR-N: Арифметическая разность между переходным затуханием на ближнем конце NEXT и коэффициентом затухания а подверженной влиянию пары

ACR-N = NEXT - α.                                                   (A.1)

А.2 разность переходного затухания на дальнем конце и коэффициента затухания (attenuation far-end crosstalk); ACR-F: Арифметическая разность между переходным затуханием на дальнем конце FEXT и коэффициентом затухания α подверженной влиянию пары

ACR-F = FEXT - α.                                                   (A.2)

По определению ACR-F равняется защищенности на дальнем конце EL FEXT

ACR-F = EL FEXT.                                                   (A.3)

А.3 разность переходного затухания на ближнем конце между кабелями и коэффициента затухания (attenuation alien near-end crosstalk ratio); A ACR-N: Арифметическая разность между переходным затуханием на ближнем конце между кабелями A NEXT и коэффициентом затухания а подверженной влиянию пары

A ACR-N = A NEXT - α.                                              (A.4)

А.4 разность переходного затухания на дальнем конце между кабелями и коэффициента затухания (attenuation alien far-end crosstalk ratio); A ACR-F: Арифметическая разность между переходным затуханием на дальнем конце между кабелями A FEXT и коэффициентом затухания а подверженной влиянию пары

A ACR-F = A FEXT - α.                                               (A.5)

По определению A ACR-F равняется защищенности на дальнем конце между кабелями

A ACR-F = EL A FEXT.                                                (A.6)

Приложение Б
(обязательное)

Расцветка изоляции жил и пучков

Таблица Б.1 - Расцветка изоляции жил в элементарном пучке или в 25-парном пучке, или сердечнике

Условный номер пар в элементарном или 25-парном пучке, или сердечнике

Обозначение и расцветка жил в паре

а

b

1

Белый

Голубой

2

Оранжевый

3

Зеленый

4

Коричневый

5

Серый

6

Красный

Голубой

7

Оранжевый

8

Зеленый

9

Коричневый

10

Серый

11

Черный

Голубой

12

Оранжевый

13

Зеленый

14

Коричневый

15

Серый

16

Желтый

Голубой

17

Оранжевый

18

Зеленый

19

Коричневый

20

Серый

21

Фиолетовый

Голубой

22

Оранжевый

23

Зеленый

24

Коричневый

25

Серый

Таблица Б.2 - Расцветка изоляции жил в элементарном или главном пучке, или сердечнике до 25 четверок

Условный номер четверок в элементарном или главном пучке, или сердечнике

Обозначение и расцветка жил в паре

а

b

с

d

1

Белый

Голубой

Бирюзовый

Фиолетовый

2

Оранжевый

3

Зеленый

4

Коричневый

5

Серый

6

Красный

Голубой

Бирюзовый

Фиолетовый

7

Оранжевый

8

Зеленый

9

Коричневый

10

Серый

11

Черный

Голубой

Бирюзовый

Фиолетовый

12

Оранжевый

13

Зеленый

14

Коричневый

15

Серый

16

Желтый

Голубой

Бирюзовый

Фиолетовый

17

Оранжевый

18

Зеленый

19

Коричневый

20

Серый

21

Розовый

Голубой

Бирюзовый

Фиолетовый

22

Оранжевый

23

Зеленый

24

Коричневый

25

Серый

Таблица Б.3 - Расцветка скрепляющих элементов элементарных пучков

Условный номер элементарного пучка

Цвет скрепляющих элементов

Условный номер элементарного пучка

Цвет скрепляющих элементов

1

Голубой

11

Белый - Голубой

2

Оранжевый

12

Белый - Оранжевый

3

Зеленый

13

Белый - Зеленый

4

Коричневый

14

Белый - Коричневый

5

Серый

15

Белый - Серый

6

Белый

16

Красный - Голубой

7

Красный

17

Красный - Оранжевый

8

Черный

18

Красный - Зеленый

9

Желтый

19

Красный - Коричневый

10

Фиолетовый

20

Красный - Серый

Таблица Б.4 - Расцветка скрепляющих элементов 25-парных и главных пучков

Условный номер элементарного пучка

Цвет скрепляющих элементов

Условный номер элементарного пучка

Цвет скрепляющих элементов

1

Голубой

3

Зеленый

2

Оранжевый

4

Коричневый

Приложение В
(рекомендуемое)

Параметры симметрирующих трансформаторов

Таблица В.1 - Параметры симметрирующих трансформаторов

Параметр

Значение параметров для классов симметрирующих трансформаторов

А-250

А-600

В

Сопротивление несимметричного входа, Ом

50

50

50

Сопротивление симметричного входа, Ом

100

100

100

Затухание, дБ, не более

3

3

10

Затухание отражения симметричного входа, дБ, не менее

20

12, для f = 5- 15 МГц

20, для f = 15 - 550 МГц

17,5, для f = 550 - 600 МГц

6

Затухание отражения несимметричного входа, дБ, не менее

10

15, для f = 5 - 15 МГц

20, для f = 15 - 400 МГц

15, для f = 400 - 600 МГц

10

Допустимая мощность, Вт, не менее

0,1

0,1

0,1

Продольное симметрирование, дБ, не менее

60

60, для f = 15 - 350 МГц

50, для f = 350 - 600 МГц

35

Симметрирование выходного сигнала, дБ, не менее

50

60, для f = 15 - 350 МГц

50, для f = 350 - 600 МГц

35

Затухание несимметричного входа, дБ, не менее

50

60, для f = 15 - 350 МГц

50, для f = 350 - 600 МГц

35

Примечания

1 Для обеспечения наибольшей точности измерений симметрирующие трансформаторы (СТ) должны быть поставлены в комплекте с соединителями (например, с соединителями по международному стандарту МЭК 60169-22 [2]).

2 При испытаниях на частотах до 250 МГц следует использовать СТ класса А-250.

3 При испытаниях на частотах до 600 МГц следует использовать СТ класса А-600.

4 Для СТ класса В имеется несоответствие между затуханием и затуханием отражения. Затухание отражения может быть улучшено с помощью аттенюатора, который увеличивает затухание. Если затухание отражения менее 10 дБ, то затухание должно быть менее 5 дБ. Если затухание выше 5 дБ, то затухание отражения должно быть выше 10 дБ.

Библиография

[1] Международный стандарт ИСО/МЭК 11801:1995

Информационные технологии. Универсальные кабельные системы зданий

ISO/IEC 11801:1995

Information technology - Generic cabling for customer premises

[2] Международный стандарт МЭК 60169-22:1985

Соединители радиочастотные. Часть 22. Радиочастотные двухполюсные соединители с байонетным соединением, применяемые для экранированных симметричных кабелей с двойными внутренними проводниками (тип BNO)

IEC 60169-22:1985

Radio-frequency connectors - Part 22: R.F. two-pole bayonet coupled connectors for use with shielded balanced cables having twin inner conductors (Type BNO)

 

Ключевые слова: симметричные кабели, цифровые системы передачи, структурированные кабельные системы, коэффициент затухания, волновое сопротивление, переходное затухание на ближнем конце, защищенность на дальнем конце, методы контроля, маркировка, упаковка