Low-voltage electrical installation. Part 7-717. Requirements for special installations or locations. Mobil or transportable units

ФЕДЕРАЛЬНОЕ АГЕНТСТВО
ПО ТЕХНИЧЕСКОМУ РЕГУЛИРОВАНИЮ И МЕТРОЛОГИИ

НАЦИОНАЛЬНЫЙ
СТАНДАРТ
РОССИЙСКОЙ
ФЕДЕРАЦИИ

ГОСТ Р
50571.7.717-2011/
МЭК 60364-7-717:2009

ЭЛЕКТРОУСТАНОВКИ НИЗКОВОЛЬТНЫЕ

Часть 7-717

Требования к специальным установкам или местам
их расположения
М
обильные или транспортируемые модули

IEC 60364-7-717:2009
Low-voltage electrical installation -
P
art 7-717: Requirements for special installations or locations -
M
obile or transportable units
(IDT)

Москва
Стандартинформ
2012

Предисловие

Цели и принципы стандартизации в Российской Федерации установлены Федеральным законом от 27 декабря 2002 г. № 184-ФЗ «О техническом регулировании», а правила применения национальных стандартов Российской Федерации» - ГОСТ Р 1.0-2004 «Стандартизация в Российской Федерации. Основные положения»

Сведения о стандарте

1. ПОДГОТОВЛЕН Негосударственным образовательным учреждением высшего профессионального образования «Московский институт энергобезопасности и энергосбережения» (НОУ ВПО «МИЭЭ») на основе собственного аутентичного перевода на русский язык международного стандарта, указанного в пункте 4

2. ВНЕСЕН Техническим комитетом по стандартизации ТК 337 «Электрические установки зданий»

3. УТВЕРЖДЕН И ВВЕДЕН В ДЕЙСТВИЕ Приказом Федерального агентства по техническому регулированию и метрологии от 13 декабря 2011 г. № 928-ст

4. Настоящий стандарт идентичен международному стандарту МЭК 60364-7-717:2009 «Низковольтные электрические установки. Часть 7-717: Требования к специальным установкам или местам расположения. Мобильные или транспортируемые модули» (IEC 60364-7-717:2009 «Low-voltage electrical installation - Part 7-717: Requirements for special installations or locations - Mobile or transportable units»).

При применении настоящего стандарта рекомендуется использовать вместо ссылочных международных стандартов соответствующие им национальные стандарты Российской Федерации, сведения о которых приведены в приложении ДА

5. ВВЕДЕН ВПЕРВЫЕ

Информация об изменениях к настоящему стандарту публикуется в ежегодно издаваемом информационном указателе «Национальные стандарты», а текст изменений и поправок - в ежемесячно издаваемых указателях «Национальные стандарты». В случае пересмотра (замены) или отмены настоящего стандарта соответствующее уведомление будет опубликовано в ежемесячно издаваемом информационном указателе «Национальные стандарты». Соответствующая информация, уведомление и тексты размещаются также в информационной системе общего пользования - на официальном сайте Федерального агентства по техническому регулированию и метрологии в сети Интернет

СОДЕРЖАНИЕ

717.1 Область применения. 3

717.2 Нормативные ссылки. 4

717.30 Общие характеристики. 5

717.31 Назначение, источники питания и конструкции. 5

717.312 Устройство проводников и системы заземления. 5

717.313 Источники питания. 5

717.4 Защита для обеспечения безопасности. 6

717.41 Защита от поражения электрическим током.. 6

717.411 Защитная мера: автоматическое отключение питания. 6

717.413 Защитная мера: электрическое разделение. 7

717.415 Дополнительная защита. 7

717.43 Защита от сверхтока. 7

717.431 Требования в зависимости от типа цепи. 7

717.5 Выбор и монтаж электрооборудования. 7

717.51 Общие требования. 7

717.514 Маркировка. 7

717.52 Электропроводки. 8

717.521 Виды электропроводок. 8

717.522 Монтаж кабелей. 8

717.55 Прочее оборудование. 8

Приложение А (справочное) Список примечаний относительно применения МЭК 60364-7-717 для отдельных стран. 15

Приложение ДА (справочное) Сведения о соответствии ссылочных международных стандартов ссылочным национальным стандартам Российской Федерации. 16

Библиография. 17

Введение

По структуре построения и изложения требований международный стандарт МЭК 60364-7-717:2009 «Низковольтные электрические установки. Часть 7-717: Требования к специальным установкам или местам их расположения. Мобильные или транспортируемые модули» дополняет, изменяет или заменяет требования соответствующих стандартов МЭК, входящих в комплекс международных стандартов МЭК 60364, который состоит из частей:

Часть 1. Электроустановки низковольтные. Основные положения, оценка общих характеристик, термины и определения.

Часть 4. Электроустановки низковольтные. Требования по обеспечению безопасности:

Часть 4-41. Защита от поражения электрическим током.

Часть 4-42. Защита от тепловых воздействий.

Часть 4-43. Защита от сверхтоков.

Часть 4-44. Защита от отклонения напряжения и электромагнитных помех.

Часть 5. Электроустановки низковольтные. Выбор и монтаж электрооборудования:

Часть 5-51. Общие требования.

Часть 5-52. Электропроводки.

Часть 5-53. Аппаратура отделения, коммутации и управления.

Часть 5-54. Заземляющие устройства, защитные проводники и проводники уравнивания потенциалов.

Часть 5-55. Прочее оборудование.

Часть 5-56. Системы безопасности.

Часть 6. Электроустановки низковольтные. Испытания.

Часть 7. Электроустановки низковольтные. Требования к специальным установкам и местам их расположения.

В настоящем стандарте нумерация раздела или пункта через точку после обозначения 717 относится к нумерации раздела или пункта одного из стандартов серии стандартов МЭК 60364, например нумерация подраздела в настоящем стандарте 717.313 относится к требованиям раздела 313 стандарта МЭК 60364-1 и дополняет эти требования применительно к мобильным или транспортируемым модулям.

ГОСТ Р 50571.7.717-2011/
МЭК 60364-7-717:2009

НАЦИОНАЛЬНЫЙ СТАНДАРТ РОССИЙСКОЙ ФЕДЕРАЦИИ

ЭЛЕКТРОУСТАНОВКИ НИЗКОВОЛЬТНЫЕ

Часть 7-717

Требования к специальным установкам или местам их расположения
Мобильные или транспортируемые модули

Low-voltage electrical installations. Part 7-717. Requirements for special installations or locations.
Mobile or transportable units

Дата введения - 2013-01-01

717.1. Область применения

Настоящий стандарт распространяется на мобильные и транспортируемые модули, которые содержат в себе всю или часть электроустановки для выполнения функции электроснабжения модулей, например передвижные модули для телевидения, радиовещания, оказания медицинских услуг, размещения мобильной рекламы, пожарные машины, модули специальных информационных технологий, модули для помощи при бедствиях, торговые модули и т.п.

Настоящий стандарт устанавливает требования при объединении двух и более модулей в единую электрическую установку (см. 717.551.6 и 717.551.7).

Стандарт не распространяется на:

- электроустановки автотранспортных средств и автоприцепов;

- генераторные установки;

- электроустановки прогулочных судов по МЭК 60092-507 [1];

- оборудование производственных машин и механизмов по МЭК 60204-1 [2];

- оборудование электротранспортных средств, в т.ч. безрельсового транспорта;

- электроустановки мобильных или транспортируемых жилых домов, офисов и других объектов длительного пользования и места их расположения.

Настоящий стандарт применяется совместно с серией стандартов МЭК 60364. В ряде случаев при необходимости следует учитывать дополнительные требования, установленные в стандартах МЭК 60364-7, например для ванных и душевых помещений и медицинских помещений и т.п.

717.2. Нормативные ссылки

Перечисленные ниже ссылочные документы являются обязательными при применении настоящего стандарта. Для датированных ссылок применяется только указанное издание соответствующего нормативного документа. Для недатированных ссылок применяется последнее издание соответствующего нормативного документа.

МЭК 60227-3 Кабели с поливинилхлоридной изоляцией на номинальное напряжение до 450/750 В включительно. Часть 3. Кабели без оболочки для стационарной прокладки (IEC 60227-3, Polyvinyl chloride insulated cables of rated voltages up to and including 450/750 V - Part 3: Non-sheathed cables for fixed wiring)

МЭК 60245-4 Кабели с резиновой изоляцией на номинальное напряжение до 450/750 В включительно. Часть 4. Шнуры и гибкие кабели (IEC 60245-4, Rubber insulated cables - Rated voltages up to and including 450/750 V - Part 4: Cords and flexible cables)

МЭК 60309-1 Вилки, розетки и соединители промышленного назначения. Часть 1. Общие требования (IEC 60309-1, Plugs, socket-outlets and couplers for industrial purposes - Part 1: General requirements)

МЭК 60309-2 Вилки, розетки и соединители промышленного назначения. Часть 2. Требования к размерной взаимозаменяемости арматуры со штырями и контактными гнездами (IEC 60309-2, Plugs, socket-outlets and couplers for industrial purposes - Part 2: Dimensional interchangeability requirements for pin and contact-tube accessories)

МЭК 60364-4-41 Электрические установки зданий. Часть 4-41. Защита для обеспечения безопасности. Защита от поражения электрическим током (IEC 60364-4-41, Electrical installations of buildings - Part 4-41: Protection for safety - Protection against electric shock)

МЭК 60364-5-55 Электрические установки зданий. Часть 5-55. Выбор и монтаж электрооборудования. Прочее оборудование (IEC 60364-5-55, Electrical installations of buildings - Part 5-55: Selection and erection of electrical equipment. Other equipment)

МЭК 60364-7 (все части) Низковольтные электрические установки. Часть 7. Требования к специальным установкам или помещениям (IEC 60364-7 (all parts), Low-voltage electrical installations - Part 7. Requirements for special installations or locations)

МЭК 60884-1 Вилки и розетки бытового и аналогичного назначения. Часть 1. Общие требования (IEC 60884-1, Plugs, socket-outlets for household and similar purposes - Part 1: General requirements)

МЭК 61084 (все части) Системы кабельных коробов и каналов для электрических установок (IEC 61084 (all parts), Cable trunking and ducting systems for electrical installations)

МЭК 61140 Защита от поражения электрическим током. Общие аспекты, связанные с электроустановками и электрооборудованием (IEC 61140, Protection against electric shock - Common aspects for installation and equipment)

МЭК 61386-21 Системы кабелепроводов для электрических установок. Часть 21. Частные требования. Системы жесткие кабелепроводов (IEC 61386-21, Conduit systems for cable management - Part 21: Particular requirements - Rigid conduit systems)

МЭК 61386-22 Системы кабелепроводов для электрических установок. Часть 22. Частные требования. Системы гибких кабелепроводов (IEC 61386-22, Conduit systems for cable management - Part 22: Particular requirements - Pliable conduit systems)

МЭК 61386-23 Системы кабелепроводов для электрических установок. Часть 23. Частные требования. Гибкие системы кабелепроводов (IEC 61386-23, Conduit systems for cable management - Part 23: Particular requirements - Flexible conduit systems)

717.30. Общие характеристики

717.31. Назначение, источники питания и конструкции

717.312. Устройство проводников и системы заземления

717.312.2. Типы заземления систем

Типы заземления систем - по МЭК 60364-1 (пункт 312.2) со следующим дополнением:

Использование в настоящем стандарте обозначений TN, ТТ или IT означает обязательность применения принципов построения защит, соответствующих этим системам.

Если в модуле не обеспечивается соединение с заземлителем, может быть достаточным соединение с проводящим корпусом или с системой защитного уравнивания потенциалов модуля.

717.312.2.1. Системы TN

Системы TN - по МЭК 60364-1 (пункт 312.2.1) со следующим дополнением:

Примечание - Использование системы TN-C не допускается.

717.313. Источники питания

Применяют МЭК 60364-1 (подраздел 313) со следующим дополнением:

Для электроснабжения модуля используют один или несколько следующих способов:

а) соединение с низковольтным генератором в соответствии с МЭК 60364-5-55 (см. рисунки 717.1 и 717.2);

b) соединение со стационарной электрической установкой, в которой обеспечены защитные меры (см. рисунок 717.3);

c) соединение, обеспечивающее простое разделение от стационарной электрической установки в соответствии с МЭК 61140 (см. рисунки 717.4, 717.5, 717.6 и 717.7);

d) соединение, обеспечивающее электрическое разделение от стационарной электрической установки (см. пример на рисунке 717.8).

Примечание 1 - В случаях a), b) и c), заземлитель может быть необходим.

Примечание 2 - В случае применения соединения по рисунку 717.4 заземлитель может быть необходимым в защитных целях (см. перечисление b), второй дефис 717.411.6.2).

Примечание 3 - Простое разделение или электрическое разделение, применяется, например, если в модуле установлено оборудование для информационных технологий или если необходимо уменьшение электромагнитных воздействий, или ожидаются высокие значения токов утечки (использование преобразователей частоты), и/или модуль выполняется универсальным со стороны питания (как в модулях для борьбы со стихийными бедствиями).

Источники питания, средства соединения или разделения могут быть внутри модуля.

Примечание 4 - В местах, где существует потенциальная опасность повреждения соединения с внешней установкой из-за перемещения модуля, модуль рекомендуется оборудовать электрической взаимной блокировкой, предупреждением, аварийным сигналом или другим соответствующим способом.

Примечание 5 - Применительно к настоящему стандарту инверторы питания или преобразователи частоты, которые питаются от низковольтных передвижных электрических систем или вспомогательных систем двигателей внутреннего сгорания, также рассматривают как низковольтные генераторные установки.

Инверторы питания или преобразователи частоты должны включать простое разделение, где обе системы постоянного тока и переменного тока заземляют.

717.4. Защита для обеспечения безопасности

717.41. Защита от поражения электрическим током

717.411. Защитная мера: автоматическое отключение питания

Применяют МЭК 60364-4-41 (подраздел 411.1) со следующим дополнением:

a) Для применения в соответствии с перечислением а) 717.313 разрешаются только TN и IT-системы.

Защита должна быть обеспечена автоматическим отключением питания:

- в системе TN в соответствии с 717.411.4.1;

- в IT-системе в соответствии с 717.411.6.2.

b) Для применения в соответствии с перечислением b) 717.313 автоматическое отключение питание осуществляется устройством контроля дифференциального тока, с номинальным дифференциальным током не более 30 мА.

c) Во всех случаях от перечислений a) до d) 717.313 любое оборудование, установленное между источником питания и защитным устройством, обеспечивающим автоматическое отключение питания в пределах модуля, включая сами эти защитные устройства, должно быть защищено оборудованием класса II или эквивалентной изоляцией.

717.411.3. Защита при повреждении

717.411.3.1. Защитное заземление и защитное уравнивание потенциалов

717.411.3.1.2. Защитное уравнивание потенциалов

Применяют МЭК 60364-4-41 (пункт 411.3.1.1) со следующим дополнением:

Доступные проводящие части модуля, такие как шасси, должны быть соединены через защитные проводники уравнивания потенциалов к основному зажиму заземления в пределах модуля. Защитные проводники уравнивания должны быть многопроволочными.

Примечание - Применяют кабели типа 227 МЭК 02 в соответствии с МЭК 60227-3.

717.411.4. Система TN

717.411.4.1.

Применяют МЭК 60364-4-41 (пункт 411.4.1) со следующим дополнением:

В случаях, где система TN принята в пределах модуля с проводящим корпусом и используется в соответствии с перечислениями a) или c) 717.313, этот корпус должен быть соединен с нейтральной точкой или, если она недоступна, с линейным проводником (см. рисунки 717.1, 717.2 и 717.6).

Для модуля без проводящего корпуса открытые проводящие части оборудования в модуле должны быть соединены с нейтральной точкой или, если она недоступна, с линейным проводником.

717.411.6. Система IT

717.411.6.2.

Применяют МЭК 60364-4-41 (пункт 411.6.2) со следующим дополнением:

Если в пределах модуля с проводящим корпусом используется IT-система, необходимо соединение открытых проводящих частей оборудования с проводящим корпусом.

Для модуля без проводящего корпуса внутренние открытые проводящие части должны быть соединены друг с другом и с защитным проводником.

IT-система может быть применена с использованием:

a) разделительного трансформатора или низковольтного генератора с устройством контроля состояния изоляции или устройством контроля отказа изоляции, в обоих случаях без автоматического отключения питания в случае первого отказа и без необходимости заземления (см. рисунок 717.7); второй отказ должен приводить к автоматическому отключению питания защитой от сверхтока согласно МЭК 60364-4-41 (411.6.4);

b) разделительного трансформатора, обеспечивающего электрическое разделение, например, в соответствии с МЭК 60364-4-41, если:

- устанавливается устройство контроля изоляции, обеспечивая автоматическое отключение питания в случае первого отказа между токоведущими частями и металлической конструкцией модуля (см. рисунок 717.5), или

- устанавливается устройство контроля дифференциального тока и заземление, обеспечивающие автоматическое отключение питания в случае короткого замыкания в трансформаторе, обеспечивающем простое разделение (см. рисунок 717.4).

Любое оборудование, используемое вне модуля, должно быть защищено устройством контроля дифференциального тока, с номинальным дифференциальным током не более 30 мА.

717.413. Защитная мера: электрическое разделение

Применяют МЭК 60364-4-41 (раздел 413) со следующим дополнением:

(Например, см. рисунок 717.8.)

717.415. Дополнительная защита

717.415.1. Дополнительная защита: устройство контроля дифференциального тока (УДТ)

Применяют МЭК 60364-4-41 (подраздел 415.1) со следующим дополнением:

Дополнительная защита устройством контроля дифференциального тока с номинальным дифференциальным током не более 30 мА должна быть установлена для всех розеток, предназначенных для подключения оборудования вне модуля, за исключением розеток, которые запитываются от цепей с защитой типа:

- БСНН, или

- ЗСНН, или

- электрическое разделение.

717.43. Защита от сверхтока

717.431. Требования в зависимости от типа цепи

717.431.1. Защита линейных проводников

Применяют МЭК 60364-4-43 (подраздел 431.1) [3]со следующим дополнением:

В местах, где питание осуществляется в соответствии с перечислениями а) или с) 717.313 и где линейный проводник соединен с проводящим корпусом модуля, защитное устройство от сверхтока не требуется в этом линейном проводнике.

717.5. Выбор и монтаж электрооборудования

717.51. Общие требования

717.514. Маркировка

Применяют МЭК 60364-5-51 (раздел 514) [4] со следующим дополнением:

На модуле должна быть размещена хорошо различимая уведомительная табличка, предпочтительно в месте присоединения. На табличке должно быть указано следующее:

- тип источника питания, к которому может быть подключен модуль;

- номинальное напряжение модуля;

- число фаз и их конфигурация;

- параметры заземления;

- максимальная расчетная мощность модуля.

Для розеток, индивидуально защищенных защитной мерой «электрическое разделение» [см. МЭК 60364-4-41 (пункт 413.1.2)], рядом должна быть выполнена надпись, указывающая, что к данной розетке допускается подключать только один электроприбор.

717.52. Электропроводки

717.521. Виды электропроводок

Применяют МЭК 60364-5-52 (раздел 521) [5] со следующим дополнением:

Для соединения модуля с источником питания используют кабели типа 245 согласно МЭК 60245-4 или кабели эквивалентной конструкции с минимальной площадью поперечного сечения 2,5 мм2 (медь). Гибкий кабель должен вводиться в модуль через изолированное отверстие таким образом, чтобы минимизировать возможность любого повреждения изоляции или отказа, который мог бы привести к появлению напряжения на проводящих частях модуля. Кабельная оболочка должна быть надежно закреплена в сальниковом вводе или закреплена на модуле способом, исключающим механические напряжения в соединении после завершения монтажа.

717.522. Монтаж кабелей

Применяют МЭК 60364-5-52 (раздел 522) [5] со следующим дополнением:

Для выполнения электропроводки используют один или несколько из следующих способов:

a) изолированные одножильные кабели, с гибкими проводниками или с многожильными проводниками (минимум 7 жил), в

- неметаллических трубах, или

- неметаллических коробах, или

- неметаллических специальных коробах;

b) бронированные гибкие кабели.

Все кабели должны соответствовать требованиям МЭК 60227-3 и МЭК 60332-1-2 [6].

Трубы должны соответствовать требованиям МЭК 61386-21, МЭК 61386-22 или МЭК 61386-23.

Кабельные короба или специальные кабельные короба должны соответствовать требованиям МЭК 61084.

717.55. Прочее оборудование

717.551.6. Дополнительные требования к установкам, в которых генераторный агрегат обеспечивает электроснабжение при включении альтернативно основной системе электроснабжения установок

Применяют МЭК 60364-5-55 (подраздел 551.6) со следующим дополнением:

Модули с различными системами электропитания и различными системами заземления не должны соединяться.

717.551.7. Дополнительные требования для установок, где генераторный источник может работать параллельно с другими источниками, включая системы городского электроснабжения

Применяют МЭК 60364-5-55 (подраздел 551.7) со следующим дополнением:

Модули с различными системами электропитания и различными системами заземления не должны соединяться.

717.55.1. Вилки и розетки, устанавливаемые на модули, должны соответствовать МЭК 60309-1, МЭК 60309-2 или МЭК 60884-1, кроме соединителей для специального оборудования, такого как вещательное оборудование, где используют объединенные соединители для информационных сигналов и электропитания.

Соединительные устройства для присоединения модуля к источнику питания должны соответствовать МЭК 60309-1 или МЭК 60309-2, когда требуется взаимозаменяемость, и удовлетворять следующим требованиям:

- соединители должны иметь корпус из изоляционного материала;

- вилки и розетки соединителей должны обеспечивать степень защиты не менее IP 44, если расположены снаружи;

- входные отверстия устройств ввода соединителей должны обеспечивать степень защиты не менее IP 55;

- часть разъема с вилкой должна быть расположена на модуле.

717.55.2. Розетки, расположенные снаружи модуля, должны иметь корпус со степенью защиты не менее IP 54.

717.55.3. Источник питания сверхнизкого напряжения, который используется с защитными мерами, кроме БСНН или ЗСНН, смонтированный в модуле, должен автоматически выключаться в случае повреждения модуля (например, при проколе шин).

717.62.2.1.

Применяют МЭК 60364-6 [7] с дополнением:

Мобильные модули рекомендуется проверять не реже одного раза в 12 мес.

Примечание - Защита автоматическим отключением питания выполняется устройством контроля дифференциального тока (УЗО).

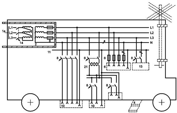
Рисунок 717.1 - Пример соединения с генератором низкого напряжения класса I
или класса II, расположенного в модуле с заземлителем или без него

Рисунок 717.2 - Пример соединения с генератором низкого напряжения класса II,
расположенного вне модуля

Пояснения к рисункам 717.1 и 717.2:

1с - соединение с генераторной установкой низкого напряжения в соответствии с МЭК 60364-5-55 (раздел 551);

2 - корпус класса защиты II или эквивалентная изоляция до первого защитного аппарата, обеспечивающего автоматическое отключение питания;

3 - проводящая лестница, если имеется;

4 - присоединение нейтральной точки (или, если она не доступна, линейного проводника) к проводящей конструкции модуля;

5 - розетки для использования исключительно в пределах модуля;

6 - проводник уравнивания потенциалов для соединения с основным зажимом заземления в соответствии с 717.411.3.1.2;

7a - к полюсу антенны, если имеется;

7b - к проводящей внешней лестнице, находящейся в контакте с землей, если имеется;

7с - к функциональному заземлителю, если требуется;

7d - к проводящему корпусу модуля;

7е - к защитному заземлителю, если имеется;

10 - розетки для подключения приборов для использования вне модуля;

13 - электроприборы для использования исключительно в пределах модуля;

14 - защитное устройство от сверхтока, если требуется;

15 - защитное устройство от сверхтока (например, однополюсный или двухполюсный выключатель);

16a - дополнительная защита устройством контроля дифференциального тока, с номинальным дифференциальным током не более 30 мА для защиты путем автоматического отключения питания цепей для оборудования, используемого вне модуля;

16b - дополнительная защита устройством контроля дифференциального тока, для защиты путем автоматического отключения питания цепей для использования в модуле [см. МЭК 60364-4-41 (пункты 411.4.4, 411.5.3 и 411.6.4)];

18 - главный заземляющий зажим или шина.

Рисунок 717.3 - Пример соединения со стационарной электрической установкой
с любым типом системы заземления, с автоматическим отключением посредством
устройства контроля дифференциального тока (УДТ), с заземлителем или без него

Пояснения к рисунку 717.3:

1b - присоединение модуля к источнику питания, в котором защитные меры эффективны;

2 - корпус класса защиты II или эквивалентная изоляция до первого защитного аппарата, обеспечивающего автоматическое отключение питания;

4 - проводящие лестницы, если имеются;

6 - проводник уравнивания потенциалов для соединения с основным зажимом заземления в соответствии с 717.411.3.1.2;

7a - к полюсу антенны, если имеется;

7b - к проводящей внешней лестнице, находящейся в контакте с землей, если имеется;

7c - к функциональному заземлителю, если требуется;

7d - к проводящему корпусу модуля;

7е - к защитному заземлителю, если имеется;

10 - розетки для подключения приборов для использования вне модуля;

13 - электроприборы для использования исключительно в пределах модуля;

14 - защитное устройство от сверхтока, если требуется;

15 - защитное устройство от сверхтока (например, однополюсный или двухполюсный выключатель);

16а - дополнительная защита устройством контроля дифференциального тока, с номинальным дифференциальным током не более 30 мА для защиты путем автоматического отключения питания цепей для оборудования, используемого вне модуля;

16b - дополнительная защита устройством контроля дифференциального тока для защиты путем автоматического отключения питания цепей для использования в модуле [см. МЭК 60364-4-41 (пункты 411.4.4, 411.5.3 и 411.6.4)];

18 - главный заземляющий зажим или шина.

Рисунок 717.4 - Пример соединения со стационарной электрической установкой
с любым типом системы заземления, с использованием простого разделительного
трансформатора и
IT-системы заземления с заземлителем

Рисунок 717.5 - Пример соединения с простым разделением и IT-системой с
устройством контроля изоляции и отключением после первого замыкания на землю

Рисунок 717.6 - Пример соединения с простым разделением и TN-системой
с заземлителем или без него

Пояснения к рисункам 717.4, 717.5 и 717.6:

1a - присоединение модуля к источнику питания, через разделительный трансформатор с простым разделением в соответствии с перечислением c) 717.313;

2 - корпус класса защиты II или эквивалентная изоляция до первого защитного аппарата, обеспечивающего автоматическое отключение питания;

4 - проводящие лестницы, если имеются;

5 - розетки для использования исключительно в пределах модуля;

6 - проводник уравнивания потенциалов для соединения с основным зажимом заземления в соответствии с 717.411.3.1.2;

7a - к полюсу антенны, если имеется;

7b - к проводящей внешней лестнице, находящейся в контакте с землей, если имеется;

7с - к функциональному заземлителю, если требуется;

7d - к проводящему корпусу модуля;

7е - к защитному заземлителю, если имеется;

8 - защитные устройства, если требуются, для защиты от сверхтока и/или для защиты отключением питания в случае второго замыкания;

9 - защитные устройства для защиты от сверхтока и для автоматического отключения питания в случае второго замыкания;

10a - трехфазная розетка для оборудования вне модуля;

10b - однофазная розетка для оборудования вне модуля;

13 - электроприборы для использования исключительно в пределах модуля;

14 - защитное устройство от сверхтока, если требуется;

16а - дополнительная защита устройством контроля дифференциального тока, с номинальным дифференциальным током не более 30 мА для защиты путем автоматического отключения питания цепей для оборудования, используемого вне модуля;

16b - дополнительная защита устройством контроля дифференциального тока, для защиты путем автоматического отключения питания цепей для использования в модуле [см. МЭК 60364-4-41 (пункты 411.4.4, 411.5.3 и 411.6.4)];

18 - главный заземляющий зажим или шина;

21 - трансформатор, например, для оборудования на 220 В;

25 - устройство контроля изоляции.

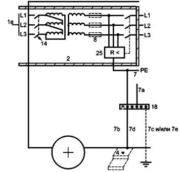
Рисунок 717.7 - Пример соединения со стационарной электрической установкой
с любым типом системы заземления, с использованием IT-системы заземления без
автоматического отключения после первого замыкания на землю

Пояснения к рисунку 717.7:

1а - присоединение модуля к источнику питания через разделительный трансформатор с простым разделением в соответствии с перечислением c) 717.313; соединение с проводником N/PEN требуется только там, где устанавливается защита от перенапряжений (на рисунке не показана);

2 - корпус класса защиты II или эквивалентная изоляция до первого защитного аппарата, обеспечивающего автоматическое отключение питания;

5а - соединение главного заземляющего зажима или шины (шина РЕ) к проводящему корпусу модуля;

6а - розетки для использования исключительно в пределах модуля для бесперебойного питания в случае первого замыкания;

6b - розетки для общего использования, если это требуется (отключение УЗО в случае первого замыкания не исключено);

8 - защитные устройства, если требуются, для защиты от сверхтока и/или для защиты отключением питания в случае второго замыкания;

10 - розетки для подключения приборов для использования вне модуля;

16с - дополнительная защита устройством контроля дифференциального тока, с номинальным дифференциальным током не более 30 мА для защиты розеток согласно МЭК 60364-4-41 (411.3.3);

18 - главный заземляющий зажим или шина (шина РЕ); соединение с землей не требуется;

21 - трансформатор, например, для оборудования на 220 В;

25 - устройство контроля изоляции или система контроля отказа изоляции, включая N-проводник, если имеется (отключение в случае второго замыкания);

28 - точка подключения к существующей системе защиты от удара молнии (если имеется) для защиты от электромагнитного импульса при ударе молнии (в случае необходимости).

Рисунок 717.8 - Пример соединения со стационарной электрической установкой
с любым типом системы заземления с использованием электрического разделения
посредством разделительного трансформатора

Пояснения к рисунку 717.8:

1а - присоединение модуля к источнику питания через трансформатор, обеспечивающий электрическое разделение;

2 - корпус класса защиты II или эквивалентная изоляция до первого защитного аппарата, обеспечивающего автоматическое отключение питания;

4 - проводящие лестницы, если имеются;

6 - розетки для использования исключительно в пределах модуля;

8 - защитные устройства, если требуются, для защиты от сверхтока и/или для защиты отключением питания в случае второго замыкания;

10 - розетки для подключения приборов для использования вне модуля;

11 - изолированная местная система уравнивания потенциалов в соответствии с МЭК 60364-4-41 (приложение C, раздел C.2);

13 - электроприборы для использования исключительно в пределах модуля;

14 - защитное устройство от сверхтока, если требуется;

21 - трансформатор, например, для оборудования на 220 В.

Приложение А
(справочное)

Список примечаний относительно применения МЭК 60364-7-717 для отдельных стран

Страна

Пункт, рисунок

Характеристики (постоянные или непостоянные согласно директивам МЭК)

Пояснения (детализированное объяснение для данной страны)

Формулировка

Италия

717.411.4

-

В Италии 717.411.4 не применим

Италия

717.411.6

-

В Италии 717.411.6 не применим

Австрия

Рисунок 717.7 6b

-

Рисунок 717.7, 6b (см. пояснения)

В Австрии не должны использоваться такие выходы розеток, потому что в таких IT-системах не выполняется функция дифференциальной защиты и может оказаться не доступной проверке согласно МЭК 60364-6

Приложение ДА
(справочное)

Сведения о соответствии ссылочных международных стандартов ссылочным
национальным стандартам Российской Федерации

Таблица ДА.1

Обозначение ссылочного международного стандарта

Степень соответствия

Обозначение и наименование соответствующего национального стандарта

МЭК 60227-3

IDT

ГОСТ Р МЭК 60227-3-2002 «Кабели с поливинилхлоридной изоляцией на номинальное напряжение до 450/750 В включительно. Кабели без оболочки для стационарной прокладки»

МЭК 60245-4

IDT

ГОСТ Р МЭК 60245-4-2008 «Кабели с резиновой изоляцией на номинальное напряжение до 450/750 В включительно. Часть 4. Шнуры и гибкие кабели»

МЭК 60309-1

MOD

ГОСТ Р 51323.1-99 (МЭК 60309-1-99) «Вилки, штепсельные розетки и соединительные устройства промышленного назначения. Часть 1. Общие требования»

МЭК 60309-2

MOD

ГОСТ Р 51323.2-99 (МЭК 60309-2-99) «Вилки, штепсельные розетки и соединительные устройства промышленного назначения. Часть 2. Требования к взаимозаменяемости размеров штырей и контактных гнезд соединителей»

МЭК 60332-1-2

IDT

ГОСТ Р МЭК 60332-1-2-2007 «Испытания электрических и оптических кабелей в условиях воздействия пламени. Часть 1-2. Испытание на нераспространение горения одиночного вертикально расположенного изолированного провода или кабеля. Проведение испытания при воздействии пламенем газовой горелки мощностью 1 кВт с предварительным смешением газов»

МЭК 60364-1

MOD

ГОСТ Р 50571.1-2009 (МЭК 60364-1:2005) «Электроустановки низковольтные. Часть 1. Основные положения, оценка общих характеристик, термины и определения»

МЭК 60364-4-41

IDT

ГОСТ Р 50571.3-2009 (МЭК 60364-4-41:2005) «Электроустановки низковольтные. Часть 4-41. Требования для обеспечения безопасности. Защита от поражения электрическим током»

МЭК 60364-4-43

NEQ

ГОСТ Р 50571.5-94 (МЭК 364-4-43-77) «Электроустановки зданий. Часть 4. Требования по обеспечению безопасности. Защита от сверхтока»

МЭК 60364-5-51

NEQ

ГОСТ Р 50571.24-2000 (МЭК 60364-5-51-97) «Электроустановки низковольтные. Часть 5. Выбор и монтаж электрооборудования. Глава 51. Общие требования»

МЭК 60364-5-52

IDT

ГОСТ Р 50571-5.52-2011/МЭК 60364-5-52:2009 «Электроустановки низковольтные. Часть 5-52. Выбор и монтаж электрооборудования. Электропроводки»

МЭК 60364-5-55

NEQ

ГОСТ Р 50571.29-2009 (МЭК 60364-5-55:2008) «Электрические установки зданий. Часть 5-55. Выбор и монтаж электрооборудования. Прочее оборудование»

МЭК 60364-6

MOD

ГОСТ Р 50571.16-2007 (МЭК 60364-6:2006) «Электроустановки низковольтные. Часть 6. Испытания»

МЭК 60884-1

MOD

ГОСТ Р 51322.1-2011 (МЭК 60884-1:2006) «Соединители электрические штепсельные бытового и аналогичного назначения. Часть 1. Общие требования и методы испытаний»

МЭК 61084-1:1991

IDT

ГОСТ Р МЭК 61084-1-2007 «Системы кабельных и специальных кабельных коробов для электрических установок. Часть 1. Общие требования»

МЭК 61084-2-1:1996

IDT

ГОСТ Р МЭК 61084-2-1-2007 «Системы кабельных и специальных кабельных коробов для электрических установок. Часть 2. Частные требования. Раздел 1. Системы кабельных и специальных кабельных коробов, предназначенные для установки на стенах и потолках»

МЭК 61084-2-2:2003

IDT

ГОСТ Р МЭК 61084-2-2-2007 «Системы кабельных и специальных кабельных коробов для электрических установок. Часть 2-2. Частные требования. Системы кабельных и специальных кабельных коробов, предназначенные для установки под и заподлицо с полом»

МЭК 61084-2-4:1996

IDT

ГОСТ Р МЭК 61084-2-4-2007 «Системы кабельных и специальных кабельных коробов для электрических установок. Часть 2. Частные требования. Раздел 4. Сервисные стойки»

МЭК 61386-21

*

МЭК 61386-22

*

МЭК 61386-23

*

МЭК 61140

IDT

ГОСТ Р МЭК 61140-2000 «Защита от поражения электрическим током. Общие положения по безопасности, обеспечиваемой электрооборудованием и электроустановками в их взаимосвязи»

МЭК 60092-507

*

МЭК 60204-1

IDT

ГОСТ Р МЭК 60204-1-2007 «Безопасность машин. Электрооборудование машин и механизмов. Часть 1. Общие требования»

* Соответствующий стандарт отсутствует.

Примечание - В настоящей таблице использованы следующие условные обозначения степени соответствия стандартов:

- IDT - идентичные стандарты;

- MOD - модифицированные стандарты;

- NEQ - неэквивалентные стандарты.

Библиография

[1]

МЭК 60092-507

Электрооборудование судов. Часть 507. Прогулочные суда

[2]

МЭК 60204-1:2005

Безопасность машин и механизмов. Электрооборудование промышленных машин. Часть 1. Общие требования

[3]

МЭК 60364-4-43

Электроустановки низковольтные. Часть 4-43. Требования по обеспечению безопасности. Защита от сверхтока

[4]

МЭК 60364-5-51

Электроустановки зданий. Часть 5-51. Выбор и монтаж электрооборудования. Общие требования

[5]

МЭК 60364-5-52

Электроустановки низковольтные. Часть 5-52. Выбор и монтаж электрооборудования. Электропроводки

[6]

МЭК 60332-1-2

Испытания электрических и оптических кабелей в условиях воздействия пламени. Часть 1-2. Испытание на нераспространение горения одиночного вертикально расположенного изолированного провода или кабеля. Проведение испытания при воздействии пламенем газовой горелки мощностью 1 кВт с предварительным смешением газов

[7]

МЭК 60364-6

Низковольтные электроустановки. Часть 6. Испытания

 

Ключевые слова: соединители электрические штепсельные, вилки и розетки бытовые, присоединение электрических приемников, требования безопасности, методы испытаний