Electromagnetic compatibility of technical equipment. Arc welding equipment. Part 10. Requirements and test methods

ФЕДЕРАЛЬНОЕ АГЕНТСТВО ПО
ТЕХНИЧЕСКОМУ РЕГУЛИРОВАНИЮ И МЕТРОЛОГИИ

НАЦИОНАЛЬНЫЙ
СТАНДАРТ

РОССИЙСКОЙ
ФЕДЕРАЦИИ

ГОСТ Р
51526-
2012

(МЭК 60974-10:2007)

Совместимость технических средств
электромагнитная

ОБОРУДОВАНИЕ ДЛЯ ДУГОВОЙ СВАРКИ

Часть 10

Требования и методы испытаний

IEC 60974-10:2007
ARC welding equipment - Part 10: Electromagnetic compatibility (EMC)
requirements
(MOD)

Москва

Стандартинформ

2013

Предисловие

Цели и принципы стандартизации в Российской Федерации установлены Федеральным законом от 27 декабря 2002 г. № 184-ФЗ «О техническом регулировании», а правила применения национальных стандартов Российской Федерации - ГОСТ Р 1.0-2004 «Стандартизация в Российской Федерации. Основные положения»

Сведения о стандарте

1 РАЗРАБОТАН Санкт-Петербургским филиалом «Ленинградское отделение Научно-исследовательского института радио» (филиал ФГУП НИИР-ЛОНИИР) и Техническим комитетом по стандартизации ТК 30 «Электромагнитная совместимость технических средств» на основе собственного аутентичного перевода на русский язык международного стандарта, указанного в пункте 4

2 ВНЕСЕН Техническим комитетом по стандартизации ТК «Электромагнитная совместимость технических средств»

3 УТВЕРЖДЕН И ВВЕДЕН В ДЕЙСТВИЕ Приказом Федерального агентства по техническому регулированию и метрологии от 15 ноября 2012 г. № 873-ст

4 Настоящий стандарт является модифицированным по отношению к международному стандарту МЭК 60974-10:2007 «Оборудование для дуговой сварки. Часть 10. Требования электромагнитной совместимости (ЭМС)» [IEC 60974-10:2007 «Arc welding equipment - Part 10: Electromagnetic compatibility (EMC) requirements]». При этом дополнительные положения и требования, включенные в текст стандарта для учета особенностей российской национальной стандартизации, выделены в тексте стандарта курсивом.

Наименование настоящего стандарта изменено относительно наименования указанного международного стандарта для приведения в соответствие с ГОСТ Р 1.5-2004 (пункт 3.5).

При применении настоящего стандарта рекомендуется использовать вместо ссылочных международных стандартов соответствующие им национальные стандарты Российской Федерации, сведения о которых приведены в дополнительном приложении ДА

5 ВЗАМЕН ГОСТ Р 51526-99

Информация об изменениях к настоящему стандарту публикуется в ежегодно издаваемом информационном указателе «Национальные стандарты», а текст изменений и поправок - в ежемесячно издаваемых информационных указателях «Национальные стандарты». В случае пересмотра (замены) или отмены настоящего стандарта соответствующее уведомление будет опубликовано в ежемесячно издаваемом информационном указателе «Национальные стандарты». Соответствующая информация, уведомления и тексты размещаются также в информационной системе общего пользования - на официальном сайте Федерального агентства по техническому регулированию и метрологии в сети Интернет

СОДЕРЖАНИЕ

1 Область применения. 3

2 Нормативные ссылки. 3

3 Термины и определения. 5

4 Общие требования к испытаниям.. 5

4.1 Условия испытаний. 5

4.2 Измерительное оборудование. 6

4.3 Эквивалент сети питания. 6

4.4 Пробник напряжения. 6

4.5 Антенны.. 6

5 Испытательная установка для измерения электромагнитных помех и помехоустойчивости. 6

5.1 Общие положения. 6

5.2 Нагрузка. 8

5.3 Вспомогательное оборудование. 8

6 Испытания на электромагнитные помехи. 9

6.1 Классификация оборудования. 9

6.2 Условия испытаний. 9

6.3 Нормы электромагнитных помех. 10

7 Испытания на помехоустойчивость. 12

7.1 Классификация. 12

7.3 Критерии качества функционирования при испытаниях на помехоустойчивость. 12

7.4 Уровни испытательных воздействий при испытаниях на помехоустойчивость. 13

8 Эксплуатационные документы.. 15

Приложение А (справочное) Установка оборудования для дуговой сварки и его использование. 16

Приложение В (справочное) Нормы.. 17

Приложение ДА (справочное) Сведения о соответствии ссылочных национальных стандартов международным стандартам, использованным в качестве ссылочных в примененном международном стандарте. 21

Библиография. 22

Предисловие к МЭК 60974-10:2007

Международный стандарт МЭК 60974-10:2007, издание 2, подготовлен Техническим комитетом 26 «Электрическая сварка» Международной электротехнической комиссии (МЭК).

Перечень частей стандарта серии МЭК 60974, имеющих общее наименование «Оборудование для дуговой сварки», можно найти на вэб-сайте МЭК.

Настоящий стандарт разработан в соответствии с основными требованиями, изложенными в [1].

НАЦИОНАЛЬНЫЙ СТАНДАРТ РОССИЙСКОЙ ФЕДЕРАЦИИ

Совместимость технических средств электромагнитная

ОБОРУДОВАНИЕ ДЛЯ ДУГОВОЙ СВАРКИ

Часть 10

Требования и методы испытаний

Electromagnetic compatibility of technical equipment.
Arc welding equipment. Part 10. Requirements and test methods

Дата введения - 2013-01-01

1 Область применения

Настоящий стандарт устанавливает:

a) применимые стандарты и методы испытаний для уровней создаваемых индустриальных радиопомех;

b) применимые стандарты и методы испытаний для гармонических составляющих тока, колебаний напряжения и фликера;

c) требования помехоустойчивости и методы испытаний при воздействии непрерывных и кратковременных кондуктивных и излучаемых помех, а также электростатических разрядов.

Настоящий стандарт распространяется на оборудование, предназначенное для дуговой сварки и использующее сходные процессы, включая источники питания, а также на вспомогательные устройства, например устройства подачи пруткового материала, жидкостные системы охлаждения, устройства зажигания и стабилизации дуги.

Примечания

1 Сходными процессами являются плазменная резка и контактно-дуговая сварка.

2 В настоящем стандарте не установлены основные требования безопасности к оборудованию для дуговой сварки, например, по защите от поражения электрическим током, небезопасного функционирования, координации изоляции и испытаниям соответствующих диэлектриков.

Тип оборудования для дуговой сварки, прошедший испытания и продемонстрировавший соответствие требованиям настоящего стандарта, считается отвечающим требованиям при всех его применениях.

2 Нормативные ссылки

В настоящем стандарте использованы нормативные ссылки на следующие стандарты:

ГОСТ Р 55055-2012 Радиопомехи индустриальные. Термины и определения

ГОСТ Р 50397-2011 (МЭК 60050-1990) Совместимость технических средств электромагнитная. Термины и определения

ГОСТ Р 51317.3.2-2006 (МЭК 61000-3-2:2005) Совместимость технических средств электромагнитная. Эмиссия гармонических составляющих тока техническими средствами с потребляемым током не более 16 А (в одной фазе). Нормы и методы испытаний

ГОСТ Р 51317.3.3-2008 (МЭК 61000-3-3:2005) Совместимость технических средств электромагнитная. Ограничение изменений напряжения, колебаний напряжения и фликера в низковольтных системах электроснабжения общего назначения. Технические средства с потребляемым током не более 16 А (в одной фазе), подключаемые к электрической сети при несоблюдении определенных условий подключения. Нормы и методы испытаний

ГОСТ Р 51317.3.4-2006 (МЭК 61000-3-4:1998) Совместимость технических средств электромагнитная. Эмиссия гармонических составляющих тока техническими средствами с потребляемым током более 16 А, подключаемыми к низковольтным системам электроснабжения. Нормы и методы испытаний

ГОСТ Р 51317.3.11-2006 (МЭК 61000-3-11:2000) Совместимость технических средств электромагнитная. Ограничение изменений напряжения, колебаний напряжения и фликера в низковольтных системах электроснабжения общего назначения. Технические средства с потребляемым током не более 75 А, подключаемые к электрической сети при определенных условиях. Нормы и методы испытаний

ГОСТ Р 51317.3.12-2006 (МЭК 61000-3-12:2004) Совместимость технических средств электромагнитная. Ограничение эмиссии гармонических составляющих тока, создаваемых техническими средствами с потребляемым током более 16 А, но не более 75 А (в одной фазе), подключаемыми к низковольтным системам электроснабжения общего назначения. Нормы и методы испытаний

ГОСТ Р 51317.4.2-2010 (МЭК 61000-4-2:2008) Совместимость технических средств электромагнитная. Устойчивость к электростатическим разрядам. Требования и методы испытаний

ГОСТ Р 51317.4.3-2006 (МЭК 61000-4-3:2006) Совместимость технических средств электромагнитная. Устойчивость к радиочастотному электромагнитному полю. Требования и методы испытаний

ГОСТ Р 51317.4.4-2007 (МЭК 61000-4-4:2004) Совместимость технических средств электромагнитная. Устойчивость к наносекундным импульсным помехам. Требования и методы испытаний

ГОСТ Р 51317.4.5-99 (МЭК 61000-4-5-95) Совместимость технических средств электромагнитная. Устойчивость к микросекундным импульсным помехам большой энергии. Требования и методы испытаний

ГОСТ Р 51317.4.6-99 (МЭК 61000-4-6-96) Совместимость технических средств электромагнитная. Устойчивость к кондуктивным помехам, наведенным радиочастотными электромагнитными полями. Требования и методы испытаний

ГОСТ Р 51317.4.11-2007 (МЭК 61000-4-11:2004) Совместимость технических средств электромагнитная. Устойчивость к провалам, кратковременным прерываниям и изменениям напряжения электропитания. Требования и методы испытаний

ГОСТ Р 51318.11-2006 (СИСПР 11:2003) Совместимость технических средств электромагнитная. Промышленные, научные, медицинские и бытовые (ПНМБ) высокочастотные устройства. Радиопомехи индустриальные. Нормы и методы испытаний

ГОСТ Р 51318.14.1-2006 (СИСПР 14-1-2003) Совместимость технических средств электромагнитная. Бытовые приборы, электрические инструменты и аналогичные устройства. Радиопомехи индустриальные. Нормы и методы измерений

ГОСТ Р 51318.16.1.1-2007 (СИСПР 16-1-1:2006) Совместимость технических средств электромагнитная. Требования к аппаратуре для измерения параметров индустриальных радиопомех и помехоустойчивости и методы измерений. Часть 1-1. Аппаратура для измерения параметров индустриальных радиопомех и помехоустойчивости. Приборы для измерения индустриальных радиопомех

ГОСТ Р 51318.16.1.2-2007 (СИСПР 16-1-2:2006) Совместимость технических средств электромагнитная. Требования к аппаратуре для измерения параметров индустриальных радиопомех и помехоустойчивости и методы измерений. Часть 1-2. Аппаратура для измерения параметров индустриальных радиопомех и помехоустойчивости. Устройства для измерения кондуктивных радиопомех и испытаний на устойчивость к кондуктивным радиопомехам

ГОСТ Р 51318.16.1.4-2008 (СИСПР 16-1-4:2007) Совместимость технических средств электромагнитная. Требования к аппаратуре для измерения параметров индустриальных радиопомех и помехоустойчивости и методы измерений. Часть 1-4. Аппаратура для измерения параметров индустриальных радиопомех и помехоустойчивости. Устройства для измерения излучаемых радиопомех и испытаний на устойчивость к излучаемым радиопомехам

Примечание - При пользовании настоящим стандартом целесообразно проверить действие ссылочных стандартов в информационной системе общего пользования - на официальном сайте Федерального агентства по техническому регулированию и метрологии в сети Интернет или по ежегодно издаваемому информационному указателю «Национальные стандарты», который опубликован по состоянию на 1 января текущего года, и по соответствующим ежемесячно издаваемым информационным указателям, опубликованным в текущем году. Если ссылочный стандарт заменен (изменен), то при пользовании настоящим стандартом следует руководствоваться заменяющим (измененным) стандартом. Если ссылочный стандарт отменен без замены, то положение, в котором дана ссылка на него, применяется в части, не затрагивающей эту ссылку.

3 Термины и определения

В настоящем стандарте применены термины по ГОСТ Р 55055, ГОСТ Р 50397, [2], а также следующие термины с соответствующими определениями:

3.1 кратковременная помеха (click): Помеха, значение которой превышает норму для непрерывной помехи, имеющей длительность не более 200 мс, и отстоящая от последующей помехи не менее чем на 200 мс.

Примечания

1 Оба интервала относятся к уровню нормы для непрерывной помехи.

2 Кратковременная помеха может состоять из ряда импульсов, при этом длительность помехи отсчитывают от начала первого до конца последнего импульса.

3.2 режим ожидания (idle state): Рабочий режим, при котором питание включено, но не подано на цепь сварки.

3.3 порт (port): Граница между сварочным оборудованием и внешней электромагнитной средой.

3.4 порт корпуса (enclosure port): Физическая граница устройства, через которую могут излучаться или проникать внутрь электромагнитные поля.

3.5 порт кабеля (cable port): Точка, в которой проводник или кабель подключен к аппаратуре.

4 Общие требования к испытаниям

4.1 Условия испытаний

Рабочие условия испытания оборудования должны соответствовать требованиям, приведенным в [3] или [4]. Испытания проводят при номинальных значениях напряжения питания и частоты.

Результаты, полученные при измерении электромагнитных помех и помехоустойчивости на частоте 50 Гц, считают справедливыми для такой же модели, работающей на частоте 60 Гц, и наоборот, результаты для модели с частотой 60 Гц справедливы для модели, работающей на частоте 50 Гц.

4.2 Измерительное оборудование

Измерительное оборудование должно соответствовать требованиям, указанным в ГОСТ 51318.16.1.1 и стандартах, приведенных в качестве основополагающих в таблицах 1 - 3 настоящего стандарта.

4.3 Эквивалент сети питания

Измерение напряжения помех сетевых зажимах выполняют с помощью эквивалента сети питания (V-образный эквивалент сети 50 Ом/50 мкГн по ГОСТ 51318.16.1.2).

Эквивалент сети питания необходим для обеспечения регламентированного полного высокочастотного сопротивления на сетевых зажимах источника питания в точке измерения, а также для развязки испытуемого оборудования от посторонних помех, проникающих по линиям питания.

4.4 Пробник напряжения

Пробник напряжения используют, если эквивалент сети питания использовать невозможно. Пробник включают последовательно между каждой линией и опорным заземлением.

Пробник состоит из разделительного конденсатора и резистора, обеспечивающих значение полного сопротивления между линией и опорным заземлением не менее 1500 Ом.

Дополнительная погрешность, обусловленная влиянием конденсатора пробника или любого другого устройства, которое может быть использовано для защиты входа измерительного приемника от перегрузки, на точность измерения, не должна превышать 1 дБ. При большем значении погрешности к пробнику прилагается калибровочная кривая.

4.5 Антенны

В полосе частот от 30 МГц до 1 ГГц используют антенны, тип которых указан в ГОСТ 51318.16.1.4. Измерения проводят при вертикальной и горизонтальной поляризациях антенны. Самая нижняя точка антенны должна находиться на высоте не менее 0,2 м относительно плоскости заземления.

5 Испытательная установка для измерения электромагнитных помех и помехоустойчивости

5.1 Общие положения

Испытание на электромагнитные помехи и помехоустойчивость проводят на оборудовании в соответствии со схемой, приведенной на рисунке 1. Оборудование для дуговой сварки, прошедшее испытание, считают соответствующим требованиям настоящего стандарта.

Если конструкция оборудования для дуговой сварки не позволяет выполнить испытания указанным способом, необходимо следовать рекомендациям изготовителя (например, выполнить временный обход или отсоединить схемы управления). Конфигурация испытуемого оборудования и любые временные изменения, внесенные в систему оборудования для дуговой сварки, должны быть отражены в протоколе испытаний.

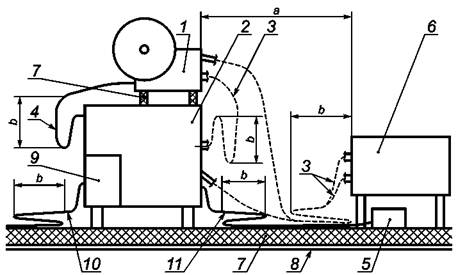
а = 1 м; b £ 0,4 м; 1 - устройство подачи сварочного прутка; 2 - источник питания оборудования для
сварки; 3 - сварочный провод (уложенный в петли); 4 - соединительный кабель (уложенный в петли);
5 - устройство дистанционного управления;
6 - типовая нагрузка; 7 - изолирующее покрытие;
8 - пластина заземления; 9 - система жидкостного охлаждения; 10 - кабель электропитания;
11 - кабель устройства дистанционного управления (уложенный в петли)

Примечание - Позиции 1, 5, 9 и 11 соответствуют расположению вспомогательного оборудования при его использовании.

Рисунок 1 - Типовое расположение оборудования для дуговой сварки при испытаниях

Если вспомогательное оборудование может подключаться к источнику питания для сварки, то этот источник должен испытываться при минимальной конфигурации вспомогательного оборудования, необходимого для проверки портов.

Если источник питания оборудования для сварки имеет большое число аналогичных портов или портов с множеством аналогичных подключений, то необходимо выбрать достаточное их число для моделирования реальных рабочих условий и гарантии включения в испытание всех разных типов нагрузки.

При испытаниях на высокочастотные кондуктивные помехи источник питания для сварки подключается к источнику электропитания с помощью V-образного эквивалента сети (V-образного эквивалента), указанного в 4.3. V-образный эквивалент сети размещают так, чтобы его ближайшая поверхность находилась на расстоянии не менее 0,8 м от ближайшей границы оборудования.

Минимальная длина входного кабеля должна быть 2 м.

Источник питания оборудования для сварки должен подключаться к типовой нагрузке посредством сварочных кабелей с поперечным сечением, обусловленным значением сварочного тока, или к соответствующей газовой горелке (резаку) или держателю электродов с адаптером. Длина сварочных кабелей должна быть не менее 2 м.

При испытаниях на высокочастотные помехи оборудование для сварки размещают на пластине заземления и электрически изолируют от нее с помощью изоляционного покрытия (коврика или блоков) толщиной не более 12 мм или за счет собственного подаппаратурного пространства (при его наличии).

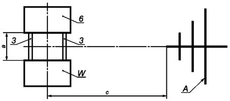
При испытаниях на излучаемые помехи и помехоустойчивость источник питания оборудования для сварки и типовая нагрузка должны находиться на одинаковом расстоянии от измерительной антенны (см. рисунок 2).

а = 1 м; А - измерительная антенна; W - оборудование для дуговой сварки с источником питания;
3 - сварочный провод (уложенный в петли); 6 - типовая нагрузка; с - расстояние в соответствии
с ГОСТ 51317.4.3 и 6.3.3

Рисунок 2 - Расположение оборудования для дуговой сварки и типовой нагрузки относительно измерительной антенны

Кабели могут свободно свисать в направлении пластины заземления. Входные сварочные кабели или кабели горелки при их излишней длине должны быть уложены петлями в связку (насколько это возможно на практике), длина петли которой не превышает 0,4 м.

Специальные геометрические параметры испытательной установки для испытаний на помехоустойчивость можно найти в основополагающих стандартах в соответствии с таблицами 1 - 3.

5.2 Нагрузка

Во время испытаний работу оборудования для дуговой сварки имитируют путем подключения типовой нагрузки, указанной в [3].

При испытаниях на высокочастотные помехи типовую нагрузку размещают на пластине заземления и электрически изолируют от нее с помощью изоляционного покрытия (коврика или блоков) толщиной не более 12 мм или за счет собственного подаппаратурного пространства (при его наличии).

5.3 Вспомогательное оборудование

5.3.1 Общие требования

Вспомогательное оборудование испытывают вместе с источником питания для сварки. Его подключают и устанавливают в соответствии с требованиями, указанными в технической документации изготовителя.

Специальные требования к устройствам подачи сварочного прутка и устройствам дистанционного управления приведены ниже.

5.3.2 Устройства подачи сварочного прутка

Устройства подачи сварочного прутка размещают на корпусе источника питания для сварки или внутри него, в зависимости от конструкции. Устройства подачи сварочного прутка, которые могут находиться как внутри, так и снаружи корпуса источника питания для сварки, должны находиться снаружи.

При испытаниях на высокочастотные помехи устройства подачи сварочного прутка, предназначенные для установки на полу, размещают на пластине заземления и электрически изолируют от нее с помощью изоляционного покрытия (коврика или блоков) толщиной не более 12 мм или за счет собственного подаппаратурного пространства (при его наличии).

Сварочный провод, соединяющий устройство подачи сварочного прутка с источником питания оборудования для сварки, должен иметь длину не менее 2 м.

Если сварочный провод имеет длину более 2 м, то избыток длины следует уложить петлями в связку, длина которой не превышает 0,4 м. Допускается использование сварочного провода длиной менее 2 м, если он поставляется вместе с оборудованием.

Соединительный кабель между устройством подачи сварочного прутка и источником питания оборудования для сварки должен иметь длину и тип, рекомендованные изготовителем. Избыток длины кабеля следует уложить петлями в связку, длина петли которой не превышает 0,4 м.

Для обеспечения соединения устройства подачи сварочного прутка с типовой нагрузкой вместо сварочного провода можно использовать горелку, рекомендуемую изготовителем.

5.3.3 Устройство дистанционного управления

Если источником оборудования для сварки можно управлять дистанционно, его следует испытывать при подключении устройства дистанционного управления, при котором можно ожидать наибольшие помехи или наименьшую помехоустойчивость.

Устройство дистанционного управления размещают рядом со стандартной нагрузкой на пластине заземления и электрически изолируют от нее. При испытаниях на высокочастотные помехи толщина изоляции должна быть не более 12 мм. Устройства дистанционного управления, разработанные для конкретного сварочного оборудования, следует при использовании размещать в соответствии с рекомендациями изготовителя.

Избыток длины кабеля следует, насколько это возможно на практике, уложить петлями в связку, длина которой не превышает 0,4 м.

6 Испытания на электромагнитные помехи

6.1 Классификация оборудования

6.1.1 Оборудование класса А

Оборудование класса А предназначено для использования в местах, отличных от жилых зон, обслуживаемых низковольтной системой электропитания общего назначения.

Оборудование класса А должно соответствовать требованиям, приведенным в 6.3.

6.1.2 Оборудование класса В

Оборудование класса В предназначено для использования во всех местах, включающих в себя жилые зоны, обслуживаемые низковольтной системой электропитания общего назначения.

Оборудование класса В должно соответствовать требованиям, приведенным в 6.3.

6.2 Условия испытаний

6.2.1 Источник питания оборудования для сварки

6.2.1.1 Условия испытаний на высокочастотные электромагнитные помехи

Источник питания оборудования для сварки испытывают при значениях напряжения на типовой нагрузке [см. перечисления b) и с)] по процедуре, приведенной в 6.2.2, при каждом из следующих выходных режимов:

a) режим ожидания;

b) при минимальном значении номинального сварочного тока;

c) при значении номинального сварочного тока при рабочем цикле 100 %.

Если возможно, режим ожидания обеспечивают при схеме соединений, приведенной на рисунке 1, но при разомкнутой цепи нагрузки.

Если значение первичного тока при какой-либо выходной конфигурации более 25 А, то для обеспечения значения первичного тока, равного 25 А, можно уменьшить выходное значение. Однако если не удается обеспечить значение первичного тока до 25 А или менее, можно в качестве альтернативы эквиваленту сети питания (см. 6.3.2) использовать пробник напряжения, указанный в 4.4.

Источники питания оборудования для сварки, предназначенные для работы в режиме переменного и постоянного токов, испытывают в обоих режимах.

Мультирежимные источники питания оборудования для сварки испытывают с типовой нагрузкой, при которой напряжение будет максимальным при установленном значении тока. Если в источнике питания оборудования для сварки имеется не один выход (например, плазменная резка и ручная дуговая сварка), то следует проводить отдельное испытание при каждом выходном токе.

Для источников питания с внешним устройством подачи сварочного прутка следует испытывать конфигурацию и напряжение на типовой нагрузке, при которых помехи максимальны.

6.2.1.2 Условия испытаний на гармонические токи

Источники питания оборудования для сварки, на которые распространяются требования [3], испытывают при напряжении на типовой нагрузке в соответствии с методом, приведенным в 6.2.2, в номинальном рабочем цикле при максимальном значении номинального сварочного тока. Время наблюдения должно быть 10 мин.

Источники питания оборудования для сварки, предназначенные для работы в режиме как переменного тока, так и постоянного тока, испытывают в обоих режимах.

Мультирежимные источники питания оборудования для сварки должны испытываться с типовой нагрузкой, значение напряжения на которой будет максимальным при установленном токе.

Условия испытаний источников питания для сварки, относящиеся к области применения [4], приведены в ГОСТ 51317.3.2.

6.2.1.3 Условия испытаний при измерении колебаний напряжения и фликера

Условия испытаний источников питания оборудования для сварки приведены в ГОСТ 51317.3.3.

6.2.2 Нагрузка

Значения напряжения на типовой нагрузке приведены в [3] или [4].

6.2.3 Устройства подачи сварочного прутка

Устройства подачи сварочного прутка испытывают при скорости подачи прутка, равной 50 % максимальной скорости. Программируемые и согласованные с остальной системой устройства подачи сварочного прутка предварительно испытывают при соответствующем выходном уровне источника питания оборудования для сварки. Во время этого испытания необходимо снять давление с ведущих валов устройства подачи сварочного прутка и нагрузить источник питания оборудования для сварки, как указано в 6.2.1.1.

6.2.4 Вспомогательное оборудование

Другое вспомогательное оборудование необходимо испытывать в соответствии с рекомендациями изготовителя.

Устройства зажигания и стабилизации дуги и сварочное оборудование для формирования столба дуги классифицируют как оборудование класса А. Для устройств зажигания и стабилизации дуги и оборудования для дуговой контактной сварки, у которых есть ограничения по мощности в соответствии с [5], проведение дополнительных испытаний на электромагнитные помехи не требуется.

6.3 Нормы электромагнитных помех

6.3.1 Общие положения

Нормы на электромагнитные помехи разработаны для уменьшения вероятности воздействия помех, но в некоторых случаях, например, когда приемные устройства находятся в непосредственной близости от оборудования для дуговой сварки или имеют высокую чувствительность, вероятность возникновения помех велика.

Способность оборудования для дуговой сварки «совместимо» работать с другими радио- и электронными системами в большой степени зависит от того, как оно установлено и используется.

В приложении А приведено руководство по установке и использованию оборудования для дуговой сварки, позволяющее обеспечить электромагнитную совместимость с радио- и электронными системами.

Оборудование класса А не предназначено для использования в жилых зонах, обслуживаемых низковольтной системой электропитания общего пользования. В этих зонах могут возникнуть потенциальные трудности в обеспечении электромагнитной совместимости, напоминание об этом необходимо включить в документацию пользователя.

6.3.2 Напряжение помех на сетевых зажимах

6.3.2.1 Режим ожидания

Нормы напряжения помех на сетевых зажимах для оборудования для дуговой сварки класса А - это нормы группы 1, приведенные в ГОСТ 51318.11.

Нормы напряжения помех на сетевых зажимах для оборудования для дуговой сварки класса В - это нормы группы 1, приведенные в ГОСТ 51318.11. Испытуемое оборудование по уровню напряжения помех на сетевых зажимах должно соответствовать нормам, значения которых указаны в средних и квазипиковых значениях при использовании соответствующих детекторов, либо нормам в средних значениях - при использовании квазипикового детектора.

6.3.2.2 Нагрузочный режим

Нормы напряжения помех на сетевых зажимах для оборудования для дуговой сварки класса А являются нормами группы 2, приведенными в ГОСТ 51318.11. Применимое значение нормы выбирают исходя из максимального значения номинального тока питания I1mах.

Нормы напряжения помех на сетевых зажимах оборудования для дуговой сварки класса В являются нормами группы 2, приведенными в ГОСТ 51318.11.

Испытуемое оборудование по уровню напряжения помех на сетевых зажимах должно соответствовать нормам, значения которых указаны в средних и квазипиковых значениях при использовании соответствующих детекторов, либо нормам в средних значениях - при использовании квазипикового детектора.

Для оборудования класса А не рассматривают импульсный шум (кратковременные помехи), который возникает менее пяти раз в минуту.

Для оборудования класса В допускается ослабление норм до значения 44 дБ при воздействии импульсного шума (кратковременных помех), который возникает с частотой менее 0,2 раза в минуту.

Для кратковременных помех, возникающих от 0,2 до 30 раз в минуту, допускается ослабление нормы до значения 20 log (30/N), дБ (где N - число кратковременных помех в минуту).

Критерии определения отдельных кратковременных помех приведены в ГОСТ 51318.14.1.

6.3.3 Излучаемые электромагнитные помехи

6.3.3.1 Общие положения

При проведении испытаний на излучаемые электромагнитные помехи расстояние между измерительной антенной и испытательным оборудованием должно соответствовать расстоянию, указанному в ГОСТ 51318.11, раздел 5.

6.3.3.2 Режим ожидания

Нормы на излучаемые электромагнитные помехи для оборудования для дуговой сварки класса А являются нормами группы 1, приведенными в ГОСТ 51318.11.

Нормы на излучаемые электромагнитные помехи для оборудования для дуговой сварки класса В являются нормами группы 1, приведенными в ГОСТ 51318.11.

6.3.3.3 Нагрузочный режим

Нормы на излучаемые электромагнитные помехи для оборудования для дуговой сварки класса А являются нормами группы 2, приведенными в ГОСТ 51318.11. Нормы на излучаемые электромагнитные помехи для оборудования для дуговой сварки класса В в диапазоне частот от 30 до 1000 МГц являются нормами группы 2, приведенными в ГОСТ 51318.11.

6.3.4 Гармонические токи, колебания напряжения и фликер

Нормы эмиссии гармонических составляющих тока приведены в ГОСТ 51317.3.2 и ГОСТ 51317.3.12, колебаний напряжения и фликера - в ГОСТ 51317.3.3 и ГОСТ 51317.3.11 и применимы к оборудованию для дуговой сварки, относящемуся к области применения этих стандартов.

Примечание - Установка оборудования для дуговой сварки с входным током более 75 А в низковольтной сети проводится в соответствии с ГОСТ 51317.3.4.

7 Испытания на помехоустойчивость

7.1 Классификация

7.1.1 Применимость испытаний

Оборудование для дуговой сварки, на которое распространяются требования настоящего стандарта, может быть отнесено к различным категориям в зависимости от степени необходимого уровня помехоустойчивости.

Оборудование для дуговой сварки категории 1 считают соответствующим необходимым требованиям по помехоустойчивости без испытаний.

Оборудование для дуговой сварки категории 2 должно соответствовать требованиям, приведенным в 7.4.

7.1.2 Категория 1

К категории 1 относят оборудование для дуговой сварки, не имеющее электронных схем управления, например трансформаторы (преобразователи), трансформаторные выпрямители, пассивные устройства дистанционного управления, жидкостные системы охлаждения, СO2-нагреватели и неэлектронные устройства подачи сварочного прутка.

Электронные схемы, состоящие из пассивных элементов, таких как катушки индуктивности, высокочастотные схемы подавления, трансформаторы сетевой частоты, выпрямители, диоды и резисторы, не считают электронными схемами управления.

7.1.3 Категория 2

К категории 2 относят все оборудование для дуговой сварки, не входящее в категорию 1.

7.2 Условия испытаний

Источники питания оборудования для дуговой сварки испытывают в режиме работы без нагрузки и с нагрузкой при значении сварочного тока, соответствующем рабочему циклу 100 %, когда ток, поступающий в нагрузку, соответствует 6.2.2.

Соответствие требованиям настоящего стандарта проверяют путем измерения значения напряжения без нагрузки и среднего значения сварочного тока.

Устройства подачи сварочного прутка испытывают при значении 50 % максимального установочного значения. Скорость подачи сварочного прутка измеряют на запускающем ролике с помощью тахогенератора или других аналогичных устройств.

Примечание - При проведении этого испытания необходимо снять давление с запускающих роликов.

7.3 Критерии качества функционирования при испытаниях на помехоустойчивость

7.3.1 Критерий качества функционирования А

Во время испытаний оборудование для дуговой сварки должно функционировать в соответствии с назначением. Изменение значения сварочного тока, скорости подачи сварочного прутка и скорости перемещения обрабатываемой детали не должно превышать ±10 % значений, установленных в технической документации на оборудование, если нет других указаний изготовителя.

Все органы управления оборудованием должны продолжать функционировать и должна существовать возможность остановить действие сварочного тока с помощью предусмотренного стандартного коммутатора, например переключателя на металлической инертной/активной горелке или на ножном органе управления. Потеря данных, хранимых в памяти оборудования, не допускается.

После испытания выходное значение должно возвратиться к ранее установленному значению. Ни при каких обстоятельствах напряжение без нагрузки не должно превышать значений, указанных в [3].

7.3.2 Критерий качества функционирования В

Во время испытаний допускается изменение значения сварочного тока, скорости подачи сварочного прутка и скорости перемещения обрабатываемой детали в пределах +50 % - 100 % значений, установленных в технической документации на оборудование (на практике это может вызвать гашение дуги, при этом оператор может инициировать дугу заново с помощью стандартных средств). Должна существовать возможность прерывания действия сварочного тока с помощью предусмотренного стандартного коммутатора, например переключателя на металлической инертной/активной газовой горелке или на ножном органе управления.

Потеря данных, хранимых в памяти оборудования, не допускается.

После испытаний характеристики оборудования должны возвратиться к первоначальному состоянию. Ни при каких обстоятельствах напряжение без нагрузки не должно превышать значений, указанных в [3].

7.3.3 Критерий качества функционирования С

Во время испытаний допускается временная потеря функций оборудования, требующая ручной установки органов управления в первоначальное положение.

Примечание - При этом может потребоваться выключить электропитание оборудования и включить его снова.

Потеря данных, хранимых в памяти оборудования, не допускается, если их невозможно восстановить с помощью органов управления. Ни при каких обстоятельствах напряжение без нагрузки не должно превышать значений, указанных в [3].

7.4 Уровни испытательных воздействий при испытаниях на помехоустойчивость

Уровни испытательных воздействий при испытаниях на помехоустойчивость приведены в таблицах 1 - 3 применительно к различным портам оборудования: порту корпуса, входному порту питания переменного тока и портам линий измерения и управления процессами соответственно.

Таблица 1 - Уровни испытательных воздействий для порта корпуса

Вид испытательного воздействия

Испытательный уровень

Основополагающий стандарт

Критерий качества функционирования

Примечание

Высокочастотное электромагнитное поле:

ГОСТ Р 51317.4.3

А

Испытательный уровень указан при отсутствии модуляции

- полоса частот, МГц

80 - 1000

- напряженность, В/м (немодулированное поле, среднеквадратическое значение)

10

- амплитудная модуляция, % (1 кГц)

80

Электростатические разряды:

ГОСТ Р 51317.4.2

В

См. основополагающий стандарт по применимости испытаний на контактный и/или воздушный разряд

- напряжение контактного разряда, кВ

± 4а)

- напряжение воздушного разряда, кВ

± 8а)

а) При уровнях ниже указанных в таблице проведение испытаний не требуется.

Таблица 2 - Уровни испытательных воздействий для входного порта питания переменного тока

Вид испытательного воздействия

Испытательный уровень

Основополагающий стандарт

Критерий качества функционирования

Примечание

Наносекундные импульсные помехи:

ГОСТ Р 51317.4.4

В

Прямая инжекция

- напряжение (пик.), кВ

± 2

- частота повторения, кГц

5

- отношение длительности фронта импульса к длительности импульса Тф/Tи, нс

5/50

Кондуктивные помехи, наведенные радиочастотным электромагнитным полем:

ГОСТ Р 51317.4.6

А

Испытательный уровень указан при отсутствии модуляции1)

- частота, МГц;

0,15 - 80

- напряжение (при отсутствии модуляции, среднеквадратическое), В;

10

- амплитудная модуляция, % (1 кГц)

80

Микросекундные импульсные помехи большой энергии:

ГОСТ Р 51317.4.5

В

Испытание не требуется, если невозможно обеспечить нормальную работу из-за влияния на испытуемое оборудование схемы связи-развязки

- отношение длительности фронта импульса к длительности импульса Тф/Tи, мкс

1,2/50 (8/20)

- напряжение:

линия - линия, кВ;

± 1

линия - земля, кВ

± 2

Провалы напряжения:

ГОСТ Р 51317.4.11

В

-

- уменьшение, %

30

- периоды

0,5

- уменьшение, %

60

С

- периоды

5

1) Испытательный уровень также можно определить как эквивалентный ток при нагрузке 150 Ом.

Таблица 3 - Уровни испытательных воздействий для портов линий измерения и управления процессом

Вид испытательного воздействия

Испытательный уровень

Основополагающий стандарт

Критерий качества функционирования

Примечание

Наносекундные импульсные помехи:

ГОСТ Р 51317.4.4

В

Применяют емкостные клещи связи

- напряжение (пик), кВ

± 2

- частота повторения, кГц

5

Отношение длительности фронта импульса к длительности импульса Тф/Tи, нс

5/50

Кондуктивные помехи, наведенные радиочастотным электромагнитным полем:

ГОСТ Р 51317.4.6

А

Испытательный уровень указан при отсутствии модуляции1)

- частота, МГц;

0,15 - 80

- напряжение (при отсутствии модуляции, среднеквадратическое), В

10

- амплитудная модуляция, % (1 кГц)

80

1) Испытательный уровень также можно определить как эквивалентный ток при нагрузке 150 Ом.

Примечание - Данные в таблице относятся к портам линий измерения и управления процессом, стыкующимся с кабелями, если полная длина кабеля в соответствии с техническими требованиями изготовителя не превышает 3 м.

8 Эксплуатационные документы

В эксплуатационных документах, доступных пользователю до и после покупки, должен быть точно указан класс оборудования.

Пользователь должен ясно понимать, что правильная установка и использование оборудования для дуговой сварки необходимы для минимизации возможной мешающей электромагнитной эмиссии. Изготовитель или его полномочный представитель являются ответственными за приложение инструкций и необходимой информации к каждому образцу оборудования, а именно:

a) для оборудования класса В - письменного уведомления о том, что оборудование класса В соответствует требованиям ЭМС в промышленных и жилых зонах, включая жилые зоны, в которых электрическая энергия передается от низковольтной системы электроснабжения общего назначения;

b) для оборудования класса А в инструкцию пользователя должно быть включено следующее или аналогичное ему предупреждение:

«Данное оборудование класса А не предназначено для использования в жилых зонах, в которых электрическая энергия передается от низковольтной системы электроснабжения общего назначения.

В этих местах размещения могут быть потенциальные трудности в обеспечении ЭМС из-за кондуктивных и излучаемых помех, создаваемых оборудованием»;

c) если оборудование с входным током менее 75 А на фазу предназначено для подключения только к частным низковольтным системам и не соответствует требованиям ГОСТ Р 51317.3.12, в инструкцию пользователя должно быть включено следующее предупреждение:

«Данное оборудование не соответствует требованиям ГОСТ Р 51317.3.12. Если такое оборудование подключают к низковольтной системе электроснабжения общего назначения, то установщик или пользователь оборудования несет ответственность за обеспечение возможности подключения (при необходимости - после консультации с представителем сетевой компании)»;

d) информации относительно каких-либо специальных мер, необходимых для обеспечения соответствия требованиям, например относительно использования экранированных кабелей;

e) рекомендаций по оценке окружающих территорий сточки зрения ЭМС для определения необходимых мер при установке и использовании оборудования для минимизации помех (см. приложение А);

f) рекомендаций по методам минимизации помех;

g) заявления, обращающего внимание пользователя на то, что он несет ответственность за уровень помех, создаваемых оборудованием для сварки.

Приложение А
(справочное)

Установка оборудования для дуговой сварки и его использование

А.1 Общие положения

Ответственность за установку и использование оборудования для дуговой сварки в соответствии с инструкциями изготовителя несет пользователь. При обнаружении электромагнитных помех пользователь оборудования для дуговой сварки должен решать эту проблему совместно с изготовителем.

В некоторых случаях достаточным корректирующим действием может быть простое заземление сварочной цепи (см. примечание). В других случаях может потребоваться установка электромагнитного экрана вокруг источника питания для дуговой сварки и укомплектование оборудования соответствующими входными фильтрами.

Во всех случаях электромагнитные помехи необходимо снизить до такой степени, когда они не будут представлять проблему.

Примечание - Сварочная цепь может иметь или не иметь заземление в целях безопасности. Изменение организации заземления должно быть санкционировано только специалистом, компетентным в оценке возможности увеличения риска повреждения из-за таких изменений, например за счет образования параллельных возвратных контуров сварочного тока, что может повредить схемы заземления другого оборудования. Более подробная информация представлена в [6].

А.2 Оценка места установки оборудования

Прежде чем установить оборудование для дуговой сварки, пользователь должен оценить возможные с электромагнитной точки зрения проблемы, возникающие в окружающей среде при сварке. Необходимо учитывать следующие условия окружающей среды:

a) наличие других кабелей питания, управления, сигнальных и телефонных кабелей, проходящих выше, ниже и вблизи оборудования для дуговой сварки;

b) наличие радио- и телевизионных передатчиков и приемников;

c) наличие вычислительного и другого управляющего оборудования;

d) наличие оборудования, критичного к требованиям электробезопасности; например защитной установки промышленного оборудования;

e) влияние на здоровье людей (например, при наличии у них электрокардиостимуляторов или слуховых аппаратов);

f) наличие оборудования, используемого для калибровки или измерения;

g) помехоустойчивость другого оборудования, находящегося в данной окружающей среде. Пользователь должен гарантировать совместимость другого оборудования, используемого в данной среде. Для этого могут потребоваться дополнительные меры защиты;

h) время суток, когда могут проводиться сварка или другие работы.

Размер учитываемой окружающей территории зависит от конструкции здания и оттого, будут ли выполняться другие работы помимо сварки. Окружающая территория может выходить за пределы помещений.

А.3 Методы снижения помех

А.3.1 Система питания общего пользования

Оборудование для дуговой сварки должно подключаться к системе питания общего назначения в соответствии с рекомендациями изготовителя.

При возникновении помех могут потребоваться дополнительные меры, например обеспечение фильтрации в системе питания общего назначения. Следует рассмотреть вопрос экранирования кабеля питания, если он является неотъемлемой частью оборудования для дуговой сварки, с помощью металлического проводника или каким-либо другим способом. Экран должен быть электрически непрерывным по всей длине кабеля и должен подключаться к источнику питания для сварки так, чтобы между проводником и корпусом источника питания для сварки существовал хороший электрический контакт.

А.3.2 Эксплуатация оборудования для дуговой сварки

Оборудование для дуговой сварки должно эксплуатироваться установленным образом в соответствии с рекомендациями изготовителя. При работе оборудования для дуговой сварки все дверцы и крышки для доступа и обслуживания должны быть закрыты и винты креплений хорошо затянуты.

Любая модификация оборудования для дуговой сварки, за исключением изменений и настроек, указанных в инструкциях изготовителя, не допускается.

В частности, регулировка и поддержание искровых промежутков в устройствах зажигания и стабилизации дуги должны выполняться в соответствии с рекомендациями изготовителя.

А.3.3 Сварочные кабели

Сварочные кабели должны быть как можно короче и располагаться близко друг к другу на уровне пола или вблизи него.

А.3.4 Эквипотенциальное соединение

Все металлические объекты в окружающей среде должны быть соединены соответствующим образом.

Необходимо рассмотреть соединение всех металлических объектов в окружающей среде. Металлические объекты, контактирующие с обрабатываемой деталью, увеличивают риск того, что оператор может получить электрический удар при одновременном касании этих металлических объектов и электрода. Должна быть предусмотрена надежная изоляция оператора от таких металлических объектов.

А.3.5 Заземление обрабатываемой детали

Если обрабатываемая деталь в целях электробезопасности не соединена с плоскостью заземления и не подключена из-за ее размеров и положения к плоскости заземления, например при работе с остовом корабля или каркасом здания, подключение обрабатываемой детали к плоскости заземления может в какой-то степени (но не полностью) уменьшить помехи. Необходимо принять меры по недопущению заземления обрабатываемой детали, увеличивающего риск нанесения вреда пользователям или повреждения другого электрооборудования. При необходимости подключение обрабатываемой детали к плоскости заземления должно проводиться прямым подключением, но в некоторых случаях оно может обеспечиваться через соответствующую емкость, выбранную в соответствии с нормативными документами на обрабатываемую деталь.

А.3.6 Защита и экранирование

Для уменьшения помех применяется селективная защита и экранирование других кабелей и оборудования в окружающей среде. В особых случаях рассматривается вопрос экранирования внутренней сварочной зоны.

Приложение В
(справочное)

Нормы

B.1 Общие положения

В настоящем приложении представлены для информации нормы электромагнитных помех стандартов, указанных в разделе 2 (таблицы В.1 - В.3, В.5 - В.9), применяемые при оценке соответствия требованиям настоящего стандарта в соответствии с 6.3.1 - 6.3.4. При этом нормы электромагнитных помех, излучаемых оборудованием в нагрузочном режиме, представлены в таблице В.4 в соответствии с [6].

B.2 Нормы напряжения помех на сетевых зажимах

Источник - ГОСТ Р 51318.11.

Таблица В.1 - Нормы напряжения помех на сетевых зажимах, режим ожидания

Полоса частот, МГц

Значение напряжения на сетевых зажимах, дБмкВ

для оборудования класса В

для оборудования класса А

Квазипиковое значение

Среднее значение

Квазипиковое значение

Среднее значение

0,15 - 0,50

66*

56*

79

66

0,50 - 30

56

46

73

60

* Линейно уменьшается с увеличением логарифма частоты до 56 и 46 соответственно.

Таблица В.2 - Нормы напряжения помех на сетевых зажимах, нагрузочный режим

Полоса частот, МГц

Значение напряжения на сетевых зажимах, дБмкВ

для оборудования класса В

для оборудования класса А

для оборудования класса А (l > 100 А)***

Квазипиковое значение

Среднее значение

Квазипиковое значение

Среднее значение

Квазипиковое значение

Среднее значение

0,15 - 0,50

66*

56*

100

90

130

120

0,50 - 5

56

46

86

76

125

115

5 - 30

60

50

90**

80**

115

105

* Линейно уменьшается с увеличением логарифма частоты до 56 и 46 соответственно.

** Линейно уменьшается с увеличением логарифма частоты до 70 и 60 соответственно.

*** Применяется к оборудованию с токами сети электропитания I1max более 100 А на одну фазу.

В.3 Нормы излучаемых электромагнитных помех

Источник - ГОСТ Р 51318.11.

Таблица В.3 - Нормы излучаемых электромагнитных помех, режим ожидания

Полоса частот, МГц

Значение нормы, дБмкВ/м*

для оборудования класса В

для оборудования класса А

30 - 230

30

40

230 - 1000

37

47

* Измерительное расстояние 10 м.

Источник - [6].

Таблица В.4 - Нормы излучаемых электромагнитных помех, нагрузочный режим

Полоса частот, МГц

Значение нормы, дБмкВ/м

для оборудования класса В1)

для оборудования класса А1)

для оборудования класса А при

расстоянии D2) от внешней стены

здания

30 - 47

30

68

48

47 - 53,91

30

50

30

53,9 - 54,56

30

50

30

54,56 - 68

30

50

30

68 - 80,872

30

63

43

80,872 - 81,848

50

78

58

81,848 - 87

30

63

43

87 - 134,786

30

60

40

134,786 - 136,414

50

70

50

136,414 - 156

30

60

40

156 - 174

30

74

54

174 - 188,7

30

50

30

188,7 - 190,979

30

60

40

190,979 - 230

30

50

30

230 - 400

37

60

40

400 - 470

37

63

43

470 - 1000

37

60

40

1) На испытательной площадке, измерительное расстояние 10 м.

2) Для оборудования, испытываемого на месте эксплуатации, измерительное расстояние D от внешней стены здания, в котором находится оборудование, равно 100 м или (30 + х/а) м (в зависимости от того, что меньше, при условии, что измерительное расстояние D находится в пределах границы помещений), где х - минимальное расстояние между внешней стеной здания, в котором находится оборудование, и границей помещений пользователя в каждом измерительном направлении; а = 2,5 для частот ниже 1 МГц и а = 4,5 для частот, равных или более 1 МГц.

Если расчетное значение D выходит за пределы помещений, измерительное расстояние D равняется х или 30 м, в зависимости от того, что больше.

В.4 Нормы гармоник тока

Источники - ГОСТ Р 51317.3.2 и ГОСТ Р 51317.3.12.

Таблица В.5 - Максимально допустимые значения гармоник тока для непрофессионального оборудования с входным током I1mах £ 16 А

Порядок гармоники п

Максимально допустимое значение тока, А

Нечетные гармоники

3

3,45

5

1,71

7

1,16

9

0,60

11

0,50

13

0,32

15 £ п £ 39

0,23 × 15/n

Четные гармоники

2

1,62

4

0,65

6

0,45

8 £ n £ 40

0,35 × 8/n

Таблица В.6 - Нормы гармоник тока для профессионального оборудования с I1mах £ 75 А, отличного от симметричного трехфазного оборудования

Минимальное значение Rsce

Допустимое значение единичного синусоидального тока In/I1a), %

Допустимое значение коэффициентов нелинейных искажений синусоидального тока, %

I3

I5

I7

I9

I11

I13

Полный коэффициент гармоник THD

Парциальные весовые коэффициенты гармоник PWHD

33

21,6

10,7

7,2

3,8

3,1

2

23

23

66

24

13

8

5

4

3

26

26

120

27

15

10

6

5

4

30

30

250

35

20

13

9

8

6

40

40

³ 350

41

24

15

12

10

8

47

47

а) I1 - номинальный ток основной гармоники; In - составляющая синусоидального тока.

Примечания

1 Относительные значения четных гармоник до 12-го порядка включительно не должны превышать 16/n %. Нечетные гармоники выше 12-го порядка учитываются в THD и PWHD аналогично гармоникам четного порядка.

2 Допускается линейная интерполяция между последовательными значениями Rsce.

Таблица В.7 - Нормы гармоник синусоидального тока для профессионального симметричного трехфазного оборудования с I1mах £ 75 А

Минимальное значение Rsce

Допустимое значение единичного синусоидального тока In/I1a), %

Допустимое значение коэффициентов нелинейных искажений синусоидального тока, %

I5

I7

I11

I13

Полный коэффициент гармоник THD

Парциальные весовые коэффициенты гармоник PWHD

33

10,7

7,2

3,1

2

13

22

66

14

9

5

3

16

25

120

19

12

7

4

22

28

250

31

20

12

7

37

38

³ 350

40

25

15

10

48

46

а) I1 - номинальный ток основной гармоники; In - составляющая синусоидального тока.

Примечания

1 Относительные значения четных гармоник до 12-го порядка включительно не должны превышать 16/n %. Нечетные гармоники выше 12-го порядка учитываются в THD и PWHD аналогично гармоникам четного порядка.

2 Допускается линейная интерполяция между последовательными значениями Rsce.

Таблица В.8 - Нормы гармоник синусоидального тока для профессионального симметричного трехфазного оборудования с током I1mах £ 75 А при определенных условиях (режимах)

Минимальное значение Rsce

Допустимое значение единичного синусоидального тока In/I1а), А

Допустимое значение коэффициентов нелинейных искажений синусоидального тока, %

I5

I7

I5

I7

Полный коэффициент гармоник THD

Парциальные весовые коэффициенты гармоник PWHD

33

10,7

7,2

3,1

2

13

22

³ 120

40

25

15

10

48

46

а) I1 - номинальный ток основной гармоники; In - составляющая синусоидального тока.

Примечания

1 Относительные значения четных гармоник до 12-го порядка включительно не должны превышать 16/n %. Нечетные гармоники выше 12-го порядка учитываются в THD и PWHD аналогично гармоникам четного порядка.

2 Допускается линейная интерполяция между последовательными значениями Rsce.

Значения таблицы В.8 (для симметричного трехфазного оборудования) можно использовать при выполнении одного из следующих условий:

a) фазовый угол тока пятой гармоники относительно фазового напряжения основной гармоники находится в пределах от 90° до 150°.

Примечание - Это условие обычно выполняется в оборудовании с мостовой выпрямительной схемой без управления и емкостным фильтром, включая реактор переменного тока 3 % или реактор постоянного тока 4 %;

b) конструкция оборудования такова, что фазовый угол тока пятой гармоники не имеет преимущественного значения за все время и может принимать любое значение во всем интервале (0°, 360°).

Примечание - Это условие обычно выполняется в преобразователях с тиристорными мостовыми схемами с полным управлением;

c) каждый из токов пятой и седьмой гармоник составляет менее 5 % номинального тока основной гармоники.

Примечание - Это условие обычно выполняется в 12-импульсном оборудовании.

В.5 Нормы колебаний напряжения и фликера

Источники - ГОСТ Р 51317.3.3 и ГОСТ Р 51317.3.11.

Таблица В.9 - Нормы для оборудования дуговой сварки с током I1mах £ 75 А

Максимальное относительное изменение напряжения dmax, %

Относительное изменение напряжения в установившемся режиме dc, %

Показатель кратковременного фликер-шума Pst

7

3,3а)

1,0а)

а) Значения норм dc и Pst применимы только к оборудованию, разработанному для использования при ручном процессе создания дуги для сварки металлов.

Требование к Pst не применяют при изменениях напряжения с помощью ручной коммутации.

Оборудование, не соответствующее нормам, приведенным в таблице В.9, при испытании или оценке с номинальным сопротивлением, указанным в ГОСТ Р 51317.3.3, зависит от типового подключения, и изготовитель может:

a) определить максимально допустимое сопротивление системы Zmax в точке интерфейса источника питания пользователя в соответствии с 6.3 ГОСТ Р 51317.3.11 и указать значение Zmax в инструкции пользователя или

b) провести испытание оборудования в соответствии с 6.2 ГОСТ Р 51317.3.11 и указать в инструкции пользователя, что оборудование предназначено только для использования в помещениях, в которых используется ток более 100 А на фазу.

Приложение ДА
(справочное)

Сведения о соответствии ссылочных национальных стандартов
международным стандартам, использованным в качестве ссылочных
в примененном международном стандарте

Таблица ДА.1

Обозначение ссылочного
национального стандарта

Степень
соответствия

Обозначение и наименование
ссылочного международного стандарта

ГОСТ Р 55055-2012

MOD

МЭК 60050-161:1990 «Международный электротехнический словарь. - Глава 161. Электромагнитная совместимость»

ГОСТ Р 50397-2011 (МЭК 60050-161:1990)

MOD

МЭК 60050-161:1990 «Международный электротехнический словарь - Глава 161: Электромагнитная совместимость»

ГОСТ Р 51317.3.2-2006 (МЭК 61000-3-2:2005)

MOD

МЭК 61000-3-2:2005 «Электромагнитная совместимость (ЭМС) - Часть 3-2: Нормы - Нормы на эмиссию гармонических составляющих тока (потребляемый ток оборудования £ 16 А на фазу)»

ГОСТ Р 51317.3.3-2008 (МЭК 61000-3-3:2005)

MOD

МЭК 61000-3-3:2005 «Электромагнитная совместимость (ЭМС) - Часть 3-3: Нормы - Ограничение колебаний напряжения, флуктуации напряжения и фликера в низковольтных системах питания общего пользования для оборудования с номинальным током £ 16 А в одной фазе при несоблюдении определенных условий подключения»

ГОСТ Р 51317.3.4-2006 (МЭК 61000-3-4:1998)

MOD

МЭК 61000-3-4:1998 «Электромагнитная совместимость (ЭМС) - Часть 3-4: Нормы - Ограничение эмиссии гармонических составляющих тока оборудованием с потребляемым током более 16 А в низковольтных системах электроснабжения»

ГОСТ Р 51317.3.11-2006 (МЭК 61000-3-11:2000)

MOD

МЭК 61000-3-11:2000 «Электромагнитная совместимость (ЭМС) - Часть 3-11: Нормы - Ограничение колебаний напряжения, флуктуации напряжения и фликера в низковольтных системах питания общего пользования - Оборудование с номинальным током £ 75 А на фазу и с типовым подключением»

ГОСТ Р 51317.3.12-2006 (МЭК 61000-3-12:2004)

MOD

МЭК 61000-3-12:2004 «Электромагнитная совместимость (ЭМС) - Часть 3-12: Нормы на эмиссию гармонических составляющих тока, создаваемых оборудованием, подключенным к низковольтным системам питания общего пользования с входным током > 16 А и £ 75 А на фазу»

ГОСТ Р 51317.4.2-2010 (МЭК 61000-4-2:2008)

MOD

МЭК 61000-4-2:2008 «Электромагнитная совместимость (ЭМС) - Часть 4-2: Методы испытаний и измерений - Испытания на помехоустойчивость к электростатическим разрядам. Требования и методы испытаний»

ГОСТ Р 51317.4.3-2006 (МЭК 61000-4-3:2006)

MOD

МЭК 61000-4-3:2006 «Электромагнитная совместимость (ЭМС) - Часть 4-3: Методы испытаний и измерений - Испытания на помехоустойчивость к излучаемому радиочастотному электромагнитному полю»

ГОСТ Р 51317.4.4-2007 (МЭК 61000-4-4:2004)

MOD

МЭК 61000-4-4:2004 «Электромагнитная совместимость (ЭМС) - Часть 4-4: Методы испытаний и измерений - Испытания на помехоустойчивость к электрическому быстрому переходному процессу/пачке импульсов»

ГОСТ Р 51317.4.5-99 (МЭК 61000-4-5:95)

MOD

МЭК 61000-4-5:95 «Электромагнитная совместимость. Часть 4-5: Методы испытаний и измерений. Испытание на помехоустойчивость по отношению к скачку напряжения»

ГОСТ Р 51317.4.6-99 (МЭК 61000-4-6:96)

MOD

МЭК 61000-4-6:96 «Электромагнитная совместимость (ЭМС) - Часть 4-6: Методы испытаний и измерений - Устойчивость к кондуктивным помехам, наведенным радиочастотными электромагнитными полями»

ГОСТ Р 51317.4.11-2007 (МЭК 61000-4-11:2004)

MOD

МЭК 61000-4-11:2004 «Электромагнитная совместимость (ЭМС) - Часть 4-11: Методы испытаний и измерений - Испытание на помехоустойчивость к провалам напряжения, кратковременным прерываниям и колебаниям напряжения»

ГОСТ Р 51318.11-2006 (СИСПР 11:2004)

MOD

СИСПР 11:2004 «Промышленные, научные и медицинские (ПНМ) высокочастотные установки - Характеристики электромагнитных помех - Нормы и методы измерений»

ГОСТ Р 51318.14.1-2006 (СИСПР 14-1:2005)

MOD

СИСПР 14-1:2005 «Электромагнитная совместимость - Требования к бытовым установкам, электрическим инструментам и аналогичным устройствам - Часть 1: Помехи»

ГОСТ Р 51318.16.1.1-2007 (СИСПР 16-1-1:2006)

MOD

СИСПР 16-1-1:2006 «Технические требования к аппаратуре для измерения радиопомех и помехоустойчивости и методы измерений - Часть 1-1: Аппаратура для измерения радиопомех и помехоустойчивости - Измерительная аппаратура»

ГОСТ Р 51318.16.1.2-2007 (СИСПР 16-1-2:2006)

MOD

СИСПР 16-1-2:2006 «Технические требования к аппаратуре для измерения радиопомех и помехоустойчивости и методы измерений - Часть 1-2: Аппаратура для измерения радиопомех и помехоустойчивости - Вспомогательное оборудование - Кондуктивные помехи»

ГОСТ Р 51318.16.1.4-2008 (СИСПР 16-1-4:2007)

MOD

СИСПР 16-1-4:2007 «Технические требования к аппаратуре для измерения радиопомех и помехоустойчивости и методы измерений - Часть 1-4: Аппаратура для измерения радиопомех и помехоустойчивости - Вспомогательное оборудование - Излучаемые помехи»

Примечание - В настоящей таблице использовано следующее условное обозначение степени соответствия стандартов:

- MOD - модифицированные стандарты.

Библиография

[1]

ИСО/МЭК Директивы, Часть 2

Правила разработки международных стандартов, часть 2

(ISO/IEC Directives, Part 2)

(Rules for the structure and drafting of International Standarts, Part 2)

[2]

МЭК 60050-851

Международный электротехнический словарь (МЭС) - Глава 851: Электрическая сварка

(IEC 60050-851)

(International electrotechnical vocabulary - Chapter 851. Electric welding)

[3]

МЭК 60974-1

Оборудование дуговой сварки - Часть 1: Источники питания для сварки

(IEC 60974-1)

(Arc welding equipment - Part 1: Welding power sources)

[4]

МЭК 60974-3

Оборудование дуговой сварки - Часть 3: Устройства зажигания и стабилизации дуги

(IEC 60974-3)

(Arc welding equipment - Part 3: Arc striking and stabilizing devices)

[5]

МЭК 60974-6

Оборудование дуговой сварки - Часть 6: Источники питания для ручной дуговой сварки металлов с ограниченным рабочим циклом

(I ЕС 60974-6)

(Arc welding equipment - Part 6: Power sources for manual metal arc welding with limited duty)

[6]

МЭК/ТС 62081

Оборудование дуговой сварки - Установка и использование

(IEC/TS 62081)

(Arc welding equipment - Installation and use)

 

Ключевые слова: электромагнитная совместимость, оборудование дуговой сварки, электромагнитные помехи, помехоустойчивость, нормы, требования, критерии качества функционирования, методы испытаний