МЕЖГОСУДАРСТВЕННЫЙ СОВЕТ ПО СТАНДАРТИЗАЦИИ,
МЕТРОЛОГИИ И СЕРТИФИКАЦИИ
(МГС)
INTERSTATE COUNCIL FOR STANDARDIZATION, METROLOGY AND CERTIFICATION
(ISC)
|
МЕЖГОСУДАРСТВЕННЫЙ |
ГОСТ |
КОНСТРУКЦИИ БЕТОННЫЕ
И ЖЕЛЕЗОБЕТОННЫЕ ДЛЯ КОЛОДЦЕВ
КАНАЛИЗАЦИОННЫХ, ВОДОПРОВОДНЫХ
И ГАЗОПРОВОДНЫХ СЕТЕЙ
Технические условия
|
|
Москва Стандартинформ 2017 |
Предисловие
Цели, основные принципы и основной порядок работ по межгосударственной стандартизации установлены в ГОСТ 1.0-2015 «Межгосударственная система стандартизации. Основные положения» и ГОСТ 1.2-2015 «Межгосударственная система стандартизации. Стандарты межгосударственные, правила и рекомендации по межгосударственной стандартизации. Правила разработки, принятия, обновления и отмены»
Сведения о стандарте
1 РАЗРАБОТАН Акционерным обществом «Научно-исследовательский, проектно-конструкторский и технологический институт ВНИИжелезобетон» (АО «ВНИИжелезобетон») (Россия, г. Москва) при участии РУП «Институт БелНИИС» (Беларусь, г. Минск)
2 ВНЕСЕН Техническим комитетом по стандартизации ТК 465 «Строительство»
3 ПРИНЯТ Межгосударственным советом по стандартизации, метрологии и сертификации (протокол от 22 ноября 2016 г. № 93-П)
За принятие проголосовали:
|
Краткое
наименование страны |
Код страны
по |
Сокращенное
наименование национального |
|
Армения |
AM |
Минэкономики Республики Армения |
|
Казахстан |
KZ |
Госстандарт Республики Казахстан |
|
Киргизия |
KG |
Кыргызстандарт |
|
Россия |
RU |
Росстандарт |
(Поправка)
4 Приказом Федерального агентства по техническому регулированию и метрологии от 2 декабря 2016 г. № 1919-ст межгосударственный стандарт ГОСТ 8020-2016 введен в действие в качестве национального стандарта Российской Федерации с 1 июля 2017 г.
5 ВЗАМЕН ГОСТ 8020-90
Информация об изменениях к настоящему стандарту публикуется в ежегодном информационном указателе «Национальные стандарты» (по состоянию на 1 января текущего года), а текст изменений и поправок - в ежемесячном информационном указателе «Национальные стандарты». В случае пересмотра (замены) или отмены настоящего стандарта соответствующее уведомление будет опубликовано в ежемесячном информационном указателе «Национальные стандарты». Соответствующая информация, уведомление и тексты размещаются также в информационной системе общего пользования - на официальном сайте Федерального агентства по техническому регулированию и метрологии в сети Интернет (www.gost.ru)
Содержание
ГОСТ 8020-2016
МЕЖГОСУДАРСТВЕННЫЙ СТАНДАРТ
КОНСТРУКЦИИ БЕТОННЫЕ И ЖЕЛЕЗОБЕТОННЫЕ
ДЛЯ КОЛОДЦЕВ КАНАЛИЗАЦИОННЫХ, ВОДОПРОВОДНЫХ И ГАЗОПРОВОДНЫХ СЕТЕЙ
Технические условия
Concrete and reinforeed concrete structures for holes in sewage, water and gas supply pipelines. Specifications
Дата введения - 2017-07-01
Настоящий стандарт распространяется на бетонные и железобетонные конструкции из тяжелого бетона (далее - конструкции), предназначенные для устройства круглых колодцев подземных трубопроводов канализационных самотечных (включая коллекторы), водопроводных и газопроводных сетей.
Конструкции применяют в соответствии с указаниями рабочих чертежей конкретного трубопровода.
В настоящем стандарте использованы нормативные ссылки на следующие межгосударственные стандарты:
ГОСТ 12.1.005-88 Система стандартов безопасности труда. Общие санитарно-гигиенические требования к воздуху рабочей зоны
ГОСТ 12.1.007-76 Система стандартов безопасности труда. Вредные вещества. Классификация и общие требования безопасности
ГОСТ 5781-82 Сталь горячекатаная для армирования железобетонных конструкций. Технические условия
ГОСТ 6727-80 Проволока из низкоуглеродистой стали холоднотянутая для армирования железобетонных конструкций. Технические условия
ГОСТ 8829-94 Изделия строительные железобетонные и бетонные заводского изготовления. Методы испытаний нагружением. Правила оценки прочности, жесткости и трещиностойкости
ГОСТ 10060-2012 Бетоны. Методы определения морозостойкости
ГОСТ 10180-2012 Бетоны. Методы определения прочности по контрольным образцам
ГОСТ 10922-2012 Арматурные и закладные изделия, их сварные, вязанные и механические соединения для железобетонных конструкций. Общие технические условия
ГОСТ 12730.0-78 Бетоны. Общие требования к методам определения плотности, влажности, водопоглощения, пористости и водонепроницаемости
ГОСТ 12730.5-84 Бетоны. Методы определения водонепроницаемости
ГОСТ 13015-2012 Изделия бетонные и железобетонные для строительства. Общие технические требования. Правила приемки, маркировки, транспортирования и хранения
ГОСТ 14098-2014 Соединения сварные арматуры и закладных изделий железобетонных конструкций. Типы, конструкции и размеры
ГОСТ 16338-85 Полиэтилен низкого давления. Технические условия
ГОСТ 17624-2012 Бетоны. Ультразвуковой метод определения прочности
ГОСТ 17625-83 Конструкции и изделия железобетонные. Радиационный метод определения толщины защитного слоя бетона, размеров и расположения арматуры
ГОСТ 18105-2010 Бетоны. Правила контроля и оценки прочности
ГОСТ 22690-2015 Бетоны. Определение прочности механическими методами неразрушающего контроля
ГОСТ 22733-2002 Грунты. Метод лабораторного определения максимальной плотности
ГОСТ 22904-93 Конструкции железобетонные. Магнитный метод определения толщины защитного слоя бетона и расположения арматуры
ГОСТ 23009-2016 Конструкции и изделия бетонные и железобетонные сборные. Условные обозначения (марки)
ГОСТ 23858-79 Соединения сварные стыковые и тавровые арматуры железобетонных конструкций. Ультразвуковые методы контроля качества. Правила приемки
ГОСТ 26433.0-85 Система обеспечения точности геометрических параметров в строительстве. Правила выполнения измерений. Общие положения
ГОСТ 26433.1-89 Система обеспечения точности геометрических параметров в строительстве. Правила выполнения измерений. Элементы заводского изготовления
ГОСТ 26633-2012 Бетоны тяжелые и мелкозернистые. Технические условия
ГОСТ 26996-86 Полипропилен и сополимеры пропилена. Технические условия
ГОСТ 30108-94 Материалы и изделия строительные. Определение удельной эффективной активности естественных радионуклидов
ГОСТ 31384-2008 Защита бетонных и железобетонных конструкций от коррозии. Общие технические требования
Примечание - При пользовании настоящим стандартом целесообразно проверить действие ссылочных стандартов в информационной системе общего пользования - на официальном сайте Федерального агентства по техническому регулированию и метрологии в сети Интернет или по ежегодному информационному указателю «Национальные стандарты», который опубликован по состоянию на 1 января текущего года, и по соответствующим ежемесячным информационным указателям, опубликованным в текущем году. Если ссылочный стандарт заменен (изменен), то при пользовании настоящим стандартом следует руководствоваться заменяющим (измененным) стандартом. Если ссылочный стандарт отменен без замены, то положение, в котором дана ссылка на него, применяется в части, не затрагивающей эту ссылку.
В настоящем стандарте применены следующие термины с соответствующими определениями:
3.1 вибропрессование: Прогрессивный способ изготовления рабочих камер и стеновых колец из жестких бетонных смесей с применением вибрации, подпрессовки и немедленной распалубки, характеризующихся пониженной энергоемкостью и металлоемкостью и обеспечивающие получение изделий с высокими физико-механическими характеристиками бетона.
3.2 горловина: Вертикальная цилиндрическая или коническая часть колодца, размещаемая на опорной плите, ограниченная стеновыми и опорными кольцами, перекрываемая сверху люком и предназначенная для доступа в рабочее пространство.
3.3 камера рабочая: Полая вертикальная конструкция цилиндрической формы, образующая рабочее пространство колодца для технического обслуживания и ревизии, в нижней части которой предусмотрены проемы и/или отверстия для коммуникаций.
3.4 коллектор канализационный: Трубопровод наружной канализационной сети для сбора и отвода всех видов стоков.
3.5 колодец (смотровой, контрольный): Вертикальный элемент сетей, представляющий водонепроницаемую бетонную или железобетонную конструкцию, в котором обеспечивается соединение (разводка) трубопроводов, размещение запорных и контрольных устройств, а также осуществляется доступ персонала или контрольных устройств, позволяющих проводить ревизию, техническое обслуживание сетей и вентиляцию (для канализационных коллекторов).
3.6 колодец водоприемный: Тип колодца, предназначенный для приема и отвода ливневых и сточных вод.
3.7 колодец контрольный: Тип колодца, который обслуживается без непосредственного доступа персонала, применяемый в основном в газопроводных сетях.
3.8 колодец смотровой: Основной тип колодца, в который обеспечивается доступ персонала для технического обслуживания и ревизии трубопровода.
3.9 кольцо опорное: Цилиндрический элемент высотой 40 - 150 мм, обеспечивающий в комплексе со стеновыми кольцами проектную высоту рабочего пространства или горловины колодца.
3.10 кольцо стеновое опорное с днищем: Нижний цельный комплексный железобетонный элемент колодца, состоящий из вертикальной цилиндрической стеновой части и горизонтальной плитной части - днища.
3.11 кольцо с перекрытием: Комплексный железобетонный элемент колодца, состоящий из вертикальной цилиндрической части и горизонтальной верхней плитной части с отверстием для лаза.
3.12 кольцо стеновое коническое: Верхний элемент некоторых типов колодцев без горловины, имеющий верхнее круглое отверстие для люка или промежуточный элемент между горловиной и основной рабочей частью колодца.
3.13 кольцо стеновое цилиндрическое: Основной вертикальный элемент высотой не менее 250 мм, формирующий рабочее пространство или горловину колодца.
3.14 плита днища: Нижний горизонтальный элемент колодца, на который опираются нижнее стеновое или опорное кольцо (если не используется опорное кольцо с днищем) или рабочая камера.
3.15 плита перекрытия дорожная: Верхний горизонтальный элемент колодца, воспринимающий нагрузки от автотранспорта и имеющий цилиндрическое отверстие для люка.
3.16 плита опорная: Горизонтальный плоский элемент колодца с несимметрично расположенным (смещенным от центра) круглым отверстием, опирающийся на верхние стеновые или опорные кольца горловины или рабочего пространства (рабочей камеры).
3.17 плита перекрытия: Верхний плоский горизонтальный с круглым отверстием для люка элемент смотрового или контрольного колодца, устраиваемого вне дорог.
3.18 плита перекрытия для водоприемных колодцев: Верхний горизонтальный элемент колодца с отверстием, как правило, прямоугольной формы для решетки, например чугунной, предназначенной для пропуска в колодец ливневых или сточных вод.
3.19 поверхности стыковые: Фальцевые или плоские торцевые поверхности колец стеновых, опорных и с днищем, взаимно сопрягаемые при монтаже колодца с использованием герметизирующих уплотнительных колец или цементно-песчаного раствора.
3.20 поверхности фальцевые стыковые: Торцевые поверхности, взаимно сопрягаемые в пределах толщины стенки смежных колец стеновых, опорных и с днищем.
3.21 прессование радиальное: Высокопроизводительный способ изготовления рабочих камер и цилиндрических стеновых колец из жестких бетонных смесей с немедленной распалубкой, характеризующийся пониженной энергоемкостью и металлоемкостью.
3.22 сети (канализационные, водопроводные, газопроводные): Система трубопроводов и колодцев для сбора и отвода бытовых (фекальных), производственных сточных жидкостей и атмосферных сточных вод, водоснабжения и газоснабжения в жилых микрорайонах и промышленных зонах.
4.1.1 Конструкции являются сборными элементами колодцев, основные схемы которых приведены в приложении А.
4.1.2 Конструкции (приложение Б) подразделяют на типы:
КФК - рабочая камера колодца хозяйственно-бытовой (фекальной) канализации;
КДК - то же, внутриквартальных сетей;
КЛК - то же, ливневой канализации;
КЛВ - то же, ливневой канализации, водоприемного;
КВГ - то же, водопроводных и газопроводных сетей;
КС - кольцо стеновое цилиндрическое;
КСП - кольцо с перекрытием;
КСК - кольцо стеновое коническое;
КО - кольцо опорное;
ПО - плита опорная;
ПД - плита перекрытия дорожная;
КОД - кольцо опорное с днищем;
ПН - плита днища;
ППВ - плита перекрытия водоприемного колодца;
ПП - плита перекрытия смотрового или контрольного колодца.
Примечание - Плиты днищ применяются, если не используется кольцо опорное с днищем - КОД.
4.1.3 Рекомендуемые форма и основные размеры конструкций колодцев приведены в приложении А.
4.1.4 Конструкции должны быть железобетонными и армироваться стальными каркасами.
Допускаются при технико-экономическом обосновании изготовление и применение стеновых цилиндрических и опорных бетонных колец внутренним диаметром не более 800 мм и фибробетонных диаметром не более 1250 мм.
Примечания
1 Для бетонных типов конструкций перед наименованием типа по 4.1.2 ставят букву «Б», например БКС, а фибробетонных - «ФБ», например ФБКС.
2 Для колец с фальцевыми стыковыми поверхностями в конце наименования типа добавляют букву «Ф», например КСФ или БКСФ.
3 Для стеновых колец или рабочих камер с внутренним полиэтиленовым чехлом к наименованию типа конструкции добавляют букву «Ч», например КСЧ или КСФЧ.
4.1.5 Рабочие камеры и стеновые кольца могут иметь ходовые скобы (однорядные или двухрядные по вертикали), закладные изделия, а также отверстия, ниши и вырезы, что должно быть указано в рабочих чертежах колодцев.
По согласованию изготовителя с потребителем стеновые кольца допускается изготовлять без ходовых скоб при условии установки их или алюминиевых лестниц внутри собранных колодцев.
4.1.6 Ходовые скобы должны быть расположены по высоте через 250 - 350 мм и выступать от внутренней поверхности колодца на 120 мм.
Двухрядные ходовые скобы должны быть расположены в плане таким образом, чтобы межосевое расстояние между их вертикальными рядами составляло 270 - 310 мм.
4.1.7 Показатели расхода бетона и стали на конструкции колодцев должны соответствовать указанным в рабочих чертежах на конструкции.
Рабочие камеры и кольца должны быть толщиной не менее 150 мм, а при внутренней футеровке не менее: 90 мм - при диаметре 700 мм; 100 мм - при диаметре 1000 мм; 110 мм - при диаметре 1500 мм; 120 мм - при диаметре 2000 мм; 150 мм - при диаметре свыше 2000 мм.
4.1.8 Стеновые кольца характеризуются прочностью, указываемой в рабочих чертежах трубопровода и определяемой в зависимости от их диаметра и расчетной эксплуатационной транспортной нагрузки и давления грунта с учетом рекомендаций нормативных документов*, действующих на территории государства, принявшего настоящий стандарт.
__________
* В Российской Федерации действует СП 35.13330.2011 «СНиП 2.05.03-84* Мосты и трубы».
4.1.9 Плиты перекрытий и плиты опорные подразделяют на две группы по несущей способности:
1-я - при расположении колодца вне зоны движения транспортных средств, при максимальной высоте засыпки грунта (до верха плиты) 3 м;
2-я - при расположении колодца в зоне движения (возможного) транспортных средств и при максимальной высоте засыпки (до верха плиты) 6 м.
4.1.10 Конструкции обозначают марками в соответствии с требованиями ГОСТ 23009. Марка конструкций состоит из буквенно-цифровых групп, разделенных дефисами.
В первой группе приводят типоразмер конструкции. Буквы обозначают тип конструкции, цифры перед буквами - порядковый номер типоразмера (при необходимости), цифры после букв (округленные до целого числа) обозначают (в дециметрах):
- для рабочих камер, колец стеновых, опорных и с днищем - их внутренний диаметр и высоту;
- для плит днища, перекрытий, опорных и дорожных плит - диаметр отверстий и высоту.
Во второй группе для стеновых колец указывают класс прочности, а для плит перекрытий - группу по несущей способности.
В третьей группе для стеновых колец и плит перекрытий или во второй группе для остальных конструкций указывают:
- для конструкций, эксплуатируемых в условиях воздействия агрессивной среды, - показатель проницаемости бетона, обозначаемый прописной буквой: П - пониженной проницаемости, О - особо низкой проницаемости;
- дополнительные конструктивные характеристики (наличие закладных изделий, отверстий, ниш и вырезов), обозначаемые в марке арабскими цифрами или строчными буквами.
Пример условного обозначения (марки) рабочей камеры типа КФК внутренним диаметром 1250 мм высотой 2630 мм:
КФК13.26
То же, кольца стенового цилиндрического железобетонного внутренним диаметром 1000 мм высотой 1200 мм с фальцевыми стыковыми поверхностями класса прочности 25 кН из бетона особо низкой проницаемости:
КСФ10.12-25.О
То же, плиты перекрытия, перекрывающей колодец, наружным диаметром 2200 мм с отверстием диаметром 1000 мм высотой 160 мм (типоразмера 2ПП22), второй группы по несущей способности:
2ПП22.16-2
Примечание - Допускается принимать обозначения марок конструкций в соответствии с рабочими чертежами на конструкции до их пересмотра.
4.2.1 Конструкции следует изготовлять в соответствии с требованиями настоящего стандарта и технологической документации, утвержденной в установленном порядке, и применять согласно указаниям рабочих чертежей конкретного трубопровода.
4.2.2 Рабочие камеры и кольца стеновые рекомендуется изготовлять высокоэффективными способами вибропрессования или радиального прессования.
4.2.3 Конструкции должны удовлетворять требованиям ГОСТ 13015 к следующим показателям:
- прочность и трещиностойкость, установленные при проектировании (выдерживать контрольные нагрузки, указанные в рабочих чертежах);
- показатели фактической прочности бетона (в проектном возрасте и отпускной);
- морозостойкость и водонепроницаемость бетона;
- толщина защитного слоя бетона до арматуры;
- марки сталей для арматурных и закладных изделий, в том числе для монтажных петель;
- защита от коррозии (если это предусмотрено проектом трубопровода).
4.2.4 Стыковые соединения конструкций колодцев - колец стеновых, опорных и с днищем должны обеспечивать его герметичность и неразъемность в процессе эксплуатации.
Для колодцев канализационных коллекторов следует применять стеновые и опорные кольца с днищем, имеющие фальцевые стыковые поверхности, уплотняемые герметизирующими кольцами.
Согласно проектной документации трубопровода в стенках рабочих камер и опорных колец с днищем должны быть предусмотрены проходные отверстия диаметром 50 - 600 мм для закрытых трубопроводов или 200 - 500 мм для канализационных лотков.
4.2.5 Для герметизации стыковых соединений конструкций колодцев следует применять уплотнительные кольца из эластомерных материалов, например резины круглого или трапециевидного сечения, герметики и другие материалы, соответствующие требованиям действующих нормативных документов.
Допускается в обоснованных случаях применение для стыковых соединений цементно-песчаного раствора марки по прочности не менее 50.
4.2.6 Конструкции допускается применять на территориях со средней температурой наружного воздуха наиболее холодной пятидневки не ниже минус 40 °С с обеспеченностью по нормативному документу*, действующему на территории государства, принявшего настоящий стандарт.
__________
* В Российской Федерации принимают обеспеченность 0,92 по СП 131.13330.2012 «СНиП 23-01-99* Строительная климатология».
4.2.7 Не допускается применение конструкций в районах вечной мерзлоты и на территориях с сейсмичностью более 8 баллов без дополнительных конструктивно-технических решений, указываемых в проекте трубопровода, согласно нормативных документов по сейсмостойкому строительству**, действующих на территории государств, принявших настоящий стандарт.
__________
** В Российской Федерации действует СП 14.13330.2014 «СНиП И-7-81* Строительство в сейсмических районах».
4.2.8 На территориях с сейсмичностью 7 и 8 баллов железобетонные кольца (кроме опорных) должны иметь фальцевые торцевые поверхности, стыкуемые между собой с использованием резиновых уплотнителей.
4.2.9 Прочностные характеристики плит перекрытий и колец стеновых должны обеспечивать их эксплуатацию в следующих усредненных условиях:
- засыпка грунтом плотностью 1,8 т/м3 с
нормальным уплотнением
=
0,85 - 0,92, контролируемой по ГОСТ
22733;
- временная нагрузка на поверхности земли от автомобильных транспортных средств класса определяемого по нормативному документу*, действующему на территории государства, принявшего настоящий стандарт.
__________
* В Российской Федерации - класса НК-100 (Н14) по СП 35.13330.2011 «СНиП 2.05.03-84* Мосты и трубы».
Допускается проектировать конструкции под конкретные инженерно-геологические условия их укладки и эксплуатации, в т.ч. транспортные нагрузки.
4.2.10 Толщина защитного слоя бетона в железобетонных конструкциях должна отвечать требованиям ГОСТ 31384.
4.3.1 Конструкции следует изготовлять из тяжелого бетона по ГОСТ 26633 классов по прочности не ниже:
- В30 и Bt2,4 - для бетонных конструкций;
- В25 - для железобетонных стеновых колец и конструкций, применяемых в канализационных коллекторах диаметром 800 мм и более;
- В20 - для остальных конструкций.
4.3.2 Нормируемую отпускную прочность бетона принимают равной 70 % класса по прочности на сжатие в теплый период года и 90 % в холодный период года.
Указанная нормируемая отпускная прочность бетона может быть уменьшена или увеличена в соответствии с требованиями ГОСТ 13015.
Примечание - За холодный период года принимают период, начиная и кончая месяцами, характеризующимися среднемесячной температурой наружного воздуха 0 °С и ниже в соответствии с нормативным документом**, действующим на территории государства, принявшего настоящий стандарт, а за теплый период - остальное время года.
__________
** В Российской Федерации действует СП 131.13330.12 «СНиП 23-01-99* Строительная климатология».
4.3.3 Марки по морозостойкости и водонепроницаемости бетона конструкций должны соответствовать маркам, установленным в проектной документации конкретного трубопровода и указанным в заказе на их изготовление, но быть не ниже соответственно F150 и W4 (в канализационных коллекторах - не ниже W6).
Для конструкций, выходящих на поверхность грунта, требования по морозостойкости бетона назначают по ГОСТ 31384.
При этом в средне- и сильноагрессивных средах следует применять антикоррозийную защиту согласно требованиям 4.5.
4.3.4 Удельная эффективная активность естественных радионуклидов бетона конструкций, применяемых в пределах населенных пунктов и зон перспективной застройки, должна быть не более 740 Бк/кг, а применяемых вне населенных пунктов - не более 1350 Бк/кг.
4.3.5 Материалы для бетонной смеси, используемые при изготовлении конструкций, должны обеспечивать выполнение требований 4.3.1 - 4.3.4.
4.4.1 Для армирования конструкций применяют арматурную сталь следующих видов и классов:
- стержневую горячекатаную классов A-I (А240) и A-III (А400) по ГОСТ 5781;
- прокат арматурный свариваемый периодического профиля классов А500С и В500С по нормативному документу***, действующему на территории государства, принявшего настоящий стандарт;
__________
*** В Российской Федерации арматурный прокат классов А500С и В500С выпускают по ГОСТ Р 52544-2006 «Прокат арматурный свариваемый периодического профиля классов А500С и В500С для армирования железобетонных конструкций. Технические условия», класса А500СП - по ТУ 14-1-5526-2006 (с Изм. №1) «Прокат арматурный класса А500СП с эффективным периодическим профилем».
- прокат арматурный класса А500СП*;
__________
* В Российской Федерации арматурный прокат классов А500С и В500С выпускают по ГОСТ Р 52544-2006 «Прокат арматурный свариваемый периодического профиля классов А500С и В500С для армирования железобетонных конструкций. Технические условия», класса А500СП - по ТУ 14-1-5526-2006 (с Изм. № 1) «Прокат арматурный класса А500СП с эффективным периодическим профилем».
- арматурную проволоку класса Вр-I по ГОСТ 6272.
Допускается применение арматурных сталей, изготовляемых по национальным стандартам и техническим условиям.
4.4.2 Форма и размеры арматурных и закладных изделий и их положение в конструкциях должны соответствовать указанным в рабочих чертежах.
4.4.3 Сварные арматурные и закладные изделия должны удовлетворять требованиям ГОСТ 14098 и ГОСТ 10922.
4.4.4 Ходовые скобы следует изготовлять из стержневой арматурной стали классов A-I (А240) по ГОСТ 5781. Диаметр стержней для ходовых скоб должен быть не менее 16 мм.
4.4.5 Ходовые скобы и необетонированные стальные закладные изделия должны быть защищены от коррозии согласно указаниям рабочих чертежей колодцев.
4.5.1 Конструкции, предназначенные для эксплуатации в условиях действия агрессивной среды, должны удовлетворять дополнительным требованиям, установленным в проектной документации с учетом рекомендаций нормативных документов**, действующих на территории государства, принявшего настоящий стандарт.
__________
** В Российской Федерации действуют СП 28.13330.2012 «СНиП 2.03.11-85 Защита строительных конструкций от коррозии» и СП 32.13330.2012 «СНиП 2.04.03-85 Канализация. Наружные сети и сооружения».
4.5.2 Конструкции, применяемые в канализационных коллекторах с непосредственным воздействием сильноагрессивной среды на внутренние стенки колодцев, должны иметь внутреннее полимерное защитное покрытие, вид и технические характеристики которого следует отражать (с учетом рекомендаций 4.5.3) в рабочих чертежах или проектной документации и указывать в заказе на изготовление конструкций.
4.5.3 В конструкциях по 4.5.2, применяемых в канализационных коллекторах, транспортирующих сильноагрессивные жидкости, и при наличии средне- и сильноагрессивной газовой среды используемый в качестве внутреннего защитного покрытия материал в виде полимерных чехлов должен обладать химической стойкостью не ниже чем у полиэтилена (РЕ) по ГОСТ 16338 или полипропилена (РР) по ГОСТ 26996 и иметь толщину листа от 3 мм и более.
Для надежного механического закрепления чехлов в бетоне, лист должен иметь дискретные (точечные) анкерующие элементы высотой 10 - 15 мм, расположенные в шахматном порядке в количестве не менее 300 и не более 500 шт. на 1 м2 поверхности покрытия или Т-образные анкерные элементы высотой 12 - 16 мм с расстоянием между ними 24 - 40 мм, толщиной стойки не менее 3 мм и полки не менее 6 мм и отвечать требованиям Технических условий на полимерные листы, действующих на территории государства, принявшего настоящий стандарт.
4.5.4 Стеновые кольца и стыковые соединения конструкций колодцев, эксплуатирующихся ниже уровня грунтовых вод, должны быть водонепроницаемыми и обеспечивать восприятие внешнего гидростатического давления, в 1,2 раза превышающего максимальное давление грунтовых вод.
Для обеспечения водонепроницаемости колодцев рекомендуется использовать внутреннее защитное полимерное покрытие по 4.5.3 с толщиной листа не менее 4 мм.
4.5.5 Для конструкций, монтируемых в просадочных и сильнопросадочных, а также в пучинистых грунтах групп, определенных в нормативном документе***, действующем на территории государства, принявшего настоящий стандарт, необходимо в проектной документации трубопроводов предусматривать специальные инженерные мероприятия, исключающие воздействие таких грунтов на конструкции колодцев.
__________
*** В Российской Федерации - группы III - IV по СП 34.13330.2012 «СНиП 2.05.02-85* Автомобильные дороги».
4.6.1 Значения фактических отклонений геометрических размеров конструкций не должны превышать предельных отклонений, указанных в таблице 1.
4.6.2 Допуски на положение арматурных каркасов не должны превышать ±3 мм, а допуски на положение закладных деталей и ходовых колец - ±5 мм.
4.7.1 Качество поверхностей конструкций (за исключением стыковых поверхностей) должно удовлетворять требованиям, установленным для категории А6 по ГОСТ 13015, а стыковых поверхностей - для категории А7.
4.7.2 В бетоне конструкций, поставляемых потребителю, трещины не допускаются, за исключением усадочных и других поверхностных технологических трещин, ширина которых не должна превышать 0,1 мм.
4.7.3 Открытые поверхности стальных закладных изделий, монтажные петли и строповочные отверстия должны быть очищены от наплывов бетона и раствора.
Конструкции колодцев должны поставляться комплектно в зависимости от схемы (см. приложение А) и рабочих чертежей колодца.
Маркировка конструкций - по ГОСТ 13015.
Таблица 1 - Отклонения геометрических размеров конструкций
В миллиметрах
|
Отклонения геометрического параметра |
Геометрический параметр |
Предельное отклонение |
|
|
Отклонение от линейного размера |
Высота конструкций: |
|
|
|
до 120 |
±5 |
||
|
св. 120 |
до 250 |
±6 |
|
|
» 250 |
» 500 |
±8 |
|
|
» 500 |
» 1000 |
±10 |
|
|
» 1000 |
» 1600 |
±12 |
|
|
» 1600 |
» 2500 |
±15 |
|
|
» 2500 |
|
±20 |
|
|
Внутренний диаметр колец и рабочих камер: |
|
||
|
до 1000 |
-8 |
||
|
св. 1000 |
до 1600 |
-10 |
|
|
» 1600 |
» 2500 |
-12 |
|
|
» 2500 |
|
-16 |
|
|
Наружный диаметр колец и рабочих камер: |
|||
|
|
до 1000 |
+8 |
|
|
св. 1000 |
до 1600 |
+10 |
|
|
» 1600 |
» 2500 |
+12 |
|
|
» 2500 |
|
+16 |
|
|
Наружный диаметр плит перекрытий и днищ: |
|
||
|
до 1000 |
+12 |
||
|
св. 1000 |
до 1600 |
+16 |
|
|
» 1600 |
» 2500 |
+20 |
|
|
» 2500 |
|
+24 |
|
|
Размеры (диаметр) отверстий, лазов и вырезов |
±4 |
||
|
Длина и ширина опорных и дорожных плит |
±10 |
||
|
Положение отверстий и вырезов |
10 |
||
|
Отклонение: |
Нижняя поверхность плит перекрытий и торцевая плоскость колец и рабочих камер при наружном диаметре: |
|
|
|
- от плоскостности (при измерении от прилегающей плоскости); |
|
||
|
до 1000 |
8 |
||
|
св. 1000 |
до 1600 |
10 |
|
|
- от прямолинейности (при измерении на всей длине) |
» 1600 |
» 2500 |
12 |
|
По всей высоте колец и рабочих камер: |
|
||
|
|
до 1000 |
8 |
|
|
св. 1000 |
до 1600 |
10 |
|
|
» 1600 |
» 2500 |
12 |
|
|
Отклонение от перпендикулярности |
Перпендикулярность смежных граней (образующей) колец на участке длиной до 250 |
|
|
|
4 |
|||
5.1 Конструкции, изготовленные и применяемые по настоящему стандарту, относятся к пожаро- и взрывобезопасным строительным изделиям. По критериям ГОСТ 12.1.007 они относятся к 4-му классу опасности (малоопасные вещества).
5.2 В условиях хранения и эксплуатации конструкции не выделяют в окружающую среду токсичных веществ и не оказывают при непосредственном контакте вредного действия на организм человека, работа с ними не требует применения специальных средств индивидуальной защиты.
5.3 Санитарный контроль содержания вредных веществ в воздухе рабочей зоны при изготовлении и применении конструкций определяют по специальным методикам и осуществляют в соответствии с санитарными правилами*, действующими на территории государства, принявшего настоящий стандарт. Санитарно-химические исследования воздуха проводят в соответствии с ГОСТ 12.1.005, ГОСТ 12.1.007 и гигиеническими нормами**, действующими на территории государства, принявшего настоящий стандарт.
__________
* В Российской Федерации действуют СП 1.1.1058-01 «Организация производственного контроля за соблюдением санитарных правил и выполнения санитарно-противоэпидемических (профилактических) мероприятий».
** В Российской Федерации действуют ГН 2.2.5.1313-03 «Предельно допустимые концентрации (ПДК) загрязняющих веществ в воздухе рабочей зоны».
5.4 Нормы радиационной безопасности при изготовлении и применении конструкций должны соответствовать требованиям, указанным в 4.3.4, а также санитарных правил и норм***, действующих на территории государства, принявшего настоящий стандарт.
__________
*** В Российской Федерации действуют СанПиН 2.6.1.2523-09 «Нормы радиационной безопасности (НРБ-99/2009)».
6.1 При организации производства и применения конструкций изготовитель должен разработать и выполнить комплекс приемочных испытаний.
6.2 Приемка конструкций - по ГОСТ 13015 и настоящему стандарту. При этом конструкции принимают по результатам испытаний:
- приемо-сдаточных - по показателям прочности бетона (классу бетона по прочности на сжатие и осевое растяжение, а также отпускной прочности), соответствия арматурных изделий рабочим чертежам, прочности сварных соединений каркасов, точности геометрических параметров, качества бетонной поверхности и ширины усадочных трещин;
- периодических - по показателям прочности, трещиностойкости, морозостойкости, водонепроницаемости и водопоглощения бетона.
6.3 Приемку конструкций по показателям точности геометрических параметров, качества поверхностей (за исключением стыковых) и толщине защитного слоя бетона до арматуры проводят по результатам выборочного контроля.
Конструкции по размерам и качеству стыковых поверхностей следует принимать по результатам сплошного контроля.
6.4 В документе о качестве конструкций по ГОСТ 13015 дополнительно должны быть приведены марки бетона по морозостойкости и водонепроницаемости (если эти показатели оговорены в заказе на изготовление), а также масса конструкций.
7.1 Испытания стеновых колец и плит перекрытий нагружением для контроля их прочности и трещиностойкости проводит в соответствии с требованиями ГОСТ 8829 и настоящего стандарта по схемам, приведенным в приложениях В и Г.
7.2 Прочность бетона конструкций определяют по ГОСТ 10180 на серии образцов, изготовленных из бетонной смеси рабочего состава и хранившихся в условиях, установленных ГОСТ 18105.
Допускается определять прочность бетона на сжатие неразрушающими методами: ультразвуковым по ГОСТ 17624 или приборами механического действия по ГОСТ 22690.
7.3 Морозостойкость бетона определяют по ГОСТ 10060 на серии образцов, изготовленных из бетонной смеси рабочего состава.
7.4 Водонепроницаемость бетона определяют по ГОСТ 12730.0 и ГОСТ 12730.5.
7.5 Удельную эффективную активность естественных радионуклидов в материалах для конструкций определяют по ГОСТ 30108.
7.6 Сварные арматурные изделия контролируют по ГОСТ 10922 и ГОСТ 23858.
7.7 Размеры и положение арматурных изделий, а также толщину защитного слоя бетона до арматуры определяют по ГОСТ 17625 или ГОСТ 22904.
7.8 Размеры, ширину раскрытия поверхностных усадочных или технологических трещин, размеры раковин, наплывов и околов бетона конструкций проверяют методами, установленными ГОСТ 26433.0 и ГОСТ 26433.1.
7.9 Размеры конструкций проверяют следующим образом:
- наружные и внутренние диаметры измеряют по двум взаимно перпендикулярным направлениям;
- толщину стенок измеряют в четырех местах по двум взаимно перпендикулярным диаметрам;
- высоту измеряют по четырем образующим в двух диаметрально противоположных сечениях;
- толщину плит и опорных колец измеряют в четырех местах по двум взаимно перпендикулярным направлениям.
8.1 Транспортирование и хранение конструкций - по ГОСТ 13015 и настоящему стандарту.
8.2 Конструкции транспортируют и хранят в рабочем положении.
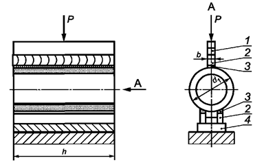
Конструкции следует складировать: рабочие камеры - в один ряд; стеновые кольца - в два ряда по высоте в соответствии со схемой, приведенной на рисунке 1; кольца опорные и плиты - не более чем в шесть рядов по высоте на прокладках (подкладках) в соответствии со схемой, приведенной на рисунке 2.
Рисунок 1 - Складирование стеновых колец колодцев
1 - прокладки (подкладки); 2 - монтажные петли
Рисунок 2 - Схема складирования колец опорных и плит
8.3 Строповку стеновых колец следует проводить с использованием монтажных (временных) отверстий, в которые вставляют строповочное приспособление в виде отрезка стальной трубы или стержня наружным диаметром 48 - 55 мм и длиной, превышающей наружный диаметр конструкции на 300 - 400 мм. Подъем конструкции проводят с помощью кольцевых строп, заведенных за выступающие на 150 - 200 мм концы стальной трубы (стержня).
Примечание - Временные монтажные отверстия заделывают раствором в собранном колодце.
8.4 При выполнении погрузочно-разгрузочных работ запрещается:
- применение цепей и тросов с узлами или выступами, которые могут повредить бетон конструкций;
- переноска кольцевых конструкций при закреплении троса в одной плоскости или путем пропуска его через кольцо, а также с помощью крюков, зацепляемых за торцы или монтажные отверстия;
- перемещение конструкций волоком;
- разгрузка конструкций сбрасыванием или скатыванием по наклонным плоскостям (лагам).
8.5 Транспортировать конструкции полезной высотой от 1000 мм автотранспортом следует в один ряд по высоте на плоском основании с закреплением от горизонтального перемещения.
8.6 Кольца полезной высотой 890, 590 и 290 мм следует хранить на складе готовой продукции и транспортировать пакетами, сформированными из установленных друг на друга колец одного диаметра, при этом число колец в пакете должно быть не более указанного в таблице 2.
Таблица 2 - Число колец в пакете
|
Полезная высота кольца, мм |
Число колец в пакете, шт., при хранении и транспортировании |
|
890 |
2 |
|
590 |
3 |
|
290 |
6 |
Общая высота пакета, сформированного из колец разной полезной высоты, не должна превышать 1,8 м.
8.7 При формировании пакета из колец в целях исключения повреждения поверхности стыка следует использовать уплотняющие резиновые кольца, одеваемые на каждое нижележащее стеновое кольцо.
Для транспортирования пакета колец в монтажные отверстия нижнего и верхнего кольца должны быть вставлены используемые при строповке стальные трубы или стержни по 8.3, выступающие наружу, концы которых стягиваются скрутками из стальной проволоки диаметром 4 - 5 мм.
8.8 Допускается вместо уплотняющих резиновых колец при формировании пакета использовать деревянные прокладки сечением 50×50 мм и длиной 100 - 150 мм, которые в количестве трех штук укладывают на стыковую ступеньку каждого нижележащего кольца равномерно по окружности. При этом пакеты для транспортирования обязательно должны быть стянуты стальными проволочными скрутками.
8.9 На складе готовой продукции конструкции следует устанавливать на выверенную горизонтальную поверхность без подкладок.
9.1 Предприятие-изготовитель гарантирует соответствие поставляемых конструкций требованиям настоящего стандарта при соблюдении транспортными организациями правил транспортирования, а потребителем - условий хранения и применения, установленных настоящим стандартом.
9.2 Гарантийный срок хранения и эксплуатации конструкций, в течение которого изготовитель обязан устранять обнаруженные потребителем скрытые дефекты, устанавливается не менее чем два года с даты отгрузки потребителю, но не более 2,5 года с даты изготовления.

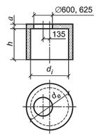
1 - плита
перекрытия (дорожная); 2 - рабочая камера; 3 - опорное кольцо; 4
- стеновое цилиндрическое кольцо;
5 - стеновое коническое кольцо; 6 - опорная плита; 7 -
стеновое кольцо с днищем; 8 - плита днища
Таблица Б.1
|
Наименование и форма конструкции |
Тип конструкции |
Рекомендуемые основные размеры, мм |
|||
|
|
|
h |
l×b или а |
||
|
Рабочая камера
|
КДК |
1000 |
1160 |
1270 |
- |
|
|
|||||
|
|
1000 |
1160 |
2410 |
||
|
КФК |
1250 |
1410 |
2630 |
||
|
1500 |
1680 |
2870 |
|||
|
|
2000 |
2200 |
3110 |
||
|
|
|
|
|
||
|
Рабочая камера
|
КЛВ |
820 |
960 |
1550 |
- |
|
|
|||||
|
|
1000 |
1160 |
1800 |
||
|
КЛК |
1250 |
1410 |
1800 |
||
|
|
1500 |
1680 |
1980 |
||
|
|
|
|
|
||
|
Рабочая камера
|
КВГ |
1980 |
- |
||
|
1270 |
1410 |
||||
|
1520 |
1680 |
||||
|
2000 |
2200 |
||||
|
2500 |
2700 |
||||
|
|
|
||||
|
Стеновое цилиндрическое кольцо
|
КС |
290 - 1190 |
- |
||
|
|
|
||||
|
700 |
840 - 880 |
||||
|
1000 |
1160 - 1200 |
||||
|
1250 |
1410 - 1450 |
||||
|
1500 |
1680 - 1730 |
||||
|
2000 |
2200 - 2250 |
||||
|
2500 |
2700 - 2800 |
||||
|
|
|
||||
|
|
|
||||
|
Стеновое коническое кольцо
|
КСК |
|
- |
|
- |
|
1000 |
600 |
||||
|
1000 |
900 |
||||
|
1250 |
900 |
||||
|
1500 |
600 |
||||
|
1500 |
900 |
||||
|
2000 |
900 |
||||
|
2000 |
1200 |
||||
|
|
|
||||
|
Опорное кольцо
|
КО |
|
|
40 - 150 |
- |
|
700 |
840 |
||||
|
1000 |
1160 |
||||
|
1250 |
1410 |
||||
|
1500 |
1680 |
||||
|
2000 |
2200 |
||||
|
2500 |
2700 |
||||
|
|
|
||||
|
Стеновое опорное кольцо с днищем
|
КОД* |
|
|
890 - 1200 |
150 |
|
|
900 |
||||
|
1000 |
1200 |
||||
|
1500 |
1700 |
||||
|
2000 |
1700 |
||||
|
|
2200 |
||||
|
|
|||||
|
Кольцо с перекрытием
|
КСП |
|
|
890 - 1000 |
90 - 150 |
|
1000 |
1200 |
||||
|
1500 |
1700 |
||||
|
2000 |
2200 |
||||
|
|
|
||||
|
Опорная плита
|
ПО |
1000 |
- |
150 |
1700×1700 |
|
Дорожная плита перекрытия
|
ПД |
580 1000 |
- |
220 |
2500×1750 2800×2000 |
|
Плита днища
|
ПН |
- |
|
100 |
- |
|
1000 |
|||||
|
1250 |
|||||
|
1500 |
|||||
|
2000 |
|||||
|
|
|||||
|
Плита перекрытия водоприемного колодца
|
ППВ |
|
1000 |
170 |
- |
|
580 |
|||||
|
800 |
|||||
|
|
|||||
|
Плита перекрытия смотровых и
1 - ниша только в плитах при а ≥ 650 мм |
ПП |
|
|
|
150 - 900 |
|
|
1160 |
|
|||
|
|
1410 |
150 |
|||
|
700 |
1680 |
160 |
|||
|
1000 |
2200 |
180 |
|||
|
|
2700 |
|
|||
|
|
|
|
|||
|
Примечания 1 Конструкции рабочих камер могут быть цельнокомплексными, включающими в себе плиты днища. 2 Внутренние поверхности рабочих камер и стеновых колец могут иметь технологический уклон не более 1,5 %. При этом внутренний диаметр и толщина стенки по середине высоты конструкции должны соответствовать указанным в рабочих чертежах конструкций. 3 Боковые грани плит, изготовляемых в неразъемных формах, могут иметь технологический уклон не более 10 %. 4 Опорные плиты могут иметь в плане круглое наружное очертание. 5 Конструкции колодцев могут иметь другие формы и размеры, отражаемые в рабочих чертежах, при условии выполнения технических требований раздела 4. |
|||||
__________
* Допускается изготовление конструкций (КОД) с выступающим наружу днищем.
|
|
|
а) Цилиндрические стеновые кольца |
|
|
|
1 - траверса; 2 - деревянные бруски; 3 - резиновые прокладки; 4 - основание; 5 - упор б) Конические стеновые кольца Рисунок В.1 |

1 - плита перекрытия; 2 - стальная плита; 3
- нагрузочная плита 300×300 мм;
4 - шаровая опора; 5 - резиновые прокладки; 6 - стеновое
кольцо
Рисунок Г.1
Ключевые слова: сети канализационные; водопроводные; газопроводные; конструкции бетонные и железобетонные; смотровой колодец; стеновое кольцо; опорное кольцо с днищем; рабочая камера; опорная плита; ходовые скобы; прочность; морозостойкость; водонепроницаемость бетона