МЕЖГОСУДАРСТВЕННЫЙ СОВЕТ ПО СТАНДАРТИЗАЦИИ,
МЕТРОЛОГИИ И СЕРТИФИКАЦИИ
(МГС)
INTERSTATE COUNCIL FOR STANDARDIZATION, METROLOGY AND CERTIFICATION
(ISC)
|
МЕЖГОСУДАРСТВЕННЫЙ |
ГОСТ |
Система стандартов безопасности труда
СРЕДСТВА
ИНДИВИДУАЛЬНОЙ ЗАЩИТЫ
ОТ ЭЛЕКТРИЧЕСКИХ ПОЛЕЙ
ПРОМЫШЛЕННОЙ ЧАСТОТЫ
И ПОРАЖЕНИЯ ЭЛЕКТРИЧЕСКИМ ТОКОМ.
КОМПЛЕКТЫ ИНДИВИДУАЛЬНЫЕ
ШУНТИРУЮЩИЕ ЭКРАНИРУЮЩИЕ
Общие технические требования.
Методы испытаний
|
|
Москва Стандартинформ 2019 |
Предисловие
Цели, основные принципы и общие правила проведения работ по межгосударственной стандартизации установлены ГОСТ 1.0 «Межгосударственная система стандартизации. Основные положения» и ГОСТ 1.2 «Межгосударственная система стандартизации. Стандарты межгосударственные, правила и рекомендации по межгосударственной стандартизации. Правила разработки, принятия, обновления и отмены»
Сведения о стандарте
1 РАЗРАБОТАН ФГБНУ «Научно-исследовательский институт медицины труда имени академика Н.Ф. Измерова»
2 ВНЕСЕН Федеральным агентством по техническому регулированию и метрологии
3 ПРИНЯТ Межгосударственным советом по стандартизации, метрологии и сертификации (протокол от 30 июля 2019 г. № 120-П)
За принятие проголосовали:
|
Краткое
наименование страны |
Код страны
по |
Сокращенное
наименование национального |
|
Армения |
AM |
Минэкономики Республики Армения |
|
Беларусь |
BY |
Госстандарт Республики Беларусь |
|
Казахстан |
KZ |
Госстандарт Республики Казахстан |
|
Киргизия |
KG |
Кыргызстандарт |
|
Россия |
RU |
Росстандарт |
|
Таджикистан |
TJ |
Таджикстандарт |
|
Узбекистан |
UZ |
Узстандарт |
(Поправка)
4 Приказом Федерального агентства по техническому регулированию и метрологии от 27 августа 2019 г. № 530-ст межгосударственный стандарт ГОСТ 12.4.283-2019 введен в действие в качестве национального стандарта Российской Федерации с 1 сентября 2020 г.
5 ВЗАМЕН ГОСТ 12.4.283-2014
Информация о введении в действие (прекращении действия) настоящего стандарта и изменений к нему на территории указанных выше государств публикуется в указателях национальных стандартов, издаваемых в этих государствах, а также в сети Интернет на сайтах соответствующих национальных органов по стандартизации.
В случае пересмотра, изменения или отмены настоящего стандарта соответствующая информация будет опубликована на официальном интернет-сайте Межгосударственного совета по стандартизации, метрологии и сертификации в каталоге «Межгосударственные стандарты»
Содержание
Введение
При обслуживании и эксплуатации электросетевых объектов, находящихся в зоне действия электрических полей промышленной частоты, возникает опасность поражения персонала электрическим током, связанная с возможностью касания к частям оборудования, находящимся под наведенным напряжением. Также возможно поражение электрическим током при возникновении шагового напряжения в случае аварийной ситуации. При высоких уровнях электрических полей возможно дополнительное влияние токов отекания, емкостных токов и электрических разрядов. Объектом стандартизации является средство индивидуальной защиты - индивидуальный шунтирующий экранирующий комплект, предназначенный для защиты электротехнического персонала от поражения электрическим током, вызванным наведенным и шаговым напряжением, а также от вредного воздействия электрических полей промышленной частоты.
ГОСТ 12.4.283-2019
МЕЖГОСУДАРСТВЕННЫЙ СТАНДАРТ
Система стандартов безопасности труда
СРЕДСТВА ИНДИВИДУАЛЬНОЙ ЗАЩИТЫ ОТ ЭЛЕКТРИЧЕСКИХ
ПОЛЕЙ
ПРОМЫШЛЕННОЙ ЧАСТОТЫ И ПОРАЖЕНИЯ ЭЛЕКТРИЧЕСКИМ ТОКОМ.
КОМПЛЕКТЫ ИНДИВИДУАЛЬНЫЕ ШУНТИРУЮЩИЕ ЭКРАНИРУЮЩИЕ
Общие технические требования. Методы испытаний
Occupational safety standards system.
Personal protective means from power frequency electric fields
and electrical shock. Shunting shielding personal suit. General technical
requirements. Test methods
Дата введения - 2020-09-01
Настоящий стандарт распространяется на индивидуальные шунтирующие экранирующие комплекты ЭП-4(0) (далее - комплекты), предназначенные для защиты электротехнического персонала от поражения электрическим током в случае возникновения наведенного напряжения при выполнении работ со снятием напряжения и заземлением на контактной сети переменного тока железных дорог и воздушных линиях электропередачи напряжением до 1150 кВ включительно, а также в случае аварийной ситуации, приводящей к возникновению шагового напряжения. Комплекты также предназначены для защиты электротехнического персонала от вредного воздействия электрических полей промышленной частоты при работах на потенциале провода под напряжением. Настоящий стандарт устанавливает общие технические требования к комплектам и методы их испытаний.
В настоящем стандарте использованы нормативные ссылки на следующие межгосударственные стандарты:
ГОСТ 12.4.103 Система стандартов безопасности труда. Одежда специальная защитная, средства индивидуальной защиты ног и рук. Классификация
ГОСТ 12.4.172-2019 Система стандартов безопасности труда. Средства индивидуальной защиты от электрических полей промышленной частоты. Комплекты индивидуальные экранирующие. Общие технические требования. Методы испытаний
ГОСТ 12.4.176 Система стандартов безопасности труда. Одежда специальная для защиты от теплового излучения. Требования к защитным свойствам и метод определения теплового состояния человека
ГОСТ 12.4.280-2014 Система стандартов безопасности труда. Одежда специальная для защиты от общих производственных загрязнений и механических воздействий. Общие технические требования
ГОСТ 12.4.303 Система стандартов безопасности труда. Одежда специальная для защиты от пониженных температур. Технические требования
ГОСТ 427 Линейки измерительные металлические. Технические условия
ГОСТ 3813 Материалы текстильные. Ткани и штучные изделия. Методы определения разрывных характеристик при растяжении
ГОСТ 7296 Обувь. Маркировка, упаковка, транспортирование и хранение
ГОСТ 10581-91 Изделия швейные. Маркировка, упаковка, транспортирование и хранение
ГОСТ 11373 Обувь. Размеры
ГОСТ 12088 Материалы текстильные и изделия из них. Метод определения воздухопроницаемости
ГОСТ 15846 Продукция, отправляемая в районы Крайнего Севера и приравненные к ним местности. Упаковка, маркировка, транспортирование и хранение
ГОСТ 22900-78 Кожа искусственная и пленочные материалы. Методы определения паропроницаемости и влагопоглощения
ГОСТ 23251 Обувь. Термины и определения
ГОСТ 28507 Обувь специальная с верхом из кожи для защиты от механических воздействий. Технические условия
ГОСТ 30157.0 Полотна текстильные. Методы определения изменения размеров после мокрых обработок или химической чистки. Общие положения
ГОСТ 30157.1 Полотна текстильные. Методы определения изменения размеров после мокрых обработок или химической чистки. Режимы обработок
ГОСТ 30292 Полотна текстильные. Метод испытания дождеванием
ГОСТ 31396 Классификация типовых фигур женщин по ростам, размерам и полнотным группам для проектирования одежды
ГОСТ 31397 Классификация типовых фигур женщин особо больших размеров
ГОСТ 31399 Классификация типовых фигур мужчин по ростам, размерам и полнотным группам для проектирования одежды
ГОСТ 31400 Классификация типовых фигур мужчин особо больших размеров
ГОСТ 31814 Оценка соответствия. Общие правила отбора образцов для испытаний продукции при подтверждении соответствия
ГОСТ EN 340-2012 Система стандартов безопасности труда. Одежда специальная защитная. Общие технические требования
ГОСТ ISO 15025 Система стандартов безопасности труда. Одежда специальная для защиты от пламени. Метод испытаний на ограниченное распространение пламени
Примечание - При пользовании настоящим стандартом целесообразно проверить действие ссылочных стандартов и классификаторов на официальном интернет-сайте Межгосударственного совета по стандартизации, метрологии и сертификации (www.easc.by) или по указателям национальных стандартов, издаваемым в государствах, указанных в предисловии, или на официальных сайтах соответствующих национальных органов по стандартизации. Если на документ дана недатированная ссылка, то следует использовать документ, действующий на текущий момент, с учетом всех внесенных в него изменений. Если заменен ссылочный документ, на который дана датированная ссылка, то следует использовать указанную версию этого документа. Если после принятия настоящего стандарта в ссылочный документ, на который дана датированная ссылка, внесено изменение, затрагивающее положение, на которое дана ссылка, то это положение применяется без учета данного изменения. Если ссылочный документ отменен без замены, то положение, в котором дана ссылка на него, применяется в части, не затрагивающей эту ссылку.
В настоящем стандарте применены термины по ГОСТ 23251, а также следующие термины с соответствующими определениями:
3.1.1 шунтирование: Процесс создания параллельной электрической цепи, обеспечивающей протекание электрического тока в обход тела человека за счет ее более низкого электрического сопротивления.
3.1.2 электропроводящий материал: Материал, состоящий из электропроводящих и неэлектропроводящих нитей/волокон и выполненный тканым, нетканым, трикотажным или иным способом.
3.1.3 пакет материалов: Совокупность всех слоев материалов для изготовления шунтирующей экранирующей одежды.
3.1.4 электропроводящая ткань: Основной электропроводящий материал, использующийся для изготовления шунтирующей экранирующей одежды и выполненный тканым способом.
3.1.5 электропроводящая лента: Полоса электропроводящего материала, использующаяся для усиления электропроводящих свойств индивидуального шунтирующего экранирующего комплекта.
3.1.6 электропроводящий контактный вывод: Несъемная часть элементов индивидуального шунтирующего экранирующего комплекта, предназначенная для обеспечения их надежного электрического соединения между собой.
3.1.7 контактный зажим выравнивания/уравнивания потенциала: Элемент индивидуального шунтирующего экранирующего комплекта, свободный конец которого оснащен зажимом типа «крокодил» либо другим аналогичным устройством, предназначенный (в зависимости от вида работ) для соединения комплекта с потенциалом «земли», либо потенциалом электроустановки, на которой проводят работу.
3.1.8 электропроводящий накасник: Средство защиты головы, изготовленное из электропроводящей ткани, надеваемое на каску и электрически соединенное с экранирующей курткой (или экранирующим комбинезоном).
Примечание - Электропроводящий накасник применяется в составе шунтирующей экранирующей одежды.
3.1.9 шунтирующая экранирующая одежда: Специальная защитная электропроводящая одежда, обеспечивающая шунтирование электрического тока при попадании под наведенное или шаговое напряжение, а также защиту от вредного воздействия переменного электрического поля промышленной частоты.
Примечания
1 Шунтирующая экранирующая одежда применяется в составе индивидуального шунтирующего экранирующего комплекта.
2 Элементами шунтирующей экранирующей одежды являются: экранирующая куртка с электропроводящим капюшоном или куртка с теплоизоляционной притачной и(или) съемной подкладкой и электропроводящим капюшоном, экранирующие брюки/полукомбинезон или экранирующие брюки/полукомбинезон с теплоизоляционной притачной и(или) съемной подкладкой и электропроводящий накасник. Элементы шунтирующей экранирующей одежды соединяются между собой с помощью электропроводящих контактных выводов.
3 К основным деталям кроя шунтирующей экранирующей одежды относятся: перед, спинка, рукава, манжеты, воротник, капюшон, передние и задние половинки брюк и полукомбинезона, притачной пояс.
3.1.10 электропроводящие перчатки: Средства защиты рук, выполненные с применением электропроводящего материала и снабженные электропроводящими контактными выводами.
Примечание - Электропроводящие перчатки применяются в составе индивидуального шунтирующего экранирующего комплекта.
3.1.11 электропроводящая обувь: Средства защиты ног, выполненные с применением электропроводящего материала и снабженные электропроводящими контактными выводами.
Примечание - Электропроводящая обувь применяется в составе индивидуального шунтирующего экранирующего комплекта.
3.1.12 электропроводящий экран: Средство защиты лица, которое может быть выполнено в виде металлизированного щитка, электропроводящей сетки, металлического каркаса и т.д., с применением электропроводящего материала и электрически соединяющееся с остальными частями комплекта.
Примечание - Электропроводящий экран применяется в составе индивидуального шунтирующего экранирующего комплекта.
3.1.13 индивидуальный шунтирующий экранирующий комплект: Средство индивидуальной защиты от поражения электрическим током наведенного и шагового напряжения и вредного воздействия на человека электрического поля промышленной частоты, состоящее из элементов, электрически соединенных между собой с помощью электропроводящих контактных выводов.
Примечание - Элементами индивидуального шунтирующего экранирующего комплекта являются: шунтирующая экранирующая одежда, электропроводящие перчатки, электропроводящая обувь, контактные зажимы выравнивания/уравнивания потенциала, электропроводящий экран (при необходимости).
3.1.14 электропроводящий испытательный манекен: Манекен с антропометрическими характеристиками взрослого человека, электропроводящая поверхность которого имеет низкое электрическое сопротивление.
3.1.15 коэффициент экранирования: Степень снижения (ослабления) интенсивности внешнего электрического поля промышленной частоты комплектом или электропроводящим материалом, выражаемая в дБ.
В настоящем стандарте применены следующие сокращения:
ЭП ПЧ - электрическое поле промышленной частоты;
ПДУ - предельно допустимый уровень;
ВЛ - воздушные линии электропередачи;
НД - нормативный документ;
ЭПКВ - электропроводящий контактный вывод.
Комплекты ЭП-4(0) предназначены для защиты от поражения электрическим током в случае возникновения наведенного или шагового напряжения. Также комплекты должны обеспечивать защиту от электрического поля и сопутствующих факторов как на потенциале земли в зоне влияния ЭП ПЧ со среднеквадратичной напряженностью, равной или превышающей ПДУ для производственных условий, так и при работах на потенциале провода под рабочим напряжением до 1150 кВ.
Защитные шунтирующие свойства комплектов обеспечиваются за счет высокой электрической проводимости материалов комплекта, создающих альтернативную электрическую цепь для прохождения электрического тока наведенного или шагового напряжения со значительно более низким электрическим сопротивлением, чем сопротивление тела человека.
Принцип, обеспечивающий защитные экранирующие свойства комплектов, заключается в создании вокруг тела пользователя замкнутой электропроводящей оболочки - клетки Фарадея.
Комплекты ЭП-4(0) могут быть летнего и зимнего исполнений:
- ЭП-4(0)л, предназначенный для персонала, выполняющего работы в летний период;
- ЭП-4(0)з, предназначенный для персонала, выполняющего работы в условиях пониженных температур.
Комплекты ЭП-4(0)л и ЭП-4(0)з обеспечивают защиту работающих от непосредственного воздействия ЭП ПЧ на организм человека и от воздействия наведенного или шагового напряжения.
По усмотрению изготовителя комплект может обеспечивать защиту человека:
от искровых разрядов, возникающих между комплектом и электропроводящими предметами, находящимися под потенциалами, отличными от потенциала комплекта (машины, механизмы, инструмент, приспособления и т.п.). Определение стойкости комплектов к искровым разрядам проводят в соответствии с ГОСТ 12.4.172-2019 (приложение В);
воздействия аэроионов, образующихся вблизи проводов ВЛ, находящихся под рабочим напряжением. Определение эффективности комплектов в части защиты от аэроионов проводят в соответствии с ГОСТ 12.4.172-2019 (приложение А).
Требования к эргономике шунтирующей экранирующей одежды (далее - одежда) установлены ГОСТ EN 340, к электропроводящей обуви - ГОСТ 28507.
В состав комплектов ЭП-4(0)л входят:
- экранирующая куртка с электропроводящим капюшоном;
- экранирующие брюки или полукомбинезон;
- электропроводящий накасник;
- электропроводящие перчатки;
- электропроводящая обувь;
- электропроводящий экран (при необходимости, работы под напряжением на ВЛ от 220 кВ и выше);
- контактный зажим выравнивания/уравнивания потенциала.
В состав комплектов ЭП-4(0)з входят:
- экранирующая куртка с теплоизоляционной притачной и(или) съемной подкладкой и электропроводящим капюшоном;
- экранирующие брюки или полукомбинезон с теплоизоляционной притачной и(или) съемной подкладкой;
- электропроводящий накасник;
- электропроводящие перчатки и утепленные рукавицы;
- электропроводящая утепленная обувь;
- электропроводящий экран (при необходимости, работы под напряжением на ВЛ от 220 кВ и выше);
- контактный зажим выравнивания/уравнивания потенциала.
Экранирующая куртка с электропроводящим капюшоном и экранирующие брюки или полукомбинезон могут быть заменены на экранирующий комбинезон с электропроводящим капюшоном.
При выполнении работ в электроустановках классом напряжения от 220 кВ и выше обязательно применение электропроводящего экрана и электропроводящего капюшона.
4.4.1 Требования к конструктивному исполнению
Электропроводящий материал, используемый для изготовления одежды, может быть выполнен нетканым, тканым или трикотажным способом с применением электропроводящих нитей, расположенных как в продольном, так и в поперечном направлениях. При этом расстояние между двумя параллельными соседними электропроводящими нитями (в осях) не должно превышать 1 мм [кроме нитей раппорта, выполненного дополнительно в ткани, и (или) нитей электропроводящих лент, применяемых совместно с тканью].
4.4.2 Требования к электрическому сопротивлению
Удельное поверхностное электрическое сопротивление образца электропроводящей ткани до и после 10 циклов машинной стирки и(или) химической чистки не должно превышать 10 Ом.
Измерения удельного поверхностного электрического сопротивления электропроводящей ткани проводят в соответствии с 5.1.1.
Электропроводящая лента, используемая для изготовления
комплектов, должна иметь электрическое сопротивление не более 0,1 Ом до и после
10 циклов машинной стирки и(или) химической чистки, измеренное на участке
образца длиной
= 1 м.
Измерения электрического сопротивления электропроводящей ленты проводят в соответствии с 5.1.7.
4.4.3 Требования к способности электропроводящей ленты выдерживать электрический ток
Электропроводящая лента должна выдерживать протекание электрического тока силой 40 А в течение 20 с без появления дыма и заметной деформации ленты. Для достижения указанного требования допускается применение при изготовлении комплектов сдвоенной электропроводящей ленты.
Испытания способности электропроводящей ленты выдерживать электрический ток проводят в соответствии с 5.1.8.
4.4.4 Требования к разрывной и раздирающей нагрузке
Разрывная нагрузка для электропроводящей ткани по основе и утку должна быть не ниже 800 Н. Раздирающая нагрузка для электропроводящей ткани по основе и утку должна быть не ниже 40 Н. Если комплект состоит из пакета материалов и является многослойным, то это требование применяется только в отношении ткани верхнего слоя комплекта.
4.4.5 Требования к ограниченному распространению пламени
Электропроводящий материал комплекта должен быть изготовлен таким образом, чтобы при воздействии пламени исключить его распространение. Для многослойных комплектов данное требование относится к материалам, применяемым для верхнего слоя комплекта. Швейные нити должны быть огнестойкими.
Испытания на ограниченное распространение пламени проводят в соответствии с 5.1.3.
4.4.6 Требования к воздухопроницаемости и паропроницаемости
Воздухопроницаемость верхнего слоя или пакета материалов одежды, используемой в летнее время года, должна быть не менее 30 дм3/м2с.
Для повышения комфортности изделий при эксплуатации в летний период рекомендуются более высокие показатели воздухопроницаемости.
Паропроницаемость верхнего слоя или пакета материалов одежды, используемой в летнее время года, должна быть не менее 4 мг/см2ч.
Воздухопроницаемость и паропроницаемость материалов, используемых для изготовления зимних комплектов, должны соответствовать требованиям ГОСТ 12.4.303.
Определение воздухопроницаемости и паропроницаемости верхнего слоя или пакета материалов одежды проводят в соответствии с 5.1.5.
4.4.7 Требования к водоотталкиванию и маслоотталкиванию
Верхний слой или верхний слой пакета материалов одежды должен обладать водоотталкивающими и маслоотталкивающими свойствами в соответствии с ГОСТ 12.4.280-2014 (пункт 5.4.2.1).
Определение водоотталкивания и маслоотталкивания верхнего слоя или верхнего слоя пакета материалов одежды проводят в соответствии с 5.1.4.
4.4.8 Требования к машинной стирке и химической чистке
Удельное поверхностное электрическое сопротивление основного электропроводящего материала после 10 циклов машинной стирки и(или) химической чистки по ГОСТ EN 340-2012 (пункт 5.4) не должно превышать требований, указанных в 4.4.2.
Эффективность экранирования основного электропроводящего материала после 10 циклов машинной стирки и(или) химической чистки по ГОСТ EN 340-2012 (пункт 5.4) должна соответствовать требованиям, указанным в 4.4.9.
4.4.9 Требования к эффективности экранирования основного электропроводящего материала
Основной электропроводящий материал, используемый для изготовления одежды, должен иметь коэффициент экранирования ЭП ПЧ в соответствии с ГОСТ 12.4.172-2019 (пункт 4.4.8).
Измерение напряженности ЭП ПЧ для определения коэффициента экранирования основного электропроводящего материала проводят в соответствии с 5.1.10.
4.4.10 Требования к устойчивости к коррозии1)
__________
1) Настоящее требование действует с даты введения в действие межгосударственного стандарта, устанавливающего метод определения устойчивости к коррозии электропроводящих материалов и электропроводящей фурнитуры.
Электропроводящие материалы и электропроводящая фурнитура, применяющиеся при изготовлении комплектов должны обладать устойчивостью к коррозии.
4.5.1 Требования к конструктивному исполнению
Конструкция одежды должна обеспечивать надежное электрическое соединение основных деталей кроя между собой. Требование может быть реализовано за счет применения электропроводящей ленты, ее аналога, применением специальных швов или комбинацией перечисленных способов.
Надежное электрическое соединение элементов комплекта осуществляется с помощью ЭПКВ.
Основные детали кроя, исключая накладные детали, должны быть выполнены с применением электропроводящих материалов и образовывать электрически непрерывный экранирующий слой в одежде.
Должны быть предусмотрены меры, обеспечивающие надежность электрического соединения элементов одежды между собой (дублирование кнопок, дублирование соединительных проводников, металлические застежки и пр.). Конкретные меры для обеспечения надежного электрического соединения элементов одежды между собой и с другими элементами комплекта должны быть отражены в технической документации изготовителя.
ЭПКВ для соединения элементов одежды между собой и с другими элементами комплекта должны быть выполнены из электропроводящего материала (электропроводящей ткани, ленты или другого металлического проводника, металлических кнопок, рамок и т.п.).
Одежда должна иметь один или два контактных зажима выравнивания/уравнивания потенциала, которые располагаются спереди в карманах куртки/комбинезона и предназначены для присоединения к потенциалу земли или провода, находящегося под напряжением: к проводам ВЛ или к металлическим частям рабочей площадки, находящейся под напряжением.
На конце контактного зажима выравнивания/уравнивания потенциала должен быть расположен соединительный зажим типа «крокодил» (см. рисунок 1) или «струбцина» (по требованию потребителя).
Рисунок 1 - Соединительный зажим типа «крокодил»
Конструкция одежды и ЭПКВ не должна вызывать ограничений подвижности работающего в процессе эксплуатации комплекта.
4.5.2 Требования к размерам
Одежду изготавливают на типовые фигуры мужчин и женщин в соответствии с классификациями по ГОСТ 31396, ГОСТ 31397, ГОСТ 31399, ГОСТ 31400.
Размеры одежды должны содержать группировку двух размерных признаков типовой фигуры человека. В плечевых и поясных изделиях - сдвоенные значения роста и обхвата груди, в плечепоясных - рост и сдвоенные значения обхвата груди. Размеры и измерения готовой одежды должны соответствовать технической документации изготовителя.
Электропроводящий накасник может изготавливаться одного типа для всех видов комплектов и должен быть совместим с различными стандартными типами и размерами касок.
4.5.3 Требования к изоляции одежды от тела человека
Одежда должна иметь изолирующий слой, расположенный по всей поверхности экранирующих куртки и брюк/полукомбинезона, экранирующего комбинезона и исключающий контакт тела человека с электропроводящей поверхностью ткани и металлической фурнитурой.
Электрическое сопротивление изолирующего слоя не нормируется.
4.5.4 Требования к электрическому сопротивлению одежды и ее элементов
Одежда и ее элементы при выпуске с предприятия должны иметь электрическое сопротивление для новых комплектов не более 0,5 Ом.
В течение всего срока эксплуатации электрическое сопротивление одежды не должно превышать 10 Ом.
Измерения электрического сопротивления одежды и ее элементов проводят в соответствии с 5.2.2, 5.2.3.
4.5.5 Требования к машинной стирке и химической чистке
Электрическое сопротивление одежды и ее элементов после 10 циклов машинной стирки и(или) химической чистки по ГОСТ EN 340-2012 (пункт 5.4) не должно превышать требований, указанных в 4.5.4.
Одежда, входящая в состав комплекта, после 10 циклов машинной стирки и(или) химической чистки по ГОСТ EN 340-2012 (пункт 5.4) не должна ухудшать экранирующие свойства комплекта в сборе, требования к которым установлены в 4.9.2.
4.6.1 Требования к конструктивному исполнению
Конструктивно электропроводящая обувь должна быть выполнена в соответствии с ГОСТ 12.4.172-2019 (пункт 4.6.1).
4.6.2 Требования к размерам
Размеры электропроводящей обуви определяют по ГОСТ 11373.
4.6.3 Требования к электрическому сопротивлению
Электрическое сопротивление электропроводящей обуви с электропроводящей подошвой не должно превышать 10 кОм.
Измерения электрического сопротивления электропроводящей обуви проводят в соответствии с 5.3.
4.7.1 Требования к конструктивному исполнению
Конструктивно электропроводящие перчатки должны быть выполнены в соответствии с ГОСТ 12.4.172-2019 (пункт 4.7.1).
4.7.2 Требования к электрическому сопротивлению
Электрическое сопротивление электропроводящих перчаток, входящих в состав комплектов, не должно превышать 30 Ом.
Измерения электрического сопротивления электропроводящих перчаток проводят в соответствии с 5.4.
4.8.1 Требования к конструктивному исполнению
Конструктивно электропроводящий экран должен быть выполнен в соответствии с ГОСТ 12.4.172-2019 (пункт 4.8.1).
4.8.2 Требования к электрическому сопротивлению
Электрическое сопротивление электропроводящего экрана не должно превышать 10 Ом.
Измерения электрического сопротивления электропроводящего экрана проводят в соответствии с 5.5.
4.9.1 Требования к конструктивному исполнению
Комплекты должны создавать электропроводящую оболочку вокруг тела человека, состоящую из отдельных электропроводящих элементов, электрически соединенных между собой.
Все элементы комплекта должны иметь не менее двух ЭПКВ, выполненных из электропроводящего материала (электропроводящей ткани, металлического проводника, металлических кнопок, крючков и т.д.), для обеспечения надежного электрического соединения элементов комплекта между собой.
ЭПКВ всех элементов комплекта должны быть гибкими и неподдающимися излому. ЭПКВ должны обеспечивать надежный электрический контакт элементов комплекта и электрическое сопротивление комплекта в сборе не более 10 Ом.
Комплекты должны сохранять защитные свойства (см. 4.9.2 - 4.9.3, 4.9.6) после машинных стирок и (или) химических чисток в течение всего срока эксплуатации.
Защитные свойства комплектов должны быть обеспечены их конструкцией (ЭПКВ, швами, электрическим контактом деталей кроя, свойствами и постоянством этих свойств электропроводящих материалов). Конструкция комплекта должна исключать самопроизвольное нарушение электрического контакта в процессе эксплуатации.
Комплекты применяют совместно с каской, на которую надевают электропроводящие накасник или капюшон.
При выполнении работ в электроустановках классом напряжения 220 кВ и выше для комплектов не допустима конструкция одежды комплектов без электропроводящего капюшона.
4.9.2 Требования к эффективности экранирования комплектов
Эффективность экранирования комплектов проверяют на полностью собранном комплекте до и после 10 циклов машинной стирки и (или) химической чистки одежды.
Коэффициент экранирования комплекта должен быть не менее 60 дБ.
Определение коэффициента экранирования комплектов осуществляют в соответствии с 5.6.5.
4.9.3 Требования к эффективности комплектов в части защиты человека от поражения электрическим током наведенного напряжения
Значение электрического тока, протекающего через тело человека, одетого в комплект ЭП-4(0), не должно превышать 6 мА при значении электрического тока через комплект не менее 30 А.
Комплект должен выдерживать длительность воздействия электрического тока не менее 60 с без каких-либо повреждений (задымление, возгорание, разрушение ткани).
Измерение электрического тока, протекающего через тело человека, для определения эффективности защиты комплекта проводят в соответствии с 5.6.6.
4.9.4 Требования по токсическим воздействиям
Комплекты не должны оказывать токсического воздействия на человека.
Комплекты должны соответствовать требованиям к токсиколого-гигиеническим показателям по [1] или нормативным правовым актам, действующим на территории государства, принявшего стандарт.
4.9.5 Требования к показателям теплового состояния человека
Комплекты всех видов должны быть испытаны на тепловое состояние человека с целью оценки допустимой длительности работы в комплекте при различных температурах окружающей среды. Показатели теплового состояния человека за все время использования комплекта в условиях, указанных изготовителем, должны соответствовать требованиям ГОСТ 12.4.176 и НД, действующим на территории государства, принявшего стандарт1).
__________
1) В Российской Федерации действуют МУК 4.3.1895-04 «Оценка теплового состояния человека с целью обоснования гигиенических требований к микроклимату рабочих мест и мерам профилактики охлаждения и перегревания».
Оценку показателей теплового состояния человека в процессе применения комплектов проводят на стадии их проектирования и сертификации.
4.9.6 Требования к эффективности комплектов в части защиты человека от шагового напряжения
В случае возникновения шагового напряжения значение электрического тока, протекающего через тело человека, одетого в комплект, должно быть менее 6 мА при значении напряжения шага 150 В.
Комплект должен выдерживать воздействие тока шагового напряжения без каких-либо повреждений (задымление, возгорание, разрушение ткани).
Измерение эффективности комплекта в части защиты человека от воздействия шагового напряжения проводят в соответствии с 5.6.6.
4.9.7 Требования к долговечности защитных свойств комплекта
Значения показателей: раздирающая и разрывная нагрузка, воздухопроницаемость и паропроницаемость верхнего слоя или пакета материалов после 10 циклов машинных стирок и (или) химических чисток не должны снижаться более чем на 20 %.
Изменение размеров электропроводящей ткани одежды после 10 циклов машинных стирок и (или) химических чисток не должно превышать ± 3 % по длине или ширине.
Одежда, применяемая в составе комплектов, должна сохранять свои защитные свойства (см. 4.5.3, 4.5.4) в течение всего срока эксплуатации (не менее 18 мес).
Комплект должен сохранять свои защитные свойства (см. 4.9.1 - 4.9.6) в течение всего срока эксплуатации (не менее 18 мес).
Каждый комплект и его элементы должны иметь маркировку, которую наносят непосредственно на изделие или на трудноудаляемую этикетку и на его упаковку. Требования к содержанию маркировки в соответствии с [1] или нормативным правовым актом, действующим на территории государства, принявшего стандарт.
Обозначение защитных свойств элементов комплектов - по ГОСТ 12.4.103.
Если комплекты и их элементы упаковывают в полиэтилен, то товарный ярлык должен быть хорошо видим и читаем без нарушения целостности упаковки.
В каждую индивидуальную упаковку вкладывают памятку-инструкцию по уходу за комплектом и его элементами и паспорт изделия.
Упаковку электропроводящей обуви следует осуществлять по ГОСТ 7296.
Комплекты и их элементы должны проходить следующие виды испытаний:
- типовые испытания по 5.1 - 5.6 проводят при разработке комплектов и электропроводящих материалов, а также при существенном изменении их конструктивного исполнения, которое может привести к изменению защитных, эксплуатационных и гигиенических свойств;
- приемо-сдаточные испытания проводят на каждом образце продукции (полностью собранном комплекте) при выпуске с завода - изготовителя или от поставщика по 5.2.1 - 5.2.3, 5.6.1, 5.6.4;
- выборочные периодические испытания проводят в рамках инспекционного контроля по 5.2 - 5.5, 5.6.1, 5.6.4 - 5.6.6.
Отбор образцов продукции осуществляется в соответствии с ГОСТ 31814.
5.1.1 Определение удельного поверхностного электрического сопротивления электропроводящей ткани
Измерения проводят в соответствии с ГОСТ 12.4.172-2019 (пункт 5.1.1). Испытуемый образец считается соответствующим требованиям стандарта, если результат не превышает требований, приведенных в 4.4.2.
5.1.2 Определение разрывной и раздирающей нагрузок электропроводящей ткани
Определение разрывной и раздирающей нагрузок электропроводящей ткани или ткани верхнего слоя комплектов по основе и по утку проводят по ГОСТ 3813.
5.1.3 Определение ограниченного распространения пламени на электропроводящем материале
Определение ограниченного распространения пламени на верхнем слое или верхнем слое пакета материалов одежды комплекта и швейных нитях проводят в соответствии с ГОСТ ISO 15025 (процедура А).
5.1.4 Определение водоотталкивания и маслоотталкивания электропроводящего материала
Определение водоотталкивания основного электропроводящего материала или верхнего слоя пакета материалов одежды проводят в соответствии с ГОСТ 30292, маслоотталкивания - ГОСТ 12.4.280-2014 (пункт 6.17).
5.1.5 Определение воздухопроницаемости и паропроницаемости электропроводящего материала
Определение воздухопроницаемости электропроводящего материала или пакета материалов одежды проводят в соответствии с ГОСТ 12088, паропроницаемости - ГОСТ 22900-78 (подраздел 1.1).
5.1.6 Определение изменения размеров электропроводящей ткани после машинной стирки или химической чистки
Определение изменения размеров электропроводящей ткани после стирки или чистки проводят в соответствии с ГОСТ 30157.0, ГОСТ 30157.1.
5.1.7 Определение электрического сопротивления электропроводящей ленты
Измерения проводят в соответствии с ГОСТ 12.4.172-2019 (пункт 5.1.7). Испытуемый образец считается соответствующим требованиям стандарта, если результат не превышает требований 4.4.2.
5.1.8 Испытание способности электропроводящей ленты выдерживать электрический ток
5.1.8.1 Условия проведения испытаний
При определении способности электропроводящей ленты выдерживать электрический ток соблюдают следующие условия:
- температура окружающего воздуха ……………………….от 21 °С до 24 °С;
- атмосферное давление …………………………………….от 84 до106 кПа;
- относительная влажность воздуха ……………………….от 40 % до 60 %.
5.1.8.2 Испытуемый образец
Испытуемый образец представляет собой отрезок электропроводящей ленты длиной 1,1 м.
5.1.8.3 Аппаратура и оборудование:
- амперметр, диапазон измерений не менее 0,1 - 100 А, допустимая приведенная погрешность не более 3,0 %;
- нагрузочный трансформатор в режиме источника тока, максимальный ток вторичной обмотки не менее 2500 А, обеспечивающий ток не менее 40 А при электрическом сопротивлении нагрузки не более 100 Ом;
- автотрансформатор, ток нагрузки не менее 10 А;
- испытательная рамка, состоящая из двух сдвоенных отшлифованных металлических пластин с винтовым разъемным соединением, размеры пластины: не менее 0,2×0,1 м (см. рисунок 2);
- линейка по ГОСТ 427;
- секундомер.
5.1.8.4 Требования безопасности, охраны окружающей среды
При проведении измерений требования безопасности, производственной санитарии и охраны окружающей среды регламентируются НД, действующими на территории государства, принявшего стандарт1), 2).
__________
1) В Российской Федерации действуют СанПиН 2.2.4.3359-16 «Санитарно-эпидемиологические требования к физическим факторам на рабочих местах».
2) В Российской Федерации действует приложение к приказу Министерства труда и социальной защиты Российской Федерации от 24 июля 2013 г. № 328н «Правила по охране труда при эксплуатации электроустановок».
5.1.8.5 Требования к квалификации операторов
Измерения может проводить работник, имеющий группу по электробезопасности не ниже III в электроустановках напряжением до 1000 В по НД, действующему на территории государства, принявшего стандарт2).
__________
2) В Российской Федерации действует приложение к приказу Министерства труда и социальной защиты Российской Федерации от 24 июля 2013 г. № 328н «Правила по охране труда при эксплуатации электроустановок».
5.1.8.6 Подготовка к испытаниям
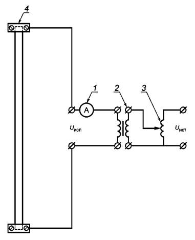
Испытуемый образец закрепляют в сдвоенных металлических пластинах. Пластины плотно стягивают винтами. Собирают испытательную схему (см. рисунок 2).
1 - амперметр; 2 - нагрузочный трансформатор; 3 - автотрансформатор; 4 - испытательная рамка
Рисунок 2 - Схема испытаний способности электропроводящей
ленты
выдерживать электрический ток
5.1.8.7 Проведение испытаний
На испытательную рамку с образцом подают начальное напряжение от вторичной обмотки трансформатора при помощи автотрансформатора. Плавно поднимая напряжение, по показаниям амперметра устанавливают силу тока в испытуемом образце равной 40 А и отключают питание испытательной установки.
Для восстановления теплового состояния испытуемого образца испытательная установка находится в выключенном состоянии в течение 5 мин. По истечении 5 мин включают питание, подают напряжение толчком на образец и запускают секундомер. По амперметру контролируют ток, протекающий через испытуемый образец, равный 40 А. По истечении 20 с снимают напряжение, выключают питание испытательной установки и оценивают состояние (повреждение, задымление и т.п.) испытуемого образца.
5.1.8.8 Результаты испытаний
Испытуемый образец ленты считают соответствующим требованиям настоящего стандарта, если выполняются требования по 4.4.3.
5.1.8.9 Точность метода
Допускаемая основная относительная погрешность должна находиться в пределах ±10 %.
5.1.8.10 Оформление результатов испытаний
Оформление результатов испытаний осуществляется в соответствии с приложением А.
5.1.9 Определение устойчивости основного электропроводящего материала к чистке
Определение устойчивости основного электропроводящего материала к машинной стирке и (или) химической чистке осуществляют путем измерения его удельного поверхностного электрического сопротивления (см. 5.1.1) и коэффициента экранирования (см. 5.1.10) после 10 циклов машинной стирки и (или) химической чистки по ГОСТ EN 340-2012 (подраздел 5.4).
5.1.10 Определение коэффициента экранирования основного электропроводящего материала
Измерения проводят в соответствии с ГОСТ 12.4.172-2019 (пункт 5.1.9).
Испытуемый образец считается соответствующим требованиям стандарта, если результат не превышает требований 4.4.9.
5.2.1 Определение соответствия комплектации и отсутствия дефектов
Проводят определение соответствия комплектации одежды, отсутствия дефектов, надежности соединения элементов между собой, наличия ЭПКВ и соответствие их мест расположения. Маркировку проверяют визуально.
5.2.2 Определение электрического сопротивления элементов одежды
Испытывают каждый экземпляр элемента одежды комплектов в произведенной партии. Испытания проводят по ГОСТ 12.4.172-2019 (пункт 5.2.2).
Экземпляр элемента одежды соответствует требованиям настоящего стандарта, если электрическое сопротивление не превышает значения, указанного в 4.5.4.
5.2.3 Определение электрического сопротивления одежды в сборе
Измерения проводят в соответствии с ГОСТ 12.4.172-2019 (пункт 5.2.3).
Одежда соответствует требованиям стандарта, если электрическое сопротивление не превышает значения, указанного в 4.5.4.
5.2.4 Определение устойчивости к машинной стирке и химической чистке
Определение устойчивости к машинной стирке и (или) химической чистке осуществляют путем измерения электрического сопротивления одежды и ее элементов (см. 5.2.2, 5.2.3) и коэффициента экранирования комплекта (см. 5.6.5) после 10 циклов машинной стирки и (или) химической чистки по ГОСТ EN 340-2012 (пункт 5.4).
Отсутствие внешних дефектов, надежность соединения отдельных элементов электропроводящей обуви между собой, наличие ЭПКВ и соответствие их мест расположения требованиям технической документации изготовителя проверяют визуально.
Допускается проведение измерений электрического сопротивления электропроводящей обуви двумя методами по ГОСТ 12.4.172-2019 (пункт 5.3.1).
Электропроводящую обувь считают соответствующей требованиям настоящего стандарта, если результат испытаний соответствует 4.6.3.
Отсутствие внешних дефектов, надежность соединения отдельных элементов электропроводящих перчаток между собой, наличие ЭПКВ и соответствие их мест расположения требованиям технической документации изготовителя проверяют визуально.
Измерения электрического сопротивления электропроводящих перчаток проводят в соответствии с ГОСТ 12.4.172-2019 (пункт 5.4.1).
Испытуемый образец считается соответствующим требованиям стандарта, если результат испытаний соответствует 4.7.1.
Отсутствие внешних дефектов, надежность соединения электропроводящего экрана с одеждой проверяют визуально.
Размер ячейки сетчатого или решетчатого электропроводящего экрана определяют путем измерения металлической линейкой с ценой деления 1 мм по ГОСТ 427.
Измерения электрического сопротивления электропроводящего экрана проводят в соответствии с ГОСТ 12.4.172-2019 (пункт 5.5.1).
Электропроводящий экран считается соответствующим требованиям стандарта, если результат испытаний соответствует 4.8.1.
5.6.1 Визуальный контроль
Комплектность и наличие маркировки, упаковку, целостность электропроводящих материалов и швов, наличие и целостность ЭПКВ, наличие кнопок и их соединения с ЭПКВ, наличие соединения элементов комплекта и отсутствие следов коррозии проверяют визуально. До испытаний не допускаются комплекты с видимыми следами коррозии.
5.6.2 Методика токсиколого-гигиенической оценки
Материалы, использующиеся для изготовления комплектов, должны пройти токсиколого-гигиеническую оценку по НД, действующим на территории государства, принявшего стандарт1), за все время использования комплекта в условиях, указанных изготовителем.
__________
1) В Российской Федерации действуют МУ «Токсиколого-гигиенические исследования полимерных материалов и изделий из них, предназначенных для использования в средствах индивидуальной защиты»; МУ 1.1.037-95 «Биотестирование продукции из полимерных и других материалов»; МУК 4.1/4.3.1485-03 «Гигиеническая оценка одежды для детей, подростков и взрослых».
Токсиколого-гигиеническую оценку пакета материалов и элементов комплекта проводят на этапе их постановки на производство.
5.6.3 Методика оценки показателей теплового состояния человека
Оценку показателей теплового состояния человека в процессе применения комплектов проводят в соответствии с ГОСТ 12.4.176.
Предпочтительнее проводить испытания на добровольцах, чем на манекенах.
5.6.4 Методика измерения электрического сопротивления
Измерения электрического сопротивления комплекта проводят в соответствии с методиками, приведенными в 5.2.2, 5.2.3.
Измерения проводят на полностью собранном комплекте. При этом нормативное значение суммарного электрического сопротивления комплекта складывается из нормативных значений электрических сопротивлений элементов комплекта в зависимости от схемы измерений («рука-рука», «рука-нога», «голова-рука», «голова-нога» и т.д.) и не учитывает электрическое сопротивление электропроводящей обуви.
5.6.5 Определение коэффициента экранирования комплектов
Определение коэффициента экранирования комплектов проводят в соответствии с ГОСТ 12.4.172-2019 (пункт 5.6.5).
Комплект считают соответствующим требованиям стандарта, если полученный коэффициент экранирования соответствует 4.9.2.
5.6.6 Методика измерения электрического тока для определения эффективности шунтирующих свойств комплектов
Определение эффективности защитных шунтирующих свойств комплектов проводят на полностью собранном комплекте до и после 10 циклов машинной стирки и (или) химической чистки.
Проводят измерения электрического тока для следующих схем измерений:
а) измерение электрического тока через манекен, протекающего по пути «рука-рука»;
б) измерение электрического тока через манекен, протекающего по пути «рука-нога»;
в) измерение электрического тока через манекен, протекающего по пути «нога-нога».
5.6.6.1 Условия проведения измерений
При измерении электрического тока для определения эффективности шунтирующих свойств комплектов соблюдают следующие условия:
- температура окружающего воздуха …………………………от 21 °С до 24 °С;
- атмосферное давление ………………………………………от 84 до 106 кПа;
- относительная влажность воздуха …………………………от 40 % до 60 %.
5.6.6.2 Испытуемый образец
Испытуемым образцом является полностью собранный комплект.
5.6.6.3 Аппаратура и оборудование:
- электропроводящий испытательный манекен, поверхность которого покрыта электропроводящим материалом (фольгой), электрическое сопротивление манекена не более 1 Ом (рисунок 3). Электропроводящая поверхность манекена разделена на четыре зоны, каждая из которых оборудована соединительной клеммой (А, В, С или D);
- соединительные провода для подключения клемм;
- резистор номиналом 1 кОм, моделирующий сопротивление тела человека;
- нагрузочный трансформатор в режиме источника тока, максимальный ток вторичной обмотки не менее 2500 А, обеспечивающий ток не менее 40 А при электрическом сопротивлении нагрузки не более 100 Ом;
- автотрансформатор, ток нагрузки не менее 10 А;
- амперметр, диапазон измерений не менее 0,1 - 100 А, допустимая приведенная погрешность не более 3,0 %;
- миллиамперметр, диапазон измерений не менее 0,1 - 100 мА, допустимая приведенная погрешность не более 1,5 %;
- две металлические ванны, заполненные 1,5 % - 2 %-ным раствором соли;
- допускается использование дополнительного измерительного оборудования - вольтметра, диапазон измерений не менее 0,1 - 230 В, допустимая погрешность не более 0,7 %.
5.6.6.4 Требования безопасности, охраны окружающей среды
При проведении измерений требования безопасности, производственной санитарии и охраны окружающей среды регламентируются НД, действующими на территории государства, принявшего стандарт1),2).
__________
1) В Российской Федерации действуют СанПиН 2.2.4.3359-16 «Санитарно-эпидемиологические требования к физическим факторам на рабочих местах».
2) В Российской Федерации действует приложение к приказу Министерства труда и социальной защиты Российской Федерации от 24 июля 2013 г. № 328н «Правила по охране труда при эксплуатации электроустановок».
5.6.6.5 Требования к квалификации операторов
Измерения может проводить работник, имеющий группу по электробезопасности не ниже III в электроустановках напряжением до 1000 В по НД, действующему на территории государства, принявшего стандарт2).
__________
2) В Российской Федерации действует приложение к приказу Министерства труда и социальной защиты Российской Федерации от 24 июля 2013 г. № 328н «Правила по охране труда при эксплуатации электроустановок».
5.6.6.6 Подготовка к измерениям
Перед началом испытаний проводят измерение электрического сопротивления всех элементов комплекта по отдельности в соответствии с 5.2.2, 5.3, 5.4, 5.5, а затем проводят измерение электрического сопротивления одежды в сборе в соответствии с 5.2.3.
Если комплект соответствует требованиям вышеуказанных пунктов, далее осуществляется сборка измерительной цепи в испытательном стенде.
На электропроводящий испытательный манекен (рисунок 3) надевают комплект и проверяют изоляцию путем включения омметра между электропроводящим испытательным манекеном и ЭПКВ комплекта. При показании омметра менее 100 кОм проводить испытания запрещается.
Рисунок 3 - Испытательный манекен (вид спереди и сзади)
Для определения эффективности шунтирования комплектом электрических токов по пути «рука-рука», либо «нога-нога» на клеммной сборке электропроводящего испытательного манекена соединительными проводами попарно объединяют клеммы А и С, В и D (рисунок 3). В случае определения эффективности шунтирования комплектом токов по пути «рука-нога» попарно объединяют клеммы А и В, С и D (рисунок 3). Между клеммами A и B (A и D - в случае протекания тока по пути «рука-нога») включают последовательно резистор с сопротивлением 1 кОм и миллиамперметр, измеряющий ток через электропроводящий испытательный манекен. Схемы подключения оборудования и измерительной аппаратуры в испытательном стенде приведены на рисунках 4 - 6.
Рисунок 4 - Схема измерений электрического тока через манекен по пути «рука-рука»

Рисунок 5 - Схема измерений электрического тока через манекен по пути «рука-нога»
Рисунок 6 - Схема измерений электрического тока через манекен по пути «нога-нога»
В схеме измерений тока через манекен по пути «нога-нога» (рисунок 6) для обеспечения лучшего контакта рекомендуется использовать металлические ванны, наполненные водным раствором поваренной соли. Приготавливают 1,5 % - 2 %-ный водный раствор поваренной соли в объеме, необходимом для заполнения ванн раствором с образованием слоя 1 см, и наливают приготовленный раствор поваренной соли в ванны 1 и 2.
Ноги электропроводящего испытательного манекена, одетого в комплект, помещают в ванны 1 и 2, так чтобы обувь была погружена в раствор на уровне половины толщины подошвы.
5.6.6.7 Проведение измерений
На комплект от вторичной обмотки трансформатора при помощи автотрансформатора подают начальное напряжение, которое контролируется по вольтметру (рисунки 4 - 6).
Поднимая напряжение, по показаниям амперметра устанавливают силу тока, протекающего через комплект по путям «рука-рука», «рука-нога» на уровне:
- 30 А для комплектов ЭП-4(0);
- 3 А для комплектов по ГОСТ 12.4.172.
Поднимают напряжение до 150 В по показаниям вольтметра и устанавливают силу тока, протекающего через комплект по пути «нога-нога».
Цепь остается замкнутой в течение не менее 60 с при заданном уровне тока. По показаниям миллиамперметра фиксируют значение электрического тока через резистор манекена.
В случае, если во время испытаний значение тока через комплект начинает снижаться, необходимо поддерживать ее на заданном уровне увеличением напряжения на трансформаторе. Если поддержание электрического тока через комплект на заданном уровне в течение 60 с невозможно, испытания признают не пройденными.
Допускается применение дополнительного оборудования - вольтметра. При необходимости по показаниям вольтметра может осуществляться контроль значения напряжения шага.
5.6.6.8 Результат измерений
Комплект считают соответствующим техническим требованиям, если измеренное значение электрического тока, протекающего через манекен, для каждой схемы измерений соответствует 4.9.3, 4.9.6.
5.6.6.9 Точность метода
Допускаемая основная относительная погрешность должна находиться в пределах ±10 %.
5.6.6.10 Оформление результатов измерений
Оформление результатов измерений осуществляют в соответствии с приложением А.
Комплекты и их элементы транспортируют по ГОСТ 10581-91 (раздел 3) в картонных коробках любым видом транспорта в соответствии с правилами перевозки грузов, действующими на данном виде транспорта, при условии защиты их от влаги, механических повреждений, а также от воздействия технических масел и других агрессивных сред.
Комплекты и их элементы допускается транспортировать в автофургонах, контейнерах или вагонах.
Контейнеры следует выстилать влагозащитной бумагой или другими влагозащитными материалами, если комплекты и их элементы не упакованы в ящики.
Допускается при согласовании с потребителем транспортировать комплекты и их элементы в контейнерах, выстланных бумагой.
Ящики следует выстилать полиэтиленом или другим влагозащитным материалом.
Транспортирование комплектов и их элементов в районы Крайнего Севера и приравненные к ним местности осуществляют по ГОСТ 15846.
Хранение комплектов и их элементов осуществляют в соответствии с ГОСТ 10581-91 (раздел 4).
Поскольку электропроводящий материал, используемый для изготовления комплектов, может окисляться при длительном воздействии атмосферной влаги, упаковка должна обеспечивать максимальную защиту комплектов от влаги при продолжительном хранении до начала эксплуатации.
Комплекты и их элементы должны храниться в крытых складских помещениях и быть защищены от прямого попадания солнечных лучей и атмосферных воздействий.
Расстояние от пола до нижней полки стеллажа должно быть не менее 0,2 м, от внутренних стен до комплектов и их элементов - не менее 0,2 м, от отопительных приборов до комплектов и их элементов - не менее 1 м, между стеллажами - не менее 0,7 м.
Условия хранения комплектов и их элементов: температура воздуха от 18 °С до 26 °С, относительная влажность воздуха - от 40 % до 60 %.
Комплекты и их элементы в индивидуальных упаковках хранят в теплом, сухом и хорошо вентилируемом помещении.
Экранирующую одежду, находящуюся в эксплуатации в составе комплекта, хранят вывешенной на плечики для одежды.
Электропроводящие перчатки, находящиеся в эксплуатации в составе комплекта, хранят разложенными на стеллажах для просушки. Запрещается подвешивание перчаток за ЭПКВ.
А.1 После проведения испытаний составляют протокол, в котором указывают: наименование продукции, наименование и адрес заказчика, наименование и адрес изготовителя, дату отбора образца, дату поступления образца, основание проведения испытаний, цель испытаний, шифр образца, дату изготовления продукции, дату проведения испытаний, перечень средств измерения и испытательного оборудования, условия проведения испытаний, результаты испытаний.
Результаты испытаний приводят в виде таблицы А.1.
|
№ п/п |
Наименование показателя |
Единицы измерения |
НД на метод испытаний |
Норматив по НД |
Результаты испытаний |
|
1 |
2 |
3 |
4 |
5 |
6 |
|
О безопасности средств индивидуальной защиты |
Ключевые слова: средства индивидуальной защиты, электрический ток, индивидуальный шунтирующий экранирующий комплект, наведенное напряжение, шаговое напряжение